Контрольная работа: Электронные компоненты системы зажигания принципы работы, конструкция, параметры, характеристик
|
Название: Электронные компоненты системы зажигания принципы работы, конструкция, параметры, характеристик Раздел: Рефераты по транспорту Тип: контрольная работа |
| МИНИСТЕРСТВО ОБРАЗОВАНИЯ РОССИЙСКОЙ ФЕДЕРАЦИИ КГУ Кафедра “Автомобильный транспорт и автосервис” Контрольная работа по дисциплине: ЭЛЕКТРОННЫЕ И МИКРОПРОЦЕССОРНЫЕ СИСТЕМЫ АВТОМОБИЛЕЙ Студент Третьяков Вадим Алексеевич Вариант 7 Группа ТСЗк-4677с Проверил Борщенко Я.А. . г. Курган 2010 год 1. Электронные компоненты системы зажигания: принципы работы, конструкция, параметры, характеристики.
Датчики-распределители отличаются в основном тем, что у них контактный прерыватель замещен бесконтактным датчиком {микропереключателем). В бесконтактном датчике магнитоэлектрического типа число пар полюсов соответствует числу цилиндров двигателя, в датчике Холла этому числу соответствует число прорезей вращающегося магнитного экрана. Центробежный регулятор угла опережения зажигания в магнитоэлектрическом датчике поворачивает втулку с расположенным на ней ротором датчика, в датчике Холла поворачивается муфта с закрепленным на ней магнитным экраном (шторкой). Вакуумные автоматы поворачивают пластину крепления микропереключателя. Октан-корректор имеет шкалу со знаками “+” и “-” для увеличения и уменьшения угла опережения и риски, соответствующие изменению угла опережения зажигания. В последних конструкциях датчиков-распределителей, например, переднеприводных автомобилей ВАЗ, с целью повышения точности установки момента искрообразования привод распределителя осуществляется непосредственно от распределительного вала двигателя, при этом распределитель крепится на головку блока цилиндров двигателя.
Крышка датчиков-распределителей бесконтактных систем зажигания обычно увеличена в диаметре по сравнению с распределителями контактной системы, что предотвращает вероятность высоковольтного пробоя между электродами крышки. Крышки таких распределителей изготавливают из специальной высоковольтной пластмассы на основе полибутилентерефталатов. Возможно исполнение распределителя как неотъемного элемента конструкции самого двигателя. В этом случае ротор закрепляется непосредственно на распределительном валу. В контактных и бесконтактных системах зажигания реализован динамический принцип распределения высокого напряжения (рис. 1а). Высокое напряжение с катушки зажигания через механический распределитель подается на свечу определенного цилиндра. Механический распределитель имеет привод от распредвала. А таких системах используется одна катушка зажигания. В электронной системе зажигания используется принцип статического распределения высокого напряжения, то есть в системе отсутствуют подвижные детали. На всех впрысковых вазовских автомобилях, выпускавшихся до настоящего времени, высокое напряжение с катушки зажигания подается в два цилиндра, поршни которых в данный момент движутся к верхней мертвой точке. В одном из цилиндров происходит такт сжатия смеси, во втором — такт выпуска. Такой принцип распределения высокого напряжения называется “методом холостой искры” (рис. 1б). Для реализации этого принципа на четырехцилиндровом двигателе требуются две катушки зажигания. На перспективных шестнадцатиклапанных двигателях планируется устанавливать индивидуальные катушки зажигания на каждый из цилиндров (рис. 1в).
Управление углом опережения зажигания В контактных и бесконтактных системах зажигания управление углом опережения зажигания происходит с помощью механических устройств. Центробежный регулятор обеспечивает коррекцию угла в зависимости от частоты вращения коленвала, вакуумный регулятор — в зависимости от нагрузки на двигатель. Момент возникновения искры определяется моментом размыкания прерывателя (в контактных системах) или моментом перехода сигнала датчика Холла из низкого состояния в высокое (в бесконтактных системах). В электронных системах зажигания моментом искрообразования управляет контроллер. Определив значение оборотов коленвала в данный момент и нагрузку на двигатель, контроллер рассчитывает базовый угол опережения зажигания. Далее этот угол может быть скорректирован (например, уменьшен, если обнаружена детонация). Рассчитав окончательное значение угла опережения зажигания, контроллер выдает управляющий сигнал на модуль зажигания в момент, когда поршень, движущийся к ВМТ, займет требуемое положение. Состав системы зажигания
В электронной системе зажигания можно выделить следующие составные части: 1 — контроллер; 2 — датчик положения коленчатого вала (ДПКВ); 3 — шкив с зубчатым венцом; 4 — модуль зажигания; 5 — высоковольтные провода; 6 — свечи зажигания. Для упрощения на рисунке не показаны некоторые датчики СУД, сигналы которых исполь-зуются контроллером для расчета угла опережения зажигания. Рассмотрим подробнее высоковольтную часть системы зажигания. Модуль зажигания
Модуль зажигания включает в себя две катушки зажигания и два высоковольтных ключа-коммутатора. Катушка зажигания служит для накопления энергии, достаточной для воспламенения топливоздушной смеси, в ее вторичной цепи формируется высокое напряжение, которое далее подается на свечи зажигания. Катушка зажигания состоит из двух индуктивно связанных обмоток (первичной и вторичной). Работа катушки зажигания основана на законе индукции. Когда по первичной обмотке протекает ток, сердечник намагничивается, вокруг обеих обмоток создается сильное магнитное поле. Величина тока через первичную обмотку (зависит от длительности времени накопления) и индуктивность первичной обмотки определяют накопленную в магнитном поле энергию системы зажигания (более 40 мДж). В заданный момент времени (по команде контроллера) протекание тока через первичную обмотку прерывается, исчезает созданное им магнитное поле. При изменении магнитного потока, пронизывающего витки вторичной обмотки, в последней наводится электродвижущая сила самоиндукции (ЭДС). Величина ЭДС зависит от накопленной энергии, от коэффициента трансформации катушки зажигания (отношения количества витков во вторичной обмотке к количеству витков в первичной обмотке), от качества намотки катушек и пропорциональна скорости изменения магнитного потока. Благодаря высокой скорости изменения магнитного потока, а также большому коэффициенту трансформации во вторичной обмотке наводится ЭДС выше 300 000 В.Коммутатор служит для включения и выключения тока в первичной обмотке катушки зажигания. Контроллер рассчитывает необходимое время включенного состояния в зависимости от текущих оборотов коленвала и напряжения бортсети и подает на коммутатор управляющий сигнал. В течение времени включенного состояния (времени накопления) ток в первичной обмотке катушки зажигания возрастает до заданного оптимального значения, при котором величина запасаемой энергии достигает максимума. Если время накопления слишком велико, то катушка зажигания будет работать с насыщением, что приведет к ее перегреву и снижению КПД. При включении первичного тока во вторичной обмотке катушки зажигания индуцируется нежелательное напряжение в диапазоне 1000—2000 В (напряжение включения). Но за счет высокого пробойного напряжения двух последовательно включенных свечей зажигания появление нежелательной искры подавляется без дополнительных мероприятий. Высоковольные провода С помощью высоковольтных проводов высокое напряжение с катушки зажигания подается на свечи зажигания. Высоковольтный провод представляет собой токопроводящую жилу в силиконовой изоляции, на концах которой и находятся высоковольтные контактные наконечники.. Высоковольтные провода подразделяются на обычные с металлическим центральным проводником и специальные с распределенными параметрами, обеспечивающие подавление радиопомех.
Провода с равномерно распределенным сопротивлением делятся на провода с распределенным активным сопротивлением (резистивный провод) и реактивным сопротивлением (реактивный провод). Резистивный провод имеет токопроводящую жилу из хлопчатобумажной пряжи, пропитанной сажевым раствором, в хлопчатобумажной или капроновой оплетке. Провод ПВВО такого типа обладает сопротивлением (15-40)*103 Ом/м и рассчитан на максимальное рабочее напряжение 15 кВ. Реактивный провод находит более широкое распространение и применяется, в частности, на автомобилях ВАЗ. Провода марки ПВВП имеют центральную льняную нить, на которую нанесен слой ферропласта, в состав которого входят марганец-никелевые и никель-цинковые порошки. Поверх ферропластового сердечника наматывается токопроводящая железо-никелевая проволока. Сверху провод изолирован поливинилхлоридной изоляцией. Поглощение радиопомех происходит в проводнике и диэлектрике ферропластового слоя. Провод ПВВП выпускается диаметром 7,2 и 8 мм соответственно на рабочее напряжение 25 и 40 кВ и имеет сопротивление 2 кОм/м. Установленный на автомобилях ВАЗ такой провод ПВВП-8 отличает красный цвет. Провода ПВППВ и ПВППВ-40 имеют аналогичную конструкцию и отличаются только применяемыми в них материалами. Для бесконтактных систем зажигания автомобилей ВАЗ применяется провод синего цвета ПВВП-40 с силиконовой изоляцией с сопротивлением 2,55 кОм/м и рабочим напряжением до 40 кВ. Провода зарубежного производства имеют из-за повышенных требований по помехоподавлению более высокие величины сопротивления (у проводов фирмы Motorcraft - 11 кОм/м). Установка проводов с повышенным сопротивлением может привести к перебоям в работе зажигания. Помехоподавительные резисторы, которые выпускаются в расчете на сопротивления от 5 до 13 кОм, соединяются со свечой или с распределителей. Резистор может встраиваться в свечной экранированный наконечник Свечи зажигания.
Рис. 1. Свеча зажигания: 1 — контакт; 2 — изолятор; 3 — корпус; 4 — электропроводное стекло; 5 — уплотнение; 6 — центральный электрод; 7 — боковой электрод Датчик положения коленвала (ДПКВ )
Чтобы обеспечить оптимальное управление двигателем, контроллер системы управления должен всегда знать точное положение поршней в цилиндрах двигателя относительно ВМТ. Для этой цели шкив привода генератора дополнили зубчатым венцом (рис. 2). Расчетное количество зубьев на венце 60, при этом два из них отсутствуют. Угловое расстояние между зубьями составляет 6о. В паре с зубчатым шкивом работает ДПКВ, установленный на кронштейне крышки масляного насоса. Воздушный зазор между ДПКВ и зубчатым венцом составляет 0,7—1,1 мм. Датчик состоит из постоянного магнита и обмотки с сердечником. При вращении зубчатого венца изменяется магнитный поток в магнитопроводе датчика, наводя импульсы напряжения переменного тока в его обмотке. Амплитуда импульсов увеличивается с ростом частоты вращения коленвала. На величину амплитуды импульсов влияет также расстояние между датчиком и зубчатым венцом. Шкив установлен на валу так, что при совмещении середины первого зуба венца с осью ДПКВ поршни первого и четвертого цилиндров находятся строго за 114о до ВМТ. С началом прокрутки двигателя контроллер анализирует сигнал ДПКВ, пытаясь выделить два пропущенных зуба на венце шкива (после пропущенных идет первый зуб). Как только это происходит (контроллер засинхронизировался), становится возможным расчет угла опережения зажигания, расчет фаз впрыска топлива и управление модулем зажигания и форсунками (рис. 3). Сигнал ДПКВ используется также для расчетов скорости вращения коленвала и его ускорения.
Контроллер системы управления двигателем Главная часть системы впрыска — контроллер системы управления двигателем. Контроллер (от английского control — “управление”) является коммуникационным и вычислительным центром системы — в зависимости от сигналов датчиков, по заранее определенным алгоритмам, он выдает управляющие воздействия на исполнительные устройства системы управления.
Если рассматривать структуру современного контроллера (см. схему), то видно, что он состоит из следующих основных частей: Процессорная часть контроллера Это именно та часть, где происходит все самое главное в работе контроллера. Основой процессорной части является однокристальная микроЭВМ. Она называется так из-за того, что большинство компонентов микропроцессорной структуры находятся на одном кристалле микросхемы (чипе). В контроллерах СУД используются 8-, 16- или 32-разрядные микроЭВМ. Разрядность — это количество бит информации, с которыми она оперирует. Основные компоненты микроЭВМ: Формирователи входных сигналов Сигнал от датчика — это не что иное, как преобразованное в электрический сигнал значение физической величины (например, температуры охлаждающей жидкости). В контроллере СУД этот сигнал проходит через формирователь, где происходит согласование уровней (усиление или ослабление) — преобразование до той величины, которая необходима для нормальной работы процессорной части. Кроме того, входные формирователи выполняют защитную функцию от перенапряжения. Различают формирователи дискретных, аналоговых и частотных сигналов. Формирователи выходных сигналов Эти формирователи преобразуют сигналы с портов ввода/вывода процессорной части в сигналы достаточной мощности для непосредственного управления исполнительными устройствами. Выходные формирователи — это современные микросхемы (драйверы), которые, кроме основных функций, усиления по мощности, еще выполняют функции защиты выходов контроллера от замыкания на массу или на плюс батареи, а также от перегрузки. Эти драйверы называют “интеллектуальными”, так как в случае ненормальной работы, когда срабатывают защитные функции, они информируют процессор об этом. В контроллере используются различные типы формирователей выходных сигналов в зависимости от необходимой мощности. . На вазовских автомобилях можно встретить следующие типы контроллеров:
2. Система управления моновпрыска: архитектура, алгоритм функционирования. Система центрального впрыска (моновпрыск)
относится к Известными конструкциями системы центрального впрыска являются системы Mono-Jetronic и Opel-Multec. Система впрыска Mono-Jetronic разработана фирмой Bosch в 1975 году. Система устанавливалась на автомобили марки Volkswagen, Audi . "Mono-Jetronic" система впрыска управляемая электронным блоком управления, рис.1 . Система имеет одну на весь двигатель (греч. монос — один) магнитоэлектрическую форсунку, топливо, как и в системах "L-Jetronic", впрыскивается с интервалами. Так как топливная форсунка расположена перед дроссельной заслонкой, практически на месте жиклера карбюратора, давление топлива в системе составляет всего около 1 кгс/см2. Регулятор давления системы расположен вблизи форсунки в центральном узле впрыска (рис. 2), где размещены также дроссельная заслонка, выключатель положения дроссельной заслонки, датчик температуры всасываемого воздуха. Система "Mono-Jetronic", (рис. 1), не имеет расходомера воздуха, поэтому соотношение масс воздуха и топлива здесь менее точное и определяется только положением дроссельной заслонки, температурой всасываемого воздуха и частотой вращения коленчатого вала. Устройство, определяющее положение дроссельной заслонки, представляет собой в этой системе не выключатель с контактами (холостого хода, частичной нагрузки, полной нагрузки), а потенциометр, который информирует электронный блок управления о положении заслонки в данный момент времени. Таким образом основное дозирование топлива, осуществляется, как отмечалось, по трем параметрам: положению дроссельной заслонки, температуре всасываемого воздуха и частоте вращения коленчатого вала двигателя. Корректировка позирования при холодном пуске и прогреве осуществляется электронным блоком управления по импульсам получаемым от датчиков температуры всасываемого воздуха, охлаждающей жидкости и потенциометра дроссельной заслонки. Последний корректирует дозировку и при полной нагрузке. Корректировка по токсичности отработавших газов идет по сигналам лямбда-зонда. Изменение дозирования происходит за счет увеличения или уменьшения времени впрыска при постоянном давлении топлива. Электронный блок управления сглаживает колебания напряжения бортовой сети и осуществляет регулировку холостого хода. Регулировка холостого хода достигается вращением дроссельной заслонки специальным электродвигателем. При этом увеличивается или уменьшается количество воздуха в зависимости от отклонения мгновенного значения частоты вращения коленчатого вала от номинального значения, заложенного в память электронного блока управления. Блоком управления воспринимается и скорость вращения дроссельной заслонки. При режиме ускорения, рабочая смесь обогащается. Система впрыска "Mono-Jetronic" может быть выполнена и в варианте, представленном на рис. 3, с расходомером воздуха 1 и клапаном добавочного воздуха 4.
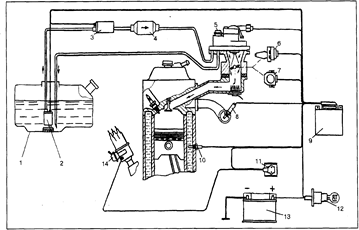
Рис. 1. Схема системы впрыска "Mono-Jetronic": 1 — топливный бак, 2 — толивоподающий насос, 3 — топливный насос, 4 — топливный фильтр, 5 — узел центральной форсунки, 6 — регулятор холостого хода с шаговым электродвигателем, 7 — потенциометр дроссельной заслонки, 8 — лямбда-зонд, 9 — электронный блок управления впрыском, 10 — датчик температуры охлаждающей жидкости, 11 — прибор коммутирующий сигнал информации о частоте вращения коленчатого вала двигателя получаемый из системы зажигания, 12 — выключатель зажигания, 13 — аккумуляторная батарея, 14 — датчик-распределитель
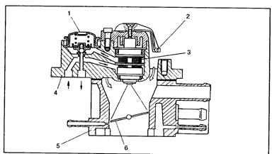
Рис. 2. Узел Центральной форсунки: 1 — регулятор давления топлива, 2 — датчик температуры всасываемого воздуха, 3 — электромагнитная форсунка, 4 — корпус форсунки и регулятора, 5 — корпус дроссельной заслонки, 6 — дроссельная заслонка
Рис. 3. Схема системы впрыска "Mono-Jetronic": 1 — измеритель расхода воздуха, 2 — форсунка, 3 — блок электронного управления, 4 — клапан добавочного воздуха, 5 — датчик положения дроссельной заслонки (потенциометр), 6 — регулятор давления топлива в системе, 7 — топливный фильтр, 8 — топливный насос, 9 — датчик температуры охлаждающей жидкости Устройство системы впрыска Mono-Jetronic Система Mono-Jetronic имеет следующее устройство: регулятор давления; центральная форсунка впрыска; дроссельная заслонка с механическим приводом; электросервопривод дроссельной заслонки; электронный блок управления; входные датчики. Регулятор давления поддерживает постоянное рабочее давление в системе впрыска (0,1МПа). Кроме этого, с помощью регулятора в системе после выключения двигателя сохраняется остаточное давление, что препятствует образованию воздушных пробок и облегчает пуск двигателя. Центральная форсунка впрыска обеспечивает импульсный впрыск топлива. Форсунка представляет собой электромагнитный клапан. Управление клапаном осуществляется электрическим сигналом, поступающим от электронного блока управления. В конструкцию форсунки входит: электромагнитная катушка (соленоид); запорный клапан; возвратная пружина; распылительное сопло. Дроссельная заслонка предназначена для регулирования объема поступающего воздуха. Дроссельная заслонка имеет два привода: механический и электрический. Механический привод осуществляется от педали газа. Электросервопривод дроссельной заслонки служит для стабилизации оборотов холостого хода за счет принудительного открытия дроссельной заслоники. Электронный блок управления осуществляет управление центральной форсункой впрыска (электромагнитным клапаном) и электросервоприводом дроссельной заслонкой. Блок управления включает микропроцессор и блок памяти. В блоке памяти помещена информация об эталонной характеристике впрыска (соотношение компонентов топливно-воздушной смести на всех режимах работы двигателя). Входные датчики фиксируют текущее состояние работы двигателя. В системе используются следующие датчики: датчик момента впрыска; датчик положения дроссельной заслонки; датчик температуры воздуха; датчик температуры охлаждающей жидкости; датчик оборотов двигателя; выключатель сервопривода; датчик концентрации кислорода. По показаниям датчиков температуры воздуха и положения дроссельной заслонки рассчитывается необходимый объем воздуха в системе впрыска. Масса всасываемого воздуха, через плотность, находится в прямой зависимости от температуры. Чем холоднее воздух, тем он более плотный, а значит обладает большей массой. Датчик температуры воздуха расположен перед центральной форсункой впрыска. Дроссельная заслонка устроена так, что каждому ее положению соответствует определенное количество пропускаемого воздуха. Этот параметр фиксирует датчик положения дроссельной заслоники, представляющий собой потенциометр. Датчик положения дроссельной заслонки (дроссельный потенциометр) установлен непосредственно на оси привода заслонки. В случае отказа датчиков температуры воздуха и положения дроссельной заслонки их работа дублируется сигналами датчика оборотов и датчика температуры охлаждающей жидкости (температуры двигателя). Впрыск топлива осуществляется на основании сигналов датчика момента впрыска, которые подаются одновременно с сигналами на воспламенение топливно-воздушной смеси. Выключатель сервопривода обеспечивает работу системы в режиме холостого хода двигателя. Замкнутое положение выключателя свидетельствует о режиме холостого хода, при этом включается электросервопривод дроссельной заслонки и поворачивает ее на определенный угол. Датчик концентрации кислорода (кислородный датчик) предназначен для поддержания оптимального соотношения компонентов топливно-воздушной смеси. Датчик устанавливается в выпускной системе: в выпускном коллекторе; на автомобилях с каталитическим нейтрализатором - перед нейтрализатором. Принцип работы системы впрыска Mono-Jetronic При работе двигателя сигналы от датчиков поступают в электронный блок управления. По совокупности сигналов и информации об эталонных характеристиках впрыска блок управления вычисляет начало и продолжительность открытия центральной форсунки. В соответствии с расчетными данными подается сигнал на электромагнитную катушку форсунки. Запорный клапан открывается. Бензин через сопло под давлением распыляется во впускном коллекторе и смешивается с воздухом. Образуемая топливно-воздушная смесь подается в камеры сгорания двигателя. В системе предусмотрена автоматическая стабилизация оборотов. На основании сигнала выключателя сервопривода электродвигатель открывает дроссельную заслонку на определенный угол, чем достигается устойчивая работа в режиме холостого хода. Конструкция и принцип работы системы впрыска Opel-Multec аналогичны системе Mono-Jetronic. Литература: . 1. Богданов В.И. Электротехника и электроника в автомобиле и автомобильном хозяйстве: Учебное пособие / В.И. Богданов. – Шахты: Изд. ЮРГУЭС, 2000.– 339 с. 2. Волков В.С. Светотехническое и приборное оборудование транспортных машин: Учебное пособие / В.С. Волков. – Воронеж: Изд. Воронежской ГЛТА, 2004.– 88 с. 3. Техническая эксплуатация автомобилей: Учебник для вузов / Е.С. Кузнецов, А.П. Болдин, В.М. Власов [и др.]; – 4-е изд., перераб. и доп. — М.: Наука, 2001. — 535 с. 4. Техническое обслуживание и ремонт автомобилей. Учебник для студ. учреждений сред. Проф. Образования / В.М. Власов, С.В. Жанказиев, С.М. Круглов; под ред. В.М. Власова. – М.: Издательский центр "Академия", 2003. – 480с. 5. Чижов Ю.П. Электрооборудование автомобилей. Ч.1: курс лекций / Ю.П. Чижов /.– М.: Машиностроение, 2002. 6. Чижов Ю.П. Электрооборудование автомобилей. Ч.2: курс лекций / Ю.П. Чижов /.– М.: Машиностроение, 2003. 7. Электронные системы автомобилей: Учебное пособие / Ю.З. Звонкин, А.М. Багно – Ярославль: Изд. Ярославского ГТУ, 2003. – 183с. 8. Ютт В.Е. Электрооборудование автомобилей: Учебник для студентов вузов / В.Е. Ютт – 4-е изд.– М.: Горячая линия-Телеком, 2006.– 440 с.:ил. 9. Яковлев В.Ф. Диагностика электронных систем автомобиля. Учебное пособие / В.Ф. Яковлев. – М.: Солон-Пресс, 2003.–272 с. Использованы материалы электронных ресурсов: 1. http://amastercar.ru 2. http://rus24.narod.ru 3. http://www.chiptuner.ru 4. http://grachev.distudy.ru |






Провода с медной жилой ПВВ, ПВРВ, ППОВ и ПВЗС имеют изоляцию из поливинилхлорида, резины и полиэтилена, поверх которой у проводов ПВРВ, ППОВ и ПВЗС надета оболочка повышенной бензомаслостойкости. Эти провода обладают низким сопротивлением центральной жилы (18-19)*10-3 Ом/м, рассчитаны на максимальное рабочее напряжение 15-25 кВ и могут применяться только в комплекте с помехоподавительными резисторами.





системам впрыска топлива бензиновых двигателей. Работа системы основана на впрыске топлива одной форсункой, расположенной на впускном коллекторе двигателя.

