Лабораторная работа: Простые цепи синусоидального тока
|
Название: Простые цепи синусоидального тока Раздел: Рефераты по физике Тип: лабораторная работа | |||||||||||||||||||||||
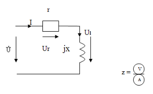
| МЭИ (ТУ) Филиал в городе Смоленске Кафедра ТОЭ Лабораторная работа Простые цепи синусоидального тока Группа : ОЭС-09 Бригада : № 10 Студент: Бабурченков М. А. Преподаватель: Зезюлькин Г. Г. Смоленск 2010 г. I. Краткое содержание работы В работе исследуются соотношения между синусоидальными напряжениями и токами при последовательном и параллельном соединении резистивных, индуктивных и емкостных элементов цепи. По экспериментальным данным производится определение параметров последовательной и параллельной схем замещения реальных элементов цепи, строятся векторные диаграммы токов и напряжений. Для последовательной резонансной цепи исследуются переменные режимы при изменении индуктивности. Все расчеты и анализ экспериментальных результатов выполняются с использованием символического (комплексного) метода. Работа может выполняться на сильноточном стенде. II. Подготовка к работе 1. U=40B I=0,4A f=80 град а) последовательная схема замещения катушки.
Z= z= Комплексное сопротивление Z можно представить в виде Z=zcosf+jzsinf=R+jX R (активное сопротивление) = zcosf = 100cos800 = 17,4 (Ом) X (реактивное сопротивление) = zsinf = 100sin800 = 98,5 (Ом)
б) параллельная схема замещения катушки.
По определению комплексной проводимости имеем:
Комплексную проводимость можно представить в виде:
g = ycosf - активная проводимость. b = ysinf - реактивная проводимость.
g = 0,01. cos800 = 0,0017 (См) b = 0,01. sin800 = 0,0098 (См) По закону Ома:
где
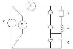
U = 40 B R = 50 Ом С = 160 мкФ
Z = R - z = 54 (Ом)
4.
5. f = 50 Гц I = 1 A R = 40 Ом C = 160. 10-6 Ф
I = 1 A
U =
Ip
= 6. R = 40 Ом C = 160. 10-6 Ф
Входное сопротивление цепи на частоте 50 Гц будет чисто активным при резонансе. Условием наступления резонанса в данной схеме является
где w0 – резонансная частота.
III. Рабочее задание. 1.
рис. 1
А) последовательная схема замещения.
r = z·cosf = x = z·sinf =
Б) параллельная схема замещения
g = y·cosφ = b = y·sinφ =
рис. 2
3.
рис. 3
|








y ==

