Реферат: Устройство имитации светофора
|
Название: Устройство имитации светофора Раздел: Промышленность, производство Тип: реферат | |||||||||||||||||||||||||||||||||||||||||||||||||||||||
| Федеральное агентство по образованию Государственное образовательное учреждение среднего профессионального образования “Уфимский колледж статистики, информатики и вычислительной техники” УТВЕРЖДАЮ Заведующий отделением «Техническое обслуживание ВТ и АС» “____” _________2010г. Устройство имитации светофора пояснительная записка к курсовому проекту
Федеральное агентство по образованию Государственное образовательное учреждение среднего профессионального образования “Уфимский колледж статистики, информатики и вычислительной техники” УТВЕРЖДАЮ Заведующий отделением «Техническое обслуживание ВТ и АС» “____” _________2010г. задание на курсовой проект студенту дневного отделения, группы 3А-1, специальности № 230103 Гадиев Тимур Дамирович Тема курсового проекта: Световая гирлянда При выполнении курсового проекта должна быть представлена пояснительная записка, состоящая из следующих разделов и подразделов: 1 Введение 2 Текст курсовой работы: · Описание актуальности задачи и область применения · Исследование, проектирование и разработка схем · Расчет схемы и отдельных элементов · Технико-экономическое обоснование 3 Заключение 4 Практическая часть 5 Список использованной литературы и нормативно-технической документации 6 Приложения Задание к выполнению получил ______________________ 2010 г. Студент Срок окончания __________ _______________ 2010 г. Руководитель курсового проекта ____________ Н.А. Павлов заключение На курсовой проект по теме «Световая гирлянда» Студент, группа 3А-1, Специальность № 230103 «Автоматизированные системы обработки информации и управления», дневное отделение Текст заключения: __________________________________________________________________ __________________________________________________________________________________________________________________________________________________________________________________________________________________________________________________________________________________________________________________________________________________________________________________________________________________________________________________________________________________________________________________________________________________________________________________________________________________
АННОТАЦИЯ Курсовой проект по курсу «Микропроцессоры и микропроцессорные системы » на тему: «Световая гирлянда». Пояснительная записка содержит следующие разделы: Введение, текст курсовой работы, заключение, практическая часть, список использованной литературы и нормативно-технической документации и приложения к курсовой работе. В конце проекта дано заключение, приведен список используемой литературы. Курсовой проект состоит из 15страниц и 2 приложений. СВЕТОВАЯ ГИРЛЯНДА СОДЕРЖАНИЕ Введение ............................................................................................................ 6 1 Семейство AVR ............................................................................................. 7 2 Описание актуальности задачи и область применения.............................8 3 Исследование, проектирование и разработка схем ..................................8-10 4 Технико-экономическое обоснование.........................................................11 Заключение........................................................................................................12 Приложение А .................................................................................................13-18 Приложение Б ..................................................................................................19 Список использованной литературы и нормативно-технической документации ....................................................................................................20 Введение
Микроконтроллеры имеют настолько широкое применение, что используются не только для больших систем, но и для малогабаритных устройств, в том числе робототехники. В таких устройствах к контроллерам предъявляются жесткие требования по стоимости, габаритам и температурному диапазону работы. Этим требованиям не могут удовлетворить даже промышленные варианты универсального компьютера. Последние годы отмечены массовым наполнением рынка всевозможной автоматизированной аппаратурой самого различного назначения и самой различной сложности от пластиковой платежной карточки до холодильника, автомобиля и сложнейших установок. Это стало возможным благодаря микроконтроллерам (МК). Микроконтроллеры входят во все сферы жизнедеятельности человека, их насыщенность в нашем окружении растет из года в год. Раньше, изобретателю электронных схем приходилось иметь дело с "кучей" электронных компонентов, размещая с огромным трудом все на печатной плате размером метр на метр и при испытании кипятить чайник на той же плате (это про расходуемую энергию), в наше время разработчику электронной аппаратуры не грозят выше указанные сложности, точнее, чем больше денег, тем меньше сложностей. В данном курсовом проекте будет разработано устройство на современном микроконтроллере ATtiny231320PI , написана программа. Данным устройством является светофор. В ходе работы над данной курсовой работой поставлены следующие задачи:
2) спроектировать принципиальную схему; 3) построить световую гирлянду; 4) написать программу для микроконтроллера ATtiny231320PI; 5) рассмотреть вопросы программирования микроконтроллеров. Семейство AVR AVR — семейство восьмибитных микроконтроллеров фирмы Atmel. Год разработки — 1996. Микроконтроллеры AVR имеют гарвардскую архитектуру (программа и данные находятся в разных адресных пространствах) и систему команд, близкую к идеологии RISC. Процессор AVR имеет 32 8-битных регистра общего назначения, объединённых в регистровый файл. В отличие от «идеального» RISC, регистры не абсолютно ортогональны: - Три «сдвоенных» 16-битных регистра-указателя X (r26:r27), Y (r28:r29) и Z (r30:r31); - Некоторые команды работают только с регистрами r16…r31; - Результат умножения (в тех моделях, в которых есть модуль умножения) всегда помещается в r0:r1. Система команд микроконтроллеров AVR весьма развита и насчитывает в различных моделях от 90 до 133 различных инструкций. Большинство команд занимает только 1 ячейку памяти (16 бит). Большинство команд выполняется за 1такт. Всё множество команд микроконтроллеров AVR можно разбить на несколько групп: - команды логических операций; - команды арифметических операций и команды сдвига; - команды операции с битами; 3. ОПИСАНИЕ АКТУАЛЬНОСТИ ЗАДАЧИ И ОБЛАСТЬ ПРИМЕНЕНИЯ
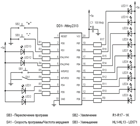
В данной курсовой работе была создана световая гирлянда на основе микроконтроллера Attiny 2313. Созданный робот можно использовать как в качестве игрушки для детей, так и в качестве автоматизированного способа работы светофора. 4. ИССЛЕДОВАНИЕ, ПРОЕКТИРОВАНИЕ И РАЗРАБОТКА СХЕМ Принципиальная схема имитации светофора робота приведена в приложении А. Источник питания робота можно подобрать от 3,7В до 6В, и желательно стабилизировать. После включения питания и инициализации регистров микроконтроллера программа конфигурирует вывод RB1 и устанавливает на нем уровень высокого логического сигнала. Затем происходит проверка вывода RB1 на присутствие высокого логического сигнала от датчика границы. Принцип работы датчика границы основан на свойстве поверхностей по-разному отражать падающий на них свет. Черные или темные поверхности отражают свет намного хуже, чем белые или светлые. Свет от светодиода отражается от поверхности и улавливается фотодиодом. Если поверхность белая, то отраженного света достаточно для полного открытия фотодиода, в противном случае фотодиод будет закрыт (не будет пропускать ток). В данной конструкции робота использованы фото- и светодиод инфракрасного диапазона. Если на выводе PD1 присутствует уровень высокого логического сигнала (робот находится над черной линией, фотодиод закрыт), то микроконтроллер устанавливает на выводах PC1, PC2, PC3, PC4 соответственно уровни высоких или низких логических сигналов 1, 0, 1, 1. Эти сигналы, проходя через выводы энергетического драйвера L293D, соответственно INPUT1, INPUT2, INPUT3, INPUT4, поступают непосредственно на сами электродвигатели M1 и M2 через выводы OUTPUT1, OUTPUT2, OUTPUT3 и OUTPUT4. При появлении на выводах двигателя M1 сигналов 1 и 0 двигатель работает, а двигатель M2 не будет работать, т.к. на него поступили сигналы соответственно 1 и 1. Если на выводе PD1 присутствует уровень низкого логического сигнала (робот находится над белой линией, фотодиод открыт), то микроконтроллер устанавливает на выводах PC1, PC2, PC3, PC4 соответственно уровни высоких или низких логических сигналов 1, 1, 1, 0 – выключается двигатель M1 и включается двигатель M2.
В данной работе это устройство будет разработано на микроконтроллере фирмы Atmel. Периферия микроконтроллера включает: порты (23 линии ввода и вывода), поддержку внешних прерываний, таймеры-счетчики, сторожевой таймер, аналоговые компараторы, 10-разрядный 6-канальный АЦП, интерфейсы UART, JTAG и SPI, устройство сброса по понижению питания, широтно-импульсные модуляторы. Мощные выходные драйверы обеспечивают токовую нагрузочную способность 20 мА на линию порта (втекающий ток) при максимальном значении 40 мА, что позволяет, например, непосредственно подключать к микроконтроллеру светодиоды и биполярные транзисторы. Общая токовая нагрузка на все линии одного порта не должна превышать 80 мА (все значения приведены для напряжения питания 5 В). Архитектурная особенность построения портов ввода/вывода у AVR заключается в том, что для каждого физического вывода (пина) существует 3 бита контроля/управления, а не 2, как у распространенных 8-разрядных микроконтроллеров (Intel, Microchip, Motorola и т.д.). Это позволяет избежать необходимости иметь копию содержимого порта в памяти для безопасности и повышает скорость работы микроконтроллера при работе с внешними устройствами, особенно в условиях внешних электрических помех.
ТЕХНИКО-ЭКОНОМИЧЕСКОЕ ОБОСНОВАНИЕ.
Суммарная стоимость собранного мной устройства составляет 495 руб. ЗАКЛЮЧЕНИЕ
По полученному заданию была проделана работа в полном объеме, было разработано устройство на основе микроконтроллера, написана программа для него, рассмотрены вопросы программирования микроконтроллеров. При выполнении данной курсовой работы был получен ценный опыт разработки подобных устройств, получены навыки в разработке программ, также был закреплены знания, которые получены на занятиях. Несмотря на то что, данная схема не сложна в реализации, для меня она послужила толчком для дальнейшего проектирования схем и устройств, очень много разных идей появилось для робототехнических конструкций.
Приложение А Программа прошивки микроконтроллера (откомпилированный вариант) ;Текст программы устройства светодиодная гирлянда .include "tn2313def.inc" .CSEG .def Rab1=r16 .def Rab2=r17 .def Rab3=r18 .def Rab4=r19 .def Rab5=r20 .def Bright=r21 .def Period=r22 .def CombinacionB=r23 .def CombinacionD=r24 .def CombinacionA=r27 .def Universal=r25 .org 0 rjmp RESET rjmp EXT_INTO nop ;rjmp EXT_INT1 nop ;rjmp TIM_CAPT1 nop ;rjmp TIM_COMP1 rjmp TIM_OVF1 rjmp TIM_OVF0 nop ;rjmp UART_RXC nop ;rjmp UART_DRE nop ;rjmp UART_TXC
nop ;rjmp PCINT nop ;rjmp TIMER1 COMPB nop ;rjmp TIMER0 COMPA nop ;rjmp TIMER0 COMPB nop ;rjmp USI START nop ;rjmp USI OVERFLOW nop ;rjmp EE READY nop ;rjmp WDT OVERFLOW .include "Interrupt.asm" RESET: ldi Rab1,low(RAMEND) out SPL,Rab1 ser Rab1 out PORTB,Rab1 out PORTD,Rab1 out PORTA,Rab1 out DDRB,Rab1 ldi Rab1,$f0 out DDRD,Rab1 ldi Rab1,$3 out DDRA,Rab1 ldi Rab1,15 out WDTCR,Rab1 ldi Rab1,$80 out SREG,Rab1 ldi Rab1,$82 out TIMSK,Rab1
out GIMSK,Rab1 ldi Rab1,$5 out TCCR0,Rab1 ldi Rab1,$ce out TCNT0,Rab1 ldi Rab1,$3 out TCCR1B,Rab1 ldi Rab1,$9e out TCNT1H,Rab1 ldi Rab1,$58 out TCNT1L,Rab1 ldi Period,50 ldi Bright,206 ldi NumberProgram,0 ldi CombinacionB,$ff ldi CombinacionA,$ff ldi CombinacionD,$ff sei main: rcall control_number_program wdr rjmp main .include "Effect_program.asm" .include "Time_Interval.asm" control_number_program: cpi NumberProgram,0 breq call_program0 brne to1 call_program0:
to1: cpi NumberProgram,1 breq call_program1 brne to2 call_program1: rcall program_1 to2: cpi NumberProgram,2 breq call_program2 brne to3 call_program2: rcall program_2 to3: cpi NumberProgram,3 breq call_program3 brne to4 call_program3: rcall program_3 to4: cpi NumberProgram,4 breq call_program4 brne to5 call_program4: rcall program_4 to5: cpi NumberProgram,5 breq call_program5 brne to6 call_program5:
to6: cpi NumberProgram,6 breq call_program6 brne to7 call_program6: rcall program_6 to7: cpi NumberProgram,7 breq call_program7 brne to8 call_program7: rcall program_7 to8: cpi NumberProgram,8 breq call_program8 brne to9 call_program8: rcall program_8 to9: cpi NumberProgram,9 breq call_program9 brne to10 call_program9: rcall program_9 to10: cpi NumberProgram,10 breq call_program10 brne to11 call_program10:
to11: cpi NumberProgram,11 breq call_program11 brne exit call_program11: rcall program_11 exit: ret .exit Приложение Б
1. ГОСТ 2.105-95 ЕСКД. Общие требования к текстовым документам. [Текст]. – Введ. 1996–01–07 -М.: Изд-во стандартов, 1996.- 36 с. 2. ГОСТ 2.316-68 ЕСКД. Правила нанесения на чертежах надписей технических требований и таблиц (введен 01.01.1971); 3. Нарышкин А.К. Цифровые устройства и микропроцессоры. – М.: 4. Слободин А.С. Микропроцессорные системы. – М.:, 2001- 300 с. 5. Мой робот: http://cxem.net 6. Atmel corp.: pic.com 7. Электроника БашЭл: http://electronica.bashel.ru 8. Микросхемы, их описание, продажа микросхем: http://www.gaw.ru |


Основная цель данной курсовой работы продемонстрировать актуальность применения использования микропроцессоров во всех сферах человеческой жизни.
1) проанализировать область применения устройства;
Когда датчик находится над белым полем, то робот поворачивается в правую сторону по направлению к черной линии. Когда датчик находится над черной линией, то робот поворачивается в левую сторону, съезжая с черной линии. Чередуя повороты по направлению к линии и от нее, робот движется вперед, следуя по границе белого и черного.
У Atmel много бесплатно распространяемых программных продуктов. Хорошо известно, что развитые средства поддержки разработок при освоении и знакомстве с любым микроконтроллерным семейством играют не менее значимую роль, чем сами кристаллы. Фирма Atmel уделяет этому вопросу большое внимание. Чрезвычайно удачная и совершенно бесплатная среда разработки Atmel Studio, работающая под Windows. Ведущие сторонние производители выпускают полный спектр компиляторов, программаторов, ассемблеров, отладчиков, разъемов и адаптеров.
При выполнении данной курсовой работы были приобретены первоначальные навыки при проектировании, разработке и эксплуатации устройства. 
nop ;rjmp ANA_COMP
ldi Rab1,$40
rcall program_0
rcall program_5
rcall program_10
Схема:
СПИСОК ИСПОЛЬЗОВАННОЙ ЛИТЕРАТУРЫ И НОРМАТИВНО-ТЕХНИЧЕСКОЙ ДОКУМЕНТАЦИИ