Курсовая работа: Сигнали та процеси в радіотехніці
|
Название: Сигнали та процеси в радіотехніці Раздел: Рефераты по коммуникации и связи Тип: курсовая работа | |||||||||||||||||||||||||||||||||||||||||||||||||||||||||||||||||||||||||||||||||||||||||||||||||||||||||||||||||||||||||||||||||||||||||||||||||||||||||||||||||||||||||||||||||||||||||||||||||||||||||||||||||||||||||||||||||||||||||||||||||||||||||||||||||||||||||||||||||||||||||||||||||||||||||||||||||||||||||||||||||||||||||||||||||||||||||||||||||||||||||||||||||||||||||||||||||||||||||||||||||||||||||||||||||||||||||||||||||||||||||||||||||||||||||||||||||||||||||||||||||||||||||||||||||||||||||||||||||||||||||||||||||||||||||||||||||||||||||||||||||||||||||||||||||||||||||||||||||||||||||||||||||||||||||||||||||||||||||||||||||||||||||||||||||||||||||||||||||||||||||||||||||||||||||||||||||||||||||||||||||||||||||||||||||||||||||||||||||||||||||||||||||||||||||||||||||||||||||||||||||||||||||||||||||||||||||||||||||||||||||||||||||||||||||||||||||||||||||||||||||||||||||||||||||||||||||||||||||||||||||||||||||||||||||||||||||||||||||||||||||||||||||||||||||||||||||||||||||||||||
Технічне завданняОсновна мета курсової роботи - закріплення, узагальнення та поглиблення знань, отриманих студентами при вивченні дисциплін „Основи теорії кіл". Завдання включає в себе п’ять розділів: Аналогові сигнали та кола Модульовані сигнали Дискретні сигнали та кола Узгоджені фільтри (випадкові сигнали) Проходження сигналів через лінійні кола Вихідні дані: Заданий сигнал: Задане коло:
Таблиця вихідних даних
Зміст 1.1 Визначення спектру вхідного сигналу 1.3 Визначення частотних та часових характеристик кола 1.4 Визначення сигналу на виході кола 3.3 Сигнал на виході кола. Дискретна згортка 3.4 Cпектри дискретного сигнала на вході кола 3.5 АЧХ і ФЧХ дискретного кола. 3.6. Спектр сигнала на виході кола 4.1 Автокореляційна функція вхідного сигналу 4.2 Коефіцієнт передачі та імпульсний відгук узгодженого фільтра 4.3 Відгук узгодженого фільтра 5. Проходження сигналів через кола 5.5 Розробити та привести структуру цифрового фільтра, обчисленого у третьому розділі
|
|||||||||||||||||||||||||||||||||||||||||||||||||||||||||||||||||||||||||||||||||||||||||||||||||||||||||||||||||||||||||||||||||||||||||||||||||||||||||||||||||||||||||||||||||||||||||||||||||||||||||||||||||||||||||||||||||||||||||||||||||||||||||||||||||||||||||||||||||||||||||||||||||||||||||||||||||||||||||||||||||||||||||||||||||||||||||||||||||||||||||||||||||||||||||||||||||||||||||||||||||||||||||||||||||||||||||||||||||||||||||||||||||||||||||||||||||||||||||||||||||||||||||||||||||||||||||||||||||||||||||||||||||||||||||||||||||||||||||||||||||||||||||||||||||||||||||||||||||||||||||||||||||||||||||||||||||||||||||||||||||||||||||||||||||||||||||||||||||||||||||||||||||||||||||||||||||||||||||||||||||||||||||||||||||||||||||||||||||||||||||||||||||||||||||||||||||||||||||||||||||||||||||||||||||||||||||||||||||||||||||||||||||||||||||||||||||||||||||||||||||||||||||||||||||||||||||||||||||||||||||||||||||||||||||||||||||||||||||||||||||||||||||||||||||||||||||||||||||||||||
| k |
|
| 0 |
0 |
| 1 |
0.336 |
| 2 |
-0.405j |
| 3 |
-0.217 |
| 4 |
0 |
| 5 |
-0.078 |
| 6 |
0.045j |
| 7 |
0.007 |
| 8 |
0 |
| 9 |
-0.04 |
| 10 |
0.016j |
| 11 |
0.016 |
| 12 |
0 |
Складемо таблицю для амплітудного і фазового спектрів:
Таблиця 1.2
| k |
|
|
| 0 |
0 |
0 |
| 1 |
0.336 |
0 |
| 2 |
0.405 |
-1.571 |
| 3 |
0.217 |
-3.142 |
| 4 |
0 |
1.571 |
| 5 |
0.078 |
-3.142 |
| 6 |
0.045 |
1.572 |
| 7 |
0.007 |
0 |
| 8 |
0 |
-1.572 |
| 9 |
0.04 |
-3.142 |
| 10 |
0.016 |
1.571 |
| 11 |
0.016 |
-3.142 |
| 12 |
0 |
1.572 |
Згідно таблиці 1.2, побудуємо графіки амплітудного (рис.1.3) і фазового (рис.1.4) спектрів.

Рис 1.3 Амплітудний спектр.

Рис.1.4 Фазовий спектр.
Визначимо ширину спектру з розрахунку, що двонадцята гармоніка остання:
. (1.9)
Знаючи, що обвідна спектра періодичного сигналу є спектром неперіодичного сигналу легко зобразити спектральну щільність останнього. Розрахуємо таблицю та побудуємо графік.
Таблиця 1.3
|
|
|
| 0 |
0 |
|
|
|
|
|
|
|
|
|
|
|
|
|
|
|
|
|
|
|
|
|
|
|
|

Рисунок 1.5 Спектр неперіодичного сигнала
1.2 Синтез вхідного сигналу
Проведемо синтез вхідного сигналу. Для цього візьмемо 48 точок (
інтервалів,
в данному випадку). Задамося часом, вираженим у градусах з інтервалом
. Підсумуємо всі гармоніки за допомогою ЕОМ і відобразимо розрахунки в таблиці.
Таблиця 1.4
| № точки |
n, град |
u (n), В |
| 0 |
0 |
0.035 |
| 1 |
7.5 |
0.162 |
| 2 |
15 |
0.327 |
| 3 |
22.5 |
0.496 |
| 4 |
30 |
0.676 |
| 5 |
37.5 |
0.848 |
| 6 |
45 |
0.932 |
| 7 |
52.5 |
0.861 |
| 8 |
60 |
0.674 |
| 9 |
67.5 |
0.481 |
| 10 |
75 |
0.331 |
| 11 |
82.5 |
0.183 |
| 12 |
90 |
0 |
| 13 |
97.5 |
-0.183 |
| 14 |
105 |
-0.331 |
| 15 |
112.5 |
-0.481 |
| 16 |
120 |
-0.674 |
| 17 |
127.5 |
-0.861 |
| 18 |
135 |
-0.932 |
| 19 |
142.5 |
-0.848 |
| 20 |
150 |
-0.676 |
| 21 |
157.5 |
-0.496 |
| 22 |
165 |
-0.327 |
| 23 |
172.5 |
-0.162 |
| 24 |
180 |
-0.035 |
| 25 |
187.5 |
0.015 |
| 26 |
195 |
0.005 |
| 27 |
202.5 |
0.010 |
| 28 |
210 |
-0.002 |
| 29 |
217.5 |
0.007 |
| 30 |
225 |
0.001 |
| 31 |
232.5 |
-0.006 |
| 32 |
240 |
0 |
| 33 |
247.5 |
0.005 |
| 34 |
255 |
0 |
| 35 |
262.5 |
-0.005 |
| 36 |
270 |
0 |
| 37 |
277.5 |
0.005 |
| 38 |
285 |
0 |
| 39 |
292.5 |
-0.005 |
| 40 |
300 |
0 |
| 41 |
307.5 |
0.006 |
| 42 |
315 |
-0.001 |
| 43 |
322.5 |
-0.007 |
| 44 |
330 |
0.002 |
| 45 |
337.5 |
0.010 |
| 46 |
345 |
-0.005 |
| 47 |
352.5 |
-0.015 |
| 48 |
360 |
0.035 |
Для контролю перевіримо одну точку ручним обчисленням. Нехай аргумент дорівнює
.
Таблиця 1.5
| k |
1 |
2 |
3 |
4 |
5 |
6 |
|
|
0.081 |
0.207 |
0.156 |
0 |
-0.076 |
-0.045 |
| k |
7 |
8 |
9 |
10 |
11 |
12 |
|
|
-0.007 |
0 |
0.003 |
0.008 |
0.004 |
0 |
Тоді
, що співпадає з нашими розрахунками. Побудуємо графік синтезованого сигналу.

Рис.1.6 Синтез вхідного сигнала.
1.3 Визначення частотних та часових характеристик кола
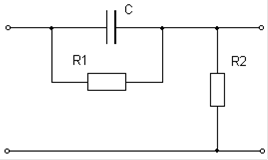
Для заданного кола розрахуємо коефіцієнт передачі:

Рисунок 1.7 Схема кола
Як відомо, коефіцієнт передачі:
, (1.10)
де
,
. Тоді виконавши математичні перетворення отримаємо:

Неважко перевірити, що при R1=R2 загальний вихідний опір буде дорівнювати R/2:
(1.11)
А отже стала часу кола буде дорівнювати:
(1.12)
Вважаючи, що R1=R2=R та поділивши числівник та знаменник дробі 1.19 на 2R, отримаємо:
. (1.13)
Тоді відповідно амплітудно-частотна характеристика (АЧХ) K (ω) та фазочастотна характеристика (ФЧХ) φ (ω) матимуть вирази: ![]()
(1.14)
(1.15)
Розрахуємо і побудуємо графіки АЧХ і ФЧХ. Врахуємо, що
.
Для таблиці та графіків розрахуємо
та
на частотах гармонік, тобто:
(1.16)
(1.17)
Таблиця 1.6
| k |
|
|
| 0 |
0.5 |
0 |
| 1 |
0.885 |
0.259 |
| 2 |
0.965 |
0.15 |
| 3 |
0.984 |
0.103 |
| 4 |
0.991 |
0.078 |
| 5 |
0.994 |
0.063 |
| 6 |
0.996 |
0.053 |
| 7 |
0.997 |
0.045 |
| 8 |
0.998 |
0.04 |
| 9 |
0.999 |
0.035 |
| 10 |
0.999 |
0.032 |
| 11 |
0.999 |
0.029 |
| 12 |
0.999 |
0.026 |

Рисунок 1.8 АЧХ кола.

Рисунок 1.9 ФЧХ кола.
Знайдемо вирази для перехідної та імпульсної характеристик кола. Для кіл І порядку перехідна характеристика має вигляд:
, (1.18)
де g (0) - початкове значення перехідної функції,
g (
) - її стаціонарне значення;
,
- стала часу кола,
- коефіцієнт згасання.
На початку перехідного процесу ємність являє собою коротке замикання, тому
. Далі (через час
) струм наближується до значення 0.5 (ємність не пропускає постійний струм), тому
. Отже перехідна характеристика набуде вигляду:
(1.19)
Як бачимо, на вихід схеми проходить
-функція, тому імпульсна характеристика в загальному матиме вигляд:
(1.20)
Продиференціюємо формулу (1.19) і підставимо в (1.20), отримаємо:
(1.21)
Нормовані графіки g (t) і h (t) зображені на рис.1.10 і рис.1.11

Рисунок 1.10 Перехідна характеристика кола.

Рисунок 1.11 Імпульсна характеристика кола.
Скористаємось перетворенням Фур’є
. Маємо:

Таким чином, між часовими та частотними характеристиками існує однозначний зв’язок.
1.4 Визначення сигналу на виході кола
Нехай
і
- відповідно модуль і фаза вихідного сигналу. Як відомо:
,
, (1.22)
де
і
- відповідно амплітуди і фази вхідного сигналу,
і
- значення модуля і фази коефіцієнта передачі на частотах гармонік.
Відобразимо розрахунки в таблиці 1.7 та в графіках модуля і фази (рис.1.10 і 1.11 відповідно).
Таблиця 1.7
| k |
|
|
| 0 |
0 |
0 |
| 1 |
0.297 |
0259 |
| 2 |
0.391 |
-1.421 |
| 3 |
0.214 |
-3.038 |
| 4 |
0 |
1.649 |
| 5 |
0.078 |
-3.079 |
| 6 |
0.045 |
1.624 |
| 7 |
0.007 |
0.045 |
| 8 |
0 |
0 |
| 9 |
0.004 |
0.035 |
| 10 |
0.016 |
-1.539 |
| 11 |
0.016 |
-3.113 |
| 12 |
0 |
1.597 |

Рисунок 1.10 Амплітудний спектр на виході кола.

Рисунок 1.11 Фазовий спектр на виході кола.
Проведемо синтез сигналу на виході кола. Розрахунки відобразимо в таблиці та побудуємо часовий графік.
Таблиця 1.8
| № точки |
t, град |
u (t), В |
| 0 |
0 |
0.048 |
| 1 |
7.5 |
0.171 |
| 2 |
15 |
0.325 |
| 3 |
22.5 |
0.481 |
| 4 |
30 |
0.636 |
| 5 |
37.5 |
0.780 |
| 6 |
45 |
0.834 |
| 7 |
52.5 |
0.734 |
| 8 |
60 |
0.527 |
| 9 |
67.5 |
0.323 |
| 10 |
75 |
0.169 |
| 11 |
82.5 |
0.023 |
| 12 |
90 |
-0.150 |
| 13 |
97.5 |
-0.317 |
| 14 |
105 |
-0.445 |
| 15 |
112.5 |
-0.569 |
| 16 |
120 |
-0.723 |
| 17 |
127.5 |
-0.883 |
| 18 |
135 |
-0.916 |
| 19 |
142.5 |
-0.797 |
| 20 |
150 |
-0.599 |
| 21 |
157.5 |
-0.402 |
| 22 |
165 |
-0.224 |
| 23 |
172.5 |
-0.058 |
| 24 |
180 |
0.065 |
| 25 |
187.5 |
0.107 |
| 26 |
195 |
0.089 |
| 27 |
202.5 |
0.068 |
| 28 |
210 |
0.070 |
| 29 |
217.5 |
0.073 |
| 30 |
225 |
0.061 |
| 31 |
232.5 |
0.050 |
| 32 |
240 |
0.051 |
| 33 |
247.5 |
0.052 |
| 34 |
255 |
0.043 |
| 35 |
262.5 |
0.035 |
| 36 |
270 |
0.037 |
| 37 |
277.5 |
0.039 |
| 38 |
285 |
0.031 |
| 39 |
292.5 |
0.023 |
| 40 |
300 |
0.027 |
| 41 |
307.5 |
0.030 |
| 42 |
315 |
0.021 |
| 43 |
322.5 |
0.013 |
| 44 |
330 |
0.021 |
| 45 |
337.5 |
0.027 |
| 46 |
345 |
0.011 |
| 47 |
352.5 |
0 |
| 48 |
360 |
0.048 |
Аналогічно для контролю перевіримо одну точку ручним обчисленням. Нехай аргумент дорівнює
.
Таблиця 1.9
| k |
1 |
2 |
3 |
4 |
5 |
6 |
|
|
0.001 |
0.143 |
0.135 |
0 |
-0.074 |
-0.045 |
| k |
7 |
8 |
9 |
10 |
11 |
12 |
|
|
-0.007 |
0 |
0.003 |
0.009 |
0.005 |
0 |
Тоді
, що підтверджує правильність розрахунків.
Побудуємо графік синтезованого сигналу на виході кола.

Рис.1.12. Синтезований сигнал на виході кола.
Визначимо сигнал на виході кола часовим методом. Скористаємось при цьому наступною формулою інтеграла Дюамеля:
(1.23)
Для заданого сигналу маємо розглянути два проміжки часу - до моменту закінчення імпульсу та після закінчення імпульсу:
(1.24)
Відразу зауважимо, що інтеграл
дорівнює нулю на проміжку часу
, оскільки після закінчення імпульсу сигнал рівний нулю, тобто ніякого впливу на вхідне коло, окрім перехідного процесу, заданий сигнал вже не має. Візьмемо інтеграл 1.23 в загальному вигляді в границях від
до
:
(1.25)
У виразі 1.25 останній з додатків представляє собою табличний інтеграл:
(1.26)
З урахуванням 1.26 вираз 1.25 перепишеться наступним чином:

(1.27)
Виходячи з виразу 1.25 та використовуючи 1.28 маємо розглянути два проміжки часу, підставляючи замість
спочатку
, а потім -
:
1)
,
:
(1.28)
2)
,
:
(1.29)
Побудуємо графік у відносному масштабі. Занесемо дані в таблицю.
Таблиця 1.10
|
|
y (t) |
|
y (t) |
| 0 |
0 |
1.409 |
0.043 |
| 0.136 |
0.511 |
1.545 |
0.033 |
| 0.25 |
0.893 |
1.682 |
0.025 |
| 0.386 |
0.288 |
1.818 |
0.019 |
| 0.523 |
-0.238 |
1.955 |
0.015 |
| 0.659 |
-0.703 |
2,091 |
0.011 |
| 0.75 |
-0.987 |
2.227 |
0.008 |
| 0.875 |
-0.36 |
2.364 |
0.006 |
| 1 |
0.098 |
2.5 |
0.005 |
| 1.136 |
0.136 |
2.636 |
0.004 |
| 1.273 |
0.057 |
2.773 |
0.003 |

Рисунок 1.14. Сигнал на виході кола
2. Модульовані сигнали
2.1 Амплітудна модуляція
Оберемо коефіцієнт модуляції АМК М=1/2.
Тоді амплітуда несучого коливання буде рівною:

Розрахуємо парціальні коефіцієнти модуляції для кожної гармоніки:
![]()
Таблиця 2.1
| n |
An |
Mn |
|
| 1 2 3 4 5 6 7 8 9 10 11 |
0.336 0.405 0.217 0 0.078 0.045 0.0068 0 0.004 0.016 0.016 |
0.168 0.203 0.109 0 0.039 0.023 0.0034 0 0.002 0.008 0.008 |
0 90 180 90 180 90 0 90 0 90 180 |
При побудові часової залежності врахуємо, що повинна забезпечуватися умова вузькосмугового модульованого сигналу.
Тому оберемо несучу частоту
ω0 = 10Ωмах = 10·11Ω = 110Ω,
де Ω - частота керуючого сигналу, Ωмах - найвища гармоніка. Вираз для часової залежності АМК має вигляд:
(2.1)
У нашому випадку маємо багатотональну модуляцію - отримаємо наступну залежність:
(2.2)
У отриману формулу підставимо парціальні коефіцієнти модуляції та фази гармонік:

|
|
|
|
| |

Рис. 2.1 Графік АМК
Для побудови спектру АМК скористаємося теоремою зсуву, згідно з якою при модуляції результуючий спектр за формою співпадає зі спектром керуючого сигналу, але зміщений відносно нього на величину
- несучу частоту.
Амплітуда n - ї бічної складової АМ-сигналу обчислюється за формулою:
,
де М - коефіцієнт модуляції, Мn - парціальні коефіцієнти модуляції, U0 - амплітуда несучого коливання, An -амплітуди n-ї гармоніки керуючого сигналу. Врахуємо чисельні значення М та U0 :
(2.3)
Побудуємо спектр АМК:
|
| |
Рис. 2.2 Спектр АМК
Побудуємо векторну діаграму АМК у момент t=0. Кожній гармоніці відповідає пара векторів довжиною А ́n
, які обертаються назустріч один одному з відповідною частотою ω0
±nW та початковою фазою
. Так як сама система координат обертається з частотою ω0
, несуче коливання відображується нерухомим вектором U0
. Для оглядності обмежимося зображенням 6 пари бічних складових включно.
![]() |
Рис. 2.3 Векторна діаграма АМК
2.2 Кутова модуляція
У випадку ЧМК частота несучого коливання змінюється пропорційно миттєвій амплітуді керуючого коливання. Функція частоти тоді буде мати вигляд:
,
де коефіцієнт к визначає девіацію частоти. Так як амплітуда сигналу дорівнює одиниці, то
. Для забезпечення вузькосмуговості девіацію частоти обирають значно меншою за несучу. Не обмежуючи загальності для зручності візьмемо k=1:
|
![]() |
Рис. 2.4 Залежність частоти ЧМК від часу
Поточну фазу знайдемо за формулою:
(2.5)
Якщо процес почався при t=0, то ![]()
Так як керуючий сигнал заданий на чотирьох інтервалах часу, то результат також отримаємо для чотирьох інтервалів. Функція фази накопичувальна, тому для кожного наступного інтервалу можна використати повну фазу, накопичену у попередньому інтервалі:
(2.6)
Розрахуємо значення вирази:
(2.7)
Поточна фаза буде визначатися складною функцією:

|
|
![]() |
Рис. 2.5 Залежність фази ЧМК від часу
У випадку ФМК фаза несучого коливання змінюється пропорційно миттєвій амплітуді керуючого коливання. Функція фази тоді буде мати вигляд:
![]()
Як і у попередньому пункті, для спрощення розрахунків візьмемо k=1.
Для чотирьох інтервалів отримаємо:
(2.7)
Побудуємо графік фази ФМК:

Рисунок 2.6 Залежність фази ФМК від часу
Частота ФМК знаходиться за формулою:
(2.8)
Остаточний вираз буде мати такий вигляд:
(2.9)
Отриманий результат зобразимо на графіку:
![]() |
Рисунок 2.7 Залежність частоти ФМК від часу
У загальній формі вирази для ФМК та ЧМК мають вигляд:
(2.10)

Виконаємо перетворення виразу:
(2.11)
Таким чином, з точністю до константи у фазі отримали фазово-модульований сигнал з парціальними індексами модуляції
(2.12)
![]()
Отже, часова залежність для ФМК та ЧМК має однаковий вигляд, відрізняються лише індекси модуляції.
Несучу частоту візьмемо рівною
. Оберемо коефіцієнти фазової та частотної модуляції
(вирази (2.1), (2.2)).


Функція часу для ЧМК тоді буде мати вигляд:


2.3 Амплітудний спектр ЧМК
Часовий запис ЧМК для довільного керуючого сигналу у загальній формі має вигляд:

де Jn (m) - функція Бесселя n -го порядку від аргументу m .
Оберемо індекс модуляції по частоті
. Тоді розрахуємо парціальні індекси модуляції за формулою (2.3). Отримаємо:
![]()
де An - гармоніки керуючого сигналу
Таблиця 2.2
| n |
1 |
2 |
3 |
4 |
5 |
| An |
0.336 |
0.405 |
0.217 |
0 |
0.078 |
| mn |
1.679 |
1.013 |
0.362 |
0 |
0.078 |
Обмежимося рівнем 0.1 від максимального m - отримаємо кількість множників n=3:
Таблиця 2.3
| n |
1 |
2 |
3 |
| mn |
1.679 |
1.013 |
0.362 |
У цьому випадку запис сигналу у часовій області буде апроксимований наступним виразом:

Знайдемо амплітуди бічних складових ЧМК. Для цього згрупуємо коефіцієнти при експонентах
. Верхні бічні складові Аn
:
![]()
![]()
![]()
![]()
![]()
![]()
![]()
![]()
![]()
![]()
При заходженні амплітуд від’ємних бічних складових врахуємо, що функції Бесселя з непарними індексами будуть від’ємними. Тоді амплітуди гармонік будуть мати вигляд:
![]()
![]()
![]()
![]()
![]()
![]()
![]()
![]()
![]()
Розраховані амплітуди нижньої і верхньої бічних складових та спектр ЧМК приведені далі.
Таблиця 2.4
| n |
An , B |
n |
An , B |
| -9 8 7 6 5 4 3 2 1 0 |
-0.0058 0.012 0.013 0.014 0.071 0.0058 0.192 0.027 0.424 0.301 |
1 2 3 4 5 6 7 8 9 |
0.424 0.379 0.303 0.243 0.135 0.077 0.030 0.012 0.0058 |

Рисунок 2.8 Спектр ЧМК
3. Дискретні сигнали
3.1 Вибірки вхідного сигналу
Визначимо кількість виборок вхідного сигналу на основі кількості гармонік керуючого коливання:
(3.1)

Рисунок 3.1 Вибірки вхідного сигналу.
Значення числа N узгоджено з двійковим кодом
. Визначимо масив вибірок вхідного сигналу
. Запишемо сигнал через виборки:
(3.2)
Складемо таблицю:
Таблиця 3.1
| k |
0 |
1 |
2 |
3 |
4 |
5 |
6 |
7 |
8 |
9 |
10 |
|
|
0 |
0.25 |
0.5 |
0.75 |
1 |
0.75 |
0.5 |
0.25 |
0 |
-0.25 |
-0.75 |
| k |
11 |
12 |
13 |
14 |
15 |
16 |
17 |
18 |
19 |
20 |
21 |
|
|
-0.5 |
-0.25 |
0 |
0 |
0 |
0 |
0 |
0 |
0 |
0 |
0 |
| k |
22 |
23 |
24 |
25 |
26 |
27 |
28 |
29 |
30 |
31 |
|
|
|
0 |
0 |
0 |
0 |
0 |
0 |
0 |
0 |
0 |
0 |
|
3.2 Імпульсний відгук
Задана схема - фільтр нижніх частот, у якого на вихід проходить
-функція з коефіцієнтом 1. Тому треба це врахувати у нульовій виборці. Також зазначимо, що за рахунок дільника напруги (
) треба всі виборки взяти з коефіцієнтом ½. Тому запишемо кінцевий вираз для
:
, (3.3)
де a і b - коефіцієнти нормування. Розрахуємо їх:
;
(3.4)
Відобразимо розрахунки в таблиці, і накреслимо графік.
Таблиця 3.2
| k |
|
k |
|
k |
|
k |
|
| 0 |
0.969 |
8 |
-0.023 |
16 |
-0.008 |
24 |
-0.003 |
| 1 |
-0.055 |
9 |
-0.020 |
17 |
-0.007 |
25 |
-0.003 |
| 2 |
-0.049 |
10 |
-0.018 |
18 |
-0.007 |
26 |
-0.002 |
| 3 |
-0.043 |
11 |
-0.016 |
19 |
-0.006 |
27 |
-0.002 |
| 4 |
-0.038 |
12 |
-0.014 |
20 |
-0.005 |
28 |
-0.002 |
| 5 |
-0.033 |
13 |
-0.012 |
21 |
-0.004 |
29 |
-0.001 |
| 6 |
-0.029 |
14 |
-0.011 |
22 |
-0.004 |
30 |
-0.001 |
| 7 |
-0.026 |
15 |
-0.010 |
23 |
-0.003 |
31 |
-0.001 |

Рисунок 3.2 Імпульсний відгук.
Зробимо перевірку правильності результатів, використовуючи співвідношення
. Для заданого кола К (0) =0.5. ![]()
3.3 Сигнал на виході кола. Дискретна згортка
Математичний вираз дискретної згортки має вигляд:
(3.5)
Для заданого сигналу запишемо кожну виборку окремо:

![]()
![]()
![]()
![]()
![]()
![]()
![]()
![]()
![]()
![]()
![]()
![]()
![]()
![]()
![]()
(3.6)
Використовуючи таблиці 3.1 та 3.2 виконаємо розрахунки та зведемо в таблицю 3.3:
Таблиця 3.3
| n |
|
n |
|
| 0 |
0 |
16 |
0.098 |
| 1 |
0.242 |
17 |
0.086 |
| 2 |
0.471 |
18 |
0.076 |
| 3 |
0.687 |
19 |
0.067 |
| 4 |
0.892 |
20 |
0.059 |
| 5 |
0.604 |
21 |
0.052 |
| 6 |
0.335 |
22 |
0.046 |
| 7 |
0.083 |
23 |
0.041 |
| 8 |
-0.154 |
24 |
0.036 |
| 9 |
-0.378 |
25 |
0.032 |
| 10 |
-0.591 |
26 |
0.028 |
| 11 |
-0.793 |
27 |
0.025 |
| 12 |
-0.986 |
28 |
0.022 |
| 13 |
-0.687 |
29 |
0.019 |
| 14 |
-0.408 |
30 |
0.017 |
| 15 |
-0.147 |
31 |
0.015 |

Рисунок 3.3 Сигнал на виході кола
Побудуємо графік сигнала на виході кола:
3.4 Cпектри дискретного сигнала на вході кола
Математичний вираз для амплітудного спектра в комплексній формі записується:
, (3.7)
де N=32 - кількість виборок,
.
Запишемо матрицю дискретного перетворення Фур’є:
(3.8)
Матриця (3.8) значною мірою спрощується, якщо врахувати спряженність її елементів. Це значить, що для заданого сигнала (q=2) слід розглядати лише четверту частину цієї матриці
![]()
де
,, а для решти елементів отримується як спряжені.
Згідно з проведеними викладками розрахуємо
та зведемо розрахунки до таблиці 3.4
Таблиця 3.4
| n |
|
n |
|
n |
|
| 0 |
0 |
11 |
-0.012 |
22 |
0.001j |
| 1 |
0.168 |
12 |
0 |
23 |
0.003 |
| 2 |
-0.205 |
13 |
-0.01 |
24 |
0 |
| 3 |
-0.112 |
14 |
0.008j |
25 |
0.004 |
| 4 |
0 |
15 |
0.002 |
26 |
-0.025j |
| 5 |
-0.042 |
16 |
0 |
27 |
-0.042 |
| 6 |
0.025j |
17 |
0.002 |
28 |
0 |
| 7 |
0.004 |
18 |
-0.008j |
29 |
-0.112 |
| 8 |
0 |
19 |
-0.01 |
30 |
-0.205 |
| 9 |
0.003 |
20 |
0 |
31 |
0.168 |
| 10 |
-0.001j |
21 |
-0.012 |
Для перевірки рахунків, прорахуємо
при n=2

Тобто
, що підтверджує правильність отриманих результатів.
Складемо таблицю для амплітудного та фазового спектру, побудуємо відповідні графіки.
Таблиця 3.5
| n |
|
|
n |
|
|
n |
|
|
| 0 |
0 |
0 |
11 |
0.012 |
-3.14 |
22 |
0.001 |
1.57 |
| 1 |
0.168 |
0 |
12 |
0 |
1.57 |
23 |
0.003 |
0 |
| 2 |
0.205 |
-1.57 |
13 |
0.01 |
-3.14 |
24 |
0 |
-1.57 |
| 3 |
0.112 |
-3.14 |
14 |
0.008 |
1.57 |
25 |
0.004 |
0 |
| 4 |
0 |
1.57 |
15 |
0.002 |
0 |
26 |
0.025 |
-1.57 |
| 5 |
0.042 |
-3.14 |
16 |
0 |
-1.57 |
27 |
0.042 |
-3.14 |
| 6 |
0.025 |
1.57 |
17 |
0.002 |
0 |
28 |
0 |
1.57 |
| 7 |
0.004 |
0 |
18 |
0.008 |
-1.57 |
29 |
0.112 |
-3.14 |
| 8 |
0 |
-1.57 |
19 |
-0.01 |
-3.14 |
30 |
0.205 |
1.57 |
| 9 |
0.003 |
0 |
20 |
0 |
1.57 |
31 |
0.168 |
0 |
| 10 |
0.001 |
-1.57 |
21 |
0.012 |
-3.14 |


Рисунок 3.4 Амплітудний спектр вхідного сигналу.

Рисунок 3.5 Фазовий спектр вхідного сигналу
3.5 АЧХ і ФЧХ дискретного кола.
Математичний вираз
для дискретного кола має вигляд:
, (3.9)
де
- дискретна частота.
За допомогою ДПФ, скориставшись ЕОМ, розрахуємо
. Результати розрахунків відобразимо в таблиці 3.6.
Таблиця 3.6
|
|
|
n |
|
n |
|
| 0 |
0.510 |
11 |
0.998+0.016j |
22 |
0.998-0.020j |
| 1 |
0.859+0.221j |
12 |
0.998+0.013j |
23 |
0.997-0.025j |
| 2 |
0.995+0.140j |
13 |
0.998+0.009j |
24 |
0.997-0.030j |
| 3 |
0.979+0.097j |
14 |
0.999+0.006j |
25 |
0.996-0.037j |
| 4 |
0.988+0.072j |
15 |
0.999+0.003j |
26 |
0.994-0.045j |
| 5 |
0.992+0.056j |
16 |
0.999 |
27 |
0.992-0.056j |
| 6 |
0.994+0.045j |
17 |
0.999-0.003j |
28 |
0.988-0.072j |
| 7 |
0.996+0.037j |
18 |
0.999-0.006j |
29 |
0.979-0.097j |
| 8 |
0.997+0.030j |
19 |
0.998-0.009j |
30 |
0.995-0.140j |
| 9 |
0.997+0.025j |
20 |
0.998-0.013j |
31 |
0.859-0.221j |
| 10 |
0.998+0.020j |
21 |
0.998-0.016j |
Занесемо до таблиці 3.7 і вібірки АЧХ і ФЧХ.
Таблиця 3.7
| n |
|
|
n |
|
|
n |
|
|
| 0 |
0.510 |
0 |
11 |
0.998 |
0.016 |
22 |
0.998 |
-0.020 |
| 1 |
0.887 |
0.252 |
12 |
0.998 |
0.013 |
23 |
0.998 |
-0.025 |
| 2 |
0.965 |
0.145 |
13 |
0.999 |
0.009 |
24 |
0.997 |
-0.030 |
| 3 |
0.984 |
0.098 |
14 |
0.999 |
0.006 |
25 |
0.997 |
-0.037 |
| 4 |
0.990 |
0.073 |
15 |
0.999 |
0.003 |
26 |
0.995 |
-0.046 |
| 5 |
0.994 |
0.057 |
16 |
0.999 |
0 |
27 |
0.994 |
-0.057 |
| 6 |
0.995 |
0.046 |
17 |
0.999 |
-0.003 |
28 |
0.990 |
-0.073 |
| 7 |
0.997 |
0.037 |
18 |
0.999 |
-0.006 |
29 |
0.984 |
-0.098 |
| 8 |
0.997 |
0.030 |
19 |
0.999 |
-0.009 |
30 |
0.965 |
-0.145 |
| 9 |
0.998 |
0.025 |
20 |
0.998 |
-0.013 |
31 |
0.987 |
-0.252 |
| 10 |
0.998 |
0.020 |
21 |
0.998 |
-0.016 |
Побудуємо графіки АЧХ і ФЧХ кола

Рисунок 3.6. АЧХ кола

Рисунок 3.7. ФЧХ кола
3.6. Спектр сигнала на виході кола
Користуючись співвідношенням:
, (3.10)
можна розрахувати спектр вихідного сигналу. Складемо таблицю для
.
Таблиця 3.8
| n |
|
n |
|
n |
|
| 0 |
0 |
11 |
-0.012 |
22 |
0.011j |
| 1 |
0.145+0.037j |
12 |
0 |
23 |
0.003 |
| 2 |
0.029-0.196j |
13 |
-0.01 |
24 |
0 |
| 3 |
-0.110-0.011j |
14 |
0.008j |
25 |
0.004 |
| 4 |
0 |
15 |
0.002 |
26 |
-0.025j |
| 5 |
-0.042 |
16 |
0 |
27 |
-0.042 |
| 6 |
0.025j |
17 |
0.002 |
28 |
0 |
| 7 |
0.004 |
18 |
-0.008j |
29 30 |
-0.110+0.011j 0.029+0.196j |
| 8 |
0 |
19 |
-0.01 |
||
| 9 |
0.003 |
20 |
0 |
31 |
0.145-0.037j |
| 10 |
-0.011j |
21 |
-0.012 |
Складемо таблицю для амплітудного та фазового спектру.
Таблиця 3.9
| n |
|
|
n |
|
|
n |
|
|
| 0 |
0 |
0 |
11 |
0.012 |
-3.122 |
22 |
0.011 |
1.557 |
| 1 |
0.149 |
0.252 |
12 |
0 |
1.587 |
23 |
0.003 |
-0.018 |
| 2 |
0.198 |
-1.425 |
13 |
0.01 |
-3.128 |
24 |
0 |
-1.594 |
| 3 |
0.110 |
-3.042 |
14 |
0.08 |
1.581 |
25 |
0.004 |
-0.030 |
| 4 |
0 |
1.645 |
15 |
0.002 |
0.007 |
26 |
0.025 |
-1.609 |
| 5 |
0.042 |
-3.083 |
16 |
0.008 |
-1.566 |
27 |
0.042 |
3.093 |
| 6 |
0.025 |
1.618 |
17 |
0.002 |
0 |
28 |
0 |
1.506 |
| 7 |
0.004 |
0.039 |
18 |
0.08 |
-1.572 |
29 |
0.110 |
3.434 |
| 8 |
0 |
-1.538 |
19 |
0.01 |
3.138 |
30 |
0.198 |
1.434 |
| 9 |
0.003 |
0.028 |
20 |
0 |
1.564 |
31 |
0.149 |
-0.243 |
| 10 |
0.011 |
-1.547 |
21 |
0.012 |
3.131 |
Побудуємо графіки амплітудного і фазового спектрів

Рисунок 3.8. Амплітудний спектр сигнала на виході кола

Рис.3.9. Фазовий спектр сигнала на виході кола
3.7 Синтез вихідного сигналу
Аналогічно пунктам, використовуючи ЕОМ, 1.6 і 1.11 проведемо синтез сигналу на виході кола. Розрахунки відобразимо в таблиці та побудуємо часовий графік.
Таблиця 3.10.
| № точки |
t, град |
y (t), В |
| 0 |
0 |
0.013 |
| 1 |
7.5 |
0.150 |
| 2 |
15 |
0.352 |
| 3 |
22.5 |
0.482 |
| 4 |
30 |
0.602 |
| 5 |
37.5 |
0.804 |
| 6 |
45 |
0.903 |
| 7 |
52.5 |
0.742 |
| 8 |
60 |
0.5 |
| 9 |
67.5 |
0.344 |
| 10 |
75 |
0.168 |
| 11 |
82.5 |
-0.003 |
| 12 |
90 |
-0.147 |
| 13 |
97.5 |
-0.286 |
| 14 |
105 |
-0.459 |
| 15 |
112.5 |
-0.586 |
| 16 |
120 |
-0.701 |
| 17 |
127.5 |
-0.889 |
| 18 |
135 |
-0.984 |
| 19 |
142.5 |
-0.819 |
| 20 |
150 |
-0.565 |
| 21 |
157.5 |
-0.407 |
| 22 |
165 |
-0.252 |
| 23 |
172.5 |
-0.038 |
| 24 |
180 |
0.098 |
| 25 |
187.5 |
0.101 |
| 26 |
195 |
0.076 |
| 27 |
202.5 |
0.076 |
| 28 |
210 |
0.072 |
| 29 |
217.5 |
0.063 |
| 30 |
225 |
0.059 |
| 31 |
232.5 |
0.055 |
| 32 |
240 |
0.049 |
| 33 |
247.5 |
0.046 |
| 34 |
255 |
0.043 |
| 35 |
262.5 |
0.038 |
| 36 |
270 |
0.036 |
| 37 |
277.5 |
0.034 |
| 38 |
285 |
0.030 |
| 39 |
292.5 |
0.028 |
| 40 |
300 |
0.027 |
| 41 |
307.5 |
0.023 |
| 42 |
315 |
0.022 |
| 43 |
322.5 |
0.022 |
| 44 |
330 |
0.016 |
| 45 |
337.5 |
0.017 |
| 46 |
345 |
0.022 |
| 47 |
352.5 |
0.003 |
| 48 |
360 |
0.013 |
Для контролю перевіримо одну точку ручним обчисленням. Нехай аргумент дорівнює
.
Таблиця 3.11
| K |
0 |
1 |
2 |
3 |
|
|
0 |
0.003 |
0.146 |
0.140 |
| k |
4 |
5 |
6 |
7 |
|
|
0 |
-0.080 |
-0.050 |
-0.008 |
| k |
8 |
9 |
10 |
11 |
|
|
0 |
0.004 |
0.012 |
0.007 |
| k |
12 |
13 |
14 |
15 |
|
|
0 |
0.005 |
0.008 |
0.002 |
Тоді
, що підтверджує правильність розрахунків.
Побудуємо графік синтезованого сигналу на виході кола.

Рис.3.10. Синтезований сигнал на виході кола.
4. Узгоджена фільтрація
4.1 Автокореляційна функція вхідного сигналу
У загальному випадку автокореляційна функція сигналу x (t) розраховується за формулою:
(4.1)
Але заданий вхідний сигнал визначається, як складна функція. Він поводить себе монотонно у чотирьох окремих інтервалах:
![]()
Тому математичний вираз для кореляційної функції буде різним в залежності від того, на яку величину буде зміщено сигнал при знаходженні автокореляції, - відповідно, будуть різними і межі інтегрування.
Проведемо зсув вхідного сигналу для цих 4-х випадків:
![]()
1). ![]()
|
| |
|
Рисунок 4.1 Знаходження автокореляції
2). ![]()
| |
|
|
Рисунок 4.2 Знаходження автокореляції
|
| |
|
Рисунок 4.3 Знаходження автокореляції
4). ![]()
|
| |
|
Рисунок 4.4 Знаходження автокореляції
Для чотирьох інтервалів t визначимо чотири кореляційні функції, проводячи інтегрування у відповідних межах. Врахуємо, що на певних інтервалах значення інтегралів будуть рівними (рівні площі перекриття), тому їх можливо подвоїти, не проводячи зайвих розрахунків:

За допомогою програми “MathCAD” проведемо інтегрування, підстановку відповідних меж та спрощення отриманих кореляційних функцій. Отримаємо:

Результуюча кореляційна функція є об’єднанням 4-х визначених. При цьому значення поруч розташованих функцій у точках стиковки повинні співпадати.

Так як автокореляційна функція завжди парна, продовжимо її на від’ємні t, не проводячи розрахунки:
![]()
Звичайно, при значенні аргументу більшому, ніж τі , функція кореляції дорівнює нулю. Розрахуємо та побудуємо її.
Таблиця 4.1
| τ, мкс |
K (τ) |
| 0 1 2 3 4 5 6 7 8 9 10 |
3.33e-6 2.67e-6 1.2e-6 2.8e-7 1.29e-6 1.67e-6 1.35e-6 7.07e-7 2.13e-7 2.67e-8 0 |

|
4.2 Коефіцієнт передачі та імпульсний відгук узгодженого фільтра
Коефіцієнт передачі узгодженого фільтру розрахуємо за формулою:
,
де
- сполучена спектральна щільність вхідного сигналу,
А - коефіцієнт пропорційності - візьмемо рівним 1.
Підставимо вираз для спектральної щільності вхідного сигналу у первинній формі:

Отримаємо:
(4.2)
,
де
.
Множник
відповідає операції інтегрування,
- лінії затримки, знак “-” забезпечується поворотом фази на π. Беручи це до уваги, зобразимо структурну схему фільтра:
![]()
Рисунок 4.6 Структурна схема узгодженого фільтра
4.3 Відгук узгодженого фільтра
Імпульсний відгук узгодженого фільтра розрахуємо за формулою:
, (4.3)
де А - коефіцієнт пропорційності. Для простоти оберемо А=1.
По виразу (4.1) видно, що імпульсний відгук представляє собою масштабну копію вхідного сигналу, відображену дзеркально відносно осі ординат та зміщену на величину t0. Вона повинна бути не меншою за тривалість імпульсу tі . Тому оберемо t0 = tі . Тепер можна побудувати імпульсний відгук (з точністю до константи А). При подачі сигналу на узгоджений фільтр відгук визначається за формулою:
![]()
відгук представляє собою масштабну копію автокореляційної функції, затриману на величину t0 . Затримка повинна бути не меншою за тривалість імпульсу tі . Це пояснюється тим, що фільтр спроможний дати максимальний відгук, лише обробивши увесь імпульс сигналу. Побудуємо відгук з точністю до константи А.

Рисунок 4.8 Відгук узгодженого фільтра на дельта-функцію
При подачі дельта-функції на виході отримаємо імпульсний відгук:
Рисунок 4.9 Відгук узгодженого фільтра на заданий сигнал
5. Проходження сигналів через кола
5.1 Визначити смугу пропускання селективного кола для проходження АМК, ФМК та ЧМК, яка забезпечує проходження сигналів без спотворень
Для забезпечення проходження сигналу через коло його смуга пропускання повинна бути не меншою за ширину спектру сигналу. Розрахуємо ширину спектру для АМК, ФМК та ЧМК.
Для АМК ширина спектра сигналу визначається максимальною гармонікою керуючого коливання - для досліджуваного сигналу це 11 гармоніка:
![]()
Розрахуємо частоту Ω для заданого сигналу:

Тоді смуга пропускання кола для проходження АМК:
![]()
При фазово-модульованому коливанні смуга пропускання визначається парціальними індексами модуляції m. Як і у розділі 2, обмежимося розгляданням 3-х гармонік керуючого сигналу (до рівня 0.1m):
Таблиця 5.1.
| n |
1 |
2 |
3 |
| mn |
1.679 |
1.013 |
0.362 |
Кількість гармонік від кожної гармоніки керуючого сигналу буде визначатися формулою:
![]()
Найвищу гармоніку знайдемо так:
![]()
ωmax = (2+2·2+3) Ω = 9Ω
ширина спектру залишається постійною у часі.
Знайдемо смугу пропускання:
![]()
Для ЧМК ширина спектра визначається як:
,
де ωд - девіація частоти:
![]()
- девіація частоти, зумовлена n-ю гармонікою керуючого сигналу. Знайдемо її з виразу:
![]()
Тоді:
![]()
Отримали ширину спектру таку ж, як і для ФМ-коливання. Різниця лише у тому, що девіація частоти є функцією часу.
![]()
Висновок:
У результаті розрахунків отримали, що ширина спектрів для ЧМК та ЧМК співпадає і у даному випадку не перевищує ширини спектру АМК. Але ми знехтували гармоніками, парціальні індекси модуляції яких менше за 0.1 від максимального (сигнал ЧМК формувався на базі 3-х гармонік керуючого сигналу порівняно з 11 для АМК). Насправді, для забезпечення високоякісної передачі сигналу, тобто необхідної кількості гармонік та без лінійних спотворень, смуга пропускання для ЧМК повинна бути значно ширшою та охоплювати складові з малими амплітудами.
Знайдемо лінійні спотворення при проходженні АМК через коло, зі смугою пропускання, рівною ширині спектру, при настройці у резонанс.
Коефіцієнт модуляції по кожній гармоніці на виході кола визначається як:

де
- розстройка гармоніки відносно резонансної частоти контуру.
Звідси знайдемо коефіцієнт демодуляції:

Остання, 11 гармоніка буде знаходитися на границі смуги пропускання, тобто
. Тоді для n-ї гармоніки:
![]()
Крім того, контур здійснює фазовий зсув: виникає випередження нижніх бічних складових та затримка верхніх на величину
![]()
Додаткова фаза для від’ємних гармонік буде зі знаком “-".
Зведемо результати розрахунків у таблицю:
Таблиця 5.2
| n |
Mn |
Dn |
Mn вих |
yn вх , град |
φn , град |
yn вих , град |
| 1 |
0.168 |
0.996 |
0.167 |
0 |
5.194 |
5.194 |
| 2 |
0.203 |
0.984 |
0.199 |
-90 |
10.305 |
-79.695 |
| 3 |
0.109 |
0.965 |
0.105 |
-180 |
15.255 |
-164.745 |
| 4 |
0 |
0.940 |
0 |
90 |
19.983 |
109.983 |
| 5 |
0.039 |
0.910 |
0.036 |
-180 |
24.444 |
-155.556 |
| 6 |
0.023 |
0.878 |
0.020 |
90 |
28.610 |
118.610 |
| 7 |
0.0034 |
0.844 |
0.0029 |
0 |
32.471 |
32.471 |
| 8 |
0 |
0.809 |
0 |
90 |
36.027 |
126.027 |
| 9 |
0.00207 |
0.774 |
0.0016 |
0 |
39.289 |
39.289 |
| 10 |
0.0081 |
0.740 |
0.0059 |
-90 |
42.274 |
-47.726 |
| 11 |
0.0081 |
0.707 |
0.0057 |
-180 |
45 |
-135 |
5.2 Зобразити структурну схему приймача, який забезпечує прийом, підсилення, детектування радіосигналу, підсилення та реєстрацію відеосигналу

СФ - смуговий фільтр - забезпечує селекцію коливань необхідних частот, отриманих з антени.
ПВЧ - підсилювач високої частоти - попередньо підсилює високочастотний сигнал до необхідного рівня.
Гетеродин - представляє собою генератор ВЧ, частота якого перестроюється разом з частотою вхідного контуру так, що їх різниця завжди дорівнює проміжній частоті.
ЗМ - змішувач - на його виході формується різнична частота (проміжна частота)
ФЗС - фільтр зосередженої селекції - коливальна система з декількох фільтрів, за допомогою яких досягається задана смуга пропускання, необхідна форма АЧХ. Фільтр значно підвищує селективність усього приймача.
ППЧ - підсилювач проміжної частоти - проводить підсилення відфільтрованого сигналу ПЧ. За рахунок зниження робочої частоти отримують значний виграш в коефіцієнті підсилення.
Д - детектор - детектує сигнал, виділяючи низькочастотну складову.
ПНЧ - підсилювач низької частоти - безпосередньо підсилює корисний сигнал (відеосигнал).
Індикатор - виконує реєстрацію відеосигналу.
5.3 Побудувати схему амплітудного детектора, розрахувати його параметри, дати пояснення принципу роботи
Приведемо типову схему амплітудного детектора:
|
Рис. 5.3.1 Схема амплітудного детектора
|
Рисунок 5.3.2 АМК на вході детектора
Припустимо, що детектор працює у режимі великого сигналу. Тоді його вольт-амперну характеристику можна апроксимувати лінійною залежністю - маємо лінійний детектор. При подачі на вхід детектора АМ - коливання струм через діод буде протікати лише при позитивних півхвилях. Струм діода буде розділятися у кола резистора та конденсатора. Ємність С не дозволяє напрузі на виході швидко змінюватися у великих межах.
Параметри RC - кола підібрані так, що амплітуда на виході, змінюючись повільно порівняно з несучою, повторює амплітуду ВЧ - коливань на вході. Таким чином, на конденсаторі гаситься високочастотна складова, а на вихід проходить лише огинаюча вхідного сигналу. На рис.5.3 представлений ВЧ - сигнал на вході: АМ - коливання та пунктиром його огинаюча, на рис.5.4 - сигнал на виході детектора при ідеальному детектуванні.

Рисунок 5.3.3 НЧ - складова на виході детектора
При детектуванні повинна виконуватись ще така умова: постійна часу кола навантаження повинна бути малою порівняно з періодом модуляції. Інакше сигнал на виході буде відставати від огинаючої вхідного сигналу. Отже, для детектування без спотворень повинна виконуватися подвійна нерівність:

де ω0 - частота несучого коливання, Ω - найменша гармоніка корисного сигналу.
Розрахуємо параметри кола для заданого керуючого сигналу.

![]()
Візьмемо середнє геометричне постійних часу та отримаємо:
![]()
Щоб на діоді витрачалося якомога менше потужності, необхідно, щоб опір навантаження перевищував опір діода:
![]()
У малопотужних діодів Rд =100...1000 Ом. Тоді оберемо опір навантаження R=5 кОм. Розрахуємо номінал ємності:
![]()
Отримані результати добре співпадають з номіналами практичних схем. Для радіоприймача у діапазоні “ДВ" порядок номіналів такий: R ≈ 5 кОм, C ≈ 6800 пФ. Ємність отримали меншу на 1 порядок через те, що найвища частота заданого сигналу теж на порядок вища діапазону звукових частот - таким чином не допускається її суттєвого послаблення конденсатором.
5.4 Побудувати схему частотного детектора для детектування ЧМ-сигналу. Визначити сигнал на виході детектора
При детектуванні ЧМ-сигналу необхідно виконати дві операції над сигналом: перетворити частотно-модульований сигнал у амплітудно-модульований, потім продетектувати отриманий сигнал. Відповідно, ці дві операції у схемі виконують два вузла: схема для перетворення частотної модуляції в амплітудну (найчастіше використовують коливальний контур), та амплітудний детектор.

Рис.5.4.1 Структурна схема частотного детектора
Контур (чи систему контурів) настроюють таким чином, щоб частотно-модульований сигнал приходився на пологу частину коливальної характеристики, на відрізок, де вона максимально лінійна. У результаті на виході отримаємо амплітудно-модульований сигнал [3]. Покажемо це графічно.
Рисунок 5.4.2 Пояснення принципу роботи частотного детектора
Зобразимо принципіальну електричну схему частотного детектора:

Рисунок 5.4.2 Схема частотного детектора
5.5 Розробити та привести структуру цифрового фільтра, обчисленого у третьому розділі
Загальна структура цифрового фільтру приведена на рис.5.5.1.
Рис. 5.5.1 Структура цифрового фільтра
АЦП проводить двоїчне квантування отриманих вибірок згідно з рівнями квантування.
Обчислювальний пристрій забезпечує цифрову обробку квантованого сигналу згідно з коефіцієнтом передачі фільтру.
ЦАП відновлює неперервний аналоговий сигнал з цифрового.
Згідно з записом коефіцієнта передачі фільтра визначимо його структурну схему:

де hk - вибірки імпульсного відгуку, Т - інтервал затримки.
Зобразимо структурну схему обчислювального пристрою:
коло затримки на час Т
підсилювач з коефіцієнтом підсилення hi
суматор
Рисунок 5.5.2 Структура обчислювального пристрою


(1.2)
(1.3)
(1.4)


(1.6)
(1.7)
(1.8)
.


