Курсовая работа: Проектирование железобетонного промышленного здания
|
Название: Проектирование железобетонного промышленного здания Раздел: Рефераты по строительству Тип: курсовая работа | |||||||||||||||||||||||||||||||||||||||||||||||||||||||||||||||||||||||||||||||||||||||||||||||||||||||||||||||||||||||||||||||||||||||||||||||||||||||||||||||||||||||||||||||||||||||||||||||||||||||||||||||||||||||||||||||||||||||||||||||||||||||||||||||||||||||||||||||||||||||||||||||||||||||||||||||||||||||||||||||||||||||||||||||||||||||||||||||||||||||||||||||||||||||||||||||||||||||||||||||||||||||||||||||||||||||||||||||||||||||||||||||||||||||||||||||||||||||||||||||||||||||||||||||||||||||||||||||||||||||||||||||||||||||||||||||||||||||||||||||||||||||||||||||||||||||||||||
| Содержание 1. Эскизное проектирование 1.1. Исходные данные для проектирования 1.2. Параметры мостового крана. 1.3. Привязка колонн к разбивочным осям. 1.4. Выбор типа колонн, размеры цеха по вертикали, проверка приближения габаритов мостового крана. 1.5. Назначение длины температурного блока, привязка колонн торцевых рам блока в продольном направлении. 1.6. Стеновое ограждение 2. СТАТИЧЕСКИЙ РАСЧЕТ ПОПЕРЕЧНОЙ РАМЫ 2.1. Расчетная схема 2.2. Сбор нагрузок на колонну. 2.2.1. Постоянная нагрузка от собственного веса покрытия 2.2.2. Постоянная нагрузка от собственного веса стены. 2.2.3. Нагрузки от веса подкрановой части колонны и подкрановой балки 2.2.4. Нагрузка от снега. 2.2.5. Крановые нагрузки. 2.2.6. Ветровая нагрузка 3. Расчет каркаса на ПЭВМ. 4. РАСЧЕТ КОЛОННЫ. 4.1. расчет надкрановой части колонны. 4.1.1. Расчетные сочетания усилий. 4.1.2. Определение коэффициента продольного изгиба и подбор сечения арматуры надкрановой части колонны 4.1.3. Проверка надкрановой части колонны на устойчивость из плоскости рамы. 4.1.4. Назначение и расстановка поперечной арматуры. 4.2. Расчет подкрановой части колонны. 4.2.1. Расчетные сочетания усилий. 4.2.2. Определение коэффициента продольного изгиба и подбор сечения арматуры подкрановой части колонны 4.2.3. Проверка подкрановой части колонны на устойчивость из плоскости рамы. 4.2.4. Назначение и расстановка поперечной арматуры. 4.3. Расчет консоли колонны. 4.4. Проектирование стыка рабочей продольной арматуры. 5. РАСЧЕТ БЕЗРАСКОСНОЙ ФЕРМЫ. 5.1. Геометрические размеры фермы и поперечных сечений элементов. 5.2 Статический расчет фермы 5.3. Расчет верхнего пояса 5.3.1. Определение коэффициента продольного изгиба 5.3.2. Определение сечения арматуры при симметричном армировании. 5.3.3. Назначение поперечной арматуры. 5.4. Расчет нижнего пояса 5.4.1. Определение сечения арматуры 5.4.2. Назначение предварительного напряжения 5.4.3. Потери предварительного напряжения 5.4.4. Расчет по образованию трещин 5.4.5. Расчет на раскрытие трещин 5.4.6. Назначение поперечной арматуры. 5.5. Расчет стоек 5.5.1. Расчет внецентренно сжатой стойки. 5.5.2. Поперечная арматура сжатой стойки 5.5.3. Расчет растянутой стойки 5.5.2. Поперечная арматура растянутой стойки 5.6. Проектирование опорного узла фермы 5.6.1. Конструирование опорного узла 5.6.2. Расчет опорного узла. 5.6.2.1 Расчет из условия отрыва нижнего пояса. 5.6.2.2 Расчет из условия изгиба опорного узла 6. РАСЧЕТ ФУНДАМЕНТА 6.1 Определение размеров подошвы фундаментов 6.1.1. Выбор типа фундамента 6.1.2. Назначение размеров подошвы фундамента 6.1.3. Проверка напряжений под подошвой фундамента 6.2. Назначение размеров подколонника. 6.3 Определение максимальных краевых напряжений на грунт от расчетных нагрузок 6.4 Определение высоты плитной части фундамента 6.5 Расчет высоты и вылета нижней ступени 6.6 Расчет арматуры подошвы фундамента 6.7. Расчет подколонника 6.7.1. Расчет продольной арматуры подколонника 6.7.2 Проверка ширины раскрытия трещин в сечении 2 – 2 подколонника. 6.7.3 Расчет поперечной арматуры подколонника. 6.7.4 Расчет на местное сжатие дна стакана подколонника. Список использованной литературы. 1. Эскизное проектирование 1.1 Исходные данные для проектирования 1. Здание промышленное, одноэтажное и однопролётное, отапливаемое. 2. Пролёт рамы – 24 м. 3. Шаг поперечных рам – 6 м. 4. Длина здания – 96 м. 5. Высота помещения – 12 м. 6. поперечное сечение колонн прямоугольное. 7. Грузоподъёмность мостового крана 50 т (режим работы 6К). 8. Место строительства: Комсомольск-На-Амуре. 9. Класс бетона: обычного колонны – В20, фундамент – В15; преднапряжённогого В25. 10. Класс арматуры: обычной А-III; преднапряжённой А-IV (А-III). 11. Натяжение арматуры на упоры. 12. Расчётное сопротивление грунта основания – 0,25 МПа. 1.2 Параметры мостового крана По исходным данным (грузоподъёмность Qkr =50 т, пролёт рамы – 24 м) из [1, прил.1] принимаем кран со следующими параметрами: 1. Пролёт крана 22,5 м. 2. База крана А=5600. 3. Ширина крана В=6860. 4. Свес опоры крана В1 =300. 5. Габарит крана Нкр =3150. 6. Максимальная нормативная нагрузка на колесо Fmax =380 кН. 7. Масса крана с тележкой Gкр = 48,5 т. 8. Масса тележки Gт = 13,5 т. 1. 3. Привязка колонн к разбивочным осям Поскольку шаг поперечных рам равен 6 м, то высоту сечения надкрановой части колонны принимаем равной h2 = 600 мм. Определим расстояние от оси опирания крана до внешней грани колонны: В1 + h2 +З=300+600+60=960 мм. где З - это расстояние от внутренней части колонны до торца крана, которое должно быть не менее 60 мм. Принимаем привязку со сдвижкой на 250мм. 1.4. Выбор типа колонн, размеры цеха по вертикали, проверка приближения габаритов мостового крана В зависимости от высоты цеха Н = 12 м, шага колонн В = 6м и грузоподъемности крана Qкр = 50 т устанавливаются размеры колонн по серии 1.424. 1-5 [1, прил. 2, табл. 1]. Данные приведены в табл. 1.1. Таблица 1.1 – Характеристики принятой колонны.
Высота верхней части колонны: Н2
= Нcr
+Hcr
,
b
+hr
+ где Нcr =3,15м – высота крана, Нcr , B =0,8 м - высота подкрановой балки при шаге колонн В = 6 м; hr = 0,12 м - высота подкранового рельса Кр70 для мостовых кранов грузоподъемностью до 50 т, Δ= 0,1м – зазор, учитывающий возможный прогиб фермы. Принимаем Н2 = 4300м.
Высота нижней части колонны (до обреза фундамента) будет равна: H1 =H - H2 +0,15 = 12 - 4,3 + 0,15 = 7,85 м. Где значение 0,15 м есть расстояние от отметки пола до верхнего обреза фундамента Уточняем размер колонны: Н* = Н1 + Н2 = 4,3+7,85 =12,15 м, Т.к высота колонны при высоте более 10,8м должна быть кратна 1,8м, принимаем высоту колонны равной 12,6м Тогда Н*=12,6+0,15=12,75м Н1 = 12,75 – 4,3 = 8,45м Габаритные размеры принятой колонна приведена на рис. 1.1. Отметка головки подкранового рельса равна: ОГР = Н* - Н2 + Нcr , B + hr = 12,6– 4,3 + 0,8 + 0,12 = 9,22 м Проверка зазоров: Проверка зазора Δ1 - между краном и низом стропильной конструкции (Δ1 > 100 мм): Δ1
= Н2
- hr
- Нcr
- Нcr
,
B
– Условие Δ1 = 934 мм> 100 мм выполняется. Проверка зазора Δ2 - между торцом крана и колонной (Δ2 > 60 мм): Δ2 = λ +250мм – А - В1 = 750+250 - 600 - 300 = 100мм > 60мм. 1.5. Назначение длины температурного блока, привязка колонн торцевых рам блока в продольном направлении Т.к. длина здания по заданию составляет 96 м, то назначаем два температурных блока по 48м. Колонны торцевых рам блока смещаются внутрь здания с разбивочных осей на 500 мм с целью устранения доборных элементов в покрытии. В середине каждого температурного блока располагаем вертикальные крестовые связи жесткости (рис. 1.2).
Рис. 1.2 - Продольная рама и элементы жёсткости.
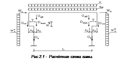
1.6. Стеновое ограждение Разбиваем высоту Н = 12,6 м кратно ширине панели равной 1,8 м [1, табл.2]: 12,6/1,8 = 7 шт. (рис. 1.3). Назначаем стеновые панели толщиной δ = 30 см, массой 4,9 т. Нижняя цокольная панель устанавливается на фундаментную балку. Выше устраивается оконный проем высотой 1,8 Размер двух принятых панелей 1,2х2=2,4 > 1,25 м. 2. СТАТИЧЕСКИЙ РАСЧЕТ ПОПЕРЕЧНОЙ РАМЫ 2.1. Расчетная схема Приводим конструктивную схему рамы к расчетной (рис. 2.1).
Расчет рамы сводится к определению усилий М, N и Q в трех сечениях колонны при жесткости ригеля EIp . 2.2. Сбор нагрузок на колонну 2.2.1. Постоянная нагрузка от собственного веса покрытия Состав покрытия и нагрузка от него сведены в табл. 2.1. Таблица 2.1 Собственный вес шатра
Грузовая площадь покрытия (шатра) Аш
для крайней колонны Аш
= Нагрузка от собственного веса шатра и надкрановой части колонны: Gш
= qш
Aш
+ =3,32·72+0,95·1,1·25·0,6·0,4·4,3=239,04+26,96=266 кН где р = 25кН/м3 - объемный вес железобетона. 2.2.2. Постоянная нагрузка от собственного веса стены По принятой конструкции стены определяем ее вес: GСТ
= GCT =0.95·1.1·6· (29·6·0.3+ 1.75·25·1,2·0.008) = 330 кН, где qCT - объемный вес материала стеновой панели: qCT
= q0 = 25 кН/м3 - удельный вес стекла; b0 = 8 мм - толщина двойного остекления; 1,75 - коэффициент, учитывающий вес оконной коробки и переплетов; hCT - суммарная высота стеновых панелей без цокольной панели в м; h0 - высота верхней полосы остекления в м. 2.2.3. Нагрузки от веса подкрановой части колонны и подкрановой балки Расчетная нагрузка от подкрановой части колонны равна:
Расчетная нагрузка от подкрановой балки при шаге колонн 6 м равна: Gпб
= 2.2.4. Нагрузка от снега Расчетная снеговая нагрузка на 1 м2 горизонтальной поверхности земли определяется по формуле: S= где S0
- нормативное значение веса снегового покрова на 1 м2
горизонтальной поверхности, принимаемое по [2, табл.4] в зависимости от снегового района. По заданию местом строительства является г. Комсомольск-на-Амуре: IV снеговой район, S0
=1.5 кН/м2
; Нагрузка от снега на колонну: SШ = S·АШ = 2·72= 144 кН. 2.2.5. Крановые нагрузки Максимальное вертикальное нормативное давление колеса крана Fmax . n =380 кН (п. 1.2). Минимальное вертикальное давление колеса крана при двух колесах по одному рельсовому пути:
Горизонтальное нормативное давление колеса крана на рельс при поперечном торможении тележки Ткол,п
= Расчетные крановые нагрузки на колесо: Fmax
= Fmax
,
n
Fmin
=Fmin
,
n
Ткол
= Ткол,
n
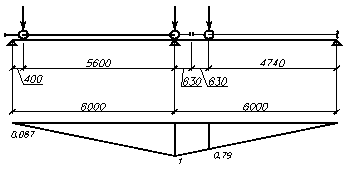
где Расчетные вертикальные нагрузки Дmax и Дmin , а так же горизонтальная нагрузка Т на колонну определяются при расчете крайней колонны от неблагоприятного воздействия двух сближенных кранов [2, п. 4.11]. Линия влияния опорной реакции R на колонне при загружении соседних пролетов балки ходовыми колесами двух кранов для получения Rmax (Дmax , Дmin , T) изображена на рис. 2.1.
Рис. 2.1- Размещение колес двух кранов на линии влияния опорной реакции. Дmax
= Дmin =60·(0,067+1+0,79)=111,4 кН T= 2.2.6. Ветровая нагрузка Ветровая нагрузка прикладывается к раме в виде равномерно распределенной по высоте колонны нагрузки и сосредоточенной нагрузки в уровне верха колонны W действующей на участке площадью hn B, где hn -высота парапета. Нормативное значение средней составляющей ветровой нагрузки
где где Аэродинамический коэффициент активного давления с наветренной стороны Се = 0.8; коэффициент пассивного давления с подветренной стороны Се3 определяется по [2, прил. 4]: при отношении высоты цеха к его ширине Н / L = 12,6 / 24 = 0.525 и отношении длины здания к его ширине Взд / L =96 / 24 = 4; Се3 = -0,5. Коэффициент k определяется интерполяцией по нормативным значениям [2, табл.6] и приведён в таблице 2.2: Таблица 2.2 – Нормативные и рассчитанные коэффициенты k.
Найдём нормативное значение ветрового давления на каждой высоте без учёта аэродинамического коэффициента (рис. 2.2):
Рис. 2.2 –Эпюра ветрового давления. Найдём площади полученных трапециевидных эпюр и их среднее значение, являющееся эквивалентной нагрузкой: S1 =0.253·5=1,265 кН/м; S2 =(0.253+0.329) ·0,5·5=1,455 кН/м; S3 =(0.329+0.355) ·0,5·2,6= 0,889кН/м; ωср =(1,256+1,455+0.889)/12,6=0.285 кН/м2 ; Получаем давления с наветренной и подветренной стороны при шаге 6 м: ωН =ωср ·Се B= 0.285 кН/м2 ·0,8·6 м= 1,368 кН/м; ωП =ωср ·Се3 В= 0.285 кН/м2 ·(-0,5) ·6 м= -0,855кН/м. Ветровая нагрузка W, действующая выше верха колонны, прикладывается в уровне низа ригеля рамы. Определяем площадь эпюры ветрового давления в пределах высоты парапета: Sпр =(0.355+0.379)·0,5·2,4=0,881 кН/м; Тогда W1 = Sпр В=0,881·6 =5,286 кН – расчетное давление без учета аэродинамических коэффициентов. Суммарное давление ветра на парапет с наветренной и подветренной сторон:
3. Расчет каркаса на ПЭВМ Необходимые исходные данные: 1 строка 1. Расчетная высота колонны: Нр = Н + 0.15 = 12,6 + 0,15 =12,75 м. 2. Высота верхней части колонны: Н2 = 4.3 м. 3. Расстояние от подкрановой балки до низа фермы: Н2 -Нпб =4.3 - 0,8 = 3,5 м. 4. Число рам в температурном блоке - 9. 2 строка 5. Отношение жесткостей рассматриваемой колонны
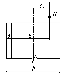
6. Отношение жесткостей соседней колонны 7. Отношение нижней части соседней колонны к нижней части рассматриваемой колонны. Т.к. здание однопролётное, то : 3 строка 8. Эксцентриситет оси верхней части колонны (рис. 3.1): е1 = -0,5(В-А) = -0,5(0,7-0,6) = -0,05м; 9. Эксцентриситет стены е2
= -0,5(В + 10. Эксцентриситет подкрановой балки при нулевой привязке: е3
=
Рис. 3.1 – К определению эксцентриситетов. 11. Высота сечения надкрановой части колонны: А = 0,6 м. 12. Высота сечения подкрановой части колонны: В = 0,7 м. 4 строка 13. Постоянная нагрузка от шатра: Gш =266 кН. 14. Постоянная нагрузка от стены: Gст = 330кН. 15. Постоянная нагрузка от подкрановой балки: Gпб =36,58 кН. 16. Постоянная нагрузка от нижней части колонны: G 5 строка 17. Нагрузка от снега: S = Sш = 144кН. 6 строка 18. Вертикальная крановая нагрузка: Дмах =627,7 кН. 19. То же: Дmin =111,4 кН. 20. Горизонтальная тормозная сила: Т = 26,2 кН. 7 строка Ветровые нагрузки вводятся без учета аэродинамических коэффициентов, так как они учтены в программе. 21. Сосредоточенная ветровая нагрузка: W1 =5,286 кH. 22. Равномерно распределенная ветровая нагрузка: Полученные исходные данные сведены в табл. 3.1. Таблица 3.1 - Исходные данные для расчета на ПЭВМ.
Результаты расчета на ПЭВМ усилий М, N, и Q, а также РСУ в трех сечениях колонны приведены в табл. 3.2 и 3.3 соответственно. Правила знаков приняты следующие: + М (положительный момент) вращает сечение против часовой стрелки (растянута внутренняя часть колонны); +N (положительная продольная сила) направлена сверху вниз и сжимает колонну; +Q (положительная перерезывающая сила) направлена справа налево (изнутри наружу). Таблица 3.2 - Результаты расчета крайней колонны.
Шифры временных нагрузок Снеговая - (2). Крановые: в МАХ - (3); в MIN - (4); D МАХ +ТОРМ - (5); в MIN +TOPM - (7); D MAX –TOPM - (6); в MIN – TOPM - (8). Ветровые: Ветер 1 - (13); Ветер 2 - (14). Таблица 3.3 - Расчетные сочетания усилий
4. РАСЧЕТ КОЛОННЫ 4.1. Расчет надкрановой части колонны 4.1.1. Расчетные сочетания усилий Для определения РСУ в сечении над консолью выпишем значения усилий из таблицы 3.2 в таблицу 4.1: Таблица 4.1 – Усилия над консолью.
Результат подсчета усилий представлен в табл. 4.2. Таблица 4.2 - Расчетные сочетания усилий над консолью
Ниже приводятся наиболее опасные сочетания усилий (рис. 4.1), найденные по наибольшим ядровым моментам (табл. 4.2):
Ядровое расстояние: 1. Наиболее сжата грань внешняя (строка 6): М = 72,41 кНм; N = 395,6 кН; Мя = 72,41 + 395,6 · 0,1 = 111,97 кНм 2. Наиболее сжата грань внутренняя (строка 5): М = -102 кНм; N = 395,6 кН; Мя = -102 - 395,6 · 0,1 = -141,57 кНм 3. Наиболее растянута грань внешняя (строка 2): М = -99,17 кНм; N = 266 кН; Мя = -99,17 + 266 · 0,1 = -72,57 кНм 4. Наиболее растянута грань внутренняя (строка 4): М = 75,253 кНм; N = 266 кН; Мя = 75,253 - 266 · 0,1 = 48,65 кНм Разница в абсолютных значениях максимальных ядровых моментов:
Принимаем симметричное армирование. 4.1.2. Определение коэффициента продольного изгиба и подбор сечения арматуры надкрановой части колонны Исходные данные: Класс бетона - В 20: RB =11,5 [3, табл.13]; Ев =240000 МПа [3,табл.18]; Класс арматуры A-III; Rs = 365 МПа; Rsc = 365 МПа [3, табл. 22]; Размеры сечения: h = 0.6 м; b = 0.4 м. 1. Подбираем арматуру в сечении над консолью по 2-му сочетанию усилий (табл. 4.2, 5-я строка): М = -102 кНм; N = 395,6 кН; Свободная длина надкрановой части колонны:
где Определим гибкость:
Т.к. Эксцентриситет силы:
Случайные эксцентриситеты [3, п. 1.21]:
Так как система статически неопределима, принимаем наибольшее значение: е0 =0,258 м. Критическая сила определяется по формуле:
где φL
=
где М = N
Рис. 4.2 – Схема загружения колонны. Принимая а = 0,04 м, получаем: М = 395,6·(0,258+0,30-0,04)=204,9кНм;
где
здесь
коэффициент
I - момент инерции сечения бетона: I = Is
- момент инерции сечения арматуры при симметричном армировании и коэффициенте Is
=
Вычислим:
Коэффициент продольного изгиба определится по формуле:
Определим случай расчёта по “мягкому” критерию:
Предварительно принимаем случай больших эксцентриситетов. Так как изгибающий момент отрицательный (-102 кНм), то растянутая арматура As
расположена у внешней грани колонны. Определим сечение арматуры из условия минимального процента армирования As
,
min
= Принимаем 2 Сечение арматуры получим из условия:
При симметричном армировании:
Площадь арматуры:
По расчету арматура не требуется. Принимаем из условия минимального армирования 2Ø18: АS =5.09см2 . Симметричное армирование надкрановой части показано на рисунке 4.3.
Рис. 4.3 – Арматура надкрановой части колонны рассчитанная по 2-му сочетанию усилий. 2. Проверяем арматуру, исходя из условия [2.25], в сечении над консолью по 1-му сочетанию усилий (табл. 4.2, 2-я строка): М = -99,17 кНм; N = 266 кН (наиболее растянута внешняя грань),: Определим коэффициент продольного изгиба: Свободная длина надкрановой части колонны:
где Определим гибкость:
Т.к. Эксцентриситет силы:
Случайные эксцентриситеты (еа = 0,0072, еа = 0,02), принимаем наибольшее значение: е0 =0,37 м. Определим критическую силу: φL
=
М = N а = 0,029 м, получаем: М = 266·(0,37+0,30-0,029)=173кНм;
где
коэффициент
I - момент инерции сечения бетона: I = 72·10-4 м4 ; Is
- момент инерции сечения арматуры при симметричном армировании и коэффициенте Is
=
Вычислим:
Коэффициент продольного изгиба определится по формуле:
выполняем проверку по условию [2,25]:
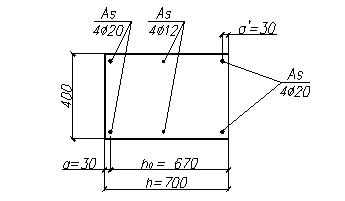
=0,0995·0,4·0,5712 ·11,5·103 ·1,1 + 365·103 · 5,09·10-4 ·(0,571-0,029) = 265кНм Условие выполняется 265кНм>179кНм. Окончательно принимаем симметричную арматуру 4Ø18АIII c общей площадью AS = 10.18см2 . Согласно конструктивным требованиям принимаем промежуточные стержни 2Ø12АIII c АS = 2.26 см2 , (Рис. 4.4).
Рис. 4.4 – Арматура надкрановой части колонны 4.1.3. Проверка надкрановой части колонны на устойчивость из плоскости поперечной рамы Проверка производится в соответствии с [4, п. 3.64], по 2-му сочетанию N=396.5кН. Расчетная длина колонны из плоскости изгиба: N ≤ φ(Rb A + Rsc As,tot ) [3. 119] где φ – коэффициент, определяемый по формуле φ= φb + 2(φsb - φb )αs [3. 120] но принимаемый не более φsb
, здесь φb
, φsb
– коэффициенты, принимаемые по [3, табл. 26], для и а=0,029м <0,15·h = 0.15·0.6 = 0.09м , φsb = 0,866. αS
= где АS , tot =12,44см2 , площадь всей арматуры расположенной в сечении. φ= 0,811+2(0,866-0,811)0,15 =0,646 φ(Rb A + Rsc As,tot ) = 0,646·(11,5·1,1·103 ·0,4·0,6 + 365·103 ·12,44·10-4 )= 2581кН > 395.6кН. Проверка на устойчивость из плоскости поперечной рамы выполняется. 4.1.4. Назначение и расстановка поперечной арматуры Из условия свариваемости в соответствии с [5, прил.9] принимаем поперечную арматуру диаметром 6 мм (АIII). В соответствии с [4, п.5.22] назначаем шаг поперечной арматуры 300 мм (< 500, < 20d = 20 Согласно [4, п.5.46 и п.5.24] в верхней части колонны устанавливаем 4 сетки косвенного армирования с шагом 100 мм, что > 60 мм и < 150 (400/3=133 мм). При этом сетки располагаются на длине 400 мм >10d=180 мм. Размеры ячеек принимаются равные 50 мм, что > 45 мм и < 400/4 = 100 мм. 4.2. Расчет подкрановой части колонны 4.2.1. Расчетные сочетания усилий Значения расчётных сочетаний усилий для расчёта нижней части колонны выпишем из таблицы 3.3 для сечения у фундамента (по наибольшим ядровым моментам). Данные внесены в таблицу 4.3. Таблица 4.3 – Усилия в колонне у фундамента.
Разница в абсолютных значениях максимальных ядровых моментов:
Принимаем симметричное армирование. 4.2.2. Определение коэффициента продольного изгиба и подбор сечения арматуры подкрановой части колонны Исходные данные: Класс бетона - В 20: RB =11,5 [3, табл.13]; Ев =240000 МПа [3,табл.18]; Класс арматуры A-III; Rs = 365 МПа; Rsc = 365 МПа [3, табл. 22]; Размеры сечения: h = 0,7 м; b = 0,4 м. 1. Подбираем арматуру по 2-му сочетанию усилий (табл. 4.3): М = -213,1 кНм; N = 1389,91 кН; Свободная длина подкрановой части колонны:
где Определим гибкость:
Т.к. Эксцентриситет силы:
Случайные эксцентриситеты [3, п. 1.21]:
Так как система статически неопределима, принимаем наибольшее значение: е0 =0,153 м. Критическая сила определяется по формуле:
где φL
=
где М = N Принимая а = 0,04 м, получаем: М = 1389,91·(0,153+0,35-0,04)=643,5кНм;
где
здесь
коэффициент
I - момент инерции сечения бетона: I = Is
- момент инерции сечения арматуры при симметричном армировании и коэффициенте Is
=
Вычислим:
Коэффициент продольного изгиба определится по формуле:
Определим случай расчёта по “мягкому” критерию:
Предварительно принимаем случай больших эксцентриситетов. Так как изгибающий момент отрицательный (-213,1 кНм), то растянутая арматура As
расположена у внешней грани колонны. Определим сечение арматуры из условия минимального процента армирования As
' = As,min
= Принимаем 2 Сечение растянутой арматуры получим из условия:
При симметричном армировании:
Площадь арматуры:
По расчету арматура не требуется, устанавливаем арматуру из условия минимального армирования 2Ø20: АS =6,28см2 . Симметричное армирование надкрановой части показано на рисунке 4.4.
Рис. 4.5 – Схема армирования подкрановой части колонны. 2. Проверяем арматуру, исходя из условия [2.25], в сечении у фундамента по сочетанию усилий (табл. 4.3, 3-я строка): М = -197,35кНм; N = 695,4кН (наиболее растянута внешняя грань),: Определим коэффициент продольного изгиба: Свободная длина надкрановой части колонны:
где Определим гибкость:
Т.к. Эксцентриситет силы:
Случайные эксцентриситеты (еа = 0,014, еа = 0,023), принимаем наибольшее значение: е0 =0,284 м. Определим критическую силу: φL
=
M’ = М = N а = 0,03 м, получаем: М = 695,4·(0,284+0,35-0,03) = 420 кНм;
где
коэффициент
I - момент инерции сечения бетона: I = 114·10-4 м4 ; Is
- момент инерции сечения арматуры при симметричном армировании и коэффициенте Is
=
Вычислим:
Коэффициент продольного изгиба определится по формуле:
выполняем проверку по условию [2,25]:
=0,2·0,4·0,672 ·11,5·103 ·1,1 + 365·103 · 6,28·10-4 ·(0,67-0,03) = 601кНм
Окончательно принимаем симметричную арматуру 4Ø20АIII c общей площадью AS = 12,56см2 . Согласно конструктивным требованиям принимаем промежуточные стержни 2Ø12АIII c АS = 2.26 см2 , (Рис. 4.6).
Рис. 4.6 – Схема армирования подкрановой части колонны. 4.2.3. Проверка подкрановой части колонны на устойчивость из плоскости поперечной рамы Проверка производится в соответствии с [4, п. 3.64], по N=1328,1кН. Расчетная длина колонны из плоскости изгиба: N ≤ φ(Rb A + Rsc As,tot ) [3. 119] где φ – коэффициент, определяемый по формуле φ= φb + 2(φsb - φb )αs [3. 120] но принимаемый не более φsb
, здесь φb
, φsb
– коэффициенты, принимаемые по [3, табл. 26], для и а=0,02м <0,15·h = 0.15·0.7 = 0.105м , φsb = 0,0,79. αS
= φ= 0,69+2(0,79-0,69)0,178 =0,75 φ(Rb A + Rsc As,tot ) = 0,75·(11,5·1,1·103 ·0,4·0,7 + 365·103 ·14,82·10-4 )= 3062кН > 1328,1кН. Проверка на устойчивость из плоскости поперечной рамы выполняется. 4.2.4. Назначение и расстановка поперечной арматуры Из условия свариваемости в соответствии с [6, прил.9] принимаем поперечную арматуру диаметром 6 мм (АIII). В соответствии с [4, п.5.22] назначаем шаг поперечной арматуры 400 мм (< 500, < 20d = 20 Сетки косвенного армирования в нижней части колонны не устанавливаются. 4.3. Расчет консоли колонны Основные размеры консоли показаны на рисунке 4.8.
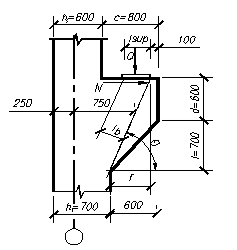
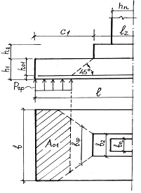
Рис. 4.8 - Расчетная схема консоли. Исходные данные: hв = 600мм; с = 800мм; hн = 700мм; в = 600мм; е = 700мм; lsup = 250мм (для балки пролётом 6 м);
Класс бетона - В 20: RB =11,5 МПа, RBt =0,90 МПа [3, табл.13]; Ев 240000 МПа [3,табл.18]; Класс арматуры A-III; Rs = 365 МПа; Rsc = 365 МПа [3, табл. 22]; Т.к. вылет консоли с = 800мм меньше 0,9·hк = 0,9·(700+600)=1170мм, то расчёт ведётся как для короткой консоли. Расчет окаймляющих стержней: Из рисунка 4.8 следует:
где hк = d+l = 700 + 600 = 1300мм; f = 600 -100=500мм; N0 =Q·ctgθ = 664.28·ctg73o = 195.9кН
Принимаем 2ø20 AIII (As =6,28·10-4 м2 ). Требуемая длина анкеровки:
но не менее Принимаем длину анкеровки l = 300 мм. Расчёт хомутов. Условие прочности: Из условия свариваемости с ø20 [5, прил.9] принимаем хомуты Æ6 AIII (Asw =0.283см2 ). Шаг назначаем из условий:
Тогда lb = lsup Sinθ = 250·0,956=239мм;
тогда Q ≤ 0.8·1.04·11.5·103 ·1.1·0.4·0.239·0.956 =961.9 кН [3, (85)] Правая часть условия (85) принимается: 1. Не более 3.5Rbt bh0 = 3.5·0.9·103 ·1.1·0.4·(1.3 – 0.03)= 1760кН; 2. Не менее меньшего из 2-х значений: 2.5Rbt bh0 = 2.5·0.9·103 ·1.1·0.4·(1.3 – 0.03)= 1257кН;
Принимаем правую часть [3, (85)] равной 961.9 кН, тогда условие прочности Q = 664.28кН < 961.9кН выполняется. 4.4. Проектирование стыка рабочей продольной арматуры В соответствии с [3, п. 5.38] длина перепуска
но не менее В соответствии с [3, п. 5.22] расстояние между хомутами по длине перепуска должно составлять не более 10dmin = 10·20 = 200 мм. В местах нахлёста арматуры принимаем хомуты диаметром 6 мм (АIII) и шагом 160 мм. Армирование консоли показано на рисунке 4.9.
Рис. 4.9 - Армирование консоли. 5. РАСЧЕТ БЕЗРАСКОСНОЙ ФЕРМЫ. 5.1. Геометрические размеры фермы и поперечных сечений элементов По проекту рассчитывается безраскосная ферма пролётом 18 м. Сетка колонн 24·6 м, нагрузка на 1 м2 покрытия составляет: Полная 3,32+2=5,32 кН/м2 , в том числе снег 1,33 кН/м2 . В соответствии с [1, табл.12], этой нагрузке соответствует 1-й тип опалубки. Размеры поперечных сечений элементов фермы для 1-го типа опалубки составляют (b 1) Верхний пояс – 0,24 2) Нижний пояс – 0,24 3) Стойки – 0,24 Ферма с нанесёнными размерами элементов показана на рисунке 5.1.
Рис. 5. - . Геометрическая схема безраскосной фермы. 5.2 Статический расчет фермы Статический расчет безраскосных ферм производится на ЭВМ по программе MKEG для статически неопределимых систем . Исходные параметры расчета стержневой системы (фермы): 1. Количество элементов – 23; 2. Количество закрепленных узлов – 2; 3. Всего узлов – 16; 4. Шифр фермы – KGK24-1; 5. Количество загруженных узлов – 7; 6. Величина узловой нагрузки – кН:
Усилия в элементах фермы приведены в таблице 14. Результаты расчета фермы на ЭВМ (усилия в элементах фермы) приведены в таблице 5.1. Для удобства вычисления ядровых моментов и выбора РСУ усилия в элементах сведены в таблицу 5.2 (Рассматривается половина фермы ввиду её симметрии). Таблица 5.2 – Расчетные сочетания усилий.
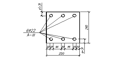
5.3 Расчет верхнего пояса Исходные данные: Класс бетона: В25, Rb =14,5 МПа; γb 2 =0.9, EB = 27000 МПа. Класс арматуры: A-III; Rs = 365 МПа; Rsc = 365 МПа ES = 20000МПа Сечение 24´20 см. Расчетные усилия: М =-25.27 кНм, N = -817.695 КН. Нагрузка на узел фермы: полная Р = 95.76 кН; длительная Pl =(g+αS)Aгр = (3,32+0,5·2)18 = 77,76кН где Усилия от длительной нагрузки
Эксцентриситет 5.3.1. Определение коэффициента продольного изгиба Свободная длина элемента верхнего пояса фермы при расчете в плоскости фермы при е0 = 0,031 < h / 8 = 0,025 равна l0 = 0.9l = 0.9·3=2,7 м [2, табл.33]. Вычисляем случайные эксцентриситеты:
Принимаем наибольшее значение: eo = 0.031 м. кНм.
принимаем δe = 0,2345;
Критическая сила при потере устойчивости:
Коэффициент продольного изгиба:
5.3.2. Определение сечения арматуры при симметричном армировании Эксцентриситет с учетом продольного изгиба: е0 ·η = 0,031·2,374 = 0,0725м, что больше 0,3h = 0.3·0.2 = 0.06м Предварительно принимаем случай “больших” эксцентриситетов. 1. Задаем сечение арматуры (4 Æ20 с AS = A’S =12.56см2 ) [1, прил.3]. 2. Определяем
где ω =0,85 – 0,08·RB = 0.85 – 0.08·17·0.9 = 0.7456 [3, (26)] для арматуры A-IV: σSR = RSC + 400 - σSP - ΔσSP = 510 + 400 = 910МПа, σSP = 0, ΔσSP =0, тк. отсутствует предварительное напряжение. 3. Определим требуемую относительную высоту сжатой зоны сечения:
Определим требуемую относительную высоту сжатой зоны сечения для случая “малых” эксцентриситетов:
4. Определяем
5. Проверяем несущую способность по формуле:
где: Ne =N
=0,439·0,24·0,172 ·14,5·103 ·0,9 + 365·103 · 12.56·10-4 ·(0,17-0,03) =104Нм
Увеличим сечение арматуры, принимаем (4 Æ20 с AS = A’S =15,2см2 )
Ne =N
=0,47·0,24·0,1692 ·14,5·103 ·0,9 + 365·103 · 12.56·10-4 ·(0,169-0,031) =118,6Нм 116,6 кНм <118,6Нм Условие [3, (36)] выполняется. Сечение показано на рисунке 5.2.
5.3.3. Назначение поперечной арматуры Согласно [3, п.5.22] принимаем поперечную арматуру с шагом 400, что меньше 20d = 20 5.4. Расчет нижнего пояса Исходные данные: Класс бетона: В25, Rb =14,5 МПа; γb 2 =0.9, EB = 27000 МПа., Rb,ser = 18,5 МПа, Rbt,ser 1,6 МПа; Класс арматуры A-IV; Rs = 510 МПа; Rsc = 450 МПа; Rs,ser =590МПа; ES = 19000МПа Сечение 24´22см.
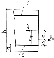
Расчетные усилия: М = - 32,63 кНм, N = 776,7 кН. a=a’=0,05 м. 5.4.1. Определение сечения арматуры Армирование симметричное AS = A’S Эксцентриситет силы N (рис. 5.3):
Рис.5.3 - Расчетная схема нижнего пояса.Так как е0
< Ne ≤ A’S RS (h0 -a’) [3, (61)] Ne’ ≤ AS RS (h0 -a’) [3, (62)] При симметричном армировании получим: е0
= е’ = Выбираем большее значение и получим:
где γS 6 = η =1.2 для арматуры класса A-IV [3, п.3.13]. Принимаем 3Æ22 AS = A’S = 11,4м2 [1, прил.3]. Суммарная арматура: AS + A’S = 22,8 м2 . Процент армирования сечения:
Проверка размещения стержней в сечении: b > 3·2,2 + 2·5 + 2·2,5 = 21см. Размещение стержней показано на рисунке 5.4.
Рис. 5.4 – Размещение продольной напрягаемой арматуры. 5.4.2. Назначение предварительного напряжения В соответствии с [3, п. 123] должны удовлетворяться условия: σsp + p ≤ Rs,ser ; σsp - p ≥ 0.3Rs,ser ; [3, (1)] Величина р при механическом способе натяжения арматуры принимается равной p = 0.05σsp [2, п.1,23], тогда:
Назначаем σsp = 550МПа. 5.4.3. Потери предварительного напряжения Натяжение арматуры производится на упоры [по заданию]. Первые потери1) От релаксации напряжения при механическом способе натяжения стержневой арматуры: σ 1 = 0.1σsp -20 = 55 – 20 = 35МПа; 2) От перепада температур для бетона В25: σ 1 = 1.25Δt = 1.25·65 =81МПа; 3) От деформации анкеров:
4) От позиции 4 [3, табл.5] потерь нет (натяжение на упоры); 5) От позиции 5 [3, табл.5] потерь нет (стержневая арматура); 6) Потери от быстро натекающей ползучести Усилие в арматуре с учетом потерь (позиции 1 – 5): P1 = [σ – (σ1 +σ2 +σ3 )]Asp = [550 – (35+81+16,1)]22,8·10-4 · 103 = 953 кН; Сжимающие напряжения в бетоне от силы Р1 :
где Ared = Ab + αAS = 0.24·0.22 + 7.04·22.8·10-4 = 0.069 м2 Передаточная прочность бетона принимается по [3, п.2.6]. Для арматуры класса А-IV: Rbp ≥ 11МПа кроме того, Rbp ≥ 0,5B = 0,5·25 =12,5МПа. Принимаем Rbp =12,5МПа; α=0,25+0,025Rbp =0.25+0.025·12.5 =0.563 < 0.8; β=5.25-0.185 Rbp = 5.25 – 0.185·12.5 = 2.94 (но не более 2.5), принимаем β=2,5; Т.к.
Суммируем, первые потери напряжений: σlos 1 = 35+81+16+0+0+117 = 249МПа Усилие в арматуре с учетом первых потерь: P1 = (σsp –σlos1 )As = (550 – 249)22.8·10-4 ·103 = 682.3кН. Вторые потери 7) Потери релаксации напряжений арматуры учтены в 1) пункте; 8) Потери напряжений от усадки бетона при классе бетона В25 и тепловой обработке σ8 =35 МПа. 9) Ползучесть бетона: Сжимающие напряжения в бетоне с учетом первых потерь:
α = 0,85 –коэффициент принимаемый для бетона подвергнутого тепловой обработке при атмосферном давлении. Полные потери: σlos = σlos 1 + σlos 2 = 249+(35+106) = 390МПа МПа Усилие предварительного обжатия с учетом полных потерь напряжений:
5.4.4. Расчет по образованию трещин Средний коэффициент надежности по нагрузке определяем по [табл.2.1] с учетом снеговой нагрузки:
Нормативные усилия равны (первая панель нижнего пояса):
Нормативные усилия от длительных нагрузок (см. раздел п.5.3):
Проверка по образованию трещин производится по формуле
где
где где
где
Так как при полном загружении нормативной нагрузкой условие [3, (124)] не выполняется ( 5.4.5. Расчет на раскрытие трещин Ферма находится в закрытом помещении и поэтому относится к 3-ей категории трещиностойкости, для которой допускается ограниченное по ширине непродолжительное ( Раскрытие трещин определяется по формуле:
где 1. Определяем раскрытие трещин от кратковременного действия всех нагрузок
Т.к. Тогда напряжение в арматуре:
где
Рис.5.5 - Приложение силы преднапряжения. Эксцентриситет силы
2. Определяем Так как
Т.к.
3. Определяем
Непродолжительное раскрытие трещин равно:
Полученные значения раскрытия трещин 5.4.6. Назначение поперечной арматуры Для крепления поперечной арматуры дополнительно вводим в сечение конструктивную продольную арматуру 4Ø10AIII. Согласно [3, п.5.22] принимаем поперечную арматуру с шагом 500 мм. Диаметр арматуры назначаем из условия свариваемости [4, прил.9] и наличия в сортаменте. Принимаем Ø6AIII. 5.5. Расчет стоек Класс бетона: В25, Класс арматуры: A-III, Сечение 24´28 см. Расчетные усилия: Сжатая стойка 2 – 3: l=1,525 м [табл. 5.1]. Растянутая стойка: 6 – 7: l=2,735 м [табл. 5.1]. 5.5.1. Расчет внецентренно сжатой стойки Определение коэффициента продольного изгиба Свободная длина в плоскости фермы [3, табл.33]:
Гибкость стойки: Так как Эксцентриситет Вычисляем случайные эксцентриситеты:
Принимаем наибольшее значение: Усилия от длительной нагрузки:
принимаем
Критическая сила при потери устойчивости:
Коэффициент продольного изгиба:
Требуемое сечение арматуры при симметричном армировании:
Принимаем
Рис. 5.6 - Размещение арматуры сжатой стойки. 5.5.2. Поперечная арматура сжатой стойки Согласно [3, п.5.22] принимаем поперечную арматуру с шагом 200, что меньше 20d = 20 5.5.3. Расчет растянутой стойки Т.к. М=0, то расчёт ведём по [3, п.3.26]. Должно соблюдаться условие:
Из [3, (60)] определим требуемую суммарную площадь арматуры:
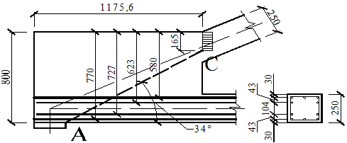
Из условия минимального диаметра арматуры в стойке (Æ8мм) принимаем 5.5.2. Поперечная арматура растянутой стойки Согласно [3, п.5.22] принимаем поперечную арматуру с шагом 600. Диаметр арматуры принимаем Æ6AIII [4, прил.9]. 5.6. Проектирование опорного узла фермы 5.6.1. Конструирование опорного узла Пояса фермы соединяются в опорном узле (рис.5.7). 1. Определение размеров опорного листа. Опорная реакция фермы:
Принимаем 2. Определение угла наклона верхнего пояса в опорном узле:
Рис.5.7 - Опорный узел. 3. Дополнительные ненапрягаемые стержни с площадью сечения:
Принимаем минимальную арматуру: 4Æ12, Длина её анкеровки (растянутая арматура в растянутом бетоне):
4. Сечение стержней, окаймляющих узел, принимается из условия:
принимаем 2Æ10 5.
Сетки косвенного армирования ставятся над опорным листом на участке длиной
Тогда 0.6 Длина участка, где стоят сетки принимается 200. Диаметр арматуры должен быть Поперечная арматура ставится с шагом 100 мм, а её диаметр назначается по нижеследующему расчету. 6. Анкеровка арматуры верхнего пояса:
но не менее Принимаем длину анкеровки арматуры верхнего пояса 400 мм. 5.6.2. Расчет опорного узла 5.6.2.1 Расчет из условия отрыва нижнего пояса Расчет из условия отрыва нижнего пояса по сечению АВ из-за ненадежности анкеровки преднапряженной арматуры и дополнительных стержней (рис.5.8).
Рис.5.8 - Схема разрушения опорного узла с отрывом нижнего пояса Для того, чтобы не произошел отрыв нижнего пояса, должно удовлетворятся условие:
где Учитывая, что напряжения в арматуре на длине анкеровки снижаются от
где 1) 2) В соответствии с рис.5.8 расстояния до линии обрыва:
Усилия в арматуре:
Из условия отрыва требуемое усилие в поперечной арматуре узла:
Т.к. 5.6.2.2 Расчет из условия изгиба опорного узла Расчет из условия изгиба опорного узла по наклонному сечению АС (рис. 5.9). Так как угол наклона сечения АС относительно АВ изменяется незначительно, усилия в продольной арматуре не меняются. Высота сжатой зоны (рис.5.9):
Рис.5.9 - Схема усилий в сечении АС при расчете на прочность на действие момента Проверка прочности на действие изгибающего момента производится по формуле: где
Условие прочности по наклонному сечению АС на действие изгибающего момента выполняется. 6. РАСЧЕТ ФУНДАМЕНТА Исходные данные: Заглубление фундамента: Нормативная глубина промерзания:
где Расчетная глубина промерзания:
где kh
= 0,6 – коэффициент влияния теплового режима здания. Принимаем глубину заложения Усредненная плотность фундамента и грунта на обрезах Расчетное сопротивление грунта Класс бетона В15; Класс арматуры A-II; Rs = 280 МПа; Rsc = 280 МПа [3, табл. 22]; Таблица 6.1 - Сочетание усилий.
В таблице 6.1:
Нормативные усилия получены делением расчетных на усредненный коэффициент надежности по нагрузке Схема загружения фундамента показана на рисунке 6.1.
Рис.6.1 - Схема загружения фундамента. 6.1 Определение размеров подошвы фундаментов 6.1.1. Выбор типа фундамента Т.к. выполняются следующие условия, то фундамент проектируется симметричным:
где 6.1.2. Назначение размеров подошвы фундамента Принимается следующее отношение ширины подошвы фундамента к длине: Первоначально площадь подошвы: Сторона подошвы: Принимаем b =1,8 м (кратно 0.3м). Параметры: Длина подошвы: Принимаем Площадь подошвы равна:
6.1.3. Проверка напряжений под подошвой фундамента I сочетание:
II сочетание:
III сочетание
Проверка среднего давления:
Условия выполняются, поэтому оставляем размеры подошвы: 2,1´3,3 м. 6.2. Назначение размеров подколонника Конструктивные требования: толщина стенки стакана Принимаем (в плоскости М) Тогда Принимаем Принимаем из плоскости момента Принимаем
Рис. 6.2 - Схема подколонника. Глубина стакана 1. Глубина стакана колонны при
2. Глубина заделки колонны в стакане, кроме того, должна удовлетворять требованию заделки рабочей арматуры колонны: Из условий анкеровки арматуры [2, п.5.14]
где Но не менее Принимаем большую глубину стакана: 6.3 Определение максимальных краевых напряжений на грунт от расчетных нагрузок Краевые напряжения на грунт:
6.4 Определение высоты плитной части фундамента Высота плитной части фундамента Нпл определяется из условия продавливания. Так как в расчете высота подколонника Нп ещё неизвестна, предполагаем что продавливание происходит от дна стакана (рис. 6.3).
Рис.6.3 - Продавливания фундамента по периметру колонны. Тогда требуемая рабочая высота плитной части фундамента
где Высота плитной части должна быть не менее:
Принимаем двухступенчатую плиту с высотой ступени 0,45 м.
Проверяем случай расчета:
где Так как 6.5 Расчет высоты и вылета нижней ступени Высота нижней ступени h1 проверяется расчетом на продавливание, а наибольшая величина С1 max устанавливается расчетом на поперечную силу при отсутствии поперечной арматуры (рис. 6.4). Расчет на продавливание нижней ступени производится из условия:
где
где Здесь
где
Так как
Рис.6.4. К расчету высоты и вылета нижней ступени фундамента.Максимальный вылет нижней ступени С1 max определяем при условии отсутствия поперечной арматуры на ширину b =1м по формуле [3, п.3.31]:
Т.к. 6.6 Расчет арматуры подошвы фундамента Расчет арматуры подошвы фундамента производится из условия изгиба плиты под воздействием реактивного давления грунта в двух направлениях: 1) В плоскости рамы (Рис. 6.5): Сечение 1-1
Изгибающий момент на один метр ширины фундамента:
Рис.6.5 - Расчетная схема работы плиты на изгиб в плоскости рамы. Сечение 2-2
Требуемая площадь арматуры на 1 метр ширины фундамента: в сечении 1-1:
в сечении 2-2:
Шаг стержней принимается равным 250 мм. Принимаем по большему значению 4Æ12 А-II на 1 погонный метр ширины фундамента 2) Из плоскости рамы на 1 погонный метр:
Площадь арматуры на 1 погонный метр длины фундамента.
Принимаем 2Æ10 А-II (1,57 см2 ) на погонный метр длины подошвы (с шагом 500 мм). Таким образом, принята сварная сетка с размерами ячеек 200х500мм из стержней Æ12 AII в направлении действия активного момента и стержней Æ10 AII в поперечном направлении. Так как диаметр арматуры класса AII сетки не превышает 22 мм, в соответствии с [5, п.2.56] проверку ширины раскрытия трещин в плитной части фундамента производить не требуется. 6.7. Расчет подколонника 6.7.1. Расчет продольной арматуры подколонника Рабочая вертикальная арматура устанавливается у коротких граней подколонника (рис. 6.6). Расчет арматуры производится как внецентренно сжатого элемента по усилиям в сечении 1-1 (коробчатое, приводимое к двутавровому) и по усилиям в сечении 2-2 (сплошное прямоугольное).
Рис.6.6 - Вертикальная арматура подколонника Усилия у обреза фундамента по наибольшему ядровому моменту [табл.6,1]: M = -234,5 кНм; N = 873,1 кН; Q = 35,71 кН.. В сечении 1-1:
В сечении 2-2:
Рассчитываем сечение подколонника с симметричной арматурой в сечении с максимальным моментом М= - 266,6 кНм. Предполагаем первый случай внецентренного сжатия: большие эксцентриситеты (
Задаем сечение сжатой арматуры при минимальном проценте армирования
Принимаем 5Æ12 (шаг 200 мм,
Растянутая арматура по расчету не требуется. Конструктивно принимаем 6.7.2 Проверка ширины раскрытия трещин в сечении 2 – 2 подколонника. Определяем необходимость проверки ширины раскрытия трещин в соответствии с [5, п.2.52]. Напряжение по наименее сжатой грани составляет:
Так как напряжений растягивающие, но не превышают 6.7.3 Расчет поперечной арматуры подколонника Под действием момента
Рис.6.7 - Горизонтальная арматура подколонника При расчете у верхнего обреза подколонника [табл. 6.1]: 1) по сочетанию (+М):
Имеем второй случай поворота; 2) по сочетанию (Nmin ):
Имеем третий случай поворота; 3) по сочетанию (-М):
Имеем второй случай поворота; Т.к. в 1-м и 3-м сочетании имеет место второй случай поворота, принимаем к расчету сочетание (-М) (с наибольшим эксцентриситетом е0 =0,27 м): М = 234,5 кНм; N = 873,1 кН; Q = 35,71 кН.
Определение сечения поперечной арматуры класса А-II.
Для третьего сочетания 3-й случай поворота: М = 205,9 кНм; N = 540,73 кН; Q = 41,94 кН.
Т.к. этот момент меньше полученного ранее, сечение каждого стержня в одной сетке:
Принимаем 4 сетки из стержней Æ10AII (0,785×4=3.14 см2
)
Окончательно принимаем 2 сетки из стержней Æ10AII. 6.7.4 Расчет на местное сжатие дна стакана подколонника Расчет подколонника на местное сжатие дна стакана производится в соответствии с [5, п.2.48]. При расчете на местное сжатие дна стакана подколонника без поперечного (косвенного) армирования должно удовлетворяться условие: Nc £ yloc Rb,loc Aloc 1 , [5, (63)] где Nc - расчетная продольная сила в уровне торца колонны, определяемая по [5, п. 2.20]: Nc
= a N=0,868 где a — коэффициент, учитывающий частичную передачу продольной силы N на плитную часть фундамента через стенки стакана и принимаемый равным: a = (1 - 0,4Rbt
Ac
/N) = где Rbt
= 0,75 МПа - расчетное сопротивление бетона замоноличивания стакана и принимается с учетом коэффициентов условий работы gb2
, gb9
(для В15); Ac
= 2(hc
ol
+ bc
ol
)( hc
- 0.05)= yloc
- коэффициент, равный 0,75 при Rb,loc
- расчетное сопротивление бетона смятию, определяемое по формуле: Rb,loc
= jloc
Rb
= где jloc
= Аloc2
= Аloc1
= Rb - призменная прочность бетона подколонника с учетом коэффициентов условий работы gb3 , gb9 ; Nc
= 757,4 £ yloc
Rb,loc
Aloc1
= 0,75 Условие [5, (63)] выполняется, поэтому сетки косвенного армирования ниже дна стакана устанавливать не требуется. Список использованной литературы 1. Я.И.Гуревич, В.А.Танаев Расчет железобетонных конструкций одноэтажного промышленного здания. Учебное пособие для курсового и дипломного проектирования. – Хабаровск, 2001г. 2. СНиП 2.01.07-85* Нагрузки и воздействия / Минстрой России. - М.: ГП ЦПП, 1996.-44 с. 3. СНиП 2.03.01-84* Бетонные и железобетонные конструкции / Минстрой России. - М.: ГП ЦПП, 1996. - 76 с. 4. Байков В.Н., Сигалов Э.Е. Железобетонные конструкции, Общий курс. – 5-е изд., перераб. И доп. - М. СИ; 1991. 5. Пособие по проектированию фундаментов на естественном сновании под колонны зданий и сооружений (к СНиП 2.03.01-84 и СНиП 2.02.01-83) Ленпромстройпроект Госстроя СССР. – М.: ЦИТП Госстроя СССР, 1989. – 112 с. 6. СНиП 23.01-99. Строительная климатология/ Минстрой России. - М.: ГП ЦПП, 1999. - 56 с. |
|||||||||||||||||||||||||||||||||||||||||||||||||||||||||||||||||||||||||||||||||||||||||||||||||||||||||||||||||||||||||||||||||||||||||||||||||||||||||||||||||||||||||||||||||||||||||||||||||||||||||||||||||||||||||||||||||||||||||||||||||||||||||||||||||||||||||||||||||||||||||||||||||||||||||||||||||||||||||||||||||||||||||||||||||||||||||||||||||||||||||||||||||||||||||||||||||||||||||||||||||||||||||||||||||||||||||||||||||||||||||||||||||||||||||||||||||||||||||||||||||||||||||||||||||||||||||||||||||||||||||||||||||||||||||||||||||||||||||||||||||||||||||||||||||||||||||||||









3725 кН
= 1,12 [3, 19]
[3 ,26]

3224 кН
= 1,09

2908 кН
= 1,92 [3, 19]
[3 ,26]
3742 кН
= 1,22 




1413 кН
0,605 [3, (25)],
0,651
0,754
Рис. 5.2 – Сечение верхнего пояса.

117МПа
106МПа.
м,
[3, (148)]

3702 кН




[3, (186)]
мм [3, (11)].
мм [3, (186)],
и
кН;
кН;
кНм;
;
м. 


м,





