Курсовая работа: Анализ прохождения периодического сигнала через LC-фильтр с потерями
|
Название: Анализ прохождения периодического сигнала через LC-фильтр с потерями Раздел: Рефераты по коммуникации и связи Тип: курсовая работа | |||||||||||||||||||||||||||||||||||||||||||||||||||||||||||||||||||||||||||||||||||||||||||||||||||||||||||||||||||||||||||||||||||||||||||||||||||||||||||||||||||||||||||||||||||||||||||||||||||||||||||||||||||||||||||||||||||||||||||||||||||||||||||||||||||||||||||||
Министерство образования Российской ФедерацииТульский государственный университетКафедра РадиоэлектроникиАНАЛИЗ ПРОХОЖДЕНИЯ ПЕРИОДИЧЕСКОГОСИГНАЛА ЧЕРЕЗ LC-ФИЛЬТР С ПОТЕРЯМИ ПОЯСНИТЕЛЬНАЯ ЗАПИСКАк курсовой работе по основам теории цепейТула2004Аннотация В данной курсовой работе с помощью интегрированной среды Mathcad выполнен расчёт: А-параметров фильтра как четырёхполюсника, номинальных величин элементов схемы, коэффициента передачи четырёхполюсника по напряжению, входного и выходного сопротивлений фильтра, входного и выходного напряжений П-образного реактивного фильтра высоких частот после подключения его к ЭДС в виде последовательных импульсов. Курсовая работа состоит из текстовой и графической частей. Графическая часть работы содержит графики АЧХ коэффициента передачи, АЧХ входного и выходного сопротивлений, форму входного и выходного напряжений, выполненных на формате А1. Содержание: 1. Введение 2. Анализ заданной ЭДС 2.1. Разложение функции в ряд Фурье 2.2Поиск ширины спектра ЭДС 3. Расчет номинальных величин элементов 4. Расчет А-параметров схемы ФВЧ 5. Коэффициент передачи 6. Граничные частоты 7. Входное и выходное сопротивления фильтра 8.Расчет формы входного и выходного напряжений 9.Изменение параметров схемы 10. Заключение 11. Список литературы 1.Введение Произошедшая научно-техническая революция затронула все виды деятельности человека даже такие как медицина, наука, сельское хозяйство, а также промышленность. С появлением компьютеров появилась необходимость кадровой переподготовки. Специалисты во всех областях знаний стали осваивать работу на персональном компьютере. Работа на ЭВМ имеет много преимуществ. Самое основное и главное преимущество-быстродействие и точность. Человеку больше не требовалось производить различные вычисления вручную. Ему нужно было только запрограммировать компьютер, а тот за минимальное время все рассчитает. Это позволяло при минимальных затратах времени экономить множество труда и здоровья. При появлении персональных ЭВМ процесс использования новейших знаний и технологий намного улучшился. С помощью специальных программ инженеры могли теоретически (без практических исследований и опытов) проанализировать и рассчитать все интересующие их процессы и явления, происходящие в различных сферах нашей деятельности. Компьютеризация коснулась и инженерную сферу деятельности. На заводах и предприятиях стали вводить автоматические системы, которые стали выполнять работу человека без его непосредственного участия. Это нововведение сэкономило много времени и сил. Но, чтобы эти системы нормально функционировали, нужно было их правильно запрограммировать и задавать им точные данные. Вот почему инженеры изучают различные компьютерные программы, такие как Autoсad, Mathсad, Exel, ElectronicWorkBench, КОМПАС и многие другие. 2. Анализ заданной ЭДС.Задача анализа ЭДС включает в себя следующие пункты: 1) Разложение гармонической функции в ряд Фурье 2) Поиск ширины спектра ЭДС 1.1)
Любую функцию
где
- среднее значение функции за период или постоянная составляющая, называемая иногда нулевой гармоникой спектра.
и
- амплитуды косинусоидальных и синусоидальных составляющих ряда соответственно.
F – циклическая (Гц) частота первой гармоники спектра или основная частота. Т – период повторения функции
Непосредственный анализ эдс по рис.3-10 показывает, что она имеет три участка: 1)Прямая, равная E, лежащая в отрезке времени от 0 до
где Для данной эдс (7) по формулам (2),(3а),(3б) имеем интегральные выражения:
- где Возьмём интегралы используя интегрированную среду Mathcad(далее просто Mathcad). После подстановки пределов интегрирования и алгебраических преобразований получаем выражения
-6.2832 Подставив конкретные значения в формулы (1),(4) получим:
Так как функция чётная получим
Рис.1 График e(t) 1.2) Теоретически спектр периодической функции бесконечен. Однако на практике под шириной спектра понимают диапазон частот Среднюю за период мощность сигнала можно найти по формуле:
- где При использовании ряда Фурье среднюю за период мощность сигнала, переносимою постоянной составляющей и первыми n гармониками, можно найти по формуле
по заданному отношению С помощью Mathcad рассчитаем по формуле (11) полную мощность эдс:
Вычисляя последовательно по формуле (10) амплитуды гармоник и вклад каждой из них в общую мощность, можно найти ширину спектра сигнала.
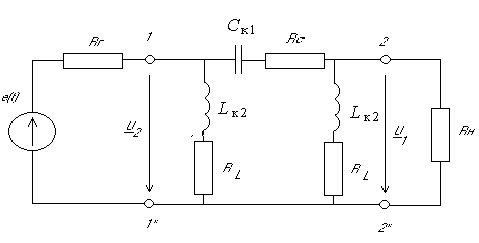
Таким образом, постоянная составляющая и первая гармоника переносят более 90% полной мощности сигнала. Поэтому n=1 и ширину спектра сигнала нужно принять равной nF=1*1,0=1 кГц. 3. Расчет номинальных величин элементовВ задании дана схема П-образного ФВЧ. У данного фильтра в крайних вертикальных ветвях включены индуктивности L2, а в горизонтальной ветви ёмкость С1 . Поэтому ёмкость конденсатора Ск1 равна С1, а индуктивности катушек Lк2 =2L2. Теперь по данным табл. 4.1 необходимо рассчитать частоту среза Теперь следует уточнить частоту среза:
и характеристическое сопротивление На частоте среза
и
у катушки индуктивности. Схема замещения примет следующий вид:
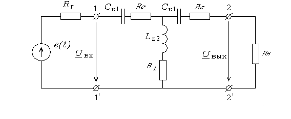
Рис.2 Схема замещения4. Расчет А-параметров схемы ФВЧ. Используя литературу[1], найдем уравнения А-параметров для симметричного П-образного четырехполюсника.
- где После подстановки числовых значений известных величин и расчётов в Mathcad получаем окончательные выражения А-параметров в алгебраической форме:
Вычисляем значения А-параметров на частотах среза: 1)
2)
5. Коэффициент передачиЗависимость коэффициента передача К от частоты имеет вид:
Номинальная величина коэффициента передачи ФВЧ при Построим АЧХ коэффициента передачи на интервале
Рис.3 АЧХ коэффициента передачи Таблица АЧХ коэффициента передачи К:
Построим ФЧХ коэффициента передачи на интервале
Рис.4 ФЧХ коэффициента передачиТаблица ФХЧ коэффициента передачи К:
6. Граничные частоты.Для нахождения граничных частот на заданном уровне затухания (3 и 40 дБ) воспользуемся формулой:
Решая данное уравнение с помощью Mathcad и подставляя значения В1 = 3 дБ и В2 = 40 дБ методом получим:
7. Входное и выходное сопротивления фильтраВходное сопротивление четырехполюсника есть отношение входного напряжения к входному току, или
Следовательно, АЧХ входного сопротивления имеет вид:
Рис.5 АЧХ входного сопротивления. Таблица АЧХ входного сопротивления:
Рис.6 ФЧХ входного сопротивления
Таблица ФЧХ входного сопротивления: Вследствие того, что данный в условии четырехполюсник (ФВЧ) симметричный функция выходного сопротивления будет следующей:
- где Следовательно АЧХ выходного сопротивления имеет вид:
Рис.7 АЧХ выходного сопротивления. Таблица АЧХ выходного сопротивления:
ФЧХ выходного сопротивления будет иметь следующею зависимость от частоты:
Рис.8 ФЧХ выходного сопротивления. Таблица ФЧХ выходного сопротивления:
8.Расчет формы входного и выходного напряжений.Для расчета входного напряжения надо найти его спектр на входном сопротивлении схемы :
- спектр входной эдс (первые 3 гармоники)
Рис.8Спеткр входной ЭДС.
Выполнив расчёты в Mathcad получим спектр выходного напряжения:
- где
Построим график формы входного напряжения:
Рис.9 Форма входного Напряжения Для поиска формы напряжения на выходе схемы нужно найти его спектр на сопротивлении нагрузки. А чтобы получить этот спектр, надо найти коэффициент передачи схемы от точек подключения идеальной ЭДС до точек присоединения нагрузки Zн :
Для получения
Находим коэффициент передачи
- где Таким образом, зная спектр входной ЭДС (f(t)) и представляя коэффициент передачи KE в комплексной форме, можно найти спектр напряжения на выходе:
Рис.10 Форма выходного напряжения9. Изменение параметров схемыВ данном варианте требуется рассмотреть изменение характеристик схемы при изменении величины сопротивления нагрузки. Согласно примечанию к таблице приложения 1величины элементов фильтра и его характеристическое сопротивление останутся прежними. Из выше приведенных формул следует, что изменятся коэффициент передачи, входное напряжение, формы входного и выходного напряжений, поэтому эти характеристики следует рассчитать повторно. 9.1. Коэффициент передачиЗависимость коэффициента передача К от частоты имеет вид:
Номинальная величина коэффициента передачи ФВЧ при
Рис.11 АЧХ коэффициента передачиТаблица АЧХ коэффициента передачи К:
Построим ФЧХ коэффициента передачи на интервале
Рис.12 ФЧХ коэффициента передачиТаблица ФЧХ коэффициента передачи К:
9.2. Граничные частоты.Для нахождения граничных частот на заданном уровне пропускания (3 и 40 дБ) воспользуемся формулой:
Решая данное уравнение с помощью Mathcad и подставляя значения В1 = 3 дБ и В2 = 40 дБ методом получим:
9.3. Входное сопротивление фильтраВходное сопротивление четырехполюсника есть отношение входного напряжения к входному току, или
Следовательно, АЧХ входного сопротивления имеет вид:
Рис.13 АЧХ входного сопротивления. Таблица АЧХ входного сопротивления:
ФЧХ входного сопротивления имеет вид:
Рис.14 ФЧХ входного сопротивления. Таблица ФЧХ входного сопротивления:
9.4.Расчет формы входного и выходного напряжений.Для расчета входного напряжения надо найти его спектр на входном сопротивлении схемы :
- спектр входной эдс (первые 2 гармоники)
Выполнив расчёты в Mathcad получим спектр выходного напряжения:
- где
Построим график формы входного напряжения:
Рис.15. Форма входного сигнала Для поиска формы напряжения на выходе схемы нужно найти его спектр на сопротивлении нагрузки. А чтобы получить этот спектр, надо найти коэффициент передачи схемы от точек подключения идеальной ЭДС до точек присоединения нагрузки Zн :
Для получения
Находим коэффициент передачи
- где Таким образом, зная спектр входной ЭДС (f(t)) и представляя коэффициент передачи KE в комплексной форме, можно найти спектр напряжения на выходе:
Заключение. Таким образом в данной курсовой работе с помощью интегрированной среды Mathcad был выполнен расчёт: А-параметров фильтра как четырёхполюсника, номинальных величин элементов схемы, коэффициента передачи четырёхполюсника по напряжению, входного и выходного сопротивлений фильтра, входного и выходного напряжений П-образного фильтра высоких частот после подключения его к ЭДС в виде последовательных импульсов. Из расчётов и графиков видно что при 1. АЧХ коэффициента передачи в интервале 2. АЧХ входного сопротивления в интервале 3. АЧХ выходного сопротивления в интервале 4. Форма входного и выходного сигнала различаются. Различие имеет место из-за затухания гармоник которые имеют частоты совпадающие с полосой задерживания. При изменении сопротивления нагрузки 1. Форма АЧХ и ФЧХ коэффициента передачи не изменяются, только лишь изменяются их численные значения. 2. С формой и численными значениями АЧХ входного сопротивления повторяется та же ситуация, как и с АЧХ коэффициента передачи. 11. Список литературы.1 Основы теории цепей: Учебник для вузов ⁄ Г.В. Зевеке, П.А. Ионкин, А.В. Нетушил, С.В. Страхов. – 5-е изд., перераб. – М.: Энергоатомиздат, 1989. – 528 с.: ил. 2 Атабеков Г. И. Теоретические основы электротехники. ч. 1. Линейные электрические цепи. – изд. 3-е, перераб. и доп. – М.-Л., Энергия, 1966. – 320 с.: ил. 3 Гоноровский И.С. Радиотехнические цепи и сигналы: Учебник для радиотехнич. вузов и фак-тов. – М.: Сов. радио, 1963. – 696 с.: ил. 4 Кудрявцев Е.М. Mathcad 8. М.: ДМК, 2000. – 320 с.: ил. 5 ГОСТ 2.004-88 ЕСКД. Общие требования к выполнению конструкторских и технологических документов на печатающих и графических устройствах вывода ЭВМ 6 ГОСТ 2.104-68 ЕСКД. Основные надписи 7 ГОСТ 2.105-95 ЕСКД. Общие требования к текстовым документам Министерство образования и науки Российской Федерации ГОУ ВПО Тульский государственный университет КАФЕДРА РАДИОЭЛЕКТРОНИКИосновы теории цепейЗАДАНИЕ НА КУРСОВУЮ РАБОТУСтуденту гр. 220321 _Авдееву Д.Д__ 1. Тема " Прохождение периодического сигнала через реактивный фильтр с потерями" 2. Срок представления курсовой работы к защите 20 мая 2004 г. 3. Исходные данные для проектирования: 3.1. Найдите свой вариант задания на КР, номер которого должен совпадать с двумя последними цифрами номера вашей зачётной книжки. 3.2. Получите формулы для расчёта: 1) А-параметров фильтра как четырёхполюсника, 2) коэффициента передачи четырёхполюсника по напряжению, 3) входного и выходного сопротивлений фильтра, 4) входного и выходного напряжений. 3.3. Рассчитайте, используя интегрированную среду для решения математических задач Mathcad или MATLAB: 1) ширину спектра сигнала, 2) номинальные величины элементов схемы, 3) номинальную величину коэффициента передачи четырёхполюсника, 4) фазочастотную характеристику (ФЧХ) и нормированную относительно номинальной величины коэффициента передачи АЧХ фильтра, 5) граничные частоты полосы пропускания на уровнях затухания 3 и 40 дБ, 6) зависимости модуля (АЧХ) и фазы (ФЧХ) входного сопротивления фильтра от частоты, 7) зависимости модуля (АЧХ) и фазы (ФЧХ) выходного сопротивления фильтра от частоты, 8) форму входного напряжения, 9) форму выходного напряжения фильтра, 10) изменив параметры схемы согласно данным таблицы "б) параметры эдс", повторите вычисления по тем из пунктов 2 ÷ 9, которых коснулись эти изменения, 11) сделайте выводы о влиянии изменившихся параметров на характеристики фильтра. Результаты расчёта по пунктам 4, 6, 7, 8 и 9 выведите как в графической, так и в табличной формах. 4. Форма отчётности: 1) пояснительная записка, 2) графическая часть. 5. Содержание пояснительной записки к курсовой работе: титульный лист – 1 стр., задание на курсовую работу – 1 стр., аннотация (с основной надписью по форме 2 ) – 1 стр., содержание (с основной надписью по форме 2а ) – 1 стр., введение (с основной надписью по форме 2а ) – 1÷2 стр., анализ задания, обзор литературных источников – 2÷4 стр., разработка математических вопросов задания – 15÷20 стр., заключение – 1÷2 стр., список использованной литературы – 1 стр. 6. Графическая часть: схема принципиальная электрическая, графики входной и выходной функций, АЧХ – 1 лист формата А1. Руководитель курсовой работы Л.А. Туманова Задание принял к исполнению. Студент гр. 2203321 __________________ ( ) (Подпись, дата) |
,
, (8)

.

,
, 




ФЧХ входного сопротивления имеет вид:







Построим АЧХ коэффициента передачи на интервале 




