Реферат: Обеспечение безопасности жизнедеятельности работающих в механическом цехе
|
Название: Обеспечение безопасности жизнедеятельности работающих в механическом цехе Раздел: Рефераты по безопасности жизнедеятельности Тип: реферат | ||||||||||||||||||||||||||||||||||||||||||||||||||||||||||||||||||||||||||||||||||||||||||||||||||||||||||||||||||||||||||||||||||||||||||||||||||||||||||||||||||||||||||||||||||||||||||||||||||||||||||||||||||||||||||||||||||||||||||||||||||||||||||||||||||||||||||||||||||||||||||||||||||||||||||||||||||||||||||||||||||||||||||||||||||||||||||||||||||||||||||||||||||||||||||||||||||||||||||||||||||||||||||||||||||||||||||||||||||||||||||||||||||||||||||||||||||||||||||||||||||||||||||||||||||||||||||||||||||||||||||||||||
![]()
24
23 МОПО РФ ТГТУ Кафедра БЖЭ ПОЯСНИТЕЛЬНАЯ ЗАПИСКА к курсовой работе по безопасности жизнедеятельности на тему «Обеспечение безопасности жизнедеятельности работающих в механическом цехе» Вариант 16 Автор работы ______________________________Сидоров Р.Г. Направление 551700 «Электроэнергетика» Специальность 100400 «Электроснабжение». Обозначение курсовой работы КР группа ЭС-0797Руководитель работы________________________ Бережной С.А. Работа защищена________________ оценка _________________ Подпись________________________ г. Тверь, 2000 МОПО РФ ТГТУ Кафедра БЖЭ ЗАДАНИЕ НА КУРСОВУЮ РАБОТУ Студент Сидоров Р.Г. группа ЭС-0797 Тема «Обеспечение безопасности жизнедеятельности работающих в механическом цехе». Срок представления работы «27» марта 2001г. Исходные данные по варианту № 16. Содержание пояснительной записки курсовой работы: Идентификация возможных поражающих, опасных и вредных факторов в цехе и вне его. Выбор методов и средств обеспечения безопасности жизнедеятельности работающих в механическом цехе. Расчетно-конструктивные решения по основным СКЗ (освещение, зануление и молниезащита) работающих цеха при нормальном и аварийном режимах его работы. Основные мероприятия по электробезопасности, охране окружающей среды, предупреждению аварий и пожаров в цеховых ЭУ и ликвидации последствий ЧС. Перечень графического материала – три ватманских листа форматом А4 со схемой размещения светильников, щитков и указателей выходов, проектируемой системой зануления ЭУ и молниезащитой здания цеха. Руководитель работы________________________________Бережной С.А. Задание принял к исполнению__________________________Сидоров Р.Г. СОДЕРЖАНИЕ. Стр. Введение 4Аналитико-расчетная часть 5 Идентификация возможных поражающих, опасных и вредных факторов в цехе и вне цеха 5 Выбор методов и средств обеспечения БЖД работающих в цехе 7 Расчетно-конструктивные решения по основным СКЗ работающих цеха при нормальном и аварийном режимах его работы 9 Проектирование искусственного (рабочего и аварийного) освещения для основного производственного помещения цеха 9 Проектирование сети зануления ЭУ цеха 13 Проектирование молниезащиты для здания цеха 15 Основные мероприятия по электробезопасности, охране ОС, предупреждению аврий и пожаров в цеховых ЭУ и ликвидации последствий ЧС 17 Организационные и технические мероприятия по электробезопасности при эксплуатации и ремонте цеховых ЭУ 17 Мероприятия по охране ОС 17 Мероприятия по предупреждению аварий и пожаров в цеховых ЭУ и ликвидации последствий ЧС в цехе 17 Заключение 19 Библиографический список 20 Приложение 1. Конструктивные решения по искусственному освещению цеха 21 Приложение 2. Схема зануления ЭУ цеха и результаты его проверки 22 Приложение 3. Конструктивные решения по молниезащите цеха___ 23 Введение Жизнедеятельность — это способ существования или повседневная деятельность человека. В процессе своей жизнедеятельности любой человек постоянно взаимодействует со средой обитания. Последняя – это окружающая человека среда в процессе его деятельности, обусловленная совокупностью физических, химических, биологических, психофизиологических и социально-экономических факторов, способных оказать прямое или косвенное, немедленное или отдаленное воздействие на деятельность человека, его здоровье и потомство. Основными средами обитания человека являются производственная среда, городская среда или среда населенных мест, бытовая или жилая среда и природная среда (ПС). Оптимальное взаимодействие человека со средой обитания возможно, если будут обеспечены комфортность среды, минимизация негативных воздействий и устойчивое развитие системы “человек – среда обитания – машина – чрезвычайная ситуация”. Изучением элементов, составляющих эту систему, и явлений, происходящих в ней занимается безопасность жизнедеятельности (БЖД) – наука о комфортном и безопасном взаимодействии человека со средой обитания. Ее основная задача состоит в сохранении работоспособности и здоровья человека, выборе параметров состояния среды обитания и применении мер защиты от негативных факторов естественного и антропогенного происхождения. Основной целью изучения БЖД является приобретение теоретических знаний и практических навыков, необходимых для: создания оптимального состояния среды обитания в зонах трудовой деятельности и отдыха человека; идентификации (распознавание и количественная оценка) опасных и вредных факторов среды обитания естественного и антропогенного происхождения; разработки и реализации мер защиты человека и среды обитания от негативных воздействий (опасностей); проектирования и эксплуатации техники, технологических процессов и объектов народного хозяйства (ОНХ) в соответствии с требованиями по безопасности и экологичности; обеспечения устойчивости функционирования ОНХ и ТС в штатных и чрезвычайных ситуациях; прогнозирования развития и оценки последствий ЧС; принятия решений по защите производственного персонала и населения от возможных последствий аварий, катастроф, стихийных бедствий и применения современных средств поражения, а также принятия мер по ликвидации их последствий. В ходе курсовой работы мы проведем исследование методов и средств обеспечения БЖД работников механического цеха. Эта проблема представляется особенно актуальной и значимой для студентов специальности ЭС, как будущих инженеров-энергетиков, решивших связать свою профессиональную деятельность с конструированием и использованием ЭУ. В соответствующих разделах курсовой работы мы рассмотрим требования к рабочим помещениям цехов, особенности организации рабочего места (РМ) рабочего цеха, попытаемся выявить вредные и опасные факторы, влияющие на человека и окружающую среду в процессе работы в цехе, дадим рекомендации по борьбе с подобными факторами. Разработаем сеть зануления цеховых ЭУ и предложим возможный проект молниезащиты цеха. Ниже приведен пример расчета по данному варианту.
I . Аналитико - расчетная часть. Идентификация возможных поражающих, опасных и вредных факторов в цехе и вне цеха. 1.1 Перечень поражающих опасных и вредных факторов, действующих на рабочих цеха в нормальном режиме движущиеся машины и механизмы подвижная часть производственного оборудования передвигающиеся изделия, заготовки и материалы повышенная температура поверхностей оборудования повышенная температура рабочих зон повышенная загрязненность, загазованность рабочей зоны повышенный уровень шума на рабочих местах повышенный уровень вибрации отсутствие или недостаток естественного освещения острые крошки, заусенцы и шероховатости на поверхности инструментов, заготовок, оборудовании и механизмов расположение рабочего места на значительной высоте относительно поверхности земли ( пола ) физические нагрузки перемещение грузов как в горизонтальной, так и в вертикальной плоскостях нервно психическая и психологическая нагрузки 1.2 Перечень опасных, вредных и поражающих факторов, воздействующих на рабочих цеха в аварийном режиме разрушающие строительные конструкции падение грузов недостаточная освещенность рабочей зоны пониженная контрастность повышенная яркость повышенная мощность светового потока повышенный уровень инфракрасного и ультрафиолетового излучений повышенный уровень электромагнитных излучений повышенное значение напряжения в электрической цепи повышенная напряженность электромагнитного поля пониженная температура воздуха рабочей зоны
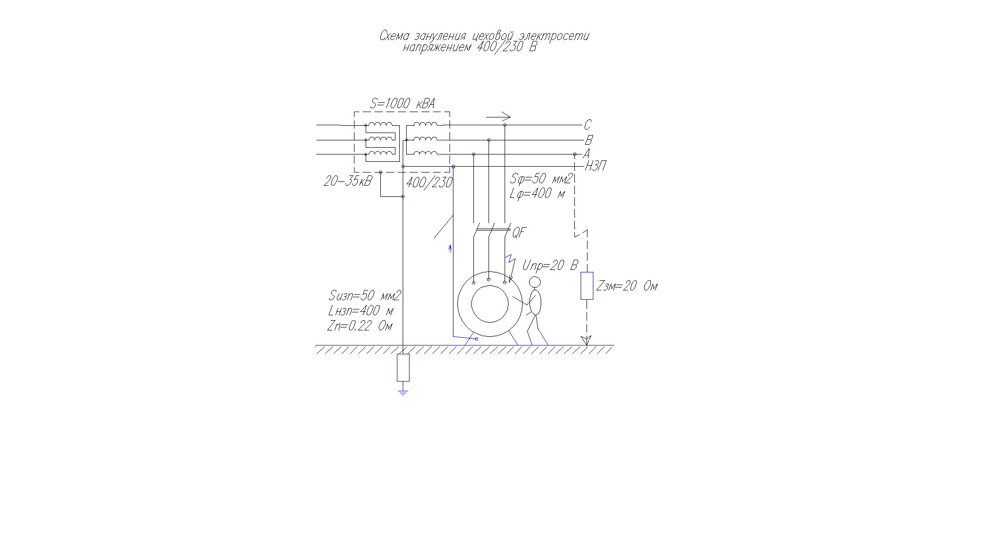
пониженная и повышенная подвижность воздуха повышенная температура рабочей зоны химические факторы биологические факторы психофизические факторы Химические факторы подразделяются по характеру воздействия на организм человека: токсические раздражающие по пути проникновения в организм человека через органы дыхания через кожные покровы и слизистые оболочки Биологические факторы подразделяются по характеру воздействия на организм человека: микроорганизмы и продукты их жизнедеятельности макроорганизмы (растения и животные) Психофизиологические факторы подразделяются по характеру воздействия на организм человека: статические физические перегрузки динамические перегрузки умственное перенапряжение перенапряжение анализаторов монотонность труда эмоциональные перегрузки 1.3 Перечень возможных опасных и вредных производственных факторов свойственных ЭУ и ЭО цеха. движущиеся механизмы и оборудование недостаточная освещенность рабочей зоны повышенная яркость света повышенная пульсация светового потока повышенный уровень ионизирующих излучений повышенное значение напряжения электрической цепи повышенный уровень электромагнитных излучений повышенная напряженность электрического и магнитного поля II . Выбор методов и средств обеспечения безопасной жизнедеятельности работающих в цехе. Существуют три основных метода: А – метод использующий пространственное и (или) временное разделение гомосферы (пространство, где находится человек в процессе рассматриваемой деятельности) и ноносферы (пространство, в котором постоянно существуют или периодически возникают опасности). Это достигается при механизации или автоматизации производственных процессов, дистанционном управлении оборудованием, использовании манипуляторов и роботов различных поколений. Б – меод направленный на нормализацию ноносферы путём исключения опасностей и на приведение характеристик ноносферы в соответствии с характеристиками человека. Это совокупность мероприятий, защищающих человека от шума, вибраций, газа, пыли, опасности травмирования и т. д. С помощью СКЗ. В – метод направленный на адаптацию человека к соответствующей среде и повышение его защищённости (с помощью СИЗ). Он реализуется путём профотбора, обучения, инструктирования, психологического воздействия и т. д. В нашем цехе применяются методы Б и В, а также частично – А (дистанционное управление, например окрасочный цех, освещение). Средства коллективной защиты работающих от воздействия механических воздействий: оградительные устройства (кожухи, двери, щиты, планки и др.) предохранительные устройства тормозные устройства устройства автоматического контроля и сигнализации устройства дистанционного управления Средства индивидуальной защиты от механических факторов - рабочая одежда, очки, рукавицы, каска. Защита от шума: СИЗ - ушные пробки, наушники, шлемы СКЗ - звукоизоляция, звукопоглащение, звукоглушение Защита от вибрации. СКЗ - виброгашении, виброизоляции Защита от запыленности и загазованности СКЗ - вентиляция и кондиционирование СИЗ - респираторы , маски и противогаз Обеспечение электробезопасности в ЭУ и на рабочем месте Конструкцией ЭУ и ЭО все электротехнические изделия по способу защиты человека от поражения электротоком подразделены на 5 классов защиты : 0 ; 0I ; I ; II ; III Технические способы и средства защиты от случайного прикосновения к токоведущим частям применяются : защитные оболочки защитные ограждения безопасное расположение токоведущих частей изоляция токоведущих частей и рабочих мест малое напряжение ( не более 42 В ) защитное отключение предупредительная сигнализация блокировка и знаки безопасности механическое запирание приводов включения ЭУ и ЭО От прикосновения к металическим не токоведущим частям ЭУ и ЭО , которое может оказаться под напряжением в результате повреждения электроизоляции: зануление защитное заземление выравнивание потенциала защитное отключение изоляция токоведущих частей электрическое разделение сети малое напряжение контроль изоляции применение С.И.З. Технические способы и средства защиты человека от электромагнитного поля: уменьшение напряженности плотности потока энергии ЭМП экранирование рабочих мест удаление рабочих мест от источника ЭМП рациональное размещение в цехе оборудования ЭМП установление рациональных режимов работы оборудования и обслуживающего персонала применение предупредительной сигнализации применение С.И.З. Технические способы и средства защиты зданий и сооружений от разрядов и воздействий атмосферного электричества: молниеотводы ЗУ определенных конструкций, к которым присоединяются оборудование и металлические конструкции для ограничения перенапряжений на них; от электромагнитной индукции и запаса высокого потенциала перемычки в местах сближения металлических коммуникаций. К работе в ЭУ допускаются лица не моложе 18 лет, прошедшие инструктаж, обучение и стажировку безопасным методам труда, проверку знаний, правил ТБ , ТЭ, ПБ , а также должностных инструкций и инструкций по охране труда - в соответствии с занимаемой должностью и присвоением соответствующей группы по электробезопасности и прошедших медосмотр. Для безопасного проведения работ должны выполняться следующие организационные мероприятия: назначение лиц, ответственных за безопасное проведение работ выдача наряда или распоряжения выдача разрешения на подготовку рабочего места и на допуск подготовка рабочего места и допуск надзор при выполнении работ перевод бригады на другое рабочее место оформление перерывов в работе и ее окончания Для подготовки рабочего места при работе , требующей снятия напряжения, должны быть выполнены в указанном порядке следующие технические мероприятия: проведены необходимые отключения и приняты меры, препятствующие ошибочному или самопроизвольному включению коммутационной аппаратуры вывешены запрещающие плакаты на приводах ручного и на ключах дистанционного управления коммутационной аппаратурой проверено отсутствие напряжения на токоведущих частях ,которые должны быть заземлены для защиты людей от поражения электротоком установлено заземление (включены заземляющие ножи, установлены переносные заземления) ограждены при необходимости рабочие места или оставшиеся под напряжением токоведущие части и вывешены на ограждениях соответствующие плакаты. В зависимости от местных условий токоведущие части ограждаются до или после их заземления III. Расчетно-конструктивные решения по основным СКЗ работающих цеха при нормальном и аварийном режимах его работы. 3.1. Проектирование искусственного (рабочего и аварийного) освещения для основного производственного помещения цеха. Через глаза человек получает около 90% всей информации. Качество ее поступления во многом зависит от освещения. При неудовлетворительном освещении человек напрягает зрительный аппарат, что ведет к утомлению зрения и организма в целом. Одновременно человек теряет ориентацию среди оборудования, что повышает опасность его травмирования. По функциональному назначению освещение подразделяется на: рабочее освещение (естественный и искусственный свет); аварийное освещение (искусственный свет); эвакуационное освещение (искусственный свет); дежурное освещение (искусственный свет). В зависимости от источника света освещение может быть: естественным (создается солнечным диском диффузионным светом небосвода); искусственным (создается электролампами); совмещенным (естественное + искусственное). Искусственное освещениеИскусственное освещение применяется в темное время суток и в помещениях, где нет естественного освещения. По конструктивному исполнению оно подразделяется на: общее (равномерное или локализованное); комбинированное (общее + местное). Одно местное освещение в производственных помещениях не допускается. Источниками искусственного света являются лампы накаливания (ЛН) и газоразрядные лампы (ГРЛ). Выбор искусственных источников света производят по приложению 6 СНиП 2-4-79 в зависимости от характера зрительной работы и цветоразличению. При этом в помещениях без или с недостаточным естественным освещением (КЕО < 0.1…0.3%) применяют ультрафиолетовые лампы для компенсации солнечной недостаточности. ЛН и ГРЛ с пускорегулирующим аппаратом заключаются в специальную арматуру, предохраняющую глаза от действий ярких частей лампы, обеспечивающую требуемое распределение светового потока и предохраняющую лампу от перегревания, осевшей пыли и влаги, механических повреждений. Такая арматура с источником света составляет светильник. Уровень освещенности нормируется СНиП 2-4-79 раздельно для различных помещений, мест работы вне зданий, и наружного освещения городов, поселков и пунктов. Для производственных помещений при этом устанавливается рабочая (ГРЛ) минимальная освещенность (Еmin) в зависимости от точности зрительной работы и системы освещения. Для искусственного освещения также предусмотрено восемь разрядов зрительной работы, но первые пять разрядов разделены на четыре подразряда (а, б, в, г) в зависимости от соотношений “контраст объекта различения с фоном – характеристика фона”. При использовании ЛН рабочую освещенность по СНиП 2-4-79 следует снижать по шкале освещенности на 1 или 2 ступени в зависимости от системы освещенности и разряда зрительных работ. Она не должна превышать 300 лк. Аварийное освещение Аварийное освещение необходимо для продолжения работы временном погасании рабочего освещения в помещениях, когда отсутствие искусственного освещения может вызвать тяжелые последствия для людей, технологических процессов, оборудования и предприятия в целом. При аварийном освещении освещенность (ЕА) должна быть не ниже 5% от рабочей общей освещенности, но не менее 2 лк внутри здания (но и не более 30 лк) и не менее 1 лк для площадок предприятия. При освещенности в здании более 30 лк (ГРЛ) и более 10 лк (ЛН) требуется обязательное обоснование аварийного освещения. Задание №1.2.2. Рассчитать методом светового потока потребное количество светильников с ЛН и ГЛ для общего освещения производственного помещения по исходным данным, выбрать экономически целесообразную осветительную установку и расположить светильники на плане помещения. При этом высота светильника от потолка hc – 0,4 м; высота рабочей поверхности от пола hp – 0,8м; коэффициент отражения света от потолка ρп = 50%, от стен ρст = 30%, и от рабочей поверхности ρр = 10%. Исходные данные: Помещение – ремонтно-механический цех Разряд и подразряд зрительных работ – V б. Минимальная освещенность - Еmin=150 лк Размеры помещения – 24 х 12 х 4,2 м Тип светильника – Астра/С2ДРЛ Тип ламп – ЛН со светильниками Б-100 – ГЛ со светильниками ДРЛ125 Расчет по заданию: 1. Определяем высоту подвеса светильника над рабочей поверхностью, м 2. Вычислим освещаемую площадь помещения, м2 3. Для расчета освещения методом светового потока вычисляем индекс помещения 4. С учетом i, коэффициентов отражения п, с, р и определенного выше условного номера группы светильника, находим коэффициент светового потока (%) по таблице 5.3…5.10 книги [10]. для ЛН – = 60 для ГЛ – η = 73 5. По таблице 4.4 (ЛН) и 4.25 (ДРЛ) книги [4] находим световой поток заданной лампы, Фл, лм Для ЛН Б-100 Фл=1540 лм, а для ГЛ ДРЛ125 Фл=6000 лм . Определяем потребное количество светильников, шт Для ЛН: Для ГЛ: где К=0.8…0.9 - коэффициент затенения для помещений с фиксированным положением работающего, Кз – коэффициент запаса устанавливаемый по таблице 3 СНиП II-4-79 [5]; Z – коэффициент неравномерности освещения (по СниП II-4-79 [5] для зрительных работ IV-VII разрядов ZЛН = 2, ZЛЛ = 1.5); ni – число ламп в светильнике (1); 6. Определяем экономическую эффективность проектируемых осветительных установок с ЛН и ГЛ. Для этого определяем суммарные затраты С (капитальные + основные эксплуатационные затраты), руб., на эти установки по формуле: С∑ =Су*Р∑ + Ск*Р∑*Т*Кисп, где Су – стоимость установки 1 кВт осветительного оборудования, руб.; Р∑ - расчетная суммарная мощность осветительной установки, кВт, равная произведению величин Nс и заданной мощности соответственно для ЛН и ГЛ, деленное на 1000; Ск стоимость 1 кВт*ч, руб.; Т – время работы установки в течение года (365*24=8760), ч; Кисп– среднее значение использования осветительной установки в течение года (принимают равным 0,6). В упрощенном современном виде формула принимает вид: Для ЛН С∑ЛН = 255Р∑ Ки ; Для ГЛ С∑ГЛ = 405Р∑ Ки , Где Ки коэффициент индексации принимаем равным 10 с учетом деноминации (по данным СМИ в 1996 г. он был равен 10000). Р∑ЛН= 90 100/1000=9 (кВт), Р∑ГЛ= 21 125/1000=2,63 (кВт), С∑ЛН = 255 9 10= 22950 (руб.), С∑ГЛ = 405 2,63 10=10631,25 (руб.) С∑ГЛ < С∑ЛН, следовательно экономически более эффективна осветительная установка с ГЛ, поэтому ее и принимаем за основу. На третьем этапе разрабатываем рациональную схему равномерного размещения светильников в производственном помещении. По таблице 9.5 книги [4] найдем тип кривой силы света (КСС) светильника. КСС –Д-2 Найдем значение λ в зависимости от КСС по таблице 1.1 [4]: λ = 1 Расстояние, м, между светильниками и рядами этих светильников определим по формуле: L = λ h = 3 1,2 = 3 м Оптимальное расстояние lк, м, от крайнего ряда светильников или от крайнего светильника до стен устанавливается 0,5 L: Рабочие места у стен отсутствуют (в помещении размером 2412 м2 рабочие места можно разместить и не устанавливая их у стен), рассчитаем минимальное расстояние рядов от стен: lк = 0,5 3 = 1,5 м. Определим количество суммарную длину ряда светильников, [м]: Т. к. суммарная длинна ряда светильников выше чем длинна помещения (24 м), то светильники необходимо располагать в несколько рядов Определим количество рядов светильников: Получаем 3 ряда с учетом отступа от стен. Определим кол-во светильников в ряду: Определим фактическую освещенность, лк, по формуле: Еф > Emin, 153,2 > 150 Определим потребное количество светильников, шт., для аварийного освещения по формуле (Emin = 0,5 лк.). По результатам светотехнического расчета оформим план размещения осветительной установки в помещении (см. Приложение 1) Полученное количество совпадает с расчетным, следовательно система освещения не требует коррекции. Для увеличения экономической эффективности освещения можно снизить кол-во используемых ламп. Это можно сделать двумя способами: Уменьшить высоту свеса светильников; Применить местное освещение. Увеличить мощность используемых светильников. Применение местного освещения на рабочих местах с ЭВМ неудобно, из соображений комфортности. Поэтому для уменьшения кол-ва светильников придется или увеличивать мощность светильников (и/или применить светильники с большим кол-вом ламп в светильнике). Аварийное освещение: 5% от искусственной освещенности это 20лк, что не менее 2 и не более 30 лк. Соответственно 5% светильников искусственное освещения и составят аварийное освещение т.е. 2 светильника составят блок аварийного освещения. Вывод: 21 светильников типа ДРЛ-125 обеспечат необходимый уровень искусственное освещения и 1 светильника того же типа обеспечат необходимый уровень аварийного освещения. 3.2. Проектирование сети зануления ЭУ цеха. Зануление – это преднамеренное электросоединение с нулевым защитным проводником (НЗП), который многократно заземлен и соединен с глухозаземленной нейтралью трансформатора, металлических нетоковедущих частей ЭУ или другого ЭО, которые могут оказаться под U. Зануление ЭУ следует выполнять при напряжении 380 В и выше ~ тока и 440 В и выше = тока во всех ЭУ. Занулению подлежат: корпуса ЭУ, приводы электрических аппаратов; вторичные обмотки измерительных трансформаторов; каркасы РП и щитов; металлические конструкции РУ и части электрических линий; металлические корпуса передвижных и переносных ЭУ; ЭУ, размещенные на движущихся частях станков, машин и механизмов. Задание №7.2.1. Рассчитать отключающую способность проектируемого зануления ЭУ цеха и определить потребное сопротивление ЭУ нейтрали трансформатора, если известно, что электропитание осуществляется по трехжильному кабелю от сухого трансформатора с вторичным напряжением 400/230 В; для защиты ЭД с короткозамкнутым ротором установлены плавкие предохранители с кратностью тока 4; в кабеле использованы медные жилы. Исходные данные: Трансформатор: - мощность S = 1000 кВА; соединение обмоток Y/Y0; напряжение на высокой стороне 20-35 кВ; Номинальная мощность ЭД Рд = 125 кВт; Длина проводов lп = 400 м. Расчет по заданию: Сечение фазных проводов по току нагрузки зануляемой ЭУ. Ток нагрузки Iд.(А),электродвигателя где Uн = 400 В - номинальное линейное напряжение; Сosφ=0,93 - коэффициент мощности эл. двигателя; ηд = 0,92 - кпд эл. двигателя. Расчетный ток плавкой вставки где Iп. - пусковой ток По величине Iпв - принимаем проектный ток ПВ и выбираем плавкий предохранитель ПН-2-600 с номинальным током ПВ 500А. Сечение фазных проводов через экономическую плотность тока jфп По таблице 1.3.5 книги [11] выбираем сечение фазных проводов Sфп = 95 мм2, а допустимый ток I=175 A. Требуемый по ПУЭ [11] ток однофазного кз: Сопротивление петли "фаза-нуль": где Rф = ρ ∙ ln/Sф = 0,018∙400/95 = 0,076 Ом - активное сопротивление фазного проводника; Rнзп - активное сопротивление нулевого защитного проводника; Хф - внутреннее сопротивление фазного проводника; Хнзп - внутреннее индуктивное сопротивление Н.З.П.; Хп - внешнее индуктивное сопротивление. В качестве Н.З.П. выберем жилу кабеля сечением: Sизп 0,5∙Sфп 0,5∙95 = 47,5 мм2, (по таблице 1.3.5 книги [11] принимаем Sизп = 50 мм2) тогда: Rнзп = 0,018∙400/50 = 0,144 Ом, а величинами Хнзп , Хп и Хф - пренебрегаем из-за их малых величин: Фактический ток при однофазном коротком замыкании Iфкз где, Zт/3 - полное сопротивление трансформатора = 0,009 Ом по таблице 7.3 [6] для сухих трансформаторов; Uф – фазное напряжение. Полученное значение Iф кз = 1040 А сравниваем с Iткз = 2000 А Iфкз< Iткз - условие не выполняется, следовательно, нужно вместо предохранителя нужно применить автомат с кратностью тока 1.25, тогда: Iфкз< Iткз - условие выполняется следовательно отключающая способность конструируемого заземления обеспечена. Потребное сопротивление ЗУ нейтрали трансформатора : где Rзм - сопротивление замыкания фазы на землю (Rзм 20 Ом); Uпр.доп = 20 В - предельно допустимое напряжение прикосновения, выбирается по таблице 2 книги [12]; Rо = 0,19 Rн о = 4 Ом - условие выполняется. Конструктивное решение по результатам расчета. Таким решением является схема зануления цеховой электросети 400 / 230 В для конкретного электродвигателя с расчетными данными по заданию №7.2.1. ПУЭ при организации проектного зануления рекомендует: Присоединение нейтрали генератора, трансформатора на стороне до 1кВ к заземлителю или ЗУ при помощи зануляющего проводника сечением не менее 2,5 мм2 для алюминиевого изолированного проводника, ЗУ располагается в непосредственной близости от генератора или трансформатора. Его сопротивление в любое время года не должно превышать 4Ом. Присоединение зануляемых частей ЭУ или других установок к глухозаземленным нейтральной точке, выводу или средней точке обмоток источника тока при помощи НЗП. Его проводимость должна быть не менее 50% проводимости вывода фаз. Этот проводник должен быть выполнен: А) при выводе фаз шинами – шиной на изоляторах; Б) при выводе фаз кабелем – жилой кабеля. В кабелях с алюминиевой оболочкой допускается использовать ее в качестве НЗП вместо четвертой жилы. 3.3.Проектирование молниезащиты для здания цеха. ЗАДАНИЕ: Спроектировать молниезащиту цеха при этом ввод электрического питания, телефона, радио выполнен кабелем. Исходные данные: Размер цеха, м - 1005010; Класс зоны по ПУЭ помещения – В-1г(ГСМ); Степень огнеопасности здания – I; Место нахождения объекта – Тверская область; Тип фундамента – Свайный ж/б; Влажность грунта, % - 10…15. Найдем по таблице 8.1 [1] категорию по молниезащите Среднегодовая продолжительность гроз: nи = 40-60 (50) часов в год, число ударов на 1км2 = 4. Категория молниезащиты - II. Определим ожидаемое количество - N - молнией цеха в год для здания прямоугольной формы где S - ширина, L -длина, h - высота, n - среднегодовое число ударов молнией в 1 км (2) земной поверхности по [1]. Тип зоны защиты при использовании стержневых молниеотводов - зона Б. По найденной категории молниезащиты объекта определяем требования по ее устройству. РД 34.21.122 - 86 книги [13] - устанавливает следующее здание II - категории по молниезащите должно защищено от прямых попаданий молнии и её вторичных проявлений, заноса высокого потенциала через металлические конструкции. Тип молниеприемника - 2-х стержневой, установленный на здании цеха (состоящий из молниеприемника, опоры, токоотвода и заземлителя). Задаемся высотой молниеотвода и расчитываем зоны защиты в соответствие с выбранной схемой расположения: Принимаем количество молниеотводов = 6, высота молниеотвода Н = 27 м, Зона защиты Б. Расстояние между молниеотводами L0 = 50 м: h0 = 0.92 H = 0.92 27 = 24.8 м, r0 = 1.5 H = 1.5 27 = 40.5 м, rx = 1.5 (H - hx / 0.92) = 1.5 (27 – 10/0.92) = 24.2 м. Для парных молниеотводов при n L 6h: hc = h0 – 0.14 (L - H) = 24.8 – 0.14 (50 - 27) = 21.6 м, rcx = r0 (hc - hx)/hc = 40.5 (21.6 - 10)/21.6 = 21.8 м. Теперь проводим расчет при расстояние между молниеотводами L0 = 70.7 м (для угловых молниеотводов hc = h0 – 0.14 (L - H) = 24.8 – 0.14 (70.7 - 27) = 18.7 м, rcx = r0 (hc - hx)/hc = 40.5 (18.7 - 10)/18.7 = 18.9 м. Спроектированный молниеотвод обеспечивает полную защиту цеха от прямого удара молнии. Далее выбираем конструкцию молниеприемника, токоотвода, заземлителя с учетом требований РД 34.21.122 – 86 п.п.3.1....3.8 [13]: Опоры отдельно стоящих молниеотводов могут выполняться из стали любой марки, ж/б или дерева. Стержневые молниеприемники должны быть изготовлены из стали любой марки сечением не менее 100 мм2 и длинной не менее 200 мм и защищены от коррозии оцинкованием, лужением или окраской. Тросовые молниеприемникидолжны быть выполнены из стальных многопроволочных канатов сечением не менее 35 мм2. Соединение молниеприемников с токоотводами и токоотводов с заземлителями должны выполняться сваркой, а при недопустимости огневых работ разрешается выполнение болтовых соединений с переходным сопротивлением не более 0,05 Ом при обязательном ежегодном контроле последнего перед началом грозового сезона. Токоотводы, соединяющие молниеприемники всех видов с заземлителями, следует выполнять из стали. При установке молниеотводов на защищаемом объекте и невозможности использования в качестве токоотводов металлических конструкций здания токоотводы должны быть проложены к заземлителям по наружным стенам здания кратчайшими путями. Допускается использование любых конструкций ж/б фундаментов зданий и соружений в качестве естественных заземлителей молниезащиты. Опоры стержневых молниеотводов должны быть расчитаны на механическую прочность как свободно стоящие конструкции, а опоры тросовых молниеотводов – с учетом натяжения троса и действия на него ветровой и гололедной нагрузок. И принимаем решение по защите от вторичных проявлений молнии и по заносу высокого потенциала через различные металлические конструкции цеха. Молниеотвод — 2-х стержневой, в качестве его заземлителя используем стальную арматуру, диаметром 120 мм2, токоотвод круглыйс диаметром 70 мм2, или используем металлические конструкции цеха, но при условии обеспечения непрерывной металлической и электрической связи в соединениях конструкций и арматуры с молниеприемниками и заземлителями. Данные соединения выполнить сваркой. Основные мероприятия по электробезопасности, охране ОС, предупреждению аврий и пожаров в цеховых ЭУ и ликвидации последствий ЧС. 4.1.Организационные и технические мероприятия по электробезопасности при эксплуатации и ремонте цеховых ЭУ К работе с ЭУ допускают лиц не моложе 18 лет и прошедших инструктаж и обучение по безопасным методам труда, проверку знаний ПТБ и инструкций в соответствии с занимаемой должностью применительно к выполняемой работе с присвоением соответственной группы по элекртобезопасности. ПТБ установлено пять групп с последующей проверкой знаний ПТБ. Эксплуатацию электросетей и ЭУ может осуществлять только ЭТП с группой не ниже II. При выполнении работ в ЭУ должны строго соблюдаться мероприятия, устанавливаемые ГОСТ 12.1.019-79 и ПТБ. Первым является назначение лиц, ответственных за организацию и безопасность производственных работ; организация надзора за проведением работ; осуществление допуска к производственным работам; оформление окончания работы, перерывов в работе. При выполнении работ в ЭУ со снятием напряжения мероприятиями являются: отключение ЭУ от источника питания; проверка отсутствия напряжения; заземления фаз; механическое запирание приводов коммутационных приборов и аппаратов; снятие предохранителей; отсоединение концов питающих линий и др. мероприятия, исключающие случайную возможность подачи напряжения к месту работы; заземление токоведущих частей; ограждение рабочего места и оставшихся под напряжением токоведущих частей, к которым возможно приближение или прикосновение в процессе работы. Порядок их реализации зависит от вида выполняемых работ в ЭУ. Мероприятия по охране ОС При выборе данных мероприятий используют следующие принципы: создание системы для рационального природопользования. предупреждение недопустимых уровней загрязнения ОС. При охране ОС от загрязняющих веществ используются уменьшение массы выбросов, различные методы очистки выбросов, защита расстоянием и рассеиванием. Основные мероприятия по рациональному использованию земельных ресурсов: целесообразное планирование и распределение земель по отраслям народного хозяйства. Утилизация промышленных и бытовых отходов. Восстановление земель после прекращения их промышленного использования. Введение безотходных технологий. Т.о. основные мероприятия по охране ОС можно разделить на 4 группы: Рациональное использование ОС. Восстановление ОС. Очистка и утилизация отходов. Внедрение безотходных технологий производства. 4.3. Мероприятия по предупреждению аварий и пожаров в цеховых ЭУ и ликвидации последствий ЧС в цехе Пожаро- и взрывобезопасность обеспечивается комплексом противопожарных, организационных, инженерно-технических мероприятий и средств при эксплуатации ЭУ. Исходя из условий ЧС в цехе, информации о ней определяют перечень и объем выбранных мер и способов борьбы с ЧС и защиты людей.СНАВР выполняется независимо от времени суток и погодных условий до полного завершения всех работ. Для быстрого введения в очаг возгорания необходимых сил и средств спасателей в его направлении выдвигаются разведывательные звенья и звенья по локализации ЧС. До прихода спасателей разведгруппы определяют наличие и характер СДЯВ, степень пожаров, осматривают места скопления людей, намечают пути подхода спецтехники. Полученные данные передаются руководителю по ликвидации ЧС. С начала и в ходе ведения СНАВР организуются необходимые виды обеспечения и ведется постоянный контроль за очагом ЧС. Обеспечение безопасности осуществляется системой предотвращения пожаров, системой противопожарной защиты и организационно-техническими мероприятиями, в которые входят: организация пожарной охраны, паспортизация горючих веществ, материалов, технологических процессов и зданий по пожарной безопасности, разработка и реализация правил и инструкций по пожарной безопасности, соблюдение противопожарного режима и т.д. РСЧС - это система органов госуправления РФ всех уровней и различных общественных организаций с имеющимися у них силами и средствами, а также комплексы мероприятий по предупреждению и ликвидации ЧС в стране, по защите населения, объектов экономики и ОПС при возникновении и ликвидации ЧС. Ведомственные звенья предназначены для предотвращения и ликвидации ЧС. Конкретные структуры этих звеньев, их задачи и порядок функционирования определяют ведомства и ведомственные подсистемы РСЧС. При этом каждое звено состоит из руководящего органа – КЧС; органа посредственного управления – дежурно-диспетчерской службы; сил и средств наблюдения и контроля за ПОО и ОС; сил и средств для ликвидации ЧС. КЧС создаются администрациями области, городов и т.д., а также руководителями предприятий с числом работающих более 100. Их структуру и состав определяют руководители органов исполнительной власти и хозяйственных субъектов. Рабочим органом КЧС является штаб ГОЧС или штатные подразделения, состав которых определяет лицо, создающее КЧС. Основные задачи КЧС – это приведение в готовность сил и средств при ЧС; оценка ЧС; руководства АСР; защита населения при ЧС; информирование населения о ЧС; сбор информации о ЧС; взаимодействие органов ГО и военного командования; установление режима доступа и пребывания в зоне ЧС. КЧС имеют право : принять решение на проведение экстренных мер по защите населения при ЧС; требовать от предприятия информацию об авариях; осуществлять контроль за деятельностью предприятий по вопросам снижения опасности возникновения ЧС. ЗАКЛЮЧЕНИЕ. Вопрос обеспечения БЖД работников предприятий и по сей день является актуальным, что обусловлено прежде всего тем, что на протяжении последних лет усугубляется неблагоприятная ситуация в промышленности с охране труда, а в окружающей среде - с качеством природной среды. Растут число и масштабы техногенных ЧС. В промышленности растет уровень производственного травматизма и профессиональной заболеваемости. Растут и масштабы загрязнения ОС, а заболевания, вызванные неблагоприятной экологической обстановкой, выходят по ряду показателей на первое место в структуре общей заболеваемости населения страны. Рост масштабов производственной деятельности, расширение области применения технических систем, автоматизация производственных процессов приводят к появлению новых неблагоприятных факторов производственной среды, учет которых является необходимым условием обеспечения требуемой эффективности деятельности и сохранение здоровья работников. Поэтому в курсовой работе были рассмотрены возможные поражающие, опасные и вредные факторы производственной среды, также были описаны методы и средства обеспечения БЖД работников, основные мероприятия по обеспечению электробезопасности, охране ОС, предупреждению пожаров и аварий в помещениях с ТС и ликвидации последствий ЧС. В заключении также следует отметить, что мероприятия по обеспечению безопасности жизнедеятельности работников финансируются за счет ассигнований, выделяемых отдельной строкой в федеральном, республиканском, областном, городском, районном и поселковом бюджете; прибыли (доходов) предприятий, а также их фондов ОТ.
Бережной С.А., Романов В.В., Седов Ю.И. Безопасность жизнедеятельности: Учебное пособие. – Тверь: ТГТУ, 1996. Практимкум по безопасности жизнедеятельности:/С.А.Бережной, Ю.И.Седов, Н.С.Любимова и др.; Под ред С.А.Бережного. – Тверь: ТГТУ, 1997. Справочная книга для проектирования электрического освещения/ Под ред. Г.М. Кнорринга. – Л.:Энергия, 1976. Справочная книга по светотехнике/ Под ред. Ю.Б.Айзенберга. – М.: Энергоатомиздат, 1983. СНиП II-4-79. Естественное и искусственное освещение. М.:Стройиздат, 1980 (с изменением от 4.12.85 г. за №205). Бережной С.А., Романов В.В., Седов Ю.И. Сборник типовых расчетов и заданий по экологии: Учебное пособие. - Тверь: ТГТУ, 1995. СанПиН 2.2.2.542-96. Гигиенические требования к видеодисплейным терминалам, ПЭВМ и организации работы.- М.: ИИЦ Госкомсанэпидемнадзора России, 1996. ГОСТ 12.0.003-74. ГОСТ 12.1.019-79. ГОСТ 21.614-88 Правила устройства электрооборудования. – М.: Энергоатомиздат, 1985. ГОСТ 12.1.038-82 РД 34.21.122-87
22 |
||||||||||||||||||||||||||||||||||||||||||||||||||||||||||||||||||||||||||||||||||||||||||||||||||||||||||||||||||||||||||||||||||||||||||||||||||||||||||||||||||||||||||||||||||||||||||||||||||||||||||||||||||||||||||||||||||||||||||||||||||||||||||||||||||||||||||||||||||||||||||||||||||||||||||||||||||||||||||||||||||||||||||||||||||||||||||||||||||||||||||||||||||||||||||||||||||||||||||||||||||||||||||||||||||||||||||||||||||||||||||||||||||||||||||||||||||||||||||||||||||||||||||||||||||||||||||||||||||||||||||||||||


