Контрольная работа: Микропроцессорная техника и аппаратура контроля в рабочих машинах
|
Название: Микропроцессорная техника и аппаратура контроля в рабочих машинах Раздел: Рефераты по физике Тип: контрольная работа |
Министерство образования и науки Украины Сумский Государственный Университет Расчетно-графическая работа по курсу: ”Микропроцессорная техника и аппаратура контроля в рабочих машинах ” Студент Сорокин А. Н. Группа ВИ-11 Вариант 11 Преподаватель Ноздренков В. С. Сумы 2004 Задание. Описать работу электрической схемы управления автоматическим пуском электродвигателя постоянного тока в соответствии с заданным вариантом. Привести пусковую диаграмму в виде механических характеристик. Для получения схемы для своего варианта необходимо в исходной схеме (рисунок 1) заменить соответствующие элементы согласно варианту. Таблица 1 Исходные данные.
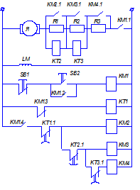
Рисунок 1- Исходная схема управления пуском электродвигателя. Условные обозначения на схеме.
- обмотка возбуждения двигателя; - нормально-замкнутый размыкающий контакт; - контакт, размыкающийся с самовозвратом (кнопка «СТОП»); - контакт, замыкающийся с самовозвратом (кнопка «ПУСК»); - нормально-замкнутый контакт на замыкание с задержкой времени; - нормально-замкнутый контакт на размыкание с задержкой времени; - реле времени; - электромагнитная обмотка реле; - замыкающий контакт электромагнитного реле (ключ); - сопротивление в силовой цепи двигателя. - нормально-замкнутый размыкающий контакт
Рисунок 2- Схема управления пуском электродвигателя согласно варианту задания. Для удобства описания работы в исходную схему были внесены некоторые изменения в индексы контакторов (КМ), реле времени (КТ) и комплекта, размыкающегося с задержкой времени при возврате (КТ). Описание работы электрической схемы. 1. Когда схему подключают к источнику питания, под напряжением оказывается обмотка возбуждения двигателя (LM). Контакт КМ 1.3 замкнут, следовательно, реле времени КТ 1 находится под напряжением, а его контакт КТ 1.1 – замкнут. 2. При нажатии кнопки «ПУСК» (контакт SB2): срабатывает реле КМ 1, замыкаются контакты КМ 1.1, КМ 1.2, КМ 1.4, а контакт КМ1.3 – размыкается; на якорь двигателя поступает напряжение сети через резистор R2, срабатывает реле времени КТ3; контакт КМ 1.2 «блокирует» кнопку SB2, и двигатель не отключается после отпускания кнопки; контакт КМ 1.3 разрывает цепь реле КТ 1, и оно обесточивается, но контакт КТ 1.1 замкнут, так как срабатывает задержка на размыкание, работают реле КМ 2.1 и КМ 4.1, шундируются сопротивления R1 и R3; затем через время размыкается контакт КТ 1.1, перестаёт работать реле КМ 2.1; через время замыкается контакт КТ 2.1, срабатывает реле КМ 3.1, шундируется сопротивление R2; по истечении времени задержки выключается контакт КТ 3.1, перестаёт работать реле КМ 4.1. 3. При нажатии кнопки «СТОП» (контакт SB1) размыкается цепь реле КМ 1 и размыкается его контакт КМ 1.1, тем самым, разрывая цепь якоря, что приводит к остановке двигателя. Контакт КМ 1.3 замыкается и срабатывает реле времени КТ 1.
Рисунок 3 – Пусковая диаграмма. Участок 0 – 1 – включение двигателя; частота вращения n = 0, момент М= Мпусковой. Участок 1 – 2 – разгон двигателя. R= Rя + R2 Участок 3 – 4 – размыкается контакт КТ 1.1, перестаёт работать реле КМ 2.1. Участок 5 – 6 – включается контакт КТ 2.1, включается реле КМ 3.1, шундируется сопротивление R2. Участок 7-8 – выключается контакт КТ 3.1, перестаёт работать реле КМ 4.1. Ротор разгоняется до номинальной частоты. Вращение осуществляется при R = Rя + R1 + R3. В точке 8 электродвигатель работает с частотой вращения n = nраб , и моментом М = Мраб . Список использованной литературы 1.Стрыгин “Основы автоматики и вычислительной техники”. Учебное пособие для ВУЗов.1981г. 2.Арменский Е.В., Фалк Г.Б. “Электрические микромашины”, 1985г. 3.Сафонов Ю.М. “Электроприводы промышленных роботов”. М.-1990г. |


- Двигатель постоянного тока;
