Контрольная работа: Расчет электрической цепи постоянного тока
|
Название: Расчет электрической цепи постоянного тока Раздел: Рефераты по физике Тип: контрольная работа | ||||||||||||||||||||||||||||||||||||||||||||||||||||||||||||||||||||||||||||||||||||||||
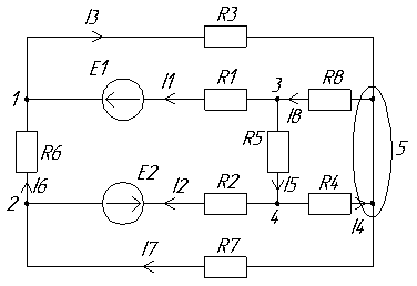
Задание на выполнение работы Схема исследуемой цепи:
Рис. 1. Принципиальная схема исследуемой цепи Таблица 1. Параметры элементов схемы
Пункт 1. Рассчитаем значения токов ветвей методом уравнений Кирхгофа. Для расчета используем схему, приведенную на рис. 1. Данная схема содержит 5 узлов, 8 ветвей, 2 источника ЭДС и не содержит источников тока. Подсчитаем количество уравнений системы, составленной по методу Кирхгофа. Количество уравнений для первого закона равно:
где Nу – количество узлов рассматриваемой принципиальной схемы. Количество уравнений для второго закона равно:
где Nв , NT – количество узлов и источников тока соответственно. Подставив значения, получаем, что количество уравнений, составленных по первому закону равно 4, а по второму также 4. Приняв положительное направление обхода контуров и направления токов в ветвях, отметим это на схеме (рис. 2.).
Рис. 2 Составим систему уравнений, основываясь на направлениях токов и положительном направлении обхода.
Подставив значения сопротивлений резисторов из таблицы 1, сформируем матричное уравнение вида AX= B, где
Решая указанную систему, получаем искомую матрицу Х, которая содержит значения токов.
Найденные токи перечислены в таблице 2. Таблица 2
Пункт 2. Рассчитаем токи в исходной схеме по методу контурных токов. Количество уравнений для данного метода равно количеству уравнений для второго закона Кирхгофа, которое было подсчитано ранее. Исследуемая принципиальная схема содержит 4 контура, в которых действуют 4 контурных тока, направления которых показаны на рис. 3.
Рис. 3. Условные положительные направления контурных токов Учитывая эти положительные направления можно записать систему уравнений по методу контурных токов в общем виде:
Собственные сопротивления контуров:
Общие сопротивления контуров:
Контурные Э.Д.С.:
Матрицы, составленные по представленным данным имеют вид:
Решив систему, получим:
Зная контурные токи, находим токи в ветвях:
Сравнивая значения токов, полученные методом контурных токов и методом уравнения Кирхгофа, видим, что они практически совпадают. Пункт 3. Рассчитаем токи методом узловых напряжений. Схема с нумерацией узлов и условными положительными направлениями узловых напряжений показана на рис. 4.
Рис. 4. Направления узловых напряжений. Анализируемая схема содержит четыре независимых узла, значит количество уравнений будет равно количеству уравнения первого закона Кирхгофа, а общий вид системы для определения узловых напряжений будет таким:
Собственные проводимости узлов:
Общие проводимости узлов:
Узловые токи:
Матрицы имеют вид:
Решив систему, получим:
Зная узловые напряжения, найдем токи ветвей. Для этого воспользуемся вторым законом Кирхгофа:
Найденные токи совпадают с рассчитанными ранее другими методами. Пункт 4. Преобразование заданной схемы в трёхконтурную.
Рис. 5. Преобразование заданной схемы в трёхконтурную Изменяются параллельно соединённые участки цепи одним эквивалентным.
Пункт 5. Рассчитаем токи в исходной схеме по методу контурных токов. Схема содержит три независимых контура с тремя контурными токами, она изображена на рис. 6.
Рис. 6. Нахождение тока в преобразованной цепи Необходимо составить систему уравнений для первого и второго уравнения Кирхгофа.
Составляем матрицу для получения нужных токов.
Получаем искомые токи:
Пункт 6. Расчёт тока в заданной ветке методом эквивалентного генератора. После разрыва исследуемой ветви схема примет вид, показанный на рис. 7.
Рис. 7. После разрыва ветви Рассчитаем напряжение холостого хода, составив уравнение второго закона Кирхгофа:
Для того, чтобы рассчитать
Собственные сопротивления контуров:
Общие проводимости узлов:
Узловые токи:
Матрицы имеют вид:
Ее решение: Теперь можно найти
Для расчета
Рис. 8. Схема для определения В принципиальной схеме резисторы
После замены схема имеет вид (рис. 9):
Рис. 9. Проведём нужные преобразования ещё раз:
Рис. 10. После сделанных преобразований мы имеем еще один условный треугольник
Рис. 11.
Эквивалентное сопротивление генератора можно найти следующим способом:
Для проверки правильности расчетов определим по формуле эквивалентного генератора ток в ветви с
Этот ток практически совпадает с найденным ранее, что свидетельствует о буквальной правильности вычислений.
|


































, 






