Курсовая работа: Сигналы и процессы в радиотехнике СиПРТ
|
Название: Сигналы и процессы в радиотехнике СиПРТ Раздел: Рефераты по коммуникации и связи Тип: курсовая работа | |||||||||||||||||||||||||||||||||||||||||
| Министерство образования и науки Украины Севастопольский национальный технический университет КУРСОВАЯ РАБОТА по дисциплине «Сигналы и процессы в радиотехнике» Выполнил студент: Гармаш М. А. Группа: Р-33 д Номер зачётной книжки: 212467 Допущен к защите Защищен с оценкой Руководитель работы __________________ Агафонцева О. И. __________________ « »__________ 2003 г. « »________ 2003 г. Севастополь 2003 Содержание 1 ЗАДАНИЕ 2 ЗАДАНИЕ 3 ЗАДАНИЕ 4 ЗАДАНИЕ 5 ЗАДАНИЕ 6 ЗАДАНИЕ 7 ЗАДАНИЕ ПЕРЕЧЕНЬ ССЫЛОК Задание 1 Условие: На безынерционный нелинейный элемент, ВАХ которого аппроксимирована кусочно - ломаной линией с крутизной линейного участка Требуется: 1. Составить уравнение ВАХ нелинейного элемента. 2. Рассчитать и построить спектр выходного тока вплоть до десятой гармоники. Построить временные диаграммы входного напряжения, тока, протекающего через элемент и его первых четырёх гармоник. 3. Определить углы отсечки и напряжения смещения 4. Найти угол отсечки и напряжение смещения 5. Построить колебательную характеристику и описать её особенности. Найти напряжение смещения Исходные данные приведены ниже: S=45ма/А; U1 =-3 В; U0 =-2 В; Um =2 В. Решение: 1. Воспользовавшись [1] составим уравнение ВАХ нелинейного элемента , которое определяется по формуле
Импульсы выходного тока можно рассчитать по формуле:
График изображен на рисунке 1.1
Рисунок 1.1 - а) График ВАХ уравнения нелинейного элемента. б) График выходного тока . в) График входного напряжения. 2. Рассчитаем спектр выходного тока. Известно, что спектр тока рассчитывается по формуле:
где Q-угол отсечки, определяемый по формуле: Подставив численные значения находим Q=2.094. Строим спектрограмму выходного тока используя [3] . Спектр показан на рисунке 1.2
Теперь построим графики первых четырёх гармоник при помощи [3] :
Рисунок 1.3 - графики первых четырёх гармоник 3. Определим угол отсечки и смещение, при котором в спектре тока отсутствует n-я гармоника, что в соответствии с (1.3), можно определить путём решения уравнения :
Результат показан ниже : для 2 гармоники Q1 = 0, Q2 = 180;
для 3 гармоники Q = 0, Q2 = 90, Q = 180;
Проведём суммирование гармоник:
Рисунок 1.4 - сумма первых десяти гармоник 4. Угол отсечки, соответствующий максимуму n-ой гармоники в спектре тока (при
Угол отсечки равен 60. Определим соответствующее напряжение смещения U0 из формулы(1.3).В итоге получим :
Подставляя численные значения получим U0 = - 2В. 5. Колебательная характеристика нелинейного элемента определяется зависимостью амплитуды первой гармоники тока
Поскольку
где :
Колебательная характеристика изображена на рисунке 1.5: Рисунок 1.5 – Колебательная характеристика
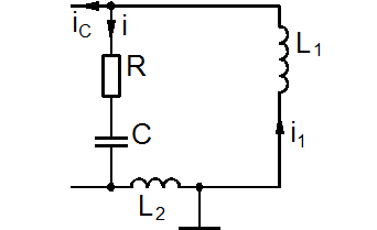
Задание 2 Условие: На вход резонансного умножителя частоты, выполненного на полевом транзисторе (рисунок 2) подано напряжение
Таблица 1 - Характеристика транзистора к заданию 2
Требуется: 1. Построить ВАХ полевого транзистора. Изобразить временные диаграммы входного напряжения, тока стока и выходного напряжения умножителя. 2. Определить коэффициенты аппроксимирующего полинома 3. Рассчитать спектр тока стока и спектр выходного напряжения умножителя. Построить соответствующие спектрограммы и найти коэффициент нелинейных искажений выходного напряжения. 4. Рассчитать нормированную АЧХ контура, построить её в том же частотном масштабе, что и спектрограммы, расположив их друг под другом. 5. Рассчитать индуктивность и полосу пропускания контура. Исходные данные : U0= -3,5 B, Um=3 B, f1=2 МГц C=120 пФ, P=0,2
Рисунок 2.1 - Схема удвоителя частоты. Решение: 1. По значениям, приведенным в таблице 3, построим ВАХ полевого транзистора. Изобразим временные диаграммы входного напряжения: U(t)=U0+Um*cos(wt) (2.1)
Рисунок 2.2 - а) сток-затворная характеристика транзистора. б) ток стока. в) входное напряжение транзистора. 2. Коэффициенты u 1 = - 3,5В u 2 = -0,5В u 3 =--7,5В Затем, подставляя в полином значения тока, взятые из таблицы 3 и напряжения, соответствующие этим точкам, получают три уравнения.
Решая систему уравнений (2.2), используя [3]
, с помощью процедуры Given-Minerr , определим искомые коэффициенты полинома a 0 = 8,25 мА ; a 1 = 2,2 мА/В a 2 = 0,26 мА/В2 Проведем расчёт аппроксимирующей характеристики в рабочем диапазоне напряжений по формуле: 3. Спектр тока стока рассчитаем с использованием метода кратного аргумента [2] . Для этого входное напряжение подставим в аппроксимирующий полином и приведем результат к виду:
где
Подставляя числовые значения коэффициентов a0 , a1 , a3 и амплитудное значение входного сигнала Um, получим : I0= 9.45 I1=6.6 I2=1.2 Изобразим спектр тока стока на рисунке 2.4, используя [3] :
Рисунок 2.3 – Спектр тока стока Рассчитаем cпектр выходного напряжения, которое создаётся током (2.4).Он будет содержать постоянную составляющую
где
где
Подставив числовые значения для f1, Ec=12, I0, Q, C, r и рассчитав промежуточные значения: r= 331,573 Ом , r = 5,526 Ом; R0 = 19890 Oм; Fр =4МГц; рассчитаем спектр выходного напряжения с помощью [3] : U0 =11,99 В, U1 = 0.058 В , U2 = 0.955 В. Изобразим спектр амплитуд и фаз выходного напряжения на рисунке 2.5:
Определим коэффициент нелинейных искажений выходного напряжения по следующей формуле:
4. Найдем
Изобразим нормированную амплитудно-частотную и фазо-частотную характеристики контура на рисунке 2.6, используя [3] :
Рисунок 2.5 - Амплитудно-частотная и фазо-частотная характеристики контура 5. Используя формулу [1] для индуктивности контура: L=r/2*p*fp, (2.13) найдём индуктивность контура L= 520.8 мкГн. Графическим способом на уровне 0.707 определяем полосу пропускания, которая равна Df= 1,3 Задание 3 Условие: На вход амплитудного детектора вещательного приёмника, содержащего диод с внутренним сопротивлением в открытом состоянии Требуется : 1. Привести схему детектора и определить ёмкость 2. Рассчитать дисперсию входного шума и амплитуду несущего колебания 3. Определить отношение сигнал/помеха на входе и выходе детектора (по мощности) в отсутствии модуляции. 4. Рассчитать постоянную составляющую и амплитуду переменной составляющей выходного сигнала. 5. Построить на одном рисунке ВАХ диода, полагая напряжение отсечки равным нулю, а также временные диаграммы выходного напряжения, тока диода и напряжения на диоде. Исходные данные приведены ниже: R1
=20 Ом ; R=10 кОм ; M=30% ; W0
=4.6 Решение: 1. На рис.3.1 изобразим схему детектора:
Рисунок 3.1 - Схема детектора. Постоянную времени фильтра детектора
где
Для того чтобы удовлетворить условию (3.1) следует выберем
где
Рассчитав
Расчет производим в [M] и находим ,что C= 0,4 нФ. 2. Дисперсию входного шума определяют по формуле
где Интегрировать будем ,по условию задачи, в полосе частот поскольку спектр шума равномерен, а за пределами этой полосы – равен нулю. Определим дисперсию входного шума по формуле (3.4) с помощью [3] : Dx =0.125 В2 . Вычислим амплитуду несущего колебания
Подставив исходные значения получим: 3. Определяем отношение сигнал/помеха на входе (по мощности) детектора
Подставив исходные значения получим:: h = 50 Определяем отношение сигнал/помеха на выходе детектора по формуле :
где
где 4. Напряжение на выходе детектора в отсутствии шума прямопропорционально амплитуде где где Q-угол отсечки. Угол отсечки тока
Решение уравнения (3.11) произведем в [3] .Решив (3.11) находим Q=21.83, а К0=0.928. Раскрыв скобки в выражении (3.9), приведём выражение для выходного сигнала к виду
где: Подставив значения, получим: Построим сигнал на выходе детектора:
Рисунок 3.2 - График сигнала на выходе детектора. Изобразим ВАХ диода, а также временные диаграммы тока диода и напряжения на диоде:
Задание №4 Генератор на полевом транзисторе с контуром в цепи стока генерирует гармоническое колебание с частотой Условие : 1. Изобразить электрическую схему генератора. Записать дифференциальное уравнение и вывести условие самовозбуждения генератора. 2. Определить критические коэффициенты включения 3. Выбрать значение P , обеспечивающее устойчивую генерацию и рассчитать неизвестный элемент контура. 4. Изобразить качественно процесс установления колебаний в генераторе, указать области нестационарного и стационарного режимов. Исходные данные : Индуктивная трехточечная схема;
Решение: 1. Представим принципиальную схему индуктивного трехточечного автогенератора [2] :
Рисунок 4.1 – Автогенератор, собранный по индуктивной трехточечной схеме. Для составления дифференциального уравнения генератора рассмотрим колебательный контур подробнее, при этом как бы разорвав обратную связь (рисунок 4.2).
Рисунок 4.2 – Колебательный контур автогенератора. В схеме на рисунке 4.2 R – сопротивление потерь контура. По законам Кирхгофа и, используя компонентные уравнения элементов запишем систему характеристических уравнений [6] цепи представленной на рисунке 4.2.
Для решения системы (4.1) не хватает еще одного уравнения. Его мы возьмем воспользовавшись характеристиками транзистора:
Теперь проведя необходимые подстановки запишем уравнение с одним неизвестным током i .
Чтобы избавиться от интеграла продифференцируем уравнение (4.3) по времени.
Обозначим коэффициенты при неизвестном и его производных, как
Для определения условия самовозбуждения воспользуемся критерием устойчивости Рауса-Гурвица [2] . В соответствии с этим критерием, для самовозбуждения необходимо и достаточно чтобы выполнялось: 1) 2) Подставляя значения коэффициентов
2. Определим критические коэффициенты включения индуктивности. Для этого проведем в (4.8) некоторые преобразования. Поскольку индуктивность
Введем величину коэффициента включения индуктивности р :
Где Исходя из (4.10) и (4.11) можно записать:
Подставим (4.12) в (4.9).
Как известно
Разделив (4.14) на
но
Теперь если учесть, что
Используя [3] определим критический коэффициент включения индуктивности:
3. Рассчитаем неизвестный элемент контура (в нашем случае это индуктивность) по следующей формуле:
Подставив исходные данные, получим:
Определим коэффициент усиления усилителя:
Найдём значения индуктивностей L1 и L2 при помощи [3] , используя операцию Given:
4. Представим качественный график процесса установления колебаний в автогенераторе (рисунок 4.3):
1. Нестационарный режим – режим, при котором параметры колебания меняются. 2. Стационарный режим – режим, при котором параметры колебания не меняются. Задание №5. Условие: Аналоговый сигнал S
(
t
)
(рисунок 5.1) длительностью Требуется: 1. Рассчитать спектр аналогового сигнала S ( t ) и построить график модуля спектральной плотности. 2. Определить максимальную частоту в спектре аналогового сигнала 3. Рассчитать интервал дискретизации Т и количество выборок N . Изобразить дискретный сигнал под аналоговым в том же временном масштабе. 4. Определить спектральную плотность дискретного сигнала и построить график модуля под графиком спектра аналогового сигнала и в том же частотном масштабе. 5. Провести дискретное преобразование Фурье (ДПФ), определить коэффициенты ДПФ и построить спектрограмму модуля этих коэффициентов под графиками спектров аналогового и дискретного сигналов и в том же частотном масштабе. Записать выражение для Z - преобразования дискретного сигнала. Решение:
Рисунок 5.1 – график исходного сигнала 1.Рассчитаем спектр аналогового сигнала S(t), данный сигнал представляет собой ни четную ни нечетную функцию. Зададим сигнал S ( t ) аналитически: Спектральная плотность рассчитывается путем прямого преобразования Фурье [7]:
где Где Рисунок 5.2 – график модуля спектральной плотности 2. Определим максимальную частоту в спектре аналогового сигнала по уровню 0,1.
3. Условие выбора интервала дискретизации возьмем из теоремы Котельникова :
Подставив значения, получим: Воспользовавшись (5.6) выберем интервал дискретизации:
В этом случае количество выборок определяется следующим образом:
N = 21; Теперь, когда мы нашли интервал дискретизации и количество выборок построим график дискретного сигнала, а так же для сравнения в одном масштабе с ним график аналогового (рисунок 5.3):
Рисунок 5.3 – Графики: а) аналогового сигнала; б) дискретного сигнала. На рисунке 5.3 в величине выборок отражен весовой коэффициент δ - импульсов дискретизации. 4. Спектр дискретного сигнала, как известно, представляет собой сумму копий спектральных плоскостей исходного аналогового сигнала, подвергнутого дискретизации, сдвинутых на величину частоты следования выборок друг относительно друга [7]. Т. о. Формула спектральной плотности дискретного сигнала примет вид:
Пользуясь (5.8) построим график при помощи [3] :
Рисунок 5.4 – а) модуль спектральной плотности аналогового сигнала; б) ограниченный спектр аналогового сигнала; в) спектральная плотность дискретного сигнала; 5. Дискретное преобразование Фурье определяется формулой (5.9) [2] :
Где: Т. о. по формуле (5.9) и при помощи [3] можно подсчитать значения дискретных отсчетов:
Зная, что выше вычисленные отсчеты следуют через интервалы
где: N – количество выборок дискретного сигнала; Т – период дискретизации; можно построить спектрограмму модулей этих коэффициентов. Данную спектрограмму будем строить в одном частотном масштабе с графиками спектров аналогового и дискретного сигналов и расположив ее под ними.
Рисунок 5.5 – а) Спектр аналогового сигнала; б) Спектральная плотность дискретного сигнала; в) Спектрограмма модулей коэффициентов ДПФ. 6. Заменив в формуле (5.9)
Распишем (5.11) подробнее, при этом заметим, что как видно из рисунка 5.3 отсчеты с номерами от 0 до 8 равны 1, а 9 равен 0. С учетом всего сказанного получим:
При помощи простых математических преобразований представим (5.12) в виде дробно-рационального выражения:
Задание №6. Условие: Уравнения цифровой фильтрации имеют вид:
Требуется: 1. Составить структурную схему фильтра. 2. Найти передаточную функцию фильтра. Определить полюса передаточной функции и нанести их на 3. Рассчитать и построить АЧХ и ФЧХ фильтра. 4. Найти системную функцию фильтра. Определить полюса системной функции и нанести их на 5. Рассчитать и построить импульсную характеристику фильтра. 6. Рассчитать и построить выходной сигнал цифрового фильтра, если на вход подаётся дискретный сигнал из задания 5. Исходные данные:
Решение:
![]()
Рисунок 6.1 - Рекурсивный фильтр 2. Передаточная функция цифрового фильтра имеет вид: где ак
, bk
коэффициенты уравнения; Найдём полюса передаточной функции с помощью формулы:
Для нахождения полюсов воспользуемся [3]:
Для обеспечения устойчивости необходимо и достаточно, чтобы полюса передаточной функции находились в левой полуплоскости комплексного переменного p. Поскольку 3. С помощью [3] рассчитаем и построим АЧХ и ФЧХ фильтра:
Для данной передаточной функции с помощью [3] построим АЧХ и ФЧХ фильтра (рисунок 6.2): Рисунок 6.2 - а) АЧХ фильтра; б) ФЧХ фильтра. 4. Найдем системную функцию фильтра путем замены ePT
на Z. Системная функция будет иметь вид:
Устойчивость фильтра оценивается расположением полюсов системной функции на z плоскости. Фильтр устойчив, если полюса системной функции расположены внутри круга единичного радиуса с центром в точке Определим полюса системной функции в плоскости Z с помощью [3] :
5. Импульсная характеристика
где Для данного фильтра импульсная характеристика будет определятся формулой:
График импульсной характеристики представлен на рисунке 6.4:
Рисунок 6.4.-Импульсная характеристика. 6. Графики входного дискретного сигнала и выходного цифрового сигнала (рисунок6.3):
Рисунок 6.3 - а) входной дискретный сигнал; б) выходной цифровой сигнал. Задание №7 Условие: Синтезировать согласованный фильтр для данного сигнала. Требуется: 1. Определить комплексный коэффициент передачи фильтра. 2. Синтезировать структурную схему фильтра. 3. Определить и построить выходной сигнал (под входным). 4. Оценить отношение сигнал/помеха на выходе в зависимости от Исходные данные: Когерентная пачка из
Рисунок 7.1 – Входной сигнал Решение: 1. Синтезировать согласованный фильтр удобно при помощи его комплексного коэффициента передачи. Запишем общую формулу для его определения [2] :
Где
Для
Из формулы (7.1) видно, что задача сводится к определению спектральной плотности входного сигнала. Для ее определения разобьем входной сигнал на отдельные импульсы, затем определим спектр одного из них, а результат запишем в виде суммы вышеопределенных спектральных плотностей всех составляющих пачки, но сдвинутых по времени на расстояния кратные периоду их следования. Итак, определим
Где Запишем аналитическое выражение для огибающей радиоимпульса:
Определим
Представим формулу для
Т. о. спектральная плотность всей пачки импульсов будет определяться как сумма спектральных плотностей определяемых формулой (7.6), но сдвинутых друг относительно друга на:
Представим это соотношение, применив теорему сдвига [2] :
Запишем формулу комплексно сопряженной спектральной плотности входного сигнала, преобразовав (7.8), путем перемены знака мнимой части.
Подставим (7.6) в (7.9), а полученный результат в (7.1) и проведем некоторые преобразования для удобства ее дальнейшего использования:
2. Т. о. согласованный фильтр можно представить как каскадное соединение двух блоков: 1. согласованный фильтр одиночного радиоимпульса; 2. т. н. синхронный накопитель (многоотводная линия задержки). Схема такого фильтра представлена на рисунке 7.2.
Рисунок 7.2 – Структурная схема согласованного фильтра для сигнала представленного на рис. 7.1. График когерентной пачки радиоимпульсов проходящей через линию задержки представлен на рисунке (7.3). |


Рисунок 1.2 – Спектрограмма выходного тока

. (1.9)
. (1.10)



(2.2)

, (2.11)
Рисунок 2.4 – Спектр амплитуд и фаз выходного напряжения
(2.12)


. (3.2)
, (3.4)
, (3.7)
, (3.8)

Рисунок 3.3 – График ВАХ диода, временные диаграммы тока диода и напряжения на диоде

. (4.1)
. (4.3)
; (4.6)
. (4.9)
. (4.12)
(4.18)

Рисунок 4.3 – Процесс установления автоколебаний:
(5.1)

. (5.5)







, (6.2)
(6.3)
(6.4)

(6.5)




. (7.4)
;

. (7.13)
Рисунок 7.4 –а) входной сигнал,
б) сигнал на выходе согласованного фильтра; в)АКФ сигнала
. (7.15)