Реферат: Проект трехкорпусной выпарной установки для концентрирования Gн=4,2 кг/с цельного молока
|
Название: Проект трехкорпусной выпарной установки для концентрирования Gн=4,2 кг/с цельного молока Раздел: Остальные рефераты Тип: реферат | |||||||||||||||||||||||||||
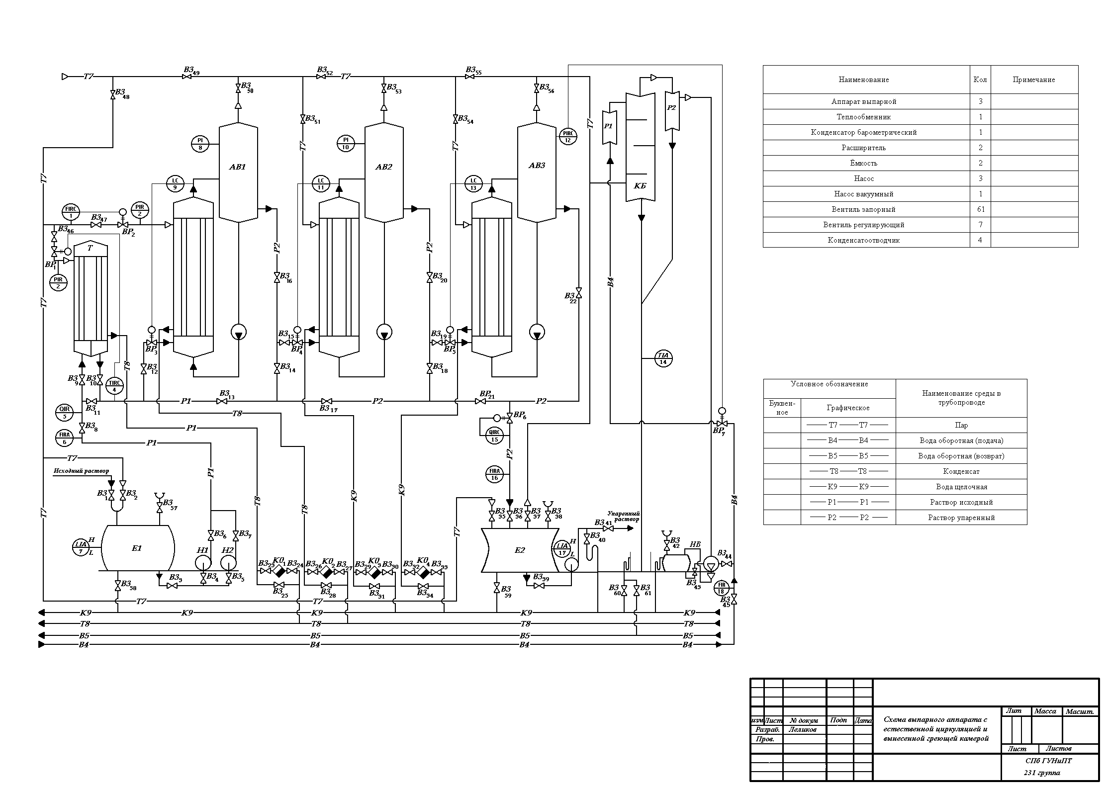
САНКТ-ПЕТЕРБУРГСКИЙ ГОСУДАРСТВЕННЫЙ УНИВЕРСИТЕТ НИЗКОТЕМПЕРАТУРНЫХ И ПИЩЕВЫХ ТЕХНОЛОГИЙ КАФЕДРА ПРОЦЕССОВ И АППАРАТОВ ПИЩЕВЫХ ПРОИЗВОДСТВ ПОЯСНИТЕЛЬНАЯ ЗАПИСКАк курсовому проекту по процессам и аппаратам Проектировал студент ____231группы____________________ _______________Громцев Павел Сергеевич_________ _________________17 апреля 2003 года_________________ Руководитель проекта _______________Жариков Алексей Николаевич _______________ «___» ________________________________________________ П Санкт-Петербург 2002 Санкт-Петербург 2002 роект защищен с оценкой: _____________________________ВВЕДЕНИЕ. ВЫПАРИВАНИЕ – это процесс концентрирования растворов нелетучих веществ путем удаления жидкого летучего растворителя в виде паров. В пищевой промышленности жидкие смеси, концентрирование которых осуществляется выпариванием, отличаются большим разнообразием как физических параметров (вязкость, плотность, температура кипения, величина критического теплового потока и др.), так и других характеристик (кристаллизующиеся, пенящиеся, нетермостойкие растворы и др.). Свойства смесей определяют основные требования к условиям проведения процесса (вакуум-выпаривание, прямо- и противоточные, одно- и многокорпусные выпарные установки), а также к конструкциям выпарных аппаратов. Принцип действия. Исходный разбавленный раствор (молоко) из промежуточной емкости центробежным насосом подается в теплообменник (где подогревается до температуры, близкой к температуре кипения), а затем в первый корпус выпарной установки. Предварительный подогрев повышает интенсивность кипения в выпарном аппарате. Первый корпус обогревается свежим водяным паром. Вторичный пар, образующийся при концентрировании раствора в первом корпусе, направляется в качестве греющего во второй корпус. Сюда же поступает частично сконцентрированный раствор из 1-го корпуса. Аналогично третий корпус обогревается вторичным паром второго и в нем производится концентрирование раствора, поступившего из второго корпуса. Самопроизвольный переток раствора и вторичного пара в следующие корпуса возможен благодаря общему перепаду давлений, возникающему в результате создания вакуума конденсацией вторичного пара последнего корпуса в барометрическом конденсаторе смешения (где заданное давление поддерживается подачей охлаждающей воды и отсосом неконденсирующихся газов вакуум-насосом). Смесь охлаждающей воды и конденсата выводится из конденсатора при помощи барометрической трубы с гидрозатвором. Образующийся в третьем корпусе концентрированный раствор подается в промежуточную емкость упаренного раствора. Конденсат греющих паров из выпарных аппаратов выводится с помощью конденсатоотводчиков. Задание на проектирование Спроектировать трехкорпусную выпарную установку для концентрирования Gн=4,2 кг/с цельного молока от начальной концентрации Xн=11% до конечной Xк=53% при следующих условиях:
1. Определение поверхности теплопередачи выпарных аппаратов Поверхность теплопередачи каждого корпуса выпарной установки определяют по основному уравнению теплопередачи:F=Q/(K*Vtn) Для определения тепловых нагрузок Q, коэффициентов теплопередачи K и полезных разностей температур Vtn необходимо знать распределение упариваемой воды, концентрации растворов и их температур кипения по корпусам. Эти величины находят методом последовательных приближений. Первое приближение. Производительность установки по выпариваемой воде определяют из уравнения материального баланса:W=Gн*(1-Xн/Xк)=4,2*(1-11/53)=3,33 кг/с
Принимаем, на основании практических данных: w1:w2=1,0; 1,1. Тогда: w1=1,0*W/(1,0+1,1)=1,58 кг/с. w2=1,1*W/(1,0+1,1)=1,74 кг/с. Концентрации растворов в корпусах: X1=Gн*Xн/(Gн-w1)=4,2*0,11/(4,2-1,58)=0,176=17,6% Xк=X2= Gн*Xн/(Gн-w1-w2)=4,2*0,11/(4,2-1,58-1,74)=0,53=53%
Общий перепад давлений в установке: VPоб=Pг1-Pбк=107,8-18,2=89,6 кПа. Давление греющих паров в корпусах: Pг1=107,8 кПа. Pг2= Pг1- Vpоб/2=107,8-89,6/2=63кПа. Pбк= Pг2- Vpоб/2=63-89,6/2=18,2кПа. По давления паров находим их температуры и энтальпии:
Температура кипения молока в корпусе отличается от температуры греющего пара в последующем корпусе на сумму температурных потерь {V от температурной (V'), гидростатической (V'') и гидродинамической (V''') депрессий ({V=V'+V''+V'''). Гидродинамическая депрессия обусловлена потерей давления пара на преодоление гидравлических сопротивлений трубопроводов при переходе из корпуса в корпус. Примем V'''=1, тогда температуры вторичных паров: tвп1= tг2+ V'''=87+1=88 оС tвп2= tбк+ V'''=58+1=59 оС Сумма гидродинамических депрессий: { V'''= V''' + V'''=1+1=2 По температурам вторичных паров определим их давления и теплоты парообразования: Pвп1=65кПа; Pвп2=19,05кПа; r1=2287,6 Дж/кг; r2=2360,1 Дж/кг Поверхность теплоотдачи 1-го корпуса (ориентировочно): Fор1=Q/q=w1*r1/q=1,58*2287,6*10^3/40000=90,36 м^2. q=40000 Вт/м^2. Fор2=Q/q=w2*r2/q=1,74*2360,1*10^3/40000=102,66 м^2 Примем высоту кипятильных труб Н = 4 м. Определяем плотность молока при температуре 15 оС: a1=Xн+X1=(11+17,6)/2=14,3%; a2=X1+X2=(17,6+53)/2=35,3% =10*[1,42*a1+(100-a1)]=10[1,42*14,3+(100-14,3)]=1060,0 кг/м^3 [1,42*a2+(100-a2)]=10[1,42*35,3+(100-35,3)]=1148,3 кг/м^3 Давления в среднем слое кипятильных труб корпусов: P1ср= Pвп1+g*H*(1-)=65+1060*9,8*4(1-0,5)=85,77 кПа. P2ср= Pвп2+g*H*(1-)=19,05+1148,3*9,8*4(1-0,5)=41,55 кПа. По давления паров находим их температуры кипения:
Определим гидростатическую депрессию по корпусам: V''1= t1ср-tвп1=94-88=6 оС V''2= t2ср-tвп2=73-59=14 оС Сумма гидростатических депрессий: { V''=20 оС Температурную депрессию определим по формуле: V'=0,38*exp*(0,05+0,045*a); Получаем V'=0,38*exp*(0,05+0,045*14,3)=0,76 V'=0,38*exp*(0,05+0,045*35,3)=1,96 Сумма температурных депрессий: {V'=2,72 Температуры кипения растворов в корпусах: tк1=tг2+V'1+V''1+ V'''=88+0,76+6+1=96 оС tк2=tбк+V'2+V''2+ V'''=59+1,96+14+1=76 оС
Vtп1=tг1-tк1=102-96=6 оС Vtп2=tг2-tк2=88-76=12 оС Общая полезная разность температур {Vtп1=18 оС Проверяем общую полезную разность температур: {Vtп1=tг1-tбк-({V'+{V''+{V''')=102-58-(2,72+20+2)=19,28 оС
Расход греющего пара в 1-ый корпус, производительность каждого корпуса по выпаренной воде и тепловые нагрузки по корпусам определим путем совместного решения уравнений тепловых балансов по корпусам и уравнения баланса по воде для всей установки: Q1=m*c*(tк1-tпр)+w1*r1; tк=tг1- (2-3 оС); Q1=D1*(Iгр1-cк*tк); m*c*(tк1-tпр)+w1*r1= D*(Iгр1-cк*tк); 4,2*4000*(96-76)+1,58*2287,6=D*(2679-4180*100); D1=(4,2*4*(96-76)+1,58*2287,6)/ (2679-4,18*100)=1,75кг/с Q2=D2*(Iвп1-cк*tк); tк=tвп1- (2-3 оС); Q2=w2*rвп1-mпр*cпр (tк1-tк2)/r (при tк2); D2= (w2*rвп2-mпр*cпр (tк1-tк2)/r (при tк2))/ (Iвп1-cк*tк)= =(1,74*2360,1-2,45*4(96-76))/(2317,8-4*86)=1,98 кг/с 2. Расчет барометрического конденсатора Для создания вакуума в выпарных установках обычно применяют конденсаторы смешения с барометрической трубой. В качестве охлаждающего агента используют воду, которая подается в конденсатор чаще всего при температуре окружающей среды. Смесь охлаждающей воды и конденсата выливается из конденсатора по барометрической трубе. Для поддержания постоянства вакуума в системе из конденсатора с помощью вакуум-насоса откачивают неконденсирующиеся газы. Необходимо рассчитать расход охлаждающей воды, основные размеры барометрического конденсатора и барометрической трубы, производительность вакуум-насоса. 2.1 Расход охлаждающей воды Расход определяем из теплового баланса конденсатора: Gв=w2*(Iбк-св*tк)/(cв*(tк-tн)). Так как разность температур между паром и жидкостью на выходе из конденсатора должна быть 3-5 градусов, конечную температуру воды tк на выходе примем на 3 градуса ниже температуры конденсации паров: tк=tбк-3 оС=58-3 оС=55 оС тогда Gв=1,98*(2605,4-4*55)/(4*(55-20))=33,74 кг/с 2.2 Диаметр конденсатора Определяем из уравнения расхода: dбк=(4*w2/(П*U))^0,5. При
остаточном
давление в
конденсаторе
порядка 104 Па
скорость паров
примем
Тогда Dбк=(4*1,74/(0,098*3,14*20))=1,13м. Выбираем барометрический конденсатор диаметром 1200 мм. 2.3 Высота барометрической трубы Внутренний диаметр барометрической трубы dбт=300 мм. Скорость воды в барометрической трубе: U=4*(33,74+w2)/П* dбт^2=4*(33,74+1,74)/1000*3,14*0,3^2=0,5 м/с. Высота барометрической трубы: Hбт=B/в*g+(1+{+* Hбт/ dбт)*Uв^2/2*g+0,5. где В – вакуум в барометрическом конденсаторе: B=Pатм-Pбк=9,8*10^4-1,8*10^4=8,0*10^4 Па. - сумма коэффициентов местных сопротивлений: {вхвых=0,5+1,0=1,5 Коэффициент трения зависти от режима течения жидкости. Определим режим течения воды в барометрической трубе: Re=Uв* dбт*в/в=0,5*0,3*1000/0,54*10^(-3)=277777 Для гладких труб при Re=111111 коэффициент трения =0,014. Подставив указанные значения, вычислим высоту барометрической трубы: Hбт=8,0*10^4/1000*9,8+(1+1,5+0,014*Hбт/0,3)*0,5^2/2*9,8+0,5. Отсюда находим Hбт=8,67 м. Список использованной литературы. 1. Иоффе И.Л. «Проектирование процессов и аппаратов химической технологии» Химия, 1991. 2. «Проектирование процессов и аппаратов пищевых производств». Под редакцией Ставникова. Киев, 1982. 3. Курсовое проектирование по предмету: «Процессы и аппараты химической промышленности». Кувшинский М.Н., Соболева А.П. «Высшая школа», 1968. 4. «Основные процессы и аппараты химической технологии». Борисов Г.С., Быков В.П. и др. М. Химия, 1991.
|
