Реферат: Товароведение
|
Название: Товароведение Раздел: Остальные рефераты Тип: реферат | ||||||||||||||||||||||||||||||||||||||||||||||||||||||||||||||||||||||||||||||||||||||||||||||||||||||||||||||||||||||||||||||||||||||||||||||||||||||||||||||||||||||||||||||||||||||||
помадной; молочной; молочно-ореховой; марципановой; масляно-сахарной (прохладительной); сбивной; кремово-сбивной; ореховой; шоколадно-ореховой; желейной; из злаковых, бобовых и масличных культур. 1.1—1.3. (Измененная редакция, Изм. № 1). 1.4. Карамель в зависимости от количества начинок и их положений выпускается: с одной начинкой; с двумя начинками; с начинкой, переслоенной карамельной массой (в складку). 1.5. Карамель в зависимости от способа обработки карамель-лой массы вырабатывается: с нетянутой оболочкой; с тянутой оболочкой; с жилками, полосками. 1.6. Открытую карамель в зависимости от способа защитной обработки поверхности подразделяют на: глянцованную; дражированную; кондированную; обсыпную; глазированную шоколадной или жировой глазурью. 1.7. Характеристика основных видов карамели, карамельных масс и начинок указана в табл. 1. Таблица 1
Характеристика Различной формы и конфигурации (фигурная) или в виде пучка тонких полых трубок (соломки); состоит из карамельной массы или из карамельной- массы с различными добавками Состоит из оболочки, изготовленной из карамельной массы, и начинки Оболочка молочная от кремового до коричневого цвета, получаемая увариванием сахаро-паточного (сахаро-инвертного) сиропа с молоком Оболочка мягкая или полутвердая (за счет поглощения влаги из начинки), глазированная шоколадной или жировой глазурью Продолжение табл. 1 Характеристика Леденцовая и с начинками с добавлением витаминов Леденцовая и с начинками с добавлением сорбита, порошка морской капусты, декамина, ментола, эквалиптового или анисового масла и др. Стеклообразная прозрачная масса, получаемая увариванием сахарно-паточного (сахарно-инверт-ного) сиропа. Капиллярно-пористая непрозрачная масса с блеском, "получаемая перетяжкой нетянутой мас- Однородная масса, получаемая из протертых плодов и ягод, уваренная с сахаром и патокой и различными добавками. Уваренный сахаро-паточный сироп с добавлением алкогольных напитков и различных добавок Уваренный сахаро-паточный сироп с добавлением натурального меда и различных добавок Мелкокристаллическая масса, получаемая путем взбивания уваренного сахаро-паточного сиропа, с различными добавками Сахаро-паточный сироп, уваренный с молоком и различными добавками Однородная масса, получаемая из растертого необжаренного орехового ядра или масличного семени, смешанного с сахаром или горячим сиропом Масса из сахарной пудры, смешанной с кокосовым маслом, обладающая прохладительным вкусом Масса, взбитая с яичным белком или с другими пенообразующими веществами Масса,, взбитая с яичным белком или с другими пенообразующими веществами, с добавлением сливочного масла, фруктово-ягодных заготовок и ДР- Однородная масса, получаемая из растертого обжаренного 'орехового ядра или масличного семени, смешанного с сахаром. Масса из какао-продуктов и сахара или ореховая масса с добавлением какао-продуктов и различных добавок Уваренный сахаро-паточно-агаровый сироп с добавлением фруктово-ягодного пюре Однородная масса, получаемая из муки или крупки из злаковых, бобовых и масличных культур, с добавлением сахара, жира, какао-продуктов и др.
1.8. Ароматизирующие, красящие и пенообразующйе вещества, применяемые для изготовления карамели, должны быть разрешены к применению Министерством здравоохранения СССР. 1.7, 1.8. (Измененная редакция, Изм. № 1). 1.9. Не допускается применять рафинадную и кормовую патоку (мелассу) утфель и сахар цветностью выше 1.8 единицы Штаммера. 1.10. Для регулирования процесса инверсии сахарозы допуска 1.11. Для понижения вязкости жиросодержащих начинок в качестве разжижителей допускается применять пищевые фосфатид-ные концентраты не более 0,5% от массы начинки. \>/1.12. По органолептическим показателям карамель Должна соответствовать требованиям, указанным в табл. 2. Таблица 2
Наименования показателей yc и аро- ,•'•' Ясно выраженные, соответствующие данному наименованию, без постороннего привкуса и запаха. В лечебной карамели допускается привкус соответствующего лечебного препарата. Монпансье разных окрасок должно иметь разный аромат. Карамель, содержащая жир, не должна имет ь салистого прогорклого или иного неприятного привкуса. Фруктовые и фруктово-ягодные начинки не Должны иметь подгорелого привкуса. ^Свойственный данному наименованию караме лц. Окраска равномерная, достаточно выраженная. В зависимости от наименования карамель окрашивается в один #ли несколько цветов (полоски, жилки, смесь и т. п.). /.Сухая, без трещин, вкраплений и заусенцев. Для ванной,и глянцованной карамелн — блестящая. Карамель обсыпная должна быть равномерно покрыта слоем мелкого белого, или подкрашенного са#а РНого песка, -сахарной; пудры, какаопорошка, мелкой дробЛен ой ореховой крупки, цветной нонпарели или другими видами обсыпки. Для карамели, обсыпанной в непрерывно'действующих аппаратах, допускается незначительное истирание граней кристаллов сахара. [•'Карамель, отформованная на штампующих -Машинах, должна быть гладкой или иметь на поверхности четкий рисунок штампа. Не допускаются открытые швы и слеДы начинки на поверхности карамели. ^Карамель открытая с защитной обработкой поверхности не должна слипаться в комки. Продолжение табл. 2
Наименования показателен Шля карамели открытой без защитной обработки поверхности допускается сцепление нескольких карамелек, которые при встряхивании должны легко разделяться. ^<В карамели завернутой этикетка и подвертка не должны прилипать к поверхности изделия. ..Для карамели, изготовленной на формующе-заверточных и р'отационио-формующих машинах, допускается неясность рисунка, небольшие трещины и сколы краев, а для карамели с начинкой—незакрытое карамельной оболочкой место обреза. Карамель, глазированная шоколадной глазурью, должна быть блестящей и не должна иметь сероватого цвета от жирового или сахарного поседения. Шоколадная глазурь и глазурь, приготовленная на гидриро-ванных жирах, должна покрывать корпуса карамели ровным или слегка волнистым слоем без подтеков. Допускается незначительное просвечивание корпуса с донышка карамели В карамели с морской капустой допускаются включения частиц порошка морской капусты. Допускаются незначительные повреждения поверхности при выработке глазированной карамели на механизированных линиях и при машинной завертке. Форма v,, 'Прввяяькая, соответствующая данному виду изделий. Не Монпансье и фигурная карамель — четко отформованные. Карамель «соломка» оформлена в виде пучка параллельных трубочек, скрепленных друг с другом. • ; Для карамели, изготовленной на формующе-заверточных машинах допускается небольшая деформация и неровный обрез. Примечание. Допускается не более 3% к массе готовой продукции полузавернутой и мятой карамели, 1.13. По физико-химическим показателям карамель должна соответствовать нормам, указанным в табл. 3.
Таблица 3 Наименования показателей
, Влажность карамельной массы (полуфабриката), %, не более кроме: карамельной массы для карамели молочной и с начинкой, переслоенной карамельной массой, %, не более карамельной массы для карамели, вырабатываемой на формующе-заверточных и ротационно-формующих машинах, и карамели леденцовой фигурной, %, не более Массовая доля редуцирующих веществ в карамельной массе с введением кислоты 0,6%., не более
Массовая доля редуцирующих веществ в карамельной массе с введением кислоты более 0,6% и при работе на установках без вакуумного уваривания, '%, не более Массовая доля редуцирующих веществ в карамельной массе, изготовляемой с лактозой,'%, не более Кислотность карамели подкисляемой в градусах, не менее: леденцовой с введением кислоты до 0!,в% с введением кислоты до 1,01% с введением кислоты до l,5i% карамели витаминизированной «карамели «Взлетная» карамели неглазированной с фруктово-ягодными и помадными начинками с введением кислоты до 0,4% с введением кислоты до 0,8i% с введением кислоты до 1,01% карамели с масляно-сахарными (прохладительными) начинками карамели «Снежинка в сахаре», «Помадная в сахаре», «Велдзе», «Кокосовый орех», «Шална» Влажность начинок Количество начинки к массе готовой продукции %, не менее: в завернутой карамели с содержанием штук в '1 кг до 100 от 101 до 1( 20 от 112)1 до 150 от 151 до 200 от 20'1 и более в завернутой карамели, изготовленной на ротационных карамелеформующих машинах, с содержанием штук в 1 кг до ilOO от 10,1 до 120 в карамели, глазированной шоколадной и жировой глазурью
глазированной шоколадной глазурью содержанием штук в 1 кг Массовая доля глазури i% Количество отделившегося от оболочки сахара или другого отделочного материала (крошки) в открытой карамели со специальной защитной обработкой к массе готовой продукции, %, не более ^Массовая доля солей меди, мг на 1 кг карамели, не более •»•' Массовая доля мышьяка Массовая доля солей свинца Массовая доля сернистой кислоты, мг на 1 кг карамели с фруктовой или фруктово-ягодной начинками, не более Массовая доля золы, нерастворимой в 10% -ной соляной кислоте, %, не более Массовая доля йода, мг на 1 кг карамели с морской капустой, не менее Стр . 8 ГОСТ 6477—69 3. УПАКОВКА, МАРКИРОВКА, ТРАНСПОРТИРОВАНИЕ И ХРАНЕНИЕ 3.1. Карамель выпускают завернутой и открытой, фасованной, весовой или штучной. 3.2. Карамель завертывают как отдельными штуками, так и по нескольку штук в тюбики или пачки. Карамель завертывают в этикетку, этикетку с подверткой или этикетку с фольгой и подверткой. 3.3. Для этикеток и подвертки применяют бумагу этикеточную по ГОСТ 7625—55, бумагу писчую по ГОСТ 18510—73, фольгу алюминиевую для упаковки пищевых продуктов по ГОСТ 745—79, бумагу парафинированную по ГОСТ 9569—79, подпергамент по ТОСТ 1760—81, пергамент по ГОСТ 1341—74, пергамин, целлофан по ГОСТ 7730—74, основу парафинированной бумаги по ГОСТ 16711—79, полимерные.и другие упаковочные материалы, применение которых разрешено Министерством здравоохранения СССР. (Измененная редакция, Изм. № 1). 3.4. Карамель завертывают на машинах или вручную различными способами: «в перекрутку», «в замок», «в саше» и др. 3.5. Этикетка и подвертка должны облегать карамель плотно, без заметного смещения рисунка. При машинной завертке допускается смещение фольги и подвертки не более чем на 2 мм. 3.6. Для каждого вида карамели этикетка должна быть художественно оформлена. 3.7. Краска на этикетке должна быть прочной, не должна мазаться и переходить на.поверхность карамели. Этикетки и подвертки из парафинированной бумаги не должны иметь постороннего запаха. Парафин не должен расплавляться и переходить на поверхность карамели. 3.8. Завернутая и открытая карамель может быть расфасова-на в различные виды тары массой нетто до 1000 г. 3.9. Открытые без защитной обработки поверхности монпане и карамель фасуют в жестяные банки по ГОСТ 12120—82 и другой нормативно-технической документации, комбинированные банки по ГОСТ 12120—82, или коробки из картона по ГОСТ 7933—75 массой нетто не более 3 кг, или пакеты из термоспаивающегося целлофана. Крышки банок оклеивают бандеролью, целлофановой полоской или полиэтиленовой лентой с липким слоем по ГОСТ 20477—75. Открытые без защитной обработки поверхности монпансье и карамель можно упаковывать в ящики из гофрированного картона по ГОСТ 13512—81 массой нетто не более 8 кг. При этом в ГОСТ 6477—69 Стр. 9 ящик должен быть вложен мешок из полимерной пленки, разрешенной Министерством здравоохранения СССР. Глазированная шоколадной глазурью-и фасованная в коробки карамель может быть предварительно уложена в бумажные фи-лейчики и сверху покрыта тонкой гофрированной бумагой. Лечебную карамель фасуют в жестяные банки, картонные коробки, в пакеты из термоспаивающегося целлофана или полимерных пленок, разрешенных Министерством здравоохранения СССР. (Измененная редакция, Изм. № 1). 3.10. Нелуженые жестяные банки и коробки должны быть покрыты внутри пищевым лаком или в них должен быть вставлен патрон из пергаментной, подгтергаментной или парафинированной бумаги. Не допускается применять жестяную тару с ржавчиной. Банки и коробки могут быть изготовлены также из полимерных материалов, разрешенных Министерством здравоохранения СССР. 3.11. Коробки, пакеты и банки должны быть художественно оформлены. 3.12. Открытую с защитной обработкой поверхности, завернутую и фасованную карамель упаковывают в ящики дощатые по ГОСТ 13357—81, фанерные по ГОСТ 10131—78 или из гофрированного картона по ГОСТ 13512—81 массой нетто: для открытой с защитной оболочкой и карамели завернутой (кроме ликерной) — не более 22 кг; для фасованной (кроме ликерной) — не более 20 кг; для ликерной завернутой и открытой — не более 12 кг; для завернутой «соломки» — не более 5 кг. 3.13. При отгрузке водным или смешанным транспортом при перевозках, связанных с перегрузками, а также при перевозке мелкими партиями карамель должна быть упакована в дощатые или фанерные ящики или ящики из гофрированного картона. 3.14. Для внутригородских перевозок допускается упаковывать карамель в ящики дощатые и фанерные многооборотные по ГОСТ 11354—82; завернутую карамель — в возвратные ящики из гофрированного картона; фасованную карамель — в возвратные ящики из гофрированного картона и металлическую тару-оборудование. 3.15. Карамель, отправляемую в районы Крайнего Севера и труднодоступные районы, упаковывают по ГОСТ 15846—79. 3.14. 3.15. (Измененная редакция, Изм. № 1). 3.16. Тара всех видов должна быть чистой, сухой, прочной, без постороннего запаха. При упаковывании открытой карамели тара полностью выстилается с внутренней"стороны упаковочной бумагой таким образом, чтобы бумага закрывала всю поверхность карамели. Стр. 10 ГОСТ 6477—69 Дощатая тара выстилается бумагой и при упаковывании в нее завернутой карамели. 3.17. Допускаются следующие отклонения в массе нетто упаковочной единицы в процентах, не более: до 60 г включ. ............. ±5,0' св. 50 до 250 г включ. ........... ±3,0 св. В501 до 500' г включ. ........... ±2,0- св. 500 до а000 г включ. ...... . . . . . ±1,0 св. 1000' г ..........'..... ±0,5 При упаковывании весовой карамели допускается отклонение в массе нетто ±5%. 3.18. Карамель должна иметь маркировку с указанием: на этикетках карамели а) наименования предприятия-изготовителя и его местонахождения; б) наименования карамели. на потребительской таре всех видов а) товарного знака и наименования предприятия-изготовителя, его местонахождения; б) наименования карамели; в) даты выработки (при фасовке массой нетто более 100 г); г) массы нетто; д) обозначения настоящего стандарта; е) розничной цены. на транспортной таре всех видов Транспортная маркировка — по ГОСТ 14192—77 с нанесением манипуляционных знаков «ОСТОРОЖНО, ХРУПКОЕ», «БОИТСЯ СЫРОСТИ», «БОИТСЯ НАГРЕВА». На каждую единицу транспортной тары наносят маркировку, характеризующую продукцию: а) товарный знак и наименование предприятия-изготовителя, его местонахождение; б) наименование продукта; в) массу нетто и брутто; г) количество упаковочных единиц и массу упаковочной еди д) дату выработки; е) порядковый номер прейскуранта розничных цен; ж) срок хранения; з) обозначение настоящего стандарта. Примечание. В коробки с лечебно-диетическими сортами карамели (сорбитом, ксилитом, морской капустой, ментолом и др.) должен быть помещен вкладыш с обозначением суточной дозы потребления карамели и рекомендация по употреблению ее. ГОСТ 6477—69 Стр. 1 1 3.19. Маркировку наносят путем наклеивания ярлыка или нанесения четкого оттиска трафаретом или штампом несмывающейся, не имеющей запаха краской. 3.20. На ярлыке, вложенном внутрь коробок или ящиков, указывают номер укладчика или смены или проставляют его штемпелем с наружной стороны тары. 3.21. Карамель транспортируют в ящиках, контейнерах или пакетами по ГОСТ 21929 — 76 всеми видами транспорта в крытых транспортных средствах в соответствии с правилами перевозок грузов, действующими на данном виде транспорта. Не допускается использовать транспортные средства, в которых перевозились ядовитые и резкопахнущие грузы, а также транспортировать карамель вместе с продуктами, обладающими специфическим запахом. 3.22. Карамель должна храниться в сухих, чистых, хорошо вентилируемых помещениях, не имеющих постороннего запаха, не зараженных вредителями хлебных запасов, при температуре (18±3)°С и относительной влажности воздуха не более 75%. Карамель не должна подвергаться воздействию прямого солнечного света. Не допускается хранить карамель вместе с продуктами, обладающий специфическим запахом. 3.18 — 3.22. (Измененная редакция, Изм. № 1). 3.23. Ящики с карамелью при хранении на складах должны быть установлены на стеллажах штабелями высотой не более 2 м. Между штабелями и стеной оставляют проходы не менее 0,7 м. Расстояние от источников тепла, водопроводных и канализационных труб должно быть не менее 1 м. Не допускается хранить карамель совместно с продуктами, обладающими специфическим запахом. 3.24. Сроки хранения карамели при указанных условиях со дня выработки устанавливаются следующие: ^карамель леденцовая, упакованная в жестяные банки или коробки ........ 6 месяцев фигурная, вырабатываемая на поточно-механи- зированных линиях, завернутая . . ... 6 месяцев вернутая ........... 6 месяцев карамель со сбивными начинками, завернутая . 3 месяца карамель молочная и карамель с ликерными, мо- лочными и масляно-сахарными (прохладитель- ными) начинками, завернутая ..... 3 месяца карамель с начинками, содержащими орехи, зла- ковые, бобовые и масличные культуры . . 2 месяца завернутая карамель мягкая, полутвердая завер- нутая ............ 1,5 месяца карамель «соломка» и фигуры, завернутые . . '15 дней свойством полиэтилена является его низкая устойчивость к жирам. Полиэтиленовая пленка легко поддается термосвариванию. Ее рекомендуется применять для герметической упаковки карамели, конфет, ириса, шоколада и порошка какао. Алюминиевая фольга применяется для завертки шоколада, глазированных конфет, некоторых сортов карамели, печенья и халвы. Фольга обладает хорошей влаго- и жиронепроницаемостью. Получают ее прокаткой отожженного алюминия в виде тонких листов. Толщина фольги от 0,009 до 0,015 мм. Фольга выпускается гладкая и тисненая, она может быть окрашена в различные цвета. Для машинной завертки применяется рулонная фольга. Рулонная фольга перекладывается бумагой, служащей подверткой при завертывании кондитерских изделий. Кроме того, выпускается каширо-ванная фольга, склеенная с бумагой. ТАРА Жестяные банки и коробки различной формы применяются для герметичной упаковки карамели, халвы, печенья. Банки и коробки изготовляют из белой жести, т. е. жести, покрытой с двух сторон слоем олова, предохраняющим ее от коррозии. На поверхности банок и коробок отпечатываются многокрасочные рисунки. В качестве наружной тары применяются короба из гофрированного картона, литая тара, фанерные и тесовые ящики. Тара из гофрированного картона и бумаги изготовляется на специальных агрегатах. В зависимости от назначения короба имеют емкость от 5 до 20 кг изделий. Тара из гофрированного картона стала широко применяться за последнее десятилетие ввиду целого ряда преимуществ по сравнению с тесовой и фанерной тарой: достигается большая экономия теса и фанеры, обычно изготовляемых из лучших сортов древесины; изготовление тары из гофрированного картона в большей степени механизировано; она обладает большой транспортабельностью, так как обычно транспортируется в виде сложенных комплектов. Тара из гофрированного картона может быть многократно использована, а за негодностью может быть возвращена в бумажную промышленность как сырье. Короба из гофрированного картона обладают высокой, прочностью. Их влажность не должна превышать 12%. Размеры тесовых и фанерных ящиков для упаковки различных кондитерских изделий приведены в главе VIII Влажность деревянной тары для упаковки кондитерских изделий — не более 10—12%. Для внутригородских перевозок кондитерских изделий применяются многооборотные ящики, изготовляемые из фанеры и тесовых планок. Ящики окрашиваются масляной краской или бакелитовым лаком и имеют штамп с наименованием фабрики, ее местонахождения и т. д. Крышки многооборотных ящиков скрепляются с ящиком проволокой и затем при помощи тонкой проволоки пломбируются. Применение многооборотных ящиков дает значительную экономию в таре. 70 Глава II ПРОИЗВОДСТВО КАРАМЕЛИ Карамель представляет собой кондитерские изделия, состоящие в основном из карамельной массы, твердого аморфного вещества, получающегося увариванием сахаро-паточного раствора до остаточной влажности 1—3%. Вырабатываемые сорта карамели делятся на две основные группы: 1) леденцовая карамель, изготовленная целиком из карамельной массы; 2) карамель с начинкой, состоящая из оболочки, изготовленной из карамельной массы и начинки. Карамель с начинкой в зависимости от характера применяемой начинки разделяется на подгруппы: а) карамель с фруктово-ягодными начинками, б) карамель с помадными начинками, в) карамель с ликерными начинками, г) карамель с медовыми начинками, д) карамель с молочными начинками, е) карамель с марципановыми начинками, ж) карамель с ореховыми начинками, з) карамель с шоколадными начинками, и) карамель с масляно-сахарными (прохладительными) начинками, к) карамель со сбивными начинками. По внешнему оформлению карамель бывает завернутая и открытая. Открытая карамель упаковывается в разнообразную герметическую тару, или поверхность карамели подвергается особой обработке. По характеру обработки поверхности также различается большое количество сортов (глянцованная, дражированная, обсыпанная сахаром и т. п.). Исходным материалом для производства карамели служит сахар, крахмальная патока и разнообразные виды сырья для начинки (фруктово-ягодные заготовки, жиры, молоко, орехи, мед и др.). Кроме того, большое значение для качества карамели имеют применяемые кислоты, ароматические и красящие вещества. Производство карамели распадается на несколько стадий: варка сиропа, варка карамельной массы, варка начинки, подготовка карамельной массы к формованию, формование карамели, охлаждение карамели, завертка или обработка поверхности карамели, 71
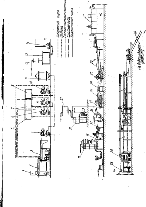
расфасовка и упаковка. Все эти стадии на передовых предприятиях объединены в единый поточно-механизированный процесс. ТЕХНОЛОГИЧЕСКИЕ СХЕМЫ ПРОИЗВОДСТВА КАРАМЕЛИ В промышленности применяются механизированные и полумеханизированные поточные схемы производства карамели. При механизированном поточном способе производство осуществляется непрерывным потоком, производственные стадии полностью механизированы и весь процесс производства карамели от загрузки сырья до получения расфасованной или упакованной карамели протекает без прикосновения рук рабочих. Технологическая схема механизированного поточного производства карамели с начинкой приведена на рис. 4. Просеянный и очищенный от металлических примесей сахарный песок поступает в распределительный бункер / шнекового питателя 2, а из него з воронку смесителя 3. Сюда из расходных баков 5, 7, 9 плунжерными насосами 6, 8, 10 дозируется патока, инвертный сироп, вода. Из смесителя кашицеобразная смесь плунжерным насосом 4 прокачивается через змеевик варочной колонки //. Готовый карамельный сироп проходит контрольный фильтр 12 и сливается в сборник 13, откуда насосом 14 подается в вакуум-аппарат 15 для уваривания его в карамельную массу с влажностью 1—3%. Уваренная масса периодически, через определенные промежутки времени, автоматически выгружается в приемную воронку охлаждающей машины 16. Проходя по охлаждаемому водой барабану и наклонной плите в виде непрерывной ленты, карамельная масса охлаждается. В конце плиты в нее специальными дозаторами вводятся красители, кислота и эссенция. Охлажденная масса ленточным транспортером 17 направляется на тянульную машину 18 с наклонными пальцами. Здесь, непрерывно перетягиваясь и смешиваясь с воздухом, она становится непрозрачной и блестящей. Из тянульной машины карамельная масса ленточным транспортером 19 подается в караме-леподкаточную машину 20, образуя в ней батон в виде конуса. Уваренная начинка подается в сборник 21 и оттуда самотеком в темперирующую машину 22. Темперированная начинка насосом 23 прокачивается через фильтр и поступает в приемник насоса начинконаполнителя. Насос начинконаполнителя непрерывно нагнетает начинку в карамельный батон по трубке, расположенной вдоль оси карамелеподкаточной машины, вокруг которой вращается батон. Узкий конец карамельного батона с начинкой непрерывно оттягивается жгутовытягивателем 24. Откалиброванный жгут карамели направляется в карамелеформующую машину 25, где карамели придается определенная форма. Из карамелеформующей машины карамель в виде цепочки поступает на узкий охлаждающий транспортер 26, которым подается в шкафной охлаждающий аппарат 27; здесь карамель охлаждается поступающим воздухом. Из 72 охлаждающего шкафа карамель переходит на распределительный транспортер 28 и с него по наклонным желобкам с затворами поступает в автоматические питатели заверточных машин 29 или в аппарат для глянцевания. Завернутая карамель попадает на сборный конвейер и с него по наклонному желобу 30 или ленточному транспортеру через автоматические весы — в короба, которые автоматически заклеиваются и оклеиваются бандеролью. Нами описана технологическая схема механизированной поточной линии производства тянутой карамели с начинкой. В промышленности применяется, кроме того, универсальная механизированная поточная линия производства карамели, на которой можно изготовлять карамель с прозрачной и тянутой оболочкой, с начинкой и без начинки. На рис. 5 приведена технологиче-
Рис. 5. Схема универсальной механизированной поточной линии производства карамели. екая схема такой линии. Основные особенности линии заключаются в применении усовершенствованной охлаждающей машины и проминального транспортера. Уваренная в вакуум-аппарате / карамельная масса поступает на охлаждающую машину 2. После подачи добавочных веществ карамельная лента специальным приспособлением завертывается в жгут и переходит на проминальный транспортер 3, На проминальном транспортере карамельный жгут, проходя между зубчатками, имеющимися на транспортере, проминается. После проминального транспортера при изготовлении тянутой карамели карамельная масса направляется в тянульную машину 4, откуда по ленточному транспортеру 5 переходит в караме-леподкаточную машину. При выработке прозрачной карамели карамельная масса после проминального транспортера проходит над тянульной машиной по съемному желобу на транспортер 5 и затем в карамелеподкаточную машину. В дальнейшем процесс такой же, как на механизированной поточной линии для производства тянутой карамели. ПРИГОТОВЛЕНИЕ КАРАМЕЛЬНОГО СИРОПА Приготовить карамельную массу увариванием растворов сахарозы нельзя. При их концентрировании, когда растворы станут 74 перенасыщенными, начинается выделение из растворов кристаллов сахарозы. Для того чтобы воспрепятствовать кристаллизации сахарозы, необходимо к раствору прибавить вещества, повышающие ее растворимость или создающие условия, при которых задерживалась бы перегруппировка молекул в направлении образования пространственной кристаллической решетки. При приготовлении карамельной массы в качестве веществ, задерживающих кристаллизацию сахарозы, применяется крахмальная патока или инвертный сахар. Исследованиями установлено, что патока и инвертный сахар не повышают растворимость сахарозы в воде. В их присутствии растворимость сахарозы уменьшается, но увеличивается количество сухих веществ, содержащихся в насыщенном сахаро-паточном и саха-ро-инвертном сиропе. В присутствии инвертного сахара в растворе сахарозы общее количество сухих веществ в насыщенном растворе возрастает в еще большей степени, чем при добавлении патоки. В карамельном производстве принято следующее соотношение между сахаром и патокой в рецептуре карамельной массы: на 100 частей сахара 50 частей патоки (по массе). Это нормальная рецептура. Патока частично или полностью может быть заменена инвертным сахаром. Процесс приготовления карамельной массы разделяется на две стадии — приготовление карамельного сиропа и уваривание его в карамельную массу. СПОСОБЫ ВАРКИ КАРАМЕЛЬНОГО СИРОПА На наших предприятиях применяются периодические и непрерывные методы приготовления карамельного сиропа. При периодическом ведении процесса получили распространение два способа: 1. Варка сиропа на патоке с предварительным растворением сахара в воде. Сахар растворяют в воде, затем добавляют патоку и уваривают сироп до необходимой концентрации. 2. Варка сиропа на патоке с растворением сахара в патоке. При этом сахар растворяют в предварительно нагретой патоке с малым добавлением воды. Вода вводится в виде конденсата пара, нагревающего смесь сахара и патоки, и в виде некоторого количества водопроводной или сладкой воды, получаемой после промывки карамельных вакуум-аппаратов. После растворения сахара сироп уваривают до необходимой концентрации. В случае недостатка патоки ее заменяют инвертным сахаром, при этом применяют два способа приготовления сиропа: 1. Варка сиропа на нейтрализованном инвертном сиропе. Сироп варят по первому или второму способу, но вместо патоки вводят отдельно приготовленный инвертный сироп или заменяют им часть патоки. 2. Кислотный способ варки сиропа, когда вместо патоки в чи- 75 стый сахарный сироп добавляют какую-либо кислоту. Под влиянием этой кислоты часть сахара переходит в инвертный сахар, заменяющий патоку. Непрерывные способы приготовления карамельного сиропа, широко внедряемые на передовых предприятиях, основаны на следующих принципах: 1. Смешивание сахара с патокой или инвертным сиропом и с небольшим количеством воды (или без воды) до кашицеобразного состояния; растворение сахара в воде, содержащейся в смеси, при нагревании под давлением. 2. Растворение сахара в воде, смешивание раствора с патокой или инвертным сиропом и уваривание до необходимой концентрации. Варка сиропа на патоке с предварительным растворением са хара в воде. Первая операция при варке сиропа — растворение сахара. Его производят в том же варочном котле, в котором происходит варка, или отдельно. Для растворения сахара применяют периодически действующие котлы или непрерывно работающие станции. Последние мы рассмотрим позже. Котлы для растворения сахара используют различной формы и размеров. Их снабжают змеевиком для обогрева и барботером, иногда мешалками, снаружи изолируют. При работе в котел наливают горячую воду, в змеевик пускают пар и засыпают в котел сахар. Сахар вначале просеивают на вибрационном сите для отделения крупных посторонних примесей. На вибрационном сите устанавливают магниты, которые задерживают примеси железа, иногда содержащиеся в сахаре. Сахар в котлы загружают элеватором, шнеком или вручную. После загрузки сахара включают барботер. Воды вводят 15 л на каждые 100 кг сахара. Кроме того, в результате конденсации пара, вводимого через барботер, добавляется воды 10—15 кг. Процесс считается законченным тогда, когда растворится весь сахар и сироп сделается совершенно прозрачным. Его влажность должна быть около 20%, температура кипения около 110°С. При растворении сахара иногда вместо водопроводной воды используют сладкие промывные воды, получающиеся при промывке карамельных вакуум-аппаратов и содержащие 1,5—5,0% сахара. Сироп перед поступлением на последующую обработку проходит через фильтр, состоящий из набора сит: первое сито с диаметром ячеек 1 мм, второе — 0,5 мм, третье имеет 900 ячеек в 1 см2 . В том случае, если карамельный сироп варят в том же котле, в котором производят растворение сахара, сахарный сироп уваривают до содержания влаги 13—15% и добавляют в него патоку. Количество патоки при работе по нормальной рецептуре должно составлять 50% к массе загружаемого сахара. Затем продолжают уваривание до достижения температуры 115—117°С, что соответствует влажности 14—15%. Избыточное давление пара при варке си- 76 ропа поддерживают 392—589 кн/м^ (4—6 ат). Патоку необходимо добавлять почти в конце уваривания, для того чтобы под влиянием кислотности патоки не происходило большого увеличения содержания инвертного сахара в сиропе и его потемнения в результате разложения инвертного сахара до продуктов, повышающих гигроскопичность карамельной массы. При наличии отдельной станции растворения сахара сахарный сироп насосом перекачивается через фильтр в варочные котлы, в которых готовят карамельный сироп. Для этой цели применяют котлы такого же типа, что и для растворения сахара, но без бар-ботера. Вначале уваривают чисто сахарный сироп до содержания влаги около 15%, затем в негр добавляют патоку и уваривание продолжают. На мелких предприятиях для уваривания карамельного сиропа применяют варочные котлы с рубашечным обогревом, имеющие разнообразные размеры б зависимости от мощности предприятия. Если растворение сахара производят в котлах без барботеров, воды вводят 25—30% по массе сахара. Варка сиропа с растворением сахара в патоке. Основная особенность этого способа заключается в том, что для растворения сахара при варке сиропа берут очень мало воды. В чистый котел загружают небольшое количество сладкой воды (не более 10% по массе сахара) и патоку с температурой 60°С. Затем пускают пар в барботер и одновременно постепенно засыпают сахар. После растворения сахара подачу пара через барботер прекращают и пускают пар в закрытый змеевик, имеющийся в варочном котле. Избыточное давление пара поддерживают 392— 490 /сн/ж2 (4—5 ат). Сироп уваривают до содержания вг нем влаги 14—16%. Варка сиропа по описанному способу происходит быстрее, чем при способе с растворением сахара в воде, поэтому в сиропе накапливается меньшее количество инвертного сахара и продуктов его разложения. В настоящее время при периодических способах работы применяют преимущественно способ с растворением сахара в патоке при малом добавлении воды. Варка сиропа на нейтрализованном инверте. Процесс варки сиропа на нейтрализованном инвертном сиропе ведут в той же последовательности, как и при варке сиропа на патоке, но со следующим различием. Чисто сахарный сироп уваривают до несколько большей температуры кипения, для того чтобы сократить продолжительность нагревания инверта при дальнейшей варке, так как инвертный сахар легче, чем патока, разлагается при нагревании. При достижении заданной температуры кипения в котел добавляют заранее приготовленный нейтрализованный инвертный сироп. Карамельный сироп готовят только с добавлением инвертного сахара или частично добавляют патоку. Сперва вводят патоку, а затем инверт. Инвертный сироп вводят в таком количестве, чтобы в готовой 77 карамельной массе содержалось 18—20% редуцирующих веществ. При этом необходимо учитывать, что при приготовлении карамельного сиропа, его транспортировании и уваривании карамельной массы происходит некоторое нарастание количества инвертного сахара. Обычно в карамельном сиропе при влажности его 14—16% при полной замене патоки инвертом поддерживают содержание редуцирующих веществ 14—16%, при частичной замене —не выше 15/0. Кислотный способ варки сиропа. В сахарный сироп во время варки добавляется кислота, под действием которой образуется ин-вертный сахар, заменяющий патоку. Инвертный сахар образуется непрерывно, начиная от момента введения кислоты, и не только при варке карамельного сиропа, но и при перекачивании и хранении его в сборниках, и при варке карамельной массы. Дозировку кислоты обычно рассчитывают таким образом, чтобы в готовой карамельной массе содержалось 18—20% редуцирующих веществ. Чем более длительное время воздействует кислота на сироп, тем меньшее количество ее надо применять. При варке сиропа кислотным способом обычно применяют органические кислоты — лимонную, винную, молочную. Эти кислоты производят слабо инвертирующее действие, поэтому нарастание инвертного сахара идет медленно и плавно. Чаще всего применяют молочную кислоту, обладающую наименьшей инверсионной способностью из всех органических кислот, применяемых в кондитерской промышленности. Количество добавляемой кислоты зависит не только от времени ее воздействия, но и от качества сахара, от количества и характера содержащихся в нем примесей. Дозировка кислоты обычно определяется практическим путем с учетом особенностей работы каждой фабрики и качества сахара. Молочную кислоту концентрацией 40—45% вводят в количестве от 0,3 до 3,5 кг на I т сахара. При^ работе на нейтрализованном инвертном сиропе при правильной его дозировке получается карамельная масса более постоянного состава, чем при применении кислотного способа. Однако при кислотном способе карамельная масса получается более светлая. Если применяют уменьшенное количество патоки или совсем ее не применяют, то используют преимущественно нейтрализованный инвертный сироп. Кислотный способ применяется на мелких предприятиях и в основном в тех случаях, когда в рецептуру входит некоторое количество патоки. Патока обладает буферной способностью и в ее присутствии нарастание инвертного сахара под действием добавляемой кислоты происходит медленнее и равномернее. Те же результаты можно получить, добавляя в сироп лак-тат натрия. Степень уваривания карамельного сиропа контролируют по его температуре кипения. Варочные котлы снабжают дистанционными сигнализирующими термометрами. Температура кипения карамельных сиропов зависит от содер- 78 жания в них сухих веществ и рецептуры, по которой они приготовлены. Зависимость от рецептуры объясняется тем, что температура кипения растворов одной и той же концентрации сахарозы, инвертного сахара и патоки различна, что можно видеть из табл. 13 (по П. С. Бухарову). Таблица 13
Чтобы получать сироп с постоянной концентрацией, необходимо устанавливать его конечную температуру кипения в зависимости от рецептуры. НЕПРЕРЫВНЫЕ СПОСОБЫ ПРИГОТОВЛЕНИЯ КАРАМЕЛЬНОГО СИРОПА В последние годы на передовых предприятиях внедрены и продолжают внедряться непрерывные станции приготовления карамельного сиропа, обеспечивающие быстрое протекание процесса и получение карамельного сиропа и карамельной массы высокого качества, более стойкой при хранении по сравнению с карамельной массой, приготовляемой при периодических способах. Наиболее широкое применение находит непрерывно действующая станция системы фабрики им. Бабаева. Здесь сахар не растворяют вначале в воде, а смешивают его с патокой и некоторым количеством водопроводной воды (17—20% по массе сахара). Кашицеобразную смесь нагревают под давлением, при этом сахар растворяется в воде, содержащейся в смеси. Станция фабрики им. Бабаева работает следующим образом (см. рис. 4) *. Сахар в мешках поступает из склада по ленточному транспортеру. При переходе с ленточного транспортера на вибротранспортер мешки распарывают и сахар ссыпается на вибрационное сито с магнитами. Просеянный и очищенный от металлических примесей сахар поступает в распределительный бункер 1 шнекового питателя 2, а из него в воронку смесителя 3. Сюда из расходных баков 5, 7, 9 плунжерными насосами 6, 8, 10 дозируется патока, инвертный сироп, вода. Смеситель представляет собой горизонтальный цилиндр с паровым обогревом, внутри которого параллельно расположены два * В технологической схеме, приведенной на рис. 4, дана сиропная станция системы фабрики им. Бабаева. 79 горизонтальных вала с лопастями, установленными под определенным углом. Лопасти, вращаясь навстречу одна другой, интенсивно перемешивают смесь, перемещая ее вдоль оси, и выталкивают под давлением в трубопровод, соединенный с плунжерным насосом 4. Кашицеобразная смесь, нагретая до 65—70°С, насосом прокачивается через змеевик варочной колонки //, обогреваемой паром под давлением 589 кн/м* (6 ат). Благодаря давлению, создаваемому насосом в змеевике, смесь нагревается до более высокой температуры, чем ее можно нагреть при атмосферном давлении, не подвергая раствор концентрированию. Температура при выходе сиропа из змеевика около 125°С и избыточное давление в змеевике 78—147 кн/м* (0,8—1,5 ат). В результате повышения температуры происходит более быстрое растворение кристаллов сахара в несколько меньшем количестве воды, чем принято обычно в других системах сиропных станций. В колонке также выпаривается некоторое количество влаги. При работе по нормальной рецептуре содержание влаги в рецептурной смеси, поступающей в змеевик варочной колонки, 17—19%, а карамельного сиропа — 13—16%. Готовый сироп проходит контрольный фильтр 12 и сливается в сборник 13, откуда насосом 14 перекачивается к вакуум-аппаратам для уваривания его в карамельную массу. Весь процесс приготовления сиропа продолжается 5—6 мин, а нагревание его в варочной колонке 1,5—2,0 мин. В этих условиях глубокого разложения Сахаров не происходит, образуются только первичные продукты разложения и продукты их конденсации (реверсии), которые, являясь антикристаллизаторами, не обладают гигроскопическими свойствами и не ухудшают качества карамели. По данным ВНИИКП, продуктов реверсии в карамельном сиропе, приготовленном на станции системы фабрики им. Бабаева, содержится 3,6—4,9%. В то же время увеличение содержания редуцирующих веществ в кармельном сиропе по сравнению с рецептурной смесью незначительно. При работе по нормальной рецептуре в рецептурной смеси содержится в пересчете на сухие вещества 11,4— 13,4% редуцирующих веществ, в карамельном сиропе 11,5—14,0%. При правильном проведении технологического режима варки карамельного сиропа по схеме фабрики им. Бабаева карамельная масса получается более светлой и более стойкой при хранении. В ней содержится мало инвертного сахара ', увеличивающего гигроскопичность карамели, значительное же содержание продуктов реверсии предохраняет ее от засахаривания. На другом принципе основана работа непрерывно действующей сиропной станции фабрики «Красный Октябрь». Она состоит из станции для растворения сахара, приготовления инвертного сиропа и приготовления карамельного сиропа. Для растворения сахара применяется горизонтальный аппарат, состоящий из четырех секций и имеющий поверхность нагрева. Са-1 В неподкисляемой карамельной массе 13,0—15,0% инвертного сахара. хар непрерывно поступает в первую секцию растворителя. Туда же непрерывно поступает подогретая вода в количестве 0,25 частей на 1 часть сахара. Сахар, смешиваясь с водой, переходя из секции в секцию и нагреваясь, растворяется. Сахарный сироп, приготовленный в непрерывно действующем растворителе, через фильтр поступает в сборник, из которого перекачивается в расходный бак для приготовления карамельного сиропа или на станцию приготовления инвертного сиропа. Из расходных баков плунжерными насосами-дозаторами в смеситель непрерывно подается сахарный сироп, патока и инвертный сироп в соотношениях, установленных рецептурой. После наполнения одного смесителя наполняют следующий. Смесь тщательно перемешивается и насосом подается в змеевиковую колонку для уваривания. После змеевика уваренная смесь попадает в пароотде? литель, где паровоздушная смесь отсасывается вентилятором. Готовый карамельный сироп сливается в приемный бак. Из бака сироп перекачивается насосом по замкнутой магистрали, из которой по мере надобности отбирается в бачки, установленные перед вакуум-аппаратами. По данным ВНИИКП, общая продолжительность приготовления карамельного сиропа, начиная от загрузки сахара в растворитель, на станции фабрики «Красный Октябрь» около 8 мин, ува-ривание рецептурной смеси продолжается всего 2 мин. При работе по нормальной рецептуре в сиропе содержится в пересчете на сухие вещества 15—18% редуцирующих веществ. Влажность карамельного сиропа 13—16%. Сироп получается светлый. Производительность станции до 8 т сиропа в час. ВАРКА КАРАМЕЛЬНОЙ МАССЫ Карамельный сироп содержит 12—16% влаги, в карамельной массе ее должно быть не более 1—3%. Для получения карамельной массы из карамельного сиропа необходимо удалить излишек влаги. Удаление влаги из сиропа производят в вакуум-аппаратах, стремясь вести процесс быстро и при более низких температурах. Это необходимо для того, чтобы избежать разложения Сахаров, содержащихся в сиропе, под воздействием высокой температуры и длительного времени. При атмосферном давлении карамельный сироп, приготовленный по нормальной рецептуре, кипит при 114°С, а карамельная масса — при 160°С. При разрежении температура кипения резко снижается, о чем можно судить по данным табл. 14 (по П. С. Бу-харову и Т. Н. Патер). На степень разложения Сахаров сильно влияет длительность воздействия высокой температуры. В качестве примера укажем, что если выпаривать сахаро-паточный раствор, приготовленный по нормальной рецептуре, до температуры кипения 160°С в течение 90 мин вместо 30 мин, то кислотность его увеличится в 6,4 раза, цветность в 6 раз. 81 Таблица 14
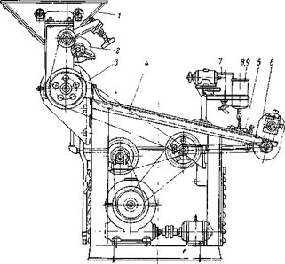
Мы здесь привели изменение кислотности и цветности именно потому, что при глубоком разложении Сахаров образуется кислота и гуминовые вещества, повышающие кислотность и цветность продукта. При коротком воздействии высокой температуры на сахаропа-точные растворы обычно не наблюдается значительного изменения Сахаров и поэтому кислотность и цветность почти не изменяются. Для уваривания сиропа в карамельную массу в производстве применяют непрерывно действующие змеевиковые вакуум-аппараты нескольких систем, отличающиеся конструктивным оформлением, но работающие по одному принципу. Рассмотрим этот принцип на примере работы вакуум-аппарата с выносной вакуум-камерой. Эта система аппаратов наиболее широко применяется в настоящее время. Вакуум-аппарат (рис. 6) состоит из двух основных, соединенных между собой частей: паровой колонки / с змеевиком и вакуум-камеры 2, разделенной на две конусные части — внутренний 3 и наружный 4 конические сборники, имеющие рубашки, обогреваемые паром. Сборники сообщаются между собой патрубком-клапаном 5. Нижняя часть камеры также имеет клапан для выгрузки карамельной массы. В паровую колонку подается пар, обогревающий змеевик снаружи. Сконденсировавшийся пар удаляется из нижней части колонки, проходя через конденсатоотводчик. Через змеевик плунжерным насосом под давлением 98—147 кн1м° (1 —1,5 ат) прокачивается снизу вверх карамельный сироп. Количество подаваемого сиропа можно регулировать, изменяя ход плунжера насоса с помощью кулисного механизма. Проходя через змеевик, сироп нагревается, закипает и, смешанный с выделившимся из него паром, поступает в верхнюю часть вакуум-камеры. В верхней и нижней 82 . частях камеры поддерживается разрежение, создаваемое мокро-воздушным вакуум-насосом с конденсатором.
Попадая в вакуум-камеру, сироп под влиянием разрежения разбрызгивается, содержащиеся в нем частицы пара отделяются и происходит дальнейшее испарение из него влаги вследствие изменения температуры кипения при разрежении. Выделившийся из си- Рис. 6. Вакуум-аппарат для уваривания карамельной массы. ропа пар поступает в конденсатор, в который подается мелко разбрызгиваемая холодная вода. Конденсированный пар, смешанный с охлаждающей водой, откачивается мокровоздушным вакуум-насосом вместе с воздухом, выделившимся из сиропа, а также попавшим в аппарат через неплотности и при выгрузке карамельной массы. 83 Карамельная масса из верхней камеры через патрубок стекает в нижнюю и здесь собирается. По мере накопления массу выгружают через нижний клапан, предварительно закрыв внутренний клапан. Процесс уваривания сиропа во время разгрузки не прекращается, но карамельная масса собирается в верхней камере. Процесс уваривания протекает очень быстро. Разгрузку аппарата производят через каждые 1,5—2 мин. Необходимо следить за тем, чтобы в аппарате не накапливалось много массы. При большом накоплении масса может перебрасываться вместе с экстрапарами в конденсатор и мокровоздушный насос. Это вызовет большие потери. В производстве карамели применяются змеевиковые вакуум-аппараты и других конструкций, отличающиеся размерами поверхности нагрева и размещением греющей части и вакуум-камеры. Имеются конструкции, в которых греющая часть расположена под вакуум-камерой. Такие аппараты имеют большую высоту, поэтому их применение в непрерывных линиях затруднительно. В настоящее время наиболее широко применяются аппараты, работающие по описанному методу и имеющие вакуум-камеру, отделенную от' паровой колонки. У этих аппаратов варочная колонка и вакуум-камера могут монтироваться в различных помещениях. Производительность вакуум-аппаратов в сильной степени зависит от давления греющего пара. Обычно поддерживают избыточное давление пара в вакуум-аппарата 589 кн/м2 (6 ат). При снижении давления пара резко падает производительность аппарата. Температура уваренной карамельной массы зависит от рецептуры сиропа, от разрежения в аппарате и от влажности, с которой хотят получить карамельную массу. В зависимости от этих факторов температура колеблется при работе на патоке в пределах 105— 125°С, а при работе на инверте 115—135°С. Влажность карамельной массы обычно бывает 1—3%, а для карамели, формуемой на ирисоформующе-заверточной машине, 4%. Процесс уваривания карамельного сиропа в карамельную массу в змеевиковых вакуум-аппаратах протекает очень быстро (1,5— 2 мин), поэтому химические изменения Сахаров, содержащихся в сиропе, не' очень велики. Количество редуцирующих веществ при уваривании сиропа в карамельную массу увеличивается на 1,5— 3,5%, цветность возрастает примерно на 30%. Вакуум-аппараты при работе их в непрерывно действующей линии снабжаются автоматами выгрузки и автоматическими регуляторами степени уваривания. Выгрузка карамельной массы производится автоматически точно через заданные интервалы времени, обычно через 1,5—2,5 мин в зависимости от производительности аппарата. Степень уваривания регулируется по температуре карамельной массы. При изменении температуры, соответствующей определенной влажности карамельной массы, автомат увеличивает или уменьшает количество пара, поступающего для обогрева. 84 При варке карамельной массы в змеевиках и в других частях вакуум-аппарата образуется слой карамельной массы. Вследствие этого процесс уваривания замедляется. В слое могут образоваться кристаллы сахара, которые вызывают засахаривание карамельной массы. Поэтому необходимо промывать вакуум-аппарат через сиропный насос горячей водой и пропаривать его. При работе по нормальной рецептуре промывка производится 2 раза в смену, при работе же с инвертным сахаром — через каждые 2 ч. Кроме того, вакуум-аппараты промывают всякий раз, как появляются признаки засахаривания карамельной массы. Промывные воды, содержащие 1,5—5% сахара, используются при приготовлении сиропа и начинок Наиболее рационален способ промывки вакуум-аппаратов, применяемый на фабрике им. Бабаева. Здесь промывные воды используются многократно, до тех пор пока содержание сухих веществ в них не достигнет 6—11! %. Промывная вода с таким содержанием сухих веществ поступает в вакуум-аппараты, где раствор уваривается до 70%, фильтруется и используется для приготовления начинок. Применение промывной воды для приготовления карамельного сиропа ухудшает его качество. Промывка и пропаривание вакуум-аппаратов, даже проводимые регулярно, недостаточны для удаления нагара, образующегося в змеевиках вследствие разложения Сахаров сиропа. Этот нагар удаляют промывкой вакуум-аппарата 2%-ным раствором каустической соды. Раствор соды выдерживают в змеевиках вакуум-аппарата 12—24 ч. Можно ускорить промывку, применяя непрерывную циркуляцию внутри змеевика 5%-ного раствора каустической соды. В этом случае промывка продолжается 30—40 мин. На фабриках, вырабатывающих небольшое количество карамели, для уваривания карамельной массы используют универсальные вакуум-аппараты периодического действия, применяемые для уваривания различных масс. Избыточное давление греющего пара в аппарате поддерживают 490—589 кн!м" (5—6 ат). Уваривают сироп до температуры 135—140°С. Эта температура соответствует влажности карамельной массы 5—6%. В нижнем котле поддерживают остаточное давление 8—14,6 кн/м2 (разрежение 650— 700 мм рт. ст.). При переходе в разреженное пространство из массы вследствие снижения температуры кипения испаряется дополнительно 2—3% влаги. Из котла карамельную массу, имеющую температуру 115—125°С, передают на дальнейшую обработку. Для уваривания карамельной массы за рубежом применяют пленочные аппараты. В них увариваемая масса распределяется по поверхности нагрева в виде тонкой пленки, и поэтому процесс протекает очень быстро. По данным фабрики «Красный Октябрь», где пленочный аппарат находится в систематической эксплуатации, продолжительность уваривания 6—8 сек, избыточное давление греющего пара 687 кн/м2 (7 ат), температура выходящей карамельной массы 150°С, влажность около 3%. В процессе уваривания не про- 85 исходит-значительного увеличения содержания редуцирующих веществ. Карамельная масса после аппарата имеет высокую температуру, так как в пленочных аппаратах масса уваривается без разрежения. Поэтому во избежание увеличения содержания редуцирующих веществ и разложения Сахаров, вызывающего потемнение карамельной массы, ее следует по выходе из аппарата быстро охладить. На фабрике «Красный Октябрь» при изготовлении леденцовой карамели применяют способ варки карамельной массы в варочной колонке, работающей без разрежения. В этом случае хорошую карамельную массу можно получить лишь при последующем обязательном очень быстром ее охлаждении '. СОСТАВ КАРАМЕЛЬНОЙ МАССЫ И ЕЕ СВОЙСТВА Карамельная масса, выходящая из вакуум-аппарата, имеет температуру 105—135°С. При этой температуре она представляет собой прозрачную вязкую жидкость. Готовая карамельная масса должна удовлетворять следующим требованиям: 1) быть прозрачной, без следов помутнения, указывающих на начало засахаривания; 2) иметь светло-желтый цвет при работе по нормальной рецептуре и несколько более темную окраску при работе на инвертном сахаре; 3) иметь влажность не более 3%; содержание влаги до 4% разрешается только при изготовлении карамели, формуемой на ирисоформующе-заверточных машинах; 4) содержать инвертного сахара не более 20%; 5) быть пластичной при температурах разделки и формования, т. е. обладать способностью тянуться и принимать любую придаваемую ей •форму. ХИМИЧЕСКИЙ СОСТАВ КАРАМЕЛЬНОЙ МАССЫ Карамельная масса в зависимости от рецептуры ее приготовления имеет в среднем следующий химический состав. Карамельная масса, приготовленная на обычной карамельной патоке, содержит (в %): сахарозы 58, декстринов 20, глюкозы 10, мальтозы 7, фруктозы 3, влаги 2. Карамельная масса, приготовленная с добавлением вместо патоки инвертного сиропа, содержит (в %): сахарозы 78—80, инвертного сахара 18—20, влаги 2. Кроме того, в состав карамельной массы всегда входит некоторое количество продуктов разложения Сахаров, образовавшихся в процессе приготовления карамельного сиропа и карамельной массы, и небольшое количество минеральных веществ, попадающих в нее вместе с сырьем. Из продуктов разложения Сахаров в состав карамели входят ангидриды, продукты реверсии, т. е. продукты, образовавшиеся в 1 См. раздел «Приготовление леденцовой карамели». S6 результате соединения ангидридов с глюкозой или фруктозой, оксиметилфурфурол, красящие и гуминовые вещества, муравьиная и левулиновая кислоты и др. Количество этих продуктов и их соотношение в общем составе продуктов разложения зависит от условий ведения производственного процесса. ФИЗИЧЕСКИЕ СВОЙСТВА КАРАМЕЛЬНОЙ МАССЫ По физическому состоянию горячая карамельная масса представляет собой вязкую жидкость. Вязкость карамельной массы при охлаждении сильно увеличивается. При температуре 80—90°С масса приобретает пластические свойства. Она обретает способность принимать под давлением-любую форму и сохранять ее. При дальнейшем охлаждении до 40—45°С карамельная масса переходит в стекловидное аморфное состояние. Она становится твердой и хрупкой. Чем меньше влажность карамельной массы, тем скорее она затвердевает и тем выше степень ее твердости. Чтобы карамельная масса находилась в аморфном состоянии и сохраняла его, требуется соблюдение ряда условий. Одним из них является поддержание в карамельной массе определенной вязкости. Вязкость карамельной массы зависит от температуры, рецептуры изготовления и влажности. При снижении температуры вязкость карамельной массы резко возрастает. Так, карамельная масса, приготовленная по нормальной рецептуре, при 120°С имеет динамическую вязкость 64 н-сек/м2 (640 из), при 100°С — 900 н-сек/м2 (9000 пз), при 90°С — 5000 н-сек/м2 - (50000 газ). При 90°С карамельная масса, как мы уже говорили, обладает пластическими свойствами. Наиболее вязкой получается карамельная масса, приготовленная с патокой. Чем больше патоки, тем больше вязкость карамельной массы. Вязкость ей придают декстрины, содержащиеся в патоке. Инвертный сахар снижает вязкость карамельной массы. С увеличением содержания инвертного сахара в карамельной массе значительно уменьшается ее вязкость. Опыты показывают, что в карамельной массе, приготовленной на инвертном сиропе, при увеличении содержания редуцирующих веществ в 1,5 раза вязкость уменьшается более чем в три раза. Показатель вязкости чрезвычайно важен для карамельной массы. От вязкости в значительной степени зависит сохранение карамельной массой аморфного состояния при ее обработке. Если карамельную массу долго выдерживать при высокой температуре, при которой она имеет низкую вязкость, то происходит процесс кристаллизации и карамельная масса засахаривается. При увеличении вязкости скорость кристаллизации уменьшается. При быстром охлаждении, как мы видим, резко возрастает вязкость, создаются! условия, задерживающие перегруппировку молекул, кристаллы не образуются, карамельная масса сохраняет свое аморфное состоя- 8?
ние. Поэтому в производственной практике необходимо стремиться к быстрому охлаждению карамельной массы до температуры, близкой к 90С С. При этой температуре карамельная масса имеет высокую вязкость. Способность ее к кристаллизации резко снижается. Она обладает пластическими свойствами, благодаря которым может подвергаться дальнейшей обработке. При засахаривании карамельная масса теряет пластические свойства, а следовательно, и способность поддаваться обработке. Такая карамельная масса является производственным браком. При работе на механизированных поточных линиях очень важно независимо от рецептуры иметь карамельную массу с постоянными механическими свойствами. Одним из наиболее важных свойств является пластичность, которая для аморфных веществ характеризуется вязкостью. Важно, чтобы в разделку поступала карамельная масса с постоянной вязкостью. Вязкость карамельной массы, приготовленной по нормальной рецептуре, при 120°С равна приблизительно 60 н-сек/м2 (600 пз) Во избежание засахаривания ВНИИКП рекомендует поддерживать эту вязкость при выходе из вакуум-аппарата и в том случае, если карамельная масса приготовлена со сниженным количеством патоки или с полной ее заменой инвертным сиропом. Одинаковую вязкость при разной рецептуре можно получить, если изменять содержание влаги в карамельной массе. ВНИИКП рекомендует на практике пользоваться этим приемом. Так, чтобы вязкость была одинакова при изготовлении карамели по разным рецептурам, необходимо поддерживать следующую влажность карамельной массы:
Близкие пластические свойства карамельной массы, приготовленной по разным рецептурам, можно получить изменением не только влажности массы, но температурного режима разделки и формования. Этот прием обычно применялся при немеханизированном способе разделки карамельной массы. Охлажденная карамельная масса представляет собой хрупкое прозрачное стеклообразное аморфное вещество. Однако ее состояние не является устойчивым, с течением времени карамельная масса мутнеет, поверхность ее становится влажной, она постепенно теряет свои аморфные свойства. ГИГРОСКОПИЧНОСТЬ КАРАМЕЛЬНОЙ МАССЫ Карамельная масса гигроскопична. Она поглощает влагу из окружающего воздуха, сорбируя ее поверхностным слоем. Карамельная масса частично растворяется в поглощенной влаге, и ее поверхность покрываемся слоем насыщенного раствора. Из этого слоя влага постепенно диффундирует внутрь массы. На поверхности образуется пересыщенный раствор, из которого происходит кристаллизация сахара, вызывающая помутнение поверхности карамельной массы. Будет ли происходить дальнейшее поглощение влаги, зависит от соотношения упругости паров раствора карамельной массы и упругости паров в окружающем воздухе. В том случае, если упругость паров раствора на поверхности карамельной массы будет меньше, чем упругость паров окружающего воздуха, будет происходить поглощение влаги. Поглощение протекает тем интенсивнее, чем больше разница в упругости паров раствора карамели и воздуха. Процесс поглощения будет протекать до наступления равновесия, т. е. равенства упругости. При равной упругости паров раствора карамельной массы к воздуха влажность карамельной массы будет оставаться постоянной. Если упругость паров раствора будет больше упругости паров воздуха, то карамельная масса будет отдавать влагу воздуху. Упругость паров воздуха тем выше, чем сильнее он насыщен влагой, т. е. чем выше его относительная влажность. Упругость паров насыщенного раствора карамельной массы зависит от ее химического состава. Следовательно, гигроскопические свойства карамельной массы находятся в прямой зависимости от относительной влажности окружающего воздуха и от химического состава карамельной массы. Чем выше относительная влажность воздуха, тем больше и быстрее карамель сорбирует влагу. При высокой относительной влажности воздуха процесс поглощения влаги идет так быстро, что раствор на поверхности карамели становится ненасыщенным и карамель начинает расплываться. При невысокой относительной влажности воздуха сорбция влаги карамелью протекает медленно. Поверхностный слой не успевает разжижиться, но благодаря изменению его вязкости создаются условия для кристаллизации. На поверхности карамели образуется слой мельчайших кристаллов сахара, который задерживает процесс поглощения влаги карамелью. Однако доступ влаги полностью не исключается и карамель, постепенно увлажняясь, все глубже просахаривается. Влияние относительной влажности воздуха в меньшей степени сказывается на гигроскопичности карамели при ее хранении в условиях изменяющейся относительной влажности и при движении воздуха. В этом случае наблюдается более быстрое образование на поверхности карамели кристаллической корочки, которая предо- 89 храняет ее от дальнейшего поглощения влаги и связанных с этим изменений структуры. На стойкость карамельной массы влияет ее влажность. Чем меньше влаги содержится в карамели, тем медленнее проявляются ее гигроскопические свойства. В этом случае требуется большой срок для того, чтобы содержание влаги в карамели достигло такой величины, при которой наступает изменение внешнего вида карамели. Карамельная масса, приготовленная на патоке, менее гигроскопична, чем приготовленная на инвертном сахаре. Большое содержание инвертного сахара в карамельной массе делает ее очень гигроскопичной. Инвертный сахар увеличивает общую растворимость Сахаров, содержащихся в карамельной массе, поэтому насыщенные растворы карамельной массы, содержащей инвертный сахар, имеют низкую упругость пара и, следовательно, обладают высокой гигроскопичностью. В карамельной массе должно содержаться минимальное количество инвертного сахара, необходимое для того, чтобы в процессе ее приготовления не произошло кристаллизации сахара. Необходимо избегать образования инвертного сахара при уваривании карамельного сиропа и карамельной массы. Гигроскопичность карамельной массы, приготовленной на патоке, зависит от количества примененной патоки. Образцы карамельной массы, приготовленные с содержанием патоки до 50% по отношению к массе сахара, хорошо сохраняются, они засахариваются, но не намокают. На гигроскопичность карамели влияет состав углеводов патоки, из которой она готовится. При понижении количества глюкозы в патоке снижается способность карамели поглощать влагу из окружающего воздуха. Для приготовления стойкой против намокания карамели рекомендуют применять низкоосахаренную патоку, содержащую редуцирующих веществ не более 30—34%, в том числе не более 12—13% глюкозы. Карамель, приготовленная на низко-осахаренной патоке, хорошо сохраняется. Вместо низкоосахаренной патоки для получения менее гигроскопичной карамели рекомендуют применять высокомальтозную патоку, производство которой у нас осваивается. О составе и свойствах высокомальтозной патоки мы говорили в главе I. Большое влияние на гигроскопичность карамели оказывают некоторые продукты разложения Сахаров, образовавшиеся в результате нагревания при ее изготовлении. К таким продуктам относится оксиметилфурфурол, красящие и гуминовые вещества. Они повышают цветность и гигроскопичность карамельной массы и готовой карамели. Карамельная масса с большей цветностью обладает большей гигроскопичностью. Однако не все продукты разложения отрицательно влияют на качество карамели. Ангидриды и продукты реверсии задерживают кристаллизацию сахарозы из карамельной массы, способствуют SO сохранению ее в аморфном состоянии. Они не оказывают влияния на гигроскопичность и цветность карамельной массы. Количество и природа образующихся продуктов разложения зависит от условий производства. Карамельная масса на инвертном сахаре содержит большее количество отрицательно действующих продуктов разложения по сравнению с карамельной массой, приготовленной на патоке. С увеличением времени нагревания карамельных сиропов процессы разложения при получении карамельной массы ускоряются, количество продуктов разложения, повышающих гигроскопичность, увеличивается. Количество продуктов разложения, обладающих антикристаллизационными свойствами, увеличивается среди общего количества продуктов разложения с повышением концентрации нагреваемых сахарных растворов. Для получения стойкой карамели технологический режим приготовления карамельного сиропа и карамельной массы должен быть построен так, чтобы сахаро-паточная смесь имела возможно более высокую концентрацию, а время воздействия на нее высокой температуры было минимальным. Эти условия достигаются в некоторой степени при приготовлении карамельного сиропа по схеме фабрики им. Бабаева. ПРИГОТОВЛЕНИЕ НАЧИНОК Вырабатываемая в Советском Союзе карамель готовится с очень разнообразным ассортиментом начинок, отличающихся по видам применяемого сырья и по способам его обработки. Карамель приготовляют с начинками фруктово-ягодными, помадными, ликерными, молочными (помадными и ликерными), медовыми, сбивными, марципановыми, ореховыми, шоколадно-орехо-выми, масляно-сахарными. Большая часть начинок для карамели является полуфабрикатами для других отраслей кондитерского производства. Их производство и обоснование технологического процесса даны в соответствующих разделах настоящего учебника. Здесь мы остановимся на особенностях производства, характерных для карамельных начинок, и на требованиях, которые предъявляются к начинкам со стороны карамельного производства. Все виды начинок должны удовлетворять следующим требованиям: 1. Начинка должна быть стойкой при хранении, т. е. не изменять с течением времени своих вкусовых качеств и консистенции. Стойкость начинок при хранении достигается правильным составлением рецептуры. Высокое содержание в начинках сахара (выше 70%) препятствует ее порче под влиянием микроорганизмов. Наличие в начинке достаточного количества патоки или инвертного сахара предохраняет ее от засахаривания. Начинки не должны со- 91 держать быстропортящихся жиров и других видов скоропортящегося сырья. 2. Начинка не должна растворять карамельную оболочку. Растворение оболочки происходит в том случае, если начинка имеет повышенную влажность. При повышенной же влажности начинки происходит просахаривание карамели, начинающееся со слоев, примыкающих к начинке. 3. Начинка должна иметь однородную консистенцию и достаточную вязкость при температурах разделки и формования. Вязкость начинки при температуре около 60С С должна обеспечивать нормальные условия формования карамели. Необходимая вязкость достигается регулированием влажности и правильным соотношением отдельных видов сырья при составлении рецептуры. ФРУКТОВО-ЯГОДНЫЕ НАЧИНКИ Фруктово-ягодные начинки представляют собой продукт, полученный увариванием плодовой мякоти с сахаром и патокой. В качестве фруктового сырья применяются пюре, сульфитированные плоды и ягоды (пульпа), припасы, подварки. Яблочное пюре или яблочная пульпа — основное сырье, входящее в состав рецептуры почти всех сортов фруктово-ягодных начинок. Яблочное пюре содержит до 1 % пектина, который является основным веществом, придающим начинкам необходимую вязкость. Процесс приготовления фруктово-ягодных начинок на передовых кондитерских фабриках состоит из нескольких операций. Первая из них заключается в подготовке фруктово-ягодного сырья к производству. При переработке сульфитированных плодов и ягод (пульпы) они подвергаются шпарке. При шпарке плоды и ягоды размягчаются и из них удаляется вместе с паром сернистая кислота, введенная для консервирования. Шпарку производят в открытых варочных котлах с рубашечным обогревом, в специальных шнековых шпарителях или в закрытых баках, снабженных нагревательными элементами и вытяжным устройством. Прошпаренная пульпа грубо измельчается и поступает для протирки в протирочную машину. Если для приготовления начинки применяют пюре, оно подается насосом также в протирочную машину для отделения посторонних примесей и оставшихся частиц кожицы, семян и пр. В протирочной машине пюре и пульпа протираются лопастями через медное или алюминиевое сито с ячейками диаметром 1 мм. При протирке пюре получается около 0,2% выте-рок, не используемых в производстве. После протирки пюре насосом перекачивают в рецептурные баки, где смешивают его с сахарным сиропом, патокой или сиропом, приготовленным из карамельных отходов («крошки»). Сироп и патоку перед подачей в рецептурные баки фильтруют. Сахарный сироп пропускают через фильтр с тремя сетками: первая с диаметром 92 ячеек 3—4 мм, вторая — 1,5—2 мм; третья должна иметь 400— 900 ячеек на 1 см2 . Патоку фильтруют через сито с диаметром ячеек 1,5 мм, сироп из карамельных отходов — через два сита: первое с диаметром ячеек 2—3 мм, второе — 1,5 мм. Рецептурную смесь перекачивают насосом в сборники перед вакуум-аппаратами или непосредственно в вакуум-аппараты под разрежением, где фруктовую массу уваривают до требуемой влажности. Готовая фруктовая масса удаляется из вакуум-аппарата самотеком или выкачивается насосом. Вакуум-аппараты имеют то преимущество, что позволяют проводить процесс уваривания массы при достаточно низкой температуре, поэтому опасность разложения пектина и сахара устраняется. Для изготовления начинок применяют все виды фруктово-ягодных пюре. Обычно в качестве основы берут яблочное пюре и к нему для придания вкуса и аромата добавляют различные ягодные полуфабрикаты. Для того чтобы вкус добавляемого пюре хорошо ощущался, следует брать яблочного пюре не более 2 кг на каждый килограмм добавляемого полуфабриката. Количество патоки, предусмотренной действующими в настоящее время рецептурами, составляет 50% к массе сахара. Патока может быть полностью или частично заменена инвертным сахаром. Сахаристых веществ при составлении рецептуры берется до 1,5 кг на каждый килограмм пюре. Сахаристыми веществами здесь мы называем сахар, сироп и патоку без содержащейся в них воды. При составлении рецептуры фруктово-ягодное пюре и часть сахара могут быть заменены подварками. 100 кг подварок заменяют 79,0 кг пюре и 61,2 кг сахара. Припасы добавляют в рецептуру для ароматизации. Подварки и припасы перед введением их в рецептурную смесь протирают на протирочной машине через сетку с диаметром ячеек 2,5 мм. Действующие в настоящее время рецептуры фруктово-ягодных начинок в основном могут быть сведены к четырем группам, приведенным в табл. 15 (количество в кг). Таблица 15
Все открытые сорта карамели с фруктово-ягодной начинкой готовят по рецептуре группы I. Разнообразия вкуса и аромата достигают добавлением различных эссенций. 93 Начинки для высших сортов карамели готовят по рецептуре группы III и частично IV. Здесь различный вкус и аромат начинке придается в основном применением различного ягодного пюре (группа III) или припаса (группа IV). Фруктово-ягодные начинки варят в вакуум-аппаратах периодического действия или змеевиковых вакуум-аппаратах с выносной вакуум-камерой. В вакуум-аппарате периодического действия при уваривании начинки поддерживают избыточное давление греющего пара в 490— 589 кн/м2 (5—6 ат), остаточное давление 28—34 кн/м2 (разрежение 500—550 мм рт. ст.). Слишком высокое разрежение, особенно а конце уваривания, может привести к замедлению варки. Чем выше разрежение, тем ниже температура кипения массы и тем выше ее вязкость. При большей вязкости массы тепло от стенок котла передается хуже, чем при низкой вязкости, и выпаривание замедляется. С другой стороны, достаточно высокая температура необходима для того, чтобы убить микроорганизмы, которые могут быть во фруктово-ягодном сырье. Готовая начинка имеет температуру 80—85°С. Длительность варки в периодически действующих вакуум-аппаратах составляет 20—45 мин в зависимости от объема аппарата. Влажность готовой начинки должна быть 16—19%, для карамели, глазированной шоколадом (типа «Московской»), — 33%. Змеевиковые вакуум-аппараты, применяемые для уваривания фруктовых начинок, отличаются от карамельных в основном тем, что имеют вакуумную часть, по объему в 5—7 раз большую. Кроме того, аппараты снабжаются ловушками, устанавливаемыми на магистрали, ведущей к конденсатору и мокровоздушному насосу. Назначение ловушки — задерживать уносимые вместе с экстрапарами частицы кипящей массы. При применении обычных карамельных вакуум-аппаратов потери сухих веществ начинки в результате уноса с экстрапарами могут составить 20—25%. При уваривании начинки в змеевиковых вакуум-аппаратах давление греющего пара поддерживают 490 кн/м2 (5 ат), остаточное давление 28—34 кн/м2 (разрежение 500—550 мм рт. ст.). Весь процесс уваривания протекает очень быстро, он продолжается 3— 4 мин. Благодаря этому в значительной степени сохраняется первоначальное качество сырья. Начинка получается более светлой и вязкой. Начинка с температурой 80—85°С выгружается из вакуум-аппарата автоматически через определенные интервалы времени. Для этой цели применяют те же автоматы, что и для выгрузки карамельной массы. Для уваривания фруктовой начинки применяются также зме-евиковые аппараты без вакуума. В этом случае процесс протекает полностью непрерывно, упрощается конструкция аппарата, отпадает необходимость в конденсаторе и мокровоздушном насосе: Одна- 94 ко при уваривании начинки без вакуума она получается более темного цвета и менее вязкой. Змеевиковые начиночные вакуум-аппараты необходимо ежесменно промывать горячей водой и раз в неделю 2—3%-ным раствором каустической соды для удаления нагара в змеевиках. На мелких фабриках фруктовую начинку варят в открытых котлах с обогревом паровой рубашкой. В этом случае конечная температура уваривания начинки 108—110°С, длительность варки значительно возрастает по сравнению с варкой в вакуум-аппарате. Качество начинки ухудшается. Процессы, происходящие при варке начинки. При варке фрук-тово-ягодной массы в ней происходят следующие процессы: 1. Испарение излишней влаги. По ВТУ влажность фруктовых начинок не должна быть выше 19,5%. На консистенцию начинок влияет содержание пектина в сырье, но, кроме того, консистенция зависит от влажности начинки. При изготовлении начинок из пюре с высоким содержанием пектина начинку можно уваривать до 19%; при небольшом содержании пектина в пюре — до влажности 16%. 2. Улетучивание сернистой кислоты — консерванта, попадающего в рецептурную смесь вместе с фруктовым сырьем, если оно не подвергается предварительной десульфитации. В этом случае в рецептурной смеси содержится около 0,1% сернистой кислоты. В готовой начинке ее не должно быть более 20 мг на 1 кг фруктовой массы. 3. Разложение пектиновых веществ, происходящее под влиянием высокой температуры. Частично это разложение полезно, так как протопектин, разлагаясь, дает пектины, способные образовывать студень, но одновременно происходит разложение и этих пектинов, так что в результате масса постепенно теряет студ-необразующую способность; наиболее сильно процессы разложения пектина протекают при длительной варке и высокой температуре. При уваривании в змеевиковых вакуум-аппаратах, где время воздействия высокой температуры на сырье незначительно, пектин лучше сохраняет свои свойства, начинка получается более вязкой. Динамическая вязкость фруктово-ягодной начинки при 80—90°С, сваренной в змеевиковых вакуум-аппаратах, 21—70 н-сек/м2 (210—700 пз), сваренной же в вакуум-аппаратах с рубашечным обогревом — 8—15 н-сек/м2 (80—150 пз). 4. Инверсия сахарозы. Под влиянием кислоты фруктового сырья и высокой температуры происходит инверсия сахарозы (в массе обычно содержится 0,6—1,0% кислоты в пересчете на яблочную). В начинке должно содержаться не менее 30% инверт-ного сахара. Такое количество инвертного сахара предохраняет начинку от засахаривания при хранении карамели. Однако в начинке не должно быть очень много инвертного сахара. Большое иго содержание снижает вязкость начинки, повышает суммарную растворимость Сахаров, в результате чего может произойти частич- 95 ное растворение оболочки карамели при хранении. При длительном нагревании фруктовой массы из инвертного сахара образуются различные продукты разложения, придающие начинке темную окраску и неприятный привкус. 5. Уничтожение благодаря высокой температуре микроорганизмов, которые могут попасть в массу вместе с фруктовым сырьем. ДРУГИЕ ВИДЫ НАЧИНОК Помадная начинка представляет собой нежную мелкокристаллическую массу, приготовленную из сахара и патоки. Для придания начинке определенного вкуса в нее добавляют еще некоторое количество фруктово-ягодных полуфабрикатов или вкусовых и ароматических веществ. Приготовление помадной начинки складывается из следующих операций: варка помадного сиропа, охлаждение и сбивание сиропа. Обычная рецептура сиропа — на 100 частей сахара 15—30 частей патоки (по массе), т. е. меньше, чем в карамельном сиропе. Способы приготовления помады для начинки не отличаются от способов, применяемых в производстве конфет. Влажность помадной начинки по ВТУ должна быть не более 14%. Ликерные начинки. Из применяемых при производстве карамели начинок ликерные начинки наиболее жидкие. Их приготовляют из сахара и патоки, взятых в соотношении 1 : 2. Сироп уваривают обычно в вакуум-аппаратах периодического действия или в скрытых варочных котлах до остаточной влажности 13— 15%. Фруктовый ликер готовится с добавлением фруктового или ягодного пюре. В этом случае в рецептуре снижают содержание патоки. В зависимости от количества добавляемого пюре патоки берут от 0,5 до 1,5 частей на 1 часть сахара. В ликерные начинки перед введением их в карамель добавляют. кислоту, спирт или вино. Молочные начинки (помада и ликер) приготовляют так же, как и ликерные и помадные, но при варке сиропа добавляют молоко. Применяют молоко свежее, сгущенное, сухое, цельное или сухое обезжиренное с добавлением сливочного масла. Патоки берется на 100 кг сахара 33 кг для помады и 100—200 кг для ликера. При варке молочных начинок на свежем молоке вначале готовят в открытом варочном котле сахаро-молочный сироп, а затем уваривают его в вакуум-аппарате. Патоку вводят в вакуум-аппарат, предварительно подогрев ее до 60—70°С. Сироп уваривают до остаточной влажности 10—14% в помаде и 13—16% в ликере. При употреблении сгущенного молока вначале уваривают в вакуум-аппарате сахаро-паточный сироп до остаточной влажности 12%, затем в него добавляют сгущенное молоко. В конце варки вводят остальные составные части рецептуры, кроме легколетучих 96 ароматических и вкусовых веществ. Эти вещества вводят в начин--ку после ее охлаждения до 70°С. При варке начинок с применением сухого молока его предварительно растворяют в воде при 38—40°С и затем начинку готовят так же, как на свежем молоке. Медовые начинки представляют собой сахаро-паточный сироп, уваренный с натуральным пчелиным медом с добавлением или без добавления плодового пюре. Медовые начинки варят в открытых варочных котлах или в вакуум-аппаратах. Мед обычно добавляют в конце уваривания, чтобы полностью сохранить его ароматические вещества. Его вводят не менее 30% от массы начинки. Влажность медовых начинок 14—16%. Марципановые начинки готовятся путем тщательного растирания сырых ядер орехов, миндаля, арахиса, абрикосовых косточек и смешивания растертой массы с сахарной пудрой (простой марципан) или завариванием ее сахаро-паточным сиропом (заварной марципан). Влажность марципановых начинок должна быть не более 14%, содержание жира в них не менее 7%. Ореховые и шоколадно-ореховые начинки отличаются от простого марципана тем, что они готовятся смешиванием растертых обжаренных ядер орехов с сахарной пудрой. Смесь должна подвергаться тщательному растиранию на вальцовых машинах. При приготовлении шоколадно-ореховых начинок часть ореховой массы заменяется тертым какао в количестве не менее 10% от массы начинки. Для придания ореховым и шоколадно-ореховым начинкам необходимой консистенции в них добавляют твердый жир: в высшие сорта масло какао, в массовые — сливочное масло и кондитерский жир. Содержание жира должно быть не менее 20%. М а с л я н о-с ахарные (прохладительные) начин-к и готовятся путем смешивания сахарной пудры с кокосовым маслом или кондитерским жиром, специально предназначенным для прохладительных начинок. Применяемая при этом сахарная пудра должна быть тонкого помола. Начинки называются прохладительными, если в качестве ароматических веществ применяется мятное масло или мятная эссенция. Масляно-сахарные начинки должны содержать не менее 29% жира. При отсутствии пудры тонкого помола имеющуюся пудру смешивают с маслом и растирают до полной однородности. При растирании вводят кислоты и ароматические вещества. Сбивные начинки готовятся смешиванием сбитого яичного белка с сахаро-паточным сиропом. Влажность сиропа 7—10%. Яичные белки сбивают в сбивальной машине до образования пышной пены, затем в нее постепенно добавляют сироп, имеющий температуру около 80°С, и вновь сбивают до получения однородной массы. В конце сбивания в массу добавляют ароматические и вкусовые вещества. При изготовлении некоторых сортов сбивных начинок к сиропу добавляют фруктово-ягодные заготовки. Яичные белки могут быть заменены другими пенообразователями. Влажность сбивных начинок по РТУ должна быть не более 15%.
4 Зак, 1459 РАЗДЕЛКА КАРАМЕЛЬНОЙ МАССЫ И ПОДГОТОВКА ЕЕ К ФОРМОВАНИЮ Процесс разделки карамельной массы и подготовки ее к формованию состоит из следующих операций: охлаждение карамельной массы и одновременное с этим подкрашивание ее, подкисление и ароматизация; проминка для прозрачных сортов карамели и вытягивание для непрозрачной карамели с блестящей шелковистой оболочкой; приготовление пластов карамельной массы; подготовка начинки. На кондитерских фабриках применяют поточно-механизированные и полумеханизированные способы производства карамели. Полумеханизированные способы производства применяют в основном для производства карамели с густыми начинками, с двойными начинками, с начинкой «в складку». Формование карамели при том и другом способе механизировано полностью. Разделка же карамельной массы при полумеханизированном способе частично производится вручную. Начальные стадии обработки карамельной массы — ее охлаждение, подкрашивание, подкисление, ароматизация и проминка — одинаковы для всех сортов карамели (леденцовой и с начинкой). ОХЛАЖДЕНИЕ КАРАМЕЛЬНОЙ МАССЫ Карамельная масса, выходящая из вакуум-аппаратов, 'имеет температуру 105—135С С. Ее необходимо быстро охладить до температуры 90°С. При этой температуре карамельная масса приобретает пластические свойства и может быть подвергнута дальнейшей обработке. При поточно-механизированном способе карамельная масса порциями в 18—20 кг выгружается каждые 1,5—2 мин в воронку охлаждающей машины (рис. 7). Из воронки / карамельная масса выходит непрерывной лентой между двумя вращающимися полыми барабанами 2 и 3, которые охлаждаются водой. Передвигаясь по нижнему большому барабану, она попадает на наклонную плиту 4, охлаждаемую водой. Регулируя величину зазора между барабанами, можно поддерживать необходимую толщину карамельной ленты. Карамельная масса, проходя между барабанами (в основном по нижнему барабану), охлаждается. Снизу образуется корочка, которая способствует скольжению массы по охлаждающей наклонной плите. Перед началом работы барабан и наклонную плиту посыпают небольшим количеством талька. При продвижении карамельной массы по наклонной плите она дополнительно охлаждается и в нее через специальные дозаторы 7, 8, 9 непрерывно вводятся раствор краски, кислота и эссенции. В нижней части плиты карамельная лента проходит между под-вертывателями 5, которые свертывают массу в трубочку таким образом, что все добавленные вещества попадают внутрь. Трубочка захватывается валиками, охлаждаемыми водой. Один из валиков 6 имеет зубчатые венцы, благодаря чему масса частично про-98 минается и подается на дальнейшую обработку. Валики способствуют передвижению массы по всей охлаждающей плите. На охлаждающей машине карамельная масса должна быть охлаждена до 88—92°С. Эта температура поддерживается независимо от температуры, с которой карамельная масса поступает на охлаждение.
Рис. 7. Охлаждающая машина. Постоянство температуры достигается двумя путями: регулированием температуры охлаждающей воды и изменением толщины слоя карамельной массы. Толщину слоя карамельной массы с низким содержанием патоки поддерживают в пределах 2—4 мм, при работе по нормальной рецептуре — 4—6 мм. Охлаждающую воду рекомендуется применять с температурой 3—4°С. В летнее время ее целесообразно предварительно охлаждать. Количество охлаждающей воды регулируют таким образом, чтобы вода, выходящая из плиты, имела температуру не выше 35°, а выходящая из барабана была бы на несколько градусов выше начальной. Общая продолжительность охлаждения карамельной массы на охлаждающей машине составляет 20—25 сек. Производительность машины регулируют, изменяя ширину карамельной ленты в пределах 300—600 мм. При полумеханизированном способе карамельную массу выливают из вакуум-аппарата непосредственно на охлаждающий стол или подвозят к нему в котелках. Котелки и охлаждающий стол
•99 смазывают растительным маслом, жиро-восковыми мастиками или посыпают небольшим количеством талька для того, чтобы карамельная масса к ним не прилипала. Массу охлаждают на столе одновременно с двух сторон: снизу охлаждаемой поверхностью стола, а сверху — струей воздуха из воздуховода. Таким образом достигается равномерное и быстрое охлаждение массы. Для охлаждения применяют стальные или чугунные столы, имеющие неподвижную или вращающуюся плиту и охлаждаемые водой. Карамельная масса на столах должна быть охлаждена быстро, поэтому температура охлаждающей воды должна быть низкая (4— 12°С). При медленном охлаждении может произойти засахаривание карамельной массы. Температура воздуха для охлаждения бывает различной в зависимости от времени года. В зимнее время нельзя пользоваться одним наружным холодным воздухом, так как будет происходить конденсация влаги из воздуха на стенках воздуховодов. Обычно воздух подогревают, пропуская его через калориферы или смешивая с воздухом помещения. В настоящее время на передовых предприятиях внедряется кондиционирование воздуха — автоматическое доведение его до определенной температуры и влажности. Температура воздуха поддерживается 12—14°С. Продолжительность охлаждения на столах карамельной массы, приготовленной по нормальной рецептуре, 1— 2 мин. Карамельная масса, приготовленная на инвертном сиропе, при выходе из вакуум-аппаратов имеет более высокую температуру (120—135°С), поэтому охлаждается дольше (2—7 мин). Во время охлаждения карамельную массу подкрашивают, подкисляют и ароматизируют. Сразу же после выливания массы на холодный стол в нее вводятся отходы, получающиеся при формовании карамели (крошки, отдельные части карамельной цепочки). Отходы, добавляемые в карамельную массу, не должны содержать начинки. Добавлять их разрешается не более 2 кг на 18—20 кг карамельной массы. При полумеханизированном способе производства варка карамельной массы при охлаждении делится на две части. !' ПОДКРАШИВАНИЕ, ПОДКИСЛЕНИЕ И АРОМАТИЗАЦИЯ Сразу же после выливания карамельной массы из вакуум-аппарата ее подкрашивают. Для подкрашивания в красный цвет употребляют энокраситель, в синий — индигокармин, в желтый — тартразин. Остальные цвета и оттенки получают комбинацией этих красителей, смешивая их в различных количествах. Чтобы получить равномерную окраску карамельной массы, красители применяют в виде .растворов концентрацией 5—10% в зависимости от их качества. Раствор перед употреблением фильтруют через сито с 100 диаметром ячеек 0,4—0,5 мм. Количество раствора, добавляемого для подкрашивания карамельной массы, зависит от красящей способности красителя и от цветности карамельной массы. Для подкрашивания светлой массы требуется меньше красителя, и окраска получается ярче и более чистого тона. Введение краски увеличивает влажность карамельной массы примерно на 0,2%. Для придания карамели приятного кислого вкуса, свойственного вкусу плодов и ягод, вводится кислота. Кислоту вводят в карамельную массу после подкрашивания. Применяют кристаллические кислоты — лимонную, винную, яблочную. Для равномерного распределения в карамельной массе кислоту необходимо применять в виде мелких кристаллов. Перед употреблением ее обычно просеивают через сито с диаметром отверстий 1—2 мм. Молочную кислоту для подкисления карамели применять не рекомендуется. Она разжижает карамельную массу; кроме того, при температурах разделки кислота частично разлагается, и из нее выделяются летучие продукты, создающие антисанитарные условия работы. Подислять карамельную массу следует при температуре не выше 95°С, так как чем выше температура, тем больше в карамельной массе образуется инвертного сахара. Количество добавляемой кислоты зависит от сорта вырабатываемой карамели и колеблется в пределах 4—15 г на 1 кг карамельной массы. При добавлении 4 г начинает чувствоваться кислый вкус. При добавлении 15 г вкус становится интенсивно кислым; обычно такое количество кислоты добавляют в^некоторые сорта леденцовой карамели. При подкислении карамельной массы лимонной кислотой при температуре 85—95°С содержание инвертного сахара в ней увеличивается на 0,5—1,0% в зависимости от количества вводимой кислоты. Для придания карамели определенного аромата в нее вводят ароматические вещества — эссенции. Эссенции вводят в карамельную массу после того, как она охладилась примерно до 95°С. Это обычно бывает через 1,5—2 мин после выливания массы. Чтобы избежать потери эссенции от испарения, необходимо перед добавлением эссенции закрыть воздуховод. При поточно-механизированном способе краситель, кислота и эссенция вводятся в карамельную массу специальными дозаторами, устанавливаемыми на наклонной плите охлаждающей машины. Дозаторы непрерывно и равномерно распределяют по всей поверхности карамельной массы определенное количество добавок. В единицу времени должно дозироваться постоянное их количество, соответствующее количеству проходящей через охлаждающую машину карамельной массы. Количество вводимых красителя, кислоты и эссенции на 1 кг карамельной массы должно строго соответствовать рецептуре на изготовляемый сорт. В настоящее время в промышленности применяется дозаторная станция КДС-1, разработанная ВНИИКП. Она состоит из тарельчатого дозатора для кристаллической кислоты, количество которой можно регулировать в пре- 101 делах от 20 до 150 г/мин, и двух спаренных дисковых дозаторов с расходом красящих веществ 8—30 г/мин и ароматических веществ 15—100 г/мин. ПРОМИНКА КАРАМЕЛЬНОЙ МАССЫ При изготовлении прозрачных сортов карамели массу после охлаждения проминают. Задачи проминки: 1) равномерное распределение в массе вкусовых, ароматических и красящих веществ; 2) полное устранение неоднородности, вызванной добавлением в массу отходов; 3) удаление из массы больших пузырей воздуха; 4) выравнивание температуры во всей массе. Если в массе останутся пузырьки воздуха, то они образуют в готовой продукции пузыри и раковины. При неравномерной температуре массы она неровно вытягивается в жгут. Карамель получается неодинаковой формы и с неравномерным распределением начинки. При выработке карамели леденцовой и с прозрачной оболочкой на механизированных поточных линиях проминка карамельной массы производится на непрерывно действующих проминальных устройствах. Устройство представляет собой наклонный транспортер, над лентой которого расположено три пары зубчатых бараба нов. Карамельная масса из охлаждающей машины поступает на ленту проминального транспортера. Каждая пара зубчатых барабанов имеет зубья различной величины и различную скорость, благодаря этому карамельная лента, проходя между ними, трижды собирается и трижды проминается. Зазор между зубчатками может регулироваться в пределах 3—20 мм. Для того чтобы карамельная масса не налипала на зубчатки, их поверхность охлаждается воздухом, поступающим через специальные ответвления воздуховодов. При полумеханизированном способе производства массу с охлаждающего стола перекладывают на второй охлаждающий стол, но без искусственного охлаждения. В качестве вторых охлаждающих столов применяют иногда мраморные или гранитные плиты. На втором 'охлаждающем столе карамельная масса проминается вручную. После проминки карамельная масса должна иметь температуру 75—80°С. Для сохранения этой температуры масса переносится на подогревающий стол, где она разделывается в прямоугольный пласт. ВЫТЯГИВАНИЕ КАРАМЕЛЬНОЙ МАССЫ При изготовлении непрозрачных сортов карамели масса подвергается вытягиванию. Она вытягивается в виде ленты и складывается так, чтобы направление вытягивания сохранилось во всех частях массы; затем снова вытягивается в том же направлении и складывается и т. д. 102 При вытягивании карамельной массы в нее попадает воздух, который образует в ней воздушные прослойки и тончайшие капилляры, наполненные воздухом. Стенками капилляров служит тонкий слой карамельной массы. Цвет массы изменяется, она становится непрозрачной, белой (если не была подкрашена), шелковистой и более хрупкой. Чем более параллельно расположены капилляры, тем шелковистее получается масса. По мере вытягивания карамельная масса становится более пышной, уменьшается ее плотность. Однако при долгом вытягивании может наступить момент, когда плотность, достигнув минимального значения, начнет увеличиваться. Это происходит в результате механического разрушения капилляров и уменьшения воздушных прослоек. При нормальной длительности вытягивания плотность карамельной массы уменьшается с 1500 кг/м3 до 1200 кг/м5 . Тянутая карамель более гигроскопична, так как имеет большую поверхность соприкосновения с воздухом. Поглощенная влага быстро диффундирует во внутренние слои. Поверхность карамели покрывается корочкой из микроскопических кристалликов сахара,
сохраняющих ее в сравнительно сухом и не липкам состониия. Но кристаллизация происходит не только в поверхностном слое. Вследствие равномерного распределения влаги по всей толще тянутой карамели кристаллы постепенно образуются во всех слоях карамели. Способность к кристаллизации у тянутой карамели несравненно больше, чем у нетянутой.
Для вытягивания карамельной массы применяются тянульные машины (рис. 8). Они имеют три стальных пальца, из которых один неподвижен, а два совершают сложное вращательное^дви-жение. Они вращаются вокруг своей оси и вместе с осью — вокруг главного вала машины. В результате подвижные пальцы движутся вокруг неподвижного пальца, то удаляясь от него, то вновь приближаясь. Карамельную массу кладут на пальцы. При вращении пальцы захватывают массу, вытягивают ее и складывают вдвое. Эта операция повторяется при каждом обороте. Под пальцами машины расположен металлический лоток, в который, остановив машину, снимают вытянутую 103 массу. Для простых сортов карамели обычно достаточно 30—35 перетягиваний, что занимает около 1 мин. Для ^атласных сортов карамели массу вытягивают дольше, при этом необходимо помнить, что при вытягивании более 7 мин увеличивается плотность карамельной массы и ухудшается ее внешний вид. При поточно-механизированном способе производства вытягивание карамельной массы производится на непрерывно действующей тянульной машине. Отличие непрерывно действующей машины от периодической заключается в том, что она устанавливается наклонно к вертикали. В результате этого охлажденная карамельная масса, непрерывно поступая на рамку неподвижного пальца, захватывается подвижными пальцами и, перетягиваясь, движется вдоль оси. На выходе из тянульной машины под углом 45° к пальцам установлена съемная площадка с прорезью, через которую проходит один из пальцев с карамельной массой. Палец оставляет на площадке некоторое количество вытянутой массы и проталкивает ее к транспортеру, передающему массу на дальнейшую обработку. При вытягивании на тянульных машинах происходит равномерное распределение в карамельной массе введенных в нее красителей, кислоты и эссенции. Масса несколько охлаждается. При полумеханизированном способе производства карамельная масса после тянульной машины поступает на подогревающий стол, где после проминки она разделывается в пласт. При непрерывно-поточном способе вытянутая масса ленточным транспортером подается непосредственно в карамелеподкаточную машину. ПОДГОТОВКА НАЧИНКИ Начинку перед ее введением в батон подогревают или охлаждают до определенной температуры и добавляют в нее по рецеп- , туре вкусовые и ароматические вещества. При изготовлении карамели температура начинки имеет большое значение, от нее зависит качество готовой карамели и количество получающихся отходов и брака. Необходимо, чтобы начинка в летнее время поступала в начинконаполнитель с температурой 60—65°С и в зимнее 65—68°С. Начинку темперируют в горизонтальных темперирующих машинах при постоянном перемешивании. Машина имеет пароводяную рубашку и мешалку сложного устройства, обеспечивающую хорошее перемешивание и постоянную очистку внутренних стенок от начинки. Обогрев производится пароводяной смесью. Из темперирующей машины начинка перекачивается в воронку начинконаполнителя, проходя через непрерывно действующий цилиндрический фильтр. В начинку перед ее перекачиванием в начинконаполнитель вводятся ароматические и вкусовые вещества. Ароматические вещества могут вводиться и непосредственно в воронку начинконаполнителя. На немеханизированных фабриках разогрев начинки производят в котелках с паровым обогревом. 104 ОБРАЗОВАНИЕ КАРАМЕЛЬНОГО БАТОНА И КАЛИБРОВКА ЖГУТА ОБРАЗОВАНИЕ КАРАМЕЛЬНОГО БАТОНА И КАЛИБРОВКА ЖГУТА ПРИ МЕХАНИЗИРОВАННОМ СПОСОБЕ ВВЕДЕНИЯ НАЧИНКИ Большинство сортов карамели с начинкой изготовляется с применением механизированного способа образования карамельного •батона и калибровки жгута. Образование карамельного, батона происходит в карамелепод-каточной машине, а калибровм жгута — в жгутовытягивающе-ка-либрующей машине. Карамелеподкаточная машина (рис. 9) представляет собой металлический желоб, внутри которого расположе-
Рис. 9. Карамелеподкаточная машина «ы рифленые веретена, вращающиеся каждое вокруг своей оси в •одну и ту же сторону. Они расположены конусообразно. По центру машины проходит трубка начинконаполнителя. Под веретенами по дну желоба расположены паровые трубы или электронагревательные приборы. 105 При периодическом способе разделанный пласт карамельной - массы (не более 20 кг) с температурой 75—80°С смазывают с одной стороны растительным маслом, кладут в машину под трубку наполнителя смазанной поверхностью к трубке и обертывают пласт вокруг нее. Трубку тоже смазывают маслом. В начале работы трубку обертывают тремя пластами. Вращающиеся рифленые веретена обкатывают заложенные в машину пласты карамельной массы и придают им форму конуса, вдоль которого по центру проходит трубка начинконаполнителя. От вершины конуса оттягивают конец таким образом, чтобы открыть начинке доступ из трубки в батон. Затем вытягивающе-калибрующей машиной из батона непрерывно вытягивается жгут карамели, представляющий собой трубку из карамельной массы, заполненную начинкой.
-, Начинка в батон подается начинконаполнителем (рис. 10). Он представляет собой поршневой насос, всасывающий патрубок которого соединен с воронкой, а нагнетательный — гибким шлангом с трубкой, проходящей по центру вдоль оси карамелепод-каточной машины. Начинка из темперирующей машины подается в воронку начинконаполнителя и из нее насосом по трубке в карамельный батон. Трубка в карамелеподкаточной машине не доходит на 200— 300 мм до конца карамельного батона. Здесь и происходит введение начинки в карамельный батон.
Перед началом работы карамелеподкаточную маши-, ну прогревают, включая расположенные в ней нагревательные приборы, а для разогрева трубки начинконаполнителя через нее прокачивают горячую начинку. После того как в карамелеподкаточную машину заложены пласты карамельной массы и из них образовался конус, начинается непрерывная подача в него начинки и непрерывное вытягивание жгута. По мере вытягивания батона в жгут вводят новые пласты карамельной массы. Таким образом осуществляется непрерывный процесс образования батона и вытягивания жгута. Количество подаваемой начинки регулируют, изменяя специальным устройством ход плунжерного насоса. Количество начин-106 ки для каждого сорта карамели устанавливается рецептурой. Оно зависит от размеров карамели, характера дальнейшей ее обработки и сорта применяемой начинки.. В крупную карамель вводят большее количество начинки, так по ВТУ в завернутых сортах карамели, содержащих до 100 штук в 1 кг, должно содержаться начинки не менее 33% от массы готовой карамели. В более мелкую карамель, содержащую в 1 кг от 201 и более штук, начинки должно быть не менее 23%. На Киевской фабрике им. Карла Маркса сконструирован на-чинконаполнитель для густых начинок (ореховых и др.). В нем густые начинки продвигаются по трубке начинконаполнителя при помощи шнека, расположенного в трубке. Применение таких наполнителей дает возможность изготовлять все сорта карамели с начинкой с применением механизированного способа образования карамельного батона. Из карамелеподкаточной машины жгут направляется в жгуто-вытягивающе-калибрующую машину (жгутовытягиватель) (рис. 11), назначение которой — придать жгуту определенное сече-
Рис. 11. Жгутовытягиватель. ние. Рабочей частью жгутовытягивателя являются ролики, расположенные последовательно друг за другом, вначале один, затем три пары. На ободе роликов имеется желоб, в разрезе представляющий собой полуокружность. Парные ролики установлены таким образом, что при вращении почти касаются друг друга. При этом желоба оставляют просвет, через который и проходит вытягиваемый жгут. Первый ролик имеющимися в нем шипами тянет из батона жгут. Пары последующих роликов последовательно и понемногу уменьшают диаметр жгута, придавая ему нужный раз- 107 мер. Все калибрующие ролики имеют рифленую поверхность желобков. Пара роликов, по выходе из которых карамельный жгут поступает в формующую машину, имеет механизм регулировки зазора между ними. Этим зазором определяется окончательный размер жгута, поступающего на формование. На механизированных поточных линия* применяется описанный нами способ образования карамельного батона и калибровки жгута. Различие заключается в подаче карамельной массы в кара-мелеподкаточную машину и в способе смазки трубки начинкона-полнителя. При выработке тянутой карамели на непрорывнопоточной линии карамельная масса после тянульной машины непрерывно поступает на ленточный транспортер, подающий массу в карамеле-подкаточную машину. Для перехода карамельной .массы с транспортера в карамелеподкаточную машину в конце его установлен направляющий ролик и наклонная площадка. По площадке лентэ карамельной массы спускается на карамельный конус и наматывается на него. На универсальной поточной линии на ленточном транспортере устанавливается качающийся рычаг, направляющий карамельную массу в карамелеподкаточную машину и равномерно распределяющий массу по длине конуса. Смазка трубки начинка-наполнителя на поточных линиях механизирована. ОБРАЗОВАНИЕ КАРАМЕЛЬНОГО БАТОНА ПРИ РУЧНОМ СПОСОБЕ ВВЕДЕНИЯ НАЧИНКИ Применение описанного начинконаполнителя возможно не для всех видов начинки. Такие начинки, как шоколадные, орехо-прали-новые и масляно-сахарные, вводят в батон преимущественно вручную. Из карамельного пласта готовят «пирог», в который заливают начинку, затем его обкатывают в батон и батон помещают в карамелеподкаточную машину. Далее процесс идет, как описано ранее. Разделка карамельной массы при работе с пирогом несколько отличается от разделки при работе с наполнителем. После того как порция массы несколько охладится, ее делят на две неравные части. Одна из них предназначается для приготовления верхнего-слоя пирога, или, как принято называть, верхней «рубашки», другая — для нижней. Масса (вес) каждой части зависит от вида изготовляемой карамели. При обычной завертке батона в «две рубашки» часть, предназначенная для верхней, составляет 30—40% от общей массы. При изготовлении прозрачной карамели подкрашивают всю карамельную массу. В том случае, если карамельная масса предназначена для изготовления тянутых сортов карамели, подкрашивают только часть массы, идущую на верхнюю рубашку. Отходы следует вводить в ту часть карамельной массы, которая предназначена для приготовления нижней рубашки. Часть варки, предназначенная для нижней рубашки, после ох-108 лаждения с холодного стола перекладывается на второй охлаждающий стол, где подвергается проминке. Так же обрабатывается верхняя рубашка для прозрачных сортов. Масса для тянутых сортов после тянульной машины поступает на подогревающий стол, где проминается и разделывается в пласт. Пласт для нижней рубашки приготовляется ъ&кже на подогревающем столе. Пласт карамельной массы, предназначенный для нижней рубашки, перегибают посредине, его боковые края зажимают и в него быстро вливают начинку. После этого верхние края пирога зажимают, и они склеиваются. Конверт обкатывают и затем кладут швом на середину пласта верхней рубашки. Завертывание в верхнюю рубашку производят так, чтобы края ее соприкасались, но не накладывались один на другой, т. е. сходились встык, а не внахлестку. При работе с густыми начинками (шоколадная, пралиновая, прохладительная) сперва накладывают начинку на пласт нижней рубашки, а затем складывают конверт обычным способом. При приготовлении пирога следует поддерживать температуру верхней рубашки на 2—3°С выше температуры нижней рубашки, а температура начинки должна быть на 5—7°С ниже температуры нижней рубашки. Таким образом, температура пирога при завертывании должна быть снаружи выше, чем внутри. Пирог, завернутый в верхнюю рубашку, раскатывают на подогревающем столе, ему придают цилиндрическую форму и помещают в карамелеподкаточную машину. При работе с пирогом вращение рифленых веретен катальной машины производится попеременно в обе стороны. Жгут, вытягиваемый от конуса, поступает в равняльный барабан, который придает жгуту правильную форму и одинаковую толщину по всей его длине. На барабанах делается 6—8 желобов с различными диаметрами от 8 до 24 мм. Перед барабанами устанавливается гребенка, которая перед каждым очком барабана имеет отверстие и две направляющих. Это делает невозможным образование на жгуте заусенцев. Барабаны могут подогреваться паром, проходящим внутри них по змеевику, или электрическим током. При работе температура поверхности барабана должна быть равна температуре жгута. На некоторых фабриках вместо равняльных барабанов устанавливаются калибрующие ролики. После равняльного барабана карамельный жгут поступает в формующую машину, ПРИГОТОВЛЕНИЕ КАРАМЕЛИ В СКЛАДКУ Карамель с шоколадной, пралиновой, прохладительной начинкой чаще всего делается с нижней рубашкой в перетяжку (в складку). Реже карамель в складку готовится с простой или молочной помадой, сбивной и фруктовыми начинками. 109 В этом случае пирог приготовляется следующим образом. От порции массы отделяют около 40% на нижнюю рубашку, оставляя 60% для верхней. Из нижней рубашки свертывают конверт, закладывают в него начинку и закрывают. Слегка раскатывая полученный пирог, придают ему цилиндрическую форму. Затем растягивают его и складывают по ширине. После этого пласт перевертывают на другую сторону, снова растягивают и складывают, на этот раз уже по толщине. Таким образом продолжают вытягивание, складывание по ширине и по толщине и каждый раз перед вытягиванием перевертывают пласт на другую сторону. Складывание производится семь • раз. Шестой и седьмой раз складывают только по толщине, подгоняя длину получаемого пирога к размеру верхней рубашки. Поел,; этого производится завертывание в верхнюю рубашку. - Каждое складывание увеличивает число складок вдвое. При семи складываниях получается 128 складок, которые дают возможность получить тонкостенную равномерную, рассыпающуюся при раскусывании карамельную соломку.
128 складок обычно делается в карамели с шоколадной, прали-новой и ореховой начинкой. Начинки сбивные и помадные при нормальной консистенции также позволяют сделать 128 складок. С жидкими начинками, в том числе и фруктовыми, делают 64 складки, сложив и вытянув пирог шесть раз. На рис. 12 показан кольцевой складыватель позволяющий механизировать процесс складывания. Он представляет собой вращающуюся на вертикальной оси конусную чашу. Дно чаши выложено дощечкой, а борта фанерой. Вся внутренняя часть обшита полотном. ита по
Приготовленный пирог с введенной в него обычным способом начинкой закладывается "•yl^T^ „^ _ „ _ о .._ ..„„ж„„ закладывается в карамелеподкаточную машину. Жгут, пройдя через калибрующе-вытягивающую машину, подается в кольцевой складыватель. Карамельный жгут должен направляться по внутренней стороне борта кольцевого складывателя и иметь скорость, равную окружной скорости края дна чаши; таким образом, достигается правильное укладывание жгута в виде спирали. Полученное многослойное кольцо из карамельного жгута снимается, складывается вдвое, завертывается в верхнюю рубашку и вновь закладывается в катальную машину. Далее, пройдя калиб-рующе-вытягивающую машину, жгут направляется в формующую машину. ПО ФОРМОВАНИЕ И ОХЛАЖДЕНИЕ КАРАМЕЛИ ФОРМОВАНИЕ КАРАМЕЛИ Целью формования является разделение карамельного жгута на отдельные карамельки и придание им определенной формы. Существует большое количество различных машин и приспособлений для машинного, полумеханизированного и ручного формования карамели. Наиболее распространены на наших фабриках цепные режущие и штампующие машины и начинают внедряться ротационные. В цепных машинах карамельный жгут, непрерывно поступающий из калибрующе-вытягивающей машины, захватывается и постепенно зажимается двумя расположенными одна над другой бесконечными цепями, двигающимися в одном направлении. При зажимании жгута происходит деление его на отдельные карамельки, при этом жгут не разрезается полностью. Между отдельными карамельками остается перемычка толщиной в 1—2 мм, из формующей машины карамельки выходят в виде непрерывной цепочки. На режущей машине (рис. 13) происходит только разрезание карамельного жгута на отдельные карамельки. Получающаяся при этом карамель имеет форму «подушечки». Основной рабочей частью машины являются две бесконечные цепи (верхняя и нижняя) с ножами. Обе цепи поддерживаются и подтягиваются друг к другу двумя полозками. Для получения четкого разреза карамельного жгута, закрытого шва и равномерного распределения начинки в карамели цепи необходимо устанавливать таким образом, чтобы при резке точно совпадали кромки ножей обеих цепей и чтобы разрезание карамельного жгута происходило постепенно. Постепенность разрезания достигается тем, что, регулируя положение полозков, зазор между цепями при входе в них карамельного жгута делают больше, чем при выходе, т. е. цепи по мере движения сходятся клинообразно. Имеется два типа карамелережущих цепей, которые различаются формой получающейся карамели — типа «подушечки» и «лопатки». При установке цепи первого типа карамель получается в виде выпуклой подушечки, ширина которой равна расстоянию между ножами (шагу) цепей, а длина — диаметру жгута. Эти цепи изготовляются преимущественно с шагом 14—16 мм. В цепях второго типа между ножами вставляются перпендикулярные к ним площадки. Когда происходит резка карамели, площадки сверху и снизу нажимают на карамель и придают ей приплюснутую форму «лопатки». Иногда к площадкам прикрепляются пластинки с выгравированным рисунком, который отпечатывается на карамели при сплющивании ее площадками. Цепи «лопатки» изготовляются с шагом 16—18 мм и больше. Карамель получается со швом по узкой части. В отличие от режущей штампующая машина (рис. 14) не только производит резку жгута на отдельные карамельки, но и штампует карамель, придавая ей определенную форму и рисунок. Основ-Ill
ными формующими частями машины являются, так же как в режущей машине, две бесконечные цепи. Нижняя цепь состоит из одних мостиков, имеющих посредине острый ребро-нож, служащий для резки жгута. Верхняя цепь имеет, кроме мостиков, направляющие со штампиками (пуансонами). Штампики на торцовой поверхности имеют гравировку. Карамельный жгут поступает через направляющую втулку в цепи машины, захватывается ими, постепенно сжимается и надрезается. В это время специальное устройство (боковые цепи) сжимает штампы, они сдавливают жгут с бо- установлены два разводящих полозка, которые раздвигают штампы и освобождают цепочку отштампованной карамели. Это осуществляется также с помощью пружин, установленных на штоках штампиков. Карамель поступает дальше на узкий охлаждающий транспортер.
Рис. 14. Карамелештампующая машина: / — приводной шкив, 2 — маховичок натяжного механизма, 3 — направляющая втулка, 4 — стойки, 5 — верхняя штампующая цепь, в и 8 — ведущие звездочки, 7 — нижняя штампующая цепь, 9 — станина, 10 —• механизм регулировки прижима верхних и нижних полозков. На штампующей машине можно получать карамель разнообразной формы и с разнообразным рисунком. Цепи формующих машин делаются с шагом 20, 30, 38 мм. Наиболее принятая форма — шарик, овальная и удлиненно-овальная. На штампующей машине при некотором ее усовершенствовании могут устанавливаться не только штампующие, но и режущие ценз пи. Применение таких машин особенно целесообразно на предприятиях средней и малой мощности: для получения разнообразного ассортимента отпадает необходимость иметь два типа формующих машин. Недостатком цепных режущих и штампующих машин является быстрая изнашиваемость цепей при больших скоростях, с которыми в настоящее время они работают. Этого недостатка не имеют ротационные машины, также применяющиеся в промышленности. Широко применяется формование карамели на ирисоформую-ще-заверточных машинах. На этих машинах формуют карамель леденцовую и с густыми начинками, в основном орехово-шоколад-ными. Разделанная и подготовленная карамельная масса на этих машинах формуется, завертывается в этикетку и охлаждается. Для нормальной работы машин применяют карамельную массу с влажностью 3,0—3,5%, температура массы при закладке ее в катальную машину должна быть 68—75°С, а начинки 58—62°С. Для получения при формовании карамели хорошего качества необходимо строгое соблюдение температурного режима, о котором мы говорили ранее. Температура карамельной массы, поступающей в катальную машину, должна быть около 80°С; температура начинк-и в зависимости от времени года 60—68°С; температура карамели, поступающей на узкий охлаждающий транспортер, не выше 70°С. Переохлажденная карамельная масса плохо формуется, на ее поверхности образуются трещины. Применение недостаточно охлажденной карамельной массы и горячей начинки вызывает деформацию карамели при переходе ее на охлаждающий транспортер. Переохлажденная начинка препятствует сплавлению карамельной массы в местах надрезания карамельного жгута, карамель получается с открытым швом, из которого вытекает начинка. ОХЛАЖДЕНИЕ КАРАМЕЛИ Отформованная карамель имеет температуру 65—70°С. При такой температуре она сохраняет пластические свойства и может легко потерять свою форму. Для того чтобы карамель могла подвергаться дальнейшей обработке, ее охлаждают до 40—45°С. Карамель выходит из формующей машины или в виде непрерывной цепочки, состоящей из карамелек, соединенных тонкой перемычкой, или в некоторых конструкциях машин в виде отдельных карамелек. В первом случае охлаждение производят на узком и широком транспортерах; во втором — только на широком. Узкий транспортер имеет ширину 6—8 см, длина же его в зависимости от длины производственного помещения колеблется в широких пределах (от 4 до 30 м). Охлаждение карамели на нем достигается тем, что она обдувается воздухом, подаваемым вентилятором через воздуховоды. Воздух обдувает карамель сверху или, если транспортер закрытый, с боков. На узком транспортере цепочка карамели охлаждается настолько, что, попадая в конце его на 114 широкий транспортер, разбивается на отдельные карамельки. При установке коротких транспортеров карамельные перемычки не успевают охладиться и стать хрупкими, поэтому для разбивки цепочки ставят специальное приспособление. Скорость узкого транспортера должна быть равна скорости цепей. При неравных скоростях карамель на узком транспортере может деформироваться — вытягиваться или слипаться. При полумеханизированном способе производства карамели в качестве широкого охлаждающего транспортера применяют в основном вибрационные лотки, совершающие возвратно-поступательное движение. Лоток имеет уклон в сторону движения карамели. В дне лотка в месте поступления на него карамели и при ее выходе делают отверстия для отсева крошек, образующихся при разбивке карамельной цепочки. Охлаждающий воздух подается сверху. Карамель после охлаждения независимо от сорта должна иметь температуру не выше 40—45°С. Оптимальная относительная влажность охлаждающего воздуха не более 60%, а температура для любого времени года 10—12°С. В летнее время воздух необходимо охлаждать, применяя специальные холодильные установки. В зимнее время наружный воздух смешивается с воздухом помещения и подогревается в калорифере. Расход воздуха составляет 8000— 10000ж3 /ч. Для поддержания оптимальных параметров охлаждающего воздуха целесообразно применять специальные установки по кондиционированию воздуха. Такие установки, автоматически поддерживающие заданную оптимальную температуру и влажность воздуха, внедряются на передовых фабриках. Общая продолжительность охлаждения карамели при полумеханизированном способе работы составляет 5—6 мин. Охлажденная карамель ссыпается в лотки и передается для завертки или обработки ее поверхности. В поточных линиях для охлаждения отформованной карамели применяются двухъярусные вибрационные аппараты закрытого типа (рис. 15), Они представляют собой два расположенных друг над другом качающихся лотка, заключенных в шкафную камеру, в которую подается охлаждающий воздух. Карамель по узкому транспортеру поступает в шкаф и при помощи качающегося совка укладывается в виде змейки на верхний лоток. Уклон лотка и его вибрация обеспечивают продвижение по нему карамели. Цепочка карамели, продвигаясь по транспортеру и несколько охладившись, рассыпается на отдельные карамельки. С первого лотка карамель передается на второй и движется по нему в обратном направлении. В конце первого лотка и в начале второго в дне их имеются отверстия, через которые в подставленные лотки просеиваются крошки Охлаждающий воздух на первый лоток подается по всей его длине сверху, а на нижний — противотоком из бокового патрубка. Карамель охлаждается до температуры не выше 40—45°С, продолжительность охлаждения составляет 4—5 мин.
Рис. 15. Двухъярусный охлаждающий аппарат: / — верхний лоток, 2 — нижний1 лоток, 3 — шкафная камера, 4 и 7 — воздуховоды, 5 — узкий ленточный транспортер, 6 — желобок. Из охлаждающего аппарата карамель специальными транспортерами подается на заверточные машины или в непрерывно действующий аппарат для глянцевания или обсыпки сахаром поверхности карамели. ПРИГОТОВЛЕНИЕ ЛЕДЕНЦОВОЙ КАРАМЕЛИ Леденцовое монпансье формуют на вальцах, состоящих из двух валиков, по боковой поверхности которых выгравированы различные фигурки или дольки лимонных или апельсиновых корочек. Карамельная масса, поступающая для формования на вальцах, должна иметь влажность 1—1,5%. При такой влажности в процессе хранения лучше сохраняется прозрачность монпансье. Существует два способа формования на вальцах — периодический и непрерывный. При периодическом способе карамельная масса, снабженная вкусовыми и ароматическими веществами, подкрашенная и промятая, разрезается на куски. Каждый кусок разделывается в пласт толщиной около 1 см и затем при температуре около 70°С формуется пропусканием через вальцы. Вальцы смазывают воском или специальной жировой смесью и охлаждают воздухом или водой. Из вальцов выходит отформованный пласт, представляющий собой отдельные леденцы, соединенные тонким слоем карамельной массы. При охлаждении отформованный пласт легко разбивается на отдельные леденцы. 116 При непрерывном способе карамельная масса загружается в ка-рамелеподкаточную машину. Из нее жгут карамельной массы проходит через два валика, один из которых имеет рифленую поверхность, превращается в сплошной пласт, непрерывно поступающий в формующие вальцы. Ширина пласта равна ширине формующих вальцов, толщина около 1 см. Вальцы непрерывно смазываются воском или воско-жировой смесью. Для формования леденцовой карамели широкое распространение получили ирисоформующе-заверточные машины (ИФЗ); применяются также таблеточноформующие и роликоформующие машины. Фигурная леденцовая карамель на палочках и без палочек, завернутая в бумажную этикетку, вырабатывается на специальных машинах. Для приготовления завернутой леденцовой карамели поточно-механизированным способом с использованием машин ИФЗ применяется линия, аналогичная поточной линии по производству полутвердого ирнса (см. рис. 61). Карамельный сироп уваривается в варочной колонке до 150°С, что соответствует содержанию в кара-мрльной массе 4% влаги. Давление греющего пара в колонке 589 кн/м2 (6 ат). Количество редуцирующих веществ при уварива-нии сиропа увеличивается на 2%. При выходе из пароотделителя перед поступлением в распределительную воронку карамельная масса имеет температуру около 135°С; при этой температуре в нее дозаторами добавляются киик'та, эссенция и красители. На охлаждающем барабане и накло^нгй охлаждающей плите карамельная масса за 2,5 мин охлаждается до 70—75°С; при этом содержание редуцирующих веществ увеличивается примерно на 5% (при добавлении 0,4% кислоты). На фабрике «Красный Октябрь» карамельный сироп для описанной выше линии не варится; в варочную колонку подают непосредственно смесь сахарного сиропа и патоки. Сахарный сироп и патоку в определенном соотношении подают плунжерными насосами с регулируемым ходом плунжера в общий трубопровод, из которого смесь поступает в колонку. ЗАВЕРТКА, ОТДЕЛКА И УПАКОВКА КАРАМЕЛИ Готовая карамель гигроскопична. Оболочка, приготовленная из-карамельной массы, притягивая влагу из воздуха, довольно быстра начинает намокать или просахариваться. Гигроскопические свойства карамельной массы и зависимость их от различных факторов мы рассмотрели ранее. Напомним, что чрезвычайно важным фактором, влияющим на стойкость карамельной массы, является относительная влажность окружающего воздуха. Стойкость карамели при хранении зависит и от свойств начинки. При повышенной влажности начинки наблюдается просахари-вание карамельной оболочки, начинающееся от слоев, соприкаса- 11? ющихся с начинкой. Влага из начинки диффундирует в карамельную массу, создавая условия для кристаллизации'. Для сохранения товарного качества карамели в течение длительного времени необходимо ее упаковать или обработать так, чтобы затруднить доступ влаги воздуха к ее поверхности. Это достигается несколькими способами: заверткой каждой карамельки «ли нескольких карамелек вместе во влагонепроницаемую этикетку; упаковкой в герметическую тару; обработкой поверхности карамели нанесением на нее слоя, состоящего из пищевых негигроскопических веществ и изолирующего поверхность карамели от непосредственного соприкосновения с воздухом. В карамельном производстве применяются следующие способы обработки поверхности: глянцевание, дражирование сахаром или ^шоколадом 2 , обсыпка сахаром, порошком какао. На передовых предприятиях нашей страны внедряется кондиционирование воздуха в помещениях, где происходит завертка, обработка поверхности и упаковка карамели. Рекомендуется поддерживать в этих помещениях относительную влажность воздуха не .выше 60% и температуру около 20С С. ЗАВЕРТКА КАРАМЕЛИ Применяется два основных способа завертки карамели: впере-•• крутку и «в носок» («в замок»). Кроме того, существует способ завертки в тюбики, когда в одну этикетку завертывается несколько карамелек, уложенных столбиком. Вперекрутку завертывают преимущественно карамель, имеющую круглую или овальную форму. Для этого вида завертки применяют тонкую парафинированную бумагу с нанесенным на нее рисунком вразброс, лакированный целлофан или другие прозрачные пленки из высокополимеров, разрешенных для применения в пищевой промышленности. Для завертки «в носок» применяется •более плотная писчая бумага. В качестве подвертки употребляют парафинированную бумагу. Завертка карамели производится на заверточных машинах раз-.личных систем. Все машины снабжены питателями (саморасклада-ми), механически подающими карамель в завертывающий механизм. При работе на механизированных поточных линиях охлажденная карамель, имеющая температуру 40°С, распределительными транспортерами подается в питатели заверточных машин. После завертки карамель попадает на систему отводящих транспортеров, передающих ее на расфасовку или упаковку. 1 Это свойство начинки используют при изготовлении глазированной шокола-.дом карамели типа «Московской». Начинка имеет влажность 33%, в результате чего наступает быстрое просахаривание карамельной оболочки и вся карамель приобретает консистенцию мягких конфет. 2 См. раздел «Производство драже». .118 Для нормальной работы заверточных машин необходимо применять этикетки определенного качества, соответствующего конструкции машины. Карамель, поступающая на завертку, должна быть определенного размера, не иметь деформации, открытых швов и налипших крошек. Поверхность карамели должна быть сухой,, нелипкой. Карамель должна быть равномерно охлаждена до 35— 40°С по всему сечению. В помещении завертки необходимо поддерживать относительную влажность воздуха не выше 60% и температуру около 20°С. ГЛЯНЦЕВАНИЕ КАРАМЕЛИ Для придания карамели стойкости против намокания под действием влаги окружающего цоздуха ее поверхность покрывают тонким влагонепроницаемым воско-жировым слоем — глянцем. При глянцевании в значительной степени сохраняется первоначальный вид карамели, поэтому в большинстве случаев глянцуют карамель красивой окраски, преимущественно мелкую и круглой формы смесь. Глянец состоит из смеси жиров, воска и парафина, взятых в соотношении: 1 часть воска, 1 часть парафина, 2 части растительного масла. Растительное масло применяют кокосовое, хлопковое и подсолнечное. Существует два способа глянцевания карамели: непрерывный и периодический. Первый применяется при изготовлении карамели-на механизированных поточных линиях.
Непрерывное глянцевание карамели производится в аппарате (рис. 16), который представляет собой барабан, разделенный перегородками на три секции. Барабан вращается вокруг своей оси,, делая 17—18 об/мин. Он установлен с некоторым наклоном. Во вторую и третью секции подается воздух. Аппарат снабжен дозаторами для сиропа, глянца и талька. US' В первую секцию непрерывно загружается карамель и подается поливочный сироп. Благодаря тому что аппарат имеет некоторый наклон, карамель в нем, непрерывно пересыпаясь, передвигается вдоль оси аппарата, попадая из одной секции в другую. Во второй секции происходит подсушивание поверхности карамели, смоченной сиропом в первой секции. Для этого во вторую секцию подается воздух, имеющий температуру 25—40°С. Во вторую же секцию дозатором подается расплавленный глянец. В третью секцию периодически, через каждые 4—5 мин, дозатором подается тальк; в этой секции карамель обрабатывается до появления равномерного и устойчивого блеска, после чего выгружается. ; Для нормальной работы необходимо, чтобы сироп имел влажность 17—19% и температуру 95—97°С. При большей влажности сиропа карамель не успевает высохнуть в аппарате до нанесения на нее глянца. При меньшей влажности сиропа трудно достигнуть его равномерного распределения по поверхности карамели. Температура воздуха, который подают в аппарат, зависит от температуры поступающей карамели. Ее изменяют в пределах 25—40°С. При поступлении карамели, имеющей температуру не. выше 40°С, воздух должен иметь температуру 35—4GT!. При температуре карамели выше 40°С воздух должен иметь температуру около 25°С. Глянец поступает в аппарат 65—70°С, количество его равно 0,8—1,0 кг па I т карамели. Талька расходуется 0,6—0,8 кг па 1 т. Из аппарата отглянцованная карамель непрерывно выгружается в вибрационный лоток-просеиватель, на котором происходит отделение от карамели крошек. Далее карамель транспортируется к расфасовочному автомату. При периодическом способе глянцевание производят в дражировочных котлах. Карамель, охлажденная до 40—45°С, распределительным трясо-транспортером или вручную загружается в дражировочный котел. Здесь ее поливают чисто сахарным сиропом влажностью 17—20%' и температурой 95—97°С. Сироп вливают в несколько приемов тонкой равномерной струей при вращении котла. После того как сироп равномерно покроет всю поверхность карамели, в котел, не останавливая его движения, вносят глянец небольшими кусочками или вливают расплавленный глянец тонкой струей. Температура глянца 60—65С С. Затем вносят небольшое количество талька. Тальк способствует скольжению карамели в котле и поэтому ускоряет появление блеска. Вращение котла продолжается до тех пор, пока поверхность карамели не станет равномерно блестящей. Скорость образования блеска в значительной степени зависит от влажности воздуха в помещении дражировочного отделения. Ее следует поддерживать не выше 60%. Выгрузка карамели из котлов производится вручную или при помощи специальных приспособлений. Карамель выгружают в лотки или на транспортеры, которые подают ее на расфасовку. J20 ОБСЫПКА ПОВЕРХНОСТИ КАРАМЕЛИ САХАРОМ Обсыпку карамели производят в дражировочном котле или в аппарате непрерывного действия для глянцевания карамели. Карамель вручную или с помощью качающегося распределительного транспортера загружают в дражировочный котел. Дражировочный котел делает 20—24 об/мин. Карамель перед загрузкой должна иметь температуру не выше 40°С. При вращении котла в него вливают чисто сахарный сироп, который равномерно обволакивает поверхность карамели, делая ее липкой. Затем всыпают сахарный песок, который плотно покрывает карамель, прилипая к ее поверхности. Для получения равномерной обсыпки достаточно вращения котла в течение 3—4 мин. Чисто сахарный сироп должен содержать сухих веществ около 70%, температура его 80—85°С. Потребное количество сиропа колеблется от 0,96 до 1,6% по массе загружаемой карамели в зависимости от ее размеров; количество сахара — от 6 до 12%. Сахар, применяемый для обсыпки карамели, предварительно просеивают на виброситах с магнитами; диаметр ячеек сита 2— 3 мм. Обычно берут сахара на 4% больше необходимого. При избытке сахара получается более равномерная обсыпка. Отсеивание излишка сахара производят механически при прохождении карамели через вибрирующий транспортер. В транспортеры последовательно вставляют ряд сит с отверстиями различного размера, поэтому сахар и карамельная крошка отсеиваются отдельно. Отсеянный сахар частично используют для обсыпки следующих партий карамели. При непрерывном способе обсыпки карамели сахаром используют те же аппараты, что и для глянцевания, но угол наклона увеличивают. Этим достигается более быстрое прохождение карамели через аппарат. Продолжительность обсыпки в непрерывно действующем аппарате составляет всего 5 мин. Кроме того, первая перегородка в аппарате поднимается. В аппарате остается только две секции. Охлажденная карамель поступает в первую секцию, туда же непрерывно дозатором подается сахарный сироп влажностью 25—26% и температурой 80—85°С. Сахарный песок ковшовым элеватором подается во вторую секцию. В эту же секцию поступает воздух, но в меньшем количестве, чем при глянцевании. По технологической инструкции ВНИИКП обсыпку сахаром производят в непрерывно действующем аппарате, не изменяя в нем количество секций. В этом случае сахарный сироп вводят не только в первую секцию, но одну четвертую часть от общего его количества добавляют при переходе карамели во вторую секцию. Сахарный песок подается в третью секцию на расстоянии 0,8 м от выходного отверстия. Кроме сахара поверхность карамели обсыпают смесью порошка какао и сахарной пудры. Применяются для обсыпки и другие негигроскопичные пищевые вещества — такие, как дробленый орех, 121
кунжутное семя и др. Однако эти виды обсыпки не имеют большого распространения. УПАКОВКА КАРАМЕЛИ В ГЕРМЕТИЧНУЮ ТАРУ Упаковка в герметичную тару является в настоящее время единственным способом сохранить первоначальный блестящий вид незавернутой карамели. В герметичную тару карамель упаковывается без предваритель РАСФАСОВКА И УПАКОВКА КАРАМЕЛИ Мелкая карамель расфасовывается автоматически или вручную в красочно оформленные жестяные или картонные коробки. В жестяные коробки расфасовывают карамель с необработанной поверхностью — леденцовую или атласные сорта с различной начинкой; в картонные коробки — преимущественно глянцованную или дра-жированную карамель. В промышленности работают автоматы, которые из заранее отпечатанных и высеченных картонных заготовок формируют коробки, отвешивают определенное количество карамели, наполняют ею коробки и заклеивают их. Такие автоматы устанавливаются в механизированных поточных линиях, изготовляющих глянцованную карамель формы «подушечка». Применяются также автоматы для расфасовки карамели в целлофановые пакеты и в жестяные коробки. Всю карамель после завертки или обработки ее поверхности упаковывают в гофрированные короба или деревянные ящики из фанеры или теса. На некоторых фабриках упаковка коробов из гофрированного картона и оклейка их гуммированной лентой производится на автоматах. Короба и ящики должны быть чистые, сухие, прочные, без постороннего запаха. При упаковке открытых сортов карамели тара внутри застилается упаковочной бумагой. Тесовую тару застилают бумагой и при упаковке в нее завернутой карамели. Влажность гофрированной тары допускается 12%, деревянной—15%. 122 БРАК И ОТХОДЫ В КАРАМЕЛЬНОМ ПРОИЗВОДСТВЕ Борьба против брака, за уменьшение отходов и потерь — задача, стоящая перед каждым работником кондитерской промышленности. Брак образуется при применении нестандартного сырья, при небрежном ведении технологического процесса, при невнимательном отношении к работе всех видов оборудования. Описывая отдельные стадии технологического процесса, мы рассмотрели виды брака и причины его образования. Здесь повторим кратко: чтобы устранить брак, необходимо строго соблюдать установленную рецептуру и технологический, режим на всех стадиях производства, необходима правильная эксплуатация оборудования. Отходы, возвращаемые в производство, образуются почти на всех стадиях технологического процесса. Так, в отходы идут зачистки с вакуум-аппаратов, концы батонов, начало и конец карамельной цепочки, осколки и крошки на формующих машинах и т. д. В некоторых случаях отходы в небольшом количестве при современном состоянии техники неизбежны; например начало и конец карамельных цепочек, осколки. Но они сильно возрастают вследствие недостаточно правильного ведения процесса. Поэтому обычно предусматривается наибольшее допустимое количество отходов. Так, при выработке карамели с фруктовой начинкой допускается отходов не более 1,5%. При полумеханизированном способе производства некоторое количество отходов, образующихся при формовании и охлаждении карамели, немедленно используют при разделке следующих порций карамельной массы. Концы цепочек, крошки, не содержащие начинки, добавляют в горячую карамельную массу на первом охлаждающем столе. Поточные линии производства требуют особенно тщательного соблюдения технологического режима, так как здесь отходы не могут быть немедленно возвращены в производство, как на полумеханизированных линиях, и неизбежно накапливаются. При организации автоматического контроля и регулирования основных параметров производственного процесса количество отходов на поточных линиях значительно снижается. Обычно принятый способ переработки отходов — растворение их в открытых котлах с барботером и змеевиком. Растворение и уваривание до содержания сухих веществ 80% продолжается 20— 30 мин. Готовый сироп отстаивается, фильтруется и идет на приготовление темноокрашенных фруктово-ягодных начинок. Наиболее совершенный способ переработки отходов карамели — это холодный способ, применяемый на фабрике имени Бабаева 1 . Установка представляет собой вращающийся сетчатый барабан, 1 Авторы А. Н. Денисюк, А. Н Глухов, Я. Б. Шенкер, Л, Т. Этлис.
рис ,7 v ••••••'••"""///////////////////. бом ': ' СТ ""°"К- Для раствореви. отходов карамели хололньш СПО со-1- загрузочная воронка, 2- да«°аЖУХ ' *-э «»Род.вг.тель, 5, t - пере- ВеЩ6СТВ в образовавшемся си- Глава III ПРОИЗВОДСТВО ШОКОЛАДА И ПОРОШКА КАКАО Основным сырьем для производства шоколада и порошка какао являются бобы какао. Шоколад представляет собой продукт переработки бобов какао с сахаром. Порошок какао — это продукт, полученный из частично обезжиренных бобов какао. Жир (масло какао), получающийся при изготовлении порошка какао, используется при изготовлении шоколада. Поэтому в шоколадных цехах приготовляется и порошок какао. ; Производство шоколада и порошка какао состоит из целого ряда стадий, из которых складывается технологическая схема производства (рис. 18). ПРОИЗВОДСТВО ШОКОЛАДА Шоколад представляет собой продукт переработки бобов кака9 с сахаром как без добавления, так и с добавлением различных вкусовых и ароматических веществ. В зависимости от состава и качества обработки шоколад разделяется на две группы: шоколад натуральный без добавлений и шоколад с добавлениями. Обе группы шоколада подразделяются на десертный и обыкновенный шоколад. Десертный шоколад отличается от обыкновенного большим содержанием какаопродуктов и меньшим содержанием сахара, а также более тонким измельчением. Шоколад с добавлениями в зависимости от вводимых добавлений приготовляется нескольких видов: молочный, ореховый (добавляются ореховые ядра или арахис), кофейный (добавляется натуральный кофе), с вафлями, с фруктами и др. Кроме этих видов шоколада промышленность выпускает витаминизированный шоколад с витаминами В и С, а также шоколад с добавлением ореха кола, оказывающий тонизирующее действие и рекомендуемый для туристов и при временном напряжении в работе. Для больных диабетом вырабатываются различные сорта шоколада на сахарине. Для детей выпускаются специальные сорта шоколада с небольшим количеством какаопродуктов и большим содержанием молока. Шоколадная глазурь представляет собой разновидность шоколада без добавлений и применяется для глазирования корпусов конфет и других кондитерских изделий. 125 |
||||||||||||||||||||||||||||||||||||||||||||||||||||||||||||||||||||||||||||||||||||||||||||||||||||||||||||||||||||||||||||||||||||||||||||||||||||||||||||||||||||||||||||||||||||||||














