Курсовая работа: Расчет гидравличесой системы трубопровода
|
Название: Расчет гидравличесой системы трубопровода Раздел: Промышленность, производство Тип: курсовая работа | ||||||||||||||||||||||||||||||||||||||||||||||||||||||||||||||||||||||||||||||||||||||||||||||||||||||||
Государственное образовательное учреждение высшего профессионального образования «Кубанский государственный технологический университет» (КубГТУ) Кафедра Промышленной Теплоэнергетики и ТЭС ПОЯСНИТЕЛЬНАЯ ЗАПИСКА к курсовой работе на тему: Расчет гидравличесой системы трубопровода 0842.140104.080.ПЗ Разработчик ___________И.Ю.Рыбоваленко___________________________ Руководитель ____________Р.А.Пахомов______________________________ Нормоконтролёр___________________________________________________ (подпись, дата, расшифровка подписи) Курсовая работа допущена к защите_____________________________________ Зав. кафедрой _______________________________________________________ (подпись, дата, расшифровка подписи ) Краснодар 2009 Государственное образовательное учреждение высшего профессионального образования «Кубанский государственный технологический университет» (КубГТУ) Кафедра Промышленной Теплоэнергетики и ТЭС УТВЕРЖДАЮ Заведующий кафедрой ПТ и ТЭС, профессор, Гапоненко А.М. __________________ (дата) ЗАДАНИЕ НА КУРСОВОЕ ПРОЕКТИРОВАНИЕ по специальности 140104 - «Промышленная теплоэнергетика» студентке Рыбоваленко Ирине Юрьевне Тема курсового проекта : Расчет гидравличесой системы трубопровода Руководительпроектирования кандидат техн. наук, доцент Р.А. Пахомов Срок сдачи законченного проекта (работы) на кафедру 28.05.2009 г. Исходные данные курсовой работы:
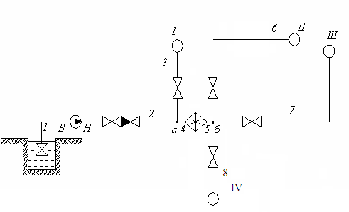
Рисунок 1 - Расчетная схема. Расход: QI =QIV =0 л/с QII =35 л/с QIII =45 л/с Абсолютное давление потребления: РI =PIV =3 бар РII =2 бар PIII =3 бар Геометрические высоты характерных сечений: ZВ =5,5 м ZI =1 м Zн=5,5 м ZII =6 м Zа=5,5 м ZIII =7 м Геометрические длины участков: L1 =17 м L4 =10 м L7 =400 м L2 =250 м L5 =10 м L3 =50 м L6 =200 м Потери напора на теплообменнике: hтеплооб. = 4 м. вод. столба.
Пояснительная записка курсового проекта 27 с., 4 рис.,2 табл., 3 источника. Иллюстративная часть курсового проекта 1 лист формата А1. НАСОСНЫЕ УСТАНОВКИ, ГИДРАВЛИЧЕСКИЙ РАСЧЁТ, ГИДРАВЛИЧЕСКИЙ РЕЖИМ, ВЫБОР НАСОСА,СИСТЕМА ВОДОСНАБЖЕНИЯ. Объектом исследования является гидравлическая система трубопроводов. Цель работы – расчет гидравлической системы трубопроводов и выбор насоса. В работе определены потери давления на трение, местные сопротивления, давления во всех узловых точках системы. Определены диаметры отдельных участков, скорости и расходы. Выбрана главная магистраль. Определён напор насоса и выбран насос. Найдена допустимая высота всасывания. Построена гидравлическая характеристика системы, пьезометрический график и определена рабочая точка. Основные конструктивные и технико-эксплуатационные показатели: расход Содержание Нормативные ссылки . . . . . . . . . . . . . . . . . . . . . . . . . . . . . . . . . . . . . . . . . . . . . . . . .5 Введение . . . . . . . . . . . . . . . . . . . . . . . . . . . . . . . . . . . . . . . . . . . . . . . . . . . . . . . . . . . 7 1. Гидравлический расчет главной магистрали . . . . . . . . . . . . . . . . . . . . . . . . . . 10 2. Гидравлический расчет ответвлений . . . . . . . . . . . . . . . . . . . . . . . . . . . . . . . . . 20 3. Определение напора насоса . . . . . . . . . . . . . . . . . . . . . . . . . . . . . . . . . . . . . . . . 21 4. Построение гидравлических характеристик работы системы . . . . . . . . . . . . 23 5. Выбор насоса . . . . . . . . . . . . . . . . . . . . . . . . . . . . . . . . . . . . . . . . . . . . . . ……….24 6. Заключение . . . . . . . . . . . . . . . . . . . . . . . . . . . . . . . . . . . . . . . . . . . . . . . . . . . . . . 26 7. Список используемых источников . . . . . . . . . . . . . . . . . . . . . . . . . . . . . . . . . 27 Нормативные ссылки В курсовой работе использованы ссылки на следующие нормативные документы: ГОСТ 10704-91 Трубы стальные электросварные прямошовные. Сортамент ГОСТ Р 1.5-2002 ГСС РФ. Стандарты. Общие требования к построению, изложению, оформлению, содержанию и обозначению ГОСТ Р 1.12-99 ГСС РФ. Стандартизация и смежные виды деятельности. Термины и определения ГОСТ Р 8.000-2000 Государственная система обеспечения единства измерений. Основные положения ГОСТ Р 8.563-96 ГСИ. Методики выполнения измерений ГОСТ Р 15.011-96 СРПП, Патентные исследования. Содержание и порядок проведения ГОСТ Р 21.1207-97 СПДС. Условные графические изображения на чертежах автомобильных дорог ГОСТ Р 21.1701-97 СПДС. Правила выполнения рабочей документации автомобильных дорог ГОСТ Р ИСО 9000-2001 Системы менеджмента качества. Основные положения и словарь ГОСТ Р ИСО 9001-2001 Системы менеджмента качества. Требования ГОСТ Р ИСО 14001-98 Системы управления окружающей средой. Требования и руководство по применению ГОСТ Р ИСО 14004-98 Системы управления окружающей средой. Общие руководящие указания по принципам системам и средствам обеспечения функционирования ГОСТ Р 51672-2000 Метрологическое обеспечение испытаний продукции для целей подтверждения соответствия. Основные положения ГОСТ Р 51740-2001 Технические условия на пищевые продукты. Общие требования к разработке и оформлению ГОСТ 2.004-88 ЕСКД. Общие требования к выполнению конструкторских и технологических документов на печатающих и графических устройствах вывода ЭВМ ГОСТ 2.102-68 ЕСКД. Виды и комплектность конструкторских документов ГОСТ 2.103-68 ЕСКД. Стадии разработки ГОСТ 2.104-68 ЕСКД. Основные надписи ГОСТ 2.106-96 ЕСКД. Текстовые документы ГОСТ 2.109-73 ЕСКД. Основные требования к чертежам ГОСТ 2.113-75 ЕСКД. Групповые и базовые конструкторские документы ГОСТ 2.114-95 ЕСКД. Технические условия ГОСТ 2.119- 73 ЕСКД. Эскизный проект ГОСТ 2.120-73 ЕСКД. Технический проект ГОСТ 2.201-80 ЕСКД. Обозначение изделий и конструкторских документов ГОСТ 2.301-68 ЕСКД. Форматы ГОСТ 2.302-68 ЕСКД. Масштабы ГОСТ 2.501-88 ЕСКД. Правила учета и хранения ГОСТ 2.316-68 ЕСКД. Правила нанесения на чертежах надписей, технических требований и таблиц ГОСТ 2.601-95 ЕСКД. Эксплуатационные документы ГОСТ 2.602-95 ЕСКД. Ремонтные документы ГОСТ 2.604-2000 ЕСКД. Чертежи ремонтные. Общие требования ГОСТ 2.605-68 ЕСКД. Плакаты учебно-технические. Общие технические требования ГОСТ 2.701-84 ЕСКД. Схемы. Виды и типы. Общие требования к выполнению ГОСТ 3.1102-81 ЕСТД. Стадии разработки и виды документов ГОСТ 3.1103-82 ЕСТД. Основные надписи ГОСТ 3.1105-84 ЕСТД. Формы и правила оформления документов общего назначения ГОСТ 3.1127-93 ЕСТД. Общие правила выполнения текстовых технологических документов Введение Использование воды и гидравлической энергии, не смотря на длительное использование, имеет ряд существенных нерешенных проблем. В частности гидравлическая энергия рек на территории СНГ используется не более чем на 5%. Кроме того, огромное количество промышленных предприятий, приступая к водопользованию, не адекватно используют энергетические ресурсы. Причем не только гидроэнергию рек на этапе оборотного водопользования и водоснабжения, но и не верно организовывают гидравлические режимы действующих энергетических установок. Система водоснабжения – это комплекс инженерных сооружений и оборудования, предназначенных для забора воды из источника водоснабжения, её очистки, хранения и подачи к потребителям. Магистрали водопроводных сетей включают в себя участки с трубопроводной арматурой, предназначенной для различных целей. Трубопроводная арматура – устройство, устанавливаемое на трубопроводах, агрегатах и предназначенное для управления (отключения, распределения, регулирования, сброса, смешивания, фазоразделения) потоками рабочих сред (жидкой, газообразной, газожидкостной, порошкообразной, суспензии и т. п.) путем изменения площади проходного сечения. Трубопроводная арматура характеризуется двумя главными параметрами: условный проход (номинальный размер) и условным (номинальным) давлением. Такие трубопроводные системы создают сопротивление пропуску воды, которое должно преодолеваться напором, создаваемым гидромашинами. Многообразие гидромашин обслуживается широким спектром различных систем водоснабжения, зависящих от нужд потребителя. На данный момент наибольше распространение из гидромашин получили гидравлические насосы, так как без них не может обойтись практически ни одна система водоснабжения. По способу подачи воды различают самотечные (гравитационные) и водопроводы с механической подачей воды (с помощью насосов). В данной работе рассматривается система водоснабжения с механической подачей воды и производится расчет системы трубопроводов и подбирается гидромашина исходя из полученных необходимых требований напора и расхода. 1. Гидравлический расчёт главной магистрали. Рассчитаем давления в характерных точках и на каждом участке, предварительно рассчитав и подобрав диаметры трубопроводов 1.1. Используя данные из задания, выбираем в качестве главной магистрали 3- ий абонент. 1.1.1. Используя уравнение Бернулли, запишем формулу для определения давления в точке
где
1.1.2. Определяем диаметр трубопровода
где
По ГОСТу принимаем диаметр Уточняем скорость:
1.1.3. Определяем потери давления на трение
где Для ламинарного движения:
Для турбулентного движения:
где
где
Тогда по формуле (5), имеем:
Определяем потери давления на трение
1.1.4. Определяем потери давления на местные сопротивления
где
Тогда по формуле (7), имеем:
Итак, по формуле (1) находим:
1.1.5. Рассчитаем напор
где
Тогда:
1.2. Рассчитаем участок 4-5. 1.2.1. Запишем формулу для определения давления в точке
где
1.2.2. Определяем диаметр трубопровода На 4-5ом участке:
По ГОСТу принимаем диаметр Уточняем скорость:
1.2.3. Определяем потери давления на трение
где Число Рейнольдса, определяем по формуле (6):
Тогда по формуле (5), имеем:
Определяем потери давления на трение
1.2.4. Определяем потери давления на местные сопротивления На 4-5 участке:
где
Итак, по формуле (9) находим:
1.3.2. Определяем диаметр трубопровода На 2ом участке:
По ГОСТу принимаем диаметр Уточняем скорость:
1.3.3. Определяем потери давления на трение
где Число Рейнольдса, определяем по формуле (6):
Тогда по формуле (5), имеем:
Определяем потери давления на трение
1.3.4. Определяем потери давления на местные сопротивления
где
Тогда по формуле (14), имеем:
Итак, по формуле (12) находим:
1.4. Рассчитаем давление перед насосом. 1.4.1. Запишем формулу для определения давления перед насосом
где
1.4.2. Определяем диаметр трубопровода Так как до и после насоса диаметр трубопровода должен быть одинаков, то берем значения То есть: 1.4.3. Определяем потери давления на трение
То есть, имеем:
1.5. Рассчитаем давление, развиваемое насосом. 1.5.1. Давление, развиваемое насосом
где
1.5.2. Рассчитаем напор, развиваемый насосом
1.6. Рассчитаем 6ой участок.
1.6.2. Определяем диаметр трубопровода На 6 ом участке:
По ГОСТу принимаем диаметр Уточняем скорость:
1.6.4. Определяем потери давления на местные сопротивления
где
По формуле (18) находим
1.7. Рассчитаем 3ий участок.
1.7.2. Определяем диаметр трубопровода На 3ем участке:
По ГОСТу принимаем диаметр Уточняем скорость:
1.7.4. Определяем потери давления на местные сопротивления
где
По формуле (20), уточняем
1.8. Рассчитаем 8-ой участок.
1.8.2. Определяем диаметр трубопровода На 8-ом участке:
По ГОСТу принимаем диаметр Уточняем скорость:
1.7.4. Определяем потери давления на местные сопротивления
где
По формуле (22), уточняем
2. Построим пьезометрический график. Таблица 1 – сводная таблица данных.
2.1. По полученным данным построим пьезометрический график.
Рисунок 2 - пьезометрический график. 3. Найдем общее гидравлическое сопротивление. Известно, что при последовательном соединении участков трубопровода используется формула:
где При параллельном соединении трубопроводов используется формула:
где 3.1.
где 3.2. Проверим правильность расчета по формуле (25):
Посчитаем погрешность:
где
Делаем вывод: погрешность не превышает 5%, следовательно, гидравлический расчет произведен правильно. Получили необходимый напор насоса 4. Строим гидравлическую характеристику сети. 4.1. Для того чтобы построить гидравлическую характеристику сети, необходимо заполнить таблицу: Таблица 2 - зависимость напора от расхода.
4.2. Строим гидравлическую характеристику сети, используя данные таблицы 2.
Рисунок 3 - гидравлическая характеристика сети. 5. Выбор насоса. Исходя из требуемых параметров сети и ранее приведенных расчетов, расход насоса должен составлять Q
=100л/с
развиваемый напор Подбирать насос будем по стандартным гидравлическим характеристикам различных нагнетателей. Соответствующая характеристика должна пройти через расчетный расход и напор. Характеристики насоса представлена на рисунке 4. Принимаем насос 8НДв. Его характеристика: Q =100л/с
N=100 кВт
Рисунок 4-характеристика насоса Н – напор насоса; N - мощность насоса; η - коэффициент полезного действия насоса. Заключение В курсовой работе рассчитана водопроводная сеть, в которой кроме водопроводной арматуры присутствует теплообменник и нагнетатель. В результате расчетов определено следующее: - была выбрана главная расчетная магистраль, приходящая к III абоненту; -диаметры труб, скорости, потери напора на трение и местное сопротивление на каждом участке сети; -давления в узловых точках гидравлической системы; -мощность насоса - определен тип насоса 8НДв. Характеристика насоса 8НДв: Список использованных источников 1) Юренева В.Н., Лебедева П.Д. Теплотехнический справочник,Т.2. Изд. 2-е перераб. М., «Энергия», 1976.-896 с. с ил. 2) Сафонов А.П. Сборник задач по теплофикации тепловым сетям: учеб. пособие для вузов. – 3-е изд., перераб.-М.: Энергоатомиздат 1985.-232с.; 20,5 см.-Библиограф.: с.231 - 12500 экз. 3) Гапоненко А.М., Трофимов А.С. Лабораторный практикум по курсу «Насосы, вентиляторы и компрессоры»: учеб. пособие для вузов по специальности «Промтеплоэнергетика».- Краснодар: Ротапринт 2005.-57с.; 20,5см. - 500 экз. |

Реферат







