Реферат: Железобетонные конструкции
|
Название: Железобетонные конструкции Раздел: Рефераты по архитектуре Тип: реферат | |||||||||||||||||||||||||||||||||||||||||||||||||||||||||||||||||||||||||||||||||||||||||||||||||||||||||||||||||||||||||||||||||||||||||||||||||||||||||||||||||||||||||||||||||||||||||||||||||||||||||||||||||||||||||||||||||||||||||||||||||||||||||||||||||||||||||||||||||||||||||||||||||||||||||||||||||||||||||||||||||||||||||||||||||||||||||||||||||||||||||||||||||||||||||||||||||||||||||||||||||||||||||||||||||||||||||||||||||||||||||||||||||||||||||||||||||||||||||||||||||||||||||||||||||||||||||||||||||||||||||||||||||||||||||||||||||||||||||||||||||||||||||||||||||||||||||||||||||||||||||||||||||||||||||||||||||||||||||||||||||||||||||||||||||||||||||||||||||||||||||||||||||||||||||||||||||||||||||||||||||||||||||||||||||||||||||||||||||||||||||||||||||||||||||||||||||||||||||||||||||||||||||||||||||||||||||||||||||||||||||||||||||||||||||||||||||||||||||||||||||||||||||||||||||||||||||||||||||||||||||||||||||||||||||||||||||||||||||||||||||||||||||||||||||||||||||||||||||||||||
Расчёт железобетонной фермы с параллельными поясами Рассчитываем предварительно напряжённую ферму с параллельными поясами для плоской кровли одноэтажного промышленного здания пролётом 24(м) при шаге ферм 6(м). Предварительно напряжённый пояс армируется канатами К-7 диаметром 15(мм) с натяжением на упоры Rs=1080(Мпа), Rs,ser=1295(Мпа), Es=1.8(100000)(Мпа). Остальные элементы фермы армируются ненапрягаемой арматурой класса A-III, Rs=Rsc=365(Мпа), d>10(мм), Es=2(100000)(Мпа); хомуты из арматуры класса A-I, Rsw=175(Мпа). Бетон класса В40, Rb=22(Мпа); Rbt,ser=2.1(Мпа). Прочность бетона к моменту обжатия Rbp=0.7B= =0.7·40=28(Мпа); Rbt=1.4(Мпа); γb2=0.9; Eb=32.5·10і(Мпа). Назначаем геометрические размеры: ширину панели принимаем 3(м) с расчётом опирания рёбер плит покрытия в узлы верхнего пояса. Решётка треугольная, угол наклона раскоса 45°. Высоту фермы принимаем 3(м), что составляет h/l=3/240=1/8. Сечения ВП и НП 240Ч240(мм); сечение раскосов h2Чb2=180Ч180(мм), стоек 120Ч120(мм). Решётка фермы выполняется из готовых элементов с выпусками арматуры, которые заделывают в узлах при бетонировании поясов. Сбор нагрузок на ферму
Узловые расчётные нагрузки по верхнему поясу(ВП) фермы постоянные: P1=g·a·b·γn =3.185·6·3·0.95=54.46(кн) длительные: P2=0.84·6·3·0.95=14.36(кн) кратковременные: P3=1.96·6·3·0.95=33.516(кн) Нормативные узловые нагрузки будут ровны: Постоянные: P1=g·a·b·γn =2.75·6·3·0.95=47(кн) длительные: P2=0.6·6·3·0.95=10.26(кн) кратковременные: P3=1.4·6·3·0.95=23.94(кн) Усилия в элементах фермы получаем из расчёта на компьютере. Фактичекие усилия в элементах фермы получаем умножением единичных усилий на действительные значения узловых нагрузок P.
Р
П Ч
П
П
У
Здесь As=2.26(смІ) для 2Ш12 А-III принято конструктивно.
С Расчёт нижнего пояса на прочностьМаксимальное расчётное усилие растяжения N=711.6(кн) Определяем площадь сечения растянутой напрягаемой арматуры:
П
П α=200·10і/325·10І=6.15 – для арматуры класса А-III Расчёт нижнего пояса на трещиностойкость Элемент относится к третьей категории трещиностойкости. Максимальное предварительное напряжение арматуры принимаем σsp=0.7Rs,ser=0.7·1295=906(Мпа) Проверяем условия: σsp+p=906+45.3=951.3<Rs,ser=1295(Мпа) σsp-p=906-45.3=855.7>0.3·Rs,ser=387(Мпа), где p=0.05·σsp=0.5·906=45.3(Мпа) Определяем потери предварительного напряжения арматуры. Первые потери:
П В
Расчёт по раскрытию трещин: Вычисляем ширину раскрытия трещин с учётом коэффициента γi=1.15 и суммарного действия постоянной нагрузки и полной снеговой нагрузки. Приращение напряжений в растянутой арматуре от полной нагрузки:
П Контролируемое усилие при натяжении канатов:
Расчёт наиболее сжатого раскоса:
Р Назначаем из конструктивных соображений симметрично по контуру 4Ш12 А-III, As=4.52(смІ); μ=4.52/(15·18)·100%=1.67%>0.25% Расчёт наиболее растянутого раскоса: Расчётное усилие растяжения при γn=0.95 N=345·0.95=327.75(кн). Назначаем сечение hЧb=18Ч18(см). Площадь сечения арматуры из условия прочности: As=N/Rs= =327.75/365·10і=9(смІ); предварительно принимаем 4Ш18 А-III, As=10.18(смІ) Расчёт по раскрытию трещин:
С
С Сбор нагрузок I. Постоянные нагрузки: Нагрузка от веса покрытия:
Расчётная нагрузка от собственного веса подкрановой балки и кранового пути: {(06·012+025·088)·25+070}∙6∙11=528(кн) Расчётная нагрузка от веса колонн
Расчётное опорное давление фермы на стойку (включая постоянную нагрузку от покрытия): (112/2·11+261·6·24/2)∙095=23712(кн) Расчётное опорное давление балки на стойку (включая постоянную нагрузку от покрытия): (91/2+261∙6∙18/2)∙095=1772(кн) II.Временные нагрузки: Для расчёта стоек распределение снеговой нагрузки по покрытию во всех пролётах здания принимается равномерным. г.Пермь – V снеговой район вес снегового покрова земли 2(кн/мІ) Расчётная
нагрузка на
стойку будет:
III.Крановые нагрузки:
IV.Ветровая нагрузка: 1.Участок
- от 0.00(м) до низа
стропильных
конструкций:
2.Участок
- высота стропильной
конструкции:
Находим
средний коэффициент
Расчётное значение ветровой нагрузки на первом участке:
Расчётное значение ветровой нагрузки на втором участке:
Ветровая нагрузка, действующая на шатёр, приводится к узловой нагрузке, приложенной на уровне низа ригеля рамы. Интенсивность нагрузки:
Грузовая
площадь шатра:
Статический расчёт рамыОпределение геометрических характеристик стойки по оси А: Моменты инерции сечений колонн составляют:
Отношение высоты надкрановой части колонны к её полной высоте:
Смещение
осей надкрановой
и подкрановой
частей стойки:
Определение усилий в стойках от отдельных видов загружений:
Загружение 1(снеговая нагрузка): С
Для
Коэффициент
Находим величину горизонтальной реакции по формуле:
Определяем усилия в сечениях стойки. изгибающие моменты:
продольные
силы:
поперечная
сила:
При
действии силы
Загружение 2(постоянная нагрузка): Благодаря симметрии точек приложения сил относительно оси стойки, усилия
изгибающие моменты:
продольные силы:
поперечная
сила:
Загружение 3(крановая нагрузка действует со стороны пролёта АБ): Для
Находим величину горизонтальной реакции по формуле:
Определяем усилия в сечениях стойки. изгибающие моменты:
продольные силы:
поперечная
сила:
При
действии крановой
нагрузки
Загружение 4(крановая нагрузка Т действует слева на право): Для
Находим величину горизонтальной реакции по формуле:
Определяем усилия в сечениях стойки. изгибающие моменты:
изгибающий
момент в точке
приложения
силы H:
продольные
силы:
поперечная
сила:
При
действии силы
Загружение 5(ветровая нагрузка действует слева на право): Определяем
горизонтальные
реакции
Для
Горизонтальная
реакция
Горизонтальная
реакция
Усилие
в дополнительной
связи:
Распределяем усилие в дополнительной связи между стойками поперечника. Для
Горизонтальные
силы, приходящиеся
на стойки по
осям
Определяем усилия в сечениях стойки. изгибающие моменты:
продольные
силы:
поперечная
сила:
При направлении ветра справа на лево усилия в стойках не изменяются. Составляем таблицу расчётных усилий.
Усилия в элементах фермы
Расчёт колонны. Бетон
тяжёлый:
I.Надкрановая часть стойки. Размеры
сечения:
Расчётная
длина надкрановой
части:
Комбинации расчётных усилий:
Для первой комбинации:
Для
тяжёлого бетона
.
Площадь
арматуры
Для второй комбинации: Так
как значения
внутренних
усилий
Для третьей комбинации:
Для
тяжёлого бетона
.
Площадь
арматуры
Окончательно
принимаем
3Ш14
II.Подкрановая часть стойки. Размеры
сечения:
Расчётная
длина подкрановой
части:
Комбинации расчётных усилий:
Для первой комбинации:
принимаем
Для
тяжёлого бетона
.
Площадь
арматуры
Для второй комбинации: Так
как значения
внутренних
усилий
Для третьей комбинации:
Для
тяжёлого бетона
.
Площадь
арматуры
Окончательно
принимаем
3Ш16
Проверим необходимость расчёта подкрановой части колонны в плоскости, перпендикулярной к плоскости изгиба.
В расчёте нет необходимости. Сбор нагрузок I.Постоянные нагрузки: Нагрузка от веса покрытия:
Расчётная нагрузка от веса подкрановой балки: (06·012+02·088)·595·25·11=40579кн Расчётная нагрузка от веса колонн - надкрановая часть: (038·04·38)·25·11=15884кн - подкрановая часть: (04·08·59+04·09·105)·25·11=62315кн Расчётное опорное давление фермы - от покрытия: 3185·6·24/2=22932кн - от фермы: (120/2)·11=66кн Расчётная нагрузка от веса покрытия с учётом коэффициента надёжности по назначению здания <095 на колонну F=(22932+66)·095=2895кн II.Временные нагрузки: г.Пермь – V снеговой район вес снегового покрова земли 2кн/мІ Расчётная нагрузка на стойку будет: Рсн=26·24/2·14·095=19152кн III.Крановые нагрузки: 1 Dmax=Pmax·f·i·yi=220·11·085·(027+1+068)=401115кн Dmin=58·11·085·(027+1+068)=10575кн 2) Горизонтальные нагрузки от кранов: Hmax=(Q+Gn)·05·f·n/20=(200+52)·05·11·095/20=658кн H=Hmax·i·yi=658·085·195=1091кн IV.Ветровая нагрузка: 1.Участок - от 0.00м до низа стропильных конструкций 9.60м: Н1=9600м 2.Участок - высота стропильной конструкции: H2=2950м Находим средний коэффициент Kсрij: Kср11=Кн11+(Н11/2)·tg1=K5=05 Kср12=K5+(46/2)·003=0569 Kср21=064+(295/2)·002=067 Kср1=(05·5+0569·46)/96=053 Kср2=067 Расчётное значение ветровой нагрузки на первом участке: Wнав1=f·ce·Kср1·W0=14·08·053·03=018кн/мІ Wпод1=f·ce·Kср1·W0=14·06·053·03=013кн/мІ Расчётное значение ветровой нагрузки на втором участке: Wнав2=f·ce·Kср2·W0=14·08·067·03=022кн/мІ Wпод2=f·ce·Kср2·W0=14·06·067·03=017кн/мІ Ветровая нагрузка, действующая на шатёр, приводится к узловой нагрузке, приложенной на уровне низа ригеля рамы. Интенсивность нагрузки: Wнав=Wнав1·Bk=018·6=108кн/мп Wпод=Wпод1·Bk=013·6=078кн/мп Грузовая площадь шатра: A1=Bk·h2=6·295=177мІ Pнав=Wнав2·A1=022·177=39кн Pпод=Wпод2·A1=017·177=30кн Статический расчёт рамыОпределение геометрических характеристик стойки по оси А: Моменты инерции сечений колонн составляют:
Отношение высоты надкрановой части колонны к её полной высоте: =Нв/Н=38/106=036 Определение усилий в стойках от отдельных видов загружений: 1)Постоянная нагрузка. Продольная сила F1=2805кн действует на колонну с эксцентриситетом e0=0015м В подкрановой части колонны действуют: расчётная нагрузка от подкрановых балок F=40579кн c e=035м; расчётная нагрузка от надкрановой части колонны F=15884кн e0=021м.
З Загружение 2(постоянная нагрузка):
Загружение 3(ветровая нагрузка):
Загружение 4(вертикальная нагрузка от мостовых кранов):
Загружение 5(горизонтальная крановая нагрузка):
Расчёт колонны Бетон тяжёлый: B15, подвергнутый тепловой обработке при атмосферном давлении Rb=85(Мпа); Rbt=075(Мпа); Eb=205·10і(Мпа); арматура А-,d>10(мм) Rs=Rsc=365(Мпа); Es=200·10і(Мпа) I.Надкрановая часть: B·h=40·38(см) (а=а=4см) h0=h-a=38-4=34(см) расчётная длина над крановой части: l0=2·Hверх=2·38=76(м) Комбинации расчётных усилий:
Д Так как 0>14, то необходимо учесть влияние прогиба элемента на его прочность. еа – случайный эксцентриситет. Принимаем еа=13(см) Р Принимаем е=032(см) Для тяжёлого бетона =1 Предварительно принимаем =0005, тогда при =Es/Eb=200·10і/205·10і=98
Площадь арматуры As=As назначаем по сортаменту: Принимаем 2Ш14 A- c As=308(смІ) Для второй комбинации:
П Принимаем 2Ш8 A- c As=101(смІ) Для третьей комбинации:
Площадь арматуры As=As назначаем по конструктивным соображениям: As=0002·b·h0=0002·40·34=272(смІ) Принимаем 2Ш14 A- c As=308(смІ) Окончательно принимаем 2Ш14 A- c As=308(смІ) Горизонтальная арматура устанавливается конструктивно: шаг 300, Ш6 А-I II Подкрановая часть: bЧh=40Ч80(см) (a=a’=4см) h0=80-4=76(см) Расчётная длина подкрановой части колонны: l0=15·H1=15·6=9(м) Комбинации расчётных усилий:
Д Так как 0>14, то необходимо учесть влияние прогиба элемента на его прочность. еа – случайный эксцентриситет. Принимаем еа=267(см) Р Принимаем е=0294(см) Для тяжёлого бетона =1 Предварительно принимаем =0005, тогда при =Es/Eb=200·10і/205·10і=98
Площадь арматуры As=As назначаем по конструктивным соображениям: A Принимаем 2Ш20 A- c As=628(смІ)
Для второй комбинации:
Площадь арматуры As=As назначаем по конструктивным соображениям: As=0002·b·h0=0002·40·76=61(смІ) Принимаем 2Ш20 A- c As=628(смІ) Для третьей комбинации:
П As=0002·b·h0=0002·40·76=61(смІ) Принимаем 2Ш20 A- c As=628(смІ) Проверим необходимость расчёта подкрановой части колонны в плоскости, перпендикулярной к плоскости изгиба: Р
Следовательно принятого количества арматуры достаточно Окончательно принимаем 2Ш20 A- c As=628(смІ)
Р
Расчёт арматуры верхней части колонны:
Р Расчёт трещиностойкости:
Принятого количества арматуры достаточно.
Расчёт ребристой плиты покрытия Нормативные и расчётные нагрузки на 1мІ перекрытия
Расчёт плиты по прочности.Расчёт полки: Плиту рассматриваем как многопролётную неразрезную балку. Изгибающий момент в сечении:
где
а
общая нагрузка
на плиту:
Полезная
толщина плиты
Определяем
коэффициент
Принимаем сварную сетку С-2 с продольной арматурой Ш3 класса Вр-I, шаг 100(мм), As=0.71(смІ) и поперечной Ш3 класса Вр-I, шаг 200(мм), As=0.35(смІ). Процент
армирования
Расчёт поперечных рёбер по прочности: Поперечные
рёбра запроектированы
с шагом
Поперечное
ребро рассчитываем
как балку таврового
сечения с защемлённой
опорой.
Постоянная
расчётная
нагрузка
Временная(снеговая)
нагрузка:
Общая
нагрузка:
Принимаем
полезную высоту
сечения ребра
Находим
коэффициент
Находим
коэффициент
Учитывая
на опоре работу
поперечных
стержней сетки
плиты, у которой
на 1(м) имеется
5Ш3
Проверим необходимость постановки хомутов:
Следовательно
требуется
расчёт поперечной
арматуры. Зададимся
шагом хомутов
и диаметром
стержней:
где
Принимаем
Условие
прочности
Расчёт продольных рёбер по прочности 1. Предельные состояния первой группы Плиту рассматриваем как свободно лежащую на двух опорах балку П-образного поперечного сечения, которое приводится к тавровому сечению с полкой в сжатой зоне. Находим расчётный пролёт плиты, принимая ширину опоры 10см:
Максимальный
изгибающий
момент:
где
Рабочая
высота ребра:
Для
установления
расчётного
случая таврового
сечения проверим
условие, считая
Условие
соблюдается,
следовательно,
нейтральная
ось проходит
в пределах
сжатой полки
т.е.
Предварительные
напряжения
Т.к.
Вычисляем площадь сечения растянутой арматуры:
Принимаем
Расчёт по наклонному сечению Расчёт на действие поперечной силы:
Проверим
необходимость
постановки
хомутов:
Определим длину проекции наиболее опасного наклонного сечения:
Условие выполняется. Расчёт
на действие
изгибающего
момента:
Т.к.
у продольной
арматуры отсутствует
анкеровка, то
Условие выполняется. Прочность по наклонной трещине обеспечена. 2. Предельные состояния второй группы Определение геометрических характеристик приведённого сечения.
Статический момент площади приведённого сечения относительно нижней грани:
Расстояние от нижней грани до центра тяжести приведённого сечения:
где
Момент
инерции приведённого
сечения:
Момент сопротивления приведённого сечения относительно нижней грани:
то
же по верхней
зоне
где
Расстояния
от верхней и
нижней ядровой
точек до центра
тяжести приведённого
сечения, где
Определим потери предварительного напряжения арматуры. Первые потери:
Потери
от быстронатекающей
ползучести
бетона, подвергнутого
тепловой обработке,
при
Первые
потери напряжений:
Вторые потери:
тепловой обработке при атмосферном давлении
Вторые
потери напряжений:
Общие потери предварительного напряжения арматуры:
Равнодействующая
сил обжатия
с учётом всех
потерь и точности
натяжения
Расчёт по деформациям (определение прогибов). Вычисляем
момент, воспринимаемый
сечением нормальным
к продольной
оси элемента,
при образовании
трещин:
Следовательно трещины в растянутой зоне образуются. Необходим расчёт по раскрытию трещин. Расчёт по раскрытию трещин, нормальных к продольной оси элемента.Предельная ширина раскрытия трещин:
Изгибающий момент от нормативных нагрузок: постоянной и длительной
Приращения напряжений в растянутой арматуре от действия полной нагрузки:
Ширину раскрытия трещин от непродолжительного действия всей нагрузки:
где
Ширину
раскрытия
трещин от
непродолжительного
действия постоянной
и длительной
нагрузки:
Ширину раскрытия трещин от действия постоянной и длительной нагрузок:
Непродолжительная ширина раскрытия трещин:
Продолжительная
ширина раскрытия
трещин:
Расчёт прогиба плиты: Прогиб
определяем
от нормативного
значения постоянной
и длительных
нагрузок; предельный
прогиб составляет
Вычислим кривизну оси при изгибе:
Вычислим прогиб плиты: |
|||||||||||||||||||||||||||||||||||||||||||||||||||||||||||||||||||||||||||||||||||||||||||||||||||||||||||||||||||||||||||||||||||||||||||||||||||||||||||||||||||||||||||||||||||||||||||||||||||||||||||||||||||||||||||||||||||||||||||||||||||||||||||||||||||||||||||||||||||||||||||||||||||||||||||||||||||||||||||||||||||||||||||||||||||||||||||||||||||||||||||||||||||||||||||||||||||||||||||||||||||||||||||||||||||||||||||||||||||||||||||||||||||||||||||||||||||||||||||||||||||||||||||||||||||||||||||||||||||||||||||||||||||||||||||||||||||||||||||||||||||||||||||||||||||||||||||||||||||||||||||||||||||||||||||||||||||||||||||||||||||||||||||||||||||||||||||||||||||||||||||||||||||||||||||||||||||||||||||||||||||||||||||||||||||||||||||||||||||||||||||||||||||||||||||||||||||||||||||||||||||||||||||||||||||||||||||||||||||||||||||||||||||||||||||||||||||||||||||||||||||||||||||||||||||||||||||||||||||||||||||||||||||||||||||||||||||||||||||||||||||||||||||||||||||||||||||||||||||||||
|
Сечение |
Усилие |
Постоянная нагрузка |
Временные нагрузки |
I сочетание |
II сочетание |
||||||||||
|
Снеговая на покрытии пролёта |
Dmax по оси Б в пролёте АБ |
Dmax по оси Б в пролёте БВ |
H по оси Б |
Ветер слева |
Ветер справа |
Mmax Nсоотв |
Mmin Nсоотв |
Nmax Mсоотв |
Mmax Nсоотв |
Mmin Nсоотв |
Nmax Mсоотв |
||||
|
АБ |
БВ |
||||||||||||||
|
1 |
2 |
3 |
4 |
5 |
6 |
7 |
8 |
9 |
10 |
11 |
12 |
13 |
14 |
15 |
16 |
|
1 |
M |
-12 |
-383 |
383 |
0 |
0 |
0 |
0 |
0 |
3-5 |
3-4 |
3-4 |
3-5 |
3-4 |
3-4 |
|
263 |
-503 |
-503 |
2247 |
-4647 |
-4647 |
||||||||||
|
N |
41432 |
19152 |
19152 |
0 |
0 |
0 |
0 |
0 |
60584 |
60584 |
60584 |
587 |
587 |
587 |
|
|
2 |
M |
-485 |
-155 |
155 |
8273 |
-8273 |
685 |
114 |
114 |
3-6-8 |
3-7-8 |
3-4 |
3-5-6-8-9 |
3-4-7-8 |
3-4-5 |
|
8473 |
-9443 |
-2035 |
100 |
-9942 |
-485 |
||||||||||
|
N |
43942 |
19152 |
19152 |
0 |
0 |
0 |
0 |
0 |
43942 |
43942 |
631 |
612 |
612 |
78415 |
|
|
3 |
M |
-485 |
-155 |
155 |
-1048 |
1048 |
685 |
114 |
114 |
3-7-8 |
3-6-8 |
3-6 |
3-5-7-8-9 |
3-4-6-8 |
3-4-5-6 |
|
1068 |
-1165 |
-10965 |
11984 |
-1193 |
-9917 |
||||||||||
|
N |
545 |
19152 |
19152 |
250 |
250 |
0 |
0 |
0 |
795 |
795 |
795 |
94237 |
94237 |
111474 |
|
|
4 |
M |
792 |
253 |
-253 |
4326 |
-4326 |
11 |
318 |
318 |
3-6-8 |
3-7-8 |
3-7-8 |
3-4-6-8-9 |
3-5-7-8 |
3-4-5-6 |
|
6218 |
-4634 |
-4634 |
10814 |
-637 |
4685 |
||||||||||
|
N |
624 |
19152 |
19152 |
250 |
250 |
0 |
0 |
0 |
874 |
874 |
874 |
102137 |
102137 |
1194 |
|
|
Q |
188 |
6 |
-6 |
188 |
-188 |
233 |
3 |
3 |
61 |
233 |
233 |
1377 |
-731 |
357 |
|
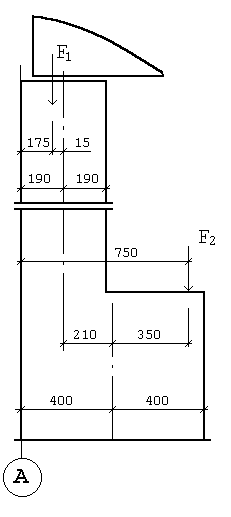
Исходные данные для проектирования.
Ширина пролёта – 24(м)
Шаг рам – 6(м)
Грузоподъёмность крана – 20(т)
Режим работы крана – лёгкий
Длина здания – 192(м)
Место строительства – город Пермь
Расчётная колонна - по оси А
Агрессивность среды – неагрессивная
Т а б л и ц а р а с ч ё т н ы х у с и л и й .
-
Сечение
Усилие
Постоянная нагрузка
Временные нагрузки
I сочетание
II сочетание
Снеговая на покрытии пролёта
Dmax по оси Б в пролёте АБ
Dmax по оси Б в пролёте БВ
H по оси Б
Ветер слева
Ветер справа
Mmax Nсоотв
Mmin Nсоотв
Nmax Mсоотв
Mmax Nсоотв
Mmin Nсоотв
Nmax Mсоотв
АБ
БВ
1
2
3
4
5
6
7
8
9
10
11
12
13
14
15
16
1
M
-12
-383
383
0
0
0
0
0
3-5
3-4
3-4
3-5
3-4
3-4
263
-503
-503
2247
-4647
-4647
N
41432
19152
19152
0
0
0
0
0
60584
60584
60584
587
587
587
2
M
-485
-155
155
8273
-8273
685
11324
11324
3-9
3-7-8
3-4
3-5-6-8-9
3-4-7-8
3-4-5
112755
-9443
-2035
1109
-9942
-485
N
43942
19152
19152
0
0
0
0
0
43942
43942
631
612
612
78415
3
M
-485
-155
155
-1048
1048
685
11324
11324
3-9
3-6-8
3-6
3-5-7-8-9
3-4-6-8
3-4-5-6
112755
-1165
-10965
1129
-1193
-9917
N
545
19152
19152
250
250
0
0
0
545
795
795
94237
94237
111474
4
M
792
253
-253
4326
-4326
11
3159
3159
3-9
3-7-8
3-7-8
3-4-6-8-9
3-5-7-8
3-4-5-6
3167
-4634
-4634
292262
-637
4685
N
624
19152
19152
250
250
0
0
0
624
874
874
102137
102137
1194
Q
188
6
-6
188
-188
233
298
298
300
233
233
27927
-731
357

редварительно
вычисляем
площадь сечения
арматуры, полагая
As=As’,
ξ=x/h0=1
и
η=1












неговая
нагрузка на
покрытии пролёта
АБ.

;

;

;

;




































асчёт
колонны на
транспортные
нагрузки.























