Федеральное агентство образования
ТОМСКИЙ ГОСУДАРСТВЕННЫЙ УНИВЕРСИТЕТ СИСТЕМ УПРАВЛЕНИЯ И РАДИОЭЛЕКТРОНИКИ
(ТУСУР)
Курсовая работа
«Расчет разветвленной цепи
синусоидального тока»
По дисциплине
«Общая электротехника и электроника»
Авторы учебно-методического пособия:
В.М. Дмитриев, Н.В. Кобрина, Н.П. Фикс, В.И. Хатников
Томск 2000
Вариант №15
Выполнил студент группы
«»
2008 г.
2008
Задание на курсовую работу
.
Расчет разветвленной цепи синусоидального тока.
1. Cчитая, что
индуктивная связь между катушками отсутствует:
1.1 составить систему уравнений в символической форме по методу контурных токов;
1.2 преобразовать схему до двух контуров;
1.3 в преобразованной схеме рассчитать токи по методу узловых потенциалов;
1.4 рассчитать ток в третьей ветви схемы (в ветви, обозначения компонентов которой имеют индекс 3) методом эквивалентного генератора и записать его мгновенное значение;
1.5 на одной координатной плоскости построить графики и или ;
1.6 рассчитать показание ваттметра;
1.7 составить баланс активных и реактивных мощностей;
1.8 определить погрешность расчета;
1.9 построить лучевую диаграмму токов и топографическую диаграмму напряжений для преобразованной схемы.
2. С учетом взаимной индуктивности для исходной схемы составить систему уравнений по законам Кирхгофа для мгновенных значений и в комплексной форме.
3. Выполнить развязку индуктивной связи и привести эквивалентную схему замещения.
Указания
. Сопротивление R
в расчетных схемах принять равным 10 Ом. При расчете принять, что , , , , , . Начальную фазу ЭДС принять равной нулю, а начальные фазы ЭДС и — значениям из таблицы.
, В |
, В |
, В |
, град. |
, Ом |
, Ом |
, Ом |
, Ом |
, Ом |
, Ом |
| 25 |
50 |
75 |
30 |
15 |
20 |
25 |
15 |
20 |
10 |
,  |
, Гн |
, Гн |
, Гн |
, мкФ |
, мкФ |
, мкФ |
| 200 |
0,1 |
0,1 |
0,1 |
200 |
400 |
200 |

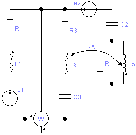
1. Считая, что индуктивная связь между катушками отсутствует:

1.1
Составим систему уравнений в символической форме по методу контурных токов.
Предварительно произвольно выберем направление токов в ветвях и направления контурных токов, с которыми совпадает направление обхода контуров. Таким образом по второму закону Кирхгофа имеем систему из трех уравнений:

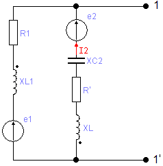
1.2
Преобразуем схему до двух контуров.
Заменим две параллельных ветви R и jXL
5
одной эквивалентной с сопротивлением R' и jXL
соединенных последовательно. Где Z
MN
– полное сопротивление этого участка.
Z
MN
= = R' + jXL
Таким образом мы получим два контура.

И по второму закону Кирхгофа составим два уравнения:

1.3
В преобразованной схеме рассчитаем токи по методу узловых потенциалов.
Примем φ
D
= 0, тогда мгновенные значения э.д.с имеют вид:
; ;
где ; .
Затем определим модули реактивных сопротивлений элементов цепи:
;
;
;
;
.
Определим эквивалентное сопротивление участка MN:
Z
MN
= 
Т.е. R' = 7,93 Ом; XL
= 4 Ом.
Так как цепь имеет два узла, то остается одно уравнение по методу двух узлов:
, где g1
, g2
, g3
– проводимости ветвей.
Рассчитаем проводимости каждой из ветвей:



Считаем E
1
= E1
= 25 (В)
;
Определим токи в каждой из ветвей:



Произведем проверку, применив первый закон Кирхгофа для узла C:
I
3
= I
1
+ I
2
= – 0,57 – j 0,68 +1,17 + j 1,65 = 0,6 + j 0,97
Токи совпадают, следовательно, расчет произведен верно.
1.4
Рассчитаем ток в третьей ветви схемы методом эквивалентного генератора.

Определим напряжение холостого хода относительно зажимов 1-1’

где 
 
Сначала определим внутреннее входное сопротивление:

Затем определим ток в третьей ветви:

Значение тока I3
совпадает со значением тока при расчете методом узловых потенциалов, что еще раз доказывает верность расчетов.
1.5
На одной координатной плоскости построим графики
i
3
(
t
) и
e
2
(
t
).
; 
где ; (А)
Тогда: ; 
Начальная фаза для : , для : 
Выберем масштаб me
= 17,625 (В/см)
; mi
= 0,8 (А/см).
То есть два деления для тока 1,6 А, четыре деления для Э.Д.С. 70,5 В.

1.6
Определим показания ваттметра.

1.7
Составим баланс активных и реактивных мощностей.
Должно выполняться условие:



где P = 76,3 (Вт); Q = - 25,3 (вар) (Характер нагрузки активно-емкостный)
Или 
Первый источник работает в режиме потребителя, второй в режиме генератора.

1.8
Определим погрешности расчета мощности:
- для активной мощности
- для реактивной мощности
Погрешности связаны с округлениями при расчете, они находятся в допустимых пределах.
1.9
Построим лучевую диаграмму токов и топографическую диаграмму напряжений для преобразованной цепи.
Определим потенциалы точек.
Пусть , т.е. .
Тогда (В)


  


Выберем масштаб: ; 
; ; 
; ; ; ;
; ; ;
; 

2.
С учетом взаимной индуктивности для исходной схемы составим систему уравнений Кирхгофа для мгновенных значений и в комплексной форме.

Из схемы следует, что обмотки L3
и L5
соединены встречно и связаны взаимной индуктивностью, тогда:
Для контура ABCD:

Для контура CDNOM:

Для контура MON:

Для узла С:

Для узла M:

Потенциалы точек A, D, N одинаковы.
3.
Выполним развязку индуктивной связи и приведем эквивалентную схему замещения.
Ветви соединены параллельно, таким образом напряжение на всех ветвях одинаково.
- взаимная индуктивность катушек, где K
св
- коэффициент связи, не превышающий 1.

1. В.М. Дмитриев, Н.В. Кобрина, Н.П. Фикс, В.И. Хатников.
Теоретические основы электротехники. Ч.1: Установившиеся режимы в линейных электрических цепях: Учебное методическое пособие. - Томск: Томский межвузовский центр дистанционного образования, 2001. - 51 с.
2.
В.М. Дмитриев, Н.В. Кобрина, Н.П. Фикс, В.И. Хатников.
Теоретические основы электротехники. Ч. 1: Установившиеся режимы в линейных электрических цепях.— Томск: Томский межвузовский центр дистанционного образования, 2001.— 157 с.
|