Курсовая работа: Толщиномер изоляции
|
Название: Толщиномер изоляции Раздел: Рефераты по коммуникации и связи Тип: курсовая работа | ||||||||||||||||||||||||||||||||||||||||||||||||||||||||||||||||||||||||||||||||||||||||||||||||||||||||||||||||||||||||||||||||||||||||||||||||||||||||||||||||||||||||||||||||||||||||||||||||||||||||||||||
МИНИСТЕРСТВО ОБРАЗОВАНИЯ И НАУКИ РОССИЙСКОЙ ФЕДЕРАЦИИ Омский государственный технический университет Кафедра Радиотехнические устройства и системы диагностики Специальность 20.01.02 Приборы и методы контроля качества диагностики Курсовой проект на тему:Толщиномер изоляции по дисциплине: Электромагнитный контроль Студент Маркосян Екатерина Сергеевна группы ФР-515 Пояснительная записка Шифр проекта КП-2069889-32-08-42.76.726-ПЗ Руководитель проекта Волков Александр Юрьевич Омск 2009 Реферат В данной курсовой работе был спроектирован вихретоковый толщиномер изоляции наружным диаметром 10 мм. Контроль производится с погрешностью не более 1% в диапазоне рабочих температур от 0 до 400 С. В ведении обосновывается актуальность и необходимость разработки. В первом разделе был приведен обзор литературы, в котором были рассмотрены: способ выделения информации, варианты датчиков, использующиеся в качестве первичного вихретокового преобразователя контролируемого параметра, проведен анализ существующих операционных усилителей, приведены примеры из патентной базы структурных схем построения приборов контроля толщины изоляционных покрытий. Из предложенных вариантов был выбран наиболее удовлетворяющий техническому заданию. Во втором разделе был произведен расчет основных элементов конструкции преобразователя и схемы усилителя. Осуществлен на теоретических расчетах амплитудный способ выделения информации, рассчитана чувствительность к контролируемому параметру и мешающему фактору. В третьем разделе предложена реализация оформления корпуса (электронного блока), приведены правила по настройке и эксплуатации разработанного прибора “Толщиномера изоляции ВТ-5М ". В заключении приведены основные результаты, полученные в ходе выполнения курсового проекта. Сравниваются параметры технического задания и разработанного прибора. Страниц основного текста38, приведенных рисунков 15, использованных источников 13, графическая часть состоит из двух чертежей на формате А1. Содержание 1.1 Толщиномеры диэлектрических покрытий на электропроводящих основаниях 1.2.1 Толщиномер ТЛ-1М [3, стр.82-83] 1.2.2 Вихретоковый толщиномер диэлектрических покрытий на электропроводящем основании [4] 1.2.3 Вихретоковый толщиномер диэлектрических покрытий [5] 1.2.5 Устройство для измерения толщины покрытий [7] 1.3 Выбор первичного преобразователя 1.4 Выбор операционного усилителя 1.4. 1 Классификация операционных усилителей 1.4. 3 Предполагаемые применения 2.3 Расчет операционного усилителя 3. Описание разработанного прибора "Толщиномер изоляции ВТ-5М" ВведениеНеразрушающий контроль и, в частности, дефектоскопия как его разновидность обеспечивают качество, надежность и безопасность эксплуатации огромного числа самых разных технических объектов без нарушения их свойств, функционирования и пригодности к применению. В НК существуют различные области диагностирования. В данном курсовом проекте речь будет идти об измерении толщины покрытия, это относится к области метрической диагностики. Покрытия из изоляционных материалов наносят для теплозащиты, защиты от агрессивных сред и атмосферных воздействий, они также защищают металлы от коррозии, предотвращают опасность поражения электрическим током, при пропускании его через данный объект, выполняют декоративные и другие функции. Материалом покрытия могут служить лак, краска, эмаль, стекло, резина, пластмасса, оксидные и фосфатные слои. Среди показателей качества покрытий важнейший - толщина, допустимые пределы изменения которой определяются нормативно-технической документацией. Разрушающие методы измерения толщины покрытий, например метод микрошлифов, метод взвешивания, травления, не позволяют реализовать 100%-ный контроль продукции, малопроизводительны и неэкономичны. Поэтому применение вихретоковых толщиномеров для измерения толщины покрытий дает, как правило, значительный технический и экономический эффект. С точки зрения вихретокого контроля измерение толщины диэлектрика на проводящем основании представляет задачу измерения зазора между накладным ВТП и поверхностью проводящего основания. Целью данного курсового проекта является разработка толщиномера изоляции с применением параметрического вихретокового преобразователя, в том числе рассчитать преобразователь и схему усилителя, составить руководство по эксплуатации и настройке разработанного прибора. 1. Обзор литературы1.1 Толщиномеры диэлектрических покрытий на электропроводящих основанияхОдин из основных параметров толщиномера - погрешность измерения, возникающая, как правило, вследствие влияния мешающих факторов, связанных с измерением параметров объекта. В толщиномерах обычно используют только накладные ВТП, позволяющие оценивать локальную толщину объекта. Структурные схемы толщиномеров определяются способом выделения информации и отличаются от схем дефектоскопов, как правило, отсутствием блоков, применяемых при модуляционном способе. Погрешность измерения толщиномеров зависит от шероховатости поверхности, изменений электромагнитных параметров и близости края объекта, вариации зазора между ВТП и объектом, перекосом ВТП при установке его на контролируемую поверхность и т.д. Толщиномеры диэлектрических покрытий на электропроводящих основаниях представляют собой измерители зазора. Выбрав достаточно большое значение параметра контроля, можно получить хорошую чувствительность к зазору при малой погрешности, вызванной влиянием изменений δ и толщины основания. Благодаря этому удается создать толщиномеры без применения специальных схем, предназначенных для ослабления влияния мешающих факторов на показания приборов. [1, с.415] 1.2 Выбор структурной схемыВ зависимости от количества учитываемых параметров различают однопараметровый, двухпараметровый и многопараметровый контроль. В процессе контроля измеряется только один параметр - толщина изоляционного покрытия (h*) и основным мешающим фактором будет удельная электропроводность (УЭП). К наиболее распространенным способам выделения информации при вихретоковом контроле относятся амплитудный, фазовый и амплитудно-фазовый, основанные на использовании соответственно амплитуды, фазы, а также одновременно амплитуды и фазы выходного напряжении ВТП. Рассмотрим часть годографа вносимых напряжений
Рисунок 1. Векторная диаграмма амплитудного способа выделения информации В тоже время при изменении контролируемого параметра Амплитудный способ двухпараметрового контроля целесообразно применять тогда, когда годографы Амплитудный способ выделения информации целесообразно применять, например, для контроля диаметра прутков проходными ВТП или толщины диэлектрических покрытий (что идентично изменению зазора между ВТП и ОК) накладными ВТП с подавлением влияния изменений удельной электрической проводимости σ . Поэтому будем использовать именно амплитудный способ выделения информации. Схема прибора, основанного на использовании амплитудного способа ослабления влияния мешающих факторов (рис.2). Автогенератор (АГ) синусоидальных напряжений обеспечивает ток возбуждения ВТП и напряжение компенсатора (К). Сигналы с ВТП усиливаются усилителем (У) и детектируются амплитудным детектором (АД), а постоянное напряжение детектора подается на индикатор (И). Компенсатор позволяет отрегулировать компенсирующее напряжение по амплитуде и фазе так, чтобы оно соответствовало требования подавления влияния мешающего фактора.
Рисунок 2. Структурная схема прибора, использующего амплитудный способ выделения информации Структурная схема прибора, основанная на фазовом способе ослабления влияния мешающих факторов, отличается от приведенной на рис.2 тем, что после усилителя включено фазометрическое устройство того или иного типа, опорное напряжение на которое поступает от автогенератора. [2, с.221-223] В данном курсовом проекте могут быть использованы следующие структурные схемы. 1.2.1 Толщиномер ТЛ-1М [3, стр.82-83]На рис.3 представлена структурная схема толщиномера ТЛ-1МП. Работает она следующим образом. Автогенератор 1 вырабатывает синусоидальное напряжение частотой 1 МГц для питания преобразователя 2 , представляющего собой катушку индуктивности, включенную в параллельный резонансный контур. Напряжение, снимаемое с преобразователя, поступает на вход амплитудного детектора 3 , с выхода которого постоянное напряжение через усилитель 4 подается на вход процессорного блока 5 . Процессорный блок управляет параметрами усилителя, преобразует входное напряжение в цифровой код, производит его обработку по заданному алгоритму, передает информацию о толщине измеряемого покрытия в блок 6 индикации. В усилителе процессорный блок задает коэффициент усиления и начальное смещение напряжения в зависимости от конкретного сочетания материалов контролируемых изделий. Блок индикации высвечивает информацию об измеряемой толщине покрытия. Кроме того на дисплее блока индикации может отображаться информация о выполнении толщиномером той или иной операции. Электропитание всех узлов толщиномера осуществляется от стабилизированного блока 7 питания.
Рисунок 3. Структурная схема вихретокового толщиномера ТЛ-1МП: 1 - Автогенератор, 2 - абсолютный параметрический накладной ВТП, 3 - амплитудный детектор, 4 - усилитель, 5 - процессорный блок, 6 - блок индикации, 7 - блок питания. [3, стр.82-83] 1.2.2 Вихретоковый толщиномер диэлектрических покрытий на электропроводящем основании [4]Вихретоковый толщиномер относится к неразрушающему контролю и может быть использовано для измерения толщины диэлектрических покрытий на электропроводящем основании. На рис.4 представлена структурная схема вихретокового толщиномера диэлектрических покрытий на электропроводящем основании. Работает она следующим образом. Вихретоковый преобразователь 1 устанавливают на поверхности диэлектрического покрытия. При этом частота измерительного автогенератора 2 устанавливается в соответствии с толщиной диэлектрического покрытия. Для повышения чувствительности с помощью вычитателя 3 частот определяется разностная частота путем вычитания из частоты измеренного сигнала частоты опорного автогенератора 5. Полученная разностная частота зависит от толщины покрытия по нелинейному закону. С целью линеаризации в вихретоковом толщиномере с помощью частотометра 7 , измерителя 6 периода колебаний и вычитателя 8 выполняется преобразование N= K1 ( K2 Tp - K3 fp ), где N - результат измерения, Tp и fp период и частота разностных колебаний на выходе вычитателя 3 частот, K1 , K2 и K3 - коэффициенты пропорциональности. Коэффициенты пропорциональности выбираются экспериментально из условия расширения линейной части характеристик. Дополнительно расширяют линейную часть характеристики толщиномера в верхней области измеряемых толщин, регулируя связь между колебательными контурами автогенераторов 2 и 5 . [4]
Рисунок 4. ВТ толщиномер диэлектрических покрытий на электропроводящем основании 1.2.3 Вихретоковый толщиномер диэлектрических покрытий [5]Толщиномер относится к неразрушающему контролю и может быть использовано для измерения толщины диэлектрических покрытий. На рис.5 представлена структурная схема вихретокового толщиномера диэлектрических покрытий. Работает она следующим образом. Вихретоковый преобразователь 1 размещается на поверхности диэлектрического покрытия. В результате взаимодействия с электропроводящим основанием контролируемого объекта изменяется частота измерительного автогенератора 2 . это измерение частоты определяется как разность частот измерительного 2 и опорного 4 автогенераторов, получаемая на выходе вычитателя 5 частот. Период полученных колебаний измеряется измерителем 6 периода колебаний и зависит от толщины диэлектрического покрытия по закону, близкому к линейному. Окончательно линеаризация выходной характеристики толщиномера достигается за счет применения линеаризатора 7 . [5]
Рисунок 5. ВТ толщиномер диэлектрических покрытий на электропроводящем основании 1.2.4 Токовихревое устройство для измерения толщины диэлектрических покрытий на немагнитном проводящем основании [6]Токовихревое устройство относится к области неразрушающего контроля методом вихревых токов и может быть использовано в устройствах для измерения толщины диэлектрических покрытий на немагнитных проводящих основаниях. На Рис.6 представлена структурная схема вихретокового устройства для измерения толщины диэлектрических покрытий. Работает она следующим образом. Генератор 1 подает питание на преобразователь 2 и компенсатор 3 , компенсирующий напряжение преобразователя при наличии около него контролируемого изделия без покрытия с максимальной удельной проводимостью основания. Напряжение преобразователя усиливается и подается на входы фазочувствительных детекторов 7, 8. Фазочувствительный детектор 7 настроен в квадратуре с током возбуждения преобразователя, а фазочувствительный детектор 8 - в фазе, причем его выходное напряжение имеет противоположную полярность относительно выходного напряжения фазочувствительного детектора 7 . Напряжение с выходов детекторов суммируется сумматором 11 . Кроме того, выходное напряжение детектора 7 активной составляющей напряжения преобразователя преобразуется ключом 9 и блоком 13 нелинейной функции y= xe- x и суммируется дополнительным сумматором 12 с выходным напряжением сумматора 11 . Выходное напряжение дополнительного сумматора 12 регистрируется индикатором 10 толщины диэлектрических покрытий. Увеличение точности измерения толщины покрытия при малых значениях удельной проводимости основания достигается путем дополнительного суммирования выходного напряжения сумматора 11 с напряжением, имеющим обратный относительно суммарного выходного напряжения фазочувствительных детекторов характер изменения удельной проводимости и не зависящим от толщины покрытий. Введение в схему устройства дополнительного сумматора и блока нелинейной функции вида y= xe- x и осуществление дополнительного суммирования выходного напряжения блока нелинейной функции с суммой выходных напряжений фазочувствительных детекторов уменьшает погрешность измерения толщины от изменения удельной проводимости основания до величины, не превышающей ± 4%. [6]
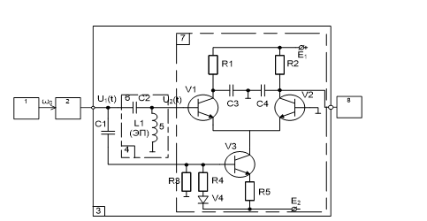
Рисунок 6. Вихретоковое устройство для измерения толщины диэлектрических покрытий на немагнитном проводящем основании (5, 6 - фазовращатели) 1.2.5 Устройство для измерения толщины покрытий [7]Устройство относится к средствам неразрушающего контроля толщины покрытий и может быть использовано в любой отрасли машиностроения. На рис.7 представлено устройство для измерения толщины покрытий. Работает она следующим образом. Выходной сигнал генератора 1 , ограниченный по амплитуде усилителем-ограничителем 2 , поступает одновременно на ВТП 5 и на один из входов фазового детектора 7 . При настройке устройства преобразователь устанавливают на образец без покрытия, а затем на изделие с покрытием. Установка преобразователя 5 на изделие с покрытием вызывает расстройку фазосдвигающего контура 4 относительно несущей частоты и появление фазового сдвига. Измерение этого фазового сдвига осуществляет фазовый детектор 7 , выполненный по схеме дифференциального усилителя (на транзисторах v1 ; v2 ) с токопитающим каскадом (на транзисторе v3 ). Распределение коллекторного тока транзистора v3
при подаче на него опорного напряжения U1
(
t)
изменяется под действием подаваемого на транзисторы v1
и v2
напряжения U2
(
t),
сдвинутого относительно опорного на угол На выходе фазового детектора 7 выделяется напряжение, пропорциональное разности постоянных составляющих коллекторных токов транзисторов v1 и v2 и соответствующее изменению фазового угла контура 4 , регистрируемое индикатором 8 . Выходное напряжение частотного детектора 3 увеличивается с увеличением частоты фазосдвигающего контура 4 и уменьшается с её убыванием в пределах линейного участка характеристики детектора, которая, в свою очередь, будет линейной в области частот, близких к резонансной частоте фазосдвигающего контура 4 . Использование устройства позволит обеспечить повышение точности и расширить диапазон измерения толщины покрытий. [7]
Рисунок 7. Устройство для измерения толщины покрытий Из приведенных структурных схем приборов, выбираем схему на рис.3, т.к она лучше всего соответствует заданию, имеет амплитудный способ выделения информации и наиболее простая в исполнении, чем все выше приведенные. Для применения изменим схему, изображенную на рис.3 поменяв местами амплитудный детектор и усилитель. Измененная и принятая схема изображена на рис.8.
Рисунок 8. Структурная схема вихретокового толщиномера ВТ-5Л: 1 - Автогенератор, 2 - абсолютный параметрический накладной ВТП, 3 - усилитель, 4 - амплитудный детектор, 5 - процессорный блок, 6 - блок индикации, 7 - блок питания. 1.3 Выбор первичного преобразователяПо заданию задано разработать толщиномер с параметрическим ВТП, по этому трансформаторный ВТП рассматривать не будем. В зависимости от расположения ВТП по отношению к ОК их делят на проходные, накладные и комбинированные . По заданию курсового проекта объектом контроля является стенка медной трубы толщиной 1 мм, покрытая слоем изоляционного покрытия толщиной от 1 до 2 мм, таким образом целесообразно использовать накладной ВТП.
Рисунок 9. Накладные ВТП с круглыми (а), с прямоугольными (б), крестообразными (в) катушками, со взаимноперпендикулярными осями катушек (г); накладной экранный ВТП (д), и накладные ВТП с ферромагнитными сердечниками (е - и) Накладные ВТП обычно представляют собой несколько катушек, к торцам которых подводится поверхность объекта (рис.9). Катушки таких преобразователей могут быть круглыми коаксиальными, прямоугольными, прямоугольными крестообразными, с взаимно перпендикулярными осями и др. Накладными ВТП контролируют в основном объекты с плоскими поверхностями и объекты сложной формы. Они применяются также, когда требуется обеспечить локальность и высокую чувствительность контроля. Продольные накладные ВТП можно использовать для контроля расслоений изделий с покрытиями или других многослойных изделий. Экранные накладные ВТП можно применять при контроле листов, пластин, лент и других изделий, к которым возможен двусторонний доступ. Накладные преобразователи выполняют с ферромагнитными сердечниками или без них. Благодаря ферромагнитному сердечнику повышается абсолютная чувствительность преобразователя и уменьшается зона контроля за счет локализации магнитного потока. Следуя из того, что по заданию диаметр зоны контроля задан - не более 20 мм, можно использовать и с сердечником и без. Но если учесть, что накладной ВТП без сердечника и проще по исполнению, и целесообразнее с экономической точки зрения, то будем использовать накладной преобразователь без сердечника. По способу соединения катушек (обмоток) различают абсолютные и дифференциальные ВТП. Абсолютным называют ВТП (рис.10, а), выходной сигнал которого определяется абсолютными значениями параметров ОК в зоне контроля. Дифференциальным ВТП принято называть, по существу, совокупность двух ВТП, обмотки которых соединены таким образом (рис.10, б), что выходной сигнал определяется разностью параметров ОК соответствующих зон контроля. [2, стр.157-161]
Рисунок 10. Абсолютный (а) и дифференциальный (б) параметрический ВТП: 1 - возбуждающие обмотки; 2 - объект контроля Выбираем абсолютный ВТП, поскольку он проще по исполнению и нужно наматывать одну катушку вместо двух. Из приведенной выше классификации, ВТП будет представлять собой абсолютный параметрический накладной ВТП для измерения толщины изоляционного покрытия ОК. Виды данного ВТП представлены в графической части. 1.4 Выбор операционного усилителя1.4.1 Классификация операционных усилителейОперационные усилители (ОУ) можно характеризовать многими различными способами в зависимости от их схем или потенциальных применений. Преобладающее большинство операционных усилителей - это устройства с непосредственными связями, осуществляющие прямое усиление сигналов. Тип входных транзисторов оказывает очень резко выраженное влияние на параметры усилителя, что ведет к разделению операционных усилителей с непосредственными связями на два класса - биполярных ОУ и ОУ с полевым транзисторным (ПТ) - входом. Биполярные операционные усилители с парой биполярных транзисторов на входе обладают хорошей или даже превосходной стабильностью входного напряжения сдвига, но средними или плохими входными токами смещения и входными сопротивлениями. Как результат компромиссов в процессе проектирования получаемая динамическая характеристика часто бывает плохой. Операционные усилители с ПТ-входом
имеют на входе пару полевых транзисторов с 1.4.2 Типы сигнальных входовДифференциальный операционный усилитель - универсальный и наиболее широко применяемый тип ОУ. Оба его входа функционально эквивалентны, единственное очевидное различие между ними - в полярности усиления. Однако за универсальность всегда нужно платить либо увеличением стоимости усилителя, либо ценой затрат на стадии проектирования. Вот почему выпускаются специализированные усилители, имеющие ограниченную область применения из-за наличия у них всего одного входа, но лучшее соотношение функциональных возможностей и стоимости. У инвертирующего ОУ активно можно использовать только инвертирующий вход, в то время как неинвертирующий вход служит опорной точкой (землей сигнала). Есть три аргумента в пользу инвертирующих ОУ: необходимость создания на их основе схем быстродействующих ОУ с коррекцией подачей сигнала вперед, стабилизированных прерыванием ОУ, и варикапно-мостовых ОУ для измерения сверхмалых токов. В неинвертирующем операционном усилителе сигнал можно подавать на любой из двух входных зажимов, однако только неинвертирующий вход имеет высокое синфазное входное сопротивление и малые токи смещения и шумов. Выпускаются неинвертирующие усилители для двух целей создания усилителей с прерыванием для усиления сверхмалых напряжений и варикапно-мостовых операционных усилителей для измерения напряжений, поступающих от источников с очень высоким внутренним сопротивлением. [8, стр.107-108] 1.4.3 Предполагаемые примененияОперационные усилители общего применения предназначены для использования в схемах общего назначения. В настоящее время они изготавливаются исключительно по монолитной технологии. Основные характерные особенности этих усилителей - низкая стоимость, малые размеры, широкий диапазон напряжений питания, защищенные вход и выход, малое количество или полное отсутствие дополнительных компонентов, не очень высокая частота единичного усиления и как следствие малая склонность к самовозбуждению, отсутствие "защелкивания" и достаточно хорошие характеристики в стандартном технологическом процессе изготовления монолитных схем. Усилители, которые в некотором отношении превосходят ОУ общего применения, называются специальными. Линия, разделяющая эти две группы, перемещается - то, что было лучше вчера, сегодня является стандартным. Специальные усилители дороже, и довольно часто в выборе между точностью и быстродействием приходится идти на компромисс. Прецизионные операционные усилители характеризуются малыми входными погрешностями. Легко добиться подавления только одного из двух возможных источников погрешности - либо напряжения, либо тока; однако обычно этого бывает достаточно. Электрометрические операционные усилители имеют очень малые токи входного смещения и шумов и высокие входные сопротивления. В большинстве случаев это усилители с ПТ-входом. В точных схемах применяются усилители варикапно-мостовые ОУ. В случаях когда требуются сверхмалые погрешности по напряжению1 и току, используются усилители с прерыванием или динамически подстраиваемые усилители с ПТ-входом. Быстродействующие операционные усилители служат для обработки или генерации быстро изменяющихся аналоговых сигналов. Наличие двух классов применения с различными теоретическими требованиями привело к разделению быстродействующих усилителей на широкополосные усилители и усилители с быстрым установлением. Широкополосные операционные усилители предназначены для обработки быстро изменяющихся непрерывных сигналов (широкополосные усилители напряжения и тока, активные фильтры, генераторы). Мерой их качества служит величина векторной или амплитудной погрешности, а также величина нелинейных искажений в определенной полосе частот. Они отличаются высокими значениями частоты единичного усиления и частоты усиления на полной мощности. В этих усилителях часто используется частотная коррекция. [8, стр.109-111] Таким образом, исходя из всего выше сказанного выбираем ОУ с монолитным техническим исполнением, с входом на биполярных транзисторах, инвертирующей схемой включения, с внутренней частотной коррекцией и балансировкой нуля, общего применения, в связи с их широким распространением, как наиболее недорогие, малые в размерах и удовлетворяющими нас параметрами. В качестве операционного усилителя выходного напряжения с ВТП выберем усилитель КР140УД7 с внутренней коррекцией амлитудно-частотной характеристики, защитой входа и выхода от короткого замыкания и установкой нуля. Со следующими характеристиками: входной ток 0,4 мкА, максимальное входное напряжение 3 В, частота единичного усиления 0,8 МГц, коэффициент усиления напряжения 2. Расчетная часть2.1 Расчет ВТПБольшинство формул взяты из [10] на исключения приведены ссылки. Рассчитаем радиус возбуждающей катушки. По техническому заданию диметр зоны контроля 20 мм
где
где rкат - толщина катушки, Lкат - длина катушки, Dкат - диаметр катушки, D- диаметр трубы, h- зазор, T- толщина покрытия, T = (1. .2) мм , d- толщина стенки трубы, в = 1 мм , t- толщина протектора. Каркасы катушек изготавливают из изоляционных материалов (капролон, гетинакс, оргстекло, эбонит и др.) путем токарной обработки. Диаметр проводов обмоток возбуждения от 0.01 до 0.3 мм. [10] Из этого условия выберем диаметр провода возбуждающей катушки dпр равным 0,2 мм. Количество витков в одном слое возбуждающей обмотки определяется по формуле
где Lкат - длина катушки, dпр - диаметр провода обмотки. Находим высоту возбуждающей катушки
В нашем случае толщину катушкиr можно выбрать равной длине, то есть
Подставляя (2.3) в (2.2) находим количество витков в одном слое возбуждающей катушке
Исходя из (2.4) находим число слоев в катушке
Получаем катушку из пяти слоев, в каждом слое пять витков, т.е. всего витков в возбуждающей обмотке:
Находим длину и площадь провода соответственно по формулам
Исходя из полученных геометрических параметров катушки выбираем толщину протектора равной t2 = 0,5 мм . Подставляя полученные значения найдем значение обобщенного зазора по формуле
Получаем h = (2. .3) мм . Рассчитаем относительные значения зазоров по формуле:
Получаем h = (0.4, 0.5, 0.6). При контроле зазора параметр Значение обобщенного параметра контроля Рабочую частоту fраб рассчитаем из формулы для нахождения обобщенного параметра контроля
где b - обобщенный параметр, Rкат - радиус возбуждающей катушки, м, ω - круговая частота, рад/с, μа = μμ0, m - относительная магнитная проницаемость, m = 1 ; m0 -магнитная постоянная, μ0 = 4 p∙10-7 Гн/м .
В тоже время при В зависимости от заданного диапазона температуры Т = 0. .40 ºС определим диапазон изменения УЭП. Изменение температуры ΔТ = ±20 ºС. ε = ΔТ·σ = 20·0,428% = 8,56%, где α - температурный коэффициент удельного сопротивления, для меди он равен α = 4,28·10-3 1/ ºС. Δσ = σ·ε = 58·0,856 = 4,9648 МСм/м . Получили диапазон изменения УЭП σ±Δσ = (58±5) МСм/м , т.е. при Т = 0 ºС σ = 63·106 См/м , при Т = 20 ºС σ = 58·106 См/м , при Т = 40 ºС σ = 53·106 См/м . Ток, протекающий по возбуждающей катушке Imax , А, вычислим по формуле I0 = jSпр , (2.12) где j- плотность тока в медном проводнике, для многослойной катушки плотность тока j= (3. .4) I0
=
Напряженность магнитного поля внутри возбуждающей катушки
Рассчитаем индуктивность L0 , Гн, катушек: L0
=
где W- число витков катушки, Dкат
- ее диаметр,
Ф (α) = 0,946. L0
= Сопротивление катушки R0 , Ом,:
гдеs- удельная электрическая проводимость основания, МСм/м.
Найдем комплексное сопротивление:
Определим напряжение холостого хода Uxx , В на ВТП без ОК:
Добавочное сопротивление Rд выбираем приблизительно в 10 раз меньше z0 , Rд = 50 мОм , также задаем С1 = 100 мкФ , чтобы емкостное сопротивление было маленьким.
где
Принимаем 2.2 Построение годографаЗададим различный зазор для построения годографов: h1 = 2·10-3 м , h2 = 2,5·10-3 м , h3 = 3·10-3 м . Годографы построим по следующей формуле [12, стр.46-47], в которой выбор верхнего предела интегрирования обоснован в приложении В:
где При построении годографов зазор остается постоянным, а УЭП изменяется. На годографах отметим точки, которые изменяются в зависимости от значения УЭП. Для этого необходимо в формулу (2.17) подставить заданные значения УЭП. В результате получаем 9 точек (рис.10). Координаты точек занесены в таблицу 2. Через эти точки проведем линии влияния зазора. Для этого нам необходимо построить линии по формуле (2.16), но при этом УЭП остается постоянным значением, а зазор изменяется.
Рисунок 11. Годографы Zвн накладного ВТП при контроле толщины изоляции Для реализации амплитудного способа выделения информации, необходимо найти амплитуду вносимого сопротивления во всех построенных точках, т.е. вычислить Zвн . Точка компенсации в данном случае будет совпадать с началом координат. Рассчитаем чувствительности и погрешности соответственно по формулам:
где Δh- изменение зазора, а ΔZвн - изменение вносимого сопротивления.
где hном - номинальное значение зазора, а Δpk - чувствительность информативного параметра к мешающему фактору. Приведем пример расчета для минимального зазора:
Для среднего и максимального зазора погрешности рассчитываем аналогично. Полученные данные занесем в таблицу 1. Таблица 1
Рассчитаем напряжение на добавочном резисторе (с присутствием объекта контроля) для девяти значений Zвн по формулам:
Пример для Z1вн :
Полученные значения занесены в таблицу 2. Таблица 2
Рисунок 12. График зависимости напряжения от толщины покрытия Рассчитаем чувствительности и погрешности соответственно по формулам (2.23) и (2.19):
где Δh- изменение зазора, а Приведем пример расчета для минимального зазора:
Из расчетов видно, что чувствительность к контролируемому параметру (толщине покрытия) намного больше, чем чувствительность к мешающему фактору (УЭП). Погрешность не превышает заданной Для среднего и максимального зазора погрешности рассчитываем аналогично. Полученные данные занесем в таблицу 3. Таблица 3
Рисунок 13. График зависимости погрешности от толщины покрытия 2.3 Расчет операционного усилителяВнутренняя частотная коррекция выполняется за счет встроенного конденсатора Коэффициент усиления напряжения данного усилителя составляет Максимальный коэффициент усиления напряжения
где
Следовательно, необходимо ослабить коэффициент усиления. При введении отрицательной обратной связи (ООС) коэффициент усиления определяется только обратной связью [13, стр.73] и равен:
где
Рисунок 14. Схема включения операционного усилителя с ООС Сопротивление
Выбираем 3. Описание разработанного прибора "Толщиномер изоляции ВТ-5М"3.1 Назначение толщиномераТолщиномер покрытий предназначен для локального измерения толщины изоляционных покрытий, наносимых на электропроводящий неферромагнитный материал основания. Прибор предназначен для применения в производственных и лабораторных условиях.
Рисунок 15 - Электронный блок вихретокового толщиномера: 1 - разъем для подключения преобразователя; 2 - разъем для соединения электронного блока с компьютером; 3 - разъем для подключения внешнего блока питания; 4 - жидкокристаллический индикатор; 5 - клавиатура; 6 - измерительный преобразователь; 7 - кнопка для снятия измерений
Режим калибровки 2.1 Установка нижнего предела 2.2 Установка верхнего предела 2. Режим измерения
3.2 Калибровка толщиномераДля калибровки толщиномера необходима одна площадка с двумя образцами, которые по марке материала и по толщине (один с минимальной толщиной покрытия, другой с максимальной толщиной покрытия) должны соответствовать контролируемому изделию. Правила калибровки: Включить прибор, нажав клавишу “Вкл." Нажать “Меню”. Выбрать пункт 1 - “Режим калибровки” - “Установка нижнего предела". Поместить преобразователь на покрытие стандартного образца с минимальной толщиной покрытия и нажать на преобразователе кнопку для снятия измерений. После появления на экране прибора измеренного значения с помощью клавиш После установки правильного значения нажать клавишу “Ввод”. Повторить пункты 3.2.2 - 3.2.6 для образца с максимальной толщиной покрытия. После чего прибор откалиброван. Для снятия измерений снова войти в меню и выбрать пункт 2 - “Режим измерения”, поместить преобразователь на ОК и нажать кнопку на преобразователе. После окончания работы выключить прибор клавишей “Выкл. ". 3.3 ИзмерениеИзмерения осуществляются путем установки преобразователя на объект контроля. Объект контроля в процессе измерения может быть неподвижным или перемещаться относительно преобразователя. Измерение толщины контролируемого объекта производится в зоне нахождения возбуждающей катушки (она же измерительная). Результаты измерения отображаются на индикаторе. ЗаключениеПо заданию курсового проекта был разработан толщиномер для измерения толщины изоляционного покрытия в диапазоне от 1 до 2 мм вихретоковым методом с погрешностью не более 5%. В ходе выполнения курсового проекта получили следующие результаты. В качестве ВТП следует использовать накладной преобразователь. Наилучшим способом выделения информации из сигнала, поступающего с ВТП, является амплитудный метод. Контроль следует производить на частоте 35 кГц. С помощью амплитудного способа выделения информации рассчитали чувствительность ВТП к изменению зазора. Рассчитан усилитель выходного напряжения с ВТП на основе операционного усилителя КР140УД7. Таким образом, поставленная цель достигнута - разработан толщиномер для контроля толщины изоляционного покрытия. Данным толщиномером производятся измерения в диапазоне температур от 0 до 400 С с погрешностью не более 1%. Библиографический список1. Клюев, В.В. Неразрушающий контроль и диагностика [Текст]: Справочник / В. В Клюев, Ф. Р Соснин, А.В. Ковалев и др.; Под. ред.В. В. Клюева.2-е изд. испр. и доп. - М.: Машиностроение, 2003.656 с.: ил. - 2000 экз. - ISBN 5-217-03178-6. 2. Сухоруков, В.В. Неразрушающий контроль [Текст]: в 5 кн. Кн.3. Электромагнитный контроль: Практ. пособие / В.Г. Герасимов, А.Д. Покровский, В.В. Сухоруков; Под ред.В. В. Сухорукова. - М.: Высш. шк., 1992. - 312 с.: ил. - 5000 экз. - ISBN 5-06-002039-8. 3. Бакунов А.С., Калошин В.А., Рудаков А.С., Шубочкин С.Е. Толщиномер гальванических покрытий. - Дефектоскопия, 2004г, №6, с.26-40. 4. А. с. SU 1384930 A1 СССР, 4 G 01 В 7/06. Вихретоковый толщиномер диэлектрических покрытий на электропроводящем основании [Текст] / А.И. Потапов [и др.]. - № 4145388/25-28; заявл.11.08.86; опубл.30.03.88, Бюл. № 12. - 2 с.: ил. 5. А. с. SU 1416859 A1 СССР, 4 G 01 В 7/06. Вихретоковый толщиномер диэлектрических покрытий [Текст] / А.И. Потапов [и др.]. - № 4128811/25-28; заявл.05.08.86; опубл.15.08.88, Бюл. № 30. - 2 с.: ил. 6. А. с.567086 СССР, Кл. G 01 B 7/06. Токовихревое устройство для измерения толщины диэлектрических покрытий на немагнитном проводящем основании [Текст] / В.К. Будкин [и др.]. - № 1919850/28; заявл.25.05.73; опубл.30.07.77, Бюл. № 28. - 3 с.: ил. 7. А. с.892200 СССР, Кл. G 01 B 7/06. Устройство для измерения толщины покрытий [Текст] / М.В. Гаршин [и др.]. - № 2676212/25-28; заявл.23.10.78; опубл.23.12.81, Бюл. № 47. - 3 с.: ил. 8. Достал И. Операционные усилители [Текст] / И. Достал; перевод с англ. Б.Н. Бронина. - М: Мир, 1982. - 512 с.: ил. - Перевод изд.: Operationalamplifiers/ J/ Dostal. Elsevier Scientific Publishing Comi Amsterdam - Oxford - New York, 1981. 9. Якубовский, С.В. Цифровые и аналоговые интегральные микросхемы [Текст]: Справочник / С.В. Якубовский, Л.И. Ниссельсон, В.И. Кулешова и др.; Под ред. С.В. Якубовского. - М.: Радио и связь, 1989. - 496 с.: ил. - 100000 экз. - ISBN 5-256-00259-7. 10. Герасимов, В.Г. Неразрушающий контроль качества изделий электромагнитными методами [Текст]: монография / В.Г. Герасимов, Ю.Я. Останин, А.Д. Покровский [и др.]. - М.: Энергия, 1978. - 216 с.: ил. - 3600 экз. 11. Калантаров, П.Л. Расчет индуктивностей [Текст]: Справочная книга / П.Л. Калантаров, Л.А. Цейтлин.3-е изд., перераб. и доп. - Л.: Энегоатомиздат. Ленингр. отд-ние, 1986. - 488 с.: ил. - 40000 экз. 12. Соболев, В.С., Шкарлет, Ю.М. Накладные и экранные датчики [Текст]. - Новосибирск: Наука, 1967. 13. Титце, У. Полупроводниковая схемотехника [Текст]: Справочное руководство: [пер. с нем.] / У. Титце, К. Шенк; перевод с нем.А.Г. Алексеенко. - М.: Мир, 1982. - 512 с.: ил. - Перевод изд.: Halbleiber- Shaltugstechnik/ U. Tietze, Ch. Shenk. Springer - Verlag Berlin - Heidelberg New York, 1980. ПриложенияПриложение А Расчет ВТП (Текст приведен для программы Mathcad)
радиус возбуж. Катушки
паразитная емкость
принимаем рабочую частоту
падение напряжения задаем маленькое добавочное сопротивление задаем емкость добавочного конденсатора, чтобы емкостное сопротивление было незначительным (100мкФ)
напряжение на ВТП без ОК принимаем рабочую частоту
Приложение Б Построение базового годографа (Текст приведен для программы Mathcad)
Возьмем
толщина ОК
Приложение В Построение своего годографа (Текст приведен для программы Mathcad)
Значимая площадь под графиком находится до λ = 1500, следовательно верхний предел интегрирования с бесконечности заменяем на 1500
построение линий влияния:
Приложение Г Расчет погрешностей для вносимого сопротивления (Текст приведен для программы Mathcad)
(номинальное значение)
для минимального зазора:
чувствительность контролируемого параметра к мешающему фактору
для номинального зазора:
для максимального зазора:
Приложение Д Построение графика зависимости выходного напряжения от зазора (Текст приведен для программы Mathcad)
Приложение Е Расчет погрешностей для выходного напряжения (Текст приведен для программы Mathcad) выходное напряжение на ВТП с ОК:
для минимального зазора:
для среднего зазора:
для максимального зазора:
График зависимости погрешности от зазора:
|
||||||||||||||||||||||||||||||||||||||||||||||||||||||||||||||||||||||||||||||||||||||||||||||||||||||||||||||||||||||||||||||||||||||||||||||||||||||||||||||||||||||||||||||||||||||||||||||||||||||||||||||
















- Кнопка включения (выключения);
- Кнопка содержит:
- Кнопка подтверждения.




























