Курсовая работа: Электроснабжение населенного пункта Cвиридовичи
|
Название: Электроснабжение населенного пункта Cвиридовичи Раздел: Рефераты по физике Тип: курсовая работа | |||||||||||||||||||||||||||||||||||||||||||||||||||||||||||||||||||||||||||||||||||||||||||||||||||||||||||||||||||||||||||||||||||||||||||||||||||||||||||||||||||||||||||||||||||||||||||||||||||||||||||||||||||||||||||||||||||||||||||||||||||||||||||||||||||||||||||||||||||||||||||||||||||||||||||||||||||||||||||||||||||||||||||||||||||||||||||||||||||||||||||||||||||||||||||||||||||||||||||||||||||||||||||||||||||||||||||||||||||||||||||||||||||||||||||||||||||||||||||||||||||||||||||||||||||||||||||||||||||||||||||||||||||||||||||||||||||||||||||||||||||||||||||||||||||||||||||||||||||||||||||||||||||||||||||||||||||||||||||||||||||||||||||||||||||||||||||||||||||||||||||||||||||||||||||||||||||||||||||||||||||||||||||||||||||||||||||||||||||||||||||||||||||||||||||||||||||||||||||||||||||||||||||||||||||||||||||||||||||||||||||||||||||||||||||||||||||||||||||||||||||||||||||||||||||||||||||||||||||||||||||||||||||||||||||||||||||||||||||||||||||||||||||||||||||||||||||||||||||||||
Министерство сельского хозяйства и продовольствия Республики Беларусь Белорусский Государственный Аграрный Технический Университет Кафедра Электроснабжения с/х Расчетно-пояснительная записка кКУРСОВОМУ ПРОЕКТУпо дисциплине «Электроснабжение сельского хозяйства» на тему «Электроснабжение населенного пункта Cвиридовичи»Выполнил: студент 4 курса АЭФ20эпт группы Сазановец А.В. Руководитель: Кожарнович Г. И. Минск 2009г.АннотацияКурсовой проект состоит из пояснительной записки на листах машинописного текста формата А4, и графической части, выполненной на двух листах формата А1. Пояснительная записка содержит 3 рисунка и 20 таблиц. Графическая часть работы включает в себя план электрической сети 0,38 кВ, расчетную схему линии 0,38 и конструкцию предохранителей, используемых в МТП. В данном курсовом проекте осуществлено проектирование электроснабжения населенного пункта Свиридовичи. Произведен выбор проводов линии 10 кВ, определено число и место расположения КТП 10/0,4 кВ, рассчитано сечение проводов линии 0,38 кВ по методу экономических интервалов мощностей, произведен расчет токов короткого замыкания, выбрано оборудование и аппараты защиты. Разработаны мероприятия по защите линий от перенапряжений, а также рассчитано заземление сети 0,38 кВ. ВведениеЭлектрификация, то есть производство, распределение и применение электроэнергии во всех отраслях народного хозяйства и быта населения – один из важнейших факторов технического процесса. Весь опыт развития электрификации показал, что надежное, высококачественное и дешевое электроснабжение можно получить только от крупных районных электростанций, объединенных между собой в мощные электрические системы. На крупных электростанциях районного масштаба с линиями передачи большого радиуса действия вырабатывается наиболее дешевая электроэнергия, прежде всего из-за высокой концентрации ее производства, а также благодаря возможности размещать электростанции непосредственно у дешевых источников энергии – угля, сланцев, на больших реках. Самый высокий показатель системы электроснабжения – надежность подачи электроэнергии. В связи с ростом электрификации с/х производства, особенно с созданием в сельском хозяйстве животноводческих комплексов промышленного типа всякое отключение – плановое, и особенно неожиданное, аварийное, наносит огромный ущерб потребителю и самой энергетической системе. Электроснабжение производственных предприятий и населенных пунктов в сельской местности имеет свои особенности по сравнению с электроснабжением городов. Основные особенности: необходимость подводить электроэнергию к огромному числу сравнительно маломощных потребителей, рассредоточенных по всей территории; низкое качество электроэнергии; требования повышенной надежности и т.д. Таким образом, можно сделать вывод о большом значении проблем электроснабжения в сельском хозяйстве. От рационального решения этих проблем в значительной степени зависит экономическая эффективность применения электроэнергии в сельскохозяйственном производстве. 1. Исходные данныеТаблица 1.1 Исходные данные для расчета линии высокого напряжения.
Таблица 1.2 Исходные данные по производственным потребителям.
2. Расчёт электрических нагрузок в сетях 2.1 Расчёт электрических нагрузок в сетях напряжением 380/220 В Электрические нагрузки в сетях напряжением 380/220 В складываются из нагрузок жилых домов, общественных и коммунальных учреждений производственных потребителей, а также нагрузки наружного освещения. Подсчёт нагрузок по участкам линий проводят после выбора количества трансформаторных подстанций (ТП), места их установки и нанесения трассы линии на план объекта. Затем отходящие от ТП линии разбивают на участки длиной не более 100 м. Все однородные потребители, присоединённые к данному участку линии, объединяют в группы и определяют их суммарную нагрузку отдельно по дневному Рд и отдельно по вечернему Рв максимумам. При смешанной нагрузке создаются отдельные группы из потребителей жилых домов, производственных, общественных, коммунальных предприятий. Для расчета электрических нагрузок вычерчиваем план населенного пункта в масштабе, располагаем на плане производственные нагрузки, группируем все коммунально-бытовые потребители, присваиваем номера группам. Нагрузку на вводе в жилой дом определим по номограмме ([1], рис. 3.1.) исходя из существующего годового потребления электроэнергии (согласно заданию 850 кВт·ч) на седьмой расчётный год. При годовом потреблении 1050 кВт·ч/дом расчётная нагрузка на вводе составляет Рр.i. =2,3кВт·ч/дом. Для определения суммарной расчётной активной нагрузки всего населённого пункта делим все потребители по соизмеримой мощности на группы и определим расчётную нагрузку каждой группы по формулам:
где Рд , Рв – соответственно расчетная дневная и вечерняя нагрузка потребителей и их групп, кВт; n – количество потребителей в группе, шт.; Pр – расчетная нагрузка на вводе к потребителю, кВт; kд , kв – соответственно коэффициент участия нагрузки в дневном и вечернем максимуме, для коммунальных потребителей (дома без электроплит) kд = 0,3, kв = 1 ([1], стр. 39); kо – коэффициент одновременности, принимается в зависимости от количества потребителей в группе и нагрузки на вводе (для жилых домов) (таблица 5.1 [1]). Первая группа: жилые дома (107 домов): Рд.1. = 0.258·2.3·107·0.3 = 19.1 кВт, Рв.1. = 0.258·2.3·107·1 = 63.5 кВт. Вторая группа: административное здание, плотницкая, магазин,пожарное депо
Коэффициент одновремённости k0 = 0.775 Третья группа:дом культуры, хлебопекарня, баня, фельдшерско-акушерский пункт Рд.3. = 0.775· (5+5+3+4) =13,18 кВт, Рв.3. = 0.775· (3+4+2+0) =6,98 кВт. Коэффициент одновремённости k0 = 0.775 Расчётная нагрузка уличного освещения определяется по формуле:
где Руд.ул. = 5.5 Вт/м – удельная нагрузка на один погонный метр улицы, для поселковых улиц с асфальтобетонными и переходными типами покрытий с шириной проезжей части 5…7 м; ℓул. – общая длина улиц м; Суммируя расчётные нагрузки всех трёх групп Данное действие производится согласно формуле:
где РБ – большая из нагрузок, кВт; ∆РД.i , ∆РВ.i – соответственно надбавка соответствующая меньшей дневной и вечерней нагрузке, кВт. Расчётная мощность ТП определяется по вечернему максимуму нагрузки, т.к. он больший. С учётом уличного освещения расчётная мощность ТП определяется по формуле: РТП = РТП.В. + РР.УЛ. = 77+ 11.8 = 88,8 кВт. (2.8) Определяем средневзвешенный коэффициент мощности по формуле:
где cosφi – коэффициент мощности i-го потребителя; Рi – мощность i-го потребителя, кВт.
Таблица 2.1 коэффициенты мощности производственных потребителей.
Полная расчётная нагрузка на шинах ТП дневного максимума определяется по следующей формуле:
Полная расчётная нагрузка на шинах ТП вечернего максимума определяется по следующей формуле:
Для определения числа ТП первоначально необходимо определить допустимые потери напряжения. Исходными данными для расчета электрических сетей являются допустимые нормы отклонения напряжения. Для сельскохозяйственных потребителей при нагрузке 100% оно не должно выходить за пределы +5%, а при нагрузке 25% за пределы 0% от номинального. Допустимые потери напряжения в линиях 10кВ и 0,38кВ определяются путем составления таблиц отклонения напряжения. Как правило, при составлении таблиц рассматривают ближайшую и удаленную трансформаторные подстанции в режиме максимальной (100%) и минимально (25%) нагрузки. В нашем случае следует определить потери напряжения и надбавку для проектируемой ТП. Определяем допустимые потери напряжения и надбавку трансформатора результаты сводим в таблицу 2.2. Таблица №2.2. Определение допустимых потерь напряжения и оптимальных надбавок трансформатора
Число ТП для населённого пункта определим по формуле:
Принимаем NТП =2 где F = 0.37 км2 – площадь населённого пункта; ∆U% =6% – допустимая потеря напряжения, которая определена согласно табл. 2.2 (потери во внешних сетях). Т.к. число ТП равно двум, то делим населённый пункт на две примерно равные зоны и дальнейший расчёт производим для каждой зоны отдельно. В каждой зоне сгруппируем однородные потребители в группы и присвоим им номера 1, 2, 3 и т.д. На плане населённого пункта наметим трассы ВЛ 380/220В и разобьём их на участки не более 100 м. На плане населённого пункта нанесём оси координат и определим координаты нагрузок групп жилых домов и отдельных потребителей для каждой из зон отдельно. Определим нагрузки групп жилых домов отдельно для дневного и вечернего максимумов. Расчётная нагрузка группы из 4 жилых домов: • дневная
• вечерняя
Расчётная нагрузка группы из 5 жилых домов: • дневная
• вечерняя
Расчётная нагрузка группы из 6 жилых домов: • дневная
• вечерняя
Расчётная нагрузка группы из 7 жилых домов: • дневная
• вечерняя
Полученные значения координат нагрузок, дневные и вечерние расчётные нагрузки, а также значения коэффициентов мощности (см. табл. 2.1) сведём в таблицу 2.3. Таблица №2.3. Результат расчёта нагрузок отдельных потребителей и групп однородных потребителей и их координат
Определим центр нагрузок для каждой зоны по формуле:
Аналогичным образом производим расчёт центра нагрузки для второй зоны и получаем, что Х2 = 393м и Y2 = 348м 3. Определение допустимых потерь напряжения и оптимальных надбавок трансформатора Cоставим расчетную схему низковольтной сети. Привяжем ее к плану населенного пункта и намеченным трассам низковольтных линий. Нанесем потребители, укажем их мощность, обозначим номера расчетных участков и их длину. Определим нагрузки на участках низковольтной линии. Результаты расчета сводим в таблицу 3.1.
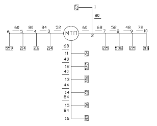
Рис. 1. Расчётная схема ВЛ 0,38 кВ для ТП1
Рис.2. Расчётная схема ВЛ 0,38 кВ для ТП2 ТП-1 Участок 9-10 Активная нагрузка для: • дневного максимума
• вечернего максимума
Коэффициент мощности на участке для: • дневного максимума
• вечернего максимума
Полная нагрузка для: • дневного максимума
• вечернего максимума
Участок 8-9 Активная нагрузка для: • дневного максимума
• вечернего максимума
Коэффициент мощности на участке для: • дневного максимума
• вечернего максимума
Полная нагрузка для: • дневного максимума
• вечернего максимума
Участок 7-8. Активная нагрузка для: • дневного максимума
• вечернего максимума
Коэффициент мощности на участке для: • дневного максимума
• вечернего максимума
Полная нагрузка для: • дневного максимума
• вечернего максимума
Участок 2-7. Активная нагрузка для: • дневного максимума
• вечернего максимума
Коэффициент мощности на участке для: • дневного максимума
• вечернего максимума
Полная нагрузка для: • дневного максимума
• вечернего максимума
Участок 2-1. Активная нагрузка для: • дневного максимума
• вечернего максимума
Коэффициент мощности на участке для: • дневного максимума
• вечернего максимума
Полная нагрузка для: • дневного максимума
• вечернего максимума
Участок ТП-2. Активная нагрузка для: • дневного максимума
• вечернего максимума
Коэффициент мощности на участке для: • дневного максимума
• вечернего максимума
Полная нагрузка для: • дневного максимума
• вечернего максимума
Участок 5-6 Активная нагрузка для: • дневного максимума
• вечернего максимума
Коэффициент мощности на участке для: • дневного максимума
• вечернего максимума
Полная нагрузка для: • дневного максимума
• вечернего максимума
Участок 4-5. Активная нагрузка для: • дневного максимума
• вечернего максимума
Коэффициент мощности на участке для: дневного максимума
• вечернего максимума
Полная нагрузка для: • дневного максимума
• вечернего максимума
Участок 3-4. Активная нагрузка для: • дневного максимума
• вечернего максимума
Коэффициент мощности на участке для: • дневного максимума
• вечернего максимума
Полная нагрузка для: • дневного максимума
• вечернего максимума
Участок ТП-3 Активная нагрузка для: • дневного максимума
• вечернего максимума
Коэффициент мощности на участке для: • дневного максимума
• вечернего максимума
Полная нагрузка для: • дневного максимума
• вечернего максимума
Участок 15-16 Активная нагрузка для: • дневного максимума
• вечернего максимума
Коэффициент мощности на участке для: • дневного максимума
• вечернего максимума
Полная нагрузка для: • дневного максимума
• вечернего максимума
Участок 14-15 Активная нагрузка для: • дневного максимума
• вечернего максимума
Коэффициент мощности на участке для: • дневного максимума
• вечернего максимума
Полная нагрузка для: • дневного максимума
• вечернего максимума
Участок 13-14 Активная нагрузка для: • дневного максимума
• вечернего максимума
Коэффициент мощности на участке для: • дневного максимума
• вечернего максимума
Полная нагрузка для: • дневного максимума
• вечернего максимума
Участок 12-13 Активная нагрузка для: • дневного максимума
• вечернего максимума
Коэффициент мощности на участке для: • дневного максимума
• вечернего максимума
Полная нагрузка для: • дневного максимума
• вечернего максимума
Участок 11-12 Активная нагрузка для: • дневного максимума
• вечернего максимума
Коэффициент мощности на участке для: • дневного максимума
• вечернего максимума
Полная нагрузка для: • дневного максимума
• вечернего максимума
Участок ТП-11 Активная нагрузка для: • дневного максимума
• вечернего максимума
Коэффициент мощности на участке для: • дневного максимума
• вечернего максимума
Полная нагрузка для: • дневного максимума
• вечернего максимума
Аналогичным образом рассчитываем оставшийся участки для ТП-2, полученные результаты занесем в таблицу 3.1 Таблица 3.1. Расчетная нагрузка на участках ВЛ 380/220 В. ТП1
Таблица 3.1. Расчетная нагрузка на участках ВЛ 380/220 В. ТП2
Зная расчётную нагрузку на участках линии, уточним суммарную нагрузку на шинах ТП. Она получается путём суммирования расчётных нагрузок отходящих от ТП линий (для ТП1 участки ТП1-2, ТП1-3, ТП1-11; для ТП2 участки ТП2-17, ТП2-20, ТП2-25). ТП1:
ТП2:
Т.к. расчётная нагрузка в вечерний максимум выше, то расчёт мощностей ТП ведём по вечернему максимуму. Активная нагрузка ТП1 и ТП2 с учетом уличного освещения определим по формуле:
Определим более точные значения коэффициента мощности для ТП1 и ТП2 по формуле: Для ТП1:
Для ТП2:
Определим полные расчётные мощности ТП по формуле: Для ТП1:
Для ТП2:
По полной расчётной мощности выбираем мощность и тип трансформатора. Согласно ([2], приложение 19) выбираем для ТП1 и ТП2 трансформатор ТМ63-10/0,4 со следующими техническими данными: Номинальная мощность SТР , кВ·А ………………………………… 63 Схема соединения обмоток ……………………………………..Y/Yн-0 Потери холостого хода ∆РХХ , Вт ………………………………….. 240 Потери короткого замыкания ∆РКЗ , Вт ………………………….. 1280 Напряжение короткого замыкания UКЗ , % от UН …………………. 4,5 Находим экономические нагрузки на участках по формуле:
где SУЧ – полная мощность участка, кВ·А; КД = 0,7 – коэффициент динамики роста нагрузок ([3], стр. 28). Произведём расчёт для ТП1: Дневной максимум: Вечерний максимум:
Проводим аналогичный расчёт для ТП2 и результат расчёта сводим в табл. 2.5. По экономическим интервалам нагрузок ([2] приложение 32) выберем марку и сечение проводов. Минимальное допустимое сечение по механической прочности 25 мм2 для проводов марки «А» ([4], таблица 3.2). В целях удобства монтажа и эксплуатации ВЛ рекомендуется применять не более 3…4 сечений. Первоначально на всей линии используем провод А25. Район по гололеду 1-й. Для 1-ой группы по скоростному напору ветра V = 16 м/с и наибольшей стреле провеса среднегеометрическое расстояние между проводами в не менее 400 мм. Определяем фактические потери напряжения на участках и сравним их с допустимыми (согласно табл. 2.2 допустимая потеря напряжения не должна превышать для ВЛ 0,38 кВ (внешние сети) 6%).
где SУЧ – полная мощность участка, кВ·А; ℓУЧ – длина участка, км; UН – номинальное линейное напряжение, кВ; r0 – удельное активное электрическое сопротивление провода постоянному току при 20 0 С, Ом/км (принимаем согласно [2] приложение 1); х0 – индуктивное сопротивление для ВЛ, Ом/км (принимаем согласно [2] приложение 15) при среднем геометрическом расстоянии между проводами 400 мм; Для линии 1: Для дневного максимума:
Для вечернего максимума:
Определим потерю напряжения на участках в % по следующей формуле:
где UН – номинальное линейное напряжение, В. Для линии 1: Для дневного максимума:
Для вечернего максимума:
Проводим аналогичный расчёт для остальных участков и результат сводим в табл. 2.5. Затем следует произвести проверку на соответствии потери напряжения в конце линий. Если сумма потерь напряжения участков будет большей, чем 3.5%, то необходимо на первом участке от ТП увеличить сечение провода на одну ступень (например, вместо А25 взять А35), что приведёт к изменению r0 и х0 , а следовательно и к уменьшению потерь напряжения. Замену проводов на участках производить до тех пор, пока потери напряжения не войдут в допустимые пределы. Максимально возможное сечение проводов для ВЛ 0,38 кВ (в крайних случаях) составляет 70 мм2 , т.е. провод А70. Таблица №2.5. Результат расчёта ВЛ 0,38 кВ
Проведём проверку на соответствие потери напряжения в линиях. ТП1 Линия ТП1-2: • дневной максимум: ∆UД% =0.136+0.127+0.258+0.407+0.163+0.43=1.5% < 6%; • вечерний максимум: ∆UВ% =0.43+0.41+0.54+0.93+0.42+1.01=3.74% < 3.5%. Линия ТП1-3: • дневной максимум: ∆UД% =0.169+0.292+0.399+0.291=1.15% < 6%; • вечерний максимум: ∆UВ% =0.16+0.51+0.84+0.66=2.17% < 6%. Линия ТП1-11: • дневной максимум: ∆UД% =0.118+0.211+0.154+0.241+0.378+0.658=1.76% < 6%; • вечерний максимум: ∆UВ% =0.25+0.64+0.5+0.48+0.85+1.53=4.25% < 6%. Остальные потери рассчитываем по аналогии и сводим в таблицу № 3.2 Таблица № 3.2 потери напряжения в линии.
Потери в конце линий не превышает допустимых значений, о чём свидетельствует вышеприведенная проверка. 4. Электрический расчет сети 10кВЭлектрический расчет сети 10кВ производится с целью выбора сечения и марки проводов линии, питающей ТП, а также проверки качества напряжения у потребителя. При расчете пользуемся методом расчета электрических сетей по экономическим интервалам нагрузок.
Рис. 3. Расчётная схема линии 10 кВ4.1 Определение расчетных нагрузокРасчетные максимальные нагрузки (отдельно – дневные и вечерние) участков сети определяются по сумме расчетных мощностей населенных пунктов, расположенных за этим участком, по следующей формуле: Pр = Pнаиб. + SDР, (4.1) где Рр – расчетное значение максимальной мощность, кВт; Рнаиб. – наибольшее значение мощности, кВт; SDР – сумма надбавок (таблица 3.10 [3]), кВт. Пользуясь расчетной схемой высоковольтной сети определяем максимальные нагрузки. Расчеты сводим в таблицу 4.1. Таблица 4.1 Расчет максимальных нагрузок сети 10кВ.
4.2 Определение средневзвешенного коэффициента мощностиДалее рассчитываем средневзвешенный коэффициент мощности по следующей формуле:
(4.2) где Pi – расчетная мощность i – го потребителя, кВт; Таблица 4.2 Значения cosj для всех участков линии.
Пользуясь расчетной схемой, определяем средневзвешенный коэффициент мощности: Участок сети 7-8:
Участок сети 7-9
Участок сети 6-7
Участок сети 6-10
Участок сети 1-6
Участок сети 3-5
Участок сети 3-4
Участок сети 2-3
Участок сети 1-2
Участок сети ИП-1
4.3 Определение полных мощностей на участках сети.Определяем полную расчетную мощность на всех участках сети, кВА по следующей формуле:
где Рр – расчетная мощность на участке, кВт; cosj - коэффициент мощности. 4.4 Определение эквивалентной мощностиОпределяем эквивалентную нагрузку по следующей формуле Получаем: Участок сети 7-8
Участок сети 7-9
Участок сети 6-7
Участок сети 6-10
Участок сети 1-6
Аналогичным образом определяем эквивалентную мощность на других участках сети. Полученные значения сводим в таблицу 4.3. Таблица 4.3 Результаты расчетов полной и эквивалентной мощностей.
4.5 Определение сечения проводов на участках линииВ целях удобства монтажа и эксплуатации ВЛ рекомендуется применять не более 3 – 4 сечений. Толщина слоя гололеда b = 5 мм. Район по гололеду – I. Подбираем: Участок 8-7: Интервал экономических нагрузок до 400кВА. Выбираем провод АС-25 (по минимально допустимой прочности сечение для ВЛ 10кВ–АС-35). Аналогичным образом предварительно подбираем сечения проводов для других участков. Результаты сводим в таблицу 4.4. 4.6 Определение потерь напряжения на участках линииПотеря напряжения на участке сети определяется по следующей формуле:
где Sуч – расчетная мощность участка сети, кВА; l – длина участка, км; r0 х0 – активное и инлуктивное сопротивление проводов: для провода АС-35: r0 =0.973 a x0 =0.352, для провода АС-50: r0 =0.592 a x0 =0.341; для провода АС-70: r0 =0.42 a x0 =0.327 Участок 7-8
Участок 7-9
Участок 6-7
Участок 6-10
Участок 1-6
Аналогичным образом рассчитываем потери напряжения на остальных участках линии. Результаты расчетов сводим в таблицу 4.5. Таблица 4.4 Результаты расчетов линии 10кВ (по большей нагрузке).
Падение напряжение для участков, связывающих эти точки линии с ИП, будет определяется следующим образом: Линия Л1: DUИП-4=DUИП-1+DU1-2 +DU2-3+DU3-4 =2,614+0,922+0,656+0,359=4.56% Линия Л2: DUИП-8=DUИП-1+DU1-6 +DU6-7 +DU 7-8 =2,614+0,851+1,322+0,308=5.1% Линия Л3: DUИП-10=DUИП-1+DU1-6 +DU6-10=2,614+0,851+0,273=3.74% Если падение напряжения не будет входить в допустимые пределы, то увеличиваем сечение, начиная с первого участка, до тех пор, пока падение напряжения не будет удовлетворять норме(8.0% в данном случае) Наибольшее значение падения напряжения DUнаиб. = DUИП-5 = 5.1%, Проверяем условие DUдоп ≥ DUнаиб, DUдоп – потеря напряжения в сети 10 кВ (таблица 3.2), DUдоп =8 %. Так как условие 8 >5.1 выполняется, делаем вывод, что сечения и марки проводов выбраны верно. 5. Определение потерь электрической энергии5.1 Определение потерь электрической энергии в сетях 0.38кВПотери электрической энергии определяются по следующей формуле:
где S0 -полная мощность на участке; r0 – удельное электрическое сопротивление проводов, Ом/км; l – длина участка, км; t - время максимальных потерь, ч.
Аналогичным образом рассчитываем потери электрической энергии на других участках линии. Полученные данные сводим в таблицу 5.1 Таблица 5.1 Потери электрической энергии в линии 0.38кВ
5.2 Определение потерь электрической энергии в линии 10кВРасчет ведем так же как и для линии 0.38кВ.
Аналогичным образом рассчитываем потери энергии на остальных участках. Результаты расчетов сводим в таблицу 5.2. Таблица 5.2 Потери электрической энергии в линии 10кВ.
Определим потери электрической энергии до нашего расчетного пункта т.е.: DW0-5= DWИП-1 + DW1-2 +DW2-3 +DW3-5 =45025+5826+3320+292,97=54464 кВт 5.3 Определение годовых потерь электрической энергии в трансформаторе Потери энергии за год ∆W в трансформаторе складываются из потерь в обмотках трансформатора (∆РОБ ) и потери в стали (РХ.Х ). Потери в обмотках при номинальной нагрузке принимаются равными потерям короткого замыкания (РК ), тогда
где DPм.н – потери в обмотках трансформатора при номинальном токе нагрузки, кВт; Smax – максимальная полная нагрузка трансформатора, кВА; t - время максимальных потерь трансформатора, ч; DPх.х. – потери холостого хода трансформатора, кВт; 8760 – число часов в году.
5.4 Определение общих потерьОбщие потери определяются по следующей формуле:
где DWтр – потери в трансформаторе, кВт.ч; SDW – суммарные потери, кВт.ч; Получаем:
6. Конструктивное выполнение линий 10 И 0,38 кВ, трансформаторных подстанций 10/0,4 кВ Воздушные линии 10 кВ выполняются проводами марки «АС». Их крепят на железобетонных одностоечных, свободно стоящих, а анкерные и угловые с подкосами. Провода крепим к изоляторам типа ШФ – 10Г. Низковольтные линии для питания сельских потребителей выполняют на напряжение 380/220 В с глухозаземленной нейтралью. Магистральные линии для питания потребителей выполняют пятипроводными: три фазных провода, один нулевой и один фонарный. Опоры ВЛ поддерживают провода на необходимом расстоянии от поверхности земли, проводов, других линий и т.п. Опоры должны быть достаточно механически прочными. На ВЛ применяются железобетонные, деревянные опоры. Принимаем установку железобетонных опор высотой 10 м над поверхностью земли. Расстояние между проводами на опоре и в пролете при наибольшей стреле провеса (1,2 м) должно быть не менее 40 см. Основное назначение изоляторов – изолировать провода от опор и других несущих конструкций. Материал изоляторов должен удовлетворять следующим требованиям: выдерживать значительные механические нагрузки, быть приспособленным к работе на открытом воздухе под действием температур, осадков, солнца и т.д. Выбираем для ВЛ – 0,38 кВ изоляторы типа НС – 16. Провода крепим за головку изолятора, на поворотах к шейке изолятора. Для электроснабжения населенных пунктов широко применяются закрытые трансформаторные подстанции (ЗТП) 10/0,38 кВ. Как правило, сельские ЗТП сооружаются в отдельно стоящих одно- или двухэтажных кирпичных или блочных зданиях. Вне зависимости от конструкции здания они разделяются на три отсека: отсек трансформатора, отсек РУ 10 кВ и отсек РУ 0,38 кВ. Распределительное устройство 10 кВ комплектуется из камер заводского изготовления КСО. Распределительное устройство 0,38 кВ может состоять из шкафов серии ЩО-70, ЩО-94 и др. шкафы ЩО-70-3 отличаются от шкафов ЩО-70-1 и ЩО-70-2 сеткой схем электрических соединений, габаритами, которые уменьшены по высоте на 200 мм. ЩО-70-3 имеет следующие типы панелей: · панели линейные; · панели вводные; · панели секционные. Подстанция имеет защиты: 1. от грозовых перенапряжений (10 и 0,38 кВ); 2.от многофазных (10 и 0,38) и однофазных (0,38) токов короткого замыкания; 3.защита от перегрузок линии и трансформатора; 4.блокировки. 7. Расчет токов короткого замыканияРасчет токов короткого замыкания производится для решения следующих основных задач: - выбор и оценка схемы электрических соединений; - выбор аппаратов и проверка проводников по условиям их работы при коротком замыкании; - проектировании защитных заземлений; - подбор характеристик разрядников для защиты от перенапряжений; - проектирование и настройка релейных защит. 1.Составляем расчетную схему
11км 4км 0.108км 0.084км 0.164км ST = 63 кВ·А; ΔUК% =4.5%; ΔPХХ =0.33кВт; ∆PК =1.970кВт; ZТ(1) =0.779 Ом. Расчет ведем в относительных единицах. 2.Задаемся базисными значениями SБ =100 МВА; UБВ =1,05UН =10,5 кВ; UБН =0,4 кВ. 3.Составляем схему замещения
ХС
Рис. 8.2. Схема замещения. 4.Определяем сопротивления элементов схемы замещения в относительных единицах: – системы:
Определяем сопротивление ВЛ-10кВ:
– трансформатора: Так как его величина очень мала;
– ВЛ 0,4 кВ:
5.Определяем результирующее сопротивление до точки К1
Z*К1
6.Определяем базисный ток в точке К1
7.Определяем токи и мощность к.з. в точке К1 .
где КУ –ударный коэффициент, при к.з. на шинах 10 кВ КУ =1.2.
8.Определяем результирующее сопротивление до точки К2 :
К2
Z*К2
9.Определяем базисный ток в точке К2 :
10.Определяем токи и мощность к.з. в точке К2 :
Ку =1при к.з. на шинах 0,4 кВ ТП 10/0,4 кВ.
11.Определяем результирующее сопротивление до точки К3 :
Z*К3
12.Определяем токи и мощность к.з. в точке К3 :
Ку =1 для ВЛ – 0.38 кВ. Однофазный ток к.з. определяем в именованных единицах:
где
Результаты расчетов сводим в таблицу 8.1. Таблица 8.1 Результаты расчета токов к.з.
8. Выбор аппаратов защитыПосле выбора типа и мощности ТП, расчета токов короткого замыкания производим выбор оборудования ТП. Для обеспечения надежной работы электрические аппараты должны быть выбраны по условиям максимального рабочего режима и проверены по режиму токов короткого замыкания. Составляем схему электрических соединений подстанции (Рисунок 6), на которой показываем все основные электрические аппараты. Расчет сводится к сравнению каталожных величин аппаратов с расчетными.
FU
T
SQ
Рисунок 6 Схема электрических соединений подстанции В соответствии с ПУЭ электрические аппараты выбирают по следующим параметрам: 1. Выбор разъединителя
где
2. Выбор предохранителя
где
Выбор рубильника
3. Выбор автоматического выключателя
где Uн.авт. – номинальное напряжение автоматического выключателя, В; Uн.уст. – номинальное напряжение сети, В; Iавт – номинальный ток автоматического выключателя, А; Iр.макс. – максимальный рабочий ток цепи, защищаемой автоматом, А; Iн.т.расц. – номинальный ток теплового расцепителя автомата, А; Kз. – коэффициент надежности, учитывающий разброс по току срабатывания теплового расцепителя, принимается в пределах от 1,1 до 1,3; Iн.э.расц. – ток отсечки электромагнитного расцепителя, А; kн. – коэффициент надежности, учитывающий разброс по току электроагнитного расцепителя и пускового тока электродвигателя (для автоматов АП-50, АЕ-2000 и А3700 kн.э =1,25, для А3100 kн.э =1,5); Iпред.откл – предельный отключаемый автоматом ток, А. 9. Защита отходящих линий 0,38кВ. Основные аппараты защиты сетей 0.38кВ от коротких замыканий – плавкие предохранители и автоматические выключатели. Учитывая, что сеть 0,38кВ работает с глухозаземленной нейтралью, защиту от коротких замыканий следует выполнять в трехфазном исполнении, предохранители или расцепители автоматов устанавливают в каждой фазе. При наличии максимального расцепителя автомата в нулевом проводе он должен действовать на отключение всех трех фаз, и в этом случае допускается устанавливать два расцепителя для защиты от междуфазных коротких замыканий. В качестве устройств защиты от перегрузок используют те же аппараты, однако тепловой расцепитель автоматического выключателя действует более надежно и четко, чем предохранитель. На вводах в трансформаторов 0,38кВ и отходящих от КТП 10/0,38кВ линиях наибольшее применение получили автоматические выключатели типов АП50 (на КТП мощностью 25 … 40кВА), А3100 (сняты с производства) и А3700,. В ряде случаев используются блоки “предохранитель –выключатель” типа БПВ-31…34 с предохранителями типа ПР2. Применяемые на КТП автоматы АП50 2МТ30 имеют два электромагнитных и три тепловых расцепителя, а также расцепитель в нулевом проводе на ток, равный номинальному току теплового расчепителя. Автоматы А3124 … А3144 и А3700ФУЗ имеют по три электромагнитных и тепловых расцепителя, а также независимый расцепитель с обмоткой напряжения. Для защиты от однофазных замыканий в нулевом проводе устанавливают реле тока РЭ571Т, действующее на независимый расцепитель. Для КТП 10/0,38кВ, оснащенных автоматическими выключателями типа А3100, А3700 и АЕ20, имеющих независимый расцепитель, разработана и выпускается промышленностью полупроводниковая защита типа ЗТИ-0,4,обеспечивающае повышенную чувствительность действие при коротких замыканий. Защита представляет собой приставку к автомату, размещаемую под ним в низковольтном шкафу КТП. Конструктивно она выполнена в фенопластовом корпусе. ЗТИ предназначено для защиты трехфазных четырехпроводных воздушных линий 0,38кВ с глухозаземленной нейтралью и повторными заземлениями нулевого провода от междуфазных и однофазных коротких замыканий, а также замыканий фаз на землю. Для подключения к линии ЗТИ имеет четыре токовых входа, через которые пропускают три фазных и нулевой провода линии. Защита действует на независимый расцепитель автоматического выключателя. Защиты от междуфазных и фазных на нулевой провод коротких замыканий имеют обратнозависимые от тока характеристики время срабатывания и ступенчатую регулировку по току и времени срабатывания. Уставку защиты от замыканий на землю не регулируют. Защита ЗТИ – 0,4У2 позволяет повысить надежность и уровень электробезопасности ВЛ 0,38 кВ. 10. Защита от перенапряжений и заземление 10.1 Защита от перенапряженийБольшая протяженность сельских линий повышает вероятность атмосферных перенапряжений в них в грозовой сезон и служит основной причиной аварийных отключений. Трансформаторные подстанции 10/0.38кВ не защищаются молниеотводами. Для защиты ТП от перенапряжений применяют вентильные и трубчатые разрядники на 10кВ.Для тупиковых ТП на вводе устанавливают вентильные разрядники FU. На ВЛ в соответствии с ПУЭ, в зависимости от грозовой активности устанавливается защитное заземление (в условиях РБ через 2 на третей опоре или через 120м), cопротивление заземления – не более 30 Ом. На линях с железобетонными опорами крюки, штыри фазных проводов и арматуру соединяют с заземлением. 10.2 ЗаземлениеСогласно ПУЭ, расстояние между грозозащитным заземлением на ВЛ – 0.38кВ должно быть не более 120м. Заземление устанавливается на опорах ответвлений в здания, где может находиться большое количество людей, и на расстоянии не менее 50м от конечных опор. Диаметр заземляющего провода не менее 6мм, а сопротивление одиночного заземлителя – не более 30 Ом. Повторное заземление рабочего проводника должно быть на концах ВЛ или ответвлениях от них длиной более 200м, на вводах в здание, оборудование которых подлежит занулению. Сопротивление заземления ТП не должно превышать 4 Ом, с учетом всех повторных, грозозащитных и естественных заземлений. 10.3 Расчет заземления ВЛ 0.38кВ.Определение расчетного сопротивления грунта для стержневых электродов.Расчетное сопротивление грунта для стержневых электродов определяюется по следующей формуле:
где Kc – коэффициент сезонности, принимаем Kc = 1.15; K1 – коэффициент учитывающий состояние земли во время исзмерения, принимаем Kc = 1; rизм. – удельное сопротивление грунта, Ом/м; Cопротивление вертикального заземлителя из круглой стали определяется по следующей формуле:
где l – длина заземлителя, принимаем, l = 5м; d – диаметр заземлителя, принимаем в = 12мм; hср – глубина заложения стержня, т.е. расстояние от поверхности земли до середины стержная: hср = l/2 + h’ = 2,5 + 0,8 = 3,3м; h’ – глубина заглубления электрода, принимаем h’ = 0,8м; Получаем:
Сопротивление повторного заземлителяПри r ≥100 Ом.м сопротивление повторного заземлителя определяется по следующей формуле:
Для повторного заземления принимаем 1 стержень длиной 5 м и диаметром 12 мм, сопротивление которого 27.34 Ом<30 Ом. Определяем число стержней
Принимаем 3 стержня и располагаем их через 5 м друг от друга. Длина полосы связи: l=3 шт ∙ 5м =15м Сопротивление полосы связи
где в – ширина полосы прямоугольного сечения, м; h – глубина заложения горизонтального заземлителя, Определение действительное число стержней:
Принимаем 3 стержня.
В соответствии с ПУЭ сопротивление заземляющего устройства при присоединении к нему электрооборудования напряжением до и выше 1000 В не должно быть более 10 Ом. В нашем случае rИСК =9.5 Ом ≤ 10 Ом. Сопротивление заземляющих устройств с учетом повторных заземлений нулевого провода
Заземление выполнено правильно. Если расчет выполнять без учета полосы связи, то действительное число стержней
и для выполнения заземления нужно было бы принять 5 стержня. Литература 1) Янукович Г.И. Расчет электрических нагрузок в сетях сельскохозяйственного назначения. Мн.: БГАТУ, 2003 2) Будзко И.А., Зуль Н.М. «Электроснабжение сельского хозяйства» М.:Агропромиздат, 1990. 3) Янукович Г.И. Расчёт линий электропередачи сельскохозяйственного назначения. Мн.:БГАТУ,2002 4) Поворотный В.Ф. Методические указания по расчету электрических нагрузок в сетях 0,38...110 кВ сельскохозяйственного назначения. Мн.: БИМСХ, 1984. 5) Нормы проектирования сетей, 1994. 6) Каганов И.Л. Курсовое и дипломное проектирование. М.: Агропромиздат, 1990. 7) ПУЭ 8) Янукович Г.И. Расчёт линий электропередачи сельскохозяйственного назначения. Мн.:БГАТУ,2002. 9) Янукович Г.И., Поворотный В.Ф., Кожарнович Г.И. Электроснабжение сельскохозяйственных предприятий и населенных пунктов. Методические указания к курсовому проекту для студентов специальности С.03.02.00. Мн.: БАТУ, 1998. 10) Янукович Г.И. Расчет линий электропередач сельскохозяйственного назначения. Учебное пособие. Мн.: БГАТУ, 2004. 11) Елистратов П.С. Электрооборудование сельскохозяйственных предприятий. Справочник. Мн.: Ураджай, 1986. 12) Нормы проектирования сетей, 1994. |
|||||||||||||||||||||||||||||||||||||||||||||||||||||||||||||||||||||||||||||||||||||||||||||||||||||||||||||||||||||||||||||||||||||||||||||||||||||||||||||||||||||||||||||||||||||||||||||||||||||||||||||||||||||||||||||||||||||||||||||||||||||||||||||||||||||||||||||||||||||||||||||||||||||||||||||||||||||||||||||||||||||||||||||||||||||||||||||||||||||||||||||||||||||||||||||||||||||||||||||||||||||||||||||||||||||||||||||||||||||||||||||||||||||||||||||||||||||||||||||||||||||||||||||||||||||||||||||||||||||||||||||||||||||||||||||||||||||||||||||||||||||||||||||||||||||||||||||||||||||||||||||||||||||||||||||||||||||||||||||||||||||||||||||||||||||||||||||||||||||||||||||||||||||||||||||||||||||||||||||||||||||||||||||||||||||||||||||||||||||||||||||||||||||||||||||||||||||||||||||||||||||||||||||||||||||||||||||||||||||||||||||||||||||||||||||||||||||||||||||||||||||||||||||||||||||||||||||||||||||||||||||||||||||||||||||||||||||||||||||||||||||||||||||||||||||||||||||||||||||||
, (2.9)
шт, (2.11)
(2.12)


.











(5.1) 

(5.2)















(10.8)