Реферат: Электроадгезионные устройства закрепления
|
Название: Электроадгезионные устройства закрепления Раздел: Рефераты по физике Тип: реферат | |||||||||||||
Нижегородский государственный технический университет им Р.Е. Алексеева ‘’Электроадгезионные устройства закрепления.’’ Выполнил Нижний Новгород 2010г Содержание 1 Введение 3 2 Электроадгезионный метод соединения твёрдых тел 4 3 Адгезивы, отверждающиеся при облучении 10 4 Заключение 15 5 Список использованных источников 16 1 Введение На сегодняшнее время трудно найти отрасль промышленности где бы не применялись композиционные материалы (армированные пластики, клеевые соединения, лакокрасочные покрытия и другие гетерогенные полимерные системы) все они успешно функционируют благодаря достаточным по величине и стабильными во времени адгезионным связям между компонентами. Поэтому понятен интерес к проблеме надёжности адгезионных соединений, их функционированию при действии эксплуатационных факторов, в том числе длительной нагрузке. Всё это заставляет учёных искать всё новые и новые модели адгезионных устройств, которые бы отвечали высокому уровню требований соединений различных компонентов. В данной работе рассмотрим две современные модели адгезионных соединений : электроадгезионный метод соединения твёрдых тел и адгезивы, отверждающиеся при облучении. 2 Электроадгезионный метод соединения твёрдых тел Склеивание стало одним из самых надёжных способов соединения твёрдых тел в машиностроении. Успешность внедрения технологии склеивания объясняется рядом существенных преимуществ по сравнению с другими видами соединений. Применение клеев позволяет соединить практически все материалы промышленного назначения: различные металлы и их сплавы; неметаллические соединения: древесину, кожу, пластмассы, керамику, стекло, резину и т.п. Основные требования предъявляемые к конструкционным клеям – это прочность, теплостойкость и долговечность. Кроме того желательно, чтобы клей отверждался без нагревания и давления, при минимальной осадке. Удовлетворяют перечисленным требованиям только немногие клеи. Недостатки, свойственные традиционным технологиям склеивания, заставили искать новые пути соединения твёрдых тел. Ещё в 1923 году Джонсон и Раббек обнаружили эффект сцепления твердых тел (диэлектриков с полупроводниками) под воздействием внешнего электрического поля. Полученный электроадгезионный контактсохранялся в момент действия электрического юля и исчезал после его снятия. Такой метод соединения твердых тел впоследствии получил назвали электростимулированный адгезионный контакт. В настоящее время он широко используется электростатических крепежных устройствах, тормозных муфтах, захватывающих устройствах робототехнике. В 1960 г. Н. А. Иоффис предложил повышать точность пайки керамики с керамикой и стекла с металлом воздействием внешних электрополей. Особеннобурное развитие исследований, посвященныхвыработке методов сцепления твердых тел под воздействием внешних электрических полей, начинается с1967 г., когда в СССР и США вышлипервые публикации по указанной проблеме. Появились возможность создавать как обратимый адгезионный контакт, сохраняющийся только при действиивнешнего электрического поля, так и необратимый. В отличие от клеевых соединений времясоздания электроадгезионного контакта значительноменьше и составляет от 0.1 с до 10 мин при подаваемомпотенциале от 300 В до 8 кВ. Соединение твердых тел электроадгезионным методом не требует высоких температур и наличия вакуума, как при диффузионной сварке. Отметим такое преимущество этого метода по сравнению сдругими, как возможность соединения тел без использования давления, а также низкие требовании к предварительной подготовке их поверхностей. Применение электроадгезионного метода для соединения твердых тел позволяет достичь прочности адгезионного контакта 15 МПа, поэтому в ряде случаев разрушение происходит когезионно, в частности, по стеклу при соединении стекол с металлами. Различные схемы создания адгезионного контакта твердых телуказанным методом приведены на рисунках 1, 2.
1 — металлический зонд (щетка); 2 — пленка (раствор) полимера; 3 — стекло; 4— металл Рисунок 1. – Схема электростатического контакта при нанесении покрытия (а) и при склеивании твердых тел (б)
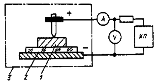
1 — металл; 2 — стекло; 3 — муфельная печь; ИП — источник питания Рисунок 2. – Схема электроадгезионного соединения при повышенных температурах В настоящее время число изобретений и статей по рассматриваемой проблеме настолько велико, что привести их все не представляется возможным. Всего насегодняшний день электроадгезионным методом изготовлены соединения приблизительно из 130 различных по природе пар материалов. Эти соединения применяют при креплении тензодатчиков, изготовлении электронных микросхем, создании оптических контактов, сочленении металлических труб со стеклянными и т. п. Общепринято мнение, что при соединении твердых тел электроадгезионным методом сцепление происходит за счет пондеромоторных сил электрического поля. С учетом дипольной поляризации и накопления зарядов у границы раздела фаз и в объеме силу пондеромоторного взаимодействия можно рассчитать по формуле F = где U— прикладываемый потенциал; e и e0 — диэлектрическая проницаемость среды и вакуума; d— толщина полимерной пленки; s1 — поверхностная плотность заряда пленки; s2 — объемная плотность заряда, расположенная на эффективной глубине хот поверхности пленки; J — остаточная поляризованность; a и К — коэффициенты. Можно показать, что на границе раздела фаз из-за электростатического притяжения между контактирующими поверхностями возникает нормальноедавление r = 4.5 × 10-13 eE2 (2) где Е — напряженность электрического поля. Увеличения нормальногодавления(r)можнодобиться использованием прослоек из сегнетоэлектрических материалов с высокойдиэлектрической проницаемостью среды (e³ 104 ),а также повышением температуры в зоне контакта. Сцепление твердых тел подвоздействием внешних электрических полей можно объяснить активациейповерхностных сил, процессов поляризации и возможного локального разрушениямолекулярных структур с последующим восстановлением связей:образованием промежуточных структур на поверхности раздела фаз, иногда с возникновением редкой сетки химических связей на общем электростатическом фоне. Для пониманияпроисходящих процессов можно привлечьэффект Франца — Келдыша, согласно которому электрическое поле размывает границыэнергетических зон, т. е. ведет к изменению самойструктуры твердого тела. Работы по совершенствованию методов электроадгезионного соединения твердых тел и расширению областей их применения интенсивно проводятся в США, Японии, Англии, России. Исследования по данной проблеме ведут такие крупные фирмы, как «Боинг» и «Дженерал электрик» (США), «Хитачи» (Япония), «Болугу биланкорт» (Франция) и др. В нашей стране такие работы проводятся в Ленинградском электротехническом институте имени В. И. Ульянова, Московском лесо техническом институте, Всесоюзном заочном машиностроительном институте (Москва), Московском институте радиотехники, электроники и автоматики, Проблемной лаборатории диффузионной сварки материалов при Московском авиационно-технологическом институте. Возможности использования электроадгезионного метода для соединения твердых тел определяются эксплуатационными требованиями к прочности изделий. Экспериментально были получены вакуумплотные соединения кремний — стекло в полупроводниковых тензодатчиках давления. Характеристики адгезионной прочности пары алюминий — стекло приведены на рисунке – 3.
а — Т = 425°С, t=10мин;6 -- Т = 425 °С, U = 320 В Рисунок 3. – Зависимость работы разрушенияА контакта силикатного стекла с алюминиевой фольгой с шероховатостью 0.04 (кривая 1) и 0.16мкм (кривая 2)от потенциала (а)и времени(б)его образования Метод электроадгезионного соединения твердых тел нашел применение в самых различных отраслях промышленности: микроэлектронике, авиакосмической технике, машиностроении, металлургической промышленности, энергетике и т. п. В последнее время метод электроадгезии был опробован для соединения высокотемпературных сверхпроводников на основе керамики через тонкие полимерные пленки. Прочность такого соединения, полученного при комнатной температуре без использования давления , составила 0.5 Мпа. Подобная возможность расширила сферу применения метода электроадгезионного соединения. 3 Адгезивы, отверждающиеся при облучении В настоящее время отсутствуют обстоятельные обзоры, посвященные использованию бутадиен-акрилонитрильных олигомеров для разработки адгезивов и покрытий, отверждающихся при облучении. Рассмотрим системы, отверждающиеся при действии электронного или УФ-облучения по свободнорадикальному или катионному механизмам. Ранее Бреннер и Дрейк установили, что жидкие бутадиенакрилонитрильные каучуки с концевыми карбоксильными и меркаптановыми группами способны сшиваться при облучении электронами дозой (1 ¸ 5) Мрад. Олигомер с концевыми меркаптановыми группами (содержание групп RSH 3.1%, связанного акрилонитрила 23%,молекулярная масса Мn = 1700) структурируется с высокой скоростью. Для отвсрждепия олигомера с концевыми карбоксильными группами, как и ожидалось, требуется увеличить дозу облучения на (50 ¸100)%. Оба олигомера содержат довольно большое количество кислоты (соответственно 6 и 3%)и дают каучукоподобные материалы с прочностью (13.8 ¸ 34.5) МПа при удлинении (60 ¸ 100)%. Отверждение проводили облучением электронами на воздухе при комнатной температуре. Телехелевые полибутадиены способны структурироваться при действии ионизирующего излучения без дополнительных ингредиентов. В таблице – 1 приведены составы адгезивов на основе эпоксиакрилатного олигомера, отверждающсгося при УФ-облучении. В одном случае олигомер VTBNвводят в готовый эпоксиакрилатный полимер, в другом — модифицированный каучуком CTBNкомпозит получают в процессе синтеза эпоксиакрилатиом смолы. Обе системы отверждаются по свободнорадикальному механизму при УФ-облучении. В результате синтеза олигомера на основе низкомолекулярной дикарбоновой кислоты, содержащей не менее четырех метиленовых групп между двумя карбоксильными, получен продукт с очень низкой вязкостью. Это облегчает его применение и позволяет получить сшитый адгезив, обеспечивающий высокие адгезионные свойства, ударную прочность и устойчивость к многократному изгибу. Таблица – 1. Состав (в граммах) и физикомеханические свойства модифицированных жидким каучуком композиций, отверждающихся при УФ – облучении
Такой подход позволяет получить отверждающиеся при облучении конструкционные адгезивы для соединения стекла со стеклом, металлами и пластиками. В качестве примера назовем композицию на основе диэпоксида и гексафторантимоната трифенилсульфония, модифицированную каучуком и отверждающуюся по катионному механизму. Пленка толщиной 0.25 мм структурируется в течение 40 с (приоблучении ртутной лампой умеренного давления мощностью 80 Вт/см) и обладает прочностью (186 ¸ 209) МПа при удлинении (12 ¸25)%.Она сохраняет свои свойства до —30 °С и обладает высокой ударной прочностью. В качестве модификатора используют олигомер типа VTBNв количестве (7 ¸ 8)%. Предложен также состав композиции, способной отверждаться в достаточно толстом слое (используется для герметизации автомобильных кузовов) за (2 ¸ 3) мин при нагревании или УФ-облучении либо при одновременном действии обоих факторов по катионному механизму. Эти системы содержат эпоксициклогексиловый эфир, модифицированный олигомерами CTBNили HTBN, и смесь гексафторантимоната трифенилсульфония (в виде 50%-ногораствора в пропиленкарбонате) и гексафторарсенатадифенилиодония (в виде 50%-ногораствора в метилэтилкетоне) с небольшими добавками нафтената меди;их используют в виде высоконаполненных тальком замазок, отверждая одновременным облучением двумя УФ-лампами и двумя ИК-излучателями. Сообщалось также о чувствительных к давлению адгезивах, являющихся в определенном смысле прямой противоположностью конструкционным адгезивам, которые отверждаются при облучении электронами или УФ-излучением. Такие составы в качестве модификаторов содержат жидкие бутадиен-акрилонитрильные каучуки. Гленнону удалось модифицировать растворенный в мономере (н-бутилакрилате) линейный блоксополимер бутадиена со стиролом, содержащий повышающую липкость смолу, олигомером типа CTBN. Этот состав наносят на полиэтилентерефталатную пленку типа майлар и отверждают при облучении электронами дозой 3 Мрад; сопротивление отслаиванию пленки майлар от окрашенной стали под углом 180° достигает 700 Н/м. Такая система занимает промежуточное положение между адгезивами-расплавами и растворными адгезивами, с одной стороны, и адгезивами на основе растворов полимеров в мономерах — с другой, в которых при облучении протекают одновременно полимеризация и структурирование. Перкинс, детально изучавший такие системы, показал , что композиции, длительное время сохраняющие свои адгезионные свойства, можно получить модификацией жидким бутадиен-акрилонитрильным каучуком с концевыми гидроксильными группами некоторых тройных сополимеров (например, сополимера 2-этилгексилакрилата с акриловой кислотой и винилацетатом) в присутствии мономеров типа 2-этилгсксилакрилата и тетраэтиленгликольдиакрилата. Эти системы отверждаются при УФ-облучении при добавлении в качестве инициатора бензоин-этилового эфира (скорость движения пленки 5 см/с).Изделия обладают следующими характеристиками отражёнными в таблице – 2. Таблица – 2. Характеристика изделий
В других работах сообщается об использовании телехелевых жидких полибутадиеновых каучуков для изготовления красок, отверждающихся при облучении. Хотя эти составы нельзя рассматривать как адгезивы, тем не менее в модифицированном виде они должны обладать некоторыми свойствами адгезивов, чувствительных к давлению. Приведенные примеры показывают, что телехелевые бутадиен-акрилонитрильные жидкие сополимеры находят широкое применение при разработке отверждающихся приоблучении адгезивов, являясь или составной частью этих систем, или модификатором основного полимерного компонента. В зависимости от назначения рассмотренные адгезивы могут выполнять функции конструкционных, полуконструкционных, герметизирующих или чувствительных к давлению материалов. 4 Заключение Начиная с ~1960 годов и по сегодняшний день разработка адгезионных соединений производится очень интенсивно во всех странах. Это даёт возможность более широкого применения и внедрения адгезионных соединений. Например за счёт более крепкого и долговечного адгезионного соединения (вместо заклёпок), они нашли широкое применение в самолётостроении и даже в постройке космических аппаратов. Это стало возможным благодаря научно-техническому прогрессу, который обладает высокой приемственностью, тоесть все открытия в области науки находят своё место и в других областях. Именно с этим связано разнообразие моделей адгезионных соединения начиная от электроадгезионных (использующих силы электростатического взаимодействия) и заканчивая сложными полимерными адгезивами, отверждающихся при облучении (за счёт перестройки и образованию более плотной упаковки полимерных структур в следствии облучения электронами). 5 Список использованных источников 1. Евдокимов Ю. М. Электроадгезионный метод соединения твёрдых тел.- Весник машиностроения, №6, 1988, С. 64-66 . 2. Ли Л. Х. Адгезивы и адгезионные соединения.- М.: Мир, 1988, -226 с. 3. Фрейдин А.С. Свойства и расчёт адгезионных соединений. – М.: Химия, 1990, -256 с. |
|||||||||||||


(1)