Реферат: Лекция по Безопасности жизнедеятельности
|
Название: Лекция по Безопасности жизнедеятельности Раздел: Рефераты по безопасности жизнедеятельности Тип: реферат | |||||||||||||||||||||||||||||||||||||||||||||||||||||||||||||||||||||||||||||||||||
Основными показателями пожарной опасности горючих вещ-в являются: тем-ра вспышки, температурные и концентрационные пределы распространения пламени, тем-ра воспламенения, тем-ра самовоспламенения и другие. Тем-ра вспышки - самая низкая температура горючей жид-ти, при которой над её пов-тью образуются пары, способные вспыхивать в воздухе от внешнего источника зажигания, но скорость их образования недостаточна для устойчивого горения жид-сти. Чем ниже тем-ра вспышки, тем опаснее жид-ть. Из числа горючих жид-тей особо выделяют ЛВЖ - легковоспламеняющиеся жид-ти. К ЛВЖ относятся горючие жид-ти с тем-рой вспышки, не превышающей 61 °С в закрытом или 66 °С в открытом тигле. Темп-ра вспышки является основным параметром пожарной опасности горючей жидкости. Она используется для оценки тем-рных условий, при которых горючая жид-ть становится огнеопасной в открытом аппарате, при определении категории помещений и зданий в соответствии с НПБ 105-95, при разработке мероприятий для обеспечения пожаро- и взрывобезопасного ведения технологических процессов. В условиях производства в технологических ап-тах применяют разнообразные горючие жид-ти. Обычно эти ап-ты не бывают заполнены до предела, т.е. имеют определённый свободный объём. Вследствие испарения горючей жид-ти свободное пространство закрытых ап-тов постепенно насыщается парами. При наличии в этом пространстве воздуха пары жид-ти, смешиваясь с ним, могут образовывать горючие смеси. Для практической оценки пожаро- и взрывоопасных концентраций паров горючей жидкости технологического оборудования необходимо знать температурные и концентрационные пределы распространения пламени. Нижний (верхний) концентрационный предел распространения пламени - минимальное (максимальное) содержание горючего, вещ-ва в смеси с окислителем, при котором смесь способна воспламеняться и пламя распространяется по смеси на любое расстояние от источника-зажигания. Горючие жид-ти могут находиться в технологических ап-тах с различными тем-ными режимами. Поэтому в одних случаях тем-ра жидкости будет недостаточна для того, чтобы возникла пожароопасная концентрация, т.е. концентраций паровоздушной смеси будет меньше НКПРП. В других случаях жид-ть может быть нагрета до достаточно высоких тем-р, при которых концентрация паровоздушной смеси в ап-те будет больше ВКПРП. Следовательно, в паровоздушном объёме закрытых ап-тов горючая смесь образуется только в определённых тем-ных интервалах нагрева жид-ти, которые называют тем-ными пределами распространения пламени (НТПРП и ВТПРП). Температурные пределы распространения пламени - это тем-ры жид-ти, при которых её насыщенные пары образуют в конкретной окислительной среде концентрации, равные соответственно нижнему и верхнему концентрационным пределам распространения пламени. Очевидно, что чем меньше нижний тем-ный предел распространения пламени и чем, шире диапазон между НТПРП и ВТПРП, тем опаснее горючая жидкость. Тем-ные пределы распространения пламени учитывают при расчёте пожаро- и взрывоопасных температурных режимов работы закрытых технологических аппаратов. Значения НТПРП и тем-ры вспышки обычно равны между собой. Однако на практике определение этих параметров проводят на разных установках и полученные данные несколько различаются (иногда на несколько градусов). Поэтому НТПРП можно рассчитать по формуле Тем-ные пределы распространения пламени при нормальном атмосферном давлении для горючих органических соединений можно рассчитать по формулам: где tкип – тем-ра кипения жид-ти или тем-ра начала кипения раствора неоднородных жидкостей, O C; К и l – коэф-ты, определяемые по специальным таблицам. Тем-ые пределы распространения пламени необходимо учитывать при расчёте безопасных температурных режимов работы закрытых технологических ап-тов. Оптимальными условиями работы технологических ап-тов являются тем-ные режимы ниже нижнего или выше верхнего тем-ных пределов распространения пламени. При этом необходимо учитывать, что в реальных условиях возможно неравномерное распределение концентраций в паровом объёме ап-та. Поэтому к тем-ным пределам принимается некоторый «запас прочности», и безопасными считают температуры на 10 °С ниже НТПРП и на 15 °С выше ВТПРП. Если же это условие безопасности не выполняется и ап-т работает в области опасных тем-р, то необходимо использовать следующие технические решения: применение высокогерметичного оборудования; ликвидация паровоздушного объёма в ап-те; применение ингибирующих (химически активных) и флегматизирующих (инертных) добавок; введение в горючую жидкость каких-либо добавок, снижающих парциальное давление (например, разбавление ацетона или этилового спирта водой); употребление различных вещ-в, способных не разрушаясь, плавать на пов-ти горючей жид-ти и создавать защитный слой и т.п. Тем-ра воспламенения – параметр, характеризующий склонность к самостоятельному горению; - такая тем-ра горючей жид-ти, при которой над ее пов-тью образуются горючие пары с такой ск-тью, что после их воспламенения от источника зажигания достигается устойчивое горение (более 5 с). Тем-ра самовоспламенения - самая низкая тем-ра вещ-ва (или его оптимальной смеси с воздухом), при которой в условиях специальных испытаний происходит резкое увеличение скорости экзотермических реакций, приводящее к возникновению пламенного горения. Тем-ра самовоспламенения, определённая стандартным методом, называется стандартной температурой самовоспламенения. Тем-ра самовоспламенения зависит от химического состава вещ-ва, его концентрации в смеси с окислителем, давления, условий тепло- и массообмена, объёма смеси, наличия катализаторов и т.п. Знание темп-ры самовоспламенения имеет большое практическое значение, так как позволяет оценить возможность пламенного горения вещ-ва (смеси) при контакте с нагретыми пов-тями, при истечении из ап-тов в воздух нагретых до высоких тем-р газов или паров жид-ти. Кроме того, по тем-ре самовоспламенения определяется группа взрывоопасных смесей при выборе типа взрывозащищенного электрооборудования. Концентрационные пределы распространения пламени. Влияние на них давления, тем-ры, инертных добавок. Основным показателем пожарной опасности горючих газов является НКПРП (ВКПРП). Нижний (верхний) концентрационный предел распространения пламени - минимальное (максимальное) содержание горючего, вещ-ва в смеси с окислителем, при котором смесь способна воспламеняться и пламя распространяется по смеси на любое расстояние от источника-зажигания. НКПРП – min концентрация горючего газа или пара в смеси с воздухом (с окислителем), при которой уже можно воспламенить смесь от внешнего источника зажигания и пламя распространяется на весь объем ВКПРП – max концентрация горючего газа или пара в смеси, при которой еще возможно воспламенение от внешнего источника зажигания и пламя распространяется на весь объем смеси. При взрыве имеет место рост давления. Чем больше диапазон между ВКПРП и НКПРП, тем опаснее вещ-во. Если окислитель – чистый кислород, то опасная область увеличивается (для Н2 от 3 до 90). Тем-ра и наличие инертных добавок тоже увеличивают диапазон. С повышением давления область опасных концентраций расширяется. С понижением – суживается и сходится в критической точке К. Самовоспламенение. Механизм процесса. Температурные классы. Тем-ра самовоспламенения - самая низкая тем-ра вещ-ва (или его оптимальной смеси с воздухом), при которой в условиях специальных испытаний происходит резкое увеличение скорости экзотермических реакций, приводящее к возникновению пламенного горения. Тем-ра самовоспламенения зависит от химического состава вещ-ва, его концентрации в смеси с окислителем, давления, условий тепло- и массообмена, объёма смеси, наличия катализаторов и т.п. Знание темп-ры самовоспламенения имеет большое практическое значение, так как позволяет оценить возможность пламенного горения вещ-ва (смеси) при контакте с нагретыми пов-тями, при истечении из ап-тов в воздух нагретых до высоких тем-р газов или паров жид-ти. Кроме того, по тем-ре самовоспламенения определяется группа взрывоопасных смесей при выборе типа взрывозащищенного электрооборудования. Для получения воспроизводимых результатов испытательную арматуру стандартизируют и получают стандартную тем-ру самовоспламенения, которая приводится в справочнике. Иногда создают самую неблагоприятную комбинацию условий опыта и т.о. получают mintСАМОВОСПЛАМЕНЕНИЯ . Принято, что тем-ра пов-ти оборудования во время работы не должна превышать 80% от стандартной tСАМОВОСПЛАМЕНЕНИЯ . Категорирование взрывоопасных смесей по tСАМОВОСПЛАМЕНЕНИЯ .
Если есть горючая смесь, то в ней протекает процесс окисления. Но при низких тем-рах скорости низкие. Ск-ть выделения тепла где Q – тепловой эффект реакции; V – Тепловой объем смеси; К – константа ск-ти реакции; С – концентрация реагирующих вещ-в; n – порядок реакции; Т – тем-ра смеси;
Ск-ть теплоотвода где α – коэф. теплоотдачи; s – пов-ть сосуда; t2 – тем-ра смеси; t1 – тем-ра стенки. Возможно 3 случая: 1. 2. 3.
В точке С - Точка С – точка неустойчивого равновесия. Отвод меньше, нагрев больше → самовоспламенение. Самовозгорание. Горение – сложный физико-химический процесс, в основе которого лежит быстропротекающая хим. реакция, сопровождающаяся выделением тепла и излучением света. Горение не сопровождается ростом давления. Для начала возгорания необходимо, чтобы слилось 3 фактора: горючее, окислитель и источник воспламенения. Взрыв – быстрое превращение вещ-ва, сопровождающееся выделением энергии и образованием сжатых газов, способных производить работу. Вещ-ва, имеющие tСАМ < 50°С, называются самовозгорающимися. Различают тепловое, химическое и микробиологическое самовозгорание. Условия возникновения самовозгорания: 1. Развитая пов-ть окисления. 2. Склонность вещ-ва окисляться с заметной ск-тью при нормальной тем-ре. 3. Малая теплоотдача в окружающую среду.
Время начала самовозгорания зависит от объема смеси. До полного возгорания ничего не указывает на то, что началось гореть сено внутри (самовозгорание).
Здесь приведен график зависимости тем-ры самовозгорания от объема горючей смеси. В органических соединениях при повышении тем-ры реакция окисления идет быстрее (с выделением теплв). V1 – тем-ра поднимается до определенного значения и далее изменяться не будет. ΔТ1 – прирост тем-ры за счет окисления. Виды горения. Диффузионное горение (самое медленное) – горючее и окислитель поступают в зону горения раздельно. Здесь нет скачка давления, взрыва. Основная хар-ка: нормальная ск-ть распространения пламени. Фронт пламени при диффузионном горении движется от нескольких десятков см/с до нескольких м/с. Фронт пламени имеет величину 10 -2 – 10 -4 см. Ск-ть движения фронта хар-ся нормальной ск-тью распространения пламени Uнорм .
Кинетическое горение
– горючее и окислитель поступают в зону горения предварительно смешанные. Время на смешение отсутствует, процесс идет в 10-100 разы быстрее со скачком (ростом) давления. Детонационное горение (детонация). Горючее и окислитель уже готовы. Здесь фронт пламени начинает ускоряться → начинает размываться. При ускорении фронта пламени возникает волна сжатия. Фронт пламени вовлекается во всеускоряющее движение, возникает сжатие, происходит выделение тепла. При детонации рост давления мгновенный. Меры борьбы . Длина трубы должна быть меньше преддетонационного участка.
Ставится антидетонационная насадка (кольца розжига, пакет сеток, огнеупор). Смысл в том, чтобы были узкие каналы. Фронт огня сбрасывает ск-ть., попадая в спец.насадку, отдается тепло, благодаря множеству малых каналов. Выходит несгоревшая смесь. Контактная электризация . Смысл явления: атомы обладают разной силой притяжения электронов, поэтому при контакте разных пов-тей электроны могут переходить с одной пов-ти на другую. Существует 3 пары контактирующих пов-тей: 1. проводник – проводник → не будет статического электричества. 2. проводник – диэлектрик → будет статического электричества. 3. диэлектрик – диэлектрик → будет сильная электризация.
Если будем разделять пов-ти, то заряды будут стекаться в след этой движущейся точки и там будут взаимно нейтролизоваться.
Если заряды не будут двигаться, то будет разность потенциалов, которая будет расти до критической и возникнет искра. φ – разность потенциалов, с – электроемкость. Энергия искры Wискры должна быть меньше min энергии воспламенения данной смеси. Меры защиты: 1. Заземление оборудования. 2. Замедление движения диэлектрика 3. Введение в состав диэлектрика антистатических добавок (полиат хрома). Они снижают удельное сопротивление на 5-6 порядков. 4. Можно в помещении повысить относительную влажность воздуха 75-80% (но не 100%). На пов-ти некоторых материалов осаждаются пары, образующие микропленку, по которой стекают заряды статического электричества. 5. Нейтрализация. Радиоактивные нейтрализаторы, источник которых излучает α, β и γ частицы. α-частицы обладают огромной ионизирующей способностью. Одна α-частица на см пробега образует несколько десятков тысяч пар ионов. α-частицы имеют малую проникающую способность, например лист бумаги задержит α-лучи. β –частицы – поток электронов, ≈ на порядок ниже ионизирующая способность, но больше проникающая способность. γ – частицы – в воздухе на 10-15 м. Индукционные нейтрализаторы используются для ионизации энергии электростатического поля, при этом заряды противоположного знака индуктивно наводятся на острия индуцирующего устройства. Высоковольтный нейтрализатор. Один электрод находится под высоким напряжением. Эффект за счет образования коронного разряда, идет ударное образование нейтрализации. «+» очень эффективно, но если есть высокое напряжение – это опасно. Коронный заряд может перейти в искру и если есть рядом горючее – произойдет взрыв.
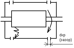
Сначала с помощью Источника высокого напряжения заряжаем конденсатор, затем резко разряжаем его, проскакивает искра в пылевом пространстве. Здесь экспериментально определяется, меняя энергию разряда, та min энергия, при которой происходит воспламенение данной горючей смеси. Кроме искр, рассмотренных выше, могут быть искры удара, возникающие при столкновении нескольких предметов. Чаще всего этой энергии достаточно для воспламенения горючих смесей. Надо использовать металлы, которые при падении не дают искру. Безопасный Экспериментальный Максимальный Зазор. Теоретическое и экспериментально определение БЭМЗа. Область применения.
Изображен испытательный сосуд, где может произойти взрыв. Прочный корпус разделен на 2 полости, в каждую полость подаются исследуемые горючие смеси. Полости сообщаются через регулируемый зазор. Искра дает взрыв и фронт пламени идет быстро к зазору, который заполнен горючей смесью. Если зазор достаточен, то фронт пламени проходит через него, пламя вырывается во II полость и поджигает его смесь. Изменяя диаметр зазора, находят тот зазор, при котором не происходит перебрасывания взрыва в соседнюю полость. С уменьшением dканала растет отношение пов-ти пламени соприкасающейся стенки и ее объем. В какой-то момент теплоотвод превысит теплопривод и распространение фронта пламени по смеси становится невозможным. БЭМЗ – max зазор между фланцем и оболочкой, через которую не проходит передача взрыва из оболочки в окружающую среду при любой концентрации горючей смеси. БЭМЗ определяется экспериментально для каждого горючего вещ-ва. Из уравнения Пекле Все взрывозащищенное электрооборудование подразделяется в зависимости от области применения: Группа 1 : рудничное взрывозащищенное электрооборудование, предназначенное для шахт, опасные по газу и пыли. Группа 2 : взрывозащищенное электрооборудование для внутренней и наружной установки, кроме рудничного, т.е наземное.
Электрооборудование для взрывоопасных зон. Виды и уровни защиты. Методика выбора электрооборудования. Взрывозащищенным называется электрооборудование, предназначенное для установки в пределах взрывоопасных зон. Оно должно обеспечивать безопасность эксплуатации в данной взрывоопасной среде. Маркировка: 1 Ех d II В Т3 ВЭ различается по уровням и видам взрывозащиты. Сущ. 3 уровня взрывозащиты: Обозначение 2. Электрооборудование повышенной надежности против взрыва. Взрывозащита обеспечивается только при нормальном режиме работы. Обозначение 1. Взрывобезопасное электрооборудование - взрывозащита обеспечивается как при нормальном режиме работы, так и при признанных вероятных повреждениях, определяемых условиями эксплуатации, кроме повреждения средств взрывозащиты. Обозначение 1. Взрывобезопасное электрооборудование - взрывозащита обеспечивается как при нормальном режиме работы, так и при признанных вероятных повреждениях, определяемых условиями эксплуатации, кроме повреждения средств взрывозащиты. Обозначение 0. Особовзрывобезопасное электрооборудование, в котором по отношению к взрывобезопасному приняты дополнительные средства взрывозащиты. Взрывозащита обеспечивается при любых условиях эксплуатации электрооборудования. Эти три уровня обеспечиваются 7-ю видами взрывозащиты: Ех – оборудование выполнено в соответствии с евростандартами. Обозначение d - взрывонепроницаемая оболочка. Поскольку электрооборудование негерметично, то в него может поступать горючая смесь из помещения. Т.к. во время работы внутри корпуса возможно искрение, то горючая смесь может взорваться внутри корпуса. Для этого предусмотрено: 1. Прочный корпус, который должен выдерживать давление не менее 1 Па. 2. Все зазоры в корпусе должны быть ≤ БЭМЗа, т.е. пламя из корпуса не вырвется наружу, т.к. проходя БЭМЗ – оно будет погашено. 3. Тем-ра нагрева пов-ти электродвигателя не должна быть выше тем-ры самовоспламенения применяемых вещ-в. «-»: Сравнительно большой вес корпуса. Коррозия, разъедание зазоров и их увеличение. Высокая цена. Применяют на небольшие и средние мощности до 100 кВт. Обозначение i - И скробезопасная эл.цепь – самый безопасный (надежный) способ защиты. Эл.цепь выполняется так, что при нормальном режиме и при неисправностях эл.заряд (замыкание) или нагрев элементов цепи не могут воспламенить окружающую горючую смесь. Здесь взрывобезопасность обеспечивается включением в эл.цепь искрогасящих ограничительных элементов, сопротивлений, строселей, шунтов, конденсаторов и т.д. Величина параметров ограничительных элементов рассчитывается таким образом, чтобы энергия искр замыкания и размыкания была в 4 раза меньше min энергии воспламенения или ток в цепи д.б. в 1.5 раза меньше воспламеняющего данную смесь. Не требует высококвалифицированного персонала, не боится коррозии, не перетяжелен. Обозначение p (П родуваем)– заполнение или продувка оболочки под избыточным давлением защитным газом. Корпус герметичен и постоянно находится под небольшим избыточным давлением ≈250 Па. Т.о. при нарушении герметичности негорючая смесь из помещения будет поступать в корпус, а наоборот, инертный газ из корпуса будет выходить в помещение. Если давление до 100 Па, то оборудование отключается (в наиболее опасных зонах ВI, BII) или включается предупредительный сигнал. Т.к. при простое оборудования во внутрь может попасть из помещения горючий газ, то включение в работу оборудования осуществляется так: Сначала включается подача продувного газа и корпус продувается 5-кратным объемом инертного газа, и только потом включается эл.оборудование. Вид р часто применяется для мощного эл.оборудования более 100 кВт, т.к. продувочный воздух выполняет дополнительную функцию – охлаждает нагретые пов-ти. Обозначение q – К варцевое заполнение оболочки. Эл.оборудование без движущихся частей (напр.трансформатор) размещено в корпусе, заполненном кварцевым песком. Зазоры между песчинками являются огнепрекратителями. Песчинки с d= 0.5÷1.2 мм. Обозначение s – С пециальный вид защиты, основанный на принципах, отличный от остальных, но достаточных для обеспечения взрывозащиты (эл.оборудование заполняется спец.композициями, лаками, смолами и др. диэлектриками) Обозначение e - Применяется изоляция высокого качества, прочные мат-лы для оболочки и некоторые другие ухищрения. В эл.облорудовании, не имеющим нормальноискрящих частей, принят ряд мер, дополнительно используемых в эл.оборудовании общего назначения, затрудняющих при нормальной работе появление опасных нагревов на внешней оболочке корпуса (эл.искр и дуг). Самый дорогой вид взрывозащиты. Обозначение o – Масленое заполнение оболочки с токоведущими частями. Предельная тем-ра масла в верхнем слое 80 - 100°С. Уровень масла над включателями не менее 25 мм, если искрящие элементы. Над неискрящими – не менее 10 мм. Корпус должен выдерживать давление не менее 0.2 МПа. Категорирование взрывоопасной смеси.
В зонах ВI и BII применяется оборудование уровня 0 и 1, видов d, I, p. Т1, Т2, Т3, Т4, Т5, Т6 – температурный класс. Иногда искрящая часть размещена вне взрывоопасного помещения. Предупреждение воспламенения горючей смеси от электрооборудования видов «взрывонепроницаемая оболочка» и «искробезопасная электрическая цепь». Маркировка взрывозащищенного электрооборудования. Взрывозащищенным называется электрооборудование, предназначенное для установки в пределах взрывоопасных зон. Оно должно обеспечивать безопасность эксплуатации в данной взрывоопасной среде.
1. Прочный корпус, который должен выдерживать давление не менее 1 Па. 2. Все зазоры в корпусе должны быть ≤ БЭМЗа, т.е. пламя из корпуса не вырвется наружу, т.к. проходя БЭМЗ – оно будет погашено. 3. Тем-ра нагрева пов-ти электродвигателя не должна быть выше тем-ры самовоспламенения применяемых вещ-в. «-»: Сравнительно большой вес корпуса. Коррозия, разъедание зазоров и их увеличение. Высокая цена. Применяют на небольшие и средние мощности до 100 кВт. «Искробезопасная эл.цепь» - обозначение i – самый безопасный (надежный) способ защиты.
Эл.цепь выполняется так, что при нормальном режиме и при неисправностях эл.заряд (замыкание) или нагрев элементов цепи не могут воспламенить окружающую горючую смесь. Здесь взрывобезопасность обеспечивается включением в эл.цепь искрогасящих ограничительных элементов, сопротивлений, строселей, шунтов, конденсаторов и т.д. Величина параметров ограничительных элементов рассчитывается таким образом, чтобы энергия искр замыкания и размыкания была в 4 раза меньше min энергии воспламенения или ток в цепи д.б. в 1.5 раза меньше воспламеняющего данную смесь. Не требует высококвалифицированного персонала, не боится коррозии, не перетяжелен. Маркировка: 1 Ех iIIC Т1 Категорирование помещений в соответствии с нормами пожарной безопасности НПБ 105-95.
Пожаро- и взрывобезопасность производственных зданий и помещений. Нормы пожарной безопасности (НПБ 105-95) являются основой для установления требований к помещениям и зданиям в отношении этажности, огнестойкости строительных конструкций, противопожарных преград, легкосбрасываемых конструкций, эвакуационных путей и выходов, средств пожаротушения. Для защиты помещений категорий А и Б от разрушения при взрыве горючих смесей площадь легкосбрасываемых конструкций (окна, ослабленные элементы конструкции здания, взрывные панели и др.) должны составлять не менее 0,05 мг на 1 м3 объема помещения. В этих помещениях конструкции покрытий междуэтажных перекрытий должны исключать возможность образования непроветриваемых пространств во избежание скоплений взрывоопасных горючих смесей. Строительные материалы и конструкции по степени возгораемости (т.е. по способности воспламеняться, гореть или тлеть под воздействием огня или высокой тем-ры ), подразделяются на 3 группы: Несгораемые – под действием огня или высокой тем-ры не воспламеняются, не тлеют и не обугливаются. Металлы, железобетоны. Трудносгораемые – воспламеняют, тлеют или обугливаются только при наличии источника огня. После его удаления горение или тление прекращаются (напр., древесина, пропитанная спец.составами). Сгораемые – воспламеняются или тлеют под действием огня или высокой тем-ры и продолжают гореть после удаления источника огня (все материалы). Способность строительных материалов конструкций выдерживать расчетные нагрузки при действии высокой тем-ры, называется огнестойкостью .
Для защиты здания от распространения пожара устраивают противопожарные преграды (противопожарные двери с пределом огнестойкости не менее 1,5ч). Далее устраиваются противопожарные стены (брандмауэр ). Стена рассекает все здание от пола до крыши. Если крыша из сгораемых материалов, выступ должен быть не менее 60см, если из несгораемых – не менее 30см. Никаких технологических отверстий в стене нет, предел стойкости около 1,5-2 ч. В стене нельзя делать отверстия, но иногда устраивают спец.устройства, которые захлопываются в условиях пожара, либо происходит орошение этого узла (отверстия). Противопожарные двери . Предел огнестойкости ≈ 1,5 ч. Двери из негорючих материалов, а также из горючих (дерева), но обитых двусторонне листовым асбестом, а сверху листовым железом. Оговаривается кол-во выходов из помещения и даже расстояние от самой дальней точки до двери. В пожароопасном помещении двери открываются наружу. Защита зданий от разрушения при взрыве внутри помещения. Прибегают к устройству ослабленных элементов, вышибные проемы, легкосбрасываемые покрытия. Вышибные проемы (окна) – они должны разрушиться и открыть отверстие до того, как давление достигнет опасной величины. Легкосбрасываемое покрытие - например, потолок жестко не закреплен. Вес потолка от 70 до 120 кг на м2 . При взрыве этот потолок сбрасывается. Площадь открываемого отверстия должна устанавливаться расчетом на стадии проектирования. Площадь д.б. не меньше 0,05 м2 на каждый м3 помещения для категории А, для категории Б 0,03 м2 . Принципы тушения горящих веществ. Огнетушащие вещ-ва, их достоинства и недостатки. Автоматические системы пожаротушения. Спринклерная система представляет собой трубопроводную сеть от потолков помещения. С определенным шагом в этой сети устанавливаются оросительные головки. Эта система ставится в отапливаемых помещениях, поэтому трубы всегда заполнены водой. Оросительные головки называются спринклерами. Одна головка орошает от 9 до 12 м2 . Принцип действия: В устройстве имеется легко разрушающийся запирающий элемент. Замок – органическая жид-ть. При высокой тем-ре он разрушается, шарик (запирающее устройство) вылетает, начинает идти вода. Если в помещении не гарантируется плюсовая тем-ра, тогда ставят дренчерные системы . Они снабжены дренчерами (головка без замка). При пожаре система вводится вручную или автоматически. «+» быстрота срабатывания, световое срабатывание. «-» орошается вся площадь. Иногда в холодных помещениях устанавливают спринклерную систему. Система трубопровода заполняется жид-тью, которая не замерзает (антифриз). Есть система, где подается пена или газы. Для того, чтобы обнаружить пожар, существуют датчики. Тепловые датчики реагируют на тем-ру, или на ее абсолютную величину или на ск-ть ее нарастания, или и то и другое сразу. Дымовые датчики реагируют на появление дыма. Применяют способ затемнения луча. Световые датчики – лампа, счетчик фатона. «+» быстрота срабатывания. «-» возможны ложные срабатывания. Обычно датчики комбинируют. Отбор тепла от зоны горения. С этой целью в зону горения подается вода, которая обладает высокой теплоемкостью. В зоне горения вода потребляет тем-ру на нагрев до 100°С. На испарение 1л воды надо 539Ккал. Образуется пар, который снижает содержание кислорода. «+» дешевизна, транспортабельность. «-» высокая тем-ра замерзания. В некоторых случаях в воду добавляют некоторые соли, которые снижают тем-ру замерзания. Так же добавляют специальные вещ-ва, уменьшающие вязкость воды. Вода проводит ток, поэтому тушить электроустановки тушить водой нельзя! Снижение концентрации окислителя в зоне горения. С этой целью используют инертные газы. В зону горения подают СО2 , азот, а в ап-ты подают водяной пар (это самый дешевый вариант). «+» ничего не портится. «-» не все вещ-ва можно тушить СО2 . Огнетушитель углекислотный: ОУ-2л, ОУ-5л, ОУ-80л. Огнетушитель пенный: ОХП-5. Снижение концентрации горючего в зоне горения. В этом случае на огонь подается пена. Пена создает барьер. Пена должна закрыть горючее и горючее вещ-во перестает гореть. Пена должна закрыть всю площадь горения.
Торможение и обрыв цепной реакции горения. Горение органических вещ-в идет по цепному механизму с образованием промежуточных радикалов, в конце получаются продукты сгорания. Если в зону горения ввести некоторые вещ-ва, они могут прекратить эту цепную реакцию и горение прекратится. Эти вещ-ва – галоген содержащие водороды (фрионы). При горении углеводорода одним из радикалов будет Н. Для гашения пожара применяются галоген содержащие углеводороды. В зоне горения происходит реакция между атомом галогена и атомом водорода.
«+» Фрионы – нетоксичны, не дорогие, не портят оборудование. Опасность сосудов, работающих под давлением. Испытания на прочность и герметичность. Под сосудом, работающим под давлением, понимается герметически закрытая емкость, предназначенная для ведения химических и тепловых процессов, а также для хранения и перевозки сжатых, сжиженных и растворенных газов и ж-тей под давлением. Опасность эксплуатации таких ап-тов заключается в том, что при потере механической прочности стенок обечайки (коррозия, локальный перегрев, трещины и т.п.) или повышении давления может произойти (взрыв) разрушение сосуда, в результате которого потенциальная энергия сжатой среды переходит в кинетическую энергию разлетающихся осколков. Работа взрыва 4 опасные фактора при разрушении сосудов: Разлет осколков; Взрывная волна; Если среда не инертная, то выделение токсичных вещ-в; Выделение горючих вещ-в. Основные причины взрывов: 1. Некачественное проектирование изготовления 2. Дефект в конструкционных материалах 3. Плохая защита от коррозии 4. Старение материалов в процессе эксплуатации 5. Нарушение технологического режима 6. Недостаточная квалификация обслуживающего персонала. Ввиду большой потенциальной опасности сосудов, работающих под давлением, их проектирование, изготовление, эксплуатация, реконструкция регламентируются «Правилами устройства и безопасной эксплуатации сосудов, работающих под давлением». Эти правила обязательны для всех предприятий, независимо от форм собственности. Правила распространяются на сосуды : V>25 л и Р>0.07 МПа V<25 и Р·V>0.02 МПа Баллоны, цистерны для перевозки сжиженных газов с Р>0.07 МПа Цистерны и сосуды, находящиеся при атмосферном давлении, но при опорожнении которых, в них создается избыточное давление. (Р>0.07 МПа) Правила не распространяются: на сосуды военного назначения, метательные ап-ты, речные и морские суда, также на сосуды, работающие под вакуумом, трубчатые печи. Сосуда, работающие со взрыво- и пожароопасными средами Р ≤ 0,05 МПа, с обычными средами при Р<0,1 МПа. Проектирование выполняется организациями, имеющими лицензию Ростехнадзора. Все сосуды должны подчиняться действию этих правил. Отступление по спец.разрешению с занесением в паспорт записи об отступлении от правил. При изготовлении сосудов существует ряд требований: 1. Стараются применять стыковые швы. 2. Сварные работы должны вестись в помещении при постоянной плюсовой тем-ре. 3. При необходимости сваривать на улице, надо работать под навесом. 4. Каждый сварщик ставит свое клеймо. 5. Сварщик, приходящий на новое место работы, должен пройти испытания. Необходимо проводить проверку: Неразрушающие методы контроля: - внешний осмотр шва; - выявление трещин, непроваров, прожогов; - выявление внутренних дефектов: ультразвук, рентген; - механические испытания контрольных образцов; - проверка на твердость, изгиб и т.д. (контрольных образцов). Если все эти испытания пройдены, проводят испытания на прочность и герметичность. Техническое освидетельствование сосуда осуществляется с целью оценки безопасности его эксплуатации и включает в себя наружный, внутренний осмотр и гидравлическое (пневматическое) испытание пробным давлением. ТО производится после монтажа до пуска в работу, периодически в процессе эксплуатации, по требованию инспектора Котлонадзора и после ремонта. В результате наружного и внутреннего осмотра определяется действие среды на состояние стенок сосуда. Испытания пробным давлением производится с целью оценки прочности и плотности сосуда и его разъемных и неразъемных соединений. Периодичность: Наружный и внутренний осмотр: раз в 2 года – предприятием, 1 раз в 4 года – инспектором Котлонадзора. Испытания пробным давлением: 1 раз в 8 лет комиссией предприятия и инспектором Котлонадзора. Испытания пробным давлением: Для всех сосудов, за исключением литых производятся под пробным давлением: Рр – расчетное рабочее давление
Литые сосуды: Криогенные сосуды с вакуумной изоляцией: Сосуд считается выдержавшим гидравлическое испытание, если не обнаружено: - течи, слезинок, потения в сварных (неразъемных) соединениях и на основном металле; - течи в разъемных соединениях; - видимых остаточных деформаций. Испытание на герметичность проводится после каждого вскрытия сосудов, работающих под давлением вредных вещ-в. Испытания на герметичность проводятся газом под давлением, равным рабочему. Гидравлические испытания могут быть заменены на пневмоиспытания. Испытания проводят воздухом или инертным газом. Т.к. пневмоиспытания опаснее гидроиспытаний, то принимаются дополнительные меры безопасности, проводится дополнительный расчет ап-та на прочность + тщательный наружный осмотр. Вся показывающая и регулирующая арматура выводится в отдельное помещение, в котором должен находится персонал, проводящий испытания. При пневмоиспытании, иногда, если ап-т выдержал испытание, то давление в ап-те снижают до рабочего и проверяют ап-т на герметичность (например, обматывают швы ап-та, в случае щелей, надуваются пузыри). Время испытания: 24 ч для новых ап-тов и 4 ч – для уже работающих ап-тов (при повторном испытании). Степень герметичности хар-ся коэф. m, который показывает, сколько выходит газов из ап-та в ед.времени. Падение давления Допустимым считается падение давления для новых ап-тов: не более 1.5 Особняком стоят вакуумные ап-ты. Они испытываются избыточным давлением при разряжении: на прочность – о.2 МПа, на герметичность – 0.1 МПа. Сосуды под давлением д.б. оборудованы запорной и регулирующей арматурой, приборами для измерения тем-ры и давления, указателями уровня и предохранительными устройствами. Анализ опасности эксплуатации сосудов, работающих под давлением. Предохранительная арматура. В соответствии с Правилами сосуды, работающие под давлением, снабжаются следующей арматурой: 1. Заборными приспособлениями для отключения сосуда от трубопроводов, подводящих газ, пар, жид-ть; 2. Приспособлениями для удаления находящихся в сосуде газов или жид-ти; 3. Манометром и приспособлением для установки контрольного манометра и защиты рабочего манометра от непосредственного воздействия среды; 4. Предохранительным клапаном. В тех случаях, когда на подводящих магистралях установлен предохранительный клапан, отрегулированный на давление, не превышающее рабочее давление в ап-те, установка предохранительных клапанов необязательна. Если в этих ап-тах проводятся процессы с выделением тепла, то установка предохранительных клапанов обязательна. Предохранительные клапаны: Редуцирующий клапан предотвращает повышение давления в ап-те, устанавливается между нагревателем и ап-том. Обратный клапан всегда открыт в одном направлении. Если падает давление нагревателя, клапан мгновенно закрывается и предотвращает обратный удар из ап-та на компрессор. Предохранительный клапан предназначен для предотвращения опасного повышения давления от трубопровода или ап-та. Огромным его «+» является то, что он сбрасывает только избыточное давление, сохраняя ап-т в рабочем состоянии. Как только избыточное давление ликвидировано, клапан закрывается. «-» - инерционность, поэтому они устанавливаются в ап-тах и коммуникациях, в которых возможно медленное повышение давления выше допустимого. Кол-во и размеры предохранительных клапанов рассчитываются из условия, чтобы в сосуде не могло повыситься давление выше следующих значений:
В тех случаях, когда эксплуатация сосудов и ап-тов, работающих под давлением, связана с возможностью взрыва, в особенности химического, на них обычно устанавливают разрывные мембраны . Конструкция и размеры мембраны должны быть такими, чтобы после разрыва исключить возможность дальнейшего повышения давления в сосуде. Мембрана представляет собой заранее обреченный элемент. Она должна быстро разрушиться и открыть отверстие для сброса газа. Мембраны бывают: плоские, сплошные, с прорезями, бывают из чугуна, цветных металлов, стали, графита, стекла и т.д.
Мембраны делятся на разрывные, ломающиеся, хлопающиеся (обращенные выпуклой стороной в ап-те. При росте давления они с хлопком выворачиваются и уносятся), срезные, отрывные и специальные. Разрывные мембраны должны отвечать следующим требованиям: - обладать достаточной прочностью и разрушаться только при заданном расчетном давлении; - коррозионной стойкостью к данной среде; - время разрушения мембраны должно быть минимальным; - конструктивное оформление мембранного узла должно обеспечивать удобства обслуживания и замены мембраны; - при разрушении мембраны пары жид-ти или газа не должны быть источником воспламенения от искр удара; - давление срабатывания мембраны Р = 1,25Рраб ; - иметь достаточную площадь проходного сечения, чтобы при ее разрушении давление в ап-те не повышалось: где μ – коэф. формы отверстия; ΔV – объем, отводимый газом; w – cr-nm истечения газа через открывающееся отверстие; τ – время развития взрыва. Расчет толщины разрывной мембраны: «+» дешевизна, простота устройства, быстродействие. «-» в ап-те сбрасывается все давление. Для экономичности на ап-т часто ставят и мембрану и клапан. Устройство и безопасность эксплуатации баллонов со сжатыми инертными и горючими газами. Баллоны – ап-ты, предназначенные для хранения и транспортировки сравнительно небольших объемов газов (от 1 до 100 л). Наиболее распространен баллон в 40л. Почти всегда они цельнотянутые, SСТЕНКИ = 5÷9 мм (в зависимости от среды). Баллоны рассчитаны на 15 МПа. Баллоны имеют строго определенную окраску и надпись, указывающие на среду. Баллоны испытываются при Баллоны периодически подвергаются контролю и при необходимости отбраковываются (трещины, сколы, опасная потеря веса). Особняком стоят ацетиленовые баллоны. Ацетилен С2 Н2 – вещ-во чрезвычайно нестойкое. Он склонен к взрывному саморазложению при ударах и сотрясениях. Ацетилен ввиду его большой опасности в чистом виде в баллоне не хранится. Баллон сначала заполняется пористой массой от начала до конца. Эта масса пропитывается ацетиленом до состояния слабо отжатой губки. При наполнении, которое длится около 6 ч, ацетилен растворяется в ацетоне. Т.о. баллон делается безопаснее. Когда надо отобрать ацетилен, вентиль открывается, и ацетилен начинает выкипать. Давление испытания такого баллона на прочность и герметичность 3.5 МПа. Во всех баллонах, установках ацетилен не должен соприкасаться с медью!!! При контакте с ацетиленом медь образует чрезвычайно опасные (взрыво) ацетинелиды меди. Аналогично с серебром. Эти соединения взрываются от малейшего сотрясения. Поэтому нельзя применять даже сплавы, содержащие > 70% меди. Кислородные баллоны – у них специфическая опасность – кислород реагирует о взрывом с жирами и маслами. Водородные баллоны – Н2 проникает в микротрещины. НКПР – 4;, поэтому не допускаются загрязнение Н2 более чем 1% О2 . Обеспечение безопасности компрессорных установок. КУ – потенциально опасный объект, в нем повышенное давление, тем-ра, утечка газов, разложение смазочных масел и т.д. Компрессоры используются для сжатия и перемещения различных газов. Конструкции КУ определяются кол-вом и св-вами газов (токсичные, пожароопасные, коррозионно-активные). КУ бывают поршневые, винтовые, мембранные и т.д. При сжатии газов происходит их нагрев Поршневые КУ. Сжатие происходит при помощи поршня, при сходе поршня с цилиндра. Процесс планируется так, чтобы сжатие было за 1 ход в 3 раза, не более. Нагревшийся газ после каждой ступени охлаждения в водяном или воздушном холодильнике. Потом отправляется на следующую ступень и так до необходимого сжатия. На каждой ступени используется термометр, манометр и предохранительный клапан, после последней ступени еще и обратный клапан. Поршневой К применяют для сжатия относительно небольших кол-в газов, но до высоких давлений. Турбокомпрессоры применяются для сжатия больших кол-в газов до относительно небольших давлений. Здесь турбина с лопатками. Отсутствуют толчки, контакт смазочного масла и сжимаемого газа, нет сотрясения фундамента. Опасности в обслуживании. Электробезопасность. Действие тока на человека. Факторы, определяющие опасность. Условия безопасности. Особенность электрического тока является то, что появление тока на оборудовании совершенно незаметно глазу, поэтому контакт возможен как в быту, так и на производстве. Статистика по электротравматизму не точна, т.к. далеко не все случаи попадания человека под напряжение не фиксируется. Что касается тяжелых случаев, которые фиксируются, то статистика показывает около 10% случаев со смертельным исходом. Проходя через организм человека, электрический ток производит термическое, электролитическое и биологическое воздействия. Термическое действие тока проявляется в ожогах отдельных участков тела, нагреве кровеносных сосудов, нервов, крови и т. п. Электролитическое действие тока проявляется в разложении крови и других органических жидкостей, вызывая значительные нарушения их физико-химических составов. Биологическое действие тока проявляется раздражением и возбуждением живых тканей организма, что сопровождается непроизвольными судорожными сокращениями мышц, в результате может произойти полное прекращение деятельности органов кровообращения и дыхания. Различают два основных вида поражения человека электрическим током - электрические травмы и электрические удары. Электрические травмы представляют собой четко выраженные местные повреждения тканей организма. Электрический удар - это возбуждение живых тканей электрическим током, проходящим через организм, сопровождающееся судорожным сокращением мышц. Электрический удар приводит к нарушению и полному прекращению деятельности легких и сердца, т.е. гибели организма. Тело человека является проводником электрического тока. Сопротивление тела человека при сухой и неповрежденной коже колеблется от 3 до 100 кОм. В качестве расчетной величины при переменном токе частотой 50 Гц сопротивление тела человека принимают равным 1000 Ом. В действительности сопротивление тела величина нелинейная и зависит от значения тока, проходящего через человека, длительности его воздействия, пути прохождения в теле человека, рода и частоты тока, величины напряжения, индивидуальных особенностей пострадавшего, состояния окружающей среды. Основным фактором, обуславливающим исход поражения человека током, является значение тока, проходящего через тело человека. Условие безопасности человека при действии электрического тока определяется зависимостью: где - Jч сила тока, протекающего через тело человека, А; Uпр - напряжение прикосновения (напряжение между двумя точками цепи тока, которых одновременно касается человек), В; Rч - сопротивление тела человека, Ом; Jдоп - допустимый ток через тело человека, А. Порог ощущения 0,5 – 1,5 мА. Порог неотпускающего тока – 10-15 мА. Этот ток еще не смертельный, но человек уже не может самостоятельно отсоединиться от токоведущей части. Смертельный ток – 100 и более мА. На исход поражения имеет влияние схема подключения человека к сети или путь тока. Самое опасное: РУКА – РУКА, РУКА – НОГИ, ГОЛОВА – НОГИ. Наименее опасный путь: НОГА – НОГА. Исход поражения эл.током зависит от факторов: 1. Площадь, время и плотность контакта. 2. Приложенное напряжение. 3. Состояние кожи. 4. Величина тока. Основным барьером в теле человека является кожа. Сопротивление кожи человека Rч = 2000 Ом, загрубелая кожа - Rч = 5000 Ом, поврежденная кожа Rч = 500÷700 Ом. Сухая кожа противостоит лучше, чем влажная. По опасности поражения электрическим током все помещения подразделяются на 3 категории: Помещения без повышенной опасности : сухие, отапливаемые помещения, беспыльные, с относительной влажностью воздуха менее 75%, с нормальной тем-рой воздуха, с изолирующими полами, в которых отсутствуют или очень мало заземленных предметов. Это обычно жилые помещения (за исключением ванных комнат), конторы, некоторые лаборатории и производственные помещения. Особых мер безопасности не требуется. Помещения с повышенной опасностью : сырые неотапливаемые помещения с относительной влажностью от 75 до 100% (но не включительно), жаркие (температура воздуха превышает +30 °С), пыльные с токопроводящей пылью, с токопроводящими полами (металлическими, железобетонными, земляными, кирпичными и т.п.), с возможностью одновременного прикосновения человека к имеющим соединение с землей металлоконструкциям зданий, технологическим аппаратам, с одной стороны, и к металлическим корпусам электрооборудования - с другой. Здесь силовое электрическое оборудование 220-380 В, переносное – не более 42В. Особо опасные помещения : особо сырые (относительная влажность 100%), наличие в атмосфере помещения паров кислот и щелочей, которые могут разъесть изоляцию, с химически активной средой, а также характеризующиеся наличием двух или более условий повышенной опасности. Территория размещения наружных электроустановок приравнивается к особо опасным помещениям. Силовое оборудование 220-380 В, переносное до 42 В, переносные осветительные приборы – 12 В. Источниками пониженного напряжения 42, 36 и 12 В являются, как правило, специальные понижающие трансформаторы. Чтобы правильно выбрать электрооборудование, надо знать в каких условиях оно будет работать для того, чтобы предотвратить пожары. По Правилам Установки Электрооборудования (ПУЭ) установлены взрыво- и пожароопасные зоны. Взрывоопасная зона - помещение иди ограниченное пространство в помещении или наружной установке, в котором имеются или могут образоваться взрывоопасные смеси. Взрывоопасная смесь - это смесь воздуха с горючими газами, парами легковоспламеняющихся жидкостей и горючими пылями или волокнами с НКПРП не более 65г/м3 . При определении взрывоопасных зон принимают следующее: 1. Взрывоопасная зона занимает весь объём помещения, если объём взрывоопасной смеси превышает 5 % свободного его объема; 2. Если объем взрывоопасной смеси равен или меньше 5 % свободного объема помещения, то взрывоопасной считают зону в пределах до 5 м по горизонтали и вертикали от технологического оборудования, из которого возможно выделение горючих газов или паров ЛВЖ. Помещение за пределами взрывоопасной зоны считают невзрывоопасным. Для горючих газов и паров ЛВЖ существуют четыре класса взрывоопасных зон: В-1, В-la, В-1б, В-1г. Для взрывоопасных пылей предусмотрены два класса: B-II, В- II а. Зоны класса В-1 - зоны, расположенные в помещениях, в которых возможно образование взрывоопасных смесей при нормальной работе смесей. Зоны класса В-1а - зоны, расположенные в помещениях, в которых взрывоопасные смеси газовых паров образуются при аварии и неисправностях. Зоны класса В-1 б – зоны, расположенные в помещениях, в которых взрывоопасные смеси газовых паров образуются при аварии и неисправностях. Но здесь имеются особенности: - применяются горючие газы с резким запахом и высоким (более 15%) НКПРП; - в помещениях применяются горючие вещ-ва в небольших кол-вах, недостаточных, чтобы образовалась взрывоопасная зона в объеме превышающая 5% свободного помещения; - работа в помещении ведется без открытого пламени; - работа ведется под вытяжным шкафом (зонтом). Зоны класса В-1г - пространства у наружных технологических установок, содержащих горючие газы или ЛВЖ (за исключением аммиачных установок. Зоны класса B-II -зоны, расположенные в помещениях, в которых выделяются переходящие во взвешенное состояние горючие пыли или волокна в таком количестве и с такими свойствами, что они способны образовать с воздухом взрывоопасные смеси при нормальном режиме работы (например, при загрузке и разгрузке технологических аппаратов). Зоны класса В-II а – зоны, расположенные в помещениях, в которых образование опасных пылевоздушных смесей возможно только при аварии или неисправностях оборудования. Пожароопасные зоны класса П-I К ним относятся помещения, в которых применяют или хранят горючие жидкости с температурой вспышки паров выше 61 °С (например, склады минеральных масел, установки по peгенерации минеральных масел и т.п.). Пожароопасные зоны класса П-II К ним относятся помещения, в которых выделяются горючие пыль или волокна, переходящие во взвешенное состояние. Возникающая при этом опасность ограничена пожаром (но не взрывом). Зона устанавливается либо учитывая физические свойства пыли или волокон (степень измельчения, влажность и так далее, при которых нижний концентрационный предел распространения пламени составляет более 65 г/м ), либо учитывая, что содержание их в воздухе по условиям эксплуатации не достигает взрывоопасных концентраций (например, деревообделочные цехи, малозапыленные помещения мельниц и элеваторов). Пожароопасные зоны класса П-IIа. К ним относятся производственные и складские помещения, содержащие твёрдые или волокнистые горючие вещества (дерево, ткани и т.п.), причём признаки, указанные для помещений класса П-II отсутствуют. Пожароопасные зоны класса П-III. К ним относятся зоны, расположенные вне помещений, в которых применяются или хранятся горючие жидкости с температурой вспышки паров выше 61 °С (например, склады открытые или под навесом минеральных масел), а также твердые горючие вещества (например, склады открытые или под навесом угля, торфа, дерева и т.п.) Защита в электроустановках. Для защиты человека от поражения эл.током при прикосновении к нетоковедущим частям эл.установок, которые могут оказаться под напряжением, применяются защитное заземление, защитное зануление и защитное отключение. Для защиты человека при прикосновении к токоведущим частям применяются: изоляцию токоведущих частей, выравнивание потенциалов и индивидуальные средства защиты (применяются тогда, когда инженерными методами нельзя обеспечить защиту человека от поражения током). Заземление, зануление, защитное отключение. Нейтраль обмотки источника тока, не присоединенная к заземлителю, называется изолированной нейтралью. Нейтраль обмотки источника тока, заземленная путем непосредственного присоединения к заземлителю через малое сопротивление, называется глухозаземленной нейтралью . Самая распространенная защита человека от поражения эл.током – защитное заземление. Защитное заземление - это преднамеренное электрическое соединение с землей или ее эквивалентом металлических нетоковедущих частей электрооборудования, которые могут оказаться под напряжением вследствие замыкания на корпус и по другим причинам.
Принцип действия защитного заземления состоит в том, чтобы снизить напряжение на металлических частях оборудования при пробои фазы до безопасной величины. Защитное заземление применяется в трехфазных сетях до 1000 В с изолированной нейтралью и выше 1000 В с любым режимом нейтрали. U<1000 В Rз =4 Ом U>1000 В Rз =0,5 Ом Сопротивление человека Rч =1000 Ом
На фазе 220 В упал провод → на корпусе тоже 220 В, если нет заземления. Если установка заземлена, то заряды будут стекать в землю, поэтому напряжение на корпусе уменьшится до 42 В или даже 12 В. Чем меньше Rз , тем меньше ток на человека. Чем больше Rч и чем выше Rиз , тем меньше пройдет ток через человека. Защитное зануление - преднамеренное электрическое соединение металлических нетоковедущих частей, которые случайно могут оказаться под напряжением, с многократно заземленным нулевым проводом. Используется в сетях с U до 1000В.
Благодаря такому соединению всякое замыкание на корпус превращается в однофазное короткое замыкание и аварийный участок отключается предохранителем. Ток пойдет туда, где меньше сопротивление! Время – несколько сотых секунд. Здесь возникает ток короткого замыкания. Через несколько сотых секунды происходит отключение сети. При нормальном режиме в нулевом проводе нулевое напряжение, а при аварии по нему идет опасный ток короткого замыкания. Нулевой провод повторно зануляется через некоторое расстояние (10-15 м). Принцип действия зануления - превращение замыкания на корпус в однофазное короткое замыкание (т.е. замыкание между фазным и нулевым проводами) с целью вызвать большой ток, способный обеспечить срабатывание защиты и тем самым автоматически отключить поврежденное электрооборудование от питающей сети. Такой защитой являются: плавкие предохранители или максимальные автоматы, устанавливаемые перед потребителями энергии для защиты их от токов короткого замыкания, магнитные пускатели с встроенной тепловой защитой. Повторное заземление нулевого защитного провода необходимо для уменьшения опасности поражения людей током, возникающей при обрыве нулевого защитного провода и замыкании фазы на корпус за местом обрыва. Для обеспечения минимального времени срабатывания защиты необходимо так подобрать сечение зануляющего провода, чтобы ток короткого замыкания превышал по меньшей мере в 3 раза номинальный ток ближайшего плавкого предохранителя (вставки). Нулевым защитным проводником называется проводник, соединяющий зануляемые части с глухозаземленной нейтральной точкой обмотки источника тока. Защитное отключение . Здесь установлен датчик, который реагирует на появление тока в цепи. При появлении тока на корпусе, следует сигнал на датчик, затем на прибор, далее прибор дает команду на размыкание. Время срабатывания – 3-4 сотых секунды.
Шаговое напряжение. Оборвался провод и упал на землю. На определенном радиусе на земле напряжение. Чем больше шаг, тем больше напряжение. Ток «нога – нога» Umax = 120 В – сводит икроножные мышцы, человек падает. Возможен смертельный исход. Чтобы выйти – надо прыгать маленькими шажками. На деле вбивают заземлители, территория огораживается заборчиком. Метод выравнивания потенциалов. Применяется внутри промышленных зданий, содержащих большое кол-во металлических конструкций, связанных между собой с корпусами эл.оборудования. При замыкании на корпус какого-либо эл.оборудования все части получают одинаковое напряжение по отношению к земле. В результате разность потенциалов между корпусом и полом уменьшается, происходит выравнивание потенциалов.
Человек касается одной фазы.
Человек прикоснулся к одному фазному проводу.
Если человек стоит на изолированном коврике, ему это поможет.
Тут коврики не помогут. Это смертельный ток (Jчел >0,1 А)
R0
мало, поэтому им можно пренебречь. Тогда Для защиты человека от поражения эл.током при прикосновении к нетоковедущим частям эл.установок, которые могут оказаться под напряжением, применяются защитное заземление, защитное зануление и защитное отключение. Для защиты человека при прикосновении к токоведущим частям применяются: изоляцию токоведущих частей, выравнивание потенциалов и индивидуальные средства защиты (применяются тогда, когда инженерными методами нельзя обеспечить защиту человека от поражения током). Действие вредных вещ-в на человека. Основное условие безопасности при работе с вредными вещ-вами. Организация и расчет вентиляции при переработке вредных вещ-в. По действию на человеческий организм вредные вещества делятся на неядовитые и токсичные (ядовитые). Неядовитые – оказывают поверхностное, раздражающее действие на слизистые оболочки, кожу, практически не проникая внутрь организма. Токсичны е – растворяются в жидких биологических средах, вступают в физико-химическое взаимодействие с тканями организма, нарушая их физиологические функции и в конечном итоге вызывают отравление (интоксикацию). Содержание вредных веществ в воздухе и жидких средах характеризуется концентрацией – количеством вещества в единице объёма, измеряемым в мг/м3 и мг/л. Они могут находиться в различном агрегатном состоянии: твёрдые вещества, жидкость, газы, пары (1 - 0,1 мкм), аэрозоли (0,1 – 0,01 мкм). Физиологическая активность ядов характеризуется токсичностью – способностью в относительно малых количествах вызывать нарушения нормальной жизнедеятельности и приводить к проходящим или стойким патологическим изменениям организма. Большинство из применяемых в промышленности вещ-в могут оказывать вредное дествие на человека. По хар-ру воздействия на организм человека химические яды подразделяются на пять условных групп: - Токсичные вещ-ва, вызывающие отравление всего организма или некоторых его систем (нервная система, действие на кровь, разрушение ферментов); - Раздражающие вещ-ва. Вызывают раздражение слизистых оболочек дыхательных путей, глаз, легких (например, пары кислот); - Сенсибилизирующие вещ-ва, приводящие к аллергическим заболеваниям; - Канцерогенные вещ-ва, вызывают образование опухолей. Например, ароматические амины, асбест, сажа. - Мутагенные вещ-ва, вызывают изменение в наследственной информации в генетическом коде человека. Вредные вещ-ва могут проникать в организм человека тремя путями: органы дыхания, кожные покровы, желудочно-кишечный тракт. Есть вещ-ва, которые действуют сами по себе, так называемые аддитивные (суммированные) вещ-ва. Синергизм – действие одного вещ-ва усиливает действие другого вещ-ва. Антагонисты – одно вещ-во снижает действие другого вещ-ва. Прижигающие вещ-ва – SO3 , NaOH, SO2 , NH3 . Вещ-ва, которые накапливаются в отдельных органах. Например, стронций накапливается в костях. Есть вещ-ва, которые не сразу отравляют организм, а аккумулируются, чаще всего в жировой ткани, и только по прошествии времени проявляют себя. При постоянном многолетнем воздействии в концентрациях, превышающих ПДК, в организме постепенно накапливаются микроколичества токсичных веществ, приводящие к хроническому отравлению , нарушающему здоровье, психику и, в конечном счёте, профессиональному заболеванию. Здесь необходима герметичность оборудования и вентиляция. Острое отравление – поступление в организм человека больших кол-в вредных вещ-в в течении короткого промежутка времени (1 рабочая смена). Острое отравление может привести к летальному исходу. Борьба с хроническими отравлениями значительно сложнее, чем с острыми. Токсичность пыли зависит от самого вещ-ва, его растворимости, от формы частичек. Особо опасны частицы дезинтеграции (рваные частицы), они плохо удаляются. Действие м.б. отравляющее или механическое. Если высокая тем-ра в помещении, то у человека расширяются сосуды, усиливается кровообращение и быстрее разносятся по организму вредные вещ-ва. Если при высокой тем-ре в помещении есть еще и кислые вещ-ва, то эти вещ-ва через пот попадают в организм. Вещ-ва растворяются в поте, начинается раздражение. Чем выше тем-ра человека, тем быстрее действуют вредные вещ-ва. Худые лучше противостоят ядам, чем полные. Если человек пьян, то действие вредных вещ-в усиливается. Защитное приспособление (механизм) у подростков слабо сформированы, поэтому на них вредные вещ-ва действуют сильнее, чем на взрослых. Яды выводятся из организма с потом и продуктами жизнедеятельности. Чем больше металла или галогена, тем токсичнее вещ-во. ПДК – это максимальная концентрация вредного вещества, которая не вызывает патологических изменений у работающего в течение всей жизни, генетических последствий у потомства, определяемых с помощью самых чувствительных современных методов. Вредные вещества делятся на 4 класса опасности:
ПДК установлено и для жилой зоны, но там оно ужесточается ≈ в 100 раз. Если в воздухе разные вредные вещ-ва, с концентрацией < ПДК, то учитывают их специфику. Есть вещества независимого действия (неопасные), однонаправленного действия (опасные), вещ-ва антагонисты. В зависимости от способа перемещения воздуха, вентиляция бывает естественная и искусственная (механическая). Естественная вентиляция – самая дешевая. Можно перемещать большие объемы воздуха, но обслуживающий персонал может простуживаться, в помещении возможны туманообразования, возможно образование непроветриваемых (мертвых) зон. Подаваемый воздух не подвергается очистке. Поэтому чаще применяют механическую вентиляцию . Она требует затрат. Она подразделяется на местную и общеобменную. Общеобменная МВ - удаляется большой объем слабозагрязненного воздуха из всего помещения. Местная МВ – удаляются меньшие объемы, но сильнозагрязненные, из мест выделения. Вентиляция бывает приточная, вытяжная и приточно-вытяжная. Вентиляция м.б. устроена так: Приток = Вытяжке - Сбалансированная вентиляция.
Лучше, когда вытяжка немного > притока. Тогда образуется небольшое разряжение. Открывая дверь, воздух с улицы идет в помещение. Общая обменная вентиляция
. Если в помещении выделяются газы и пары
, но не дисперсные частицы, то производительность такой установки равна: где G – суммарное кол-во вредных вещ-в, поступающих в помещение из всего оборудования, СПДК – концентрация вредного вещ-ва, по которой считается вентиляция; С0
– концентрация вредного вещ-ва во вновь подаваемом свежем воздухе. Если в помещении есть избытки влаги и тепла : - для удаления избытка тепла: где Q – суммарное избыточное тепло, удаляемое из помещения; tухода – тем-ра нагретого уходящего воздуха; tприхода – тем-ра приточного воздуха. - для удаления избытка влаги: где G – масса водяного пара, выделяющегося в помещении в час; в – влагосодержание.
Вытяжные шкафы и зонты . Есть сечение, через которое удаляется (затягиваются) вредные вещ-ва:
где V – скорость воздуха в сечении, F – площадь сечения. Для создания более сильного потока при присутствии дисперсных частиц
:
Обеспечение оптимальных метеорологических условий в рабочей зоне производственных помещений. Метеоусловия производственной зоны оказывают заметное влияние на самочувствие человека и производительность труда. Микроклимат помещения определяется тем-рой, влажностью, давлением, ск-тью воздуха и барометрическим давлением. Существенное влияние имеет интенсивность излучения нагретых пов-тей. Д.б. баланс между теплоприходом и теплоотводом организма человека. Наилучшая тем-ра 16÷20°С (до 25°С). При высоких тем-рах идет усиленное потоотделение и возникает 2 опасности: обессоливание и обезвоживание организма. В горячих цехах для борьбы с этим дают подсоленную газированную воду. Потери соли 30÷40 гр/сутки. Влажность воздуха имеет комфортную зону – относительную влажность 30÷60%. Если влажность падает меньше 20%, то начинается интенсивное обезвоживание организма, начинает пересыхать слизистая (сильные болевые ощущения при дыхании). Если влажность превышает 75%, более 40% тепла человека выходит с потом. При 100% влажности пот не испаряется, возникает проливное течение пота, человек перегревается, это очень опасно. Ск-ть воздуха . Человек ощущает ск-ть воздуха с 0,2 м/с, 0,3÷0,5 м/с – комфортная зона. По СНИПу: зимой в помещении 0,2÷0,3 м/с, летом – 0,3÷0,5 м/с (до 1 м/с). В горячих цехах ск-ть воздуха увеличивается до 3,5 м/с (воздушный душ). Давление. Чаще всего человек находится в пределах 720-770 мм.рт.ст. В отдельных районах земли у пов-ти возможно 680-810 мм.рт.ст. Человек нормально функционирует. С повышением высоты падает давление воздуха. До 2-3 км давление незаметно, больше 3 км начинается кислородное голодание. На высоте надо одевать кислородные приборы. На высоте очень быстро протекают некоторые болезни. Ангина за сутки может привести к смерти (высота 6-7 км). При проходе под водой человек испытывает повышенное давление (до 10 атмосфер). Это не отражается на самочувствии человека, НО при повышенной давлении повышается растворимость газов в крови. Если человек резко переместиться из зоны с повышенным давлением в зону низкого давления, то газы начнут быстро выделяться, кровь закипит. При этом закупориваются мелкие кровеносные сосуды, что сопровождается сильными болями, человек может быстро умереть (газовая эмболия). Во избежание этого давление сбрасывается медленно и в течении длительного времени. Правовые вопросы БЖД: Конституция РФ, Трудовой кодекс, Масса отраслевых правил (СНИП, Санитарные правила и нормы и пр.) Управление происходит через Минитруда и входящие в него инспекции. Инспекторы Минтруда наделены большими правами. Они могут в любое время посещать подведомственные предприятия, знакомиться с работой производства, требовать документацию. Могут налагать взыскания и останавливать производство, также могут давать предписания, обязательные для исполнения. Федеральная инспекция труда, ей подведомственны субъекты Федерации: Саннадзор, Госпожнадзор (МЧС), Ростехнадзор, Росатомнадзор. Существует Главная госинспекция. У инпекторов есть пропуска. Также существует общественный контроль – профсоюзы. Они тоже имеют право контроля. Они дают предписания, обязательные к рассмотрению. И работники, и администрация не должны нарушать нормативные акты, правила, коллективные договоры, нормы. Существует 4 вида ответственности: административная, дисциплинарная, материальная и уголовная. Административная ответственность – предупреждение, штраф, дисквалификация, лишение лицензии на право заниматься определенным видом деятельности. Она накладывается на работников административного ап-та за нарушение законодательства о труде и различных норм и правил. Штраф до 100 м.р.о.т. накладывает гл.гос.инспектор, 50 м.р.о.т. – инспектор. Дисциплинарная ответственность возникает при систематическом или грубом однократном нарушении работниками и должностными лицами норм, актами, правил. Замечания, выговор, увольнение. Материальная ответственность возникает при причинении работником материального ущерба предприятию или при нанесении вреда здоровью работника по вине предприятия. Выплаты пострадавшим. Уголовная ответственность. Ст.143 УК РФ «При нарушении должностным лицом правил техники безопасности или иных правил охраны труда, которые привели (или могли привезти) к травме или смерти пострадавшего». Тяжкий или среднетяжкий вред – от 200 до 500 м.р.о.т. или в размере з/п осужденного на период 2-5 месяцев, или лишение свободы от 2 до 5 лет. 5 лет – если была смерть. Анализ травматизма. Существуют методы: 1. Статистический. Анализируются все материалы, накопленные на предприятии, в отрасли за определенный период. Получают данные по полу, возрасту, специальности. 2. Топографический. На плане цеха крестиком отмечают места НС и по скоплению крестиков определяют места повышенной опасности. 3. Монографический. Проводится тотальный анализ производства: процесс, сырье, инструменты, оборудование. 4. Экономический. Учитывает материальный ущерб выхода из строя оборудования, простой, выплаты пострадавшим, затраты на обучение вновь прибывших. Используются : коэф. частоты НС Н – кол-во учитываемых НС; Р – среднесписочное число работников за отчетный период; Д – суммарное число дней нетрудоспособности по всем НС. Расследованию подлежат все случаи, произошедшие на территории предприятия или вне его по заданию предприятия. (Время НС – до, во время, после работы) Расследование и анализ при НС: руководитель работ должен обеспечить немедленную помощь пострадавшему, обеспечить доставку в больницу. Одновременно должны быть проведены меры по предотвращению аварийной ситуации. По возможности для расследования надо сохранить обстановку, в которой произошел НС. Если это невозможно, то сделать схемы, фото. Если НС со смертельным исходом – немедленно извещаются вышестоящие организации. Если не сильнотяжкий НС – создается комиссия из 3-х человек. Если тяжелый случай – комиссия больше 3-х человек + представители из Москвы, Совета Министров страны. Расследование должно быть запущено за 15 дней. Все обстоятельства собираются, анализируются. Составляется Акт, 2 экз. которого хранятся на работе. Пострадавший может потребовать заверенную копию Акта. Если обстоятельства не совпадают с версией пострадавшего, он может подать в суд. Акт хранится 45 лет. |
смеси.


Uнорм
– ск-ть распространения зоны горения (фронта пламени) по отношению к неподвижной горючей смеси в направлении, перпендикулярном к фронту пламени. Если в горючей смеси окислитель – кислород воздуха заменить на чистый О2
, то Uнорм
вырастет в 10 раз.


Здесь образовался двойной электрический слой подобных зарядов плоского конденсатора.

В электрооборудовании возможно искрение. Пов-ть электрооборудования нагревается. Если оно нагреется до тем-ры самовоспламенения – будет взрыв. Электрооборудование чаще всего негерметично → если в помещении есть горючая смесь, она может попасть во внутрь оборудования, в которой есть искрящая часть, т.о. м.б. спровоцирован взрыв. С помощью БЭМЗ (тушащего зазора) происходит тушение пламени. При анализе распространения волны горения было отмечено, что в пристеночной области смесь охлаждается за счет отдачи тепла на стенку, поэтому можно во взрывозащищенном электрооборудовании все зазоры изготовить строго определенной толщины, в которой при прохождении фронта пламени Uнорм
= 0.
«Взрывонепроницаемая оболочка» - обозначение
d
. Поскольку электрооборудование негерметично, то в него может поступать горючая смесь из помещения. Т.к. во время работы внутри корпуса возможно искрение, то горючая смесь может взорваться внутри корпуса. Для этого предусмотрено:
Предел огнестойкости
– время (в часах), по истечении которых конструкция теряет несущую способность (разрушается) или же в конструкции образуются сквозные трещины, через которые пробивается пламя или высоконагретые продукты сгорания.
, где Р1
и Р2
– соответственно нач. и кон. давление; m – показатель политропы. При увеличении тем-ры происходит: снижение вязкости масел, образование нагара. При разложении масел образуются наиболее опасные соединения, образуется испарение масел. Необходимо вести процесс так, чтобы исключить опасный нагрев масел. ТНАГРЕВА
сжимаемого газа д.б. на 50 °С меньше ТВСПЫШКИ
масла, а ТСАМОВОСПЛАМЕНЕНИЯ
масла д.б. не менее 400 °С.


Опасность поражения человека при прикосновении к корпусу «пробитого» оборудования. Методы защиты.




А


В особо опасных помещениях, где возможны залповые выбросы вредных и взрывоопасных вещ-в, устанавливают аварийную вентиляцию. Общеобменная вентиляция - 3÷5