Курсовая работа: Смуговий активний фільтр
|
Название: Смуговий активний фільтр Раздел: Рефераты по коммуникации и связи Тип: курсовая работа |
| МІНІСТЕРСТВО ОСВІТИ І НАУКИ УКРАЇНИ
Пояснювальна записка до курсового проекту з дисципліни “Електроніка та мікросхемотехніка” СМУГОВИЙ АКТИВНИЙ ФІЛЬТР
ЗМІСТ Анотація Індивідуальне завдання Вступ 1 Аналіз сучасного стану питань і обґрунтування мети дослідження 2 Аналітично розрахункова частина Висновки Література Додаток №1 Додаток №2 АНОТАЦІЯ Для забезпечення високих значень стабільності параметрів фільтра і лінійності, передатна характеристика всіх ОП мікросхеми включена з повторювачами напруги. На основі 140УД6 можна зібрати і смуговий активний фільтр, що буде фільтром основної селекції трансивера прямого перетворення .Однак у трансивері все рівно потрібний найпростіший ФНЧ 2-го порядку на вході. На DA1.1, DA1.2 зібраний ФНЧ четвертого порядку, а на DA1.3, DA1.4 - ФВЧ четвертого порядку. Частота зрізу ФНЧ складає 150 кГц, а у ФВЧ - 10 Гц і їхні значення можуть бути легко змінені в одну чи іншу сторону. Так, щоб понизити частоту зрізу в обох ФНЧ у п раз, необхідно в п раз збільшити значення С1 , С2 , С3 , С4 . Застосування фільтра в мікрофонному підсилювачі може істотно підвищити частоту випромінюваного спектра. Використання активного фільтра може дати ефект і в тих фільтрових трансиверах, де основна селекція здійснюється за допомогою ЭМФ. Вихідні дані
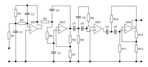
Верхня межа вимірювання 150кГц. Нижня межа вимірювання 10Гц Лінія обмежень n=-40 дБ/дек Коефіцієнт підсилення К0 ВСТУП Для сучасного етапу науково-технічного прогресу властиво безупинне удосконалювання елементної бази мікроелектроніки. Саме великі науково-технічні досягнення здійснюються в значній мірі завдяки широкому використанню електронних засобів виміру, обробки, керування. Особливо зросла роль електроніки з розвитком технології мікросхемотехніки, що дозволяє істотно зменшити габаритні розміри, масу, автоматизувати процес виготовлення електронних пристроїв, значно підвищити надійність електронних систем керування. Мікросхемотехніка будучи основою сучасної обчислювальної і керуючої техніки, привела до розробки і широкого впровадження нового класу електронних пристроїв — мікропроцесорів і однокристальних мікро ЭВМ. Широке застосування мікросхемотехніки привело до розвитку нового етапу комплексної автоматизації — гнучким автоматизованим виробництвам, керування якими засновано на широкому застосуванні мікропроцесорів і мікроЭВМ. Електроніка і мікросхемотехніка забезпечують автоматизоване керування технологічними процесами, науковими й експериментальними дослідженнями, окремими об'єктами. Спеціальність «Електроніка» — одна з найважливіших і найбільш універсальних у сучасній системі утворення. У сферу її інтересів входять самі різноманітні об'єкти і пристрої керування — від елементарних регуляторів до складних систем керування виробничими процесами й експериментальними дослідженнями. Системи електроніки і управління успішно функціонують у машинобудівній, гірничорудній, хімічній, легкій і харчовій промисловості, в атомній енергетиці, у різних літальних апаратах і в апаратах, що досліджують глибини океану. Різноманітність областей застосування елементів електроніки і керування визначається спільністю законів керування і засобів реалізації цих законів. Спільність законів керування ґрунтується на незалежності принципів керування від природи об'єкта керування, а спільність засобів реалізації цих законів випливає з незалежності інформації, що переробляється в системах керування, від способу її фізичного представлення, тобто від характеру носія інформації. Це дозволяє представити будь-як систему автоматики і керування як деяку систему, що переробляє відповідно до закладеного в неї алгоритмами інформацію про стан об'єкта (одержувану від датчиків, розташованих на об'єкті, чи від оператора) у керуюче чи вплив вихідну інформацію. Фізичним носієм інформації про які-небудь події, стани об'єкта, команди керування є сигнали, наприклад акустичні, електричні, механічні, світлові. У сучасних системах електроніки і управління використовують в основному електричні сигнали, для яких характерні висока швидкість їхньої обробки, простота формування і передачі на довгі відстані, широкий діапазон струмів і напруг (від часток мікроамперів і мікровольт до тисяч амперів і сотень кіловольт), простота перетворення електричної енергії в інші види (теплову, механічну, світлову). У процесі формування, передачі й обробки електричні сигнали піддаються різним перетворенням: посиленню, фільтрації для усунення перекручувань, захисту від перешкод, формуванню за формою, амплітудою, тривалістю. Для цього використовують електронні пристрої, що складаються з електронних елементів і пасивних електричних ланцюгів (резисторів, конденсаторів, котушок індуктивності), призначених для зв'язку окремих електронних елементів, або виконуючих самостійні функції перетворення електричних сигналів. Вершиною сучасного розвитку електроніки є створення в одному корпусі (на одному кристалі) програмувальних електронних елементів — мікропроцесорних наборів і мікроЭВМ, застосування яких відкриває новий етап у розвитку всіх областей техніки, і особливо автоматики. Незалежно від ступеня складності мікросхем і широти виконуваних ними функцій основу їхньої структури складають елементарні схеми, фізичні принципи й особливості роботи яких найбільше просто й ефективно виявляються при моделюванні мікросхем за допомогою окремих дискретних електронних і електричних елементів. Це сприяє більш глибокому розумінню принципів побудови електронних пристроїв будь-якого ступеня складності, дозволяє більш ефективно і повно використовувати їхні якості, спрощує процес настроювання і пошук несправностей. 1 АНАЛІЗ СУЧАСНОГО СТАНУ ПИТАНЬ І ОБГРУНТУВАННЯ МЕТИ ДОСЛІДЖЕНЬ Активні RС-фільтри (АRС-фільтри) широко застосовують у радіотехніці, автоматиці, вимірювальній техніці й інших областях. Сучасні АRС-фільтри мають меншу масу і габарити, чим пасивні низькочастотні LС-фільтри, і кращі електричні характеристики. Важливим їхнім достоїнством є можливість сполучення функції-фільтрації і посилення сигналів у діапазоні частот від часток герца до одиниць мегагерц. Можливість створення частотно-виборчих пристроїв на базі елементів R, С и активних-безіндуктивних лінійних ланцюгів з постійними в часі параметрами була обґрунтована наприкінці 50-х років. Такі пристрої широко почали застосовувати з початку 60-х років, коли в зв'язку з успіхами транзисторної техніки ARС-фільтри виявилися конкурентноздатними з пасивними LС-фільтрами. Починаючи з 70-х років основна увага була приділена створенню практичних схем (ланок другого порядку), еквівалентних по своїх характеристиках резонансним LС-контурам. Великий внесок у цей напрямок внесли вітчизняні дослідники, особливо колективи під керівництвом Е.І. Куфлевского й А. А. Ланнэ. Традиційним способом побудови складних фільтрів високого порядку (з передатною функцією вище третього порядку) є просте каскадування ланок другого і першого порядку. Однак каскадні схеми не могли забезпечити підвищені вимоги до вибірковості, динамічного діапазону, нестабільності характеристик фільтра. Це змусило розроблювачів шукати нові нетрадиційні методи реалізації функцій високого порядку. У результаті з'явився новий напрямок у теорії АRС-фільтрів-синтез фільтрів високого порядку. Роботи в цьому напрямку ведуться двома шляхами. Перший — конструювання передатних функцій, що забезпечують більш високу стабільність характеристик. Набагато активніше розвивається другий шлях — створення нових методів реалізації передатних функцій високого порядку. Відомі наступні основні методи реалізації: метод перемінних станів (безпосереднє аналогове моделювання передатної функції T(р)); на базі конверторів негативного опору (КНО) і пасивних RС-ланцюги; рівнобіжний; каскадний; заснований на багатопетлевих структурах; імітуючих двухстороннє навантажені LС-ланцюги. Застосування для побудови АRС-фильтров високого порядку вкрай утруднено через високу чутливість характеристик до зміни параметрів елементів, що вимагає використання елементів з малими допусками і високою стабільністю. В даний час метод застосовується тільки для високоякісної реалізації передатної функції другого порядку. Методи реалізації, засновані на застосуванні КІС ,відомі з початку 60-х років, також не одержали поширення при побудові фільтрів високого порядку. При реалізації передатної функції з комплексними полюсами: КНО RС-ланцюгами чутливість характеристик у більшості випадків неприпустимо велика. Крім того багато методів реалізації на основі КНО вимагають більшої кількості елементів. При рівнобіжній реалізації передатна функція представляється у виді суми співмножників другого порядку, кожний з який реалізується ланкою другого порядку. Схема фільтра складається з паралельно включених ланок, що мають загальний вхід, вихідний сигнал формується як сума вихідних напруг ланок, кожне зі своїм ваговим коефіцієнтом. Перевагою такої реалізації є однотипність схем ланок. Однак на практиці цей метод застосовується вкрай рідко в основному через складність настроювання і малого динамічного діапазону, що неможливо збільшити шляхом оптимізації схеми. При каскадній реалізації передатна функція звичайно представляється у виді добутку співмножників другого порядку й одного співмножника першого порядку (при непарному ступені Т(р)). Кожний з цих співмножників потім реалізується ланкою другого чи першого порядку. Основною перевагою каскадних фільтрів є уніфікація конструкції, простота розрахунку і настроювання, що виникає через слабку взаємодією між ланками. Донедавна каскадування ланок було основним методом реалізації АRС-фільтрів високого порядку, при цьому виявлялось, що якісні показники таких фільтрів визначаються тільки характеристиками ланок. Результати робіт, виконаних за останні 10 років , показали, що динамічний діапазон, стабільність і інші показники каскадної реалізації істотно залежать від того, як компонуються полюсно-нульові пари в передатних функціях ланок, у якій послідовності включені ланки і які коефіцієнти підсилення обрані. В даний час у зв'язку із широким практичним використанням АRС-фільтрів до них пред'являються усе більш твердіші вимоги, і каскадний метод реалізації, хоча і залишається поки найбільш розповсюдженим, уже далеко не завжди задовольняє розроблювачів, особливо при проектуванні вузькосмугових фільтрів більш восьмого порядку. Основна причина цього полягає у великій чутливості частотних характеристик фільтра до зміни параметрів елементів. Крім того, каскадні схеми незручні для побудови перебудовуючих фільтрів. Порівняно недавно з'явилися більш складні багатопетлеві структури. Більшість з них отримано введенням додаткових частотно-незалежних зворотних зв'язків (ЗЗ) у каскадну структуру. Використання багатопет-левих структур не тільки дозволяє підвищити стабільність характеристик, зберігши переваги каскадних фільтрів, але і відкриває нові можливості. Багатопетлеві АRС-фільтри можна будувати на базі однакових (по схемах і характеристикам) ланок другого порядку. Їхня перебудова в ряді випадків виконується простіше, ніж у каскадних аналогах. При імітації (моделюванні) LС-ланцюгів як проміжний етап необхідно одержати резистивно-навантажений LC-фільтр без утрат із заданими частотними характеристиками. Методи розрахунку LС-фільтрів добре відомий , тому синтез LC-прототипу за допомогою машинних чи програм спеціальних каталогів здійснити досить просто. Основним достоїнством ARС-фільтрів, отриманих шляхом імітації LС-прототипу, є мала чутливість їхніх характеристик до зміни параметрів елементів. Методи імітації LC-ланцюгів умовно розділяються на дві групи: елементна імітація й операційна. Елементна імітація полягає в заміщенні елементів чи LC-прототипу еквівалентного нормованого ланцюга комплексними конверторами повного опору. До дійсного часу питання теорії і практики елементної імітації досить добре вивчені в описі . Набагато менше досліджені й освітлені в літературі методи операційної імітації, що порозумівається порівняно недовгою історією їхнього розвитку. Перші публікації по практичному застосуванню методів операційної імітації з'явилися на початку 70-х років . При операційній імітації LС-прототип описується системою чи рівнянь сигнальним спрямованим графом. Схему фільтра одержують, моделюючи математичні операції, представлені цими чи рівняннями графом за допомогою функціональних АRС-элементів, наприклад інтеграторів, сумматорів. Природне що будь-який LС-прототип можна описати в різних системах параметрів і різних графах. Ще велика воля мається при реалізації цих чи рівнянь графів АRС-ланцюгів. Цим і порозумівається велике число методів операційної імітації. Дослідження методів операційної імітацій продовжується, однак уже виявлені їхні основні переваги перед елементною імітацією: простота настроювання й електронної перебудови фільтрів, можливість одержання максимального динамічного діапазону. Ланцюги, що реалізують задану передатну функцію високого порядку, але побудовані по різних методах, істотно відрізняються друг від друга по стабільності характеристик, складності, технологічності й іншим параметрам. Обґрунтовано вибрати найбільш придатний метод реалізації можна, тільки чітко представляючи переваги і недоліки всіх методів. Призначення дійсної книг-викласти теоретичні основи й особливості практичного застосування сучасних методів побудови АRС-фільтрів високого порядку. 2 АНАЛІТИЧНО РОЗРАХУНКОВА ЧАСТИНА Дана схема смугового активного фільтра складається з чотирьох каскадів, які зв’язані між собою і утворюють смуговий активний фільтр. Розрахунок схеми ми будем проводити розраховуючи послідовно наступні каскади. Першим каскадом являється фільтр нижніх частот по наступним даним, які дані в технічному завданні. 1.1 Беремо каскад фільтра на основі ОП з багатопетлевим зворотнім зв’язком, який забезпечує заданий нахил АЧХ по лінії обмежень n=-40 дБ/дек. 1.2 Беремо ОП на частоті одиничного підсилення, якого
Для ОП типу 140 УД6 1.3 Задаємо значення ємності С2 =2200 пф, відмітимо, що ця величина значно більша можливих паразитних ємностей в каскаді. Конденсатори КМ – 6 такої ємності мають малі габарити і добру стабільність (групи по ТКЕ ПЗЗЗ і М47). 1.4 Знаходимо значення допоміжного коефіцієнта: K=2πf0 C2 =6.28*75*103 *2200*10-12 =103,6*10-5 . Звідси величина ємності С1
при максимально плоскій характеристиці
1.5 Визначаємо значення резистора каскаду фільтра :
Опори резисторів R1 R2 R3 отримали менші 2 кОм тому зменшимо ємність С2 приблизно у 12 раз, отримаємо
і зробимо перерахунок каскаду. Отримаємо: К=8,6 *10-5 С1 =1500пф R1 =2,7кОм R2 =8,2кОм R3 =2кОм 1.6 Перевіримо отримане значення частоти зрізу:
і коефіцієнта підсилення у смузі пропускання 2. Розв’яжемо наступний каскад активного смугового фільтра де вхідні дані каскаду являється вихідними першого каскаду. 2.1 Беремо каскад фільтра на основі ОП з багатопетлевим зворотнім зв’язком котра забезпечує заданий нахил АЧХ по лінії обмежень n=-40 дБ/дек. 2.2Беремо ОП на частоті одиничного підсилення якого
Для ОП типу 140 УД6 2.3 Задаємо значення ємності С3 =2200 пф, відмітимо, що ця величина значно більша можливих паразитних ємностей в каскаді. Конденсатори КМ – 6 такої ємності мають малі габарити і добру стабільність (групи по ТКЕ ПЗЗЗ і М47). 2.4 Знаходимо значення допоміжного коефіцієнта K=2πf0 C3 =6.28*75,4*103 *2200*10-12 =103,1*10-5 . 2.5 Визначимо величину ємності С4
при максимально плоскій характеристиці визначивши допоміжний коефіцієнт :
2.6 Визначаємо значення резисторів з другого каскаду:
Значення резисторів R6 і R7 визначимо за допомогою систем рівнянь
Опори резисторів R3 R4 отримали менші 2 кОм тому зменшимо ємність С3 приблизно у 12 раз, отримаємо
Зробимо перерахунок каскаду, отримаємо: С4 =560пф R4 =16кОм R5 =24кОм R6 =120кОм R7 =62кОм 2.7 Перевіримо отримане значення частоти зрізу:
і коефіцієнта підсилення у смузі пропускання
3. Розв’яжемо наступний каскад смугового активного фільтра де вхідні дані каскаду являється вихідними другого каскаду. 3.1Беремо каскад фільтра на основі ОП з багатопетлевим зворотнім зв’язком котра забезпечує заданий нахил АЧХ по лінії обмежень n=-40 дБ/дек. 3.2Беремо ОП на частоті одиничного підсилення якого
Для ОП типу 140 УД6 3.3 Задаємо значення ємності С5 =С7 =2200 пф, відмітимо, що ця величина значно більша можливих паразитних ємностей в каскаді. Конденсатори КМ – 6 такої ємності мають малі габарити і добру стабільність (групи по ТКЕ ПЗЗЗ і М47). 3.4 Знаходимо значення допоміжного коефіцієнта K=2πf0 C3 =6.28*75,9*103 *2200*10-12 =104,8*10-5 . 3.5 Визначимо величину ємності С6
при максимально плоскій характеристиці
3.6 Визначаємо значення резисторів з третього каскаду:
Опір резистора R8 отримали менший 2 кОм тому зменшимо ємність С5 приблизно у 12 раз, отримаємо: С5 =С7 =200пф С6 =51пф R8 =10кОм R9 =56кОм 3.7 Перевіримо отримане значення частоти зрізу:
і коефіцієнта підсилення у смузі пропускання
4.Розв’яжемо наступний каскад смугового активного фільтра де вхідні дані каскаду являється вихідними третього каскаду. 4.1Беремо каскад фільтра на основі ОП з багатопетлевим зворотнім зв’язком котра забезпечує заданий нахил АЧХ по лінії обмежень n=-40 дБ/дек. 4.2Беремо ОП на частоті одиничного підсилення якого
Для ОП типу 140 УД6 4.3 Задаємо значення ємності С8 =С9 =2200 пф, відмітимо, що ця величина значно більша можливих паразитних ємностей в каскаді. Конденсатори КМ – 6 такої ємності мають малі габарити і добру стабільність (групи по ТКЕ ПЗЗЗ і М47). 4.4 Знаходимо значення допоміжного коефіцієнта K=2πf0 C8 =6.28*76,3*103 *2200*10-12 =105,4*10-5 . 4.5 Визначимо величину опору R10
R11
при максимально плоскій характеристиці
Значення резисторів R12 і R13 визначимо за допомогою систем рівнянь:
Опори резисторів R10 R11 отримали менші 2 кОм тому зменшимо ємність С8 приблизно у 12 раз, отримаємо: С8 =С9 =200пф і робимо перерахунок каскаду: К=8,7*10-5 R10 =16 кОм R11 =8,2 кОм R12 =87 кОм R13 =43 кОм 4.6 Перевіримо отримане значення частоти зрізу:
і коефіцієнта підсилення у смузі пропускання ВИСНОВОК В даний час прийнято називати активним фільтром схему, що складається з резисторів, конденсаторів, що розрахований на пропускання сигналів у визначеній смузі частот і згасання сигналів за межами цієї смуги. Характерною особливістю активних фільтрів є відсутність індуктивностей і використання в якості активних елементів операційних підсилювачів. Розрізняють фільтри верхніх і нижніх і смугових частот. У даному курсовому проекті розрахована схема що складається з двох каскадів фільтрів верхніх частот і фільтрів нижніх частот. Фільтри забезпечують фільтрацію схеми і пригнічення електромагнітних завад, відкидають сигнали одних частот, і пропускають сигнали потрібної частоти. Фільтри широко використовуються в радіотехніці, автоматиці, вимірювальній техніці. З все більшим розвитком науки і техніки створюються все сучасні засоби фільтрації сигналів, які знайдуть місце в нових технологіях майбутнього. ЛІТЕРАТУРА
1. Скаржепа В.А., Луценко А.Н. Электроника и микросхемотехника. Электронные устройства информационной автоматики. Под общ. Ред. А.А Краснопрошиной.-К.:ВШ,1989.-432 с. 2. Скаржепа В.А., Сенько В.И. Электроника и микросхемотехника. Сборник задач-К.:ВШ, 1989.-232 с. 3. У.Хилл,П.Хоровиц.Искусство схемотехники.-М.:МИР, 1998.-704с. 4. Електроніка та мікросхемотехніка. Ч 1. Електронні елементи, теорія, розрахунки. Лабораторний практикум. Ю.В.Шабатура, М.І.Бандак, В.В. Присяжнюк.-Вінниця:ВДТУ, 1998-144с. 5. Методичні вказівки до виконання розрахункових завдань з курсів “ЕПА” та “ЕА”.Ю.В.Шабатура, М.І.Бандак.-Вінниці ВПІ,1993-40с. 6. В.И. Щербаков, Г.И. Грездов. Электронные схемы на операционных усилителях.-К.: Техника, 1983.-231 с. 7. М.Кауфман, А.Сидман. Практическое руководство по расчётам схем в электронике. Справочник в двух томах. М.:Энергоатомиздат, 1991.-367с.
|



