Реферат: Контрольная по прикладной СВЧ электронике
|
Название: Контрольная по прикладной СВЧ электронике Раздел: Рефераты по коммуникации и связи Тип: реферат | ||||||||||||||||||||||||||
| Министерство образования Российской Федерации Казанский Государственный Технический Университет им. А.Н.Туполева Контрольная работаПо дисциплине: «Прикладная СВЧ электроника» Выполнил ст. гр.5531 М.А.Лукьянов Проверил Г.А.Морозов Казань 2002Задание №1 Полосковый делитель мощности -произвести расчет делителя (сопротивление плеч, геометрические размеры проводников) -составить эскиз платы делителя с указанием необходимых размеров Исходные данныеТаблица 1
Решение
Рис.1 Рис.2 1. Анализ задания: Данный полосковый делитель является простейшим шестиполюсником состоящий из двух четвертьволновых отрезков линии передачи, две пары полюсов которого соединены параллельно, а две оставшиеся пары полюсов связаны через активное сопротивление R2. Рассмотрим принцип действия кольцевого делителя мощности. Сигнал подводимый к плечу 3, разделяется поровну между двумя четвертьволновыми отрезками кольцевого делителя и, следовательно, волны напряжений в точках Б и В равны и синфазны. Если плечи 1 и 2 нагружены на идеально согласованные нагрузки, а входное сопротивление каждого из двух параллельно включенных четвертьволновых отрезков делителя (в точке А) равно 2ρо, то плечо 3 делителя будет идеально согласованным. Сигнал, подводимый к плечу 1 (в точке Б), попадает в точку В плеча 2 по двум путям: непосредственно через «точечное» сопротивление R2 и через отрезок линии БАВ, равный Λ/2. Таким образом, в точку В две части сигнала поступают в противофазе; при соответствующем выборе сопротивления R2 достигается их компенсация и, следовательно, идеальная развязка плеч 1 и 2. При этом одна половина мощности входного сигнала поступает в плечо 3, а другая половина рассеивается в активном сопротивлении R2. В силу симметрии делителя мощности (относительно оси YY) аналогичные рассуждения справедливы при подаче сигнала а плечо 2. Кольцевой делитель может обеспечить суммирование мощностей СВЧ сигналов. Если к плечам 1 и 2 подвести два синфазных сигнала, то в плече 3 выделится суммарный сигнал. Кольцевой делитель (сумматор) мощности обеспечивает развязку между выходными (входными) плечами, хорошее согласование, малые потери энергии в широкой полосе частот и обладает небольшими линейными размерами. При правильном выборе волновых проводимостей четвертьволновых отрезков делителя (сумматора) можно обеспечить заданное деление мощности (или соответствующее сложение заданных мощностей). Кольцевые делители могут быть реализованы на полосковых и микрополосковых линиях передачи. 2. Расчет делителя. Сопротивление плеч. Расчет кольцевого делителя мощности проведем методом зеркальных отображений, согласно которому эквивалентный шестиполюсник (Рис.2) разбиваем на два симметричных (относительно оси YY) четырехполюсника, работающих при синфазном (++) и противофазном (+-) видах возбуждения. Нормированные классические матрицы передачи этих четырехполюсников при соответствующих видах возбуждения записываются следующим образом:
где Y1=ρ0/ρ1 – нормированная волновая проводимость отрезка однородной линии длиной l ; Y2=2ρ0/R2 – удвоенная нормированная проводимость активной нагрузки R2, включенной между 1-м и 2-м плечами шестиполюсника; Y3= ρ0/z3 – нормированная проводимость короткого замыкания (далее полагаем, что Y3= ∞); ρ0 – волновое сопротивление подводящих линий ; Λ – длина волны в линиях передачи. Определим элементы матрицы рассеяния [Ŝ] шестиполюсного делителя на средней частоте f соответствует f Ŝ Ŝ Ŝ Идеальное согласование всех трех плеч делителя (Ŝ Y или Определим волновое сопротивление соединительных отрезков линий кольца Активное сопротивление нагрузки R
Расчет геометрических размеров. По заданию материал подложки использован типа САМ-3 с диэлектрической проницаемостью ε =3. По заданной частоте определим длину волны в свободном пространстве: Определим длину волны в линии передачи Длина плеч делителя определяется как l=Λ/4=92/4=23 мм Активное сопротивление R2 выбираем типа МЛТ у которого длина корпуса с выводами равна а=7 мм. Ширина полоски кольца (W W Найдем остальные геометрические размеры делителя: h= W l´= Радиус кольцевого участка: 2
Так как Zвх=Zвых=50 Ом, то в данной схеме трансформатор сопротивлений не применяется. Коэффициент деления по мощности равный 0.5 означает что мощность,подведенная к полюсам 3-3 делится ровно пополам и к полюсам 1-1, 2-2 подводится мощность равная Рвх/2. Вывод: В ходе решения мы разработали микрополосковый делитель (сумматор) мощности для частоты f
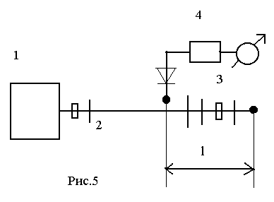
Рис.3 Рис.4 Задание №2Измерение электрофизических параметров диэлектриков волноводными методами.
1.Генератор СВЧ; 2.Измерительная линия; 3.Отрезок волновода; 4.Измерительный усилитель; l расстояние от зонда до короткозамыкателя. Линия 2 и отрезок волновода 3 заполнены диэлектриком. Определить диэлектрическую проницаемость e и тангенс угла потерь tgD диэлектрика по результатам измерений (таблица 2). Таблица 2
РешениеВыбираем для частоты fо=10 ГГц волновод сечением 23х10 мм, материал стенок - медь. Длина волны lо=3 см. Сначала по значению длины волны в волноводе найдем относительную проницаемость диэлектрика, для чего преобразуем формулу разделив обе части на Отсюда следует выражение для расчета диэлектрической проницаемости: где Подставляя численные значения, получим: Для определения tgΔ диэлектрика найдем сначала коэффициент ослабления волны в волноводе, используя для этого измеренное значение КСВ. Из теории цепей с распределенными параметрами известна формула, связывающая модуль коэффициента отражения в заданном сечении линии с коэффициентом стоячей волны: В нашем случае, когда волновод закорочен на конце, откуда Подставляя численные значения, получим Общее затухание волны в волноводе складывается из затухания за счет потерь в металлических стенках и в исследуемом диэлектрике. По формуле подставляя туда Найдем затухание за счет потерь в диэлектрике: Для определения tgΔ преобразуем выражение учитывая, что Подставляя в полученное выражение численные значения, получим Вывод: В ходе решения мы определили следующие параметры диэлектрика: - диэлектрическую проницаемость - тангенс угла потерь Список литературы1. Устройства СВЧ и антенны. Седельников Ю.Е., Линдваль В.Р., Лаврушев В.Н., Стахова Н.Е. Казань. КГТУ им. А.Н. Туполева 2000 г. 2. Прикладная СВЧ электроника. Казань. КГТУ им. А.Н. Туполева 2002 г. 3. Проектирование и расчет СВЧ элементов на полосковых линиях. Малорацкий Л.Г., Явич Л.Р. М. Советское радио. 1972 г. 4. Сборник задач по курсу: «Электродинамика и распространение радиоволн» под ред. Баскакова С.И. М.: Высшая школа 1981 г. |













