Курсовая работа: Проектирование несущих железобетонных конструкций многоэтажного промышленного здания
|
Название: Проектирование несущих железобетонных конструкций многоэтажного промышленного здания Раздел: Рефераты по строительству Тип: курсовая работа | |||||||||||||||||||||||||||||||||||||||||||||||||||||||||||||||||||||||||||||||||||||||||||||||||||||||||||||||||||||||||||||||||||||||||||||||||||||||||||||||||||||||||||||||||||||||||||||||||||||||||||||||||||||||||||||||||||||||||||||||||||||||||||||||||||||||||||||||||||||||||||||||||||||||||||||||||||||||||||||||||||||||||||||||||||||||||||||||||||||||||||||||||||||||||||||||||||||||||||||||||||||||||||||||||||||||||||||||||||||||||||||||||||||||||||||||||||||||||||||||||||||||||||||||||||||||||||||||||||||||||||||||||||||||||||||||||||||||||||||||||||||||||||||||||||||||||||||||||||||||||||||||||||||||||||||||||||||||||||||||||||||||||||||||||||||||||||||||||||||||||||||||||||||||||||||||||||||||||||||||||||||||||||||||||||||||||||||||||||||||||||||||||||||||||||||||||||||||||||||||||||||||||||||||||||||||||||||||||||||||||||||||||||||||||||||||||||||||||||||||||||||||||||||||||||||||||||||||||||||||||||||||||||||||||||||||||||||||||||||||||||||||||||||||||||||||||||||||||||||||
| ФЕДЕРАЛЬНОЕ АГЕНТСТВО ЖЕЛЕЗНОДОРОЖНОГО ТРАНСПОРТА МОСКОВСКИЙ ГОСУДАРСТВЕННЫЙ УНИВЕРСИТЕТ ПУТЕЙ СООБЩЕНИЯ (МИИТ) Кафедра "Строительные конструкции, здания и сооружения" КУРСОВОЙ ПРОЕКТ по дисциплине "Строительные конструкции" ПРОЕКТИРОВАНИЕ НЕСУЩИХ ЖЕЛЕЗОБЕТОННЫХ КОНСТРУКЦИЙ МНОГОЭТАЖНОГО ПРОМЫШЛЕННОГО ЗДАНИЯ Разработала: ст.гр. ВЭС-311 Руководитель проекта: профессор Швидко Я.И. МОСКВА - 2009 Проектирование несущих железобетонных конструкций многоэтажного промышленного здания
Содержание Проектирование несущих железобетонных конструкций многоэтажного промышленного здания 1. Компоновка конструктивной схемы каркаса здания 1.1 Объёмно-планировочные параметры здания 1.2 Состав и работа каркаса здания 1.7 План и поперечный разрез здания 2. Определение нагрузок и статический расчёт элементов каркаса 2.2 Коэффициенты надежности по нагрузке 2.3 Нагрузки на перекрытие и покрытие 2.4 Статический расчёт панели перекрытия 2.4.3 Внутренние усилия в панели 2.5 Статический расчёт поперечной рамы каркаса 2.5.1 Расчётная схема поперечной рамы 2.5.2 Нагрузка на ригель поперечной рамы 2.5.3 Внутренние усилия в ригеле 2.5.4 Продольные усилия в колонне 1-го этажа 3. Расчёт и конструирование предварительно напряженной панели перекрытия 3.1 Характеристики прочности бетона и арматуры 3.2 Предварительное напряжение арматуры 3.2.1 Методы натяжения арматуры 3.2.2 Способы натяжения арматуры 3.2.3 Величина предварительных напряжений в арматуре 3.3 Граничная относительная высота сжатой зоны бетона 3.4 Опалубочные размеры панели 3.4.1 Основные габаритные размеры панели 3.4.2 Ширина продольного ребра панели 3.4.3 Размеры полки (плитной части) 3.5 Эквивалентное поперечное сечение панели 3.5 Подбор продольной рабочей арматуры панели 3.6 Конструирование поперечной рабочей арматуры панели 3.7 Расчет полки панели на местный изгиб 3.7.2 Нагрузки на полку панели 3.7.3 Расчётная схема полки, внутренние усилия 3.7.4 Поперечное сечение полки 3.8 Рабочие чертежи панели перекрытия 4. Расчет и конструирование ригеля перекрытия 4.1 Прочностные и деформативные характеристики бетона и арматуры 4.2 Подбор продольной рабочей арматуры ригеля 4.3 Подбор продольной рабочей арматуры ригеля 4.4 Подбор поперечной рабочей арматуры ригеля 4.4.1 Конструирование поперечной арматуры 4.4.2 Общие соображения по расчёту прочности наклонных сечений 4.4.3 Расчет на действие поперечной силы по наклонной трещине 4.4.3 Проверка прочности на действие поперечной силы по наклонной полосе между наклонными трещинами 4.5 Обрыв продольной арматуры в пролёте 4.6 Определение несущей способности нормальных сечений ригеля 4.7 Определение длины заделки арматурных стержней 4.8 Определение экономического эффекта от снижения расхода арматуры 4.9 Конструктивное армирование ригеля, опорный узел 5. Расчёт и конструирование колонны 5.1 Подбор продольной арматуры 5.2 Конструирование поперечной арматуры колонны 6. Расчёт и конструирование фундамента 6.2 Определение площади подошвы фундамента 6.3 Определение основных размеров фундамента 6.4 Расчёт фундамента на продавливание 6.5 Проверка прочности плиты по наклонному сечению 6.6 Подбор арматуры подошвы фундамента Краткие теоретические сведения ВведениеМ ногоэтажные промышленные здания служат для размещения различных производств: цехов лёгкого машиностроения, приборостроения, химической, электро- и радиотехнической промышленности, а также складов, холодильников, гаражей, предприятий железнодорожного транспорта и прочих объектов. Для всех названных производств характерны сравнительно небольшие вертикальные и горизонтальные нагрузки на конструкции здания. Многоэтажные производственные здания целесообразно строить, когда технологический процесс организован по вертикальной схеме или когда площадь территории, выделенная для строительства, ограничена и стеснена. Чаще всего многоэтажные производственные здания выполняют из железобетона, так как в настоящее время он является одним из основных материалов капитального строительства и реконструкции. Основу многоэтажного производственного здания образует железобетонный каркас, состоящий из колонн, ригелей, плит перекрытия и элементов жесткости. Иногда здания проектируют с неполным каркасом, в котором колонны располагаются только внутри, а наружные стены исполняют роль несущих и ограждающих конструкций. Требованиям индустриализации строительства в наибольшей степени отвечают сборные железобетонные конструкции, возведение которых на строительной площадке осуществляется из заранее заготовленных элементов. Их производство ведется на базе развитой сети высокомеханизированных и автоматизированных предприятий сборного железобетона, специализированных на выпуск определенного ассортимента изделий и конструкций. Вместе с тем, в настоящее время в строительстве широко применяется и монолитный железобетон. В данной работе выполняется проектирование основных несущих конструкций сборного железобетонного каркаса многоэтажного производственного здания. Целью проектирования является разработка наиболее технологичных конструктивных решений, обеспечивающих несложное, быстрое и экономичное изготовление, транспортирование и монтаж конструкций, которые будут надёжны и безопасны в эксплуатации. Проектирование ведется в соответствии с действующими нормативными документами (СНиП, ГОСТ), составляющими техническую и юридическую основу проектных работ и обеспечивающими необходимую надёжность и экономичность строительных объектов. 1. Компоновка конструктивной схемы каркаса здания1.1 Объёмно-планировочные параметры зданияТаблица 1.1.
1.2 Состав и работа каркаса зданияПродольные и поперечные разбивочные оси образуют сетку , в узлах которой устанавливаются колонны. Расстояние между продольными разбивочными осями принято называть пролётом здания , между поперечными - шагом колонн . Колонны по высоте имеют выступающие части - консоли , на которые устанавливаются балки - ригели . Сверху на ригели укладываются панели перекрытия . На панели действуют вертикальные нагрузки (эксплуатационные), которые передаются затем через ригели на колонны, а с них через фундаменты на грунт основания. Горизонтальные нагрузки (ветровые) воспринимаются наружными стенами здания, которые выполняются из кирпича. На них передается также и часть вертикальных нагрузок. Конструктивная система здания с использованием колонн и несущих стен носит название неполного каркаса . 1.3 Температурные швыЧтобы в элементах каркаса не возникали дополнительные усилия от изменения температуры, здание в необходимых случаях разрезают на отдельные самостоятельные блоки (температурные отсеки) поперечными и продольными температурными швами . По требованиям СНиП [2] наибольшая длина температурного отсека составляет 60 м . Длина здания l 0 = 101,4 м > 60 м , поэтому необходимо устройство поперечного температурного шва. Предусматриваем шов в середине длины здания, тогда длина температурного отсека составит: lt = l · 7= 7,8 · 7 = 54,6 м < 60 м . Температурный шов представляет собой два ряда колонн, смещённых от разбивочной оси на 500 мм . 1.4 Колонны и наружные стеныСечение колонн обычно принимают квадратным со стороной 300, 350, 400, 450 мм (в соответствии с требованиями унификации). С увеличением нагрузки увеличивается и сечение колонн. Толщина наружной стены принимается кратной размерам кирпича (250 ´120 мм , высота 65 мм ), с учётом 10 мм на вертикальный шов:
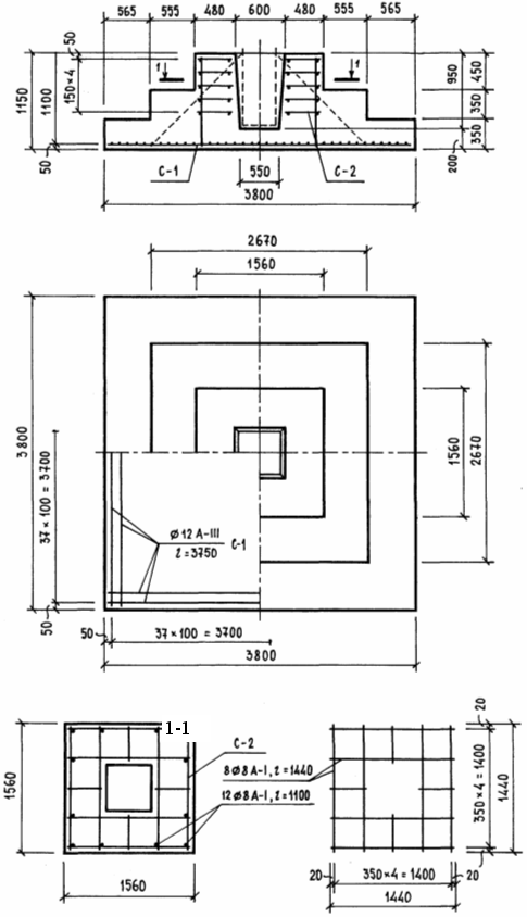
Принимаем сечение колонн 450 ´450 мм , толщину кладки наружных стен 640 мм (постоянной на всех этажах). 1.5 РигелиПринимаем поперечное направление ригелей , т.е. располагаем ригели поперёк здания. В этом случае они образуют вместе с колоннами раму с жесткими узлами, обеспечивая дополнительную пространственную жесткость каркаса в поперечном направлении. Сечение ригеля принимаем прямоугольным, так как оно наиболее простое в изготовлении (а так же и в расчёте). Назначаем размеры сечения ригеля (рис.1.1 и прил.1 ): высота hr = (1/10…1/15) ×L = 780…520 мм ; принимаем hr = 750 мм (кратно 50 мм ); ширина br = (0,3…0,4) ×hr = 225…300 мм ; принимаем br = 250 мм (кратно 50 мм ). Чем больше высота сечения ригеля, тем лучше он работает на восприятие нагрузки, но строительная высота перекрытия при этом увеличивается. Ригели, находящиеся у продольной наружной стены, опираются одним концом на эту стену, а другим - на консоль колонны. Глубину заделки ригеля в стену примем равной длине кирпича (250 мм ). 1.6 Панели перекрытияВыбор типа панелей производится на основе экономических и эксплуатационных критериев. В курсовой работе предлагается выбрать тип панели по собственному усмотрению и использовать рёбристые панели (рис.1.3, а), или панели типа "2Т" (рис.1.3, б). В данном примере расчёта применяются рёбристые панели перекрытия. Рекомендуемые размеры сечения и нагрузка от собственного веса для различных типов панелей представлены в Приложении 1. Схема раскладки панелей. Принимаем наиболее распространённый вариант раскладки (подходит для любого типа панелей): между колоннами укладываются связевые панели, которые служат распорками, передающими горизонтальные нагрузки. Рядовые и связевые панели имеют одинаковую ширину; укладываемые у продольных стен доборные панели в два раза уже рядовых (рис.1.2). Заделка панелей в стены:в продольные стены панели не заделываются; в поперечные стены заделка составляет 130 мм (половина кирпича с учётом толщины раствора шва: 120 + 10 мм ). Привязка наружных стен к разбивочным осям: к продольной оси: нулевая привязка (внутренняя грань стены совмещена с разбивочной осью); к поперечной оси: привязка 130 мм (внутренняя грань стены смещена с разбивочной оси внутрь здания на величину заделки панели в стену). Размеры сечения панели перекрытия:высота hп = (1/20…1/30) l = 390…260 мм , принимаем hп = 350 мм (кратно 50 мм ); ширина панели bn назначается такой, чтобы в соответствии со схемой раскладки на длине пролёта можно было разместить целое число панелей. При этом ширина панели должна находиться в пределах 1200…1500 мм . Рекомендуемая ширина панелей представлена в таблице 2 Приложения 1. Принимаем ширину панели bn = 1300 мм (кратно 100 мм ), тогда между продольными осями укладывается 6 панелей. 1.7 План и поперечный разрез зданияКомпоновка конструктивной схемы каркаса заканчивается изображением плана и поперечного разреза здания (масштаб М 1: 200). Основные сборные конструктивные элементы каркаса на строительных чертежах принято обозначать марками (например: П-1, П-2, П-3 - панели перекрытия соответственно рядовые, связевые и доборные). Однотипные элементы получают одинаковые марки. Колонны здания для удобства изготовления, транспортировки и монтажа разделяются по высоте на отдельные монтажные элементы . Длина монтажного элемента может составлять 1; 2 и 3 этажа (но не более 18 м для возможности перевозки). Для удобства выполнения работ по замоноличиванию стыков и сварки выпусков арматуры стык колонн располагается выше пола перекрытия на 800 мм . Для изображения на поперечном разрезе задают ориентировочные (предварительные) размеры консольного выступа колонн (напр.250´250 мм, скос под углом 45º) и фундамента (трёхступенчатый, высота ступени 350 мм). Глубина заложения подошвы фундамента df принимается по заданию.
2. Определение нагрузок и статический расчёт элементов каркаса2.1 Общие положенияВ Нормах проектирования (СНиП [1]) указаны нормативные значения нагрузок (qn ), которые соответствуют условиям нормальной эксплуатации сооружений (за это их называют эксплуатационными ). Нормативные нагрузки приняты с обеспеченностью (доверительной вероятностью), равной 0,95 . Это означает, что из 100 нагрузок 95 не будут превышать установленного нормативного значения. В практических расчётах используются расчётные значения нагрузки (q ), получаемые путём умножения их нормативной величины qn на коэффициент надёжности по нагрузке γf , учитывающий статистический характер изменчивости нагрузок: q = qn · γf Расчётные нагрузки имеют обеспеченность 0,997…0,999, что вполне достаточно для проведения расчётов по прочности. 2.2 Коэффициенты надежности по нагрузкеТаблица 2.1.
Расчётные значения нагрузок также принято умножать на коэффициент надёжности по назначению здания γ n , учитывающий степень ответственности зданий и сооружений, которая характеризуется значимостью экономических, социальных и экологических последствий отказов этих объектов. Здание в данном проекте, как и большинство зданий, относится ко II-му уровню ответственности (нормальному), которому соответствует коэффициент γn = 0,95 (прил.7* СНиП [1]). 2.3 Нагрузки на перекрытие и покрытиеТаблица 2.2.
2.4 Статический расчёт панели перекрытия2.4.1 Расчётная схема панелиРасчётной схемой панели перекрытия является балка, свободно лежащая на двух опорах (рис.2.1). Расчётный пролёт панели - это расстояние между центрами её опорных площадок:
где br - ширина ригеля (п.1.5). 2.4.2 Расчётная нагрузкаПанель воспринимает нагрузку, действующую в пределах её номинальной ширины bп = 1,3 м (п.1.6). Полная расчетная нагрузка на панель: q = Р 0 bn gn = 13,091×1,3×0,95 = 16,167 кН /м . 2.4.3 Внутренние усилия в панелиНаибольшие внутренние усилия в панели перекрытия от действия полной расчётной нагрузки вычисляются по формулам сопротивления материалов: изгибающий момент (в середине пролёта):
поперечная сила (на опоре):
Рис.2.1. Конструктивная (а) и расчётная (б) схема панели перекрытия; эпюры внутренних усилий (в). 2.5 Статический расчёт поперечной рамы каркаса2.5.1 Расчётная схема поперечной рамыМногоэтажная многопролётная поперечная рама каркаса здания является сложной статически неопределимой системой. При расчете её делят на ряд простых, размещая шарниры посередине высоты стоек рамы, и рассматривают отдельно рамы верхнего, первого и типового этажа (рис.2.2). Усилия во всех ригелях средних пролетов будут одинаковыми, поэтому достаточно рассматривать трёхпролётные рамы. Расчёт проведём для рамы типового этажа (рис.2.2, б). Средний пролёт рамы равен расстоянию между продольными разбивочными осями L = 7,8 м . Величина крайнего пролета рамы - это расстояние от оси крайнего ряда колонн до центра опорной площадки ригеля на стене:
где а = 250 мм - глубина заделки ригеля в стену. Внутренние усилия в раме определяют от совместного действия постоянной (q ) и временной (v ) нагрузки, рассматривая три комбинации с различными схемами действия временной нагрузки (рис.2.2, б). Если построить все три эпюры моментов на одном чертеже и учитывать только максимальные по абсолютной величине значения, можно получить так называемую огибающую эпюру моментов и использовать её в расчете (рис.2.2, б). Определение внутренних усилий можно производить: вручную с помощью специальных таблиц (такой метод в настоящее время представляет в основном академический интерес); с помощью IBM (что в основном и имеет место в реальной практике проектирования). В данной работе мы не будем пользоваться ни одним из этих способов, а проведем расчет упрощённо, как делают старые опытные проектировщики: на действие полных нагрузок.
Рис.2.2. а - расчётная схема поперечной рамы здания; б - условная рама типового этажа, схемы её загружения и эпюры внутренних усилий; в - определение поперечных усилий на участке стержня из условий равновесия. При определении нагрузок от собственного веса конструкций часто используют понятие объёмного веса материала. Его следует отличать от объёмной массы (плотности). Например, объёмная масса железобетона r = 2500 кг/м3 , по этой величине путём несложного преобразования можно найти объёмный вес железобетона: g0 = 25 кН/м3 . 2.5.2 Нагрузка на ригель поперечной рамыРигель воспринимает нагрузку, действующую на грузовой площади шириной, равной расстоянию между поперечными разбивочными осями l = 7,8 м , а также нагрузку от собственного веса. Расчётная линейная нагрузка на ригель от его собственного веса: qr = br hr gb gf = 0,25×0,75×25×1,1 = 5,156 кН /м , где br , hr - размеры поперечного сечения ригеля (п.1.5); γb = 25 кН/м 3 - объёмный вес конструкций из тяжелого бетона; γf = 1,1 - коэффициент надёжности по нагрузке (табл.2.1). Продольная расчетная линейная нагрузка на ригель: q = (P 0 l + qr ) ×gn = (13,091×7,8 + 5,156) ×0,95 = 101,90 кН /м . 2.5.3 Внутренние усилия в ригелеПо данным методических указаний доцента Н.А. Тимофеева [6], значения ординат огибающей эпюры моментов в ригеле обычно не превышают следующих величин:
Значения поперечных сил на опорах определяются методами строительной механики (рис.2.2, в): QA = Qq + QM , QB = Qq - QM , где: Qq - поперечная сила от действия равномерно распределённой нагрузки:
QM - поперечное усилие от действия опорных изгибающих моментов:
В крайнем пролёте:
Q 12 = 403,78 + ( - 66,49) = 337,29 кН , Q 21 = 403,78 - ( - 66,49) = 470,27 кН . В среднем пролёте:
Q 23 = 397,41 + 15,77 = 413,18 кН ,Q 32 = 397,41 - 15,77 = 381,64 кН . Расчетный изгибающий момент на средней опоре определяется в сечении ригеля по грани колонны; величину этого момента можно вычислить по формуле:
где hк - ширина колонны: hк = 450 мм (п.1.4). 2.5.4 Продольные усилия в колонне 1-го этажаКолонны здания работают в составе поперечной рамы каркаса, поэтому в них возникают продольные силы и изгибающие моменты. Последние обычно невелики, поэтому мы ограничимся только определением продольных усилий. Наибольшая продольная сила в колонне возникает на уровне пола 1-го этажа (сечение "к " на рис.2.2, а). Колонна воспринимает со всех этажей нагрузку, действующую на её грузовой площади размером L ´l , а также нагрузку от собственного веса. Нагрузка от собственного веса колонны Нормативная нагрузка:
где nэ = 5 - число этажей (табл.1.1); H = 4,2 м - высота этажа; hk - ширина колонны. Расчётная нагрузка: Gk = Gk , n ×gf = 106,31×1,1 = 116,94 кН . Продольная сила в колонне на уровне пола 1-го этажа: От нормативной нагрузки: Nk , n = Gk , n + L ×l × [P 0, n × (nэ - 1) + P 1, n ] = = 106,31 + 7,8×7,8× [11,07× (5 - 1) + 5,30] = 3 123 кН . От расчётной нагрузки: Nk = gn × (Gk + L ×l × [P 0 × (nэ - 1) + P 1 ]) = = 0,95× (116,94 + 7,8×7,8× [13,091× (5 - 1) + 6,513]) = 3 514 кН . 3. Расчёт и конструирование предварительно напряженной панели перекрытия3.1 Характеристики прочности бетона и арматурыБетон Применяем тяжелый бетон класса В40 (по заданию), подвергнутый тепловой обработке при атмосферном давлении. Расчётное сопротивление сжатию Rb = 22,0 МПа (табл.13 СНиП [2]). Бетон находится под воздействием длительной нагрузки, поэтому в расчетах умножаем его расчётное сопротивление на коэффициент условий работы γb 2 = 0,9 (табл.15 СНиП [2]). Арматура Продольная рабочая арматура панели - предварительно напрягаемая, класса А- VI (А1000) - по заданию. Сопротивление растяжению: нормативное Rsn = 980 МПа (табл. 19* СНиП [2]), расчётное Rs = 815 МПа (табл.22* СНиП [2]). Полка панели армируется сеткой из проволочной арматуры класса Вр- I (В500). Расчётное сопротивление растяжению Rs = 410 МПа (табл.23* СНиП [2]). 3.2 Предварительное напряжение арматурыПредварительно напряженная арматура - это арматура, получающая начальные (предварительные) напряжения в процессе изготовления конструкций до приложения внешних нагрузок в стадии эксплуатации. 3.2.1 Методы натяжения арматурыСуществуют два метода натяжения арматуры: натяжение на упоры и натяжение на бетон . Натяжение на бетон применяется, как правило, только в монолитных конструкциях. Используем метод натяжения арматуры на упоры , так как он наиболее целесообразен в условиях заводского изготовления железобетонных конструкций. Арматура до бетонирования натягивается и затем фиксируется в натянутом состоянии на жестком стенде или форме. После укладки в форму бетона и набора им необходимой передаточной прочности арматура освобождается от натяжных приспособлений. Арматура, стремясь сократиться, обжимает бетон, а сама остается растянутой. 3.2.2 Способы натяжения арматурыСуществует 4 способа натяжения арматуры (из них получили распространение только первые два): Механический (с помощью домкратов, рычагов, грузов). Электротермический (с помощью эл. тока). Электротермомеханический (комбинированный). Физико-химический (самонапряжение). Используем электротермический способ натяжения , так как он является наиболее распространённым благодаря своей простоте, малой трудоёмкости и сравнительно низкой стоимости оборудования. Стержни арматуры нагревают до температуры 300…350ºС с помощью электротока и в нагретом состоянии закрепляют в упорах формы. При остывании стержни, стремясь сократиться, натягиваются, что используется для обжатия бетона. Точность этого метода по сравнению с остальными более низкая. Кроме того, этот способ достаточно энергоёмкий и не может применяться для натяжения арматуры классов Aт-VII, B-II, Bр-II, К-7, К-19. 3.2.3 Величина предварительных напряжений в арматуреДопустимое отклонение значения предварительного напряжения при электротермическом способе натяжения определяются по формуле (2) СНиП [2]:
где l - длина натягиваемого стержня (расстояние между наружными гранями упоров): l = 7,8 м . В соответствии с формулой (1) СНиП [2] установим пределы, в которых можно назначать величину предварительного напряжения в арматуре: ssp ³ 0,3 Rsn + p = 0,3×980 + 76,15 = 370,15 МПа ; ssp £ Rsn - p = 980 - 76,15 = 903,85 МПа . Границы этого интервала установлены на основе следующих соображений: при высоких значениях предварительных напряжений существует опасность разрыва арматурной стали или её проскальзывания в захватах при натяжении; опасность разрушения бетона или образования в нём трещин вдоль напрягаемой арматуры. низкие значения предварительных напряжений неэффективны, т.к. почти всё напряжение будет утрачено в результате потерь. Величина предварительного напряжения назначается обычно близкой к верхнему пределу: σsp £ 0,9Rsn = 0,9×980 = 882 МПа . Принимаем σsp = 800 МПа . Передаточная прочность бетона Rbp - это прочность бетона к моменту его обжатия усилием натяжения арматуры. Передаточная прочность бетона назначается не менее (п.2.6* СНиП [2]): Rbp ³ 0,5 B = 0,5×40 = 20 МПа , где В - класс бетона, В = 40 МПа . Rbp ³ 15,5 МПа . Принимаем Rbp = 20 МПа . Возможные производственные отклонения от заданного значения предварительного напряжения арматуры учитываются в расчётах коэффициентом точности натяжения арматуры γsp : gsp = 0,9 - при благоприятном влиянии предварительного напряжения; gsp = 1,1 - при неблагоприятном влиянии предварительного напряжения. Значение gsp = 1,1 соответствует случаю, когда увеличение усилия обжатия сверх проектного неблагоприятно сказывается на работе конструкции, например, при расчёте прочности железобетонного элемента в стадии обжатия. 3.3 Граничная относительная высота сжатой зоны бетонаГраничное значение относительной высоты сжатой зоны бетона определяется по формуле (25) СНиП [2]:
где ω - характеристика сжатой зоны бетона, определяемая по формуле (26) СНиП [2]: ω = a - 0,008 Rb gb 2 = 0,85 - 0,008 × 22 × 0,9 = 0,6916; a - коэффициент, учитывающий вид бетона; для тяжелого бетона a = 0,85; Rb здесь следует брать в МПа . σsR - напряжение в арматуре, определяемое по формуле: σ sR = Rs + 400 - σsp gsp = 815 + 400 - 800×0,9 = 495 МПа ; здесь используется значение gsp = 0,9. σs c, u - предельное напряжение в арматуре сжатой зоны, принимаемое при g b 2 < 1,0 равным σs c, u = 500 МПа . Тогда 3.4 Опалубочные размеры панелиОпалубочные размеры необходимы для изготовления опалубочных форм сборных железобетонных элементов. Обычно предусматривается применение типовых опалубочных форм. Чертежи железобетонных элементов, на которых показано не армирование, а только наружные размеры элементов, называются опалубочными . 3.4.1 Основные габаритные размеры панелиа) номинальные - в осях. Эти размеры установлены в процессе компоновки конструктивной схемы каркаса здания: длина ln = 7800 мм ширина bn = 1300 мм высота hn = 350 мм . б) конструктивные - с учётом зазоров, которые необходимы: для возможности свободной укладки сборных элементов при монтаже (зазор не менее 10 мм ); для возможности замоноличивания швов между элементами (зазор не менее 30 мм при высоте элементов более 250 мм , п.5.51 СНиП [2]). Устраиваем зазоры (рис.3.1): Δ = 30 мм , Δ1 = 10 мм , тогда конструктивные размеры панели будут такими: длина l k = ln - Δ = 7 800 - 30 = 7 770 мм , ширина bk = bn - Δ1 =1 300 - 10 = 1 290 мм . Принимаем величину уступа в поперечном сечении ребристой панели δ = 15 мм , тогда зазор Δ2 : Δ2 = Δ1 + 2δ = 10 + 2 · 15 = 40 мм > 30 мм , требования СНиП выполнены. 3.4.2 Ширина продольного ребра панеливнизу (b 1 ) принимается из условия обеспечения требуемой толщины защитного слоя бетона b 1 ≥ 70…80 мм , принимаем b 1 = 80 мм . вверху (b 2 ) принимается из условия обеспечения уклона граней ребра, равного 1/10: в рёбристой панели: в панели типа "2Т": средняя ширина
: 3.4.3 Размеры полки (плитной части)ширина (расстояние в свету между продольными рёбрами): в ребристой панели: в панели типа 2Т: толщина h ¢ f ≥ 50…60 мм , принимаем h ¢ f = 60 мм . Поперечные рёбра Поперечные ребра панели предусматриваются по её краям, и иногда - по длине пролета (мы их устанавливать не будем). Размеры поперечных ребер назначаем конструктивно (см. рис.3.1.) 3.5 Эквивалентное поперечное сечение панелиПри расчете фактическое поперечное сечение панели заменяется эквивалентным тавровым сечением (рис.3.2.) Оно имеет ту же площадь и те же основные размеры. В расчетах на трещиностойкость, которые мы выполнять не будем, используется приведённое сечение: площадь сечения арматуры приводится к площади сечения бетона, исходя из равенства их деформаций.
Рис.3.1 - Поперечное и продольное сечение рёбристой панели (а) и панели типа "2Т" (б). Рис.3.2 - Эквивалентное поперечное сечение панели. Полная высота сечения равна высоте панели: h = hn = 350 мм . Полезная (рабочая) высота сечения h 0 = h - a , где а - расстояние от нижней растянутой грани сечения до центра тяжести продольной рабочей арматуры. Принимаем а = 3 см , тогда h 0 = 35 - 3 = 32 см . Толщина стенки эквивалентного сечения равна суммарной толщине ребер: b = 2bm = 2·9 = 18 см . Толщина полки h ¢ f = 6 см . Участки полки, удаленные от ребра, напряжены меньше, чем соседние участки. Поэтому ширина свеса полки в каждую сторону от ребра bef ограничивается двумя условиями (п.3.16 СНиП [2]); она должна быть: не более 1/6 пролета элемента: bef ≤ l /6 = 7800/6 = 1300 мм. в рёбристой панели, когда расстояние между поперечными ребрами больше, чем между продольными: при h ¢f ≥ 0,1h : bef ≤ с /2 при h ¢ f < 0,1h : bef ≤ 6 h ¢ f В панели типа "2Т": bef ≤ c 1 , а также: при h ¢ f ≥ 0,1h : bef ≤ 6 h ¢ f при 0,05 h ≤ h ¢ f < 0,1h : bef ≤ 3 h ¢ f при h ¢ f < 0,05 h : свесы не учитываются В данной рёбристой панели 0,1h = 0,1·35 = 3,5 см < h ¢ f = 6 см , поэтому bef ≤ c /2 = 106/2 = 53 см . Принимаем bef = 53 см , тогда принимаемая в расчете ширина полки b ¢ f : b ¢ f = 2 b 2 + 2 bef = 2·10 + 2·53 = 126 см . В панели типа "2Т": b ¢ f = 2 b 2 + 2 bef + с . 3.5 Подбор продольной рабочей арматуры панелиОпределение требуемой продольной рабочей арматуры производят с помощью вспомогательного коэффициента А0 :
Все величины в расчётных формулах рекомендуется брать в кН и см: М = 119,04 кН = 11 904 кН·см; Rb = 22 МПа = 2,2 кН/см2 . По значению коэффициента А 0 находим значения относительной высоты сжатой зоны ξ = x / h 0 и относительного плеча внутренней пары сил η0 = z 0 / h 0 , используя специальную таблицу или предлагаемые аналитические зависимости:
η0 = 1 - 0,5ξ = 0,976. Фактическая высота сжатой зоны: х = ξ h 0 = 0,0477×32 = 1,53 см < hf ´ = 6 см , поэтому граница сжатой зоны находится в пределах полки. Для напрягаемой арматуры необходимо использовать коэффициент условий работы γs6 , который учитывает увеличение сопротивления арматуры при её деформациях за границей условного предела текучести; этот коэффициент определяется по формуле (27) СНиП [2]:
где η - коэффициент, учитывающий класс арматуры; для арматуры класса А-VI η=1,10 (п.1.13. СНиП [2]). Тогда
поэтому принимаем γs6 = η = 1,10. Требуемая площадь сечения продольной рабочей арматуры:
По сортаменту арматуры назначаем диаметр стержней так, чтобы он был не менее требуемой величины А s . Число стержней - 2, по одному в каждом ребре. Принимаем 2 Æ 18 А 1000 (А- VI), А s = 5,09 см 2 . Сортамент арматуры можно найти в Приложении 3. Не следует создавать излишний запас прочности элемента. Переармированные элементы не только неэкономичны, но и опасны (см. Приложение 5). Толщина защитного слоя бетона а b продольной рабочей арматуры, необходимого для предохранения её от коррозии, должна составлять (п.5.5 СНиП [2]): не менее диаметра стержня: а b ≥ d = 18 мм , не менее 20 мм (в ребрах высотой h ≥ 250 мм ): а b ≥ 20 мм . Защитный слой бетона - это толщина слоя бетона от грани элемента до ближайшей поверхности арматурного стержня. Фактическая толщина защитного слоя: а b = а - 0,5 d = 30 - 0,5·18 = 21 мм > 20 мм , значит, требования СНиП по величине защитного слоя выполнены. Если бы указанные требования не выполнялись, расстояние а пришлось бы увеличить, а расчёт (п.3.6.) произвести заново. 3.6 Конструирование поперечной рабочей арматуры панелиКонструирование поперечной арматуры заключается в выборе класса, диаметра и шага поперечных стержней. Обычно конструирование сопровождается расчётом, в результате которого устанавливается, обеспечена ли прочность элемента по наклонному сечению. Однако, учитывая сравнительно небольшой объем курсового проекта, ограничимся лишь конструированием. Используем поперечную арматуру из проволоки класса Вр-I, диаметром 5 мм (Æ5Вр-I). Шаг поперечной арматуры назначаем не основе конструктивных требований п.5.27 СНиП [2]: на приопорных участках длиной, равной ¼ пролета l 0 = l /4 = 7,8/4 = 1,95 м при высоте сечения h ≤ 450 мм (в данном случае h = 350 мм ) шаг поперечной арматуры должен быть не более:
S 1 £ 150 мм . Принимаем S 1 = 150 мм (кратно 50 мм ), см. прил.1 . на остальной части пролёта при высоте сечения h > 300 мм шаг поперечной арматуры должен быть не более:
S 2 £ 500 мм . Принимаем S2 = 250 мм (кратно 50 мм ). При h ≤ 300 мм поперечную арматуру на этом участке допускается не устанавливать. Поперечные стержни входят в состав плоского каркаса, которому присвоим марку К-1 (см. арматурные чертежи в графической части). Продольные стержни этого каркаса принимаем конструктивно, из арматуры Æ8А-I. Для возможности свободной укладки каркаса в форму концы всех его стержней должны отстоять от грани элемента на 10 мм (п.5.9 СНиП [2]). Величина защитного слоя бетона для поперечной и конструктивной арматуры в рёбрах высотой h ≥ 250 мм должна быть не менее диаметра стержня и не менее 15 мм (п.5.6 СНиП). Продольная напрягаемая арматура не входит в состав никаких каркасов, так как приварка к ней стержней ухудшает её прочностные свойства. Поперечные ребра армируем каркасами К-2. Используем те же виды арматуры, что и для каркаса К-1. Шаг стержня назначаем конструктивно (например, 200 мм ). 3.7 Расчет полки панели на местный изгиб3.7.1 Общие соображенияПлитная часть панели (или просто плита ), называемая в тавровом сечении полкой , работает на изгиб как пластина, опёртая по контуру на продольные и поперечные ребра. Работа плиты под действием нагрузок зависит от соотношения сторон опорного контура. При отношении сторон l 2 /l 1 > 2 (рис.3.3, а), плиты работают в направлении меньшей стороны, а в другом направлении за них работают рёбра. Такие плиты называются балочными , так как их рассчитывают как балки пролётом l 1 , выделяя из них полосы шириной b = 1 м . При отношении сторон l 2 /l 1 ≤ 2 (рис.3.3, б), что бывает, например, при частом расположении поперечных рёбер, плиты работают в двух направлениях в плане и их называют за это плитами, опёртыми по контуру . Изгибающие моменты в таких плитах меньше, чем в балочных, поэтому опёртые по контуру плиты являются более эффективными. Следует помнить, что в запас прочности расчёт такой плиты можно провести и по балочной схеме. Очевидно, что в нашей панели перекрытия, у которой поперечные ребра расположены только по краям, имеем дело с балочной плитой. 3.7.2 Нагрузки на полку панелиРавномерно распределённая нагрузка на полку панели с несущественным превышением может быть принята такой же, как и для всей плиты (табл.2.1). Линейную расчётную нагрузку определяем сбором поверхностной нагрузки с условной ширины b = 1 м : q = P 0 b γn = 13,091·1,0·0,95 = 12,436 кН /м . 3.7.3 Расчётная схема полки, внутренние усилияВ рёбристой панели расчётная схема полки принимается в виде балки с жёсткой заделкой на концах (рис.3.4, а), в панели типа 2Т - в виде двухопорной консольной балки (рис.3.4, б). Расчётный изгибающий момент: в рёбристой панели (с учётом перераспределения усилий):
в панели типа 2Т:
3Рис.3.3. Плиты балочные (а) и опёртые по контуру (б). 3Рис.3.4. Внутренние усилия в полке рёбристой панели (а) и панели типа 2Т (б); условное поперечное сечение полки (в). 3.7.4 Поперечное сечение полкиУсловное поперечное сечение полки (рис.3.4, в) - прямоугольное, шириной b = 100 см , высотой h ¢ f = 6 см . Плита армируется сеткой из арматуры Æ5В 500, Rs = 410 МПа . Минимальная толщина защитного слоя бетона в плитах толщиной до 100 мм составляет а b = 10 мм (п.5.5 СНиП [2]). Тогда минимально необходимое расстояние от нижней грани сечения до центра тяжести арматуры (диаметром d = 5 мм ): а = а b + 0,5d = 100 + 0,5·5 = 12,5 мм , принимаем а = 15 мм . Рабочая высота сечения h 0 = h ¢ f - a = 6 - 1,5 = 4,5 см . 3.7.5 Подбор рабочей арматурыПараметр А
0
: Относительная высота сжатой зоны: Относительное плечо внутренней пары сил: η = 1 - 0,5ξ = 0,984. Требуемая площадь арматуры: По сортаменту арматуры определяем, что нам необходимо не менее четырех стержней, площадь сечения 4Æ5 В 500 равна А s = 0,79 см 2 . Шаг арматурных стержней тогда составит: Шаг продольной рабочей арматуры сетки при высоте плиты до 150 мм должен составлять не более 200 мм (п.5.20 СНиП [2]), поэтому принимаем S = 200 мм (кратно 50 мм ). 3.7.6 Конструирование сетокВыбранная рабочая арматура располагается параллельно короткой стороне сетки. В направлении длиной стороны арматуру ставим конструктивно: принимаем стержни Æ4В 500 с шагом 200 мм (допускается не более 200 мм , кратно 50 мм ). Арматурная сетка размещается в растянутой зоне сечения полки, положение которой определяется по эпюре изгибающих моментов (рис.3.4). В рёбристой панели используется две сетки: пролётные моменты воспринимают сетки С-1, установленные у нижней грани сечения; опорные моменты воспринимают аналогичные, но более узкие сетки С-2 (2 шт.), установленные у верхней грани сечения. В панели типа 2Т используется одна сетка С-1, расположенная у нижней грани сечения; вблизи ребер и на консолях стержни сетки переводятся в верхнюю зону. Шаг стержней у краев сетки может отличаться от основного (в меньшую сторону, кратно 10 мм ). 3.8 Рабочие чертежи панели перекрытияНа основе полученных в ходе расчета и конструирования данных выполняем арматурные чертежи панели перекрытия. На них показывается размещение арматуры в сечении элемента, и, кроме того, вычерчиваются отдельно арматурные каркасы и сетки. Эти чертежи являются рабочими: по ним будет изготавливаться конструкция, поэтому они должны обладать достаточной степенью детализации . Для того чтобы оперативно определять, какое количество арматуры нужно для изготовления железобетонного изделия, на рабочих чертежах приводятся эти сведения в виде таблицы, которую принято называть спецификацией арматуры . 4. Расчет и конструирование ригеля перекрытия4.1 Прочностные и деформативные характеристики бетона и арматурыБетон Используем тяжелый бетон класса В25 (по заданию), подвергнутый тепловой обработке при атмосферном давлении. Расчетные сопротивления бетона (табл.13 СНиП [2]): сжатию Rb = 14,5 МПа , растяжению Rbt = 1,05 МПа . Коэффициент условий работы, учитывающий длительность действия нагрузки γ b 2 = 0,9 (табл.15 СНиП [2]). Начальный модуль упругости бетона Е b = 27 000 МПа ( табл.18 СНиП [2]). Арматура Продольная рабочая арматура - ненапрягаемая, класса А400 (А- III) диаметр Æ10…40 мм. Расчётное сопротивление растяжению Rs = 365 МПа (табл.22* СНиП [2]). Модуль упругости арматуры Es = 200 000 МПа (табл.29* СНиП [2]). Поперечная рабочая арматура - также класса А400 (А- III). Расчетное сопротивление растяжению поперечной арматуры (табл.22* СНиП [2]): Rsw = 285 МПа (Æ6…8 мм), Rsw = 290 МПа (Æ10…40 мм). Если диаметр поперечных стержней меньше 1/3 диаметра продольных стержней, значение Rsw = 255 МПа (примеч. к табл.22* СНиП [2]). 4.2 Подбор продольной рабочей арматуры ригеляРасчетное поперечное сечение ригеля - прямоугольное (рис.4.1). Размеры сечения установлены в процессе компоновки конструктивной схемы каркаса (п.1.5): высота h = 750 мм , ширина b = 250 мм . Арматура располагается в растянутой зоне сечения, положение которой определяется по эпюре изгибающих моментов в ригеле: в пролёте - внизу, на опоре - вверху. Арматуру располагаем в два ряда, чтобы иметь возможность не ставить (обрывать) часть стержней там, где они не требуются по расчёту. Порядок подбора продольной рабочей арматуры в ригеле такой же, как и в панели перекрытия. Результаты подбора арматуры приведены в табл 4.1. Рабочая высота сечения: h 0 = h - a , где а - расстояние от растянутой грани сечения до центра тяжести продольной рабочей арматуры; принимается в пределах а = 4…10 см (задаётся по своему усмотрению, при этом чем больше изгибающий момент в сечении, тем больше должно быть это расстояние).
Рис.4.1 Расчётное поперечное сечение ригеля: а - в пролёте, б - на средних опорах. Условный параметр А
0
: Относительная высота сжатой зоны: Относительное плечо внутренней пары сил: η = 1 - 0,5ξ Требуемая площадь сечения арматуры: Подбираем по сортаменту необходимый диаметр стержня, учитывая, что число стержней в сечении - 4. Арматура подбирается для трех сечений ригеля: 1 - сечение в крайнем пролете (М 11 ); 2 - сечение в левой средней опоре (М 21 = М 23 ); 3 - сечение в среднем пролете (М 22 ). На средней опоре используется расчётный изгибающий момент в сечении ригеля по грани колонны (п.2.4.3 ). Граничная относительная высота сжатой зоны:
где ω = a - 0,008 Rb gb 2 = 0,85 - 0,008 × 14,5 × 0,9 = 0,7456; σ sR = Rs = 365 МПа (для ненапрягаемой арматуры). Толщина защитного слоя бетона а b для продольной рабочей арматуры должна составлять (п.5.5 СНиП [2]): не менее диаметра стержня: а b ≥ d , не менее 20 мм в балках высотой h ≥ 250 мм : а b ≥ 20 мм . Расстояние в свету между стержнями продольной рабочей арматуры а s должно составлять (п.5.5 СНиП [2]): не менее наибольшего диаметра стержня: а s ≥ d , не менее 25 мм для нижней арматуры и 30 мм для верхней: а s ≥ 25 (30) мм . Расстояния по высоте между осями арматурных стержней (рис.4.1) должны назначаться с учётом этих требований, а также кратными 5 мм : а 1 ³ а b + 0,5d , кратно 5 мм ; а 2 ³ а s + d , кратно 5 мм . Тогда расстояние от растянутой грани сечения до центра тяжести продольной рабочей арматуры составит: а = а 1 + 0,5а 2 . Если оно сильно отличается от принятого ранее, особенно в большую сторону, то прочность может быть не обеспечена и расчёт необходимо провести заново. Если это расстояние отличается не сильно и площадь арматуры взята с запасом, расчёт можно не повторять. Окончательно это выяснится в табл.4.2. 4.3 Подбор продольной рабочей арматуры ригеляТаблица 4.1.
4.4 Подбор поперечной рабочей арматуры ригеля4.4.1 Конструирование поперечной арматурыДиаметр стержней поперечной арматуры d принимается из условия ее свариваемости с продольной арматурой наибольшим диаметром D = 36 мм : d ≥ 0,25D = 0,25·36 = 9 мм . Чтобы расчётное сопротивление поперечной арматуры не снижалось (п.4.1), её диаметр должен составлять d ≥ D /3 = 36/3 = 12 мм . Окончательно диаметр назначим после расчёта. Если по расчёту поперечная арматура требоваться не будет, её диаметр примем только исходя из указанных здесь условий. Шаг стержней поперечной арматуры назначается в соответствии с конструктивными требованиями п.5.27 СНиП [2], затем проверяется расчетом прочности по наклонному сечению. На приопорных участках длиной L 0 = L /4 = 7,8/4 = 1,95 м при высоте сечения h > 450 мм (в данном случае h = 750 мм )
S 1 £ 500 мм . Принимаем S 1 = 250 мм (кратно 50 мм ), см. прил.1 . На остальной части пролета при h >300 мм :
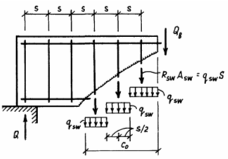
S 2 £ 500 мм . Принимаем S 2 = 500 мм (кратно 50 мм ). 4.4.2 Общие соображения по расчёту прочности наклонных сеченийДля обеспечения прочности элемента по наклонному сечению необходимо провести три расчёта: Расчёт на действие поперечной силы по наклонной трещине. Расчёт на действие изгибающего момента по наклонной трещине. Расчёт на действие поперечной силы по наклонной полосе между наклонными трещинами. Расчёт на действие изгибающего момента допускается не проводить, если все стержни продольной арматуры доведены до опоры и имеют надёжную анкеровку . В данном случае некоторые стержни не доводятся до опоры, но отвечают определённым конструктивным требованиям, которые учтены в п.4.4., поэтому расчёт на действие изгибающего момента выполнять не будем. Анкеровка арматуры - обеспечение восприятия арматурой действующих на неё усилий путём заведения её на определённую длину за расчётное сечение или устройства на её концах специальных анкеров. Расчет прочности ригеля по наклонному сечению на действие поперечной силы проведем для сечения, в котором значение Q максимальное (сечение слева от средней опоры ригеля), Q = Q 21 = 470,27 кН , см. п.2.4.3 . Установленный в результате расчёта шаг поперечной арматуры в целях унификации принимаем и возле остальных опор. При необходимости можно провести соответствующие расчёты и увеличить шаг арматуры. 4.4.3 Расчет на действие поперечной силы по наклонной трещине1-й этап. Установим необходимость проведения расчёта. Поперечное усилие в сечении с наклонной трещиной воспринимает бетон (Qb ) и поперечная арматура (Qsw ). Расчетная схема усилий приведена на рис.4.2.
Рис.4.2 Схема усилий в наклонном сечении изгибаемого элемента при расчёте по прочности. Минимально возможное значение поперечного усилия, воспринимаемого бетоном (по ф-ле п.3.31* СНиП [2]): Qb , min = jb 3 Rbt gb 2 bh 0 = 0,6×0,105×0,9×25×65,75 = 93,20 кН < Q = 470,27 кН . здесь jb 3 - коэффициент, учитывающий вид бетона; для тяжелого бетона jb 3 = 0,6. В качестве рабочей высоты сечения принимается фактическое значение h 0 в крайнем пролёте из табл.4.1. Если Q < Qb , min , то поперечная арматура по расчёту не требуется. Фактически бетон может воспринимать большее усилие, чем Qb , min , поэтому уточним значение Qb . В общем случае расчета принимается, что поперечное усилие распределяется поровну между бетоном и поперечной арматурой: Qb = Qsw = Q / 2 = 470,27/2 = 235,14 кН . Параметр, характеризующий сопротивление бетона образованию наклонных трещин: Mb = jb 2 Rbt gb 2 bh 0 2 = 2,00×0,105×0,9×25×65,752 = 20 426 кН ×см ; здесь jb 2 - коэффициент, учитывающий вид бетона; для тяжелого бетона jb 2 = 2,00. Длина проекции опасной наклонной трещины на продольную ось элемента из ф-лы (76) СНиП [2]:
Величина с 0 принимается в пределах h ≤ с 0 ≤ 2h 0 = 2·65,75 = 131,5 см . Указанное условие выполняется, и мы оставляем с 0 без изменения. Когда условие не выполняется, то с 0 принимается равным верхнему или нижнему пределу (например, если получается с 0 > 2h 0 , то следует принимать с 0 = 2h 0 ). Поперечное усилие, воспринимаемое бетоном:
Получили Qb < Q , значит бетон не может воспринять всё усилие и поперечная арматура требуется по расчёту. 2-й этап. Найдём шаг поперечной арматуры, необходимой по расчёту. Необходимая интенсивность поперечного армирования из ф-лы (82) СНиП [2]:
В соответствии с ф-лой (33) СНиП [2] величина qsw принимается не менее:
qsw = 2,707 кН/см > 0,709 кН/см , условие выполняется. Требуемый диаметр поперечных стержней из формулы (81) СНиП [2]:
В поперечном сечении ригеля устанавливается два каркаса с поперечной арматурой, поэтому принимаем по сортаменту 2 Æ14 А 400 (А- III), ( А sw = 3,08 см 2 ). Условие d ≥ D /3 выполняется: d = 14 мм > 36/3 = 12 мм . Максимально допустимый шаг, свыше которого трещины появляются между поперечными стержнями и усилия полностью передаются на бетон:
условие S ≤ S max выполняется. 3-й этап (проверочный). Найдём несущую способность наклонного сечения с принятым армированием. Интенсивность поперечного армирования (усилие в поперечных стержнях, отнесённое к единице длины элемента):
Длина проекции опасной наклонной трещины по ф-ле (80) СНиП [2]:
Поперечное усилие, воспринимаемое бетоном:
Поперечное усилие, воспринимаемое арматурой: Qsw = qsw с 0 = 3,573×75,61 = 270,15 кН . Как уже отмечалось, Qb = Qb + Qsw = 270,15 + 270,15 = 540,30 кН > Q = 470,27 кН . Таким образом, прочность элемента на действие поперечной силы по наклонной трещине обеспечена. Проверка: поперечные усилия, воспринимаемые бетоном и арматурой, примерно равны , что подтверждает правильность принятой ранее предпосылки. 4.4.3 Проверка прочности на действие поперечной силы по наклонной полосе между наклонными трещинамиКоэффициент, учитывающий вид бетона: jb 1 = 1 - bRb gb 2 = 1 - 0,01×14,5×0,9 = 0,870. Здесь β = 0,01 для тяжелого бетона; Rb следует брать в МПа . Коэффициент приведения площади сечения арматуры к площади сечения бетона (отношение модулей упругости):
Коэффициент поперечного армирования сечения:
Коэффициент, учитывающий влияние поперечной арматуры:
Условие проверки (ф-ла (72) СНиП [2]):
Q = 470,27 кН < 661,21 кН . Проверка выполняется, значит прочность сечения на действие поперечной силы по наклонной полосе между наклонными трещинами обеспечена. Все необходимые расчеты теперь выполнены, и мы размещаем стержни арматуры в соответствии с принятым шагом, показывая их на арматурных чертежах. Это пригодится для следующего расчёта, который будет частично графическим. 4.5 Обрыв продольной арматуры в пролётеВ целях экономии металла часть продольной арматуры (не более 50% расчётной площади) может не доводиться до опор, а обрываться в пролете там, где она уже не требуется согласно расчету прочности элемента по нормальным стержням. Обрываемые стержни должны быть заведены за место своего теоретического обрыва на некоторую длину заделки w , на протяжении которой для гарантии условия прочности наклонных сечений на действие изгибающего момента отсутствие обрываемых стержней компенсируется поперечной арматурой. А. Построение эпюры материалов. Вычисляем значение изгибающих моментов, воспринимаемых нормальным сечением железобетонного элемента с полным количеством арматуры (4 стержня) и с уменьшенным ее количеством (2 стержня), используя формулу: Мs = Rs As zb = 36,5×As zb , где zb - плечо внутренней пары сил (расстояние от равнодействующей усилий в продольной арматуре до равнодействующей усилий в сжатой зоне): zb = h 0 - 0,5х , где х - высота сжатой зоны элемента, определяется из условия равенства равнодействующих усилий в растянутой и сжатой зонах сечения:
Результаты расчёта приведены в таблице 4.2. 4.6 Определение несущей способности нормальных сечений ригеляТаблица 4.2.
В последней графе таблицы приведены расчётные значения изгибающих моментов от внешней нагрузки. Для обеспечения прочности нормального сечения необходимо соблюдение условия: Мs ³ М . Для дальнейшего продолжения расчёта необходимо уже начертить схему поперечного армирования ригеля и эпюры внутренних усилий. Найденные значения несущей способности нормального сечения откладываем на эпюре изгибающих моментов от внешних нагрузок. Точки, в которых отложенные ординаты, соответствующие уменьшенному количеству арматуры, пересекаются с эпюрой моментов от внешних нагрузок, являются местами теоретического обрыва продольных стержней . Измеряем координаты этих точек от опор l , соответствующие им значения поперечных сил Q и шага поперечной арматуры S ; заносим эти данные в таблицу 4.3 Наносим штриховку в зонах запаса прочности, в результате получаем так называемую эпюру материалов . Б. Определение длины заделки арматурных стержней. Длина стержня w , на которую он должен быть заведён за место своего теоретического обрыва, определяется из условия обеспечения прочности наклонного сечения на действие изгибающего момента:
где D - диаметр продольного стержня, Q - расчётное поперечное усилие в месте теоретического обрыва стержня, qsw - интенсивность поперечного армирования (частично она определена в п.4.3.3):
Кроме того, из условия обеспечения надежной анкеровки расстояние w принимается не менее 20 диаметров продольного стержня: w ³ 20D . Определение длины заделки w продольных арматурных стержней производится в табл.4.3 Принятая в качестве окончательной длины заделки w 0 (кратно 50 мм ) указывается на эпюре материалов. Обратите внимание, что величина w 0 является минимально необходимой; фактически обрываемый стержень необходимо завести за ближайший продольный стержень на величину не менее диаметра обрываемого стержня D . 4.7 Определение длины заделки арматурных стержнейТаблица 4.3.
4.8 Определение экономического эффекта от снижения расхода арматурыТаблица 4.4.
4.9 Конструктивное армирование ригеля, опорный узелВ соответствии с п.5.21. СНиП [2] в изгибаемых элементах при высоте сечения h > 700 мм у боковых граней должны ставиться конструктивные продольные стержни с расстояниями между ними по высоте не более 400 мм . Устанавливаем посередине высоты сечения арматурные стержни Æ10А-I. Плоские сварные каркасы К-1 (2 шт.) объединяем в пространственный каркас с помощью горизонтальных поперечных стержней, устанавливаемых через 1,0.1,5 м . Стык ригеля и колонны. В верхней части стыка выпуски арматуры из колонны и ригеля соединяются вставкой арматуры на ванной сварке , затем полость стыка замоноличивается. Вставка арматуры повышает точность монтажного соединения в случае нарушения соосности выпусков арматуры. В нижней части стыка монтажными сварными швами соединяются закладные детали колонны и ригеля. Температурный зазор между торцом ригеля и гранью колонны может составлять 60…100 мм . 5. Расчёт и конструирование колонны5.1 Подбор продольной арматурыВ колоннах средних рядов здания изгибающие моменты М незначительны, поэтому можно принять, что колонна воспринимает только продольные усилия N и работает в условиях внецентренного сжатия со случайным эксцентриситетом. При действии значительных изгибающих моментов М колонна является внецентренно сжатой с расчётным эксцентриситетом e = M/N. Подбор продольной арматуры достаточно провести для наиболее нагруженной колонны 1-го этажа, а в колонных остальных этажей принять его таким же. Расчётное продольное усилие в колонне 1-го этажа: Nk = 2 175 кН (п.2.4.4). Расчётная длина колонны принимается равной высоте этажа: l 0 = Нэ = 4,2 м . Классы бетона и арматуры для колонны принимаются такими же, как и у ригеля перекрытия (п.4.1). Коэффициент длительности действия нагрузки gb 2 = 0,9. Продольное армирование колонны назначается из условия прочности, которое имеет вид: Nk £ j (Rb gb2 A + Rsc As,tot ), где j - коэффициент, учитывающий влияние продольного изгиба; принимается по справочной таблице в зависимости от отношения расчётной длины колонны к её ширине: l 0 /hk = 4,2/0,45 = 9,33; тогда коэффициент j = 0,9.
А - площадь поперечного (бетонного) сечения колонны: A = (bk ) 2 = 452 = 2025 см 2 . Rsc - расчётное сопротивление продольной арматуры сжатию; для арматуры класса A-III (А400) Rsc = 365 МПа . As , tot - суммарная площадь продольной арматуры колонны, которую необходимо определить в результате расчёта. Требуемая площадь продольной арматуры As , tot назначается из двух условий: из условия прочности:
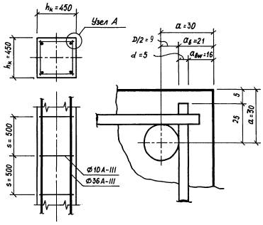
из условия обеспечения минимального коэффициента армирования m min = 0,002 (0,2%): As,tot ³ 2A×m min = 2×2025×0,002 = 8,1 см 2 . Принимаем по сортаменту As , tot = 10,18 см 2 (4 Æ18 A 400). Устанавливаем 4 арматурных стержня по углам колонны (рис.5.1). Допускается применять для армирования колонны 6 стержней, однако в данном случае этот вариант является менее выгодным. 5.2 Конструирование поперечной арматуры колонныПоперечная арматура в колоннах устанавливается в целях: Образования пространственных каркасов. Предотвращения выпучивания продольных стержней. Сдерживания поперечных деформаций бетона. Диаметр поперечной арматуры d назначается из условия свариваемости с продольными арматурными стержнями диаметром D : d ³ 0,25D = 0,25×18 = 4,5 мм . Принимаем поперечную арматуру Æ5 A 400 . Шаг поперечных арматурных стержней не должен превышать s £ 20D = 20×18 = 360 мм ; s £ 500 мм . Принимаем s = 350 мм (кратно 50 мм ). Для усиления концевых участков у торцов колонн дополнительно устанавливаем сетки косвенного армирования из арматуры Æ8 A-I, размер ячеек 50´50 мм . Назначаем 5 сеток с шагом 75 мм. Толщина защитного слоя бетона а b для продольной рабочей арматуры колонны (см. рис.5.1) должна составлять (п.5.5 СНиП [2]): не менее диаметра стержня: а b ≥ D = 18 мм , не менее 20 мм : а b ≥ 20 мм . Требуемое расстояние от наружной грани колонны до центра тяжести продольной арматуры: а ³ а b + 0,5D = 21 + 0,5·18 = 29 мм . Принимаем a = 30 мм , тогда фактическая толщина защитного слоя: а b = а - 0,5D = 30 - 0,5·18 = 21 мм > 18 мм . Толщина защитного слоя бетона а bw для поперечной арматуры колонны должна составлять (п.5.5 СНиП [2]): не менее диаметра стержня: а bw ≥ d = 5 мм , не менее 15 мм : а bw ≥ 15 мм . Фактическая толщина защитного слоя: а bw = а b - d = 21 - 5 = 16 мм > 15 мм . Таким образом, требования по величине защитного слоя выполнены.
Рис.5.1 Размещение арматуры в поперечном сечении колонны. 6. Расчёт и конструирование фундамента6.1 Общие соображенияПроектируем отдельный монолитный фундамент мелкого заложения под колонну. Основные понятия: обрез фундамента - это его верхняя грань, подошва фундамента - это нижняя грань, основание - это грунт под подошвой фундамента, глубина заложения подошвы фундамента - это расстояние от наружной поверхности земли до подошвы фундамента. Глубина заложения подошвы фундамента назначается исходя из инженерно-геологических условий площадки строительства, климатических воздействий на верхние слои грунта (в том числе условий промерзания грунта), а также конструктивных особенностей возводимого и соседних сооружений и составляет (по заданию) df = 1,3 м . Пол 1-го этажа выполняется по грунту. Заглубление обреза фундамента относительно уровня пола 1-го этажа: d 0 = 0,15 м . Высота фундамента: hf = df - d 0 = 1,30 - 0,15 = 1,15 м . Расчётное сопротивление грунта основания (по заданию): R 0 = 0,25 МПа = 250 кН /м 2 . Средний удельный вес фундамента с грунтом на его уступах: gm = 20 кН /м 3 . Классы бетона и арматуры для фундамента принимаются такими же, как и у ригеля перекрытия (п.4.1). Коэффициент длительности действия нагрузки gb 2 = 0,9. Под фундаментом предусматривается бетонная подготовка толщиной 100 мм из бетона класса В3,5 . Фундамент под колонну, сжатую со случайным эксцентриситетом, воспринимает в основном только продольную силу, поэтому его можно считать центрально нагруженным. Продольные усилия на уровне верха фундамента допускается принимать такими же, как на уровне пола 1-го этажа (п.2.4.4): нормативное усилие Nk . n = 1947 кН ; расчётное усилие Nk = 2175 кН . Центрально нагруженные фундаменты обычно проектируют квадратными в плане. Внецентренно нагруженные колонны и фундаменты проектируют прямоугольными, при этом широкая сторона располагается в плоскости действия изгибающего момента. Расчёт фундамента состоит из двух этапов. На первом из них проводится расчёт по несущей способности основания, в результате которого определяется площадь подошвы фундамента Af . На втором этапе выполняется расчёт по несущей способности самого фундамента, на основе которого определяются остальные размеры фундамента и площадь рабочей арматуры As , f . 6.2 Определение площади подошвы фундаментаРасчёт по несущей способности основания выполняется на действие нормативных нагрузок с учётом веса фундамента и грунта на его уступах. Расчёт производится из условия, что давление под подошвой фундамента pn не должно превышать расчётное сопротивление грунта основания R 0 :
Тогда требуемая площадь подошвы фундамента:
Необходимый размер стороны подошвы квадратного в плане фундамента:
принимаем af = 3,0 м = 3000 мм (кратно 100 мм ). Фактическая площадь подошвы фундамента: Af = 3002 = 90 000 см 2 . Расчёт по несущей способности конструкции самого фундамента выполняется на действие расчётных нагрузок без учёта веса фундамента и грунта на его уступах. Напряжения под подошвой фундамента в этом случае:
6.3 Определение основных размеров фундаментаВысота фундамента hf = 1,15 м > 0,90 м , поэтому проектируем фундамент трёхступенчатым. Размеры ступеней назначаются таким образом, чтобы внутренние грани ступеней не пересекали прямую, проведённую под углом 45° к грани колонны на уровне верха фундамента (рис.6.1). Указанная прямая определяет границы так называемой пирамиды продавливания .
Рис.6.1 Основные размеры отдельного фундамента под колонну. Определение высоты ступеней Высота ступеней назначается кратной 50 мм . Принимаем высоту первой (нижней) и второй (средней) ступеней h 1 = h 2 = 350 мм , а третьей (верхней) ступени h 3 = 450 мм . Принимаем расстояние от нижней грани фундамента до центра тяжести растянутой арматуры подошвы а = 5 см , тогда рабочая высота фундамента: h 0 = hf - a = 115 - 5 = 110 см . Рабочая высота первой и второй ступеней: h 0,1 = h 1 - a = 35 - 5 = 30 см ; h 0,2 = h 1 + h 2 - a = 35 + 35 - 5 = 65 см . Определение глубины заделки колонны в фундаменте Сборные колонны соединяют с фундаментами путём их заделки в специальные гнёзда (стаканы), оставляемые в фундаментах при бетонировании. Глубина заделки колонны в фундаменте Han должна быть не менее: Han ³ 1,4hk = 1,4×450 = 630 мм ; Han ³ 25D = 25×18 = 450 мм ; здесь D - диаметр продольной арматуры колонны; при классе бетона фундамента ниже В25 требуется Han ³ 30D . Принимаем Han = 630 мм, предусматриваем зазор между нижней гранью колонны и дном стакана в = 50 мм , тогда глубина стакана: Hg = Han + в = 630 + 50 = 680 мм . Толщина дна стакана должна быть не менее 200 мм : tg = hf - Hg = 1150 - 680 = 470 мм > tg , min = 200 мм . Условие выполняется. Определение размеров ступеней в плане. Определяем минимальные размеры ступеней из условия работы фундамента на продавливание: a 2 ³ hk + 2h 3 = 450 + 2×450 = 1350 мм ; a 1 ³ hk + 2 (h 2 + h 3 ) = 450 + 2× (350 + 450) = 2050 мм . Назначаем ширину выноса b 0 всех ступеней примерно одинаковой: b 0 = (af - hk ) /6 = (3000 - 450) /6 = 425 мм . Тогда ширина верхней и средней ступени составит: a 2 = hk + 2b 0 = 450 + 2×425 = 1300 мм < 1350 мм ; a 2 =1350 a 1 = hk + 4b 0 = 450 + 4×555 = 2670 мм > 2050 мм ; a 1 =2050 Консольные вылеты ступеней: l 1 = (af - a 1 ) /2 = (3000 - 2050) /2 = 475 мм ; l 2 = (af - a 2 ) /2 = (3000 - 1350) /2 = 825 мм ; l 3 = (af - hk ) /2 = (3000 - 450) /2 = 1275 мм . Назначаем зазоры между стенками стакана и гранями колонны: поверху d¢ = 75 мм , понизу в = 50 мм . 6.4 Расчёт фундамента на продавливаниеУсловие расчёта фундамента на продавливание имеет вид (формула (107) СНиП [2]): F £ a Rbt gb 2 um h 0, где a - коэффициент, учитывающий вид бетона; для тяжелого бетона a = 1,00; um ×h 0 - площадь боковой поверхности пирамиды продавливания; сторона верхнего основания пирамиды равна ширине колонны hk , сторона нижнего основания a 0 = hk + 2h 0 = 45 + 2×110 = 265 см ; um - среднеарифметическое между периметрами верхнего и нижнего основания пирамиды продавливания: um = (4hk + 4a 0 ) /2 = 2 (hk + h 0 ) = 2× (45 + 110) = 310 см; F - продавливающая сила, равная разности усилий, приложенных к верхнему и нижнему основаниям пирамиды продавливания: F = Nk - psf × (a 0 ) 2 = 2175 - 0,024× (265) 2 = 489,6 кН > 0. Если F < 0, то основание пирамиды продавливания выходит за пределы подошвы фундамента и продавливания не происходит. Предельное усилие, которое может воспринять фундамент из условия работы на продавливание: Fult = a Rbt gb 2 um h 0 = 1,00×0,105×0,9×310×110 = 3222 кН > F = 489,6 кН . Проверка выполняется. 6.5 Проверка прочности плиты по наклонному сечениюРабочая высота нижней ступени фундамента должна соответствовать условию прочности бетона по наклонному сечению на действие поперечной силы при отсутствии поперечного армирования в сечении, начинающемся на нижней границе пирамиды продавливания для первой ступени. Условие расчёта имеет вид: Q £ Qb , min , где Q - поперечное усилие в конце наклонного сечения, вызванное реактивным давлением грунта: Q = psf ×af × (l 1 - h 0,1 ) = 0,024×300× (47,5 - 30) = 126 кН , Qb , min - минимальное поперечное усилие, воспринимаемое бетоном в наклонном сечении: Qb,min = 0,6 Rbt gb 2 a h 0,1 = 0,6×0,105×0,9×300×30 = 510,3 кН > Q = 126 кН , поэтому прочность плиты по наклонному сечению обеспечена. 6.6 Подбор арматуры подошвы фундаментаПод действием реактивного давления грунта psf ступени фундамента работают на изгиб как консольные элементы (см. рис.6.1). Растягивающие усилия воспринимает продольная арматура, расположенная возле подошвы фундамента. Подбор продольной арматуры производится для сечений, проходящих по грани средней ступени (1-1), по грани верхней ступени (2-2) и по грани колонны (3-3). Расчётный изгибающий момент в каждом исследуемом сечении определяется как в консоли вылетом li :
Плечо внутренней пары сил при расчёте фундамента допускается принимать равным zb = 0,9h 0 . Тогда требуемая площадь сечения арматуры составит:
где для арматуры класса А 400 (А-III) расчётное сопротивление Rs = 36,5 кН /см 2 . Расчёт требуемой площади арматуры для трёх сечений приведён в табл.6.1. Таблица 6.1. Определение площади арматуры подошвы фундамента
Фундаментные плиты армируют по подошве сварными сетками; диаметр арматуры составляет 10…16 мм , шаг стержней s = 100…200 мм [4]. Применим для армирования сетку с ячейками 100´100 мм , расстояние от вертикальной грани подошвы до первого стержня назначим равным 50 мм . Тогда в каждом направлении сетка будет состоять из af /100 = 3000/100 = 30 стержней. Требуемая площадь одного стержня: As ,1 ³ 16, 20/30 = 0,54 см 2 . Принимаем в итоге по сортаменту 38 Æ10 А 400 (А -III), шаг s = 100 мм ; площадь одного стержня А s ,1 = 0,785 см 2 , всех стержней А s , f = 38 А s ,1 = 29,83 см 2 . Толщина защитного слоя бетона фундамента ab должна быть выше минимально допустимой ab , min (при наличии подготовки под фундаментом ab , min = 35 мм ): ab = a - 0,5D = 50 - 0,5×10 = 45 мм > ab ,min = 35 мм . Условие выполняется. Процент армирования (для сечения 1-1):
В пределах глубины стакана дополнительно предусматриваем 5 сеток конструктивного поперечного армирования из стержней Æ8A-I, устанавливаемых с шагом s = 150 мм , причём верхняя сетка находится на расстоянии s 0 = 50 мм от верха стакана. Список литературы1. СНиП 2.01.07 - 85*. Нагрузки и воздействия. / Госстрой России. - М.: ФГУП ЦПП, 2004. - 44 с. 2. СНиП 2.03.01 - 84*. Бетонные и железобетонные конструкции. / Госстрой России. - М.: ФГУП ЦПП, 2001. - 76 с. 3. СНиП 52 -01 -2003. Бетонные и железобетонные конструкции. Основные положения. - М.: ФГУП ЦПП, 2004. - 24 с. 4. СП 52-101-2003. Свод правил по проектированию и строительству. Бетонные и железобетонные конструкции без предварительного напряжения арматуры. ГУП "НИИЖБ". - М.: ФГУП ЦПП, 2004. - 54 с. 5. СП 52-102-2004. Свод правил по проектированию и строительству. Предварительно напряженные железобетонные конструкции. ГУП "НИИЖБ". - М.: ФГУП ЦПП, 2005. - 38 с. 6. Байков В.Н., Сигалов Э.Е. Железобетонные конструкции. Общий курс: Учебник для ВУЗов. - М.: Стройиздат, 1991. - 767 с. 7. Бондаренко В.М., Римшин В.И. Примеры расчёта железобетонных и каменных конструкций: Учеб. пособие. - М.: Высш. шк., 2006. - 504 с. 8. Тимофеев Н.А. Проектирование несущих железобетонных конструкций многоэтажного промышленного здания: Метод. указания к курсовой работе и практическим занятиям для студентов спец. "Строительство ж. д., путь и путевое хозяйство". - М.: МИИТ, 2004. - 48 с. ПриложениеГрафическая часть Лист 1. План и поперечный разрез здания (М 1: 200). Лист 2. Армирование панели перекрытия (М 1: 10), спецификация арматуры. Лист 3. Армирование ригеля перекрытия (М 1: 50), конструктивное решение опорного узла (М 1: 20) Лист 4. Армирование фундамента под колонну (М 1: 50).
Армирование панели перекрытия(М 1:10)
|
|||||||||||||||||||||||||||||||||||||||||||||||||||||||||||||||||||||||||||||||||||||||||||||||||||||||||||||||||||||||||||||||||||||||||||||||||||||||||||||||||||||||||||||||||||||||||||||||||||||||||||||||||||||||||||||||||||||||||||||||||||||||||||||||||||||||||||||||||||||||||||||||||||||||||||||||||||||||||||||||||||||||||||||||||||||||||||||||||||||||||||||||||||||||||||||||||||||||||||||||||||||||||||||||||||||||||||||||||||||||||||||||||||||||||||||||||||||||||||||||||||||||||||||||||||||||||||||||||||||||||||||||||||||||||||||||||||||||||||||||||||||||||||||||||||||||||||||||||||||||||||||||||||||||||||||||||||||||||||||||||||||||||||||||||||||||||||||||||||||||||||||||||||||||||||||||||||||||||||||||||||||||||||||||||||||||||||||||||||||||||||||||||||||||||||||||||||||||||||||||||||||||||||||||||||||||||||||||||||||||||||||||||||||||||||||||||||||||||||||||||||||||||||||||||||||||||||||||||||||||||||||||||||||||||||||||||||||||||||||||||||||||||||||||||||||||||||||||||||||||
|
|
|
|
Разрез 1-1
(М 1:10)
ПРИМЕЧАНИЯ:
Бетон тяжёлый класса В40. Передаточная прочность при обжатии 20 МПа.
Натяжение напрягаемой арматуры электротермическим способом на упоры. Контролируемое значение предварительного напряжения 800 МПа.
Размещение поперечной арматуры по длине каркаса панели
Пример 1. Панель пролётом 7,8 м.
Длина стержней продольной арматуры на 20 мм меньше конструктивной длины панели lk = 7770 мм :
l = 7770 - 20 = 7750 мм .
Число шагов поперечной арматуры в средней части пролёта при шаге S 2 = 250 мм :
n 2 = 7750/ (2×250) = 15,5;
принимаем n 2 = 15 (в сторону уменьшения). Тогда
S 2 ×n 2 = 250×15 = 3750 мм .
Длина размещения поперечной арматуры у опор:
l 0 = (7750 - 3750) /2 = 2000 мм .
Число шагов поперечной арматуры возле опор при шаге S 1 = 150 мм : n 1 = 2000/150 = 13,3; принимаем n 1 = 13 (в сторону уменьшения).
Тогда
S 1 ×n 1 = 150×13 = 1950 мм .
Остаток по краям составляет:
2000 - 1950 = 50 мм .
Остаток должен составлять не менее диаметра продольного стержня (8 мм ) и не менее 20 мм . Указанные требования выполняются.
Пример 2. Панель пролётом 6,6 м.
Длина стержней продольной арматуры на 20 мм меньше конструктивной длины панели lk = 6570 мм :
l = 6570 - 20 = 6550 мм .
Число шагов поперечной арматуры в средней части пролёта при шаге S 2 = 200 мм :
n 2 = 6550/ (2×200) = 16,3;
принимаем n 2 = 16 (в сторону уменьшения). Тогда
S 2 ×n 2 = 200×16 = 3200 мм .
Длина размещения поперечной арматуры у опор:
l 0 = (6550 - 3200) /2 = 1675 мм .
Число шагов поперечной арматуры возле опор при шаге S 1 = 150 мм :
n 1 = 1675/150 = 11,2;
принимаем n 1 = 11 (в сторону уменьшения).
Тогда
S 1 ×n 1 = 150×11 = 1650 мм .
Остаток по краям составляет:
1675 - 1650 = 25 мм .
Остаток должен составлять не менее диаметра продольного стержня (8 мм ) и не менее 20 мм . Указанные требования выполняются.

Армирование ригеля перекрытия
(М 1:50)

Поперечные сечения ригеля перекрытия
(М 1:20)
|

| Тип панели |
Размеры поперечного сечения, мм |
Нагрузка от собственного веса панели, кН/м 2 |
|
| высота hn |
ширина bn |
||
| Рёбристая |
25…40 |
110…150 |
2,5 |
| 2Т |
30…40 |
2,0 |
|
Характеристики панелей и ригелей перекрытия
| Пролёт L , м |
Характеристики панели перекрытия |
Характеристики ригеля перекрытия |
|||||||
| высота |
номинальная ширина |
число панелей по длине пролёта |
шаг поперечной арматуры, мм |
высота |
ширина |
шаг поперечной арматуры, мм |
|||
| hn , мм |
bn , мм |
S 1 |
S 2 |
hr , мм |
br , мм |
S 1 |
S 2 |
||
| 6 |
300 |
1 200 |
5 |
150 |
200 |
600 |
200 |
200 |
450 |
| 6,6 |
300 |
1 100 |
6 |
150 |
200 |
650 |
250 |
200 |
450 |
| 7,2 |
350 |
1 200 |
6 |
150 |
250 |
700 |
250 |
200 |
500 |
| 7,8 |
350 |
1 300 |
6 |
150 |
250 |
750 |
250 |
250 |
500 |
| 8,4 |
400 |
1 400 |
6 |
150 |
300 |
800 |
300 |
250 |
500 |
| 9 |
450 |
1 500 |
6 |
150 |
300 |
850 |
300 |
250 |
500 |
Нормативные и расчётные сопротивления бетона, начальные модули упругости
| Класс бетона В |
Сопротивления бетона, МПа |
Модуль упругости бетона Eb ×103 , МПа |
||||
| на сжатие |
на растяжение |
|||||
| Rbn |
Rb |
Rbt,n |
Rbt |
естественного твердения |
подвергнутого тепловой обработке |
|
| В5 |
3,5 |
2,8 |
0,55 |
0,37 |
13,0 |
11,5 |
| В7,5 |
5,5 |
4,5 |
0,70 |
0,48 |
16,0 |
14,5 |
| В10 |
7,5 |
6,0 |
0,85 |
0,57 |
18,0 |
16,0 |
| В12,5 |
9,5 |
7,5 |
1,00 |
0,66 |
21,0 |
19,0 |
| В15 |
11,0 |
8,5 |
1,15 |
0,75 |
23,0 |
20,5 |
| В20 |
15,0 |
11,5 |
1,40 |
0,90 |
27,0 |
24,0 |
| В25 |
18,5 |
14,5 |
1,60 |
1,05 |
30,0 |
27,0 |
| В30 |
22,0 |
17,0 |
1,80 |
1, 20 |
32,5 |
29,0 |
| В35 |
26,5 |
19,5 |
1,95 |
1,30 |
34,5 |
31,0 |
| В40 |
29,0 |
22,0 |
2,10 |
1,40 |
36,0 |
32,5 |
| В45 |
32,0 |
25,0 |
2, 20 |
1,45 |
37,5 |
34,0 |
| В50 |
35,0 |
27,6 |
2,30 |
1,55 |
39,0 |
35,0 |
| В55 |
39,5 |
30,0 |
2,40 |
1,60 |
39,5 |
35,5 |
| В60 |
43,0 |
33,0 |
2,50 |
1,65 |
40,0 |
36,0 |
Сортамент стержневой и проволочной арматуры. Площади поперечных сечений проволочной и стержневой арматуры
| Диаметр, мм |
Расчётная площадь поперечного сечения, см2 при числе стержней |
Масса 1 м длины, кг |
|||||
| 1 |
2 |
3 |
4 |
5 |
6 |
||
| 3 |
0,071 |
0,141 |
0,212 |
0,283 |
0,353 |
0,424 |
0,052 |
| 4 |
0,126 |
0,251 |
0,377 |
0,502 |
0,628 |
0,754 |
0,092 |
| 5 |
0, 196 |
0,393 |
0,589 |
0,785 |
0,982 |
1,178 |
0,144 |
| 6 |
0,283 |
0,57 |
0,85 |
1,13 |
1,41 |
1,70 |
0,222 |
| 8 |
0,503 |
1,01 |
1,51 |
2,01 |
2,51 |
3,02 |
0,395 |
| 10 |
0,785 |
1,57 |
2,36 |
3,14 |
3,93 |
4,71 |
0,617 |
| 12 |
1,131 |
2,26 |
3,39 |
4,52 |
5,65 |
6,79 |
0,888 |
| 14 |
1,539 |
3,08 |
4,62 |
6,16 |
7,69 |
9,23 |
1, 208 |
| 16 |
2,011 |
4,02 |
6,03 |
8,04 |
10,05 |
12,06 |
1,578 |
| 18 |
2,545 |
5,09 |
7,63 |
10,18 |
12,72 |
15,27 |
1,998 |
| 20 |
3,142 |
6,28 |
9,42 |
12,56 |
15,71 |
18,85 |
2,466 |
| 22 |
3,801 |
7,60 |
11,40 |
15, 20 |
19,00 |
22,81 |
2,984 |
| 25 |
4,909 |
9,82 |
14,73 |
19,63 |
24,54 |
29,45 |
3,840 |
| 28 |
6,158 |
12,32 |
18,47 |
24,63 |
30,79 |
36,85 |
4,830 |
| 32 |
8,043 |
16,09 |
24,13 |
32,17 |
40,21 |
48,26 |
6,310 |
| 36 |
10,179 |
20,36 |
30,54 |
40,72 |
50,89 |
61,07 |
7,990 |
| 40 |
12,566 |
25,13 |
37,70 |
50,27 |
62,83 |
75,40 |
9,865 |
Диаметры прокатываемой арматуры
| Диаметр, мм |
Стержневая горячекатаная арматура |
Проволочная арматура |
|||||||||
| А240 A-I |
А300 A-II |
А400 A-III |
А500 |
А600 A-IV |
А800 A-V |
А1000 A-VI |
Aт-VII |
В500 Вр-I |
Вр-II |
В-II |
|
| 3 |
+ |
+ |
+ |
||||||||
| 4 |
+ |
+ |
+ |
||||||||
| 5 |
+ |
+ |
+ |
||||||||
| 6 |
+ |
- |
+ |
+ |
+ |
+ |
+ |
||||
| 8 |
+ |
- |
+ |
+ |
+ |
+ |
+ |
||||
| 10 |
+ |
+ |
+ |
+ |
+ |
+ |
+ |
+ |
+ |
||
| 12 |
+ |
+ |
+ |
+ |
+ |
+ |
+ |
+ |
+ |
||
| 14 |
+ |
+ |
+ |
+ |
+ |
+ |
+ |
+ |
|||
| 16 |
+ |
+ |
+ |
+ |
+ |
+ |
+ |
+ |
|||
| 18 |
+ |
+ |
+ |
+ |
+ |
+ |
+ |
+ |
|||
| 20 |
+ |
+ |
+ |
+ |
+ |
+ |
+ |
+ |
|||
| 22 |
+ |
+ |
+ |
+ |
+ |
+ |
+ |
+ |
|||
| 25 |
+ |
+ |
+ |
+ |
+ |
+ |
+ |
+ |
|||
| 28 |
+ |
+ |
+ |
+ |
+ |
+ |
+ |
+ |
|||
| 32 |
+ |
+ |
+ |
+ |
+ |
+ |
+ |
||||
| 36 |
+ |
+ |
+ |
+ |
|||||||
| 40 |
+ |
+ |
+ |
+ |
|||||||
Характеристики горячекатанной, проволочной и канатной арматуры
| Класс арматуры |
Диаметр арматуры, мм |
Сопротивление арматуры, МПа |
Модуль упругости, МПа, Es × 10-4 |
|||
| Норматив-ное |
Расчётное |
|||||
| Растяже-нию Rsn |
Растяжению продольной арматуры Rs |
Растяжению поперечной арматуры Rsw |
Сжа-тию Rsc |
|||
| A-I |
6-40 |
235 |
225 |
175 |
225 |
21 |
| A-II |
10-40 |
295 |
280 |
225 |
280 |
21 |
| A-III |
6-8 |
390 |
355 |
285 |
355 |
20 |
| 10-40 |
390 |
365 |
290 |
365 |
20 |
|
| A500 |
6-40 |
500 |
435 |
300 |
400 |
20 |
| A-IV |
10-32 |
590 |
510 |
405 |
450 |
19 |
| A-V |
10-32 |
785 |
680 |
545 |
500 |
|
| A-VI |
10-22 |
980 |
815 |
650 |
||
| Ат-VI |
10-32 |
980 |
815 |
785 |
||
| Ат-VII |
10-28 |
1175 |
980 |
785 |
||
| Вр-I |
3-12 |
490 |
410 |
290 |
400 |
17 |
| Вр-II |
3 |
1500 |
1250 |
1000 |
20 |
|
| 4-5 |
1400 |
1170 |
940 |
|||
| 6 |
1200 |
1000 |
785 |
|||
| 7 |
1100 |
915 |
730 |
|||
| 8 |
1000 |
850 |
680 |
|||
| В-II |
3 |
1500 |
1250 |
1000 |
||
| 4-5 |
1400 |
1170 |
940 |
|||
| 6 |
1300 |
1050 |
835 |
|||
| 7 |
1200 |
1000 |
785 |
|||
| 8 |
1100 |
915 |
730 |
|||
| К-7 |
6-12 |
1500 |
1250 |
1000 |
18 |
|
| 15 |
1400 |
1180 |
945 |
|||
| К-19 |
14 |
1500 |
1250 |
1000 |
||
Площади поперечных сечений канатной арматуры
| Марка каната |
Диаметр, мм |
Расчётная площадь поперечного сечения, см2 при числе стержней |
Масса 1м длины, кг |
|||||
| 1 |
2 |
3 |
4 |
5 |
6 |
|||
| К-7 |
6 |
0,227 |
0,454 |
0,681 |
0,908 |
1,135 |
1,362 |
0,173 |
| 9 |
0,510 |
1,020 |
1,53 |
2,04 |
2,55 |
3,06 |
0,402 |
|
| 12 |
0,906 |
1,812 |
2,718 |
3,624 |
4,53 |
5,436 |
0,714 |
|
| 15 |
1,416 |
2,832 |
4,248 |
5,664 |
7,08 |
8,496 |
1,116 |
|
| К-19 |
14,2 |
1,287 |
2,574 |
3,861 |
5,148 |
6,435 |
7,722 |
1,014 |
Размещение арматуры в каркасах и сетках панелей
| Пролёт панели l , м |
Конструктивная длина панели lk , мм |
Размещение арматуры по длине каркаса К-1, мм |
Общая длина стержня, мм |
| 6 |
5 970 |
25 + 2×100 + (150×9 = 1350) + (200×14 = 2800) + (150×9 = 1350) + 2×100 + 25 |
5 950 |
| 6,6 |
6 570 |
25 + (150×11 = 1650) + (200×16 = 3200) + (150×11 = 1650) + 25 |
6 550 |
| 7,2 |
7 170 |
25 + (150×12 = 1800) + (250×14 = 3500) + (150×12 = 1800) + 25 |
7 150 |
| 7,8 |
7 770 |
50 + (150×13 = 1950) + (250×15 = 3750) + (150×13 = 1950) + 50 |
7 750 |
| 8,4 |
8 370 |
25 + 100 + (150×14 = 2100) + (300×13 = 3900) + (150×14 = 2100) + 100 + 25 |
8 350 |
| 9 |
8 970 |
25 + 100 + (150×15 = 2250) + (300×14 = 4200) + (150×15 = 2250) + 100 + 25 |
8 950 |
| Пролёт панели l , м |
Размещение арматуры по длине каркаса К-2, мм |
Общая длина стержня, мм |
Размещение арматуры по высоте каркаса К-1, мм |
Общая длина стержня, мм |
| 6 |
30 + (200×5 = 1000) + 30 |
1 060 |
10 + 260 + 10 |
280 |
| 6,6 |
30 + (150×6 = 900) + 30 |
960 |
10 + 260 + 10 |
280 |
| 7,2 |
30 + (200×5 = 1000) + 30 |
1 060 |
10 + 310 + 10 |
330 |
| 7,8 |
30 + 150 + (200×4 = 800) + 150 + 30 |
1 160 |
10 + 310 + 10 |
330 |
| 8,4 |
30 + (200×6 = 1200) + 30 |
1 260 |
10 + 360 + 10 |
380 |
| 9 |
30 + 150 + (200×5 = 1000) + 150 + 30 |
1 360 |
10 + 410 + 10 |
430 |
| Пролёт панели l , м |
Размещение арматуры по длине сеток С-1 и С-2, мм |
Общая длина стержня, мм |
Размещение арматуры по ширине сетки С-1, мм |
Общая длина стержня, мм |
| 6 |
50 + (200×29 = 5 800) + 50 |
5 900 |
50 + (150×6 = 900) + 50 |
1 000 |
| 6,6 |
50 + (200×32 = 6 400) + 50 |
6 500 |
50 + (200×4 = 800) + 50 |
900 |
| 7,2 |
50 + (200×35 = 7 000) + 50 |
7 100 |
50 + (150×6 = 900) + 50 |
1 000 |
| 7,8 |
50 + (200×38 = 7 600) + 50 |
7 700 |
50 + (200×5 = 1000) + 50 |
1 100 |
| 8,4 |
50 + (200×41 = 8 200) + 50 |
8 300 |
50 + 150 + (200×4 = 800) + 150 + 50 |
1 200 |
| 9 |
50 + (200×44 = 8 800) + 50 |
8 900 |
50 + (200×6 = 1200) + 50 |
1 300 |
Размещение арматуры в каркасах ригелей
| Пролёт ригеля L , м |
Конструктивная длина ригеля Lk , мм |
Размещение арматуры по длине каркаса крайнего ригеля, мм |
Общая длина стержня, мм |
| 6 |
5 965 |
40 + 200 + (200×7 = 1400) + (450×6 = 2700) + (200×7 = 1400) + 100 + 60 + 45 |
5 945 |
| 6,6 |
6 565 |
40 + 50 + (200×8 = 1600) + (450×7 = 3150) + (200×8 = 1600) + 60 + 45 |
6 545 |
| 7,2 |
7 165 |
40 + 200 + (200×8 = 1600) + (500×7 = 3500) + (200×8 = 1600) + 100 + 60 + 45 |
7 145 |
| 7,8 |
7 765 |
40 + 100 + (250×8 = 2000) + (500×7 = 3500) + (250×8 = 2000) + 60 + 45 |
7 745 |
| 8,4 |
8 365 |
40 + 200 + (250×8 = 2000) + (500×8 = 4000) + (250×8 = 2000) + 60 + 45 |
8 345 |
| 9 |
8 965 |
40 + 200 + (250×9 = 2250) + (500×8 = 4000) + (250×9 = 2250) + 100 + 60 + 45 |
8 945 |
| Пролёт ригеля L , м |
Lk , мм |
Размещение арматуры по длине каркаса среднего ригеля, мм |
Общая длина стержня, мм |
| 6 |
5 430 |
40 + 60 + 80 + (200×7 = 1400) + (450×5 = 2250) + (200×7 = 1400) + 80 + 60 + 40 |
5 410 |
| 6,6 |
6 030 |
40 + 60 + 180 + (200×8 = 1600) + (450×5 = 2250) + (200×8 = 1600) + 180 + 60 + 40 |
6 010 |
| 7,2 |
7 630 |
45 + 60 + 150 + (200×9 = 1800) + (500×5 = 2500) + (200×9 = 1800) + 150 + 60 + 45 |
7 610 |
| 7,8 |
7 230 |
45 + 60 + (250×8 = 2000) + (500×6 = 3000) + (250×8 = 2000) + 60 + 45 |
7 210 |
| 8,4 |
8 830 |
45 + 60 + 50 + (250×9 = 2250) + (500×6 = 3000) + (250×9 = 2250) + 50 + 60 + 45 |
8 810 |
| 9 |
8 430 |
45 + 60 + 100 + (250×9 = 2250) + (500×7 = 3500) + (250×9 = 2250) + 100 + 60 + 45 |
8 410 |
Краткие теоретические сведения .
Основные этапы проектирования строительных конструкций .
Как правило, проектирование несущих конструктивных элементов зданий и сооружений (балок, колонн, плит и т.д.) включает ряд последовательных этапов:
Компоновка конструктивной схемы элемента
Назначается форма сечения элемента и его основные габаритные размеры, а также положение в системе других конструктивных элементов каркаса.
Формирование расчётной схемы
Для определения внутренних усилий в элементе временно переходят от его фактической (действительной) конструктивной схемы к упрощенной (условной, идеализированной, теоретической) расчётной схеме , отражающей с достаточной степенью точности работу элемента под воздействием нагрузок. Как правило, в расчётной схеме элемент представлен в виде стержня, закрепленного по концам (шарнирно-подвижно, шарнирно-неподвижно, жестко, свободно).
Определение нагрузок, действующих на элемент
Устанавливается состав нагрузок, схема их приложения и величина.
Определение внутренних усилий в сечениях элемента от действия нагрузок
Решением этой задачи занимается строительная механика (статика сооружений). Поэтому такой расчет называется статическим. Его результатом являются эпюры внутренних усилий M, Q, N.
Подбор сечений (конструктивный расчёт)
В железобетонных конструкциях на этом этапе определяется площадь сечения арматуры. Обычно проводят расчёт из условия обеспечения несущей способности и последующее конструирование (выбор сечения в соответствии с сортаментом, конструктивными требованиями СНиП или опытом проектирования). Однако возможно и начальное конструирование , затем последующий расчёт (проверка несущей способности).
Расчёт и конструирование узлов закрепления , которые должны соответствовать принятой расчетной схеме.
Выполнение рабочих чертежей , по которым производится изготовление конструкций и изделий.
Таким образом, проектирование включает два взаимосвязанных процесса: расчёт и конструирование.
Нормативная база проектирования
Нагрузки на здания и сооружения определяются в соответствии со СНиП 2.01.07 - 85* . Нагрузки и воздействия [1].
Проектирование железобетонных конструкций производится в соответствии с требованиями нового СНиП 52-01-2003 "Бетонные и железобетонные конструкции. Основные положения" [3]. Этот нормативный документ содержит общие (словесные) требования к бетонным и железобетонным конструкциям, включая требования к бетону, арматуре, расчётам, конструированию, изготовлению, возведению и эксплуатации конструкций. Детальные указания по расчётам и конструированию отдельных видов железобетонных конструкций (включая рекомендуемые методики расчёта) содержат соответствующие Своды Правил (СП). Разработка некоторых Сводов Правил ещё не закончена, поэтому в настоящее время для расчёта и конструирования широко используется и действовавший ранее СНиП 2.03.01 - 84 *. Бетонные и железобетонные конструкции [2].
Концепция разработки современных отечественных и международных нормативных документов по строительному проектированию такова, что проектировщик сам выбирает применяемые расчётные модели и несёт полную ответственность за результаты расчётов и безопасность проектируемого сооружения.
Нагрузки и воздействия.
![]()
Чем нагрузки отличаются от воздействий.
Понятие "воздействие" является более широким. Нагрузками
принято называть силовые воздействия, а собственно воздействиями -
несиловые, а именно воздействия среды (температурные, влажностные, химически агрессивные и т.д.), и кинематические воздействия (смещение опор).
Классификация нагрузок (схема 1).
Постоянные нагрузки в рассматриваемом здании возникают от собственного веса несущих и ограждающих конструкций: покрытия, перекрытий, колонн, стеновых ограждений.
Кратковременными нагрузками являются снеговая и ветровая, взятые с полным нормативным значением (п.1.8 СНиП [1]).
Длительными нагрузками могут быть снеговая и крановая, взятые с пониженным нормативным значением согласно п.1.7 СНиП [1].
В данной работе учитываются только вертикальные нагрузки: постоянная и длительные временные (технологическая, снеговая). Для железобетонных конструкций характерно снижение прочности при воздействии длительных нагрузок, поэтому их учёт имеет существенное значение.
Что такое полезная нагрузка. Нагрузки, связанные с эксплуатацией сооружения по его непосредственному назначению, принято называть полезными. В данном случае полезной является технологическая нагрузка.
Что означает "сбор нагрузок". При выполнении практических расчётов конструктивных элементов часто возникает необходимость преобразования поверхностно распределённой нагрузки в линейную или сосредоточенную. Для этого необходимо "собрать нагрузку" с определённой площади, которая называется грузовой площадью данного элемента. На рис. П-1 показано, как равномерно распределённая по площади покрытия нагрузка трансформируется в линейную нагрузку на ригель рамы и в сосредоточенную нагрузку на колонну.
|
Рис. П-1. Преобразование нагрузок:
а - поверхностная равномерно распределённая нагрузка на покрытие;
б - линейная равномерно распределённая нагрузка на ригель рамы;
в - сосредоточенная нагрузка на колонну.
Чем отличаются нормативные и расчётные нагрузки. Основными характеристиками нагрузок, указанными в Нормах проектирования [1], являются их нормативные значения . Они приняты на основании статистической обработки опытных данных с обеспеченностью, равной 0,95 .
Под обеспеченностью какой-либо случайной величины понимают вероятность того, что она не выйдет за пределы установленных значений. Обеспеченность 0,95 означает, что в 95 случаях из 100 величина нагрузки не будет превышать своего нормативного значения.
В расчётах используют так называемые расчётные значения нагрузок. Расчётное значение нагрузки q можно получить умножением её нормативной величины qn на коэффициент надежности по нагрузке gf .
Что учитывает коэффициент надёжности по нагрузке. Он учитывает характер статистической изменчивости нагрузки и устанавливается в зависимости от уровня ответственности выполняемого расчёта. Наибольшей изменчивостью обладают атмосферные нагрузки (снеговая и ветровая).
В каких расчётах участвуют расчётные значения нагрузок, а в каких нормативные
В расчётах, характеризующихся высоким уровнем ответственности (например, расчёты на прочность и устойчивость) участвуют расчётные нагрузки . Эти нагрузки иногда называют предельными , поскольку они связаны с разрушением конструкции. Использование предельных значений практически исключает возможность действия на сооружение нагрузок, величина которых превышает принятую в расчёте. Обеспеченность предельных нагрузок составляет 0,997…0,999 (точно её определить затруднительно).
В расчётах с более низкими уровнями ответственности (например, расчёты на жесткость и выносливость) используются нормативные нагрузки . Это так называемые эксплуатационные нагрузки , они соответствуют условиям нормальной эксплуатации сооружения.
Схема 1. Классификация нагрузок.
Сущность железобетона.
Железобетон - конструктивный композиционный материал, в котором бетон и арматура рационально объединены для совместной работы.
Зачем в бетоне устанавливается арматура. Прочность бетона при сжатии примерно в 10 раз выше, чем при растяжении. Поэтому растянутые зоны бетонных конструкций усиливают стальной арматурой, которая замечательно сопротивляется растяжению. Арматура неплохо работает и на сжатие, поэтому сжатые элементы для уменьшения размеров поперечного сечения также армируют стальными стержнями. Чем более полно используются свойства материалов, тем эффективнее оказывается конструкция.
Основные факторы, определяющие совместную работу бетона и арматуры в конструкции
Наличие усилий сцепления в зоне контакта бетона и арматуры;
Близкие значения коэффициентов температурного расширения бетона и арматуры:
a = (10…15) ×10-6 1/°С;
Защитный слой бетона, предохраняющий арматуру от коррозии и высокотемпературного воздействия пожара.
Преимущества и недостатки железобетона
[+] Долговечность, высокая огнестойкость, экономичность при изготовлении и эксплуатации конструкций;
[-] Значительная собственная масса, слабая химическая стойкость, трудности при усилении конструкций или замене их.
Сущность предварительно напряжённого железобетона. При нагружении обычного железобетонного элемента уже при сравнительно небольших усилиях в его растянутых зонах образуются трещины. При дальнейшем увеличении нагрузки растягивающие усилия в сечении с трещиной воспринимает арматура, что приводит к увеличению ширины раскрытия трещин. Чрезмерное раскрытие трещин опасно из-за возможной коррозии арматуры. Для увеличения трещиностойкости железобетонных конструкций применяют предварительное обжатие тех зон бетона, в которых при эксплуатационных нагрузках должны возникнуть растягивающие напряжения. Такие конструкции называют предварительно напряжёнными ( рис. П-2).
Преимущества предварительно напряжённых конструкций. Предварительное напряжение повышает трещиностойкость и жесткость конструкций (то есть уменьшает прогибы), способствует повышению их долговечности и коррозионной стойкости, создаёт условия для применения высокопрочной арматуры.
Способствует ли предварительное напряжение повышению прочности конструкций. Предварительное напряжение практически никак не влияет на прочность конструкций, так как к моменту разрушения оно утрачивается и предельные напряжения в арматуре и бетоне определяются только их расчётными сопротивлениями.
Рис. П-2. Сравнительный анализ работы железобетонных элементов с предварительным напряжением арматуры и без него.
а - диаграмма "нагрузка-прогиб" (F-f):
Fcrc - усилие трещинообразования, Fser - эксплуатационная нагрузка;
б - предварительно напряжённая балка (1);
в - балка без предварительного напряжения (2).
Назначение, классы и применение арматуры.
Как отличить рабочую и конструктивную арматуру. В зависимости от функционального назначения арматура бывает рабочей или конструктивной. Площадь сечения рабочей арматуры определяется расчётом на действие внешних нагрузок. Конструктивная (или, как её ещё называют, монтажная ) арматура устанавливается без расчёта, по конструктивным или технологическим соображениям.
Конструктивная арматура предназначена для частичного восприятия неучитываемых расчетом усилий (усилий от усадки и ползучести бетона; температурных напряжений, местных напряжений от сосредоточенных сил, случайных напряжений). Арматура, предназначенная для более равномерного распределения сосредоточенного усилия между отдельными стержнями рабочей арматуры, называется распределительной.
Монтажная арматура предназначена для сохранения проектного положения продольной и поперечной арматуры в конструкциях при бетонировании.
Продольная и поперечная арматура. Продольная арматура располагается в направлении продольной оси элемента, поперечная - перпендикулярно ей. Продольная арматура обеспечивает прочность элемента по нормальному сечению, поперечная - по наклонному . Иногда поперечные арматурные стрежни называют хомутами.
Классы арматуры. В зависимости от механических (прочностных и деформативных) характеристик арматура делится на классы . Наиболее часто используемые классы представлены в табл.1. Перечень арматурных изделий с указанием класса, диаметра и массы единицы длины называется сортаментом арматуры .
Некоторые классы арматуры.
Таблица 1.
| Наименование |
Обыкновенная |
Высокопрочная |
|||||||
| Стержневая горячекатанная |
Проволочная |
Стержневая |
Проволочная |
||||||
| Класс |
А-I (А240) |
А-II (А300) |
А-III (А400) |
А500 |
Bp-I (В500) |
А-IV (А600) |
А-V (А800) |
А-VI (А1000) |
Bp - II (В1500) |
| Расчётное сопротивление растяжению, МПа |
225 |
280 |
365 (355) |
450 |
410 |
510 |
680 |
815 |
850…1250 |
| Вид поверхности |
гладкая |
периодического профиля (рифлёная) |
|||||||
| Основной прочностной показатель |
Физический предел текучести (σу ) |
Условный предел текучести (σ0,2 ) |
|||||||
| Применение в конструкциях |
Для подъёмных петель |
Ненапрягаемая рабочая: продольная и поперечная |
Напрягаемая рабочая продольная Чем выше класс арматуры, тем больше должен быть класс бетона. |
||||||
| Конструктивная |
|||||||||
Почему прочностной характеристикой высокопрочной арматуры является условный предел текучести. Высокопрочная арматура, в отличие от обыкновенной, не имеет физического предела текучести (на диаграмме её деформирования отсутствует площадка текучести). Поэтому в качестве границы безопасной работы высокопрочной арматуры принят условный предел текучести - напряжение, при котором остаточные деформации составляют 0,2%. Напряжения в высокопрочной арматуре могут превышать условный предел текучести, что учитывается в расчётах коэффициентом gs6 .
Почему для монтажных петель применяют только арматуру класса А- I. У этого класса арматуры самые высокие пластические свойства, которые позволяют загибать стержни с малыми радиусами кривизны. Если аналогичные петли выполнять из более прочной стали, в них могут появиться трещины, которые приведут к излому петель. Трещины в петлях наиболее опасны в процессе подъёма конструкции.
Почему в качестве напрягаемой применяют только высокопрочную арматуру. В процессе натяжения в арматуре создают напряжения, близкие к её нормативному сопротивлению. Высокопрочная арматура характеризуется высокими значениями нормативного сопротивления, поэтому, в отличие от обыкновенной арматуры, позволяет создавать более высокие значения предварительных напряжений, несмотря на значительные их потери под влиянием различных факторов (ползучести бетона и др.). Величина предварительных напряжений в обыкновенной арматуре невелика и все они будут утрачены в результате потерь.
Почему в конструкциях без предварительного напряжения не применяют высокопрочную арматуру. В конструкциях без предварительного напряжения при действии эксплуатационной нагрузки допустимая ширина раскрытия трещин составляет 0,2…0,3 мм, при этом напряжения в арматуре не превышают 250…300 МПа. Расчётное сопротивление высокопрочной арматуры может достигать 1000 МПа и более, поэтому ей замечательные прочностные возможности в конструкциях без предварительного напряжения будут недоиспользованы.
Почему в элементах с высокопрочной арматурой необходимо применять бетон более высоких классов. Высокопрочная арматура используется в предварительно напряженных конструкциях. Повышение класса бетона в связи с использованием высокопрочной арматуры вызвано необходимостью либо обеспечить требуемую прочность сечений при обжатии, либо уменьшить потери напряжений в напрягаемой арматуре. Для этого необходимо повысить передаточную прочность бетона Rbp , а вместе с ней - и класс бетона.
Почему арматура периодического профиля является более эффективной. Периодический профиль арматуры применяется в целях улучшения её сцепления с бетоном, которое возрастает в 2…3 раза. Использование промасленной, грязной или ржавой арматуры ухудшает сцепление. Надёжное сцепление арматуры с бетоном обеспечивает совместность их деформаций. Ухудшение сцепления приводи к росту прогибов и ширины раскрытия трещин, а нарушение сцепления - к разрушению конструкций.
Почему с увеличением диаметра арматуры увеличивается ширина раскрытия трещин в конструкциях. При увеличении диаметра арматуры в 2 раза площадь сечения увеличивается в 22 = 4 раза, усилие в ней также возрастает в 4 раза, а периметр увеличивается только в 2 раза. Таким образом, увеличение контакта арматуры с бетоном отстаёт от роста усилия, поэтому при одинаковых напряжениях в арматуре с увеличением диаметра ухудшается сцепление и возрастает раскрытие трещин.
Новый унифицированный класс арматуры А500. В настоящее время в России и странах Европейского Сообщества намечается переход к производству и применению только одного унифицированного класса ненапрягаемой (рабочей и конструктивной) арматуры - А500 . Состав, свойства и технология изготовления нового класса арматуры соответствуют требованиям евростандарта EN10080. Низкое содержание углерода (не более 0,22%) улучшает свариваемость и пластические свойства арматуры, а термомеханическое упрочнение повышает прочность (по сравнению с арматурой А400 прочность выше на 23%). Благодаря улучшенному серповидному профилю внешней поверхности арматуры (европрофилю) повышается её сцепление с бетоном. Стоимость арматуры класса А500 не выше, чем у традиционно применяемой ненапрягаемой арматуры класса А400. Таким образом, широкое применение арматуры класса А500 позволит повысить безопасность сооружений и снизить расход арматуры.
Основные положения расчёта железобетонных конструкций .
С 1955 г. в нашей стране расчёт строительных конструкций производится по методу предельных состояний . Цель расчёта - не допустить наступления предельных состояний при эксплуатации и возведении зданий и сооружений.
Под предельным состоянием конструкции понимают такое её состояние, при котором она перестает удовлетворять предъявляемым к ней требованиям безопасности или эксплуатационной пригодности.
Различают 2 группы предельных состояний:
1-я группа: по потере несущей способности , т.е. полной непригодности конструкции к эксплуатации.
2-я группа: по непригодности к нормальной эксплуатации , т.е. эксплуатации, осуществляемой в соответствии с предусмотренными технологическими или бытовыми условиями. Эти предельные состояния затрудняют эксплуатацию, принципиально не исключая её возможности.
Для железобетонных конструкций обычно проводят расчеты:
по 1-й группе предельных состояний - на прочность:
по нормальному сечению (подбор продольной арматуры);
по наклонному сечению (подбор поперечной арматуры).
по 2-й группе предельных состояний:
по образованию трещин;
по раскрытию трещин;
по деформациям (прогибам).
В данной работе мы ограничиваемся расчетом по 1-й группе предельных состояний. В общем виде условие расчёта выглядит следующим образом:
S ≤ R или Ψ = R - S ≥ 0,
где
S - суммарная расчётная нагрузка на конструкцию;
R - несущая способность конструкции;
Ψ - резерв (запас) прочности конструкции.
Что такое несущая способность конструкции. В качественном отношении - это способность конструкции воспринимать нагрузку. В количественном отношении - это максимальная величина нагрузки, которую может выдержать конструкция.
Расчёт изгибаемых элементов по несущей способности.
Что такое граничная относительная высота сжатой зоны бетона. В сечении железобетонного элемента, находящегося под нагрузкой, имеются сжатая и растянутая зоны. При расчёте по прочности считается, что усилия в сжатой зоне воспринимаются бетоном, а в растянутой - продольной арматурой (рис. П-3).
Высота сжатой зоны бетона обозначается "x". Относительной высотой сжатой зоны ξ является отношение её фактической высоты x к рабочей высоте сечения h 0 :
.

Рис. П-3. Схема усилий в нормальном сечении изгибаемого элемента при расчёте по прочности.
Экспериментально установлено, что если в предельном состоянии (т.е. перед разрушением) высота сжатой зоны окажется меньше некоторого граничного значения xR , то разрушение начинается с наступления расчётного сопротивления (физического или условного предела текучести) в арматуре и заканчивается раздроблением сжатого бетона. Такое разрушение происходит плавно, постепенно.
Если высота сжатой зоны x > xR , то разрушение начинается с раздробления бетона, имеет хрупкий характер и происходит внезапно. Напряжения в арматуре при этом не достигают расчётного сопротивления, т.е. прочность арматуры недоиспользуется.
Элементы, для которых характерно такое разрушение, называются переармированными . Их использование неэкономично и опасно. Поэтому такие элементы в строительстве, как правило, не применяются.
При x = xR наступление текучести в арматуре и раздробление сжатого бетона происходят одновременно.
Для сравнения граничной высоты сжатой зоны у различных сечений пользуются понятием относительной граничной высоты:
.
При проектировании железобетонных элементов требуется, чтобы выполнялось условие: ξ ≤ ξR . Для этого случая справедливы все основные расчётные формулы для подбора арматуры и определения несущей способности сечения.
Всегда ли повышение площади растянутой арматуры приводит к повышению несущей способности сечения изгибаемого элемента. При ξ ≤ ξR увеличение количества продольной арматуры приводит к повышению несущей способности сечения, но одновременно увеличивает высоту сжатой зоны в предельном состоянии. По мере приближения относительной высоты сжатой зоны к своему предельному значению ξR повышение несущей способности становится менее интенсивным, и прекращается совсем при ξ = ξR .
Как влияет прочность бетона на несущую способность нормального сечения изгибаемого элемента. Прочность бетона влияет не столь существенно, как это кажется на первый взгляд. При сохранении армирования неизменным с увеличением прочности бетона Rb пропорционально уменьшается высота сжатой зоны х . Это приводит к увеличению плеча внутренней пары сил (zb = h0 - 0,5x ), которое растёт намного медленнее, чем уменьшается х . Поэтому повышение класса бетона слабо увеличивает прочность сечения.
Какое поперечное сечение изгибаемого элемента является более рациональным: прямоугольное или тавровое. Более рациональным является тавровое сечение, если его полка расположена в сжатой зоне . Такой тип сечения позволяет при сохранении той же несущей способности сократить расход бетона, убрав его лишнюю часть из растянутой зоны. Однако в тавровом сечении может наблюдаться более раннее образование и более значительное раскрытие нормальных трещин, чем в равнопрочном прямоугольном сечении той же высоты. Если же полка таврового сечения находится в растянутой зоне , то такое сечение рассчитывают на прочность как прямоугольное шириной, равной ширине стенки (ребра). Более нерациональное сечение трудно придумать, однако и такие сечения иногда бывают полезными (например, в ригелях перекрытий). Наличие полок в растянутой (нижней) зоне позволяет опирать на них панели перекрытий, что приводит к уменьшению высоты перекрытия.
Некоторые вопросы и задания на защиту.
Расположите арматуру в однопролётной свободно опёртой балке ( Рис.)
Из какого условия определяется площадь сечения продольной рабочей арматуры в изгибаемом элементе. Из условия прочности при действии изгибающего момента в опасном нормальном сечении.
Почему возле опор балочных конструкций шаг поперечной арматуры уменьшается. Поперечная арматура воспринимает воздействие поперечных усилий, которые возрастают по мере приближения к опорам.
Расположите арматуру в двухпролётной неразрезной балке ( Рис.)
Почему в сечении над средней опорой арматура располагается вверху. По эпюре изгибающих моментов видно, что в этом сечении растяжение возникает в верхней зоне.
Как определить сечение, в котором верхняя продольная арматура не требуется по расчёту. Необходимо сравнить несущую способность сечения без верхней рабочей арматуры с усилием от внешней нагрузки.
Расположите арматуру в консольной плите ( Рис.)
Можно ли консольную плиту усиливать подкосом. Можно только в том случае, если она имеет надёжное верхнее и нижнее армирование, и её прочность проверена расчётом.
Можно ли в плите перекрытия самостоятельно устроить люк на соседний этаж. (?)
Если после устройства такого люка плита перекрытия не обрушится, то чем это можно объяснить. Фактически действующая нагрузка на конструкцию бывает, как правило, меньше своего расчётного значения, используемого при расчёте по прочности. С другой стороны, прочностные характеристики бетона и арматуры в большинстве случаев превышают свои расчётные значения. Поэтому условие прочности выполняется и разрушения конструкции даже при наличии проёма, не предусмотренного проектом, не происходит.


,



,

.




