Дипломная работа: Электроснабжение и электрооборудование куста скважины 145 Самотлорского месторождения ОАО ТНК-ВР
|
Название: Электроснабжение и электрооборудование куста скважины 145 Самотлорского месторождения ОАО ТНК-ВР Раздел: Рефераты по физике Тип: дипломная работа | |||||||||||||||||||||||||||||||||||||||||||||||||||||||||||||||||||||||||||||||||||||||||||||||||||||||||||||||||||||||||||||||||||||||||||||||||||||||||||||||||||||||||||||||||||||||||||||||||||||||||||||||||||||||||||||||||||||||||||||||||||||||||||||||||||||||||||||||||||||||||||||||||||||||||||||||||||||||||||||||||||||||||||||||||||||||||||||||||||||||||||||||||||||||||||||||||||||||||||||||||||||||||||||||||||||||||||||||||||||||||||||||||||||||||||||||||||||||||||||||||||||||||||||||||||||||||||||||||||||||||||||||||||||||||||||||||||||||||||||||||||||||||||||||||||||||||||||||||||||||||||||||||||||||||||||||||||||||||||||||||||||||||||||||||||||||||||||||||||||||||||||||||||||||||||||||||||||||||||||||||||||||||||||||||||||||||||||||||||||||||||||||||||||||||||||||||||||||||||||||||||||||||||||||||||||||||||||||||||||||||||||||||||||||||||||||||||||||||||||||||||||||||||||||||||||||||||||||||||||||||||||||||||||||||||||||||||||||||||||||||||||||||||||||||||||||||||||||||||||||
| Министерство образования РБ Ишимбайский нефтяной колледж ДОПУЩЕН К ЗАЩИТЕ Зам. директора по УР ЭЛЕКТРОСНАБЖЕНИЕ И ЭЛЕКТРООБОРУДОВАНИЕ КУСТА СКВАЖИНЫ №145 САМОТЛОРСКОГО МЕСТОРОЖДЕНИЯ ОАО “ТНК-ВР” С ВНЕДРЕНИЕМ СТАНЦИИ УПРАВЛЕНИЯ “ЭЛЕКТОН-М” Дипломный проект Пояснительная записка 140613 ЭП-04 Дипломник /Ю.В. Колеганов/ Руководитель проекта /Л.П. Мохова/ Консультант по экономической части / Г.Я. Ишбаева/ Ст.консультант / Л.П. Мохова/ Нормоконтроль / В.Г. Аркаева/ Рецензент / / 2008 СОДЕРЖАНИЕВВЕДЕНИЕ............................................................................................ 5 1. ОБЩАЯ ЧАСТЬ................................................................................. 7 1.1 Описание технологического процесса........................................ 7 1.2 Краткая характеристика объекта и применяемого оборудования 8 2 РАСЧЕТНО-ТЕХНИЧЕСКАЯ ЧАСТЬ.............................................. 9 2.1 Выбор насоса............................................................................... 9 2.2 Расчет мощности и выбор электродвигателя........................... 11 2.3 Технико-экономическое обоснование выбранного типа двигателя 12 2.4 Расчет электрических нагрузок................................................. 15 2.5 Расчёт компенсации реактивной мощности.............................. 16 2.6 Выбор числа и мощности силовых трансформаторов............ 20 2.7 Технико-экономическое обоснование выбранного типа трансформатора и величины напряжения............................................................................ 24 2.8 Расчет токов короткого замыкания........................................... 30 2.9 Расчет и выбор питающей линии.............................................. 35 2.10 Расчет распределительной сети............................................... 37 2.11 Выбор высоковольтного электрооборудования с проверкой на устойчивость к токам короткого замыкания............................................ 39 2.12 Выбор пусковой и защитной аппаратуры на 0,38 кВ............ 41 2.13 Выбор и описание схемы управления ПЭД............................ 43 2.14 Учет и экономия электроэнергии............................................ 47 2.15 Расчет заземляющих устройств............................................... 49 2.16 Спецификация на электрооборудование и материалы.......... 51 3 ОХРАНА ТРУДА И ПРОТИВОПОЖАРНАЯ ЗАЩИТА.............. 52 3.1 Техника безопасности при монтаже электрооборудования и электросетей............................................................................................... 52 3.2 Техника безопасности при эксплуатации электрооборудования и электросетей............................................................................................... 53 3.3 Техника безопасности при ремонте электрооборудования и электросетей............................................................................................... 57 3.4 Мероприятия по противопожарной безопасности................... 58 4. ОХРАНА НЕДР И ОКРУЖАЮЩЕЙ СРЕДЫ............................... 60 4.1 Экологические проблемы в нефтяной промышленности......... 60 4.2 Охрана окружающей среды на объекте.................................... 61 5. ОРГАНИЗАЦИОННЫЯ ЧАСТЬ.................................................... 63 5. ОРГАНИЗАЦИОННЫЯ ЧАСТЬ.................................................... 63 5.1 Организация монтажа электрооборудования и электросетей. 63 5.2 Организация обслуживания электрооборудования и электросетей 65 5.3 Организация ремонта электрооборудования и электросетей.. 66 6 ЭКОНОМИЧЕСКАЯ ЧАСТЬ........................................................... 69 6.1 Расчет численности ремонтного и и обслуживающего персонала 69 6.2 Расчет годового фонда заработной платы............................... 79 6.3 Расчет потребности материальных ресурсов и запасных частей 81 6.4 Составление плановой калькуляции на ремонт оборудования 83 ВЫВОДЫ И ЗАКЛЮЧЕНИЕ............................................................. 85 НОРМОКОНТРОЛЬ............................................................................ 86 ОТЗЫВ................................................................................................. 88 РЕЦЕНЗИЯ.......................................................................................... 90 СПИСОК ИСПОЛЬЗОВАННОЙ ЛИТЕРАТУРЫ............................. 95 ВВЕДЕНИЕЭлектроэнергетика – отрасль промышленности, занимающая производством электроэнергии на электростанциях и передачей ее потребителям. Она является основой развития производственных сил в любом государстве. Энергетика обеспечивает бесперебойную работу промышленности, сельского хозяйства, транспорта, коммунальных хозяйств. Стабильное развитие экономики России невозможно без постоянно развивающейся энергетики. Энергетическая промышленность тесно связана с комплексом топливной промышленности. Российская энергетика – это более 600 тепловых, свыше100 гидравлических и 9 атомных электростанций. Ежегодно ими вырабатывается свыше 1 триллиона кВт/ч электроэнергии и более 1 миллиарда Гкал тепла. Общая длина линий электропередач превысила 2,5 млн. километров. Для обеспечения надежного электроснабжения объектов добычи нефти на новых месторождениях приходится создавать мощные энергетические базы. Трудность создания таких баз часто заключается в значительной удаленности нефтяных промыслов от энергетических центров. Поэтому при проектировании электроснабжения нефтяного месторождения, разрабатывают такую систему, которая обеспечивала бы возможность роста потребления электроэнергии без коренной реконструкции всей системы электроснабжения. Запроектированная система электроснабжения должна обеспечивать в условиях после аварийного режима, путем соответствующих переключений, питание электроэнергией тех приемников электроэнергии, работа которых необходима для продолжения производства. Питание электрической энергией потребителей нефтяной промышленности осуществляется от сетей энергосистем или от собственных местных электрических станций. Потребители с большой установленной мощностью электрифицированных механизмов, например перекачивающие насосные станции магистральных трубопроводов, комплекс установок нефтяных промыслов, как правило, питаются от энергосистем. На нефтяных промыслах в настоящее время находятся в эксплуатации несколько десятков типоразмеров отечественных и импортных погружных центробежных электронасосов с двигателями погружного типа. С помощью этих насосов получают свыше 70% общего количества нефти, добытого механизированным способом. Разработан и находится в эксплуатации широкий ряд оборудования для управления установками ЭЦН: станции управления, тиристорные станции плавного пуска, выходные фильтры, системы погружной телеметрии и т.д. 1. ОБЩАЯ ЧАСТЬ1.1 Описание технологического процесса Выбор электрооборудования скважины определяется способом добычи нефти. Если скважина имеет хороший приток жидкости к забою и статический ее уровень постоянен, то добыча осуществляется установкой электроцентробежного насоса. Состав погружной части определяется опять же параметрами скважины, но к основному подземному электрооборудованию относят электроцентробежный насос (ЭЦН) и погружной электродвигатель (ПЭД). Если скважина высокодебитная, то для того, чтобы улучшить контроль за ее состоянием в скважину спускают телеметрическую систему (ТМС). Наличие большого количества газа в нефти заставляет использовать газосепаратор, а отсутствие газа или малое его количество допускает установку модуля. Питание к двигателю подводится погружным кабелем типа КПБП и КРБК с сечением 10, 16, 25 и 35 мм2. На поверхности земли от клеммной коробки, в которой производится соединение погружного кабеля с кабельной линией, установлена кабельная эстакада. По этой эстакаде, по нижним полкам, укладывается кабельная линия установки ЭЦН. Наземное оборудование установлено на площадке механизированной добычи (ПМД). К наземному оборудованию относят трансформатор питания погружных насосов (типа ТМП и ТМПН), станцию управления установкой (СУ типа Электон-М, Электон-04, Электон-07,Борец-01,ШГС-5805 и т.п) и выходной фильтр (L-C фильтр не установлен). Так же к наземному оборудованию относят кабели, играющие роль перемычек между станцией управления и трансформатором, и питающие кабели, соединяющие станцию управления с кустовой трансформаторной подстанцией (КТПН). 1.2 Краткая характеристика объекта и применяемого оборудования Куст скважины №145 находится в собственности ОАО «ТНК-ВР». Эта организация занимается бурением и добычи нефти. Куст представляет собой земельный участок с размером 260ģ15 обведенным песчаным валом - обваловкой. Куст получает питание от одной ЛЭП 10 кВ. На концевых опорах ЛЭП установлены разъединители с заземляющими ножами типа РЛНДЗ-10/400 У1. На площадке куста установлена трансформаторная подстанции типа КТПН. В оборудование подстанции входит силовой понижающий трансформатор 10/0.4 типа ТМ-160/10. С высокой стороны в каждой фазе установлены предохранители и разрядники типа ОПН-КР/400 У1 для ограничения внутренних и атмосферных перенапряжений. С низкой стороны установлены вводной автомат, автоматы на каждую отходящую линию одного типа ВА 51Г-31, трансформаторы тока для подключения устройств защиты, измерения и учета электроэнергии. Применение напряжения 10 кВ обусловлено тем, что куст находится на значительном удалении от ГПП (около 10 км) и применение напряжения 10 кВ экономически более выгодна, так как снижается потери при передачи по ЛЭП. Рядом с площадкой ТП установлена площадка механической добычи (ПМД). На ПМД установлено наземное оборудование скважин, эксплуатируемых ЭЦН. На кусту установлены 5 комплектов наземного оборудования, т.е 5 станций управления Электон-М и 5 повышающих силовых трансформатора марки ТМП 100/1170. Питание от ТП до СУ обеспечивается кабелями марки КПБП 3ģ16, проложенных в несколько ниток (2-3). Перемычки между СУ и ТМП такие же, как и питающие кабели. Применение несколько ниток обусловлено повышенным током, вследствие пониженного до 0.4 кВ напряжения. 2 РАСЧЕТНО-ТЕХНИЧЕСКАЯ ЧАСТЬЭлектроцентробежные насосы используют для механизированной добычи жидкости из скважины и выбирают в зависимости от параметров скважины по условию:
где Qск
- дебит скважины, Нск -напор, необходимый для подъема жидкости из скважины, м; Qн
-номинальная подача насоса, Нн -номинальный напор насоса, м. Определяем депрессию
где К-коэффициент продуктивности скважины.
Находим динамический уровень жидкости в скважине Н ,м:
где Нст - статический уровень жидкости в скважине, м.
Определяем глубину погружения насоса L, м:
Находим потери напора из-за трения жидкости о стенки насосно-компрессорных труб (НКТ)
где L - глубина погружения насоса, м; l - расстояние от устья скважины до сепаратора, м; d - диаметр насосных труб, м.
Находим напор, необходимый для поднятия жидкости из скважины Нск , м:
где Нг - разность геодезических уровней скважины и сепаратора, м; Нт - потеря напора в трапе, м.
При выборе насоса необходимо соблюдение условия 2.1.
Выбираем насос ЭЦН5-160-1100,паспортные данные которых приведены в таблице 2.1. Таблица 2.1
Для насоса ЭЦН5-160-1100 строим график зависимости напора от подачи:
Рисунок 2.1 - График зависимости напора, создаваемого насосом ЭЦН5-160-1100 от его подачи Характеристику насоса можно приблизить к условной характеристике скважины путем уменьшения числа ступеней насоса. Находим число ступеней, которые нужно снять с насоса для получения необходимого напора Z1 , шт:
где Zн - число ступеней насоса в полной сборке по паспорту, шт; Нн - номинальный напор насоса в полной сборке по паспорту, м.
Находим число ступеней насоса после снятия лишних ступеней Z1 , шт:
Значит, насос ЭЦН5-80-850 должен иметь 158 ступеней. Вместо снятых 37 ступеней устанавливаются проставки. 2.2 Расчет мощности и выбор электродвигателя Для привода центробежных погружных насосов изготовляются погружные асинхронные электродвигатели типа ПЭД, которые удовлетворяют следующим требованиям. Их диаметр несколько меньше нормальных диаметров применяемых обсадных колонн. Двигатели защищены от попадания внутрь пластовой жидкости, что достигается заполнением их трансформаторным маслом, находящимся под избыточным давлением 0,2 МПа относительно внешнего гидростатического давления в скважине. Полная мощность двигателя, необходимая для работы насоса определяется по формуле:
где kз - коэффициент запаса kз =1,1 - 1,35;
Предварительно выбираем два двигателя, подходящие по номинальной мощности. Их паспортные данные заносим в таблицу 2.2. Таблица 2.2
2.3 Технико-экономическое обоснование выбранного типа двигателя 1. Вычислим приведенные потери первого двигателя: Находим потери активной мощности I двигателя по формуле:
Реактивную нагрузку определяем по формуле:
Вследствие того, что требуется компенсация реактивной мощности, то экономический эквивалент реактивной мощности Кэк , кВт/кВАр находим по формуле:
где
где ( Тг - число часов работы установки в году (для трехсменной работы
Приведенные потери активной мощности находим по формуле:
Вычислим приведенные потери второго двигателя: Находим потери активной мощности:
Определяем реактивную нагрузку:
Находим приведенные потери активной мощности:
Определяем годовые затраты:
Определяем степень экономичности:
где ри - нормированный коэффициент экономичности;
Следовательно, двигатель ПЭД32-117ЛВ5 более экономичен при данных параметрах скважины и насоса, на его содержание требуется меньше денежных затрат, его энергетические показатели лучше. Значит, выбираем двигатель ПЭД32-117ЛВ5. Производим проверку по мощности, передаваемой с земли:
где
27,3 кВт < 32 кВт Значит, выбранный двигатель подходит по потерям мощности, передаваемой с земли. Составляем таблицу технико-экономического обоснования выбранного типа двигателя. Таблица 2.3
2.4 Расчет электрических нагрузок Электрическая нагрузка характеризует потребление электроэнергии отдельными приемниками, группой приемников, и объектом в целом. Значения электрических нагрузок определяют выбор всех элементов проектируемой системы электроснабжения и ее технико-экономические показатели. От правильной оценки ожидаемых нагрузок зависят капитальные затраты в системе электроснабжения, расход цветного металла, потери электроэнергии и эксплуатационные расходы. Характеристики электрических нагрузок кустовой площадки приведены в таблице 2.3. Таблица 2.4
Определяем расчетную активную мощность от первой ТП, с которой записывается АГЗУ:
где Рн - номинальная мощность потребителя, кВт; Кс - коэффициент спроса;
Находим реактивную нагрузку за смену по формуле:
Находим полную расчетную мощность по формуле:
Определяем максимальную полную мощность:
2.5 Расчёт компенсации реактивной мощности В электрической цепи переменного тока, имеющей чисто активную нагрузку, ток совпадает по фазе с приложенным напряжением. Если в цепь включить электроприемник, обладающий активным и индуктивным сопротивлениями (АД, сварочные и силовые трансформаторы), то ток будет отставать по фазе от напряжения на угол
Рисунок 2.2 - Векторные диаграммы. Величина
где Р - активная мощность потребителя, кВт; Sном - номинальная мощность источника, кВА. С увеличением активной слагающей тока, что соответствует увеличению активной мощности, и при неизменной величине реактивного тока или реактивной мощности угол сдвига фаз будет уменьшаться, следовательно, значение коэффициента мощности будет увеличиваться. Чем выше Мероприятия, не требующие применения компенсирующих устройств: 1) Упорядочение технологического процесса; 2) Переключение статорных обмоток АД напряжением до 1кВ с треугольника на звезду, если их нагрузка составляет менее 40%; 3) Устранение режима холостого хода АД; 4) Замена, перестановка и отключение трансформаторов, загружаемых в среднем менее чем на 30% от их номинальной мощности; 5) Замена малозагружаемых двигателей меньшей мощности при условии, что изъятие избыточной мощности влечет за собой уменьшение суммарных потерь активной энергии в энергосистеме и двигателе; 6) Замена АД на СД той же мощности; 7) Применение СД для всех новых установок электропривода. В курсовом проекте в качестве компенсирующего устройства применяются комплектные конденсаторные установки. Достоинства таких компенсирующих устройств в следующем: - небольшие потери активной энергии в конденсаторах; - простота монтажа и эксплуатации; - возможность легкого изменения мощности конденсаторной установки путем повышения или понижения количества конденсаторов; - возможность легкой замены поврежденного конденсатора. Недостатки: - конденсаторы неустойчивы к динамическим усилиям, возникающим при КЗ; - при включении конденсаторной установки возникают большие пусковые токи; - после отключения конденсаторной установки от сети на ее шинах остается заряд; - конденсаторы весьма чувствительны к повышению напряжения, то есть при его повышении может произойти пробой диэлектрика; - после пробоя диэлектрика конденсаторы довольно трудно ремонтировать, поэтому их заменяют новыми. Определяем действительный cos
Для экономичной работы установки и снижения бесполезной реактивной нагрузки в сети электроснабжения, необходима компенсация реактивной мощности с помощью батареи статических конденсаторов. Определяем мощность компенсирующих устройств:
Выбираем компенсирующую установку КС-0,38-36 с номинальной мощностью 36 кВАр. Полная мощность после компенсации:
Коэффициент мощности после компенсации:
Значение коэффициента мощности равное 0,96 удовлетворительно для работы электроустановок, значит, компенсация произведена правильно. 2.6 Выбор числа и мощности силовых трансформаторов На нефтепромысловых подстанциях применяются силовые понижающие трансформаторы 110/35; 110/6; 35/6; 35/0,4 - 0,69; 6 - 10/0,4 - 0,69 кВ. Мощности трансформаторов могут быть от нескольких киловольт-ампер до десятков мегавольт-ампер; число типов и конструкций этих трансформаторов велико. Наибольшее распространение в нефтяной промышленности имеют трехфазные масляные трансформаторы. Сухие трансформаторы с воздушным охлаждением в нефтяной промышленности мало распространены, для силовых трехфазных трансформаторов мощностью от 10 кВА в настоящее время принята шкала с шагом 1,6, т. е. номинальные мощности в кВА. Таким образом, нижний предел номинальной мощности равен 10, а верхний - 63000 кВА. Современный понижающий трехфазный трансформатор мощностью 250 кВА для первичных напряжений 6 - 10 кВ с естественным масляным охлаждением. Для трансформатора допускаются длительные систематические перегрузки, определяемые в зависимости от графика нагрузки и недогрузки трансформаторов в летнее время. Так как в летнее время нагрузка трансформаторов меньше, чем зимой, и меньше номинальной, то и износ изоляции летом меньше нормального. Поэтому в зимние месяцы (декабрь - февраль) можно, не уменьшая срок службы трансформатора, увеличить его нагрузку, сверх определенной по диаграмме нагрузочной способности на столько процентов, на сколько летом (июль — август) нагрузка была меньше номинальной. Однако суммарная перегрузка трансформатора не должна превышать 30%. При выходе из строя одного из параллельно работающих трансформаторов и отсутствии резерва допускаются аварийные кратковременные перегрузки, независимо от предшествующей нагрузки, температуры охлаждающей среды и места установки. В аварийных режимах допускается кратковременная перегрузка масляных трансформаторов сверх номинального тока при всех системах охлаждения независимо от длительности и значения предшествующей нагрузки и температуры охлаждающей среды: допускается перегрузка масляных трансформаторов сверх номинального тока до 40% общей продолжительностью не более 6 ч в сутки в течение 5 суток подряд при условии, что коэффициент начальной нагрузки не превышает 0,93 (при этом должны быть использованы полностью все устройства охлаждения трансформатора). Выбор трансформаторов для ТП. На данном кусту №125 установлены два силовых трансформатора, каждый из которых питает по 3 погружных электродвигателя, в целях надежности электроснабжения. Так как двигатели имеют одинаковые мощности, то выбираем два одинаковых силовых трансформатора. Трансформаторы выбираем в зависимости от максимальной мощности после компенсации. Так как нагрузки II и III категории, то задаемся коэффициентом загрузки Выбираем трансформаторов с коэффициентом загрузки кз =0,8 Определяем значение полной мощности:
Предполагаем к установке трансформатор ТМ-160/10. Проверяем выбранную трансформаторную мощность по коэффициенту загрузки:
Проверяем выбранную мощность трансформатора по коэффициенту на после аварийный режим:
т.к. нагрузки 2 и 3 категории составляют 80%, то
т.е. выбранные трансформаторы подходят по условию проверки на после аварийный режим. Делаем проверку трансформатора по току вторичной обмотки. Делаем перерасчет тока двигателя от напряжения 1000 В на 380 В.
Ток на вторичной обмотке силового трансформатора:
Выбранный трансформатор по току вторичной обмотки подходит. Выбор трансформатора для питания ПЭД. Для повышения напряжения до номинального напряжения двигателя и для компенсации потерь в кабеле и других элементах питающей сети применяются повышающие трансформаторы питания погружных насосов (ТМПН). Трансформатор выбирается по полной мощности двигателя:
Предполагаем к установке трансформатор ТМП 100/1170. Проверяем трансформатор по мощности по условию:
Трансформатор по мощности подходит. Проверяем трансформатор по току, находим ток во вторичной обмотке:
где U2н - напряжение вторичной обмотки трансформатора, В.
Для нормальной работы необходимо выполнение условия:
Делаем проверку трансформатора по номинальному напряжению на вторичной обмотке:
Трансформатор по току и напряжению подходит, то есть выбранный трансформатор удовлетворяет всем условиям и выбран правильно. Выбираем трансформатор ТМП 100/1170. В нижеприведенной таблице указаны паспортные данные выбранного трансформатора. Таблица 2.5
2.7 Технико-экономическое обоснование выбранного типа трансформатора и величины напряжения Вариант 1. Напряжение питающей линии- 10 кВ, силовые трансформаторы – ТМ-160/10. Капитальные затраты установленного оборудования и линии. Линию принимаем воздушную, со сталеалюминевыми проводами АС и железобетонными опорами. Экономическое сечение при работе куста в течении
Принимаем сечение Стоимость 1 км воздушной линии указанного сечения, установленного на железобетонных опорах, 60 тыс.руб./км.. Тогда при одной линии l=10км.,
В соответствии с нагрузкой куста установлены два трансформатора типа ТМ-160/10 мощностью по 160 кВА. Паспортные данные трансформаторов:
Стоимость трансформаторов
На стороне 10 кВ установлены 2 разъединителя, 6 разрядника и 6 предохранителей общей стоимостью
Суммарные капитальные затраты:
Эксплуатационные расходы. Потери в линии определяют по удельным потерям, которые для принятого провода АС сечением 16 мм 2 составляют
Тогда для расчетного тока одной линии
Потери в трансформаторах: реактивные потери холостого хода:
Реактивные потери короткого замыкания:
Приведенные потери активной мощности при коротком замыкании:
где Полные потери в трансформаторах:
где
Полные потери в линии и трансформаторах:
Стоимость потерь при
Средняя мощность амортизационных отчислений [2 с.152 табл.4.1] Стоимость амортизации:
Суммарные годовые эксплуатационные расходы:
Суммарные затраты:
Потери электроэнергии:
Расход цветного металла (алюминия):
где
Вариант II. Напряжение питающей линии – 6 кВ, силовых трансформаторы – ТМ-250/6 Капитальные затраты установленного оборудования и линии. Линию принимаем воздушную, со сталеалюминевыми проводами АС и железобетонными опорами. Экономическое сечение при работе куста в течении
Принимаем сечение Стоимость 1 км воздушной линии указанного сечения, установленного на железобетонных опорах, 65 тыс.руб./км.. Тогда при одной линии l=10км.,
В соответствии с нагрузкой куста установлены два транс форматора типа ТМ-250/6 мощностью по 250 кВА. Паспортные данные трансформаторов:
Стоимость трансформаторов На стороне 6 кВ установлены 2 разъединителя, 6 разрядника и 6 предохранителей общей стоимостью
Суммарные капитальные затраты:
Эксплуатационные расходы. Потери в линии определяют по удельным потерям, которые для принятого провода АС сечением 25 мм 2 составляют
Тогда для расчетного тока одной линии
Потери в трансформаторах: реактивные потери холостого хода:
Реактивные потери короткого замыкания:
Приведенные потери активной мощности при коротком замыкании:
Где Полные потери в трансформаторах:
где
Полные потери в линии и трансформаторах:
Стоимость потерь при
Средняя мощность амортизационных отчислений [2 с.152 табл.4.1] Стоимость амортизации:
Суммарные годовые эксплуатационные расходы:
Суммарные затраты:
Потери электроэнергии:
Расход цветного металла (алюминия): где
Таблица 2.6
Как видно из таблицы I вариант схемы электроснабжения куста технически и экономически более выгодна чем II, поэтому выбираем I вариант электроснабжения. 2.8 Расчет токов короткого замыкания Коротким замыканием называется всякое случайное или преднамеренное, не предусмотренное нормальным режимом работы, электрическое соединение различных частей электроустановки между собой или землей, при котором токи резко возрастают, превышая наибольший допустимый ток продолжительного режима. Короткое замыкание в сети может сопровождаться: - прекращением питания потребителей - нарушением нормальной работы других потребителей - нарушением нормального режима работы энергосистемы Для предотвращения коротких замыканий и уменьшения их последствий необходимо: - устранить причины, вызывающие короткие замыкания - уменьшить время действия защиты - применять быстродействующие выключатели
Рисунок 2.3 - Расчетная схема и схема замещения. Расчет тока короткого замыкания в точке К1 Сопротивление воздушной линии
Суммарное сопротивление до точки К1
Силу тока короткого замыкания Iк1
= где
Силу ударного тока
где
Мощность короткого замыкания
Расчет тока короткого замыкания в точке К2 Активное сопротивление трансформатора
Индуктивное сопротивление трансформатора
х*тр
=
Сопротивление хΣк1 приводят к U=0,4 кВ по формуле
Суммарное сопротивление до точки К2 вычисляют по формуле
Сила тока короткого замыкания
Сила ударного тока
Мощность короткого замыкания
Расчет тока короткого замыкания в точке К3 Активное сопротивление кабельной линии rкл , Ом, вычисляют по формуле
Индуктивное сопротивление кабельной линии
Суммарное сопротивление до точки К3
Сила тока короткого замыкания
Сила ударного тока
Мощность короткого замыкания
Расчет тока короткого замыкания в точке К4 Активное сопротивление трансформатора
Индуктивное сопротивление трансформатора
Полное сопротивление трансформатора
Приводим сопротивление
Суммарное сопротивление до точки К4 вычисляют по формуле
Сила тока короткого замыкания
Сила ударного тока
Мощность короткого замыкания
Расчет тока короткого замыкания в точке К5 Активное сопротивление кабельной линии
Индуктивное сопротивление кабельной линии
Полное сопротивление кабельной линии
Суммарное сопротивление до точки К5
Сила тока короткого замыкания
Сила ударного тока
где Ток подпитки асинхронного двигателя вычисляют по формуле
где
Мощность короткого замыкания
2.9 Расчет и выбор питающей линии Сечение проводов ЛЭП при напряжении выше 1000 В выбирается, согласно ПУЭ, по экономической плотности тока, в зависимости от продолжительности использования линии и проверяется по нагреву, по потере напряжения, на отсутствие короны, на механическую прочность. При выборе сечения проводов исходят из условия соответствия провода требованиям нормальной работы линии и потребителей. При выборе площади сечения проводов наиболее выгодной будет площадь, которая соответствует условиям минимума расчетных затрат. Экономически выгодное сечение
где Ток трансформатора I, А, вычисляют по формуле
Сечение проводов выбирается из условия S ≥ Sном .. Выбираем провод марки А -16 Таблица 2.7
Проверка провода на потерю напряжения Потерю напряжения ΔU, В, вычисляют по формуле
где
Проверка провода по нагреву току нормального режима
где
Проверка провода на механическую прочность
По нормам ПУЭ для линии 10 кВ минимальное сечение провода 16 мм2
Выбираем провод марки АС – 16 2.10 Расчет распределительной сети Выбор кабеля для питания электродвигателя Расчет питающего кабеля ведем по экономической плотности тока. В применяемых кабелях КПБП экономическая плотность тока не превышает Применение плоского кабеля обусловлено необходимостью уменьшить поперечные размеры погружного устройства. Питающий кабель прикрепляется к насосным трубам с помощью металлических скоб. Экономически выгодное сечение кабеля
По таблице выбираем трехжильный бронированный кабель КПБП Проверяем кабель на потерю мощности. Потерю электрической мощности ΔР, кВт, в кабеле КПБП
где Сопротивление в кабеле длиной 1000 м можно определить по формуле:
где
Удельное сопротивление кабеля Тк = 328 К
ρ - удельное сопротивление меди при Т293 К α - температурный коэффициент для меди
Находим полное сопротивление кабеля длиной 1000 м
Найдем длину всего кабеля когда расстояние от устья до станции управления 50 м,запас30 и глубина спуска насоса 900 м.
Из таблицы «Потери напряжения в кабеле в зависимости от температуры и нагрузки» определяют допустимую потерю напряжения в кабеле. В кабеле сечением жил 10 мм2
на каждые 100 м длины допустимые потери составляют
Кабель выбран верно. Расчет и выбор шин. Шины выбираются по номинальному току проверяются на динамическую стойкость к токам короткого замыкания Определяем номинальный ток
Подбираем стандартное сечение шин. Предполагаем к установке алюминиевые однополосные шины Проверяем выбранное сечение шин на электродинамическую стойкость к токам короткого замыкания.
где
Момент сопротивления шин W, см3 , считая, что шины уложены плашмя вычисляют по формуле
где,
Определяем динамическое усилие в металле шин
Шины динамически устойчивы к токам короткого замыкания Выбираем шины Разъединитель предназначен для создания видимого разрыва электрической цепи. Разъединитель выбирается по номинальному току и напряжению и проверяется на термическую и динамическую стойкость к токам короткого замыкания Таблица 2.8
Выбираем разъединитель РЛНДЗ-10/400 У1 с приводом [1 с.268. табл.5,5] Предохранитель выбирается по номинальному току и напряжению и проверяется по отключаемому току и мощности
Таблица 2.9 Выбираем предохранитель ПКТ 101-10-8-31,5 У3 [1 с.254 табл.5,4] Разрядник предназначен для защиты электроустановок от перенапряжений. Разрядник выбирается по номинальному напряжению. Таблица 2.10
Выбираем ограничитель перенапряжения ОПН-РС 2.12 Выбор пусковой и защитной аппаратуры на 0,38 кВ Выбор общего автоматического выключателя. Автоматические выключатели предназначены для защиты электрической цепи от токов перегруза и короткого замыкания. Номинальный ток электромагнитного или комбинированного расцепителя автоматических выключателей выбирают по длительному расчетному току линии:
Ток срабатывания электромагнитного или комбинированного расцепителя I ср.эл проверяют по максимальному кратковременному току линии:
где Кратковременный ток вычисляют по формуле
Суммарный длительный ток вычисляют по формуле
Проверяем выбранный автомат на способность отключения токов короткого замыкания
Выбираю автомат ВА 55-37. Выбор автоматов на отходящие линии к станциям управления
Проверяем выбранный автомат на способность отключения токов короткого замыкания
Выбираю автомат ВА 51Г-31 Выбор трансформаторов тока Таблица 2.11
Выбираю трансформатор тока ТТ-250/5 Выбираем контактор, который предназначен для включения и отключения электродвигателя насоса Таблица 2.12
Выбираем контактор КЭМ-250.
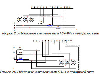
Таблица 2.13 2.13 Выбор и описание схемы управления ПЭД Для обеспечения нормальной, долгосрочной работы погружного электродвигателя необходимо строгое соблюдение его номинальных параметров, указанных в паспорте. К этим параметрам относится величина тока, напряжения, температура и давление в скважине, подача насоса и другие. При значительном отклонении этих параметров создаются условия, при которых двигатель снижает срок службы или может быстро выйти из строя. Для контроля за основными параметрами двигателя, правильностью его подключения применяется схема управления ПЭД. В данном курсовом проекте для защиты двигателя применяется станция управления «Электом-М» с номинальным током 250 А. Станция «Электон-М» - модернизированный вариант широко используемой станции управления ШГС-5805. В отличие от своего прототипа она имеет контроллер марки «Электон-04», автоматы защиты цепей управления и т.д. Станция обеспечивает следующие защиты и регулирование их установок: 1) отключение и запрещение включения электродвигателя при напряжении питающей сети выше или ниже заданных значений; 2) отключение и запрещение включения электродвигателя при превышении выбранной установки дисбаланса напряжения питающей сети; 3) отключение электродвигателя при превышении выбранной установки дисбаланса токов электродвигателя; 4) отключение электродвигателя при недогрузке по активной составляющей тока с выбором минимального тока фазы (по фактической загрузке). При этом уставка выбирается относительно номинального активного тока; 5) отключение электродвигателя при перегрузке любой из фаз с выбором максимального тока фазы по регулируемой ампер секундной характеристике посредством раздельного выбора установок по току и времени перегрузки; 6) отключение и запрещение включения электродвигателя при снижении сопротивления изоляции системы "вторичная обмотка ТМПН - погружной кабель - ПЭД" ниже заданного значения; 7) запрещение включения электродвигателя при турбинном вращении насосной установки с частотой, превышающей установку; 8) запрещение включения электродвигателя при восстановлении напряжения питающей сети с неправильным чередованием фаз; 9) отключение электродвигателя по сигналу контактного манометра; 10) отключение электродвигателя при давлении масла в ПЭД ниже заданного значения (при подключении системы ТМС); 11) отключение электродвигателя при температуре обмотки ПЭД выше заданного значения (при подключении системы ТМС); 12) отключение электродвигателя по сигналу любого из 8 аналоговых входов; 13) предотвращение сброса защит, изменения режимов работы, включения - отключения защит и изменения установок без ввода индивидуального пароля; 14) отключение и запрещение включения электродвигателя при несанкционированном открывании двери. Станция обеспечивает следующие функции: 1) включение и отключение электродвигателя в "ручном" или в "автоматическом" режиме; 2) работа по программе с отдельно задаваемыми временными интервалами работы и остановки; 3) автоматическое включение электродвигателя с заданной задержкой времени после подачи напряжения питания или при восстановлении напряжения питания в соответствии с нормой; 4) регулируемая задержка отключения отдельно для каждой защиты (кроме защиты по низкому сопротивлению изоляции); 5) регулируемая задержка активации защит сразу после пуска для каждой защиты (кроме защиты по низкому сопротивлению изоляции); 6) регулируемая задержка автоматического повторного включения (АПВ) отдельно после срабатывания каждой защиты (кроме защит по низкому сопротивлению изоляции и по турбинному вращению); 7) возможность выбора режима с АПВ или с блокировкой АПВ после срабатывания отдельно каждой защиты (кроме защит по низкому сопротивлению изоляции и по турбинному вращению); 8) возможность выбора активного и неактивного состояния защит отдельно для каждой защиты; 9) блокировка АПВ после отключения по защите от недогрузки при превышении заданного количества разрешенных повторных пусков за заданный интервал времени; 10) блокировка АПВ после отключения по защите от перегрузки при превышении заданного количества разрешенных повторных пусков за заданный интервал времени; 11) блокировка АПВ после отключения по другим защитам (кроме защит от недогрузки и перегрузки) при превышении заданного количества разрешенных повторных пусков за заданный интервал времени; 12) измерение текущего значения сопротивления изоляции системы "вторичная обмотка ТМПН - погружной кабель - ПЭД" в диапазоне 30кОм - 10МОм; 13) измерение текущей потребляемой мощности; 14) измерение текущего коэффициента мощности (cos); 15) вычисление текущего значения фактической загрузки двигателя; 16) измерение текущего значения частоты вращения электродвигателя; 17) определение порядка чередования фаз напряжения питающей сети (АВС или СВА); 18) отображение в хронологическом порядке 99 последних изменений в состоянии насосной установки с указанием причины и времени включения или отключения ПЭД; 19) запись в реальном масштабе времени в блок памяти информации о причинах включения и отключения электродвигателя с регистрацией текущих линейных значений питающего напряжения, токов фаз электродвигателя, загрузки, сопротивления изоляции, давления, температуры и cos в момент отключения электродвигателя, через 2 секунды после включения и во время работы с двумя регулируемыми периодами записи. Кроме того, фиксируется дата и время изменения установки с регистрацией старого и нового значения, а также дата и время отключения и включения питающего напряжения с регистрацией параметров напряжения сразу после его подачи и далее с регулируемым периодом, если параметры напряжения не позволяют производить включение насосной установки. Накопленная информация может быть считана портативным компьютером, блоком съема информации типа БСИ или блоком съема информации и ввода параметров типа БСИВП; 20) сохранение заданных параметров работы и накопленной информации при отсутствии напряжения питания; 21) световая индикация о состоянии станции ("СТОП", "ОЖИД", "РАБОТА"); Станция управления устанавливается на площадке механической добычи напротив трансформатора питания погружного насоса соответствующей скважины. 2.14 Учет и экономия электроэнергии В электрических сетях промышленных предприятий осуществляя ют расчетный учет активной энергии для денежных расчетов за электроэнергию с электроснабжающей организацией и технический учет, служащий для межцеховых расчетов, контроль за соблюдением режима потребления электроэнергии, определения норм расхода энергии на единицу продукции и прочее. Кроме того, учитывают: потребление реактивной энергии для определения скидок и надбавок к тарифу на электроэнергию за компенсацию реактивной мощности. Расчетным учетом электроэнергии называется учет выработанной, а также отпущенной потребителям электроэнергии для денежного расчета за нее. Счетчики, устанавливаемые для расчетного учета, называются расчетными счетчиками (класса 2), с классом точности измерительных трансформаторов - 0,5. Техническим (контрольным) учетом электроэнергии называется учет для контроля расхода электроэнергии электростанций, подстанций, предприятий зданий, квартир. Счетчики, устанавливаемые для технического учета, называются контрольными счетчиками (класса 2,5) с классом точности измерительных трансформаторов. При определении активной энергии необходимо учитывать энергию: выработанную генераторами электростанций; потребленную на собственные нужды электростанций и подстанций; выданную электростанциями в распределительные сети; переданную в другие энергосистемы или полученную от них; отпущенную потребителям и подлежащую оплате. Расчетные счетчики активной электроэнергии на подстанции энергосистемы должны устанавливаться: для каждой отходящей линии электропередачи, принадлежащей потребителям; для межсистемных линий электропередачи по два счетчика, учитывающих полученную и отпущенную электроэнергию; на трансформаторах собственных нужд; для линий хозяйственных нужд или посторонних потребителей, присоединенных к шинам собственных нужд. Расчетные счетчики активной электроэнергии на подстанциях потребителей должны устанавливаться: на вводе линии электропередачи в подстанцию; на стороне высшего напряжения трансформаторов при наличии электрической связи с другой подстанцией энергосистемы; на границе раздела основного потребителя и субабонента; Счетчики реактивной энергии должны устанавливаться: на тех элементах схемы, на которых установлены счетчики активной электроэнергии для потребителей, рассчитывающихся за электроэнергию с учетом разрешенной реактивной мощности; на присоединениях источников реактивной мощности потребителей, если по ним производится расчет за электроэнергию, выданную энергосистеме; Контрольные счетчики включают в сеть низшего напряжения что имеет ряд преимуществ: установка счетчика обходится дешевле; появляется возможность определить потери в трансформаторах и в сети высшего напряжения; монтаж и эксплуатация счетчиков проще.
2.15 Расчет заземляющих устройств Для защиты людей от поражения током при повреждении изоляции применяются следующие меры: заземление и зануление. Защитное заземление - преднамеренное электрическое соединение металлических нетоковедущих частей электроустановки с заземляющим устройством для обеспечения электробезопасности. Заземляющее устройство состоит из заземлителя и заземляющих проводников. Заземлитель - проводник (электрод) находящийся в соприкосновении с землей. Заземляющий проводник - проводник, соединяющий заземляющие части с заземлителем. В качестве заземлителей используются: естественные заземлители - проложенные в земле стальные водопроводные трубы, трубы артезианских скважин, стальная броня и свинцовые оболочки силовых кабелей проложенных в земле, металлические конструкции зданий и сооружений имеющие надежный контакт с землей; искусственные заземлители - заглубленные в землю электроды из труб, уголков или прутков стали. Различают контурное и выносное защитное заземление. При контурном заземлении электроды вбиваются в землю по контуру здания таким образом чтобы 200 мм электрода оставалось над уровнем земли. Затем вбитые электроды соединяют между собой полосовой сталью на сварке. Для выполнения внутреннего контура полосовую сталь прокладывают по внутренней поверхности стен помещения на любой высоте. Соединение внутреннего контура с внешним контуром можно производить как полосовой сталью так и гибким проводом. Для выполнения заземляющего устройства в дипломном проекте выбираем трубы диаметром 60 мм и длиной 2,5 м. Удельное сопротивление грунта
где
Ток однофазного замыкания на землю Iз , А, вычисляют по формуле
где Lкаб - длина кабельной линии, км Lвозд - длина воздушной линии, км
Сопротивление заземляющего устройства Rз , Ом, вычисляют по формуле
где Uз - напряжение заземляющего устройства относительно земли, В
Сопротивление заземляющего устройства 437,1 Ом является недопустимо большим значением. По нормам ПУЭ если заземляющее устройство используется одновременно для установок выше и ниже 1000 В, то значение сопротивления заземляющего устройства принимается по наименьшим требованиям правил. Для сетей 0,4 кВ с глухозаземленной нейтралью сопротивление заземляющего устройства в любое время года должно быть не более 4 Ом Количество электродов n, шт, вычисляют по формуле
где, 2.16 Спецификация на электрооборудование и материалы Таблица 2.15
3 ОХРАНА ТРУДА И ПРОТИВОПОЖАРНАЯ ЗАЩИТА3.1 Техника безопасности при монтаже электрооборудования и электросетей Для производства монтажных работ в действующих или находящихся под напряжением электроустановках мастер должен оформить доступ, к работе получив от эксплуатирующей организации соответствующий наряд и совмести с лицом, допущенным к работе проверить наличие условий, обеспечивающих безопасное ведения работ, в местах, где имеется или может появиться высокое напряжение, от эксплуатационного персонала должен быть назначен наблюдающий. При монтаже наземного оборудования (станций управления и трансформаторов) используют краны. Выполнять работы по монтажу электрооборудования и электросетей с крана можно только тогда, когда краном не поднимают и не перемещают грузы. Монтаж с крана допустим лишь при наличии ограждений крановых троллеев и других открытых токоведущих деталей крана находящихся под напряжением. К работе с монтажным пистолетом допускается только специально обученный персонал. Все применяемые для подъёма тяжелых деталей подъёмные устройства, а также тросы должны периодически проходить осмотры и испытания для проверки их пригодности и иметь соответствующий паспорт. При необходимости устраивают сплошные настилы со сплошными ограждениями, исключающие падения предметов с высоты. кроме общих мер, обеспечивающих безопасность персонала при производстве работ, соблюдают следующие меры предосторожности: не оставляют на весу поднятые конструкции или оборудование; не производят перемещение подъём и установку щитов, блоков, магнитных станций без принятия мер, предупреждающих их опрокидывание не крепят стропы, тросы ин канаты за изоляторы, контактные детали или отверстия лапах; внимательно следят за подаваемыми сигналами. При работе применяют электрифицированный инструмент на напряжение 220/127 В при условии надёжного заземления корпуса электроинструмент и применение резиновых перчаток и диэлектрических галош. В помещениях особо опасно и с повышенной опасность, а также вне помещений работать с электроинструментом напряжением с выше 36 В нельзя, если он не имеет двойной изоляции или не включён в сеть через разделяющий трансформатор, или не имеет защитного отключения. При монтаже оборудования и аппаратуры понижающих станций или распределительных устройств следует сначала проверить исправность монтажных приспособлений, целостность тросов, канатов и их соответствие массе перемещаемых грузов. Безопасность выполнения работ обеспечивается также организационными мерами. К ним относится оформления работы нарядов, оформления допуска к работе, надзор во время работы и т.п. 3.2 Техника безопасности при эксплуатации электрооборудования и электросетей К обслуживанию электрооборудования на нефтепромысле допускаются лица не моложе 18 лет, не имеющие медицинских противопоказаний, мешающих выполнению работ, получившие вводный и первичный инструктажи на рабочем месте, производственное обучение, проверку знаний электробезопасности в нефтедобывающей промышленности. Электромонтер должен знать схему электроснабжения объектов нефтедобычи, зрительно представлять прохождение ЛЭП 6-10 кВ на местности, направление трасс, местный ландшафт, расположение разъединителей на ЛЭП и так далее. Электромонтер должен иметь навыки приемов технических методов обслуживания электроустановок. Он должен быть обеспечен всеми средствами индивидуальной защиты и спецодеждой. Инструменты и средства защиты должны быть испытаны, исправны и использоваться по назначению. При эксплуатации действующих электроустановок применяют различные электрозащитные средства и предохранительные приспособления. Ручное включение и отключение оборудования напряжением свыше 1000 В необходимо выполнять в диэлектрических перчатках, колошах или на коврике. Отключение выполняют с видимым разрывам электрической цепи, для чего отключают разъединители, снимают плавкие вставки предохранителей, отсоединяют привода сети. После вывешивания плаката проверяют отсутствие напряжения на отключенном участке сети. В оперативном журнале делают запись об отключении. Включение производят только после отметки в журнале об окончании работ с указанием ответственного лица. Безопасность выполнения работ обеспечивается также организационными мерами. К ним относится оформления работы нарядов, оформления допуска к работе, надзор во время работы и т.п. Наряд есть письменное разрешение на работу в электроустановках, определяющее место, время, начало и окончание работ; условия безопасного его проведения; состав бригады и лиц, ответственных за безопасность. Без наряда по устному или письменному распоряжению, но с обязательной записью в журнале могут выполняться такие работы, как уборка помещений до ограждения электрооборудования, чистка кожухов, доливка масла в подшипники, уход за коллекторами, контактными кольцами, щётками, замена пробочных предохранителей. При работе в электроустановках напряжением до 1000В без снятия напряжения необходимо: - оградить расположенные вблизи рабочего места другие токоведущие части, находящиеся под напряжением, к которым возможно случайное прикосновение; - работать в диэлектрических галошах или стоя на изолирующей подставке, либо на диэлектрическом ковре; - применять инструмент с изолирующими рукоятками (у отвёрток, кроме того, должен быть изолирован стержень), при отсутствии такого инструмента пользоваться диэлектрическими перчатками. При производстве работ без снятия напряжения на токоведущих частях с помощью изолирующих средств защиты необходимо: - держать изолирующие части средств защиты за рукоятки до ограничительного кольца; - располагать изолирующие части средств защиты так, чтобы не возникла опасность перекрытия по поверхности изоляции между токоведущими частя двух фаз или замыкания на землю; -пользоваться только сухими и чистыми изолирующими частями средств защиты с неповреждённым лаковым покрытием. При обнаружении нарушения лакового покрытия или других неисправностей изолирующих частей средств защиты пользование ими должно быть немедленно прекращено. При работе с применением электрозащитных средств (изолирующие штанги, электроизмерительные клещи, указатели напряжения) допускается приближение человека к токоведущим частям на расстояние, определяемое длиной изолирующей части этих средств. Ежесменные осмотры электрооборудования и сетей должен производить дежурный электромонтёр. При осмотре обращать внимание на следующее: - отсутствие изменений от обычного состояния электрооборудования при его функционировании; - степень коррозии, окраски труб, крепёжных элементов, - отсутствие люфт в местах присоединения труб и кабелей к электрооборудованию, наличие заглушек на неиспользуемых вводах, исправность прокладок, крышки фитингов и коробки должны быть завёрнуты до отказа; - исправность вводов проводов и кабелей в электрооборудование; - исправность заземляющих устройств; - наличие предупреждающих плакатов и знаков маркировки на взрывозащищённом электрооборудовании; - наличие всех предусмотренных конструкцией болтов, крепящих элементы оболочки (они должны быть хорошо затянуты); - попадание на электрооборудование брызг, капель и пыли; Внеочередные осмотры электроустановок должны проводиться после её автоматического отключения устройствами защиты. При этом должны быть приняты меры против самовключения установки или включения её посторонними лицами. При обнаружении ненормальной работы силового трансформатора дежурный электромонтёр должен вывести его из работы с обязательным соблюдением всех мер личной безопасности, используя необходимые средства индивидуальной защиты. Такое отключение производится при: - сильном неравномерном шуме и потрескивании внутри трансформатора; - ненормальном и постоянно возрастающем нагреве трансформатора при номинальной нагрузке и работе устройств охлаждения; - выбросе масла из расширителя или разрыве диафрагмы выхлопной трубы; - течи масла с понижением его уровня ниже уровня масломерного стекла. При этом делается запись в оперативном журнале и сообщается ответственному за электрохозяйство Правила технической эксплуатации электроустановок потребителей и правила техники безопасности при эксплуатации электроустановок потребителей требуют проводить регулярные осмотры и ремонт электросетей, а также измерения сопротивления и изоляции. 3.3 Техника безопасности при ремонте электрооборудования и электросетей Все работы по ремонту действующего электрооборудования следует производить только при снятом напряжении с ремонтируемой электроустановки. В отдельных случаях ПТБ разрешают производство небольших по объему работ по устранению неполадок без снятия напряжения. В электроустановках напряжением до 380 В такие работы разрешаются (за исключением особо опасных помещений) электромонтеру, имеющему квалификационную группу по ТБ, в присутствии второго лица, старшего по должности, имеющего группу IV или V. Работы по ремонту электрооборудования производятся по наряду-допуску, распоряжению или в порядке текущей эксплуатации с записью в оперативном журнале согласно перечню испытаний согласно перечня работ, выполняемых электротехническим персоналом в порядке текущей эксплуатации, утвержденным главным энергетиком. Работа по проверке, испытанию и ремонту связанные с подачей напряжения, могут проводиться не менее двумя лицами, одно из которых должно иметь квалификационную группу ни ниже 4 при работе в электроустановках свыше 1000 В и не ниже 3 в электроустановках до 1000 В. В рукоятках всех отключающих аппаратах, с помощью которых может быть подано напряжение к месту работы, вывешивают предупредительные плакаты “Не включать - работают люди”. Питание временных схем для ремонта, проверок и испытаний электросетей должно выполняться через выключатель, рубильник, автомат закрытого исполнения с защитой и ясным обозначением включённого и отключенного положения. Во избежание опасности которая может возникнуть для ремонта персонала или ошибочной подачи напряжения в ремонтируемый участок электросети, все фазы отключённой части заземляют и закорачивают. Перед тем как наложить заземление на ремонтируемый участок, проверяют отсутствие напряжения. Если требуется произвести ремонт в действующей электросети, с которой снять напряжение не представляется возможным то работы проводят в диэлектрических перчатках, стоя на резиновых ковриках. При измерениях с помощью мегомметра проверяемый участок предварительно отключают со всех сторон, откуда на него может быть подано напряжение. Ответственный за ремонтные и испытательные работы отвечает заточное выполнения всех мер безопасности. В ремонтных помещениях необходимо соблюдать чистоту и порядок, не допускать захломлнения. Отходы материалов, тряпки, стружку, опилки надо регулярно убирать в специально отведённые места. Обтирочные материалы должны храниться в металлических ящиках с крышками. Ветаж бывшая в употреблении, обладает способность к самовозгоранию, необходимо ежедневно удалять в случае возникновения пожара или возгорания принимаются немедленные меры по его ликвидации и одновременно сообщается в пожарную часть 3.4 Мероприятия по противопожарной безопасности Наиболее частыми причинами возникновения пожаров и взрывов являются электрические искры и дуги, недопустимы перегрев проводников токами коротких замыканий и вследствие перегрузок, неудовлетворительное состояние контактов в местах соединения проводов или присоединения их к выводам электрооборудования. Возможны загорания изоляции проводов электрических машин и трансформаторов вследствие повреждения изоляции и перегрузки их токами. Чтобы избежать недопустимого перегрева проводников, искрения и образования электрических дуг в машинах и аппаратах, электрооборудования для пожароопасных и взрывоопасных электроустановок необходимо выбирать в строгом соответствии с требованиями Правил устройства электроустановок. Во избежание недопустимых перегрузок и токов короткого замыкания следует применять электрическую защиту проводов и электроприемников. Электрическое оборудование применяемые в электроустановках, должны обеспечивать необходимую степень защиты их изоляции от вредного действия окружающей среды и безопасность в отношении пожара или взрыва из-за их неисправности. В связи с этим имеется следующая классификация электротехнического оборудования: открытое, защищенное, каплезащищенное, брызгозащищенное, водозащищенное, закрытое, пылезащищенное, пыленепроницаемое, герметичное, взрывозащищенное, взрывобезопасное, особовзрывоопасное и другие. 4. ОХРАНА НЕДР И ОКРУЖАЮЩЕЙ СРЕДЫ4.1 Экологические проблемы в нефтяной промышленности. Крупные комплексы нефтяной и газовой промышленности преобразуют почти все компоненты природы. В атмосферу, водоемы и почву в мире ежегодно выбрасывается более 3 млрд. т твердых промышленных отходов, 500 км3 опасных сточных вод и около 1 млрд. т. аэрозолей, разных по крупности и химическому составу. К основным загрязнителям сточных вод относятся буровые растворы (особо опасны на нефтяной основе), химические реагенты, а также деспиргерованные глины, выбуренные породы, утяжелители (механическая примесь), смазочные масла, буровой шлам, содержащий все химические соединения, использующиеся при приготовлении буровых растворов. Опасными остаются загрязнения, образующиеся при глушении скважин. При нагнетании отработанного раствора в скважину при глушении и ремонте из-за чрезмерного высокого давления возникают открытые выбросы из скважин, загрязняющие почву нефтью, нефтепродуктами, глинистым раствором и высокоминерализированными водами. Ядовитые загрязнения содержат около 800 вредных веществ, в том числе мутагены, влияющие на наследственность, канцерогены - на зарождение и развитие злокачественных новообразований, нервные и кровяные яды - на функции нервной системы, состав крови. Содержание их в воздухе в ряде случаев в 3-10 раз превышает предельно допустимые концентрации. Атмосферные загрязнения при соответствующем составе и концентрации могут явиться причиной гибели растений и животных, а также людей. 4.2 Охрана окружающей среды на объекте. Объекты добычи нефти являются мощными загрязнителями окружающей среды, поэтому необходимо стремиться к снижению этого негативного воздействия. Основным загрязнением кустовых площадок и прилегающих территорий являются разливы нефтесодержащей жидкости. Вследствие этого, организация, осуществляющая добычу должна требовать от своих работников и подрядных организаций определенных правил по охране окружающей среды на кустовых площадках. Основное загрязнение нефтью производят течи и прорывы в трубопроводах, которые при появлении должны устраняться в кратчайшие сроки. На кустовых площадках должны быть установлены контейнеры для хранения бытовых отходов, промасленной ветоши, резинотехнических изделий. Кустовая площадка при сооружении обсыпается песчаным валом - обваловкой. Анализ химического состава почв имеет большое значение в разработке программ оптимизации природопользования. Общеизвестна биологическая значимость микроэлементов, которые играют важную роль в процессах роста и развития растений. Микроэлементы участвуют в синтезе хлорофилла, в построении ферментов, оказывают влияние на ассимиляцию растениями азота. С этой точки зрения необходим контроль за содержанием микроэлементов в почвах и обеспечение их оптимального содержания на тех участках, где проходит биологическая рекультивация. С другой стороны, некоторые микроэлементы являются одними из наиболее опасных загрязнителей окружающей среды. Среди них следует выделить тяжелые металлы Pb, Hg, Cd, а также Си, Ni, Co, Mo, Cr, Zn, V. Анализ микроэлементного состава почв на фоновых и техногеннотрансформированных участках позволяет оценить интенсивность загрязнения окружающей среды. Охрана природы – это система мер, направленная на поддержание рационального взаимодействия между деятельностью человека и окружающей природной средой, обеспечивающее сохранение и восстановление природных богатств, рациональное использование природных ресурсов, предупреждающее прямое и косвенное вредное влияние результатов деятельности общества на природу и здоровье человека. Непрерывно растущее, практически неуправляемое загрязнение окружающей среды по масштабам и глобальности источников загрязнения, по степени пагубного влияния на живую природу и на человеческий организм, выдвинуло заботу о чистоте окружающей природы на одно из первых мест для обеспечения жизни и здоровья людей. Следовательно, усилие предприятий и их технологических служб должны быть направлены, в первую очередь, на: - исключение применения вредных веществ и их замену на безвредные; - исключение образования и выделение в ходе технологических процессов вредных веществ; - разработку и внедрение безотходных технологий; - создание лабораторий по охране окружающей среды. Программа охраны окружающей среды является комплексной и носит глобальный характер и поэтому должна решаться не только применительно к конкретному предприятию, но и в масштабах города, страны и всей Земли в целом с учетом социальных, экологических, технических, экономических, правовых и международных аспектов. Кто, если не мы будем беречь свою планету в чистоте и порядке!
|
|||||||||||||||||||||||||||||||||||||||||||||||||||||||||||||||||||||||||||||||||||||||||||||||||||||||||||||||||||||||||||||||||||||||||||||||||||||||||||||||||||||||||||||||||||||||||||||||||||||||||||||||||||||||||||||||||||||||||||||||||||||||||||||||||||||||||||||||||||||||||||||||||||||||||||||||||||||||||||||||||||||||||||||||||||||||||||||||||||||||||||||||||||||||||||||||||||||||||||||||||||||||||||||||||||||||||||||||||||||||||||||||||||||||||||||||||||||||||||||||||||||||||||||||||||||||||||||||||||||||||||||||||||||||||||||||||||||||||||||||||||||||||||||||||||||||||||||||||||||||||||||||||||||||||||||||||||||||||||||||||||||||||||||||||||||||||||||||||||||||||||||||||||||||||||||||||||||||||||||||||||||||||||||||||||||||||||||||||||||||||||||||||||||||||||||||||||||||||||||||||||||||||||||||||||||||||||||||||||||||||||||||||||||||||||||||||||||||||||||||||||||||||||||||||||||||||||||||||||||||||||||||||||||||||||||||||||||||||||||||||||||||||||||||||||||||||||||||||||||||
| Таблица 6.1 |
Трудоемкость, чел-час |
Т‘к |
33 |
50 |
91,9 |
140 |
41,5 |
208 |
- |
4,3 |
12,7 |
12 |
- |
- |
- |
- |
6,3 |
- |
0,96 |
| Т’т |
2,1 |
15 |
8,5 |
28 |
12,45 |
62,4 |
2 |
1,3 |
1,5 |
3,6 |
0,8 |
0,5 |
2,9 |
3,5 |
0,8 |
2,9 |
0,276 |
||
| Межремонтный |
Цикл, Пк |
72 |
96 |
36 |
96 |
60 |
180 |
- |
36 |
96 |
48 |
- |
- |
- |
- |
96 |
- |
72 |
|
| Период, Пт |
12 |
12 |
12 |
24 |
30 |
36 |
12 |
12 |
12 |
12 |
12 |
12 |
12 |
12 |
12 |
12 |
36 |
||
| Структура |
К-16ТО-7Т-К |
К-88ТО-7Т-К |
К-ТО-2Т-К |
К-3Т-К |
К-Т-К |
К-4Т-К |
Т-ТО-Т |
К-9ТО-2Т-К |
К-7Т-К |
К-12ТО-3Т-К |
Т-ТО-Т |
Т-ТО-Т |
Т-ТО-Т |
Т-ТО-Т |
К-7Т-К |
Т-ТО-Т |
К-Т-К |
||
| кол |
5 |
1 |
1 |
5 |
5 |
1 |
3 |
1 |
3 |
1 |
5 |
15 |
10 |
5 |
15 |
5 |
3 |
||
| Оборудование |
Электродвигатель ПЭД32-117 |
Компенсирующее устройство КС-0,38-36 |
Силовой трансформатор ТМ-160/10 |
Силовой трансформатор ТМ-100/1170 |
Кабель КПБП 3×10 мм2 L=980 м |
Воздушная линия АС-16 L=10 км |
Предохранитель ПКТ101-10-8-31,5 |
Разъединитель РЛНД-10/400 |
Ограничитель перенапряжений ОПН-РС |
Автомат ВА 55-37 I=320 А |
Рубильник Р32 I=250 А |
Предохранитель ПП21 |
Трансформатор тока ТТ-250/5 |
Контактор КЭМ-250 |
Ограничитель перенапряжений ОПН-НО |
Автомат ВА52Г-31 I=80 А |
Шины L=1,2 м 25×3 |
||
| Номер |
1 |
2 |
3 |
4 |
5 |
6 |
7 |
8 |
9 |
10 |
11 |
12 |
13 |
14 |
15 |
16 |
17 |
||
Для расчета трудоемкости ремонтных работ необходимо соблю-дать следующий порядок:
1) рассчитываем количество ремонтов в ремонтном цикле
2) рассчитываем количество текущих и капитальных ремонтов
3) рассчитываем трудоемкость ремонтных работ
Количество ремонтов в ремонтном цикле Рт , рем, вычисляют по формуле
Рт
=
- 1, (6.1)
где: Пк − межремонтный цикл,
Пт − межремонтный период
Рт1
=
- 1 = 5 рем
Р т2
=
- 1 = 7 рем
Рт3
=
- 1 = 2 рем
Рт4
=
- 1 = 3 рем
Рт5
=
- 1 = 1 рем
Рт6
=
- 1 = 4 рем
Рт7 не рассчитываем т.к. Пк7 = 0
Рт8
=
- 1 = 2 рем
Рт9
=
- 1 = 7 рем
Рт10
=
- 1 = 3 рем
Рт11 не рассчитываем т.к. Пк11 = 0
Рт12 не рассчитываем т.к. Пк12 = 0
Рт13 не рассчитываем т.к. Пк13 = 0
Рт14 не рассчитываем т.к. Пк14 = 0
Рт15
=
- 1 = 7 рем
Рт16 не рассчитываем т.к. Пк16 = 0
Рт19
=
- 1 = 1 рем
Рассчитываем количество ремонтов в год
Количество текущих ремонтов в год Ртг , рем, вычисляют по фо-рмуле:
Ртг
=
, (6.2)
где: Е− количество оборудования,
Если Рк = 0, то
Ртг
=
(6.3)
Ртг1
=
= 4,16 ≈ 4 рем
Ртг2
=
= 0,875 ≈1 рем
Ртг3
=
= 0,67 ≈ 1 рем
Ртг4
=
= 1,87 ≈2 рем
Ртг5
=
= 1 рем
Ртг6
=
= 0,27 ≈ 0 рем
Ртг7
=
= 3 рем
Ртг8
=
= 2 рем
Ртг9
=
= 2,625 ≈ 3 рем
Ртг10
=
= 07,5 ≈ 1 рем
Ртг11
=
= 5 рем
Ртг12
=
= 15 рем
Ртг13
=
= 10 рем
Ртг14
=
= 5 рем
Ртг15
=
= 13,1 ≈13 рем
Ртг16
=
= 5 рем
Ртг17
=
= 0,5 ≈ 1 рем
Количество капитальных ремонтов в год Ртг , рем, вычисляют по формуле
Ркг
=
(6.4)
Если Рк = 0, то Ркг − не рассчитываем
Ркг1
=
= 0,83 ≈ 1 рем
Ркг2
=
= 0,125 ≈ 0 рем
Ркг3
=
= 0,33 ≈ 1 рем
Ркг4
=
= 0,62 ≈ 1 рем
Ркг5
=
= 1 рем
Ркг6
=
= 0,07 ≈ 0 рем
Ркг7 − не рассчитываем т.к. Рк7 = 0
Ркг8
=
= 0,33 ≈ 1 рем
Ркг9
=
= 0,125 ≈ 0 рем
Ркг10
=
= 0,25 ≈ 0 рем
Ркг11 − не рассчитываем т.к. Рк11 = 0
Ркг12 − не рассчитываем т.к. Рк12 = 0
Ркг13 − не рассчитываем т.к. Рк13 = 0
Ркг14 − не рассчитываем т.к. Рк14 = 0
Ркг15
=
= 1,87 ≈ 2 рем
Ркг16 − не рассчитываем т.к. Рк16 = 0
Ркг17
=
= 0,5 ≈ 1 рем
Расчет трудоемкости ремонтных работ
Трудоемкость ремонтных работ рассчитывают исходя из коли-чества ремонтов в год
Трудоемкость текущих ремонтов Тт , чел-час, вычисляют по фо-рмуле
Тт = Ртг ×Т’т ,, (6.5)
где: Т’т − трудоемкость единицы ремонта
Тт1 = 4×2,1 = 8,4 чел-час
Тт2 = 1×15 = 15 чел-час
Тт3 = 1×8,5 = 8,5 чел-час
Тт4 = 2×28 = 56 чел-час
Тт5 = 1×12,45 = 12,45 чел-час
Тт6 = 0×62,4 = 0 чел-час
Тт7 = 3×2 = 6 чел-час
Тт8 = 2×1,3 = 2,6 чел-час
Тт9 = 3×1,5 = 4,5 чел-час
Тт10 = 1×3,6 = 3,6 чел-час
Тт11 = 5×0,8 = 4 чел-час
Тт12 = 15×0,5 = 7,5 чел-час
Тт13 = 10×2,9 = 29 чел-час
Тт14 = 5×3,5 = 17,5 чел-час
Тт15 = 13×0,8 = 10,4 чел-час
Тт16 = 5×2,9 = 14,5 чел-час
Тт17 = 1×0,28 = 0,28 чел-час
Трудоемкость капитальных ремонтов:
Тк = Ркг ×Т’к , (6.6)
где: Т’к − трудоемкость единицы ремонта
Тк1 = 1×33 = 33 чел-час
Тк2 = 0×50 = 0 чел-час
Тк3 = 1×91,9 = 91,9 чел-час
Тк4 = 1×140 = 140 чел-час
Тк5 = 1×41,5 = 41,5 чел-час
Тк6 = 0×208 = 0 чел-час
Тк7 = 0 чел-час
Тк8 = 1×4,3 = 4,3 чел-час
Тк9 = 0×12,7 = 0 чел-час
Тк10 = 0×12 = 0 чел-час
Тк11 = 0 чел-час
Тк12 = 0 чел-час
Тк13 = 0 чел-час
Тк14 = 0 чел-час
Тк15 = 2×6,3 = 12,6 чел-час
Тк16 = 0 чел-час
Тк17 = 1×0,96 = 0,96 чел-час
Данные заносим в таблицу 6,2 и рассчитываем общею трудоем-кость Тобщ , чес-час, по формуле
Тобщ = Тт + Тк (6.7)
Тобщ1 = 8,4 + 33 = 41,4 чел-час
Тобщ2 = 15 + 0 = 15 чел-час
Тобщ3 = 8,5 + 91,9 = 100,4 чел-час
Тобщ4 = 56 + 140 = 196 чел-час
Тобщ5 = 12,45 + 41,5 = 53,95 чел-час
Тобщ6 = 0 + 0 = 0 чел-час
Тобщ7 = 6 + 0 = 6 чел-час
Тобщ8 = 2,6 + 4,3 = 6,9 чел-час
Тобщ9 = 4,5 + 0 = 4,5 чел-час
Тобщ10 = 3,6 + 0 = 3,6 чел-час
Тобщ11 = 4 + 0 = 4 чел-час
Тобщ12 = 7,5 + 0 = 7,5 чел-час
Тобщ13 = 29 + 0 = 29 чел-час
Тобщ14 = 17,5 + 0 = 17,5 чел-час
Тобщ15 = 10,4 + 12,6 = 23 чел-час
Тобщ16 = 14,5 + 0 = 14,5 чел-час
Тобщ17 = 0,28 + 0,96 = 1,24 чел-час
Таблица 6.2
| Номер |
Оборудование |
Трудое-мкость единицы ремонта |
Кол ремон-тов в год |
Трудое-мкость |
Общея трудо-емкость, чел-час |
|||
| Т’т |
Т’к |
Ртг |
Ркг |
Тт |
Тк |
|||
| 1 |
Электродвигатель ПЭД32-117 |
2,1 |
33 |
4 |
1 |
8,4 |
33 |
41,4 |
| 2 |
Компенсирующее устройство КС-0,38-36 |
15 |
50 |
1 |
0 |
15 |
0 |
15 |
| 3 |
Трансформатор ТМ-160/10 |
8,5 |
91,9 |
1 |
1 |
8,5 |
91,9 |
100,4 |
| 4 |
Трансформатор ТМП-100/1170 |
28 |
140 |
2 |
1 |
56 |
140 |
196 |
| 5 |
Кабель КПБП 3×16 мм2 |
12,45 |
41,5 |
1 |
1 |
12,45 |
41,5 |
53,95 |
| 6 |
Воздушная линия АС-16 |
62,4 |
208 |
0 |
0 |
0 |
0 |
0 |
| 7 |
Предохранитель ПКТ101-10-8-31,5 |
2 |
- |
3 |
0 |
6 |
0 |
6 |
| 8 |
Разъединитель РЛНД-10/400 |
1,3 |
4,3 |
2 |
1 |
2,6 |
4,3 |
6,9 |
| 9 |
Ограничитель перенапряжений ОПН-РС |
1,5 |
12,7 |
3 |
0 |
4,5 |
0 |
4,5 |
| 10 |
Автомат ВА 55-37 |
3,6 |
12 |
1 |
0 |
3,6 |
0 |
3,6 |
| 11 |
Рубильник Р32 |
0,8 |
- |
5 |
0 |
4 |
0 |
4 |
| 12 |
Предохранитель ПП21 |
0,5 |
- |
15 |
0 |
7,5 |
0 |
7,5 |
| 13 |
Трансформатор тока ТТ-250/5 |
2,9 |
- |
10 |
0 |
29 |
0 |
29 |
| 14 |
Контактор КЭМ-250 |
3,5 |
- |
5 |
0 |
17,5 |
0 |
17,5 |
| 15 |
Ограничитель перенапряжений ОПН-НО |
0,8 |
6,3 |
13 |
2 |
10,4 |
12,6 |
23 |
| 16 |
Автомат ВА52Г-31 |
3 |
- |
5 |
0 |
14,5 |
0 |
14,5 |
| 17 |
Шины 25×3 |
0,28 |
0,96 |
1 |
1 |
0,28 |
0,96 |
1,24 |
| Итого |
200,23 |
324,26 |
524,49 |
|||||
Для учета технического обслуживания при расчете общей тру-доемкости ремонтных работ прибавляем 10% от суммарного теку-щего ремонта, таким образом, трудоемкость ремонтных работ сос-тавляет:
Трем = ΣТобщ + 0,1 ΣТт (6.8)
Трем = 524,49 + 0,1×200,23 = 544,51 чел-час
Численность ремонтного персонала Чр , чел, вычисляют по фор-муле
Чр
=
, (6.9)
где: Квн − коэффициент выполнения норм предусматривается повышением производительности труда за счет решения организа-ционных вопросов
Фр − годовой фонд рабочего времени, рассчитывается за планируемый год согласно таблице 6.3
Таблица 6.3
| Номер показателя |
Показатели |
Расчет |
| 1 2 3 4 5 6 |
Количество календарных дней (П1) Количество выходных и праздничных дней (П2) Не рабочие дни (П3) в том числе: − отпускные −выполнение государственных обязанностей −больничные −ученические Итого рабочих дней (П4) П4 = П1 - П2 - П3 Продолжительность рабочего дня в часах (П5) Годовой фонд рабочего времени (П6) П6 = П4×П5 |
366 115 33 28 1 3 1 218 8 1744 |
Чр
=
= 0,27 ≈ 1 чел
Ремонтный персонал необходимо обеспечить дополнительным фронтом работы т.к. он не загружен
Численность обслуживающего персонала рассчитывают исходя из ремонтной сложности
Численность обслуживающего персонала Чо , чел, вычисляют по формуле
Чо
=
, (6.10)
где: ΣРс − ремонтная сложность всех видов оборудования
Nc м − количество смен работы оборудования
Но − норма обслуживания ремонтной сложности
Для расчета ремонтной сложности составим таблицу 6.4
Таблица 6.4
| Номер |
Оборудование |
Кол |
Р’c |
Рc |
| 1 |
Электродвигатель ПЭД32-117 |
5 |
14 |
70 |
| 2 |
Компенсирующее устройство КС-0,38-36 |
1 |
3 |
3 |
| 3 |
Трансформатор ТМ-160/10 |
1 |
8 |
8 |
| 4 |
Трансформатор ТМП-100/1170 |
5 |
6 |
30 |
| 5 |
Кабель КПБП 3×16 мм2 |
5 |
3,32 |
16,6 |
| 6 |
Воздушная линия АС-16 |
1 |
80 |
80 |
| 7 |
Предохранитель ПКТ101-10-8-31,5 |
3 |
0,12 |
0,36 |
| 8 |
Разъединитель РЛНД-10/400 |
1 |
1 |
1 |
| 9 |
Ограничитель перенапряжений ОПН-РС |
3 |
1 |
3 |
| 10 |
Автомат ВА 55-37 |
1 |
2 |
2 |
| 11 |
Рубильник Р32 |
5 |
0,5 |
2,5 |
| 12 |
Предохранитель ПП21 |
15 |
1 |
15 |
| 13 |
Трансформатор тока ТТ-250/5 |
10 |
1 |
10 |
| 14 |
Контактор КЭМ-250 |
5 |
1,5 |
7,5 |
| 15 |
Ограничитель перенапряжений ОПН-НО |
15 |
1 |
15 |
| 16 |
Автомат ВА52Г-31 |
5 |
1 |
5 |
| 17 |
Шины 25×3 |
3 |
3 |
9 |
Рс = Р’c ×Е, (6.11)
где: Р’c − ремонтная сложность единицы оборудования
Рc1 = 14×5 = 70
Рc2 = 1×3 = 3
Рc3 = 8×1 = 8
Рc4 = 6×5 = 30
Рc5 = 5×3,32 = 16,6
Рc6 = 1×80 = 80
Рc7 = 3×0,12 = 0,36
Рc8 = 1×1 = 1
Рc9 = 3×1 = 3
Рc10 = 1×2 = 2
Рc11 = 5×0,5 = 2,5
Рc12 = 15×1 = 15
Рc13 = 10×1 = 10
Рc14 = 5×1,5 = 7,5
Рc15 = 15×1 = 15
Рc16 = 5×1 = 5
Рc17 = 3×3 = 9
Рассчитываем ремонтную сложность всех видов оборудования:
ΣРс = 70+3+8+30+16,6+80+0,36+1+3+2+2,5+15+10+7,5+15+5+9 = 277,96
Чо
=
= 1,66 ≈ 2 чел
6.2 Расчет годового фонда заработной платы
Годовой фонд заработанной платы:
− для ремонтного персонала − по сдельно-премиальной системе
− для обслуживающего персонала − по повременно-премиальной системе
Заработанную плату по тарифу Зт , руб, вычисляют по формуле
-для сдельщиков:
Зтс = Трем ×Счс , (6.12)
где: Счс − часовая тарифная ставка рабочего-сдельщика
Зтс = 544,51×34,45 = 18758,36 руб
-для повременщиков:
Зтп = Фр ×Чо ×Счп , (6.13)
где: Счп − часовая тарифная ставка рабочего-повременщика
Зтп = 1744×2×28,28 = 100733,44 руб
Доплаты Д, руб, вычисляют по формуле:
Д = Зт
×
, (6.14)
где: Р − процент доплат:
Дс
= 18758,36×
= 4689,59 руб
Дп
= 100733,44×
= 20146,68 руб
Премию П, руб, вычисляют по формуле:
П = (Зт
+ Д)×
, (6.15)
где: М − процент премии:
Пс
= (18758,36 + 4689,59)×
= 9379,18 руб
Пп
= (100733,44 + 20146,68)×
= 36264,03 руб
Уральский коэффициент У, руб, вычисляют по формуле:
У = (Зт
+ Д + П)×
, где (6.16)
Ус
= (18758,36 + 4689,59+ 9379,18)×
= 4924,06 руб
Уп
= (100733,44 + 20146,68+36264,03)×
= 23571,62 руб
Фонд заработанной платы вычисляют по формуле
Фз = Зт + Д + П + У (6.17)
Фзс = 18758,36 + 4689,59+ 9379,18+ 4924,06 = 37751,19 руб
Фзп = 100733,44 + 20146,68+36264,03+ 23571,62 = 180715,77 руб
Фз = Фзс + Фзп (6.18)
Фз = 37751,19 + 180715,77 = 218466,96 руб
После расчета фонда заработанной платы рассчитываем отчис-
ления во внебюджетные фонды:
− в пенсионный фонд:
Пф
= Фз
×
(6.19)
Пф
= 218466,96 ×
= 43693,39 руб
− в фонд социального страхования:
Сс
= Фз
×
(6.20)
Сс
=218466,96 ×
= 6335,54 руб
− в фонд медицинского страхования:
Мс
= Фз
×
(6.21)
Мс
=218466,96 ×
= 6772,47 руб
6.3 Расчет потребности материальных ресурсов и запасных частей
В нормативных документах дается потребность на 100 чел-час трудоемкости − Мн .. Первоначально составляется таблица по нормативным данным.
Для рассчитанной трудоемкости материальные потребности составят
Мп1
=
= 1,12 кг
Мп2 - не предусмотрено
Мп3
=
= 22,09 кг
Мп4
=
= 39,2 кг
Мп5
=
= 1,08 кг
Мп6
=
=1,08 кг
Мп7
=
= 0,35 кг
Мп8
=
= 0,32 кг
Мп9
=
= 0,26 кг
Мп10
=
= 0,1 кг
Мп11
=
= 0,09 кг
Мп12
=
= 0,16 кг
Мп13
=
= 0,94 кг
Мп14
=
= 0,38 кг
Мп15
=
= 0,58 кг
Мп16
=
= 0,32 кг
Мп17
=
= 0,43 кг
В справочных данных дается потребность на 100 чел.-час трудоемкости.
| Материалы |
Оборудование |
||||||||||||||
| 1 |
2 |
3 |
4 |
5 |
6 |
7 |
8 |
9 |
10 |
11 |
12 |
13 |
14 |
15 |
|
| 1.. Сталь |
2,7 |
25 |
20 |
0,4 |
1,5 |
1,5 |
1,5 |
2 |
2 |
2 |
2 |
25 |
1,5 |
||
| 2. Проволка бандажная |
0,4 |
- |
0,08 |
||||||||||||
| 3. Крепежные изделия |
2,7 |
6,5 |
3,6 |
0,2 |
0,1 |
0,1 |
0,1 |
0,1 |
0,1 |
0,1 |
|||||
| 4.Медь |
0,3 |
7,2 |
2,3 |
4,5 |
0,2 |
10 |
0,2 |
||||||||
| 5.Алюминий |
1,8 |
- |
1,5 |
0,6 |
0,6 |
||||||||||
| 6. Припой |
0,24 |
0,06 |
0,02 |
0,03 |
0,03 |
0,03 |
0,2 |
0,03 |
|||||||
| 7. Провод обмоточный |
54 |
145 |
53 |
15 |
0,5 |
0,5 |
|||||||||
| 8. Картон электроизоляционный |
0,5 |
16,5 |
6,6 |
0,5 |
0,2 |
0,2 |
0,2 |
||||||||
| 9. Миканит |
0,15 |
- |
- |
||||||||||||
| 10. Лаки электроизоляционные |
5 |
10 |
4 |
0,4 |
0,6 |
0,6 |
0,6 |
||||||||
| 11 Эмаль |
3 |
2,5 |
1,3 |
1,6 |
0,4 |
О,4 |
0,4 |
2 |
О,4 |
||||||
| 12. Растворители |
1,2 |
1,6 |
- |
1 |
|||||||||||
| 13. Керосин |
2 |
1,5 |
1 |
- |
1,5 |
1,5 |
|||||||||
| 14. Материал обтирочный |
0,5 |
0,8 |
0,5 |
1,3 |
0,6 |
0,6 |
0,6 |
0,5 |
0,5 |
0,5 |
0,5 |
0,6 |
|||
| 15. Шнур крученный |
0,16 |
0,3 |
- |
18 |
|||||||||||
В дальнейшем рассчитывается стоимости материальных ресурсов для проведения ремонтных работ ΣСi , где I - количество материалов.
Расчет покупных изделий производится исходя из складского резерва по таблице.
Таблица 6.7
| Оборудование |
Комплект |
Запас, шт |
Цена, руб |
Сумма, руб |
| Электрод-вигатель |
1 Секции стержневых обмоток 2 Катушки полюсов 3 Втулки и прокладки 4 Наконечники каабе-льные 5 Подшипник 6 Подшипник качения 9 Валы |
1 1 1 1 1 1 1 |
3303 1935 133,5 411 379 540 603 |
3303 1935 133,5 411 379 540 603 |
| Трансфор-матор |
1 Изоляторы проходные 2 Термосигнализатор 3 выводы со стороны: -высшего напряжения -низшего напряжения 4 Масломерные стекла 5 Переключатели от-ветвленные 6 Прокладочный мате-риал 7 Спускной кран 8 Радиаторный кран 9 Газовое реле |
1 1 1 1 1 1 1 1 1 1 |
417 1806 144 73,5 231 555 354 414 433,5 1789,5 |
417 1806 144 73,5 231 555 354 414 433,5 1789,5 |
| Разъедини-тель |
1 Изолятор опорный 2 Контакты 3 Ножи контактные |
1 1 1 |
408 354 516 |
408 354 516 |
| Итого 14800,5 |
||||
Для расчета неучтенных материальных ресурсов и покупных из-делий их стоимость увеличивается на 10%, а для учета транспор-тных расходов - на 20%.
Пмз = (Пм + Пз )×1,1×1,2 (6.22)
Пмз = 63744 + 14800,5)1,1×1,2 = 103678,74 руб
6.4 Составление плановой калькуляции на ремонт оборудования
Калькуляция составляется по полученным расчетам.
Таблица 6.8
| Номер статьи |
Статьи калькуляции |
Сумма, руб |
| 1 |
Сырье, материалы, покупные изделия |
103678,74 |
| 2 |
Фонд заработанной платы |
218466,96 |
| 3 |
Отчисления: - пенсионный фонд - фонд социального страхования - медицинское страхование |
43693,39 6335,54 6772,47 |
| 4 |
Затраты на содержание и ремонт оборудования 64,4% |
140692,27 |
| Итого |
519639,37 |
|
П4 = П2×
(6.23)
П4 = 218466,96×
= 140692,27 руб
Таблица 6.9-Технико-экономические показатели
| Номер |
Показатели |
Единицы измерения |
Количество |
|||
| 1 |
2 |
3 |
4 |
|||
| 1 |
Трудоемкость ремонтных работ В том числе:- капитального ремонта - текущего ремонта - технического обслуживания |
чел-час чел-час чел-час чел-час |
544,51 324,26 200,23 20,023 |
|||
| 1 |
2 |
3 |
4 |
|||
| 2 |
Численность персонала: - ремонтного персонала - обслуживающего персонала |
чел чел чел |
3 1 2 |
|||
| 3 |
Фонд заработанной платы - ремонтного персонала - обслуживающего персонала |
руб руб руб |
218466,96 37751,19 180715,77 |
|||
| 4 |
Себестоимость ремонтных работ |
руб |
479704,63 |
|||
ВЫВОДЫ И ЗАКЛЮЧЕНИЕ
Дипломный проект выполнен на тему «Электроснабжение и электрооборудование ремонтного цеха №166 ОАО МК Витязь с разработкой схемы управления и защиты электро двигателя мостового крана».
Подвод электрической энергии до цеха осуществляется от ГПП по воздушным линиям сталеалюминиевыми проводами марки АС-16. В процессе выполнения проекта я рассчитал высоковольтное электрооборудование на 10 кВ. И выбрал следующие электрооборудования: выключатель нагрузки ВНРп10/400-10 3У3, предохранитель марки ПКТ-101-10-8-31,5 У1. Для питания цеха установил две трансформаторной подстанции, каждый из которых питает по три электродвигателя, в целях надежности электроснабжения. Выбрал силовые трансформаторы к ним марки ТСЗГЛ-1000/10, сделал его технико-экономическое обоснование.
На стороне 0,4 кВ выбрал пускозащитную аппаратуру. К ним относятся общий автоматический выключатель типа ВА51-25, автоматический выключатель к каждому погружному электродвигателю типа ВА51-31.
В процессе выполнения проекта производил расчет мощности и выбор электродвигателя типа МТF311-6 для привода мостового крана МТF011-6, выполнил его технико-экономическое обоснование. Для компенсации реактивной энергии применил компенсирующие устройства
В экономической части рассчитал стоимость ремонта оборудования в год, к которым относиться фонд заработной платы для сдельщика и повременщика, затраты на содержание и ремонт оборудования, затраты на сырьё, материалы и покупные изделия.
В проекте рассмотрены также вопросы техники безопасности, учета и контроля электроэнергии и охраны окружающей среды.
НОРМОКОНТРОЛЬ
Дипломного проекта студента ИНК
Нормоконтроль осуществляется с целью установления соответствия дипломного проекта (ДП) методическим указаниям ИНК по выполнению и оформлению ДП. Нормоконтроль проводится на этапе представления выпускником полностью законченного ДП.
Данный лист нормоконтроля прикладывается к ДП.
Тема ДП: Электроснабжение и электрооборудование куста скважины №145 Самотлорского месторождения ОАО «ТНК-ВР» с внедрением станции управления «Электон-М»
Студент: Колеганов Юрий Валерьевич
Фамилия, имя, отчество
Группа: ЭП-04
Недостатки, выявления при нормоконтроле
| № пп |
Перечень недостатков |
Присутствует: + Отсутствует: - |
| 1 |
Работа представлена не в оригинале, а в виде ксерокопии |
|
| 2 |
Набор текста не соответствует ГОСТ ЕСКД |
|
| 3 |
Наименование темы работы не соответствует утвержденной |
|
| 4 |
Отсутствуют обязательные структурные части (содержание, введение, заключение, список используемой литературы) |
|
| 5 |
Разделы набраны в подбор, а не начинаются с новой страницы |
|
| 6 |
Заголовки разделов и подразделов набраны неверно. Расстояние между заголовком и текстом не выдержано |
|
| 7 |
Страницы пронумерованы неверно |
|
| 8 |
Таблицы, формулы, рисунки в тексте оформлены неверно |
|
| 9 |
Работа не сброшюрована |
|
| 10 |
Не соответствие графической части: |
|
| а) ГОСТ 2.301 Форматы |
||
| б) ГОСТ 2.302 Масштабы |
||
| в) ГОСТ 2.305 Изображения – виды, разрезы, сечения |
||
| г) ГОСТ 2.307 Нанесение размеров и предельных отклонений |
||
| д) ГОСТ 2.308 Указания на чертежах формы и расположения поверхностей |
||
| е) ГОСТ 2.309 Нанесение на чертежах обозначений шероховатости поверхностей |
||
| ж) ГОСТ 2.311 Изображение резьбы |
||
| з) ГОСТ 2.312 Условные изображения и обозначения швов сварных соединений |
||
| и) ГОСТ 2.314 Указания на чертежах о маркировании и клеймении изделий |
||
| к) ГОСТ 2.401 Правила выполнения чертежей пружин |
||
| л) ГОСТ 2.403, ГОСТ 2.405, ГОСТ 2.406 Правила выполнения рабочих чертежей цилиндрических и конических зубчатых колес |
||
| м) ГОСТ 2.409 Правила выполнения чертежей зубчатых (шлицевых) соединений |
||
| н) ГОСТ 2.721 Обозначения условные графические в схемах. Обозначения общего применения |
||
| о) ГОСТ 2.104 Основные надписи |
Дипломный проект допускается к защите
Нормоконтролер: Аркаева Валентина Григорьевна______________
Фамилия, имя, отчество подпись
С результатами нормоконтроля ознакомлен:
студент: Колеганов Юрий Валерьевич ______________
подпись
ОТЗЫВ
руководителя проекта о качестве дипломного проекта студента
Ишимбайского нефтяного колледжа
Фамилия, имя, отчество студента Колеганов Юрий Валерьевич
Специальность 140613 «Техническая эксплуатация, обслуживание и ремонт электрического и электромеханического оборудования»
Наименование темы дипломного проекта: Электроснабжение и электрооборудование куста скважины №145 Самотлорского месторождения ОАО «ТНК-ВР» с внедрением станции управления «Электон-М»
Отзыв должен содержать:
1) Наименование темы проекта, упоминание о количестве страниц пояснительной записки и количестве листов графической части;
2) Краткий перечень основных вопросов, изложенных в пояснительной записке;
3) Пояснительную характеристику проекта с точки зрения его актуальности и реальности для промышленности (рекомендовали для внедрения, внедрен в производство, используются материалы, проекты, изготовлен макет и т.д.);
Если тема проекта является частью общей разработки, то это обязательно должно быть отмечено
4) Основные достоинства и недостатки проекта;
5) Оценку работы студента над проектом в отношении самостоятельности;
6) Характеристику проведенной студентом экспериментальной работы по изготовлению макетов или проведенных испытаний;
7) Оценку качества выполнения пояснительной записки и графической части и общее заключение о выполнении дипломного проекта с оценкой по пятибалльной системе.
Проект заслуживает _____________________________________оценки
Место работы и должность руководителя проекта___________________
_____________________________________________________________
_____________________________________________________________
Ф.И.О. _______________________________________________________
Подпись___________________________
«____»____________________200___г.
С отзывом ознакомлен _________________________________________
Председатель предметной комиссии______________________________
РЕЦЕНЗИЯ
НА ДИПЛОМНЫЙ ПРОЕКТ
Ишимбайского нефтяного колледжа
Фамилия, имя, отчество студента Колеганов Юрий Валерьевич
Специальность 140613 «Техническая эксплуатация, обслуживание и ремонт электрического и электромеханического оборудования»
Наименование темы дипломного проекта: Электроснабжение и электрооборудование куста скважины №145 Самотлорского месторождения ОАО «ТНК-ВР» с внедрением станции управления «Электон-М»
Рецензия должен содержать:
- заключение о степени соответствия выполненного дипломного проекта дипломному заданию;
- характеристику выполнения каждого раздела проекта и степени использования дипломантом последних достижений науки, техники и новаторов производства;
- оценку качества выполнения графической части проекта и пояснительной записки;
- перечень положительных качеств проекта и его основных недостатков. Общая оценка проекта дается по пятибалльной системе.
Проект заслуживает _____________________________________оценки
Место работы и должность руководителя проекта__________________
_____________________________________________________________
_____________________________________________________________
Ф.И.О. _______________________________________________________
Подпись___________________________
«____»____________________200___г.
Ишимбайский нефтяной колледж
Дата выдачи задания «…..»…………2008 г. УТВЕРЖДАЮ:
Дата окончания проекта «….»…………….2008 г. Зам. директора по учебной работе “……..”…………………………………………………г.
Задание на дипломный проект
Студент Колеганов Юрий Валерьевич
Отделение дневное группа ЭП-04
Специальность: 140613 «Техническая эксплуатация, обслуживание и ремонт электрического и электромеханического оборудования»
Тема: Электроснабжение и электрооборудование куста скважины №145 Самотлорского месторождения ОАО «ТНК-ВР» с внедрением станции управления «Электон-М»
Содержание проекта
ВВЕДЕНИЕ
1 ОБЩАЯ ЧАСТЬ
1.1 Описание технологического процесса
1.2 Краткая характеристика объекта и применяемого электрооборудования
2 РАСЧЕТНО-ТЕХНИЧЕСКАЯ ЧАСТЬ
2.1 Выбор насоса
2.2 Расчет мощности и выбор электродвигателя
2.3 Технико-экономические обоснование выбранного типа
электродвигателя
2.4 Расчет электрических нагрузок
2.5 Расчет компенсации реактивной мощности
2.6 Выбор числа и мощности силовых трансформаторов
2.7 Технико-экономическое обоснование выбранного типа
трансформатора и величины напряжения
2.8 Расчет токов короткого замыкания
2.9 Выбор высоковольтного электрооборудования с проверкой на устойчивость к токам короткого замыкания
2.10 Выбор пусковой и защитной аппаратуры на 0,38 кВ
2.11 Выбор и описание станции управления
2.12 Расчет и выбор питающей линии
2.13Расчет и выбор распределительных сетей
2.14 Учет и экономия электроэнергии
2.15 Расчет заземляющих устройств
2.16 Спецификация на электрооборудование и материалы
3 ОХРАНА ТРУДА И ПРОТИВОПОЖАРНАЯ ЗАЩИТА
3.1 Техника безопасности при монтаже
электрооборудования и электросетей.
3.2 Техника безопасности при эксплуатации
электрооборудования и электросетей.
3.3 Техника безопасности при ремонте
электрооборудования и электросетей.
3.4 Мероприятия по противопожарной безопасности
4 ОХРАНА НЕДР И ОКРУЖАЮЩЕЙ СРЕДЫ
4.1 Экологические проблемы в нефтяной промышленности
4.2 Охрана окружающей среды на объекте
5 ОРГАНИЗАЦИОННАЯ ЧАСТЬ
5.1 Организация обслуживания электрооборудования и электросетей
5.2 Организация монтажа электрооборудования и электросетей
5.3 Организация ремонта электрооборудования и электросетей
6 ЭКОНОМИЧЕСКАЯ ЧАСТЬ
6.1 Расчет численности ремонтного и обслуживающего персонала
6.2 Расчет годового фонда заработной платы
6.3 Расчет потребности материальных ресурсов и запасных частей
6.4 Составление плановой калькуляции на ремонт
ВЫВОД И ЗАКЛЮЧЕНИЕ
СПИСОК ИСПОЛЬЗУЕМОЙ ЛИТЕРАТУРЫ
ПРИЛОЖЕНИЕ
ГРАФИЧЕСКАЯ ЧАСТЬ
Лист 1: План расположения электрооборудования, электросетей и заземления
Лист 2: Схема электроснабжения объекта
Лист 3: Принципиальная однолинейная схема станции управления
Лист 4: Конструктивный разрез двигателя
Председатель ПЦК электрических дисциплин…..………./ Л.П. Мохова/
Руководитель проекта……………………………………/ Л.П. Мохова/
Консультант по экономической части……………………/ Г.Я. Ишбаева/
Старший консультант…………………………..………./ Л.П. Мохова/
Дипломник……………………………….……………./Ю.В. Колеганов/
СПИСОК ИСПОЛЬЗОВАННОЙ ЛИТЕРАТУРЫ
1. Б.Ю. Липкин « Электроснабжение промышленных предприятий и установок» М. «Высшая школа» 1990.
2. Б.Н. Неклепаев, И.П. Крючков « Электрическая часть электростанций и подстанций » М. «Энергоатомиздат». 1989.
3. Л.П. Коновалова, Л.Д. Рожкова « Электроснабжение промышленных предприятий и установок », М. «Энергоатомиздат» 1989.
4. А.А. Федеров, Л.Е. Сторкова «Учебное пособие для курсового и дипломного проектирования». Москва «Энергоатомиздат». 1987.
5. В.П. Шеховцев «Расчёт и проектирование схем электроснабжения». Москва «ФОРУМ-ИГФА-М». 2004.
, (2.1)

(2.7)
, (2.25)
, (2.26)
(2.69)
= 0,024 Ом
(2.72)







, (2.111)
(2.112)