Реферат: Распределительный механизм и охлаждение двигателя
|
Название: Распределительный механизм и охлаждение двигателя Раздел: Рефераты по транспорту Тип: реферат |
РЕФЕРАТ НА ТЕМУ: Распределительный механизм и охлаждение двигателя 1 Распределительный механизм Устройство распределительного механизма В распределительный механизм входят клапаны, распределительный вал, пружины, толкатели и привод к распределительному валу. Этот механизм предназначен для управления наполнением цилиндровсвежей рабочей смесью (или воздухом в дизелях) и выпуском отработавших газов из цилиндров.
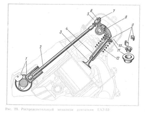
Распределительные механизмы выполняются двух разновидностей, определяемых расположением клапанов: механизм с нижними (боковыми) и механизм с верхними (подвесными) клапанами; нижние клапаны располагаются в блоке цилиндров, а верхние — в головке цилиндров. Современные двигатели имеют верхние клапаны. Верхнее расположение клапанов показано на примере устройства распределительного механизма двигателя ГАЗ-53 (рис. 20). Распределительный вал через кулачок и толкатель /действует не непосредственно на клапан, а через систему, состоящую из штанги 2, регулировочного винта 7 с гайкой 6, коромысла 5 с осью 8. Эти детали своей массой увеличивают силы инерции частей, движущихся возвратно-поступательно, поэтому ставят усиленные клапанные пружины 12. Клапан 3 движется в направляющей 4; при уходе кулачка из-под толкателя пружина прижимает клапан к его седлу и возвращает все детали в исходное положение. Иногда внутри первой ставят вторую пружину (двигатели ЯМЗ-236, ЯМЗ-238), которая кроме усиления узла, исключает опускание клапана в цилиндр при поломке одной из них; вторая пружина, кроме того, позволяет сократить общую высоту клапанной группы. Коромысла устанавливаются на пустотелой оси в подшипниках, я ось находится в кронштейнах, крепящихся к головке блока цилиндров. Плечо, находящееся под действием штанги, выполняется короче другого плеча, действующего на клапан. Неравенство длины плеч коромысла позволяет сократить перемещения и ускорения толкателя при необходимых перемещениях клапана. .Вместе с тем при более длинном плече точка касания клапана с рычагом движется по дуге большего радиуса и меньше отклоняется от осевой линии клапана, что сокращает поперечные проскальзывания этой точки по торцу стержня клапана и противодействует перекосу клапана. При верхнем расположении клапанов удается получить камеру сгорания близкой к полусферической, а также несколько улучшить наполнение цилиндров из-за более плавных форм каналов для прохождения смеси. Количество кулачков распределительного вала соответствует числу клапанов, а расположение их на валу определяется условием чередования вспышек в соответствии с формой коленчатого вала, числом цилиндров и принятым порядком работы двигателя. Форма, количество и расположение кулачков должны обеспечивать своевременное и достаточно полное открытие клапанов. Из работы четырехтактного двигателя ясно, что на цикл, занимающий два оборота коленчатого вала, приходится одно открытие каждого клапана, т. е. двум оборотам коленчатого вала должен соответствовать один оборот кулачка (распределительного вала). Поэтому передаточное число привода от коленчатого вала к распределительному должно быть равно двум (число зубьев шестерен коленчатого вала делается в два раза меньше числа зубьев шестерни распределительноговала). Клапанная группа Форма впускных и выпускных клапанов чаще всего одинакова; клапан состоит из плоской головки и стержня. Плавный переход от головки к стержню повышает отвод тепла от головки, делает его более прочным и улучшает обтекание головки клапана газами. На конце стержня клапана имеется выточка для крепления опорной тарелки со втулкой 10 (см. рис. 20), -закрепляемыми разрезными коническими сухариками 9; эти детали удерживают пружину 12. Наклонное расположение клапана относительно оси цилиндра способствует созданию улучшенной (клиновой) формы камеры сгорания: Для плотного прилегания клапана к седлу имеется коническая заточка (фаска). Такая же заточка выполняется и в седле, обычно под углом 0,8 рад (45°) и реже 0,5 рад (30°); меньший угол расширяет проход длягаза, но делает головку менее жесткой и массивной". В процессе выпуска перепад давлений газов значительно превышает перепад при впуске, поэтому для улучшения наполнения диаметр впускного клапана несколько больше, чем у выпускного. Выпускные клапаны изготовляют из различных жароупорных сильхромовых или хромоникелевольфрамовых сталей, а впускные— из хромоникелевых или хромистых сталей с содержанием углерода около 0,4%. В некоторых двигателях части выпускного клапана выполняют из различных сталей. Так, например, головку делают из жароупорной стали, а стержень — из хромистой, соединяют эти части клапана сваркой. Температура впускных клапанов достигает 300-400, а выпускных — 600-800° С. Тяжелые температурные условия работы выпускных клапанов способствуют износу поверхностей, на которые опираются головки клапанов. Для снижения износа в головку запрессовывают седла в виде колец 14 из жароупорной стали или специального чугуна (рис. 21). Вместе с тем посадочная фаска 12 выпускного клапана на плавляется жаростойким сплавом. Для охлаждения выпускного клапана во внутреннее сверление его стержня помещается натрий , удерживаемый приваренной заглушкой 13; плавление натрия обеспечивает отвод тепла от головки к стержню и направляющей клапана. В некоторых современных двигателях применяется приспособление для небольшого поворота выпускного клапана вокруг своей оси при каждом подъеме, что предотвращает образование нагара на посадочной фаске и прогара ее. Клапан поворачивается механическим приспособлением, расположенным под опорной шайбой пружины, и действует от давления этой пружины. Приспособление состоит из шариков 3, дисковой 9 и возвратной 10 Таким образом возвратная пружина поворачивает дисковую, а вместе с ней опорную шайбу клапанной пружины, саму клапанную пружину и клапан. Во время закрытия клапана давление клапанной и дисковой пружин уменьшается и возвратная пружина перемещает шарик в исходное положение Клапаны с поворотом применяются и в двигателях ЯМЗ-236 и ЯМЗ-238. Поворотное приспособление повышает работоспособностьклапана.
В быстроходных двигателях возникает опасность поломки клапанных пружин в результате резонанса их колебании. Опасность эта уменьшается, если применить пружины с переменным шагом навивки, уменьшающимся от середины по направлению к опорным виткам. Клапанные пружины изготовляют из марганцовистой стали, а направляющие клапанов — из чугуна. В двигателях ЗИЛ-130 и ЯМЗ-236 пористые металлокерамические втулки-направляющие обеспечивают хорошую смазку. Группа толкателя Между стержнем клапана или штангой и распределительным валом располагается толкатель (см. рис, 20), движущийся в выточке в блоке цилиндров или в головке. При помощи толкателя вращение кулачка распределительного вала преобразуется в поступательное движение стержня клапана или штанги. Кроме того, толкатель освобождает стержень клапана или штангу от боковых усилий, создаваемых кулачком. Толкатели выполняются пустотелыми для облегчения их веса, и с увеличенными диаметрами для уменьшения износа·. Толкатель опирается на распределительный вал своей головкой. Головка может быть плоской или выпуклой и для износоустойчивости наплавляется специальным чугуном. Толкатель двигателей ЯМЗ-236 и ЯМЗ-238 выполнен качающимся и имеет ролик 2, который обкатывается по кулачку (рис. 22). Роликовый толкатель уменьшает трение и износ толкателя и кулачка. С целью распределения износа по всей боковой поверхности возвратно-поступательно движущегося толкателя середину кулачка (в плоскости, перпендикулярной оси распределительного вала) смещают относительно оси толкателя, вследствие чего кулачок, поднимая толкатель, одновременно поворачивает его. В процессе работы двигателя нагрев деталей распределительного механизма может нарушить правильную работу его; так, стержень клапана, удлиняясь от нагрева, может упереться в толкатель и не допустить плотной посадки клапана. Для предотвращения этого между толкателем (или коромыслом) и стержнем клапана должен быть обеспечен зазор, который позволит удлиниться стержню клапана без упора в толкатель. Этот зазор регулируется гайкой (двигатель ГАЗ-53, см. рис. 20). или регулировочным винтом с гайкой и контргайкой (двигатель ЗИЛ-130). Величина зазора в холодном (непро-гретом) состоянии колеблется от 0,25 до 0,30 мм у двигателей ГАЗ-53, ЯМЗ-236 и 0,40—0,45 мм— у двигателей ЗИЛ-130 Толкатели изготовляют из стали и чугуна. Штангу 2 (см. рис. 20) обычно выполняют трубчатой из стали или дюралюмина. Коромысло 5 (см. рис. 20) изготовляют из ковкого чугуна и стали, а также штампуют, из листовой стали, а втулка делается обычно из бронзы.
Группа распределительного вала и фазы распределения Наиболее сложной деталью механизма распределения является распределительный вал, обеспечивающий необходимое управление клапанами. Он состоит из кулачков / (по два на цилиндр) и опор 2 (рис. 23). Дополнительно вал имеет шестерню 3 с винтовыми зубьями для привода масляного насоса и распределителя системы зажигания. Перечисленные детали выполняются с валом за одно целое. Профили кулачков обеспечивают плавное движение клапана и необходимую продолжительность его открытия. Угол между одноименными кулачками для четырехцилиндрового четырехтактного двигателя равен 1,57 рад (90°), для шестицилиндрового — 1,05 рад (60°) и восьмицилиндрового — 0,8 рад (45°.) Расположение одноименных кулачков на валу соответствует порядку работы двигателя. Углы между разноименными кулачками определяются моментами открытия клапанов. Для предупреждения прогиба сравнительно тонких и длинных распределительных валов и нарушения работы всего механизма делается больше опор валов и размещаются они между цилиндрами. У двигателей автомобилей ГАЗ-53, ЗИЛ-130 и ЯМЗ-238 имеется по пяти опор, а у ЯМЗ-236 — четыре. Опорные шейки распределительного вала работают в бронзовых и биметаллических (двигатель ГАЗ-53) втулках-подшипниках, расположенных в картере-блоке двигателя. Диаметры опорных шеек делают последовательно уменьшающимися для возможности монтажа вала в картере двигателя. Наличие косозубых шестерен на распределительном валу и конусность на кулачках отдельных двигателей создают усилия, стремящиеся сдвинуть вал в осевом направлении. Валы удерживаются от ' осевых перемещений специальной шайбой, прикрепляемой к блоку. В эту шайбу упирается вал своей передней опорной шейкой или винтом, ввертываемым снаружи в крышку распределительных шестерен, а также упорным фланцем, крепящимся к переднему торцу блока болтами (автомобили ГАЗ-53, ЗИЛ-130).
Распределительные валы изготовляют штамповкой из стали или отливкой их из специального чугуна, кулачки и опорные шейки подвергают закалке. Привод к распределительному валу осуществляется обычно двумя (парой) шестернями. Для уменьшения шума их выполняют с косыми зубьями, а большая из них (шестерня распределительного вала) изготовляется из текстолита (двигатель ГАЗ-53) или чугуна (двигатель ЗИЛ-130). Шестерня коленчатого вала обычно стальная. Шестерни привода распределительного механизма имеют торцовые метки для правильной установки их в соответствии с моментами открытия клапанов. Привод к распределительному валу чаще всего расположен в передней части двигателя и закрыт крышкой. В рядных двигателях распределительный вал расположен с одной стороны двигателя, а в V-образных — размещается между рядами цилиндров. При рассмотрении работы двигателя было установлено, что теоретическое протекание отдельных тактов в полном соответствии с каждым полуоборотом коленчатого вала не обеспечивает хорошего тепло-использования топлива. Для лучшего наполнения цилиндра свежей смесью и лучшей очистки цилиндра от отработавших газов фазы распределения (моменты) начала и конца каждого процесса несколько сдвигаются против теоретических, соответствующих мертвым точкам. Процессы становятся более продолжительными, в них используется инерция смеси и газов. Впускной клапан открывают с опережением (до в. м. т.), чтобы использовать инерцию выходящих отработавших газов для подсасывания свежей смеси. Для лучшего наполнения цилиндра используются разрежение над поршнем в начале выхода его из нижней мертвой точки и инерция свежей рабочей смеси, входящей в цилиндр с большой скоростью, в результате закрытие впускного клапана происходит с некоторым запаздыванием. Эффективность выталкивания отработавших газов из цилиндра зависит от момента начала этого процесса: захватывая конец расширения, можно за счет части рабочего хода, потеряв некоторую долю работы расширения, улучшить процесс выпуска (он происходит в этом случае с опережением). Используя давление и инерцию отработавших газов, целесообразно для лучшего очищения цилиндра закрывать выпускной клапан не в верхней мертвой точке, а несколько позже. Моменты начала и конца впуска и выпуска зависят от быстроходности (числа оборотов в минуту) двигателя; с увеличением ее фазы расширяются.
Наглядное изображение фаз распределения получается в системе круговой диаграммы, где по углу поворота кривошипа размечены такты работы двигателя (рис. 24). Выпуск начинается в А с опережением а=0,16- 0,42 рад (9—24°) и заканчивается в β с опозданием β = =0,8-1,2 рад (46-70°). От β до С идет сжатие и расширение, в С начинается выпуск с опережением J = 0,86-1,16 рад (50-67°) и заканчивается в Dс запаздыванием Δ=0,17-0,52 рад (10-30°). Таким образом, продолжительность впуска равна
продолжительность выпуска Одновременное
Для упрощения изготовления распределительного вала иногда продолжительность впуска и выпуска делается одинаковой (в двигателях ЯМЗ-236 и ЯМЗ-238). В табл. 5 приведены характеристики распределительных механизмов. 2 Охлаждение двигателя Система водяного охлаждения Происходящий внутри цилиндров двигателя процесс сгорания рабочей смеси повышает температуру в момент вспышки до 2000° С. Последовательное чередование быстро следующих друг за другом вспышек сильно нагревает двигатель, и работа его делается возможной только при охлаждении цилиндров. Из всего тепла, выделяющегося при сгорании топлива, вводимого в карбюраторный двигатель, только 20-25% превращается в механическую работу: до 40% тепла уходит с отработавшими газами, а остальные 35% должны быть отведены системой охлаждения; для дизелей соответственно: 30-35%; 35-40° и 25-35°. Часть тепла затрачивается на трение, уходит в масло и отводится лучеиспусканием. Охлаждение чаще бывает водяным и реже воздушным. В большинстве случаев автомобильные двигатели охлаждаются водой, циркулирующей в замкнутой системе: водяные рубашки (отбор тепла от двигателя с нагревом протекающей воды) — отводящий патрубок — радиатор — подводящий патрубок — двигатель. Вода, используемая в системе охлаждения, не должна содержать солей, так как они образуют слой накипи на стенках системы, который плохо проводит тепло и уменьшает сечения проходных отверстий в радиаторе; при отложении накипи двигатель перегревается. Недостаточный отвод тепла вызывает перегрев двигателя, который приводит к ухудшению смазки (за счет разжижения масла), увеличению износов, преждевременным вспышкам (вследствие высокого нагрева головки), ухудшению наполнения цилиндров рабочей смесью и снижению мощности двигателя. Переохлаждение двигателя вызывает конденсацию топлива, капли которого смывают масло со стенок цилиндров и разжижают его в картере, что приводит к увеличению износа трущихся деталей двигателя, падению мощности в результате неполного сгорания и увеличению расхода топлива. Правильный отвод тепла обеспечивается соответствием между количеством тепла, подлежащего отводу (зависящего от мощности двигателя), и параметрами охлаждающей системы (количеством, скоростью и температурой воды, проходящей по системе охлаждения). Циркуляция воды по кругу двигатель — радиатор для необходимой интенсивности отвода тепла от двигателя усиливается включением ряда элементов. Современная система водяного охлаждения состоит из следующих частей (рис. 25): водяных рубашек 6 (блока) и δ (головки), радиатора /, вентилятора 2, насоса 5, термостата 9, водораспределительной трубы 7, патрубков 10, 3, шлангов 4, 11, привода к насосу-вентилятору от коленчатого вала. Горячая вода из рубашек поднимается наверх и поступает в радиатор. Он состоит из верхнего и нижнего бачков, соединенных трубками, дающими большую поверхность охлаждения, омываемую воздухом. Для повышения интенсивности охлаждения трубки радиатора окружают пластинками, сильно увеличивающими поверхность охлаждения; кроме того, за радиатором ставится вентилятор, приводимый в действие ременной передачей. Вентилятор увеличивает скорость омывания трубок радиатора воздухом, что улучшает охлаждение воды. Из нижнего бачка радиатора охлажденная вода идет к водяному насосу, который нагнетает воду в распределительную трубку.
Нагрев воды в рубашке способствует ее естественной циркуляции, однако этого недостаточно и насос повышает циркуляцию принудительно. Поэтому система охлаждения называется принудительной. Между режимом работы двигателя и интенсивностью охлаждения имеется некоторое соответствие: рост оборотов двигателя сопровождается увеличением интенсивности циркуляции воды, работы вентилятора и насоса. Однако полного соответствия между указанными процессами достигнуть невозможно: двигатель работает в широко меняющихся пределах нагрузок, оборотов и окружающих температур, а насос отвечает только изменению оборотов. Для нормальной работы двигателя температура охлаждающей воды при входе в водяную рубашку должна быть равна 70--75, а при выходе 85^-90° С (при разных нагрузках двигателя и температурах окружающего воздуха). Интенсивность циркуляции воды в системе регулируется термостатом, находящимся на выходе воды из двигателя, а также специальными жалюзи и иногда отключением вентилятора. Система охлаждения выполняется замкнутой, т. е. не имеющей постоянного сообщения с атмосферой; она закрывается паровоздушным клапаном, который открывается только при давлении внутри системы выше 0,134-0,14 Мн/м2 (1,3-1,4 кГ/см2) или ниже 0,08 - 0,085 Мн/м2 (0,8-0,85 кГ/см2). Изоляция системы охлаждения от окружающей атмосферы при определенном давлении повышает температуру кипения воды до 110° С, вследствие чего возможно сокращение поверхности охлаждения радиатора за счет увеличения интенсивности отвода тепла при более высоком температурном перепаде, а также уменьшение емкости системы. Закрытой системе охлаждения свойственно уменьшение испарения воды и отложения накипи. Современная система охлаждения двигателя выполняется водяной, принудительной и закрытой, а также воздушной.
Водяные рубашки цилиндров являются составной частью блока цилиндров и головки. Важное значение для охлаждения цилиндров имеют размеры рубашек с водой, окружающих цилиндры. Эти рубашки заканчиваются за нижним положением поршневых колец или размещаются по всей длине цилиндра. Длинные рубашки способствуют отводу тепла и снижению температуры масла в системе смазки. Между стенками соседних цилиндров оставляются свободные проходы для охлаждающей воды, что улучшает отвод тепла из мест его наибольшей концентрации (между близко располагающимися горячими стенками цилиндров) и устраняет возможность неравномерной деформации цилиндров от нагрева их в поперечном сечении. Достижению этой цели способствует также расположение боковых клапанов с небольшим наклоном, поэтому пространство между стенками газопроводных каналов и цилиндров несколько увеличивается. Общее устройство радиатора показано на рис. 2б,а. Его главная часть — охлаждающая сердцевина 5 — вверху связана с верхним бачком 2, а внизу — с нижним 7; каждый бачок имеет по патрубку 9 и 8; из верхнего бачка выводится трубка 4 для отвода пара при закипании воды. Закрывается радиатор крышкой .
Радиатор монтируется в рамке 3 и крепится к кронштейнам или раме автомобиля на резиновых подушках 6. Главная часть радиатора, его охлаждающая сердцевина, бывает трубчато-пластинчатой и трубчато-ленточной, а также сотовой. В пластинчатом радиаторе (рис. 26, б) охлаждающая часть составлена из овальных трубок, расположенных в шахматном порядке; по ним проходит вода, а между ними — воздух; поперек трубок расположены пластины, увеличивающие поверхность охлаждения. В ленточном радиаторе (рис. 26, в) между рядами овальных трубок размещена широкая гофрированная лента, образующая большую поверхность охлаждения (автомобили ЗИЛ-130, ЯМЗ-236). Концы трубок припаяны к бачкам радиатора. Поверхность охлаждения для легковых автомобилей 1,35-0,2 л2 на 1 кет (0,1-0,15 л2 на 1 л. с; для грузовых—0,2-0,4 мг на 1 кет (0,15-0,3 м2 на 1 л. с.) мощности двигателя.
Наиболее рациональной формой сердцевины радиатора является квадратная, а охватываемая вентилятором площадь должна быть равна лобовой поверхности сердцевины. Основные детали радиатора (пластины, трубки, коробки) изготовляют из латуни, а ленту — из меди. Для изоляции системы охлаждения от окружающей атмосферы верхний бачок радиатора имеет специальную крышку (пробку) (см. рис. 26). К крышке радиатора (рис. 27) подходит трубка 1; в ней имеется два клапана: паровой 2, находящийся под воздействием большой пружины, и воздушный 3, управляемый маленькой пружиной. Клапаны смонтированы в колпаке 4, прижимаемом к горловине круглой гофрированной пружиной. При повышении давления в радиаторе до 0,13 Мн/м2 (1,30 кГ/смг) за счет образования пара от кипения воды пар поднимает выпускной клапан 2, преодолевая давление большой пружины, и попадает в отводную трубку и далее в атмосферу; при понижении давления от охлаждения всей системы открывается впускной клапан 3 и воздух из атмосферы через отводную трубку проникает в радиатор. Иногда перед радиатором располагаются створики-жалюзи, при помощи которых регулируется проход воздуха через радиатор; управляются эти приспособления от руки из кабины водителя обычно тросовым приводом (двигатель ЗИЛ-130). Вентилятор и насос Вентилятор 2 (см. рис. 25) обеспечивает интенсивное протекание воздуха через охлаждающую часть радиатора, что создает необходимое понижение температуры воды в радиаторе. Устройство вентилятора (автомобиль ЗИЛ-130) показано на рис. 28: лопасти 17 крепятся к ступице 16 шкива 18, несущего приводные ремни 19, 20, 21; ступица сидит на валу 14, опирающемся на подшипники 13 и 11, которые расположены в корпусе . Количество лопастей бывает четыре или шесть; для сокращения вибрации и шума лопасти располагают попарно под разными углами.
Вентиляторы разделяются по типу размещения обычно в верхней части двигателя): отдельно от водяного насоса (двигатель ЯМЗ-236) или совместно с водяным насосом (двигатели ГАЗ-53, ЗИЛ-130). Для привода вспомогательных агрегатов двигателя, в том числе вентилятора и водяного насоса, служат ременные передачи (рис. 29). Эти приводы обычно объединяются с приводами других агрегатов, действующих от двигателя. Так, в комплекте приводов двигателя автомобиля ЗИЛ-130 (рис. 29) от переднего шкива коленчатого вала, идут два привода: один (левый) на генератор (шкив 4) и вентилятор (передний шкив 7 на рис. 29 и ремень 19 на рис. 28) и другой (правый) от заднего шкива коленчатого вала к насосу рулевого усилителя (шкив 9) и вентилятору (ремень шкива 20, рис. 28); от вентилятора передача идет на шкив 5 компрессора (ремень 21 на рис. 28). При таком сочетании ремней регулировка натяжения для вентилятора производится одновременно с регулировкой натяжения для генератора и насоса рулевого усилителя. Регулируется натяжение ремней сдвигом кронштейна 8 (см. рис. 29), на котором сидит агрегат со шкивом 9 и который зажимается болтами 10 или сдвигом планки 3 генератора (автомобиль ЗИЛ-130), а также винтовым натяжным устройством (автомобиль ЯМЗ-236) или натяжным роликом (автомобиль ГАЗ-53). Нормальное натяжение ремня характеризуется прогибом в середине от руки (усилие 30-40 или З-4 кГ) в пределах от 10 до 15 мм (пунктир на рис. 29).
На двигателях ГАЗ-24 и ряде двигателей ГАЗ-53 для частичного регулирования охлаждения привод к вентилятору выполнен с электромагнитной муфтой, включающейся и выключающейся в зависимости от температуры в системе охлаждения. Электромагнит 3 муфты (рис. 30) вместе со шкивом 5 привода закреплен на ступице 1 насоса; ступица 2 вентилятора пластинчатойпружиной соединена с якорем, свободно вращающимся в двух шариковых подшипниках (левых). Катушка электромагнита включена через тепловое реле, установленное в радиаторе.
Когда температура воды в верхнем бачке радиатора поднимается до 88° С, контакты реле замыкаются, ток поступает в катушку электромагнита и якорь притягивается к нему, что вызывает вращение ступицы с лопастями вентилятора. При температуре ниже 80° С размыкаются контакты реле и вентилятор отключается. Водяные насосы выполняются обычно центробежными. Вращаясь, крыльчатка 6 (см. рис. 28) нагнетает поток воды из патрубка от радиатора в патрубок к двигателю; лопасти крыльчатки выпрямляются и располагаются по радиусу. Утечка воды из паза не допускается шайбой 8 и резиновым уплотнителем 7, подпираемым внутренней пружиной. Расположение радиатора и насоса в передней части двигателя несколько ухудшает охлаждение задних цилиндров, вода к ним подходит подогретой передними цилиндрами. Для выравнивания условий охлаждения цилиндров иногда применяется распределительная труба, в которую нагнетается насосом вода и распределяется по цилиндрам с одинаковой температурой. Термостат Автоматическое регулирование и поддержание циркуляции и необходимой температуры воды в системе охлаждения достигается при помощи термостата. Этот прибор включается в отводящую часть сиетемы охлаждения и работает при расширении элемента, действующего на детали, контролирующие проход воды при ее нагревании. Разделяются термостаты по типу заполнителя (жидкий или твердый) и количеству клапанов (один или два). На рис. 31 и 32 изображены схемы термостатов двигателя ЗИЛ-130. В жидкостном термостате (см. рис. 31) с двумя клапанами на пустотелом стержне имеется верхний клапан патрубка 2, идущего к радиатору, нижний клапан 3 патрубка 4, идущего к насосу, и сильфонный баллон 5, заполненный легко кипящей жидкостью (эфир или смесь из V3 этилового спирта и 2/3 дистиллированной воды). При непрогретом двигателе сильфонный баллон сжат, верхний клапан закрыт, а нижний открыт (пунктир на схеме), и вода насосом перегоняется в рубашки цилиндров и из них на выход к термостату (малый круг циркуляции). Циркуляция по «малому кругу» ускоряет прогрев холодного двигателя. При нагреве воды сильфон расширяется и поднимается вверх, при этом верхний клапан открывается, а нижний закрывается, и вода направляется по патрубку к радиатору, из него — в насос, рубашки цилиндров, а из них — на выход к термостату (стрелки на схеме, большой круг циркуляции). Температура воды в начале расширения баллона у разных двигателей различна (60 - 75° С), клапаны термостата открываются полностью при 80 - 90° С.
В одноклапанном термостате с твердым наполнителем толстостенный медный баллон / (см. рис. 32) заполнен смесью 2 церезина с медным порошком, имеющей наибольшее расширение при температурах75 - 85 С; заполнитель-расширитель действует на резиновую мембрану 3, которая поднимает резиновый буфер , шток 5, находящийся в корпусе 4, и заслонку 6, 8 прохода воды.
Основой прибора служит корпус 10, зажатый между патрубком 12 головки двигателя и патрубком 7 радиатора. Закрывает заслонку возвратная коническая пружина отростком 9. Термостат с твердым заполнителем более надежен в работе и герметизации системы с большим избыточным давлением. Он проще и дешевле в изготовлении. В одноклапанном, обычно жидкостном, термостате имеется только один верхний клапан (двигатели ГАЗ-53 и ГАЗ-24). В летнее время чистая мягкая вода (дождевая или снеговая) предупреждает образование накипи и коррозии. В качестве охлаждающей жидкости для зимнего времени употребляются смеси с низкой температурой замерзания (антифризы). Антифриз марки 40 составляется из 53% этиленгликоля и 47% воды, температура замерзания его — 40° С; антифризы ядовиты и расширяются сильнее, чем вода, поэтому объем заливаемого антифриза должен быть на 5 - 7% меньше объема воды. На рис. 33 изображена система охлаждения двигателя ЗИЛ-130. В систему охлаждения двигателя автомобиля ЗИЛ-130 введено изменение для повышения циркуляции воды в головках при закрытом термостате; с этой целью включен дополнительный перепускной канал, соединяющий пространство под заслонкой термостата со всасывающим каналом насоса. Емкости систем охлаждения автомобильных двигателей следующие: ГАЗ-53—21,5; ЗИЛ-130—25; ЗИЛ-375—34; ЯМЗ-236-45 и ГАЗ-24 11,5 л; в среднем на 1 кет максимальной мощности приходится 0,16-0,35 л (0,12-0,25 л!л. с). Использованная литература 1. Яковлев Н.А. Автомобили (устройство). Учеб. пособие для вузов. М., «Высшая школа», 1991. 336 с. с илл. |




