Реферат: Магнитно-резонансная томография 2
|
Название: Магнитно-резонансная томография 2 Раздел: Рефераты по медицине Тип: реферат | |||||||||||||||||||||||||||||||||||||||||||||||||||||||||||||||||||||||
|
1 Медико-биологическое обоснование. 4 3 Медико-технические требования. 14 4 Разработка структурной схемы.. 16 5 Разработка блока: предварительный усилитель. 18 Заключение. 20 Список использованных источников. 21 Введение Магнитно-резонансная томография – один из самых перспективных и быстро совершенствующихся методов современной диагностики. Опираясь на последние достижения электроники, криогенной техники и новейшие информационные технологии, МР томография позволяет за несколько минут получить изображения, сравнимые по качеству с гистологическими срезами, а для получения высококачественных диагностических изображений время обследования пациента можно снизить до нескольких секунд. При этом врач получает возможность не только исследовать структурные и патологические изменения, но и оценить физико-химические, патофизиологические процессы всего обследуемого органа или его отдельной структуры, проводить функциональные исследования и т.д.[3] МР томография позволяет получить серию тонких срезов, построить трехмерную реконструкцию исследуемой области, выделить сосудистую сеть и даже отдельные нервные стволы. Такая реконструкция оказывает неоценимую помощь врачу. Ранняя постановка диагноза позволяет своевременно начать лечение заболевания[1]. Но каждый администратор, занимающийся проблемами рентгенологии и диагностики, должен четко понимать, сможет ли диагностическая значимость МР томографии оправдать высокую стоимость некоторых МР приборов (особенно сверхпроводящих) и те затраты, которые требуются на их эксплуатацию в повседневной медицинской практике. 1 Медико-биологическое обоснование Магнитно-резонансная томография (МРТ) – метод получения изображения внутренних структур тела человека при помощи магнитно-резонансного томографа. Метод позволяет оценивать как анатомические, так и функциональные особенности строения[4]. Д ля проведения ЯМР исследования необходимо поместить объект в мощное, статическое и однородное в пространстве (в идеальном случае) магнитное поле, создающее внутри тканей изображаемого объекта макроскопическую ядерную намагниченность. В ЯМР томографии регистрация сигнала происходит от резонирующих ядер, имеющих как спин, так и магнитный момент. Такими ядрами являются водород 1 Н, 2 Н, углерод 13 С, азот 14 N, фтор 19 F, натрий 23 Na, фосфор 31 Р. Чаще всего в МРТ используются протоны водорода 1 Н по двум причинам: высокой чувствительности к МР сигналу и их высокому естественному содержанию в биологических тканях[2]. Под воздействием сильного магнитного поля спины протонов ядер водорода изменяют свое положение и располагаются вдоль оси магнитного поля (рисунок 1.1). Воздействие магнитного поля и радиочастотного излучения на протоны не постоянно, с заданными силой, частотой и временем, а протоны после воздействия на них радиочастотного сигнала вновь возвращаются в исходное положение – так называемое «время релаксации» (T1 и T2 ).
Рисунок 1.1 – Распределение ядер при отсутствии (а) и наличии (б) внешнего магнитного поля Воздействие магнитного поля и радиочастотного импульса на протоны ядер водорода заставляет их вращаться относительно новых осей в течение очень короткого периода времени, что сопровождается выделением и поглощением энергии, формированием своего магнитного поля. Регистрация этих энергетических изменений и является основой МРТ-изображения. Способность подобного смещения зависит от гидрофильности тканей, их химического состава и структуры. Нормальные клетки органов и тканей, не пораженных болезненным процессом, имеют один уровень сигнала. «Больные» клетки – это всегда другой, измененный сигнал в той или иной степени. На изображении измененные патологическим процессом участки тканей и органов выглядят иначе, чем здоровые. Это и есть основа медицинского диагностического изображения. Главная задача данной аппаратуры заключается в получении максимально информативного изображения быстро и качественно, а также безопасно для пациента[6]. Чтобы добиться уменьшения времени реконструкции изображения нужно увеличивать индукцию главного магнита. Это объясняется возможностью применения при большой индукции «быстрых» последовательностей, например, последовательности «градиентное эхо» и малоугловых. Также при индукции свыше 1,5 Тл появляется возможность кроме ядер водорода (протонов) включить в сбор данных об организме тяжелые ядра натрия и фосфора, которые несут очень важную информацию о метаболизме. При более низкой индукции магнитный резонанс ядер этих атомов невозможен. Установлено, что если индукция будет равна 0,12 Тл, то частота ЯМР для протонов составит 5 МГц. Эти частоты лежат в диапазоне коротких радиоволн, которые считаются безвредными. И только в очень сильных магнитных полях (до 3 Тл) частота ЯМР может быть достаточно большой – 120 МГц. Это нужно учитывать при разработке современных МРТ. Для примера рассмотрим таблицу 1.1, по которой можно проследить какая нужна напряженность магнитного поля для построения изображения некоторых тканей головного и спинного мозга. Таблица 1.1 – Значения индукции магнитного поля[1]
Рассмотрим некоторые подострые опасности при проведении МРТ. В экспериментах было установлено, что с порога напряженности в 4 Тл у лиц наблюдалась некоторая задержка нервной проводимости, теоретически было предсказано, что с уровня в 6 Тл растет кровяное давление. У людей, помещенных в однородное постоянное магнитное поле, был отмечен рост амплитуды ЭКГ в зависимости от величины поля. Этот рост становился заметным при 0.3 Тл; при 2.0 Тл амплитуда возрастала в среднем на 400%. Полагают, что изменения ЭКГ не могут быть ассоциированы с каким-либо биологическим риском. Основным результатом взаимодействия РЧ полей с тканями является нагрев последних. Но пока даже в сильных магнитных полях не было достигнуто локального увеличения температуры более, чем на 1 градус[5].Несмотря на то, что пока не было выявлено никаких чрезмерно опасных воздействий на живой объект МР исследования, необходимо и дальше проводить исследования в этой области, и предельно аккуратно подходить к повышению напряжённости поля в современных томографах. Таким образом, рассмотрев принципы проведения МРТ и возможные опасности, есть достаточно данных для последующей разработки магнитно-резонансного томографа. 2 Обзор Системы МРТ в основном отличаются типами главных магнитов. В выпускаемых МРТ используются три типа магнитов: резистивные, сверхпроводящие (криогенные) и постоянные. Резистивные магниты представляют собой систему катушек с конечным сопротивлением, по которым протекает постоянный ток. Они могут создать поле с относительно небольшой индукцией до 0,4 Тл и используются в МРТ, дающих изображения только «протонного» типа. Однако для создания даже такой сравнительно небольшой индукции требуются большие ток и мощность (так для магнита МРТ «ИМТТОМ» порядка 200 А и 60 кВт). Причем вся подводимая мощность превращается в тепло, которое необходимо отводить. Именно такие томографы представляет собой наиболее сложную систему, состоящую из большого числа узлов различного назначения и размещенную на большой площади. Это связано со сложной энергетической установкой для питания главного магнита и с системой водяного охлаждения. Структурная схема системы МРТ с резистивным магнитом представлена на рисунке 2.1. В МРТ все субсистемы, участвующие в сборе и обработке информации, работают под управлением ЭВМ. Свои управляющие функции ЭВМ осуществляет через электронный блок управления – крейт 11. Отсюда идут аналоговые и цифровые управляющие сигналы и команды в РЧ передатчик 10 и источники питания градиентных катушек 8. В этих блоках генерируются сигналы большой мощности и выделяются значительные тепловые потери. Поэтому они оформлены в самостоятельные конструктивные узлы. Источники питания градиентной системы, по существу, представляют собой усилители мощности и размещены в шкафах в одном помещении с источником питания главного магнита. Там же находятся и основные узлы контроля системы охлаждения 1.
1 – система охлаждения, 2 – экранирующая камера, 3 – резистивный магнит, 4 – источник питания резистивного магнита, 5 – градиентная катушка, 6 – радиочастотная катушка, 7 – блок фильтрации, 8 – источник питания градиентной катушки, 9 – предварительный усилитель, 10 – радиочастотный передатчик, 11 – крейт, 12 – ПЭВМ Рисунок 2.1 – Структурная схема МРТ с резистивным магнитом Магнитная система МРТ, помещается в специальной комнате, пол, стены и потолок которой обтягиваются тонкой металлической сеткой 2. Она служит для защиты от помех. Тем не менее, помехи проникают и вносят искажения в МР-томограммы. И это объяснимо – РЧ сигналы, получаемые от тканей организма, сравнимы по величине с электромагнитными колебаниями, приходящими из эфира и составляют десятки микровольт. Помехи могут проникать также из электросети. Для их подавления все силовые токи – источников питания главного магнита, градиентной системы и передатчика – пропускаются через фильтры 7. Этой же цели служит применение предварительного усилителя РЧ сигнала 9, расположенного в непосредственной близости от РЧ катушки. Предварительно усиленный РЧ сигнал с минимальной примесью помех, поступает в крейт, где дополнительно усиливается. Системе водяного охлаждения 1 в МРТ такого типа отводится важная роль. Вода используется для отвода тепла не только от катушек главного магнита, но и от нагруженных силовых элементов источников питания главного магнита и градиентных систем. [4]. При индукции основного поля свыше 0,5 Тл применение резистивного магнита технически и экономически становится невозможным. Здесь им на смену приходят сверхпроводящие магниты. Катушки такого магнита помещают в кожух, заполненный жидким гелием, имеющим температуру –269о С. Кожух с жидким гелием охвачен кожухом, заполняемым жидким азотом с температурой –196о С. Проводники катушек из ниобия-титана, находящиеся в жидком гелии, становятся сверхпроводниками, т.е. их сопротивление становится равным нулю. Поэтому для запуска магнита достаточно подать в его обмотку импульс тока и затем замкнуть накоротко внешнюю цепь. После этого ток в катушках магнита может циркулировать годами. Однако при эксплуатации криогенного магнита возникают другие проблемы. С течением времени количество криогенного вещества уменьшается и их приходится дозаправлять[4]. Примером может служить МРТ «MAGNETOM Harmony». Структурная схема системы МРТ со сверхпроводящим магнитом представлена на рисунке 2.2.
1– экранирующая камера, 2 – кожух с жидким азотом, 3 – кожух с жидким гелием, 4 – сверхпроводящий магнит, 5 – источник первичного импульса, 6 – градиентная катушка, 7 – радиочастотная катушка, 8 – блок фильтрации, 9 – источник питания градиентной катушки, 10 – предварительный усилитель, 11 – радиочастотный передатчик, 12 – крейт, 13 – ПЭВМ Рисунок 2.2 – Структурная схема МРТ со сверхпроводящим магнитом Диагностические возможности МРТ с резистивным магнитом устроили бы вполне, если бы не его колоссальное энергопотребление и расход воды для охлаждения. Поэтому применяют постоянные магниты, имеющие сравнительно небольшую индукцию (0,2 – 0,35 Тл), но зато не потребляющих никакого тока (не считая ГКМ и РЧ катушек). Такие магниты обычно собирают из отдельных магнитных «кирпичиков» или стержней. Они могут состоять из нескольких кольцевых магнитов. Выбор и сканирование слоя в МРТ с такими магнитами организуется точно так же, как в МРТ с катушечными магнитами. Используют также постоянные электромагниты с вертикальным полем и стальным сердечником с индукцией от 0,1 до 0,6 Тл. При одинаковой индукции ток подмагничивания и расходуемая мощность у электромагнита намного меньше, чем у резистивного магнита[4]. Пример, МРТ «Hitachi AIRIS Mate». Структурная схема системы МРТ с постоянным магнитом представлена на рисунке 2.3.
1– экранирующая камера, 2 – постоянный магнит, 3 – градиентная катушка, 4 – источник питания градиентной катушки, 5 – радиочастотная катушка, 6 – блок фильтрации, 7 – предварительный усилитель, 8 – радиочастотный передатчик, 9 – крейт, 10 – ПЭВМ Рисунок 2.3 – Структурная схема МРТ с постоянным магнитом Технические характеристики представленных моделей приведены в таблице 2.1. Таблица 2.1 – Технические характеристики МР-томографов
Проведем сравнительную характеристику рассмотренных видов магнитов. Она представлена в таблице 2.2. Таблица 2.2 – Преимущества и недостатки магнитов МРТ
В современных МРТ системах используются в основном постоянные и сверхпроводящие магниты. Это объясняется тем, что у них достаточно малое энергопотребление и они не требуют дорогостоящей, а также энергоемкой системы охлаждения. Напряженность поля постоянного магнита ограничена, но с развитием новых технологий, таких как, например, Tim-технология (Total imaging matrix), которая представляет собой революционное развитие радиочастотного тракта, РЧ-катушек и алгоритмов реконструкции с использованием методов параллельной визуализации, получаемые изображения ни в чём не уступают изображениям со сверхпроводящего МРТ. Также неоспоримым плюсом является то, что постоянные магниты могут быть так называемой «открытой» конфигурации, что позволяет проводить исследования в движении, в положении стоя, а также осуществлять доступ врачей к пациенту во время исследования и проведение манипуляций (диагностических, лечебных) под контролем МРТ – так называемая интервенционная МРТ. Таким образом, рассмотрев три основных вида МРТ, их достоинства и недостатки и исходя из задания на курсовую работу, в дальнейшем будет разрабатываться МРТ с постоянным магнитом. 3 Медико-технические требования [10] 1 Наименование и область применения изделия 1.1 Магнитно-резонансный томограф 1.2 Применения: анатомическая и функциональная диагностика. Томограф предназначен для получения изображения различных отделов организма, которые позволяют исследовать не только структурные и патологические изменения, но и оценить физико-химические, патофизиологические процессы всего обследуемого органа или его отдельной структуры, проводить функциональные исследования и т.д. 2 Основание для разработки Задание на курсовую работу по дисциплине «Медицинские приборы, аппараты, системы и комплексы». 3 Исполнитель разработки Студент группы 31-ИД факультета УНИИ ИТ ФГОУ ВПО «Госуниверситет – УНПК» Дрёмин В.В. 4 Цель и назначение разработки 4.1 Магнитно-резонансный томограф предназначен для получения диагностического изображения для выявления различных патологических изменений исследуемой области. 6 Медицинские требования 6.1 Томограф предназначен для подведения к пациенту с помощью магнитной системы магнитного поля с целью вызова энергетических изменений в теле и последующей их регистрации. МРТ полностью безопасен. 6.2 В основу принципа действия томографа положен следующее физическое явление: ядерно-магнитный резонанс. 6.3 Число одновременно обслуживаемых пациентов – 1 (один). 6.4 Режим работы устанавливается с помощью средств ввода ПЭВМ и контролируется с помощью электронного блока управления – крейта. 6.5 Исследование проводят пациенту в условиях покоя. 7 Технические требования 7.1 Состав изделия - постоянный магнит; - градиентно-корректирующий модуль (ГКМ); - радиочастотные катушки; - предварительный усилитель; - источник питания ГКМ; - радиочастотный передатчик; - блок фильтрации; - крейт; - ПЭВМ; - принтер; - экранирующая камера; - стол пациента. 7.2 Показатели назначения 7.2.1 Постоянный магнит с напряженностью 0.3 Тл. 7.2.2 Резонансная частота 8.5 МГц. 7.2.3 Максимальное значение градиентов 15 мТ/м; скорость подъёма градиентов: до 30 мТ/м/мсек. 7.2.4 Толщина среза: от 0,5 до 100 мм. 7.2.5 Матрица сбора информации: 512 Х 512. 7.2.6 Среднее потребление энергии 5кВт. 7.3 Условия эксплуатации 7.3.1 Рабочие условия эксплуатации - атмосферное давление – 750±50 мм.рт.ст; - окружающая температура – +5…+40 °С; - относительная влажность – до 60% при температуре +24°С [11]. 7.4 Требования безопасности по стандартам на виды изделий 7.4.1 Требования к уровням шума: защита органов слуха должна быть достаточной, чтобы уменьшить это значение до уровня ниже 99дБА. При необходимости следует использовать антифоны или аналогичные по назначению устройства. 7.4.2 Напряженность магнитного поля, скорость изменения поля 7.4.3 За пределами области контролируемого доступа магнитная индукция полей рассеяния не должна превышать 0,5 мТл. 7.4.4 Защита от прочих опасностей ( от поражения электрическим током, от механических опасностей и пр.) осуществляется пунктам общих стандартов [13]. 8 Метрологическое обеспечение 8.1 Специальных средств поверки не требуется. 8.2 Оценка работы МР-томографа и представление практических методов тестирования производится с помощью специальных устройств для контроля качества изображения, называемых фантомами. Многопроцессорная компьютерная система позволяет производить автоматическую диагностику всех систем томографа, контроль и оптимизацию параметров режима без участия оператора. 4 Разработка структурной схемы Схема разработанного МРТ с постоянным магнитом представлена на рисунке 4.1
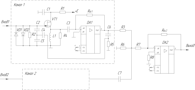
1 – экранирующая камера, 2 – постоянный магнит, 3 – градиентно-корректирующий модуль, 4 – источник питания ГКМ, 5 – стол пациента, 6 – радиочастотные катушки, 7 – блок фильтрации, 8 – предварительный усилитель, 9 – радиочастотный передатчик, 10 – крейт, 11 – ПЭВМ, 12 – дисплей ПЭВМ, 13 – черно-белый дисплей для вывода изображения, 14 – принтер Рисунке 4.1 – Схема разработанного МРТ с постоянным магнитом Магнитное поле главного магнита 2 и радиочастотные импульсы РЧ катушек (6), образованных двумя ортогонально расположенными парами – горизонтальной (ГК) и вертикальной (ВК), заставляют протоны атомов вращаться. Прием обратного сигнала от тела осуществляется той же РЧ катушкой. Внутри магнита также находится градиентно-корректирующий модуль 3. В нем размещены градиентные катушки, а также корректирующие катушки для улучшения однородности основного поля. Они создают дополнительно слабые поля (совпадающие с основным полем), которые являются нелинейными функциями координат. Радиочастотные катушки монтируются в виде съемного модуля, который надевается на ГКМ. Формирование РЧ импульсов происходит в радиочастотном передатчике 9, который представляет собой многокаскадный усилитель мощности и модулятор. Особенность его работы заключается в том, что он должен развивать большую мощность в течение действия сравнительно короткого РЧ импульса при достаточно большой скважности. ГКМ в свою очередь питается от блока 4. Для устранения помех все силовые токи – источника питания градиентной системы и передатчика – пропускаются через блок фильтрации 7. Предварительный усилитель 8 предназначен для усиления очень слабых РЧ откликов, а также для частичной фильтрации. Далее аналоговый РЧ сигнал поступает в главный электронный блок управления всей системы – крейт 10. Здесь он дополнительно усиливается, фильтруется, оцифровывается и далее поступает на ПЭВМ 11. Также крейт выполняет управляющую функцию работой блоков 4 и 9. С ПЭВМ информация выводится на два монитора: цветной общего назначения 12 и полутоновый черно-белый для вывода изображения 13. Для получения твердой копии изображения применяют принтер 14. Комнату сканирования окружает экранирующая клетка 1 (клетка Фарадея) – электрически проводящий экран (медная сетка или листы алюминия), уменьшающий влияние внешних радиоволн на работу МР-томографа и предотвращающий выход Р Ч волн за пределы процедурной комнаты[4]. 5 Разработка блока Была выбрана резонансная частота 8,5 МГц. Это уровень радиочастот. Разработаем соответствующий предварительный усилитель. Он предназначен для усиления очень слабых РЧ откликов, поэтому к нему предъявляются повышенные требования в части собственных шумов. Это требование выполняется применением во входном каскаде малошумящего полевого транзистора
Рисунок 5.1 – Предварительный усилитель МР сигнала Сигналы от РЧ катушек поступают на входы 1 и 2 идентичных «вертикального» и «горизонтального» каналов (канал 1 и 2). Сильные сигналы (помехи), возникающие при возбуждении катушек, ограничиваются двусторонними диодными ограничителями Для повышения стабильности усиления каждый канал охвачен параллельной отрицательной ОС через емкости Так как сигналы каналов 1 и 2 находятся в квадратуре, то при их простом объединении на входе суммирующего усилителя ЗаключениеВ ходе проведения работы была разработана структурная схема магнитно-резонансного томографа, описан принцип его работы. В разделе медико-биологического обоснование были подробно описаны основы магнитно-резонансной томографии; процессы, происходящие в организме при воздействии на него магнитным полем; как зависит качество изображения от параметров магнита и создаваемого им поля, а также возможные подострые опасности, которые могут возникнуть при проведении томографии. В обзоре приведены общие принципы построения трех типов томографов с рассмотрением отличий их друг от друга. Приведены технические характеристики и принцип их работы. Выделены основные преимущества и недостатки каждого вида. В результате обзора известных аналогов были сформулированы медико-технические требования (МТТ). Заключительным этапом курсовой работы стала разработка структурной схемы магнитно-резонансного томографа, на основе выбранного прототипа, наиболее подходящего под указанные в задании технические характеристики, а также разработка одного из блоков с описанием его работы. Были изучены теоретические основы такого метода получения изображения различных отделов организма как магнитно-резонансная томографиия, получены практические навыки по анализу известных технических решений в области медицинской техники, разработке предложений по принципиальному улучшению функциональных, эксплуатационных, технических и других характеристик объекта разработки. Список использованных источников 1.Верещагин Н.В., Борисенко В.В., Власенко А.Г. Мозговое кровообращение. Современные методы исследования в клинической неврологии М.: Интер-Весы. 1993. С. 87-143 2. Галайдин П.А., Замятин А.И., Иванов В.А. Основы магниторезонансной томографии. Учебное пособие. – СПб: СпбГИТМО (ТУ), 1998. – 24с. 3. Коновалов А.Н., Корниенко В.Н., Пронин И.Н. Магнитно-резонансная томография в нейрохирургии. – М.: Видар, 1997. – 472с.: ил. 4. Марусина М.Я., Казначеева А.О. Современные виды томографии. Учебное пособие. – СПб: СПбГУ ИТМО, 2006. – 132с. 5. Ринкк П.А. Магнитный резонанс в медицине. Основной учебник Европейского Форума по магнитному резонансу. – М.: Геотар-Мед, 2003. 6. Тютин Л.А., Рохлин Г.Д., Неронов Ю.И.. «Протонная Магнитно-Резонансная Спектроскопия головного мозга», Сб. «Магнитно-Резонансная томография в клинической практике» // Изд. ЦНИРРИ. С-Петербург, 1996.C. 67-71. 7. ГОСТ 2.105-95. Единая система конструкторской документации. Общие требования к текстовым документам. – Введ. 8 августа 1995 г. – М.: Изд-во стандартов. 8. ГОСТ 2.106-96. Единая система конструкторской документации. Текстовые документы. – Взамен ГОСТ 2.106-68* ЕСКД; ГОСТ 2.108-68; ГОСТ 2.112-70*; Введ. 13 ноября 1996 г. – М.: Изд-во стандартов. 9. ГОСТ 2.109-73. Единая система конструкторской документации. Основные требования к чертежам. – Введ. 01.07.1974. – М.: Изд-во стандартов. – 29с. 10. ГОСТ Р 15.013-94. Система разработки и постановки продукции на производство. Медицинские изделия. – Введ. 01.01.1995. – М.: Изд-во стандартов. – 28с. 11.ГОСТ Р 50267.33-99. Изделия медицинские электрические. Часть 2. Частные требования безопасности к медицинскому диагностическому оборудованию, работающему на основе явления магнитного резонанса – Введ. 29.12.1999. – М.: Изд-во стандартов. – 41с. 12. ГОСТ 12.1.006-84. Система стандартов безопасности труда. Электромагнитные поля радиочастот. Допустимые уровни на рабочих местах и требования к проведению контроля – М.: Изд-во стандартов. 13. ГОСТ 12.1.006-84. Система стандартов безопасности труда. Методы измерения шума на рабочих местах – М.: Изд-во стандартов. 14. ПДУ 1742-77. Санитарные нормы и правила работы в условиях воздействия постоянных магнитных полей. 15. MRI: Magnetic Resonance maging. Режимдоступа: [http://focus.ti.com/docs/solution/folders/print/275.html] |





