Курсовая работа: Фундаменты промышленного здания
|
Название: Фундаменты промышленного здания Раздел: Рефераты по строительству Тип: курсовая работа | |||||||||||||||||||||||||||||||||||||||||||||||||||||||||||||||||||||||||||||||||||||||||||||||||||||||||||||||||||||||||||||||||||||||||||||||||||||||||||||||||||||||||||||||||||||||||||||||||||||||||||||||||||||||||||||||||||||||||||||||||||||||||||||||||||||||||||||||||||||||||||||||||||||||||||||||||||||||||||||||||||||||||||||||||||||||||||||||||||||||||||||||||||||||||||||||||||||||||||||||||||||||||||||||||||||||||||||||||||||||||||||||||||||||||||||||||||||||||||||||||||||||||||||||||||||||||||||||||||
| КУРСОВОЙ ПРОЕКТ «Фундаменты промышленного здания» 2010 Содержание
1. Исходные данные 2. Анализ инженерно-геологических условий 3. Основные сочетание нагрузок действующие на фундаменты здания 4. Проектирование фундамента мелкого заложения 4.1.Расчет и конструирование фундамента мелкого заложения под колонну крайнего ряда 4.1.1. Определение глубины заложения фундамента 4.1.2. Определение основных размеров подошвы фундамента 4.1.3. Проверка прочности подстилающего слоя 4.1.4. Определение конечных осадок фундамента 4.1.5. Конструирование фундамента и расчет на прочность 4.2.Расчет и конструирование фундамента мелкого заложения под колонну среднего ряда 4.2.1. Определение глубины заложения фундамента 4.2.2. Определение основных размеров подошвы фундамента 4.2.3. Проверка прочности подстилающего слоя 4.2.4. Расчет осадки фундамента 4.2.5. Конструирование фундамента и расчет на прочность 4.3. Определение неравномерности деформаций основания фундаментов 4.4. Расчет и конструирование свайных фундаментов под колонну крайнего ряда 4.4.1. Выбор глубины заложения ростверка 4.4.2. Выбор типа свай и назначение их длины 4.4.3. Расчет несущей способности свай 4.4.4. Расчет количества свай в кусте и конструирование ростверка 4.4.5. Расчет осадки фундамента 4.4.6. Расчет ростверка на прочность 4.5. Расчет и конструирование свайных фундаментов под колонну среднего ряда 4.5.1. Выбор глубины заложения ростверка 4.5.2. Выбор типа свай и назначение их длины 4.5.3. Расчет несущей способности свай 4.5.4.Расчет количества свай в кусте и конструирование ростверка 4.5.5. Расчет осадки фундамента 4.5.6. Расчет ростверка на прочность 4.6. Подбор сваебойного оборудования 4.7. Определение проектного отказа сваи 5. Технико-экономическое сравнение принятого решения фундаментов 6. Список используемой литературы Исходные данные: Левый пролет 30м Правый пролет 30м Отметка верха стены 13,600 Длина здания 126м Высота цеха 13,6м Грузоподъемность левого пролета 30/5 Грузоподъемность правого пролета 15/3 Район ветровой нагрузки 2 Район снеговой нагрузки 1 Размер сечения фахверковой колонны: 600х500 Сечение колонн: Крайнего ряда 1000 х 500 Среднего ряда 1400 х 500 1. Анализ инженерно-геологических условий
Образец №1: взят из скважины №1. Так как Wp = 0 и Wl = 0 и содержание частиц крупнее 2 мм менее 5%, вид грунта – песок. Разновидность грунта определяется по гранулометрическому составу, по коэффициенту пористости е, по коэффициенту водонасыщения Sr . 1. По гранулометрическому составу согласно табл. 2.1 [1] содержание частиц крупнее 0,1 мм более 75% (0+1+5+12+20+45 = 83%), следовательно, грунт – песок мелкий. 2. По коэффициенту пористости е. По формуле (2.3) [1] определяем плотность сухого грунта ρd
Коэффициент пористости составит:
По табл. 2.5 [1] устанавливаем – песок мелкий, средней плотности. 3. По коэффициенту водонасыщения Sr согласно формуле 2.5 [1]:
следовательно, песок малой степени водонасыщения (табл.2.6 [1]). Грунт находится выше уровня подземных вод, поэтому удельный вес грунта с учетом взвешивающего действия воды γsb не определяем. По табл. 3.3 [1] определяем расчетное сопротивление R0 для песчаных грунтов. Рассматриваемый грунт – песок мелкий, средней плотности, малой степени водонасыщения с расчетным сопротивлением R 0 = 300 кПа.
Образец №2: взят из скважины №1. Так как Wp > 0 и Wl >0, следовательно, грунт глинистый. Разновидность глинистого грунта определяется по числу пластичности Ip , по показателю текучести Il . 1. По числу пластичности Ip согласно формуле (2.1) [1]:
Следовательно, грунт суглинок (табл. 2.2) [1]. По табл. 2.3 [1] суглинок легкий пылеватый, так как частиц от 2 мм до 0,5 мм (0%) содержится менее 40%. 2. По показателю текучести Il , согласно формуле (2.2) [1]:
следовательно, суглинок мягкопластичный (табл. 2.4 [1]). Поскольку грунт глинистый, необходимо установить, обладает ли он набухающими или просадочными свойствами. Для этого в начале определим следующие характеристики: -(%, д.е.) плотность сухого грунта ρd по формуле (2.3) [1]:
- коэффициент пористости е по формуле (2.4) [1]:
- коэффициент водонасыщения Sr по формуле (2.5) [1]:
- показатель еl по формуле (2.8) [1]:
Определяем по формуле (2.5) [1] показатель Iss , с помощью которого дается предварительная оценка просадочных и набухающих свойств грунта:
Грунт будет относиться к просадочным, если условия Грунт будет относиться к набухающим, если условие По табл. 3.4 [1] определяем расчетное сопротивление R0 для легкого пылеватого суглинка. Рассматриваемый грунт – легкий пылеватый суглинок мягкопластичный с расчетным сопротивлением R 0 = 170,33 кПа. Образец №3: взят из скважины №1. Так как Wp > 0 и Wl >0, следовательно, грунт глинистый. Разновидность глинистого грунта определяется по числу пластичности Ip , по показателю текучести Il . 1. По числу пластичности Ip согласно формуле (2.1) [1]:
Следовательно, грунт суглинок (табл. 2.2) [1]. По табл. 2.3 [1] суглинок легкий пылеватый, так как частиц от 2 мм до 0,5 мм (0%) содержится менее 40%. 2. По показателю текучести Il , согласно формуле (2.2) [1]:
следовательно, суглинок мягкопластичный (табл. 2.4 [1]). Поскольку грунт глинистый, необходимо установить, обладает ли он набухающими или просадочными свойствами. Для этого в начале определим следующие характеристики: -(%, д.е.) плотность сухого грунта ρd по формуле (2.3) [1]:
- коэффициент пористости е по формуле (2.4) [1]:
- коэффициент водонасыщения Sr по формуле (2.5) [1]:
- показатель еl по формуле (2.8) [1]:
Определяем по формуле (2.5) [1] показатель Iss , с помощью которого дается предварительная оценка просадочных и набухающих свойств грунта:
Грунт будет относиться к просадочным, если условия Грунт будет относиться к набухающим, если условие По табл. 3.4 [1] определяем расчетное сопротивление R0 для легкого пылеватого суглинка. Рассматриваемый грунт – легкий пылеватый суглинок мягкопластичный с расчетным сопротивлением R 0 = 163,47 кПа. Образец №4: взят из скважины №1. Так как Wp = 0 и Wl = 0 и содержание частиц крупнее 2 мм менее 25%, вид грунта – песок. Разновидность грунта определяется по гранулометрическому составу, по коэффициенту пористости е, по коэффициенту водонасыщения Sr . 1. По гранулометрическому составу согласно табл. 2.1 [1] содержание частиц крупнее 0,25 мм более 50% (0+1+3+23+29 = 56%), следовательно, грунт – песок средней крупности. 2. По коэффициенту пористости е. По формуле (2.3) [1] определяем плотность сухого грунта ρd :
Коэффициент пористости составит:
По табл. 2.5 [1] устанавливаем – песок средней крупности, средней плотности. 3. По коэффициенту водонасыщения Sr согласно формуле 2.5 [1]:
следовательно, песок, насыщенный водой (табл.2.6 [1]). По табл. 3.3 [1] определяем расчетное сопротивление R0 для песчаных грунтов. Рассматриваемый грунт – песок средней крупности, средней плотности, насыщенный водой с расчетным сопротивлением R 0 = 400 кПа.
Образец №5: взят из скважины №1. Так как Wp > 0 и Wl >0, следовательно, грунт глинистый. Разновидность глинистого грунта определяется по числу пластичности Ip , по показателю текучести Il . 1. По числу пластичности Ip согласно формуле (2.1) [1]:
Следовательно, грунт глина (табл. 2.2) [1]. По табл. 2.3 [1] глина легкая пылеватая, так как частиц от 2 мм до 0,5 мм (1%) содержится менее 40%. 2. По показателю текучести Il , согласно формуле (2.2) [1]:
следовательно, глина полутвердая (табл. 2.4 [1]). Поскольку грунт глинистый, необходимо установить, обладает ли он набухающими или просадочными свойствами. Для этого в начале определим следующие характеристики: - (%, д.е.) плотность сухого грунта ρd по формуле (2.3) [1]:
- коэффициент пористости е по формуле (2.4) [1]:
- коэффициент водонасыщения Sr по формуле (2.5) [1]:
- показатель еl по формуле (2.8) [1]:
Определяем по формуле (2.5) [1] показатель Iss , с помощью которого дается предварительная оценка просадочных и набухающих свойств грунта:
Грунт будет относиться к просадочным, если условия Грунт будет относиться к набухающим, если условие По табл. 3.4 [1] определяем расчетное сопротивление R0 для легкой пылеватой глины. Рассматриваемый грунт – легкая пылеватая глина полутвердая с расчетным сопротивлением R 0 = 265 кПа. Общая оценка грунтовых условий площадки строительства. По инженерно-геологическому разрезу площадка имеет спокойный рельеф с абсолютными отметками 140,25-141,5 м. Грунты имеют слоистое напластование с согласным залеганием пластов. Все они могут служить естественным основанием для фундаментов зданий. Для рассматриваемого промышленного здания при устройстве фундаментов мелкого заложения несущим слоем может быть песок мелкий средней плотности, малой степени водонасыщения (слой 1). При использовании свайных фундаментов в качестве несущего слоя рекомендуется использовать глину, пылеватую, полутвердую (слой 5). В этом случае свая будет работать по схеме свая висячая. При инженерно-геологических изысканиях были обнаружены подземные воды. Они залегают на отметках 135,8 – 137,0 м (глубина залегания 4,5 – 4,8 м от поверхности) и не будут существенно влиять на устройство оснований и фундаментов здания. Таблица 1
3. Основные сочетание нагрузок действующие на фундаменты здания
4. Проектирование фундамента мелкого заложения.
4.1. Расчет и конструирование фундамента мелкого заложения под колонну крайнего ряда.
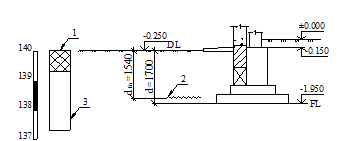
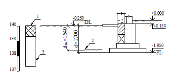
4.1.1. Определение глубины заложения фундамента Глубина заложения фундаментов в должна назначаться в зависимости от конструктивных решений подземной части здания (наличия подвалов, технического подполья, подземных коммуникаций и др.), инженерно-геологических условий строительной площадки, величины и характера нагрузок на основание, а также возможного пучения грунтов при промерзании и других факторов. Глубина заложения в исчисляется от поверхности планировки основания, а в некоторых случаях (для зданий с подвалом) от поверхности пола подвала или подполья. В пучинистых грунтах для наружных и внутренних стен глубина заложения в обычно назначается не менее расчетной глубины промерзания df. К пучинистым грунтам относятся мелкие и пылеватые пески, супеси независимо от показателя текучести, а также суглинки и глины с показателем текучести Il≥0,25. К непучинистым грунтам относятся крупнообломочные грунты с заполнителем (песок, гравий и д.р.) до 10%, пески гравелистые, крупные и средней крупности; пески мелкие и пылеватые при Sr≤0,6, а также пески мелкие и пылеватые, содержащие менее 15% по массе частиц мельче 0,05 мм. Глубина заложения фундаментов в таких грунтах не зависит от глубины промерзания в любых условиях. Минимальная глубина заложения в при этом приминается обычно не менее 0,5 м от спланированной поверхности. Грунт, ИГЭ1-песок мелкий, средней плотности, малой степени водонасыщения, площадки строительства относится к непучинистым при промерзании, т.к. Sr = 0,43 < 0,6. Руководствуясь картой, приведенной на рис. 5.15 [3], определяем нормативную глубину сезонного промерзания dfn для г. Иркутск dfn = 2,2 м, тогда расчетная глубина промерзания составит (рис. 2).
где kh = 0,7 – коэффициент, учитывающий влияние теплового режима здания, принимаемый по [2, табл. 1].
Рис. 2. Схема к назначению глубины заложения подошвы фундамента: DL – отметка планировки; FL – отметка заложения фундамента; 1 – насыпной грунт; 2 – расчетная глубина промерзания грунта; 3 – песок мелкий. Принимаем глубину заложения фундамента в = 1,8 м по конструктивным требованиям; высота фундамента должна быть кратной 0,3 м [3].
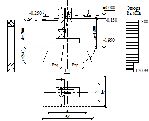
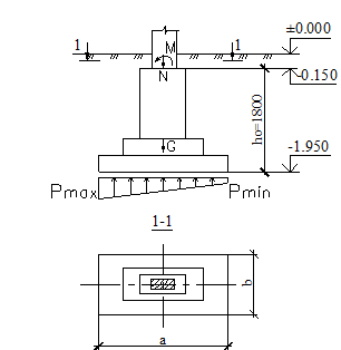
4.1.2. Определение основных размеров подошвы фундамента. Прежде чем определять размеры подошвы фундаментов, необходимо проанализировать конструктивную схему здания (сооружения) и установить наиболее целесообразный тип фундаментов в рассматриваемых грунтовых условиях. В процессе анализа уточняются размеры и материал основных элементов здания, выявляется жесткость конструкций и их чувствительность к неравномерным осадкам, а также устанавливается характер передачи нагрузок на основание, материал и форма подошвы фундаментов. Анализ заканчивается определением (сбором) нагрузок, действующих на основание. Для промышленных зданий без подвалов нагрузки, обычно, суммируют на уровне спланированной отметки земли. При этом должны быть установлены наиболее неблагоприятные сочетания нагрузок. Расчет размеров подошвы фундаментов необходимо производить на основании сочетания расчетных нагрузок с коэффициентом перегрузки n = 1. Для назначения размеров подошвы фундаментов промышленных и гражданских зданий применяются аналитические и графические методы. При выполнении курсового проекта будем использовать метод последовательных приближений.
Рис. 3. Схема к определению размеров подошвы фундамента под колонну промышленного здания. Для промышленных зданий проверку давления по подошве фундаментов (pmax, pmin) необходимо производить на несколько (минимум на два) наиболее невыгодных сочетаний нагрузок [4]. Например, на сочетание максимальной вертикальной нагрузки и соответствующего ей момента (Nmax, М) и на сочетание максимального момента сил и соответствующей этому моменту вертикальной нагрузки (Мmax, N). Первое невыгодное сочетание нагрузок (M max , N), крайняя колонна:
Площадь подошвы фундамента в первом приближении равна:
где 1,2 – коэффициент, учитывающий действие момента сил;
R0 – расчетное сопротивление грунта основания d – глубина заложения. На основание передаются вертикальные, горизонтальные и моментные нагрузки. Поэтому подошву фундамента принимаем прямоугольной формы в плане. Для определения размеров подошвы задаемся соотношением сторон
принимаем а=3,3 м, b=2,4м. Вычисляем расчетное сопротивление грунта основания R по формуле (7) [2].
где g с1 и g с - коэффициенты, условий работы, k - коэффициент, принимаемый равным: k 1 =1, если прочностные характеристики грунта (j и с ) определены непосредственными испытаниями, и k 1 =1,1, если они приняты по табл. 1-3 рекомендуемого приложения 1 [2]; М g , Мq , Mc - коэффициенты, принимаемые по табл. 4 [2]; kz - коэффициент, принимаемый равным: при b < 10 м - kz =1, при b ³ 10 м - kz =z0 /b +0,2 (здесь z0 =8 м); b - ширина подошвы фундамента, м; g II - осредненное расчетное значение удельного веса грунтов, залегающих ниже подошвы фундамента (при наличии подземных вод определяется с учетом взвешивающего действия воды), кН/м3 (тс/м3 ); g / II - то же, залегающих выше подошвы; сII - расчетное значение удельного сцепления грунта, залегающего непосредственно под подошвой фундамента, кПа (тс/м2 ); d 1 - глубина заложения фундаментов бесподвальных сооружений от уровня планировки или приведенная глубина заложения наружных и внутренних фундаментов от пола подвала, определяемая по формуле
где hs - толщина слоя грунта выше подошвы фундамента со стороны подвала, м; hcf - толщина конструкции пола подвала, м; g cf - расчетное значение удельного веса конструкции пола подвала, кН/м3 (тс/м3 ); db - глубина подвала - расстояние от уровня планировки до пола подвала, м (для сооружений с подвалом шириной B £ 20 м и глубиной свыше 2 м принимается db = 2 м, при ширине подвала B > 20 м - db = 0).
Максимальное
Определяем коэффициент запаса:
Условие Второе невыгодное сочетание нагрузок (N max , M), крайняя колонна:
Проверяем размеры подошвы фундамента, a=3,3 м, b=2,4 м: Давления на основание по подошве фундамента равны:
Определяем коэффициент запаса:
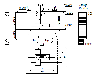
Окончательно принимаем размеры подошвы фундамента b=2,4 м, a=3,3 м. 4.1.3. Проверка прочности подстилающего слоя. При наличии в пределах сжимаемой толщи основания фундаментов на определенной глубине слоя более слабого грунта, чем вышележащий (несущий) слой, залегающий непосредственно под подошвой, размеры фундаментов должны назначаться с учетом проверки прочности подстилающего слоя [2, 3]. Несоблюдение данных требований может привести к значительным деформациям, а также потери несущей способности основания.О наличии более слабого слоя грунта в основании, по сравнению с вышележащими слоями, можно судить по прочностным характеристикам φ и С, табличному значению расчетного сопротивления грунта основания Rо и модулю общей деформации Ео. Для подстилающего слоя данные характеристики меньше, чем для вышележащих грунтов, залегающих под подошвой фундаментов. В нашем случае: ИГЭ1 (слой залегания фундамента) имеет следующие характеристики φ = 28 град, С = 0 кПа, Ro = 300 кПа, Ео = 13 МПа. ИГЭ2, ИГЭ3 (подстилающие слои) имеют следующие характеристики φ = 18 град, С = 20 кПа, Ro = 170,33 кПа, Ео = 10,9 МПа.
Рис. 4. Схема к определению размеров подошвы фундамента с учетом прочности подстилающего слоя При проверке прочности подстилающего слоя должно выполняться условие [3, 8] где Rz – расчетное сопротивление подстилающего слоя грунта. Напряжения в грунте от собственного веса на глубине h = 4,1 м равны:
Для определения дополнительных напряжений в грунте (от внешней нагрузки) на глубине z = 2,4 м от подошвы фундамента находим среднее давление под подошвой фундамента.
Находим коэффициент α=0,414 по [3, табл.1, прил.2], при ς=2z/b = 2∙2,4/2,4=2 и η = a/b = 1,375, Тогда:
Для вычисления расчетного сопротивления подстилающего слоя грунта Rz необходимо определить размеры подошвы условного фундамента by , ay . Площадь условного фундамента в случае прямоугольной формы в плане вычисляется по формуле:
ширина подошвы условного фундамента:
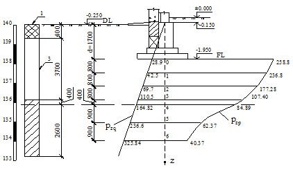
Проверка условия: Условие выполняется, следовательно, размеры подошвы фундамента оставляем прежними b=2,4 м, a=3,3 м. 4.1.4. Определение конечных осадок фундамента. Для определения конечных (стабилизированных) осадок оснований фундаментов (далее осадок фундаментов) в настоящее время наибольшее распространение получили метод послойного суммирования, метод эквивалентного слоя и метод линейно – деформируемого слоя конечной толщины [5, 6]. Методы послойного суммирования и эквивалентного слоя используются обычно для определения осадок фундаментов с небольшими размерами подошвы (ширина подошвы фундамента менее 10 м), возводимых на однородных и слоистых основаниях. При этом форма подошвы фундамента может быть любой. Метод линейно – деформируемого слоя конечной толщины используется, как правило, при проектировании фундаментов с большой опорной площадью (ширина подошвы фундамента более 10 м), возводимых на слое сжимаемого грунта, ниже которого залегают практически несжимаемые породы (Ео>100 МПа), а также на слое сжимаемого грунта любой мощности. Для определения осадок промышленных зданий (ширина подошвы фундамента менее 10 м) действующие нормы рекомендуют использовать метод послойного суммирования СНиП 2.02.01-83* Основания зданий и сооружений. Расчет осадок фундаментов необходимо производить на основные сочетания расчетных нагрузок с коэффициентом перегрузки n=1 (Nmax, М). Наносим на геологический профиль контуры фундамента.
Рис. 5. Схема к определению размеров осадки фундамента Разделяем в первом приближении сжимаемую толщу основания на элементарные слои, толщиной hi = (0,2 – 0,4)∙b = 0,3∙2,4 = 0,72 м. При этом мощность элементарных слоев может быть различной, и назначается таким образом, чтобы границы раздела пластов совпадала с границей раздела элементарных слоев. Определим напряжение от собственного веса грунта pzq , o и дополнительное напряжение po в уровне подошвы фундамента.
Вычисляем дополнительное напряжение pzp на границах выделенных слоев:
где α – коэффициент, учитывающий изменение по глубине основания дополнительного напряжения pzq и принимаемый в зависимости от относительной глубины и отношения сторон фундамента. Результаты расчета сводим в табл.4 Для определения нижней границы сжимаемой толщи основания фундамента вычисляем напряжение от собственного веса грунта pzq на границах пластов грунта и выделенных слоев hi . При этом для суглинков, залегающей ниже уровня грунтовых вод, удельный вес принимается без учета взвешивающего действия воды. Таблица 4
Проверяем условие Принимаем Su
= 8 см. Размеры подошвы фундамента достаточны для передачи на грунт давления от сооружения. 4.1.5. Конструирование фундамента и расчет на прочность Расчет тела фундамента по первой группе предельных состояний производим на основное сочетание и особое сочетание нагрузок. При расчете фундаментов по прочности (по первой группе предельных состояний) расчетные усилия принимаем с коэффициентом надежности по нагрузке – по указаниям действующих СНиП [7, 8], а при расчете на раскрытие трещин – с коэффициентом нагрузки, равным единице. 4.1.5.1. Назначение предварительных геометрических размеров фундамента. Размеры подколонника luc =1.8м lub =1.2м согласно табл. 4.24 [3]. Высота ступеней плитной части hi = 0,3 м. Площадь подошвы фундамента Момент сопротивления в направлении большего размера:
Рабочая высота плитной части Глубина стакана
Рис. 8. Размеры проектируемого фундамента. 4.1.5.2. Расчет фундамента мелкого заложения на продавливание. Расстояние от верха плитной части до низа колонны 0,45 м,
следовательно, проверку на продавливание плитной части производим от низа подколонника. Максимальное краевое давление на грунт: - сочетание
- сочетание
Принимаем наибольшее значение Проверку на продавливание производим (при разном числе ступеней плитной части) в двух направлениях: Продавливающая сила
Тогда Задаемся маркой бетона В15 с Rbt = 0,75 МПа. С учетом γb 2 =0,9 и γb 4 =0,85 Rbt = 0,75∙0,9∙0,85=0,574 МПа. По формуле
Тогда
Принятый фундамент удовлетворяет условию прочности на продавливание. Принимаем двухступенчатый фундамент с высотой плитной части 0,6 м. Проверим прочность нижней ступени при заданном ее выносе 450 мм и h01 =0,25 м:
Несущая способность ступени
Размеры лежащих выше ступеней назначаем пересечением линии АВ с линиями, ограничивающими высоту ступеней. 4.1.5.3. Определение площади сечений арматуры плитной части. Определение площади сечений арматуры плитной части фундамента проводим на примере нижней арматуры (направленной вдоль большей стороны подошвы фундамента) класса А-II. Расчетные усилия на уровне подошвы принимаем без учета веса фундамента:
Определим давление на грунт в расчетных сечениях:
Аналогично получаем:
Изгибающие моменты:
По конструктивным требованиям принимаем арматуру класса А-II 16ø10 с шагом 200мм., Rs = 280 МПа(As =1809,6 мм2 ) 4.2 Расчет и конструирование фундамента мелкого заложения под колонну среднего ряда.
4.1.6. Определение глубины заложения фундамента Глубина заложения фундаментов в должна назначаться в зависимости от конструктивных решений подземной части здания (наличия подвалов, технического подполья, подземных коммуникаций и др.), инженерно-геологических условий строительной площадки, величины и характера нагрузок на основание, а также возможного пучения грунтов при промерзании и других факторов. Глубина заложения в исчисляется от поверхности планировки основания, а в некоторых случаях (для зданий с подвалом) от поверхности пола подвала или подполья. В пучинистых грунтах для наружных и внутренних стен глубина заложения в обычно назначается не менее расчетной глубины промерзания df. К пучинистым грунтам относятся мелкие и пылеватые пески, супеси независимо от показателя текучести, а также суглинки и глины с показателем текучести Il≥0,25. К непучинистым грунтам относятся крупнообломочные грунты с заполнителем (песок, гравий и д.р.) до 10%, пески гравелистые, крупные и средней крупности; пески мелкие и пылеватые при Sr≤0,6, а также пески мелкие и пылеватые, содержащие менее 15% по массе частиц мельче 0,05 мм. Глубина заложения фундаментов в таких грунтах не зависит от глубины промерзания в любых условиях. Минимальная глубина заложения в при этом приминается обычно не менее 0,5 м от спланированной поверхности. Грунт, ИГЭ1-песок мелкий, средней плотности, малой степени водонасыщения, площадки строительства относится к непучинистым при промерзании, т.к. Sr = 0,43 < 0,6. Руководствуясь картой, приведенной на рис. 5.15 [3], определяем нормативную глубину сезонного промерзания dfn для г. Иркутск dfn = 2,2 м, тогда расчетная глубина промерзания составит (рис. 2).
где kh = 0,7 – коэффициент, учитывающий влияние теплового режима здания, принимаемый по [2, табл. 1].
Рис. 2. Схема к назначению глубины заложения подошвы фундамента: DL – отметка планировки; FL – отметка заложения фундамента; 1 – насыпной грунт; 2 – расчетная глубина промерзания грунта; 3 – песок мелкий. Принимаем глубину заложения фундамента в = 1,8 м по конструктивным требованиям; высота фундамента должна быть кратной 0,3 м [3]. 4.1.7. Определение основных размеров подошвы фундамента. Для промышленных зданий без подвалов нагрузки, обычно, суммируют на уровне спланированной отметки земли. При этом должны быть установлены наиболее неблагоприятные сочетания нагрузок. Расчет размеров подошвы фундаментов необходимо производить на основании сочетания расчетных нагрузок с коэффициентом перегрузки n = 1. Для назначения размеров подошвы фундаментов промышленных и гражданских зданий применяются аналитические и графические методы. При выполнении курсового проекта будем использовать метод последовательных приближений.
Рис. 6. Схема к определению размеров подошвы фундамента под среднюю колонну промышленного здания.
Первое невыгодное сочетание нагрузок (M max , N), средняя колонна:
Площадь подошвы фундамента в первом приближении равна:
где: 1,2 – коэффициент, учитывающий действие момента сил;
R0 – расчетное сопротивление грунта основания d – глубина заложения. На основание передаются вертикальные, горизонтальные и моментные нагрузки. Поэтому подошву фундамента принимаем прямоугольной формы в плане. Для определения размеров подошвы задаемся соотношением сторон
принимаем а=3,3 м, b=2,4м. Вычисляем расчетное сопротивление грунта основания R по формуле (7) [2].
где g с1 и g с - коэффициенты, условий работы, k - коэффициент, принимаемый равным: k 1 =1, если прочностные характеристики грунта (j и с ) определены непосредственными испытаниями, и k 1 =1,1, если они приняты по табл. 1-3 рекомендуемого приложения 1 [2]; М g , Мq , Mc - коэффициенты, принимаемые по табл. 4 [2]; kz - коэффициент, принимаемый равным: при b < 10 м - kz =1, при b ³ 10 м - kz =z0 /b +0,2 (здесь z0 =8 м); b - ширина подошвы фундамента, м; g II - осредненное расчетное значение удельного веса грунтов, залегающих ниже подошвы фундамента (при наличии подземных вод определяется с учетом взвешивающего действия воды), кН/м3 (тс/м3 ); g / II - то же, залегающих выше подошвы; сII - расчетное значение удельного сцепления грунта, залегающего непосредственно под подошвой фундамента, кПа (тс/м2 ); d 1 - глубина заложения фундаментов бесподвальных сооружений от уровня планировки или приведенная глубина заложения наружных и внутренних фундаментов от пола подвала, определяемая по формуле
где hs - толщина слоя грунта выше подошвы фундамента со стороны подвала, м; hcf - толщина конструкции пола подвала, м; g cf - расчетное значение удельного веса конструкции пола подвала, кН/м3 (тс/м3 ); db - глубина подвала - расстояние от уровня планировки до пола подвала, м (для сооружений с подвалом шириной B £ 20 м и глубиной свыше 2 м принимается db = 2 м, при ширине подвала B > 20 м - db = 0).
Максимальное
Определяем коэффициент запаса:
Условие Второе невыгодное сочетание нагрузок (N max , M), средняя колонна:
Проверяем размеры подошвы фундамента, a=3,3 м, b=2,4 м: Давления на основание по подошве фундамента равны:
Определяем коэффициент запаса:
Окончательно принимаем размеры подошвы фундамента a=3,3 м, b=2,4 м. 4.1.8. Проверка прочности подстилающего слоя. При наличии в пределах сжимаемой толщи основания фундаментов на определенной глубине слоя более слабого грунта, чем вышележащий (несущий) слой, залегающий непосредственно под подошвой, размеры фундаментов должны назначаться с учетом проверки прочности подстилающего слоя [2, 3]. Несоблюдение данных требований может привести к значительным деформациям, а также потери несущей способности основания. О наличии более слабого слоя грунта в основании, по сравнению с вышележащими слоями, можно судить по прочностным характеристикам φ и С, табличному значению расчетного сопротивления грунта основания Rо и модулю общей деформации Ео. Для подстилающего слоя данные характеристики меньше, чем для вышележащих грунтов, залегающих под подошвой фундаментов. В нашем случае: ИГЭ1 (слой залегания фундамента) имеет следующие характеристики φ = 28 град, С = 0 кПа, Ro = 300 кПа, Ео = 13 МПа. ИГЭ2, ИГЭ3 (подстилающие слои) имеют следующие характеристики φ = 18 град, С = 20 кПа, Ro = 170,33 кПа, Ео = 10,9 МПа.
Рис. 4. Схема к определению размеров подошвы фундамента с учетом прочности подстилающего слоя. При проверке прочности подстилающего слоя должно выполняться условие [3, 8] где Rz – расчетное сопротивление подстилающего слоя грунта. Напряжения в грунте от собственного веса на глубине h = 4,1 м равны:
Для определения дополнительных напряжений в грунте (от внешней нагрузки) на глубине z = 2,4 м от подошвы фундамента находим среднее давление под подошвой фундамента.
Находим коэффициент α=0,414 по [3, табл.1, прил.2], при ς=2z/b = 2∙2,4/2,4=2 и η = a/b = 1,375, Тогда:
Для вычисления расчетного сопротивления подстилающего слоя грунта Rz необходимо определить размеры подошвы условного фундамента by , ay . Площадь условного фундамента в случае прямоугольной формы в плане вычисляется по формуле:
ширина подошвы условного фундамента:
Проверка условия:
Условие выполняется, следовательно, размеры подошвы фундамента оставляем прежними b=2,4 м, a=3,3 м. 4.1.9. Определение конечных осадок среднего фундамента.
Рис. 7. Схема к определению размеров осадки фундамента Разделяем в первом приближении сжимаемую толщу основания на элементарные слои, толщиной hi = (0,2 – 0,4)∙b = 0,3∙2,7 = 0,72 м. При этом мощность элементарных слоев может быть различной, и назначается таким образом, чтобы границы раздела пластов совпадала с границей раздела элементарных слоев. Определим напряжение от собственного веса грунта pzq , o и дополнительное напряжение po в уровне подошвы фундамента.
Вычисляем дополнительное напряжение pzp на границах выделенных слоев:
где α – коэффициент, учитывающий изменение по глубине основания дополнительного напряжения pzq и принимаемый в зависимости от относительной глубины и отношения сторон фундамента. Результаты расчета сводим в табл.5 Для определения нижней границы сжимаемой толщи основания фундамента вычисляем напряжение от собственного веса грунта pzq на границах пластов грунта и выделенных слоев hi . При этом для суглинков, залегающей ниже уровня грунтовых вод, удельный вес принимается без учета взвешивающего действия воды. Таблица 5
Проверяем условие Принимаем Su
= 5 см. Размеры подошвы фундамента достаточны для передачи на грунт давления от сооружения.
4.1.10. Конструирование фундамента и расчет на прочность. Расчет тела фундамента по первой группе предельных состояний производим на основное сочетание и особое сочетание нагрузок. При расчете фундаментов по прочности (по первой группе предельных состояний) расчетные усилия принимаем с коэффициентом надежности по нагрузке – по указаниям действующих СНиП [7, 8], а при расчете на раскрытие трещин – с коэффициентом нагрузки, равным единице. 4.1.10.1. Назначение предварительных геометрических размеров фундамента. Размеры подколонника luc =1.8м lub =1.2м согласно табл. 4.24 [3]. Высота ступеней плитной части hi = 0,3 м. Площадь подошвы фундамента Момент сопротивления в направлении большего размера:
Рабочая высота плитной части
Глубина стакана
Рис. 8. Размеры проектируемого фундамента.
4.1.10.2. Расчет фундамента мелкого заложения на продавливание Расстояние от верха плитной части до низа колонны 0,45 м,
следовательно, проверку на продавливание плитной части производим от низа подколонника. Максимальное краевое давление на грунт: - сочетание
- сочетание
Принимаем наибольшее значение Проверку на продавливание производим (при разном числе ступеней плитной части) в двух направлениях: Продавливающая сила
Тогда
Задаемся маркой бетона В15 с Rbt = 0,75 МПа. С учетом γb 2 =0,9 и γb 4 =0,85 Rbt = 0,75∙0,9∙0,55=0,574 МПа. По формуле
Тогда
Принятый фундамент удовлетворяет условию прочности на продавливание. Принимаем трехступенчатый фундамент с высотой плитной части 0,9 м. Проверим прочность нижней ступени при заданном ее выносе 450 мм и h01 =0,25 м:
Несущая способность ступени
Размеры лежащих выше ступеней назначаем пересечением линии АВ с линиями, ограничивающими высоту ступеней. 4.1.10.3. Определение площади сечений арматуры плитной части. Определение площади сечений арматуры плитной части фундамента проводим на примере нижней арматуры (направленной вдоль большей стороны подошвы фундамента) класса А-II. Расчетные усилия на уровне подошвы принимаем без учета веса фундамента:
Определим давление на грунт в расчетных сечениях:
Аналогично получаем:
Изгибающие моменты:
По конструктивным требованиям принимаем арматуру класса А-II 16ø10 с шагом 200мм., Rs = 280 МПа(As =1809,6 мм2 ) 4.2. Определение неравномерности деформаций основания фундаментов Значение осадки для фундамент под колонну крайнего ряда получился равен S1 = 0,04м. Осадка для фундамента под колонну среднего ряда S2 = 0,049м.
4.3. Расчет и конструирование свайных фундаментов под колонну крайнего ряда
4.3.1. Выбор глубины заложения ростверка Глубина заложения подошвы ростверка должна назначаться в зависимости от конструктивных особенностей здания, а так же в зависимости от грунтовых условий площадки строительства. Глубина заложения ростверков принимаем равной глубине фундамента мелкого заложения. Таким образом, глубина заложения ростверка равна: в = 1,8м. 4.3.2. Выбор типа свай и назначение их длины Из анализа грунтовых напластований можно сделать вывод, что в качестве несущего слоя целесообразно принять слой песка средней крупности, средней плотности, насыщенный водой. Тогда, длина сваи с учетом заглубления в несущий слой не менее 1 м составит:
Примем забивную сваю типа С7-30 по ГОСТ 19804.1-79 длиной 7м, сечением 0,3x0,3 с заглублением в песок средней крупности, средней плотности, насыщенный водой на 1,4 м. При этом свая будет висячей. Погружение сваи будет осуществляться дизельным молотом. 4.3.3. Расчет несущей способности свай
Рис 10. Расчетная схема для определения несущей способности висячей сваи. Несущая способность висячей забивной сваи определяется в соответствии со СНиП 2.02.03-85, как сумма сил расчетных сопротивлений грунтов оснований под нижним концом свай и на ее боковой поверхности по формуле:
где γс – коэффициент условии работы сваи в грунте, принимаемый γс = 1; γcr , γcf – коэффициенты условий работы соответственно под нижним концом и на боковой поверхности сваи, принимаемые для забивных свай, погружаемых дизельными молотами без лидерных скважин, γcr = 1, γcf = 1. А – площадь опирания сваи на грунт, принимаемая равной площади поперечного сечения сваи, А = 0,3∙0,3 = 0,09 м2 ; u – наружный периметр поперечного сечения сваи. u = 0,3∙4 = 1,2 м; R – расчетное сопротивление грунта под нижним концом сваи, принимаемое по [3, табл.1]. R = 3850 кПа. fi – расчетное сопротивление i-го слоя грунта, соприкасающегося с боковой поверхностью сваи, принимаемое по [3, табл.1]. hi – толщина i-го слоя грунта, соприкасающегося с боковой поверхностью сваи. Расчетное сопротивление грунта на боковой поверхности сваи определяется как сумма сопротивлений отдельных слоев, соприкасающихся со сваей. Разбиваем основание, окружающее сваю, на расчетные слои. Значение fi определяется для каждого расчетного слоя отдельно, причем на глубине, соответствующей глубине расположения середины расчетного слоя.
Подставляем все значения в формулу для определения несущей способности:
4.3.4. Расчет количества свай в кусте и конструирование ростверка Количество свай в свайном фундаменте определяется расчетом по I предельному состоянию и сводится к выполнению условия:
где N – расчетная нагрузка, передаваемая от сооружения на одиночную сваю или сваю в составе свайного фундамента; Fd – несущая способность сваи по грунту; γк – коэффициент надежности, назначаемый в зависимости от метода определения несущей способности сваи по грунту. Количество свай определяем по формуле:
Fiv – расчетное значение вертикальной составляющей внешних нагрузок; Fd – несущая способность сваи; γк – коэффициент надежности, принимаемый при определении несущей способности сваи по грунту.
учитывая, что на фундамент передаются горизонтальная нагрузка и момент, количество свай увеличиваем на 20%. Общее количество свай в фундаменте составит:
При компоновке свайного куста исходим из условия, что расстояние между осями забивных свай должно быть не менее 3d. Собственный вес ростверка и грунта на его уступах приближенно может быть определен по формуле:
b и l – соответственно ширина и длина ростверка; d – глубина заложения подошвы ростверка;
Расчетная сжимающая сила в плоскости подошвы ростверка будет равна:
d’ – расстояние от линии действия силы Fin до низа ростверка. Зная фактические расчетные нагрузки, действующие в плоскости подошвы ростверка, количество свай и их расположение, определяем нагрузку, передаваемую на любую сваю в кусте по формуле:
где: xi , yi – расстояние от главных осей свайного поля до оси каждой сваи; x, y – расстояние от главных осей до оси сваи, для которой вычисляется расчетная нагрузка. В нашем случае момент действует только в направлении оси x, поэтому формула упрощается до двухчленной. Свайный куст симметричен относительно осей x и y, поэтому эти оси являются главными и проходят через центр тяжести свайного куста. Интерес с точки зрения прочности основания свай вызывают наиболее нагруженные сваи. Очевидно, что этими сваями являются сваи крайнего ряда, расположенного в направлении перпендикулярном плоскости действия момента и горизонтальной силы. Нагрузки на наиболее нагруженные сваи определяется:
Допускается расчетную нагрузку, воспринимаемую крайним сваями, повышать на 20% в случае, если расчет ведется с учетом ветровых и крановых нагрузок. Учет этих нагрузок при проектировании промышленных зданий является обязательным. Поэтому условие обеспечения несущей способности по грунту для крайних свай будет иметь вид:
Условие выполняется коэффициентом запаса 8,2%., поэтому принимаем 5 свай С7-30 4.3.5. Расчет осадки свайного фундамента. Расчет осадки отдельно стоящих фундаментов из висячих свай в соответствии с СНиП, производится как для условного фундамента на естественном основании методом послойного суммирования. Причем, определяется средняя осадка фундамента от действия только вертикальной силы без учета момента. Границы условного фундамента определяются снизу плоскостью АБ, проходящей через нижние концы свай, с боков вертикальными плоскостями АБ и БГ, отстоящими от наружных граней крайних рядов вертикальных свай на расстоянии равном
Осредненное расчетное значение угла внутреннего трения слоев грунта, прорезаемых сваями, определяются по формуле:
h – глубина погружения свай в грунт. Расчетное значение угла внутреннего трения определяется путем деления нормативного значения на коэффициент надежности по грунту. В расчетах по деформациям этот коэффициент принимается равным 1, поэтому расчетное значение φII численно равно φn .
фундамента в плане будут равны:
Площадь условного фундамента Собственный вес условного свайногрунтового массива может быть определен по формуле:
Среднее давление под подошвой условного фундамента:
Расчетное сопротивление грунта под подошвой условного фундамента определяем по формуле:
где удельный вес грунта выше подошвы условного фундамента считается по формуле:
Условие Природные напряжения от действия собственного веса грунта определяется по формуле:
В случае, если грунты залегают ниже уровня подземных вод, их удельный вес должен определятся с учетом взвешивающего действия волы. Удельный вес грунта с учетом взвешивающего действия воды определяется по формуле:
Природные напряжения в уровне подошвы условного фундамента:
Так как под подошвой условного фундамента залегают различный грунты то для песка
z – глубина слоя грунта ниже условного фундамента. Дополнительные напряжения под подошвой условного фундамента:
Дополнительные напряжения с глубиной затухают и их значение определяются по формуле Коэффициент α для каждого рассматриваемого случая, расположенного на глубине z от подошвы фундамента, определяется по таблице, в зависимости от параметров: Для построения эпюры дополнительных давлений Активную зону, в пределах которой учитывается сжатие грунта, определим из условия Осадка основания условного фундамента определим по формуле: где hi – толщина i – го слоя грунта, м; Еi – модуль деформации i – го слоя грунта, кПа; β – коэффициент, принимаемый β = 0,8; n – число элементарных слоев, на которое разбита сжимаемая толща. S
=
0,8 [ Максимальная осадка для производственного здания с полным железобетонным каркасом с соответствии с приложением 4, [2] не должна превышать
Условие расчета свайного фундамента по предельному состоянию выполняется.
Рис. 7. Схема к определению размеров осадки свайного фундамента
4.3.6. Расчет ростверка на прочность Расчетное усилие в сваях от нагрузок на уровне верха ростверка равно: N = 564 кН. Расчетное продавливающее усилие действующее на ростверк : ∑Npi =564×5=2820 кН; Расчетное продавливающее усилие, воспринимаемое ростверком: a1 = 900/50 = 18; a2 = 900/250 = 3,6 ; с1 = 0,5м; с2 = 0,25м. где - Rbt – расчетное сопротивление бетона осевому растяжению; Rbt = 0,9∙0,85∙1 = 0,765 МПа; h0 – рабочая высота ростверка; c1 , c2 – расстояние от соответствующих граней колонн до внутренних граней каждого ряда свай, принимаемые от 0,4h0 до h0 ; bc , dc – ширина и высота сечения колонны; α1
, α2
– безразмерные коэффициенты, равные N = 2∙0,765∙103 ∙0,8 [18(0,4 + 0,25) + 3,6 (0,6+ 0,5)] = 4888,35 кН.
Поскольку N = 4888,35 кН > åN = 2820 кН. Проверяем прочность ступени на продавливание угловой сваей, заделанной в ростверк на 5 см: где – Np – расчетная нагрузка на угловую сваю, подсчитанная от нагрузок, действующих в плоскости низа ростверка; h2 – высота ступени ростверка от верха сваи; b02 , b01 – расстояние от внутренних граней угловой сваи до ближайших наружных граней ростверка; C01 , C02 – расстояние от внутренних граней свай до ближайших граней ступени ростверка или подколонника. h2 = 90-5 = 85см; C01 = C02 = 5см; b01 = b02 = 40см; h2 / C01 = 85/5 = 17 > 2,5 – принимаем C01 = C02 = h2 /2,5 = 34 см: Np = 0,85∙103 ∙85∙1 (40 + 34/2) = 411,82 кН > Npi = 216,77кН; Проверяем высоту ступени по поперечной силе. Для h0 / C > 1,67 находим m = 2,5 Np = m ∙ b ∙ ho 1 ∙ Rbt = 2,5∙2,5∙80∙8,5= 4250 кН > 2∙Npi = 433,54 кН. Высота ступени h2 = 85 см достаточна. Подбираем арматуру: М1 = 564*0,25*2=282 кН*м М2 = 564*0,05*2=56,4 кН*м Требуемая расчетная площадь сечения продольной арматуры класса А-III подошвы ростверка: A 1 = M 1 /0,9 ∙Rs ∙ ho = 282∙103 / 0,9∙0,80∙365 = 1934,9мм2 Принимаем арматуру А1 7ø20А-III, Аs = 2199мм2 с шагом 200мм. Требуемая расчетная площадь сечения поперечной арматуры класса А-III подошвы ростверка: A 2 = M 2 /0,9 ∙Rs ∙ ho = 56,6∙103 / 0,9∙0,80∙365 = 386,8 мм2 Принимаем арматуру А2 11ø10А-III, Аs = 863,5мм2 с шагом 200мм.
4.4. Подбор сваебойного оборудования Определим минимальную энергию удара, необходимую для погружения свай по формуле: E=1,75×a×Fv , где а – коэффициент, равный 25 Дж/кН; Fv – расчетная нагрузка, допускаемая на сваю и принятая в проекте, кН. Е=1,75×25×564=24675 ДжПо техническим характеристикам принимаем трубчатый дизель-молот С-996 с энергией удара 27 кДж. Полный вес молота Gh =36500 Н, вес ударной части G’h =16000 Н. Вес сваи С7-30 =16000 Н. Вес наголовника примем 2000 Н. Расчетная энергия удара дизель-молота С-996: Ер =0,9G’h ×hm =0,9×16000×2=28800 Дж. Проверим условие пригодности принятого молота:
где Ер – расчетная энергия удара; Gk – полный вес молота; Gb – вес сваи и наголовника; Km – коэффициент, принимаемый при использовании железобетонных свай. (36500+16000+2000) / 28800 =1,89 < 6 Условие соблюдается. Следовательно, принятый трубчатый дизельный молот С-996 обеспечивает погружение свай С7-30. 4.5. Определение проектного отказа сваи Проектный отказ необходим для контроля несущей способности свай в процессе производства работ. Если фактический отказ при испытании свай динамической нагрузкой окажется больше проектного, то несущая способность сваи может оказаться необеспеченной. Проектный отказ определяется по формуле:
,где h - коэффициент, принимаемый для железобетона свай, h=1500 кН/м2 ; А – площадь поперечного сечения ствола сваи; М – коэффициент, равный 1; gк – коэффициент надежности, принимаемый при определении несущей способности сваи по расчету; Ер – расчетная энергия удара; Fv – расчетная нагрузка, допускаемая на сваю и принятая в проекте; m1 – масса молота; m2 – масса сваи и наголовника; m3 – масса подбабка; e - коэффициент восстановления удара, принимаемый при забивке железобетонных свай e2 =0,2. Sp = [1500∙0,09∙28,80 / (1,4∙564)*∙((1,4∙564) +1500∙0,09)] ∙ [(3,65 + 0,2(1,8+0)) / (3,65 + 1,8+0)] = 0,00221 м = 0,22 см. Список литературы:
1. Методические указания. Оценка грунтовых условий площадки строительства. 2. СНиП 2.02.01-83* Основания зданий и сооружений/ Госстрой СССР. – М.: ЦИТП Госстроя СССР, 1985. – 50 с. 3. Основания, фундаменты и подземные сооружения/ М.И. Горбунов-Посадов, В.А. Ильичев, и д.р.; Под общ. ред. Е.А. Сорочана. – М.: Стройиздат, 1985. – 480 с. (Справочник проектировщика). 4. Сорочан Е.А. Фундаменты промышленных зданий. – М.: Стройиздат, 1986. – 303 с. 5. Цытович Н.А., Березанцев В.Г., Далматов Б.И. и др. Основания и фундаменты. – М.: Высшая школа, 1970. – 383 с. 6. Механика грунтов, основания и фундаменты: Учебник/ С.Б. Ухов и др. – М., 1994. – 527 с. 7. СНиП 2.07.01-85 Нагрузки и воздействия / Госстрой СССР. – М.: ЦИТП Госстроя СССР, 1987. – 40 с. 8. СНиП 2.03.01-84* Бетонные и железобетонные конструкции. / Госстрой СССР. – М.: ЦИТП Госстроя СССР, 1989. – 80 с. 9. СНиП 2.02.03 – 85 Свайные фундаменты. / М.: Стройиздат, 1985.
|
|||||||||||||||||||||||||||||||||||||||||||||||||||||||||||||||||||||||||||||||||||||||||||||||||||||||||||||||||||||||||||||||||||||||||||||||||||||||||||||||||||||||||||||||||||||||||||||||||||||||||||||||||||||||||||||||||||||||||||||||||||||||||||||||||||||||||||||||||||||||||||||||||||||||||||||||||||||||||||||||||||||||||||||||||||||||||||||||||||||||||||||||||||||||||||||||||||||||||||||||||||||||||||||||||||||||||||||||||||||||||||||||||||||||||||||||||||||||||||||||||||||||||||||||||||||||||||||||||||







м2
















м2








,
, где
