Курсовая работа: Расчет и проектирование фундаментов мелкого заложения и свайных фундаментов
|
Название: Расчет и проектирование фундаментов мелкого заложения и свайных фундаментов Раздел: Рефераты по строительству Тип: курсовая работа | ||||||||||||||||||||||||||||||||||||||||||||||||||||||||||||||||||||||||||||||||||||||||||||||||||||||||||||||||||||||||||||||||||||||||||||||||||||||||||||||||||||||||||||||||||||||||||||||||||||||||||||||||||||||||||||||||||||||||||||||||||||||||||||||||||||||||||||||||||||||||||||||||||||||||||||||||||||||||||||||||||||||||||||||||||||||||||||||||||||||||||||||||||||||||||||||||||||||||||||||||||||||||||||||||||||||||||||||||||||||||||||||||||||||||||||||||||||||||||||||||||||||||||||||||||||||||||||||||||||||||||||||||||||||||||||||||||||||||||||||||||||||||||||||||||||||||||||||||||||||||||||||||||||||||||||||||||||||||||||||||||||||||||||||||||||||||||||||||||||||||||||||||||||||||||||||||||||||||||||||||||||||||||||||||||||||||||||||||||||||||||||||||||||||||||||||||||||||||||
| МИНИСТЕРСТВО ОБРАЗОВАНИЯ И НАУКИ УКРАИНЫ ПРИДНЕПРОВСКАЯ АКАДЕМИЯ СТРОИТЕЛЬСТВА И АРХИТЕКТУРЫ Кафедра Основания и фундаменты Курсовой проект «Расчет и проектирование фундаментов мелкого заложения и свайных фундаментов». Выполнил студент 808 группы Проверил ассистент Днепропетровск 2007 И сходные данные (вариант 1/25) Длина здания 48 м Ширина здания 27 м Количество пролётов 3 Ширина пролётов --- АБ 9 м БВ 6 м ВГ 12 м Количество этажей 5 Высота этажа 3,6 м Шаг колонн по рядам --- А 6 м Б 12 м В 12 м Г 6 м Вид колонн (материал) ЖБК Сечение колонн (база) 0,4 х 0,4 м Нагрузка на фундаменты 10 кН/м3 Ряд А N 2500 кН Mx 290 кН/м3 Mу 120 кН/м3 Ряд Б: N 4500 кН Mx 350 кН/м3 Mу 160 кН/м3 Ряд В: N 5400 кН Mx 420 кН/м3 Mу 90 кН/м3 Ряд Г: N 3500 кН Mx 470 кН/м3 Mу 45 кН/м3 Планировочная отметка – 0,15 м Отметка пола подвала --- Район строительства г.Днепропетровск Здание (тип) неотапливаемое Физико-механические свойства грунтов Таблица 1
Анализ инженерно-геологических условий площадки Геологический разрез
По основным физическим характеристикам и классификационным показателям грунтов площадки определяются физико-механические характеристики грунтов площадки, обеспечивающие возможность определения расчетного сопротивления и деформации оснований, а именно: 1) песчаного грунта: - коэффициент пористости е
где W - природная влажность - степень влажности грунта
2) супеси пылеватой - коэффициент пористости е
3) глина четвертичная - коэффициент пористости е
- число пластичности грунта по значениям влажностей на пределе текучести и раскатывания Ip = Wl - Wp = 0,4 – 0,2 = 0,2 - показатель текучести грунта
По вычисленным физико-механическим характеристикам и классификационным показателям грунта по табл.1 прил.1 СНиП 2.02.01-83 определяются прочностные и деформационные характеристики грунта С, j, Е, Все вычисленные и определенные физико-механические характеристики грунтов заносятся в сводную таблицу физико-механических характеристик грунтов площадки. Таблица 2
I . Проектирование фундамента мелкого заложения на естественном основании 1. Выбор глубины заложения фундамента Глубина заложения фундамента зависит от: - климатического района строительства (глубины промерзания грунта); - технологических особенностей проектируемого здания (наличия подвалов, технологических каналов, расположенных в подземной части здания, технологических отстойников, водящих боровов, подводящих трубопроводов и др.); - конструктивных особенностей проектируемого здания или сооружения; - фактора инженерно-геологических условий. 1.1. С учетом глубины промерзания глубина заложения фундамента назначается по расчетной схеме глубины сезонного промерзания грунта df, которая устанавливается следующим образом: Нормативная глубина сезонного промерзания грунта определяется по формуле:
где Mt - безразмерный коэф., численно равный сумме абсолютных значений среднемесячных отрицательных температур за зиму в данном районе по СНиП 2.01.01-82 "Строительная климатология и геофизика" (для Днепропетровска Mt = -13,3). d0 - величина в метрах, принимаемая равной: · для суглинков и глин - 0,23 · для супесей, песков мелких и пылеватых - 0,25 · для песков средней крупности, крупных и гравелистых - 0,30 · для крупнообломочных грунтов - 0,34 Расчетная глубина сезонного промерзания грунта определяется: (м)
где kh - коэф., учитывающий влияние теплового режима сооружения принимаемый 0,8. Глубина заложения фундаментов по первому фактору (глубине промерзания):
1.2. С учетом технологических особенностей проектируемого здания глубина заложения фундамента должна назначаться на 0,5 м ниже отметки технологических подвалов, т.е:
где dn - отметка пола подвала или пола технологического пространства проектируемого объекта. Подвала в данном здании нет. 1.3. С учетом конструктивных особенностей здания глубину заложения фундамента рекомендуется назначать в зависимости от действующих нагрузок и принимать при 1000 < g < 2000 кH в = 1,5 м 2000 < g < 3000 кН в = 2,0 м 3000 < g < 5000 кН в = 2,5 м g > 5000 кН в = 3,0 м (при N = 5400 кН) 1.4. При анализе инженерно-геологических условий учитывают следующие факторы: · фундамент должен быть заглублён в несущий слой грунта минимум на 0,5 м; · фундамент должен прорезать верхние слои слабого грунта; · под подошвой фундамента нельзя оставлять тонкий слой несущего грунта. Вывод: Исходя из анализа инженерно-геологических условий, конструктивных особенностей здания, принимаем глубину заложения фундамента
При этом несущим слоем является песок мелкозернистый с характеристиками: C = 2 кПа, E = 28 МПа, ц = 32˚, 2. Расчет площади подошвы с проверкой контактных напряжений Предварительно размеры фундамента в плане определяются по краевому расчетному сопротивлению R кр. при ширине фундамента b = 1м:
где К – коэффициент, принимаемый равным 1, если прочностные характеристики грунта (j и С) определены непосредственными испытаниями, К = 1,1, если j и С приняты по табл.1-3 прил.1 СНиП 2.02.01-83 "Основания зданий и сооружений";
kz – коэффициент влияния площади фундамента. Для фундаментов шириной b < 10м, кz = 1 b > 10м, кz = Z0/ b+0,2 (Z0 = 8,0 м) b - ширина фундамента (принятая нами b = 1м)
CII - расчетное значение удельного сцепления грунта, залегающего непосредственно под подошвой фундамента; d1 - глубина заложения фундаментов без подвальных зданий (помещений) от уровня планировки или приведенная глубина заложения наружных и внутренних фундаментов от пола подвала, определяемая по формуле (если нет подвала, то d1 = d):
hs - толщина слоя грунта выше подошвы фундамента со стороны подвала, м; hcf - толщина пола подвала, м.
dв - глубина подвала - расстояние от уровня планировки до пола. Определяется площадь фундамента в первом приближениям по формуле:
По определенной площади фундамента вычисляются размеры фундамента в плане: где б- соотношение сторон фундамента (
I. 1) При b = 1 м, R = 514,27 кПа 2) A = 3) 4) II. 1) При b = 3,45 м, R = 596,6 кПа 2) A = 3)
III. 1) При b = 3,17 м, R = 587,26 кПа 2) A = 3)
Прекращаем подбор. Вычисленные размеры фундамента в плане округляют в большую сторону до кратных 0,1м для гражданских зданий, т.е. принимаем b = 3,2 м, а l = 3,2 м, соответственно A = 2.1 Проверяем контактные напряжения. 1. 2. Проверяются контактные напряжения по подошве фундаментов по условию:
N, Mx, My - усилия, передаваемые на фундамент от сооружения (по заданию или расчету рамы) Wx, Wy - момент сопротивления подошвы фундамента
3. Конструирование фундамента По заданию вид колонны – железобетонная, размерами 0,4 х 0,4 м. 3.1. Тип фундамента назначают из условия жесткости
Фундамент принимаем с подколонником. 3.2. Размеры подколонника в плане назначаются конструктивно и принимаются равными: bпк= bк+0,6=0,4+0,6=1 м lпк=lк+0,6 = 0,4+0,6 =1 м Для выбранного типа фундаментов определяется высота конструкции фундамента или его плитной части по формуле:
где l, b – размеры подошвы фундамента в плане;
Реальная высота (с учётом защитного слоя) вычисляется по формуле:
Принимаем оптимальную высоту, равную 900 мм (кратную 150 мм) При данной высоте конструктивно целесообразно установить 3 ступени по – 300 мм. 4. Расчет фундамента на продавливание Проверяем условие жесткости конструкции фундамента по условию:
Продавливание происходит по поверхности усеченной пирамиды, верхним основанием которой является нижнее сечение основание подколонника или колонны, а грани расположены под углом 45°
где: Aтр – площадь поверхности грани пирамиды продавливания; Aпр – площадь продавливания – площадь подошвы фундамента за пределами пирамиды продавливания.
где
5. Армирование конструкций фундамента (расчёт на изгиб) При определении усилий в конструкции фундамента (подошвы фундамента) в заданном сечении, за расчетную схему принимается консольная балка с жесткой заделкой в заданном сечении - оставшейся части фундамента, на которую действует нагрузка. Подбор рабочей арматуры производим по двум сторонам:
Сечение 1-1
Площадь сечения одного стержня:
Из сортамента выбираем арматуру диаметром 12 мм с As1 = 1,313 см2 , тогда As = 5х1,313 = 6,565 см2 . Сечение 2-2
Площадь сечения одного стержня: Из сортамента выбираем арматуру диаметром 9 мм с As1 = 0,636 см2 , тогда As = 5х0,636 = 3,18 см2 Сечение 3-3
Площадь сечения одного стержня: Из сортамента выбираем арматуру Вр-1 диаметром 4 мм с As1 = 0,126 см2 , тогда As = 5х0,126 = 0,63 см2 Принимаем сетку С1 из арматуру А-400 диаметром 12 мм. По стороне l и b ее количество составит 6. Расчет осадки методом послойного суммирования 1. Среднее давление подошвы фундамента Рср = 587,3 кПа 2. Природное давление грунта на уровне подошвы фундамента.
3. Дополнительное вертикальное давление под подошвой фундамента.
4. Разбиваем основание фундамента на элементарные слои 4. Вычисляем и строим эпюру естественного давления 5. Вычисляем и строим эпюру a – коэффициент затухания напряжений. Зависит от соотношения сторон фундамента и относительной глубины, выбирается значение из таблицы СниПа. 6. Находим нижнюю границу сжимаемой толщи: 7. Считаем суммарную осадку по всем слоям: Расчёты по данному алгоритму приведены ниже в таблице 3 Таблица 3
Проверяем выполнение условия S < Su . В нашем случае 7,14 см < 8 см, где Su =8см – предельное значение осадки. Условие выполнилось. Эпюра распределения напряжений szp , szg
1. Выбор глубины заложения фундамента 1.1. Глубина заложения фундамента зависит от: - климатического района строительства (глубины промерзания грунта); - технологических особенностей проектируемого здания (наличия подвалов, технологических каналов, расположенных в подземной части здания, технологических отстойников, водящих боровов, подводящих трубопроводов и др.); - конструктивных особенностей проектируемого здания или сооружения; - фактора инженерно-геологических условий. Учитывая то, что данная расчётно-графическая работа – учебная, принимаем глубину заложения фундамента из предыдущем расчёте, т.е. Под подошвой фундамента находится песок мелкозернистый, поэтому в учебных целях принимаем подушку из суглинка (гs = 26,3 кН/м3 , г = 20 кН/м3, W = 15 %) со следующими физико-механическими свойствами: - определяем коэф. пористости
Принимаем гd = 16,52 кН/м3 ; - определяем показатель текучести
Вывод: Исходя из анализа инженерно-геологических условий, конструктивных особенностей здания, принимаем глубину заложения фундамента в = 3,0 м. Грунтовую подушку выполняем из суглинка с характеристиками: C = 34 кПа, E = 24,5 МПа, ц = 24,5˚. 2. Расчет площади подошвы с проверкой контактных напряжений 2.1. Предварительно размеры фундамента в плане определяются по краевому расчетному сопротивлению R кр. при ширине фундамента b = 1м:
где К – коэффициент, принимаемый равным 1, если прочностные характеристики грунта (j и С) определены непосредственными испытаниями, К = 1,1, если j и С приняты по табл.1-3 прил.1 СНиП 2.02.01-83 "Основания зданий и сооружений";
kz – коэффициент влияния площади фундамента. Для фундаментов шириной b < 10м, кz = 1 b > 10м, кz = Z0/ b+0,2 (Z0 = 8,0 м) b - ширина фундамента (принятая нами b = 1м)
CII - расчетное значение удельного сцепления грунта, залегающего непосредственно под подошвой фундамента; d1 - глубина заложения фундаментов бесподвальных (помещений) зданий от уровня планировки или приведенная глубина заложения наружных и внутренних фундаментов от пола подвала, определяемая по формуле (если нет подвала, то d1 = d):
hs - толщина слоя грунта выше подошвы фундамента со стороны подвала, м; hcf - толщина пола подвала, м.
dв - глубина подвала - расстояние от уровня планировки до пола. Определяется площадь фундамента в первом приближениям по формуле:
По определенной площади фундамента вычисляются размеры фундамента в плане:
где б- соотношение сторон фундамента ( По вычисленным размерам фундамента в плане устанавливается сопротивление грунта основания по формуле (1):
I. 1) При b = 1 м, R = 324,37 кПа 2) A = 3) 4) II. 1) При b = 4,5 м, R = 390,24 кПа 2) A = 3)
III. 1) При b = 4,0 м, R = 380,83 кПа 2) A = 3)
Проверка целесообразности дальнейшего подбора:
Прекращаем подбор. Вычисленные размеры фундамента в плане округляют в большую сторону до кратных 0,1м для, т.е. принимаем b = 4,1 м, а l = 4,1 м, соответственно 2.2. Проверяем контактные напряжения. 1. 2. Проверяются контактные напряжения по подошве фундаментов по условию:
N, Mx, My - усилия, передаваемые на фундамент от сооружения (по заданию или расчету рамы) Wx, Wy - момент сопротивления подошвы фундамента
3. Конструирование фундамента 3.1. Размеры подколонника в плане назначаются конструктивно и принимаются равными: bпк= bк + 0,6 = 1,0 м lпк= lк + 0,6 = 1,0 м Для выбранного типа фундаментов определяется высота конструкции фундамента или его плитной части по формуле:
где l, b – размеры подошвы фундамента в плане;
Реальная высота (с учётом защитного слоя) вычисляется по формуле:
Принимаем оптимальную высоту, равную 900 мм (кратную 150 мм) При данной высоте конструктивно целесообразно установить 3 ступени по–300 мм.
4. Расчет на продавливание Проверяем условие жесткости конструкции фундамента по условию:
Продавливание происходит по поверхности усеченной пирамиды, верхним основанием которой является нижнее сечение основание подколонника или колонны, а грани расположены под углом 45°
где: Aтр – площадь поверхности грани пирамиды продавливания; Aпр – площадь продавливания – площадь подошвы фундамента за пределами пирамиды продавливания.
где
5. Армирование конструкций фундамента При определении усилий в конструкции фундамента (подошвы фундамента) в заданном сечении, за расчетную схему принимается консольная балка с жесткой заделкой в заданном сечении - оставшейся части фундамента, на которую действует нагрузка. Подбор рабочей арматуры производим по двум сторонам:
Сечение 1-1
Площадь сечения одного стержня:
Из сортамента выбираем арматуру диаметром 12 мм с As1 = 1,313 см2 , тогда As = 5х1,313 =6,565 см2 Сечение 2-2
Площадь сечения одного стержня: Из сортамента выбираем арматуру диаметром 12 мм с As1 = 1,313 см2 , тогда As = 5х1,313 = 6,565 см2 Сечение 3-3
Площадь сечения одного стержня: Из сортамента выбираем арматуру диаметром 3 мм с As1 = 0,07 см2 , тогда As = 5х0,07 = 0,35 см2 Принимаем сетку С2 из арматуру А-400 диаметром 12 мм. По стороне l и b ее количество составит 6. Выбор размеров подушки 6.1. Определение высоты подушки. Исходя из условия, что 6.2. Определение размеров подушки в плане. Используем формулы:
б – угол естественного откоса. Для суглинка (окружающего грунта) он равен 40. В – угол распределения напряжений. Для песка (материал подушки) он равен 30˚.
Итак, окончательно приняли следующие размеры грунтовой подушки: - на уровне низа - на уровне верха 7. Расчет осадки методом послойного суммирования 7.1. Среднее давление подошвы фундамента Рср = 381,23 кПа 7.2. Природное давление грунта на уровне подошвы фундамента .
7.3. Дополнительное вертикальное давление под подошвой фундамента.
7.4. Разбиваем основание фундамента на элементарные слои 7.5. Вычисляем и строим эпюру естественного давления 7.6. Вычисляем и строим эпюру a – коэффициент затухания напряжений. Зависит от соотношения сторон фундамента и относительной глубины, выбирается значение из таблицы СниПа. 7.7.
Находим нижнюю границу сжимаемой толщи: 7.8. Считаем суммарную осадку по всем слоям: Расчёты по данному алгоритму приведены ниже в таблице 4. Таблица 4
Проверяем выполнение условия S < Su . В нашем случае 4,90 см < 8 см, где Su =8см – предельное значение осадки. Условие выполнилось. Эпюра распределения напряжений szp , szg III Расчёт свайных фундаментов 1. Выбор глубины заложения ростверка 1.1. Определение глубины заложения ростверка зависит от нескольких факторов: - Глубины промерзания грунта. Из предыдущих расчётов мы уже определили эту величину
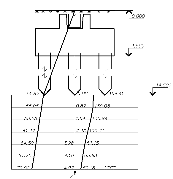
- Наличие конструктивных особенностей. В нашем случае подвальных помещений нет, поэтому
- Глубина заложения ростверка. Исходя из условия, что
где dр - глубина заложения ростверка, м; hст - глубина стакана в фундаменте. Для наших фундаментов под ЖБК-колонны hст = 0. Учитывая все перечисленные условия, принимаем глубину заложения ростверка dр = 1,5 м, исходя из кратности ростверка по высоте 15 см. Принимаем шарнирное соединение ростверка и сваи. Голова сваи заходит в тело ростверка на 5 – 10 см. принимаем для расчёта 10 см. Тогда отметка головы сваи будет равна –1,4 м. 2. Выбор несущего слоя Считаем, что несущим слоем будет глина четвертичная, поэтому, заглубляем сваю в слой глины на 3,6 м (для применения стандартной длины сваи). При этом длина сваи равна hсв = 13 м. Под нижним концом сваи находится сжимаемый грунт (Е < 50 МПа). Дальнейший расчёт ведём как для висячей сваи. Принимаем железобетонную забивную сваю квадратного сечения. Для выбранной нами длины можно принять сечение 40 х 40 см. 3. Определение несущей способности сваи
где n – количество слоёв с одинаковыми силами трения по длине сваи; гс – коэффициент условий работы ( гс = 1); гсr и гсf - коэффициенты условий работы под подошвой сваи и по боковой поверхности, зависят от условий изготовления или погружения сваи. (гсr =1 и гсf = 1); А – площадь сечения сваи; R – расчётное сопротивление под подошвой сваи, зависит от длины сваи и грунта. (R = 6900 кПа); U – периметр сечения сваи; l – расстояние от середины слоя до поверхности земли; f - расчётное сопротивление по боковой поверхности сваи, зависит от l (принимается из СниПа). Таблица 5
4. Определение расчетной нагрузки на сваю Определяем по формуле:
гк – коэффициент запаса. Для расчёта он равен 1,4, если для полевых испытаний, то равен 1,25. Определим необходимое количество свай в фундаменте по формуле:
где N – заданная нагрузка на фундамент. 5. Конструирование ростверка
Определяем фактическую нагрузку на сваю: где y – расстояние от главной оси до оси самой нагруженной сваи yi – расстояние до оси каждой сваи
P > Nф; 843,50 > 768 – условие выполняется. Расчёт на продавливание. Расчет не производим, так как конструкция ростверка жёсткая. 7. Расчет деформаций свайных фундаментов
Выполняем проверку давления под нижним концом сваи:
где
413,99 кПа. < 2375,52 кПа. – условие выполняется. 8. Расчет осадки линейно деформированного пространства 8.1. Среднее давление подошвы фундамента Рср = 479,7 кПа 8.2. Вычисляем и строим эпюру естественного давления 8.3. Рассчитываем дополнительную вертикальную нагрузку 8.4. Высота рассчитываемых слоёв hi = 0,2 ' b = 0,2 ' 4,09 = 0,82 м 8.5. Вычисляем и строим эпюру , где б – коэффициент затухания напряжений. Зависит от соотношения сторон фундамента и относительной глубины, выбирается значение из таблицы СниПа. 8.6. Находим нижнюю границу сжимаемой толщи: В нашем случае 60.305 кПа > 49,977 кПа, условие выполняется. 8.7. Считаем суммарную осадку по всем слоям: 8.8. Проверяем выполнение условия S < Su . В нашем случае 3,37 см < 12 см, где Su = 12 см – предельное значение осадки Расчёты по данному алгоритму приведены ниже в таблице 6. Таблица 6
Эпюра распределения напряжений szp , szg
IV. Технико-экономическое сравнение вариантов Таблица 7 Считаю, что самый рациональный фундамент будет фундамент мелкого заложения на естественном основании т.к. объем земляных работ и объем бетона меньше чем у других вариантов. Для дальнейшего расчета принимаем фундаменты мелкого заложения на естественном основании. V. Расчет фундамента мелкого заложения на естественном основании по ряду Г 1. Выбор глубины заложения фундамента Глубина заложения фундамента зависит от: - климатического района строительства (глубины промерзания грунта); - технологических особенностей проектируемого здания (наличия подвалов, технологических каналов, расположенных в подземной части здания, технологических отстойников, водящих боровов, подводящих трубопроводов и др.); - конструктивных особенностей проектируемого здания или сооружения; - фактора инженерно-геологических условий. 1.1. С учетом глубины промерзания глубина заложения фундамента назначается по расчетной схеме глубины сезонного промерзания грунта df, которая устанавливается следующим образом: Нормативная глубина сезонного промерзания грунта определяется по формуле:
где Mt - безразмерный коэф., численно равный сумме абсолютных значений среднемесячных отрицательных температур за зиму в данном районе по СНиП 2.01.01-82 "Строительная климатология и геофизика" (для Днепропетровска Mt = -13,3). d0 - величина в метрах, принимаемая равной: · для суглинков и глин - 0,23 · для супесей, песков мелких и пылеватых - 0,25 · для песков средней крупности, крупных и гравелистых - 0,30 · для крупнообломочных грунтов - 0,34 Расчетная глубина сезонного промерзания грунта определяется: (м)
где kh - коэф., учитывающий влияние теплового режима сооружения принимаемый 0,8. Глубина заложения фундаментов по первому фактору (глубине промерзания):
1.2 . С учетом технологических особенностей проектируемого здания глубина заложения фундамента должна назначаться на 0,5 м ниже отметки технологических подвалов, т.е:
где dn - отметка пола подвала или пола технологического пространства проектируемого объекта. Подвал в данном здании нет. 1.3. С учетом конструктивных особенностей здания глубину заложения фундамента рекомендуется назначать в зависимости от действующих нагрузок и принимать при 1000 < g < 2000 кH в = 1,5 м 2000 < g < 3000 кН в = 2,0 м 3000 < g < 5000 кН в = 2,5 м g > 5000 кН в = 3,0 м 1.4. При анализе инженерно-геологических условий учитывают следующие факторы: · фундамент должен быть заглублён в несущий слой грунта минимум на 0,5 м; · фундамент должен прорезать верхние слои слабого грунта; · под подошвой фундамента нельзя оставлять тонкий слой несущего грунта. Вывод: Исходя из анализа инженерно-геологических условий, конструктивных особенностей здания, принимаем глубину заложения фундамента
При этом несущим слоем является песок мелкозернистый с характеристиками: C = 2 кПа, E = 28 МПа, ц = 32˚, 2. Расчет площади подошвы с проверкой контактных напряжений Предварительно размеры фундамента в плане определяются по краевому расчетному сопротивлению R кр. при ширине фундамента b = 1м:
где К – коэффициент, принимаемый равным 1, если прочностные характеристики грунта (j и С) определены непосредственными испытаниями, К = 1,1, если j и С приняты по табл.1-3 прил.1 СНиП 2.02.01-83 "Основания зданий и сооружений";
kz – коэффициент влияния площади фундамента. Для фундаментов шириной b < 10м, кz = 1 b > 10м, кz = Z0/ b+0,2 (Z0 = 8,0 м) b - ширина фундамента (принятая нами b = 1м)
CII - расчетное значение удельного сцепления грунта, залегающего непосредственно под подошвой фундамента; d1 - глубина заложения фундаментов бесподвальных (помещений) зданий от уровня планировки или приведенная глубина заложения наружных и внутренних фундаментов от пола подвала, определяемая по формуле (если нет подвала, то d1 = d):
hs - толщина слоя грунта выше подошвы фундамента со стороны подвала, м; hcf - толщина пола подвала, м.
dв - глубина подвала - расстояние от уровня планировки до пола. Определяется площадь фундамента в первом приближениям по формуле:
По определенной площади фундамента вычисляются размеры фундамента в плане:
где б- соотношение сторон фундамента (б = l/b) или сторон сечения колонны или сооружения. По вычисленным размерам фундамента в плане устанавливается сопротивление грунта основания по формуле (1):
2) A = 3) 4) II. 1) При b = 4,05 м, R = 352,14 кПа 2) A = 3)
III. 1) При b = 3,46 м, R = 336,85 кПа 2) A = 3)
Прекращаем подбор. Вычисленные размеры фундамента в плане округляют в большую сторону до кратных 0,1м для гражданских зданий, т.е. принимаем b = 3,6 м, а l = 3,6 м, соответственно A = 3. Проверяем контактные напряжения 3.1. 3.2. Проверяются контактные напряжения по подошве фундаментов по условию:
N, Mx, My - усилия, передаваемые на фундамент от сооружения (по заданию или расчету рамы) Wx, Wy - момент сопротивления подошвы фундамента
4. Конструирование фундамента По заданию вид колонны – железобетонная, размерами 0,4 х 0,4 м. 4.1. Тип фундамента назначают из условия жесткости
Фундамент принимаем с подколонником. 4.2. Размеры подколонника в плане назначаются конструктивно и принимаются равными: bпк= bк+0,6=0,4+0,6=1 м lпк=lк+0,6 = 0,4+0,6 =1 м Для выбранного типа фундаментов определяется высота конструкции фундамента или его плитной части по формуле:
где l, b – размеры подошвы фундамента в плане;
Реальная высота (с учётом защитного слоя) вычисляется по формуле:
Принимаем оптимальную высоту, равную 900 мм (кратную 150 мм) При данной высоте конструктивно целесообразно установить 3 ступени по – 300 мм. 5. Расчет фундамента на продавливание Проверяем условие жесткости конструкции фундамента по условию:
Продавливание происходит по поверхности усеченной пирамиды, верхним основанием которой является нижнее сечение основание подколонника или колонны, а грани расположены под углом 45°
где: Aтр – площадь поверхности грани пирамиды продавливания; Aпр – площадь продавливания – площадь подошвы фундамента за пределами пирамиды продавливания.
где
6. Армирование конструкции фундамента (расчёт на изгиб) При определении усилий в конструкции фундамента (подошвы фундамента) в заданном сечении, за расчетную схему принимается консольная балка с жесткой заделкой в заданном сечении - оставшейся части фундамента, на которую действует нагрузка. Подбор рабочей арматуры производим по двум сторонам: Сечение 1-1
Площадь сечения одного стержня:
Из сортамента выбираем арматуру диаметром 12 мм с As1 = 1,313 см2 , тогда As = 5х1,313 = 6,565 см2 . Сечение 2-2
Площадь сечения одного стержня: Из сортамента выбираем арматуру диаметром 8 мм с As1 = 0,503 см2 , тогда As = 5х0,503 = 4,024 см2 Сечение 3-3
Площадь сечения одного стержня: Из сортамента выбираем арматуру диаметром 6 мм с As1 = 0,283 см2 , тогда As = 5х0,283 = 1,415 см2 Принимаем сетку из арматуру А-400 диаметром 12 мм. По стороне l и b ее количество составит 7. Расчет осадки методом послойного суммирования 7.1. Среднее давление подошвы фундамента Рср = 336,85 кПа 7.2. Природное давление грунта на уровне подошвы фундамента.
7.3. Дополнительное вертикальное давление под подошвой фундамента.
7.4. Разбиваем основание фундамента на элементарные слои Вычисляем и строим эпюру естественного давления 7.5. Вычисляем и строим эпюру a – коэффициент затухания напряжений. Зависит от соотношения сторон фундамента и относительной глубины, выбирается значение из таблицы СниПа. 7.6. Находим нижнюю границу сжимаемой толщи: 7.7. Считаем суммарную осадку по всем слоям: Расчёты по данному алгоритму приведены ниже в таблице 8 Таблица 8
Проверяем выполнение условия S < Su . В нашем случае 3,70 см < 8 см, где Su =8см – предельное значение осадки. Условие выполнилось. Эпюра распределения напряжений szp , szg
|
||||||||||||||||||||||||||||||||||||||||||||||||||||||||||||||||||||||||||||||||||||||||||||||||||||||||||||||||||||||||||||||||||||||||||||||||||||||||||||||||||||||||||||||||||||||||||||||||||||||||||||||||||||||||||||||||||||||||||||||||||||||||||||||||||||||||||||||||||||||||||||||||||||||||||||||||||||||||||||||||||||||||||||||||||||||||||||||||||||||||||||||||||||||||||||||||||||||||||||||||||||||||||||||||||||||||||||||||||||||||||||||||||||||||||||||||||||||||||||||||||||||||||||||||||||||||||||||||||||||||||||||||||||||||||||||||||||||||||||||||||||||||||||||||||||||||||||||||||||||||||||||||||||||||||||||||||||||||||||||||||||||||||||||||||||||||||||||||||||||||||||||||||||||||||||||||||||||||||||||||||||||||||||||||||||||||||||||||||||||||||||||||||||||||||||||||||||||||||

,
м



,
м







,
м

