Реферат: Гидравлика. Гидростатика
|
Название: Гидравлика. Гидростатика Раздел: Рефераты по физике Тип: реферат | |||||||||||||||||||||||||||||||||||||||||||||||||||||||||||||||||||||||||||||||||||||||||||||||||||||||||||||||||||||||||||||||||||||||||||||||||||||||||||||||||||||||||||||||||||||||||||||||||||||||||||||||||||
| Гидравлика. Гидростатика Сборник типовых задач СОДЕРЖАНИЕ 1. ФИЗИЧЕСКИЕ СВОЙСТВА ЖИДКОСТЕЙ 1.1 Сведения из теории 1.1.1 Плотность 1.1.2. Удельный вес 1.1.3. Коэффициент объемного сжатия 1.1.4. Коэффициент температурного расширения 1.1.5. Вязкость 1.2. Примеры решения задач 1.3 Задания для расчетно-графических работ 2 ГИДРОСТАТИЧЕСКОЕ ДАВЛЕНИЕ 2.1 Сведения из теории 2.1.1 Основное уравнение гидростатики 2.1.2 Давление при абсолютном покое 2.1.3 Поверхность уровня при абсолютном покое 2.1.4 Анализ основного уравнения гидростатики 2.1.5 Пьезометрическая и вакуумметрическая высоты 2.1.6 Условия равновесия жидкости в сообщающихся сосудах 2.1.7 Понятие напора. Удельная потенциальная энергия 2.2 Примеры решения задач 2.3 Задания для расчетно-графических работ 3 ОТНОСИТЕЛЬНЫЙ ПОКОЙ ЖИДКОСТИ 3.1 Сведения из теории 3.1.1 Относительный покой при прямолинейном движении на наклонной плоскости 3.1.2 Относительный покой при вращении вокруг вертикальной оси 3.2 Примеры решения задач 3.3 Задания для расчетно-графических работ ПРИЛОЖЕНИЕ 1 Некоторые физические свойства жидкостей при давлении 0,1 Мпа ПРИЛОЖЕНИЕ 2. Кинематическая вязкость масел при различных температурах ПРИЛОЖЕНИЕ 3Динамическая вязкость масел при различных температурах ПРИЛОЖЕНИЕ 4
1. ФИЗИЧЕСКИЕ СВОЙСТВА ЖИДКОСТЕЙ 1.1. Сведения из теории Жидкостью называется физическое тело, обладающее двумя отличительными особенностями: незначительным изменением своего объема под действием больших внешних сил и текучестью, легкоподвижностью, т.е. изменением своей формы под действием даже незначительных внешних сил. Одной из основных механических характеристик жидкости является плотность. 1.1.1. Плотность. Плотностью r (кг/м3 ) называется масса единицы объема жидкости:
где m – масса жидкого тела, кг; W – объем, м3 . Плотность жидкостей уменьшается с увеличением температуры. Исключение представляет вода в диапазоне температур от 0 до 4 0 С, когда ее плотность увеличивается, достигая наибольшего значения при температуре 4 0 С r = 1000 кг/м3 . 1.1.2. Удельный вес Удельным весом g (Н/м3 ) жидкости называется вес единицы объема этой жидкости:
где G – вес жидкого тела, Н; W – объем, м3 . Для воды при температуре 4 0 С g = 9810 Н/м3 . Между плотностью и удельным весом существует связь:
где g – ускорение свободного падения, равное 9,81 м/с2 . Сопротивление жидкостей изменению своего объема под действием давления и температуры характеризуется коэффициентами объемного сжатия и температурного расширения. 1.1.3. Коэффициент объемного сжатия Коэффициент объемного сжатия b w (Па -1 ) – это относительное изменение объема жидкости при изменении давления на единицу:
где в W – изменение объема W ; в r – изменение плотности r , соответствующие изменению давления на величину в p . Величина, обратная коэффициенту объемного сжатия, называется модулем упругости жидкостей Eж (Па)
Значение модуля упругости жидкостей зависит от давления и температуры. Если принять, что приращение давления
1.1.4. Коэффициент температурного расширения
где в W – изменение объема W , соответствующее изменению температуры на величину в t . Коэффициент температурного расширения воды увеличивается с возрастанием температуры и давления; для большинства других капельных жидкостей b t с увеличением давления уменьшается. Если принять, что приращение температуры в t = t – t 0 , а изменение объема D W = W – W 0 , то:
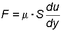
1.1.5. Вязкость Вязкостью называется свойство жидкости оказывать сопротивление перемещению одной части жидкости относительно другой. Вязкость проявляется только при движении жидкости и сказывается на распределении скоростей по живому сечению потока (рис. 1.1).
где S
–
площадь соприкасающихся слоев, м2
; du
–
скорость смещения слоя "b
" относительно слоя "a
", м/с; dy
–
расстояние, на котором скорость движения слоев изменилась на du
, м; Если силу трения F отнести к единице площади соприкасающихся слоев, то получим величину касательного напряжения t , и тогда (1.11) примет вид:
Из (1.12) следует, что коэффициент динамической вязкости может быть определен как:
Из (1.13) нетрудно установить физический смысл коэффициента динамической вязкости. При градиенте скорости В практике, для характеристики вязкости жидкости, чаще применяют не коэффициент динамической вязкости, а коэффициент кинематической вязкости n (м2 /с). Коэффициентом кинематической вязкости называется отношение коэффициента динамической вязкости к плотности жидкости:
Вязкость жидкости зависит от рода жидкости, от температуры и от давления. Зависимость вязкости минеральных масел, применяемых в гидросистемах, от давления p при возрастании его до 50 МПа, можно определять с помощью приближенной эмпирической формулы:
где n p и n – кинематическая вязкость соответственно при давлении p и 0,1 МПа; K – опытный коэффициент, зависящий от марки масла: для легких масел (n 50 < 15 10-6 м2 / с) К = 0,02, для тяжелых масел (n 50 > 15 10-6 м2 / с) К = 0,03. При незначительных давлениях изменением вязкости пренебрегают. С повышением температуры вязкость жидкости уменьшается. Зависимость коэффициента кинематической вязкости от температуры определяется по эмпирической формуле:
Для смазочных масел, применяемых в машинах и гидросистемах, рекомендуется следующая зависимость:
где n t – кинематическая вязкость при температуре t; n 50 – кинематическая вязкость при температуре 50 0 С; n – показатель степени, зависящий от n 50 , определяемый по формуле:
Вязкость жидкости определяют при помощи вискозиметра Энглера и выражают в градусах Энглера (0 Е). Градус Энглера (0 Е) есть отношение времени истечения испытуемой жидкости ко времени истечения дистиллированной воды. Для перехода от вязкости в градусах Энглера к коэффициенту кинематической вязкости n применяется формула Убеллоде:
Вязкость также определяют капиллярным вискозиметром Оствальда. Коэффициент кинематической вязкости в этом случае определяют по формуле:
где с – постоянная прибора; Tж – время истечения жидкости, с. .2. Примеры решения задач Пример 1. Удельный вес бензина g = 7063 Н/м3 . Определить его плотность. Решение.
Пример 2. Плотность дизельного мазута r = 878 кг/м3 . Определить его удельный вес. Решение
. Пример 3. Медный шар d = 100 мм весит в воздухе 45,7 H, а при погружении в жидкость 40,6 H. Определить плотность жидкости. Решение . Определяем вес G и объем W вытесненной жидкости G = Gв - Gж ; G = 45,7 – 40,6 = 5,1 H.
Пример 4. Трубопровод диаметром d = 500 мм и длиной L = 1000 м наполнен водой при давлении 400 кПа, и температуре воды 5 0 C. Определить, пренебрегая деформациями и расширением стенок труб, давление в трубопроводе при нагревании воды в нем до 15 0 C, если коэффициент объемного сжатия bw = 5,18 · 10-10 Па-1 , а коэффициент температурного расширения bt = 150 · 10-6 0 С-1 . Решение . Находим объем воды в трубе при t = 5 0 C
DW = 196,25 · 10 · 150 · 10-6 = 0,29 м3 ;находим приращение давления в связи с увеличением объема воды
400 кПа + 2850 кПа = 3250 кПа = 3,25 МПа. Пример 5. Вязкость нефти, определенная по вискозиметру Энглера, составляет 8,5 0 Е. Определить динамическую вязкость нефти, если ее плотность r = 850 кг/м3 . Решение. Находим кинематическую вязкость по формуле Убеллоде
n = (0,0731· 8,5 – 0,0631/8,5) · 10-4 = 6,14 · 10-5 м2 /с; находим динамическую вязкость нефти
Пример 6. Определить коэффициент динамической и кинематической вязкости воды, если шарик d = 2 мм из эбонита с r = 1,2 · 103 кг/м3 падает в воде с постоянной скоростью u = 0,33 м/с. Плотность воды r = 103 кг/м3 . Решение . При движении шарика в жидкости с постоянной скоростью сила сопротивления равняется весу шарика. Сила сопротивления определяется по формуле Стокса:
Вес шарика определяется по формуле
Так как G = F ,то
Следовательно, коэффициент динамической вязкости определится
Коэффициент кинематической вязкости
n = 0.008 / 103 = 8 · 10-6 м2 /с. Пример 7. При гидравлическом испытании системы объединенного внутреннего противопожарного водоснабжения допускается падение давления в течение 10 мин. на Dp = 4,97104 Па. Определить допустимую утечку DW при испытании системы вместимостью W = 80 м3 . Коэффициент объемного сжатия bw = 5 · 10-10 Па-1 . Решение . Допустимую утечку DW определяем из формулы
DW = 5 · 10-10 · 80 · 4,9 · 104 = 1,96 · 10-3 м3 . 2. ГИДРОСТАТИЧЕСКОЕ ДАВЛЕНИЕ 2.1. Сведения из теории На жидкость, находящуюся в состоянии покоя, действуют силы, которые можно разделить на поверхностные и массовые. Поверхностные силы приложены к частицам жидкости, находящимся на поверхности раздела данной жидкости и другой среды (реакция стенки сосуда, сила давления поршня, сила давления газа на свободную поверхность). Массовые силы воздействуют на все частицы данного объема жидкости и пропорциональны массе каждой частицы (силы тяжести, силы инерции, центробежные силы). Основным понятием гидростатики является понятие гидростатического давления. Выделим, в находящейся в равновесии жидкости, некоторый объем произвольной формы. Рассечем его на две части I и II плоскостью AB (рис. 2.1).
Отношение силы к площади
представляет среднее гидростатическое давление. Если площадь
Гидростатическое давление направлено всегда по внутренней нормали к площадке, на которой это давление действует и является сжимающим напряжением, потому что в покоящейся жидкости не могут существовать касательные и растягивающие усилия. Величина гидростатического давления в любой точке жидкости по всем направлениям одинакова. Гидростатическое давление зависит от положения рассматриваемой точки внутри жидкости и от внешнего давления, действующего на свободной поверхности жидкости. Гидростатическое давление имеет размерность напряжения, т.е.
Различают давление абсолютное (иногда употребляют термин ‘’полное‘’) и избыточное. Абсолютным называется давление, определённое с учетом атмосферного давления. Избыточное давление это давление сверх атмосферного, определенное без учета атмосферного.
Абсолютное давление не может быть отрицательным, так как жидкость не воспринимает растягивающих напряжений
Очень часто избыточное давление называют манометрическим, так как оно измеряется с помощью манометров, или пьезометрическим, так как оно измеряется с помощью пьезометров. 2.1.1. Основное уравнение гидростатики В 1755 г. Л. Эйлером были получены дифференциальные уравнения равновесия жидкости:
где После незначительных преобразований данную систему уравнений можно представить в виде уравнения
Полученное уравнение выражает изменение давления вдоль координатных осей в общем случае равновесия, и называется основным дифференциальным уравнением гидростатики. Поверхностью уровня называется такая поверхность, во всех точках которой рассматриваемая функция имеет одно и то же значение. Для задач гидравлики особое значение имеет поверхность равного давления. Эту поверхность будем называть поверхностью уровня. Так как во всех точках поверхности уровня гидростатическое давление одинаково, то есть
поскольку плотность не равна нулю
поверхность уровня имеет следующие свойства: 1) две поверхности уровня не пересекаются между собой; 2) массовые силы направлены нормально к поверхности уровня. Поверхность уровня на границе жидкой и газообразной среды называется свободной поверхностью. 2.1.2. Давление при абсолютном покое Рассмотрим случаи равновесия жидкости, находящейся в сосуде, в состоянии абсолютного покоя под действием сил тяжести и внешнего давления на свободной поверхности. В этом случае проекции единичной силы тяжести на координатные оси равны: После подстановки в уравнение (2.6) получаем
После интегрирования имеем
После совместного решения уравнений (2.6) и (2.7) получаем
или
Полученное уравнение является основным уравнением гидростатики, позволяющие определять любое давление в точке. 2.1.3. Поверхность уровня при абсолютном покое Дифференциальное уравнение поверхности уровня в этом случае имеет вид:
интегрируя, находим
Так как 2.1.4. Анализ основного уравнения гидростатики Как уже отмечалось, основное уравнение гидростатики служит для определения величины гидростатического давления в любой точке покоящейся жидкости
Анализируя основное уравнение гидростатики можно сделать следующие выводы: 1. Гидростатическое давление есть сумма внешнего 2. Внешнее давление 3. Весовое давление
будет избыточным. 2.1.5. Пьезометрическая и вакуумметрическая высоты
Рассмотрим условия равновесия для открытого сосуда, заполненного жидкостью, к которому в точке А присоединена открытая сверху трубка (рис. 2.3). Под действием весового или избыточного давления Представим основное уравнение гидростатики относительно плоскости, проходящей через точку А. Давление в точке А со стороны сосуда определяется как:
со стороны пьезометра:
тогда:
или
то есть пьезометрическая высота показывает величину избыточного давления в точке, где присоединен пьезометр в линейных единицах размерности.
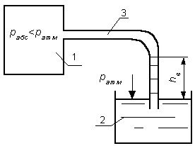
Рассмотрим условия равновесия теперь для закрытого сосуда, где давление на свободной поверхности p 0 больше атмосферного давления pатм (рис. 2.4). Под действием давления p
0
большего pатм
и весового давления Давление в точке А со стороны сосуда:
со стороны открытого пьезометра:
тогда:
из этого равенства получаем выражение для
Анализируя полученное выражение, устанавливаем, что и в этом случае пьезометрическая высота соответствует величине избыточного давления в точке присоединения пьезометра. В данном случае избыточное давление состоит из двух слагаемых: внешнего избыточного давления на свободной поверхности
Избыточное давление может быть и отрицательной величиной, называемой вакуумом. Так, во всасывающих патрубках центробежных насосов, в потоке жидкости при истечении из цилиндрических насадков, в вакуум – котлах в жидкости образуются области с давлением ниже атмосферного, т.е. области вакуума. В этом случае:
Вакуум – это недостаток давления до атмосферного. Пусть в резервуаре 1 (рис. 2.5) абсолютное давление меньше атмосферного (например, откачана часть воздуха при помощи вакуум-насоса). В резервуаре 2 находится жидкость, и резервуары соединены изогнутой трубкой 3. На поверхности жидкости в резервуаре 2 действует атмосферное давление. Так как в резервуаре 1 давление меньше атмосферного то жидкость поднимается в трубке 3 на какую-то высоту, которая называется вакуумметрической высотой и обозначается
Максимальное значение вакуумметрического давления составляет 98,1кПа или 10 м.в.ст., но практически давление в жидкости не может быть меньше давления паров насыщения и равно 7–8 м.в.ст. 2.1.6 . Условия равновесия жидкости в сообщающихся сосудах Рассмотрим два сообщающихся сосуда, наполненных различными, не смачивающимися между собой жидкостями (рис. 2.6).
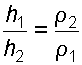
где Очевидно, что:
Зависимость (2.33) характеризует условия равновесия жидкостей в сообщающихся сосудах. Она позволяет решать частные задачи. Случай I
. В сосудах налита одинаковая жидкость, но давления тогда при условии, что
Случай II
. Жидкость одинакова, т.е.
жидкость в сосудах будет на одном уровне. Случай III
. Жидкость одинакова
так как
Выражение Случай IV
. Жидкости разнородные, несмешивающиеся, а
или
Рассмотрим закрытый сосуд с жидкостью, к которому в точках А и В на произвольной глубине
Для определения вертикальных координат точек А и В проведем на произвольной высоте горизонтальную плоскость 0-0. Эта плоскость называется плоскостью сравнения. Вертикальное расстояние от плоскости сравнения до рассматриваемой точки называется геометрической высотой точки по отношению к плоскости сравнения и обозначается буквой Так как давление в сосуде на свободной поверхности жидкости больше атмосферного, то в пьезометрических трубках I и II жидкость поднимется на большую высоту, чем уровень жидкости в сосуде. Обозначим высоту поднятия жидкости в открытом пьезометре через Пьезометрическая высота Сумма геометрической высоты
Но
Подставив это выражение в формулу (2.42) получим
или
Тогда:
Значит:
Поэтому, сколько бы мы пьезометров не подключили, во всех пьезометрах жидкость установится на одном уровне: плоскость, соответствующая уровню П–П, называется пьезометрической плоскостью, а уровню Н–Н – напорной плоскостью. Пьезометрический напор является мерой удельной потенциальной энергии жидкости. Предположим, что вес частицы жидкости в точке А. равен
Аналогично, гидростатический напор
2.2. Примеры решения задач
Пример 1.
Определить абсолютное и избыточное гидростатическое давление Решение: Согласно основного уравнения гидростатики абсолютное гидростатическое давление в точке А определится:
Избыточное давление в точке А равно:
Пьезометрическая высота для точки А равна:
Можно отметить, что пьезометром удобно измерять только относительно малые давления, в противном случае требуется большая высота пьезометра, что неудобно в эксплуатации. Определить эти же величины U – образным манометром, заполненным ртутью. По поверхности раздела
Следовательно, избыточное давление в точке А уравновешивается весом столба ртути высотой
Находим высоту ртутного столба
где
Пример 2.
Определить давление в резервуаре Решение : Запишем условия равновесия для ртутного манометра для плоскости а) со стороны резервуара б) со стороны манометра тогда
Таким образом, в резервуаре – вакуум, величина которого равна:
Условия равновесия трубки 1
Пример 3.
Определить манометрическое давление в трубопроводе А (рис. 2.10), если высота столба ртути по пьезометру Решение
: Находим давление в точке В. Точка В расположена выше точки А на величину
В точке С давление будет такое же, как в точке В, то есть
Определим давление в точке C, подходя, справа
Приравнивая оба уравнения, получаем
Отсюда манометрическое давление
Пример 4 .
Определить все виды гидростатического давления в баке с нефтью на глубине Решение : 1. Абсолютное гидростатическое давление у дна
2. Избыточное (манометрическое) давление у дна
3. Избыточное давление создаваемое столбом жидкости
4. Избыточное давление на свободной поверхности
Пример 5. Определить избыточное давление воды в трубе по показаниям батарейного ртутного манометра (рис. 2.12).
Отметки уровней ртути от оси трубы: Решение : Батарейный ртутный манометр состоит из двух последовательно соединенных ртутных манометров. Давление воды в трубе уравновешивается перепадами уровней ртути, а так же перепадами уровней воды в трубках манометра. Суммируя, показания манометра от открытого конца до присоединения его к трубе получим:
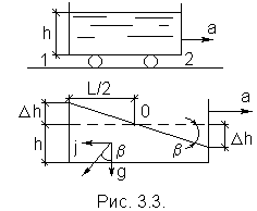
3. ОТНОСИТЕЛЬНЫЙ ПОКОЙ ЖИДКОСТИ 3.1. Сведения из теории Под относительным покоем понимается такое состояние, при котором в движущейся жидкости отдельные частицы не смещаются одна относительно другой. При этом жидкость перемещается как твердое тело. Само движение жидкости в этом случае можно назвать переносным движением. Для этого состояния характерно постоянство формы объема жидкости. Очевидно, что рассматриваемая масса жидкости будет неподвижна в координатной системе, связанной с движущимся резервуаром. На жидкость, находящуюся в относительном покое, действуют массовые силы (силы тяжести и силы инерции переносного движения), а из поверхностных – силы давления. Рассмотрим два частных случая относительного покоя: покой при переносном прямолинейном движении и покой при переносном вращательном движении вокруг вертикальной оси. 3.1.1 . Относительный покой при прямолинейном движении на наклонной плоскости Рассмотрим движение резервуара с жидкостью с постоянным ускорением a по наклонной плоскости, образующей угол a с горизонтальной плоскостью (рис. 3.1).
Элемент поверхности равного давления перпендикулярен к диагонали параллелограмма и образует с горизонтом угол b , тангенс, которого равен
Таким образом, поверхности равного давления, образуют семейство параллельных плоскостей с углом наклона к горизонту b . Необходимо учесть, что если резервуар движется равномерно Если резервуар перемещается под действием силы тяжести (сила трения резервуара о плоскость равна 0), то Если резервуар перемещается с ускорением, но вертикально ( Найдем закон распределения давления в вертикальной плоскости
В этом случае Тогда
После интегрирования имеем:
Для двух точек 0 и 1 с координатами
или
По аналогии получаем распределение давления в горизонтальной плоскости:
если
а свободная поверхность имеет угол наклона к горизонту (3.1)
При свободном падении резервуара 3.1.2 Относительный покой при вращении вокруг вертикальной оси В этом случае на жидкость действуют силы давления, силы тяжести и силы инерции переносного вращательного движения ускорения массовых сил будут равны: Дифференциальное уравнение (2.8) примет вид:
После интегрирования, с учетом, что
Уравнение (3.11) является уравнением параболоида вращения, а поверхности равного давления образуют семейство параболоидов вращения, сдвинутых вдоль вертикальной оси. Каждый параболоид характеризуется некоторым значением постоянной С. Для параболоида свободной поверхности принимаем, что при
или Закон распределения давления по объему жидкости получим из уравнения (2.6), подставив в него соответствующие значения X , Y и Z . После интегрирования получаем:
Постоянную интегрирования
Для частиц жидкости расположенных на одной вертикали можем записать:
где
т.е. существует обычный гидростатический закон распределения давления. 3.2. Примеры решения задач Пример 1.
Сосуд с прямоугольным основанием
Избыточное давление в точке 1 будет равно:
В точке 2 избыточное давление составит:
Пример 2 . Цилиндрический сосуд радиусом R 1 наполнен жидкостью плотностью r до уровня a в открытой трубке малого диаметра, установленной на крышке сосуда на расстоянии R 2 от центра, и приведен в равномерное вращение относительно центральной вертикальной оси (рис. 3.4). Определить угловую скорость вращения сосуда, при которой избыточное давление под крышкой в центре сосуда будет равно 0.
откуда
Подставляя,
Для точек на поверхности крышки
Искомую угловую скорость вращения определяем из условия
откуда
Некоторые физические свойства жидкостей при давлении 0,1 Мпа
Кинематическая вязкость масел при различных температурах
Динамическая вязкость масел при различных температурах
где p – абсолютное давление, равное 101325 Па; T – абсолютная температура; R – удельная газовая постоянная, R возд = 287 Дж/кг К, R газа = 334 Дж/кг К |
|||||||||||||||||||||||||||||||||||||||||||||||||||||||||||||||||||||||||||||||||||||||||||||||||||||||||||||||||||||||||||||||||||||||||||||||||||||||||||||||||||||||||||||||||||||||||||||||||||||||||||||||||||
, (1.1)
, (1.2)
, (1.4)
, (1.8)
Согласно гипотезе Ньютона сила внутреннего трения F
в жидкостях пропорциональна градиенту изменения скорости
, (1.11)
. (1.12)
. (1.13)
. (1.14)
.
(1.16)
, (1.17)
. (1.19)
; r = 7063 / 9,81 = 720 кг/м3
.
; r =
5,1 / (9,81 ·
0,523 ·
10-3
) кг/м3
.
;
; Dp
=
0,29 / (196,25 ·
5,18 ·
10-10
) =
2850 кПа; давление в трубопроводе после увеличения температуры
; m = 1,2 ·
103
·
9,81·
(2·
10-3
)2
/ (18·
0,33) = 0,008 Па·
с.
;
Воздействие части I жидкости на часть II будет передаваться по плоскости раздела AB. Выделим на плоскости раздела площадку площадью
(2.1)
(2.2)
. Измеряют давление в Н/м2
(Паскаль). Атмосферное давление измеряют технической атмосферой равной 98100 Па или физической равной 101325 Па, иногда используется единица бар (1бар=105
Па).
(2.5)
– градиенты давления в направлении соответствующих координатных осей; X, Y, Z – проекции единичных массовых сил на соответствующие координатные оси;
Постоянную интегрирования С находим из граничных условий
Рис 2.3. Условие равновесия для открытого сосуда
Рис 2.4. Условие равновесия для закрытого сосуда
. (2.23)
(2.24)
Рис.2.5. Ваккумметрическая высота
(2.29)
Сосуды закрыты, давления
(2.39)
есть пьезометрическая высота для точек, лежащих на поверхности жидкости в закрытом сосуде.
(2.41)
Давление на свободной поверхности в сосуде
, равна высоте столба жидкости, соответствующей атмосферному давлению т.е. 10 м.в.ст.
. (2.43)
(2..44)
(2.45)
это сумма приведенной высоты и геометрической высоты положения, называемая гидростатическим напором
(2.46)
не зависит от положения точки.
(2.47)
Рис.2.8. 

,
Рис.2.9.

Рис.2.10.
Рис.2.11.
Рис.2.12.

Жидкость в движущемся резервуаре находится под действием силы давления, силы тяжести и силы инерции переносного движения. Ускорение силы инерции
(3.1)
(3.3)
(3.4)
(3.5)
. (3.9)
(3.11)
(3.12)
(3.13)
. (3.14)
. (3.15)
Решение
: При горизонтальном движении сосуда с ускорением a
свободная поверхность жидкости станет наклонной к горизонту под углом b . Так как
. Учитывая что объем воды не изменяется, поэтому свободная поверхность повернется вокруг оси О, расположенной на середине длины сосуда, а повышение и понижение свободной поверхности у торцовых стенок будет одинаковым и равным
.
.
.
Решение:
Используя уравнение (3.15) найдем закон распределения избыточного давления в жидкости, заполняющей сосуд, учитывая что 

.
.
.
,
.
,