| Омский государственный технический университет
Кафедра «Авиа- и ракетостроения»
Курсовая работа
Выполнение расчетов по курсу «Гидропривод ЛА»
за
II
семестр 2005 учебного года
Омск 2005
Задача №1
Вентиляционная труба диаметром имеет длину . Определить давление , которое должен развивать вентилятор, если расход воздуха, подаваемый по трубе, . Давление на выходе из трубы равно атмосферному. Местных сопротивлений по пути не имеется. Кинематическая вязкость воздуха при , плотность , шероховатость внутренней поверхности трубы .
Исходные данные:
.
Найти:
.
Решение:
- давление на входе в вентиляционную трубу.
- суммарные потери давления.
– местных сопротивлений по пути не имеется.
- скорость течения.
- потери давления на создание скорости.
- число Рейнольдса. При - турбулентный режим течения.
При ;
– коэффициент трения.
- потери давления на трение.
.
Задача №2
Расход воды в горизонтальной трубе кольцевого сечения, состоящей из двух концентрических труб. Внутренняя труба имеет наружный диаметр , а наружная труба имеет внутренний диаметр . Найти потери напора на трение на длине трубы . Кинематическая вязкость воды при , шероховатость труб , плотность .
Исходные данные:
.
Найти:
.
Решение:
- потери напора на трение.
- площадь проходного сечения.
.
- эквивалентный диаметр,
где - смачиваемый периметр.
. При - турбулентный режим течения.
При .
.
- потери давления на трение.
.
Задача №3
Определить потери давления на трение в трубах круглого , квадратного и треугольного (равносторонний треугольник) сечения при равных длине, площади «живого» сечения труб и скоростях движения воды. Длина труб , площадь «живого» сечения , средняя скорость движения воды . кинематическая вязкость воды при , плотность , шероховатость труб .
Исходные данные:
.
Найти:
, , .
Решение:
Определим потери давления на трение в трубах круглого сечения.
Площадь круглого сечения .
. При - турбулентный режим течения.
При 
.
.
Определим потери давления на трение в трубах квадратного сечения.
Площадь квадратного сечения ,
где - сторона квадрата.
.
где .
. При - турбулентный режим течения.
При 

.
Определим потери давления на трение в трубах треугольного (равносторонний треугольник)
сечения.
Площадь треугольного сечения ,
где - сторона треугольника.
.
где .
. При - турбулентный режим течения.
При 

.
Задача №4
Как изменится расход мазута при подаче его по круглой трубе диаметром , длиной , если потери давления в трубе составляют , а температура мазута составляет от до ? Кинематическая вязкость мазута при , при , плотность и изменяется незначительно, шероховатость трубы .
Исходные данные:
.
Найти:
.
Решение:
При решении данной задачи не будем брать во внимание потери давления на создание скорости и считаем, что местных сопротивлений по пути не имеется:
и .
Формула расхода имеет вид: 
1) Температура мазута составляет .
Примем: .
. При - ламинарный режим течения.
.
2) Температура мазута составляет .
Примем: .
. При - турбулентный режим течения.
При ;
.
;
.
- при повышении температуры расход мазута увеличился.
Задача №5
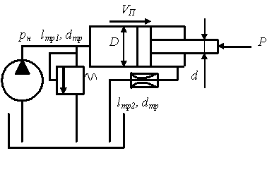
Определить потери давления и в магистралях гидропередачи (рис. 1), если расходы жидкости: и , диаметры трубопроводов: и , длины магистралей: и , плотность рабочей жидкости , кинематическая вязкость жидкости при .

Исходные данные:
.
Найти:
; .
Решение:
- суммарные потери давления.
1) Определим .
- скорость течения.
- потери давления на создание скорости.
. При - ламинарный режим течения.
.
- потери давления на трение.
,
где - для угла поворота, равного .
.
2) Определим .
.
- потери давления на создание скорости.
. При - ламинарный режим течения.
.
- потери давления на трение.
.
.
Задача №7
Определить потери давления при внезапном расширении трубопровода с до , если скорость воды в подводящем трубопроводе , кинематическая вязкость при , плотность .
Исходные данные:
.
Найти:
.
Решение:
,
где ; ; .
Подставляя данные равенства в формулу для , получим:
.
Задача №8
Для ограничения расхода воды в водопроводной линии установлена диафрагма. Избыточное давление в трубе до и после диафрагмы постоянны и равны соответственно и , диаметр трубы . Определить необходимый диаметр отверстия диафрагмы с таким расчётом, чтобы расход в линии был равен , если плотность воды при .
Исходные данные:
.
Найти:
.
Решение:
Формула расхода жидкости через диафрагму:
,
где - коэффициент расхода: ;
- площадь проходного сечения: ;
- перепад давлений.
Преобразовав, получим:

Задача №6
Определить расходы воды в трубе прямоугольного поперечного сечения с отношением сторон и в круглой трубе при той же площади поперечного сечения , если потери давления в этих трубопроводах одинаковы и равны , а длина каждой трубы . Кинематическая вязкость воды при , плотность .
Исходные данные:
.
Найти:
, .
Решение:
Формула расхода имеет вид: .
Определим стороны прямоугольной трубы:

- эквивалентный диаметр,
где .
Определим диаметр круглой трубы:
.
Предположим, что режим течения ламинарный. Тогда
, где и .
Откуда для прямоугольной трубы получаем:
.
. При - ламинарный режим течения. Предположение верно.
.
Для круглой трубы получаем:
.
. При - ламинарный режим течения. Предположение верно.
.
Задача №9
Определить теоретическую , полезную и приводную мощности насоса и крутящий момент на его валу при расчётной подаче и числе оборотов , если давления на выходе насоса и на входе ; объёмный КПД и механический КПД .
Решение:
.
.
.
.
Задача №10
Определить эффективную мощность и эффективный крутящий момент на валу гидромашины с указанными в задаче №10 параметрами при работе её в режиме гидромотора.
Решение:
.

.

Задача №11
Рассчитать усилие на штоке гидроцилиндра и скорость его перемещения при дроссельном регулировании. Сечение регулирующего дросселя ; давление в напорной магистрали (объёмные и механические потери и давление в сливной магистрали не учитывать); рабочая площадь поршня ; коэффициент расхода дросселя ; плотность жидкости .
Исходные данные:
.
Найти:
, .
Решение:
Полагаем, что давление слива мало: .



Задача №12
Рассчитать мощность , подводимую к гидроцилиндру потоком жидкости с параметрами: нагрузка на штоке , скорость поршня , рабочая площадь поршня , сила трения в подвижных сочленениях , коэффициент перетечек через уплотнение поршня .
Решение:
;
;
Запишем условие равновесия поршня:
.
Отсюда ;
;
;
;
.
Задача №22
Определить давление на входе в силовой цилиндр. Нагрузка на штоке , скорость поршня , диаметры поршня , штока , трубопровода , длина трубопровода . Плотность жидкости , вязкость .
Решение:
- давление на выходе силового цилиндра.
-атмосферное давление.
,
где ;
. При - ламинарный режим течения.
.
Отсюда .
Запишем условие равновесия поршня:
.
Отсюда .
Задача №23
Определить нагрузку на штоке и скорость поршня силового гидроцилиндра при перемещении его вверх, если диаметры поршня , штока , трубопровода , длина трубопровода . Давление на входе в гидроцилиндр , производительность насоса . Плотность рабочей жидкости , вязкость .
Решение:
.
.
. При - ламинарный режим течения.
.
.
.
Запишем условие равновесия поршня:
.
Отсюда

Задача №24
Определить давление, создаваемое насосом , и скорость поршня , если длина трубопроводов до и после гидроцилиндра равна , их диаметры , диаметры поршня , штока , нагрузка на штоке , подача насоса , плотность рабочей жидкости , вязкость .

Решение:
;
Давление в гидроцилиндре:
.
Уравнение расходов:
.
Потери давления в трубопроводах:
;

. При - ламинарный режим течения.
.
.
.
.
.
Задача №25
Определить скорость поршня и минимально допустимый диаметр дроссельной шайбы в напорной линии гидропривода, обеспечивающий перемещение поршня гидроцилиндра без кавитации. Растягивающая нагрузка на штоке , давление насоса , слива , насыщенных паров жидкости , диаметры дроссельной шайбы на сливе , поршня , штока , плотность рабочей жидкости , коэффициент расхода дроссельных шайб .

Решение:
Условие работы без кавитации:
;
;
;
;
.
.
Расход через второй дроссель равен:
.
.
.
.
.
Задача №26
Пренебрегая гидравлическими потерями в трубопроводах, определить давление за насосом и скорость перемещения поршня . Нагрузка на штоке , диаметр поршня , плотность рабочей жидкости , коэффициент расхода дроссельной шайбы , площадь проходного сечения дросселя , подача насоса .

Решение:
Уравнение давлений:
.
.
.
Уравнение расходов:
.
.
.
Скорость поршня:
.
.
Задача №27
Определить давление за насосом и диаметр дросселя для перемещения поршня со скоростью . Нагрузка на штоке , диаметры поршня , штока , трубопроводов , длины трубопроводов до и после гидроцилиндра и , плотность рабочей жидкости , вязкость , коэффициент расхода дроссельной шайбы , подача насоса .

Решение:
;
;
Уравнение расходов:
.


.
Из условий равенства расходов найдём:
и ;
;

. При - ламинарный режим течения.
.
.
.
.
Находим давление насоса:
.
.
.
.
.
Задача №28
Определить давление на входе в гидроцилиндр для перемещения поршня вправо со скоростью . Нагрузка на штоке , диаметры поршня , штока , дросселя , плотность рабочей жидкости , коэффициент местного сопротивления дроссельной шайбы . Другими местными сопротивлениями и потерей давления на трение по длине трубопроводов пренебречь.

Решение:
Уравнение давлений:

;
;
| Из условия равенства расходов имеем:
|

;
Тогда:
;
Давление, создаваемое насосом:
.
Задача №29
Определить коэффициент местного сопротивления дроссельной шайбы , пренебрегая другими местными сопротивлениями, для перемещения поршня вправо со скоростью . Нагрузка на штоке , диаметры поршня , штока , дросселя , трубопроводов , длины трубопроводов до и после гидроцилиндра и , плотность рабочей жидкости , вязкость , давление на входе в гидроцилиндр .

Решение:
Уравнения давлений:
;
.
.
Из условий равенства расходов найдём:
и ;


;
.
. При - ламинарный режим течения.
.
.
.
.
.
.
.
|