Реферат: Расчет элементов статически неопределенных и статически определенных систем на прочность, жесткость
|
Название: Расчет элементов статически неопределенных и статически определенных систем на прочность, жесткость Раздел: Рефераты по физике Тип: реферат | ||||||||||||||||||
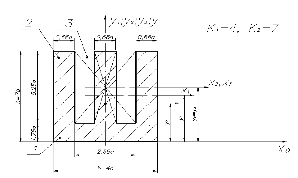
Введение Все твердые тела в той или иной степени воспринимают воздействие внешних сил без разрушения и существенного изменения геометрических размеров и формы, то есть обладают свойствами прочности и жесткости. Сопротивление материалов – это наука о прочности, жесткости и устойчивости тел. Сопротивление материалов ставит своей целью создание инженерных методов расчетов типовых элементов конструкции. Методами сопротивления материалов выдуться практические расчеты по определению оптимальных размеров элементов конструкции. Методы сопротивления материалов опираются на законы теоретической механики и в особенности на законы статики. Реферат В данной курсовой работе производится расчет элементов статически неопределенных и статически определенных систем на прочность жесткость и устойчивость. Курсовая работа содержит 22 листа, 10 рисунков. Курсовая работа содержит расчеты при таких видах деформации, как растяжение, изгиб и сжатие, для каждого из вида деформаций построена соответствующая эпюра. В точках расчетов произведены выводы об удовлетворении конструкциями условиям прочности, жесткости и устойчивости. Содержание Реферат……………………………………………………………………..………….3 Введение………………….……………………………………………………………..4 1. РПР № 1.1.…………………………………………………………………………..5 2. РПР № 1.2.…………………………………………………………………………..9 3. РПР № 2.1…………………………………………………………………………..14 4. РПР № 3.1…………………………………………………………………………..16 5. РПР № 3.2…………………………………………………………………………..19 6. РПР № 3.3 ………………………………………………………………………….21 Список используемой литературы……………………………………………….24 РПР № 1.1 Дано: Р1=5 кН; Р2=-1 кН; Р3=-10 кН; Сплав: Al13; Решение: 1. Составим уравнение статики: Степень статической неопределимости: n=2-1; 2. Отбросив опору А, строим схему перемещения: Уравнение совместимости деформации и перемещения: Выразим продольные силы N: Подставим полученные значения (3), (4), (5), (6) в (2): Так как Знак «-» означает, что направление RА противоположно принятому на расчетной схеме. Из уравнения (1) вычисляем: RB=6-RA=6-(-3,07)=9,07 кН. 3. Строим эпюру нормальных сил: N1=-RA=-(-3,07)=3,07 кН N2=- RA-P1=-(-3,07)-5=-1,93 кН N3=- RA-P1+P2=-(-3,07)-5+1=-0,93 N4=- RA-P1+P2+P3=-(-3,07)-5+1+10=9,07 кН 4. Строим эпюру приведенных нормальных напряжений Из эпюры видно, что опасным участком является участок 4, где 5. Определяем размеры сечений di и Fi: из условия прочности из условия жесткости d1(E) получим: Так как d4=17 мм, d4 =d1=17 мм и F4=F1=226,9 мм2 6. Рассчитаем эпюру истинных нормальных напряжений: 7. Рассчитаем эпюру перемещений: если строить от точки А, то тогда Вычислим отклонение: РПР № 1.2 Дано: а=1 м; b=1,2 м; с=0,5 м; Стержень 1: Стержень 2: Площади поперечных сечений: F1=F2=F Отношение модулей упругости: Рисунок 2. Общий вид конструкции. Определяем углы 1. Температурная задача. Рисунок 3. Составим уравнение статики: Определим степень статической неопределимости: n=2-1=1 Рисунок 4. Схема перемещений. Составим уравнение совместности деформирования и перемещения: Подставим полученные результаты (3), (4) и (5) в уравнение (2): Полученный результат подставляем в (1) и получаем: Так как сила N2 является сжимающей, то значение N2 примет значение -19,3F. Составим уравнение температурных напряжений: 2. Монтажная задача. В нашей конструкции стержень 2 выполнен на 2 мм длиннее, чем 1, то при сборке стрежневой системы, он будет сжиматься, а стержень 1 – растягиваться. Это означает, что уравнение статики и схема сил будут аналогичны тем, что мы составили в температурной задаче, а из этого следует что: N2=0,72N1 (1) Рисунок 5. Схема перемещений. Составим уравнение совместности деформаций и перемещений: Подставим полученные уравнения (3) и (4) в (2): Подставив полученный результат в (1) получим: Так как сила N2 является сжимающей, то значение N2 примет значение -56F. Составим уравнения монтажных напряжений: 3. Определяем суммарные напряжения. 4. Определяем допускаемые напряжения. Стержень 1: Получается, что Стержень 2: Получается, что Рассчитаем истинные коэффициенты запаса прочности: Вывод: Запас прочности n1<n2 при суммарном напряжении Р Рисунок 6. Решение: 1. Разбиваем сечение на три простые фигуры. За исходную ось принимаем X0 – касательную к нижнему контуру сечения. Тогда: 2. Найдем координату центра тяжести сечения: 3. Определяем главные центральные моменты инерции сечения: 4. Определим моменты сопротивления поперечного сечения: РПР № 3.1 Дано: Р1=25 кН; а=2 м; Сталь: Ст. 3; Рисунок 7. Эпюра продольных сил и изгибающих моментов. 1. Определяем опорные реакции: Проверка: 2. Рассчитаем координаты эпюры поперечных сил: Q1=YA=55 кН Q2=YA-q2z=55-30z z=0; Q2=55 кН z=a=2 м; Q2= Q3=q2z-YB=30z-100 z=0; Q3=-100 кН; z=2a=4 м; Q3= 3. Рассчитаем координаты эпюры изгибающих моментов: z=0; MI=0 z=a=2 м; z=0; z=a=2 м; Координаты экстремума: z=0; M3=0; z=2a=4 м Координаты экстремума: Из эпюры видно что в опасном сечении 4. Рассчитаем условие прочности: Подбор сечений: Двутавр По ГОСТ 8239-89 I № 45, Wхтабл=1231 см3; F=84,7 см2 Круг
Кольцо при Прямоугольник при Сложное сечение из задачи 2.1 Все соотношения площадей полученных сечений сведем в одну таблицу:
Из анализируя полученные результаты, получаем, что наименее материалоемким сечением будет – двутавровое сечение, а наиболее – круглое. РПР № 3.2 Дано: P2=-40 кН; m1=50 кН; q1=10 a=2 м; Решение без определения опорных реакций. Рисунок 8. Эпюра продольных сил и изгибающих моментов. Решение: 1. Находим координаты эпюры поперечных сил и изгибающих моментов:
z=0; М1=50 кНм z=2а=4 м; М1= z=0; М2= z=2а=4 м; 2. Произведем подбор двутавровых сечений, исходя из условий прочности по нормальным напряжениям: По ГОСТ 8239-89 I № 55; WХтабл=2035 см3; IX=55962 см4; SX=1181 см3; d=11 мм Проверка прочности по нормальным напряжениям: 3. Проверка прочности по касательным напряжениям: Условие прочности: Из эпюры сил видно что опасным участком является участок 1, где По Рисунок 9. Эпюра. РПР № 3.3 P2=-40 кН m1=50 кН а=2 м Ст. 3 Рисунок 10. Эпюра продольных сил, изгибающих моментов и упругая линия. 1. Определяем опорные реакции: Проверка: 2. Рассчитаем координаты эпюры поперечных сил и изгибающих моментов: z=0; M1=50 кНм z=2a=4 м; Из эпюры моментов получаем что опасное сечение находится в точке С, где 3. Произведем подбор двутавровых сечений, исходя из условия прочности: По ГОСТ 8239-89 I № 33, WXтабл=597 см3, IX=9840 см4, F=53,8 см2 4. произведем расчет на жесткость: Примем за начало координат точку В, положительные части осей y и z пойдут вверх и вправо соответственно. или Определяем начальные параметры из граничных условий: z=0, y=0 z=2a=4 м, y=0
и окончательно получаем: Далее определяем прогибы в характерных сечениях К и А: zK=a=2 м zA=3a= Из эпюры видно, что Проверка: жесткость должна удовлетворять следующему неравенству из полученного видно, что 5. Подбор двутаврового сечения из условия жесткости: По полученным значениям yK и yА, с учетом знаков эпюры моментов, строим упругую линию балки. |

, тогда







ПР № 2.1


Дано: