Реферат: Цех завода ЖБИ производительностью 62 тыс.м3 в год
|
Название: Цех завода ЖБИ производительностью 62 тыс.м3 в год Раздел: Рефераты по строительству Тип: реферат | |||||||||||||||||||||||||||||||||||||||||||||||||||||||||||||||||||||||||||||||||||||||||||||||||||||||||||||||||||||||||||||||||||||||||||||||||||||||||||||||||||||||||||||||||||||||||||||||||||||||||||||||||||||||||||||||||||||||||||||||||||||||||||||||||||||||||||||||||||||||||||||||||||||||||||||||||||||||||||||||||||
МИНИСТЕРСТВО ОБРАЗОВАНИЯ и НАУКИ РФ ФЕДЕРАЛЬНОЕ АГЕНСТВО ПО ОБРАЗОВАНИЮ ГОУ ВПО «ЧЕРЕПОВЕЦКИЙ ГОСУДАРСТВЕННЫЙ УНИВЕРСИТЕТ» ИНЖЕНЕРНО-ЭКОНОМИЧЕСКИЙ ИНСТИТУТ КАФЕДРА СТРОИТЕЛЬНЫХ ТЕХНОЛОГИЙ И ЭКСПЕРТИЗЫ НЕДВИЖИМОСТИ КУРСОВОЙ ПРОЕКТ по дисциплине «Технология бетона строительных изделий и конструкций с элементами проектирования ПСМ» на тему: «Цех завода ЖБИ производительностью 62 тыс.м3 в год» Выполнил: студент группы 5СКб-41 Мылова А.С. Проверил: к.т.н., доцент Белозор М.Ю. г. Череповец, 2008 Содержание: Задание …………………………………………………………………………….. 2 Введение ………………………………………………………………………….... 3 1. Выбор технологии производства …………………………………………….... 2. Расчёт потребности основных материалов (цемент, заполнители) …………………………………………………………………….. 3. Технологический расчёт и проектирование складов материалов, готовой продукции и необходимого технологического оборудования ………………………………………………… 3.1 Расчёт склада цемента …………………………………………………………. 3.2 Расчёт складов заполнителей ………………………………………………….. 3.2.1 Расчет склада мелкого заполнителя …………………………………………. 3.2.2 Расчёт склада плотного крупного заполнителя …………………………….. 3.2.3 Расчёт склада лёгкого крупного заполнителя ………………………………. 3.3. Расчёт склада готовой продукции …………………………………………….. 4. Арматурный цех …………………………………………………………………. 5. Технологический расчёт и проектирование бетоносмесительного цеха …………………………………………………………………………………….. 6. Формование изделий: ……………………………………………………………. 6.1 Проектирование конвейерного производства ………………………………... 6.2 Проектирование стендового производства …………………………………... 8. Контроль качества производства ЖБИ ………………………………………… 9. Генеральный план завода ……………………………………………………….. 10. Охрана труда, техника безопасности, производственная санитария и противопожарные мероприятия ………………………………………………… Список использованной литературы ……………………………………………... Введение Железобетон по сравнению с другими строительными материалами появился сравнительно недавно и почти одновременно в Европе и Америке. Однако к настоящему времени он получил самое широкое распространение в строительстве, имеет свою историю и своих выдающихся деятелей. За дату рождения железобетона принято считать 1850 г., когда француз Ламбо изготовил лодку из проволочной сетки, обмазанной цементным раствором, которая в 1855 г. демонстрировалась на всемирной выставке в Париже. Широкое распространение железобетона в России связано с именем проф. Н.А. Белелюбского, который в 1888 - 1891 гг. в Москве и Петербурге произвёл публичные испытания различных натурных железобетонных конструкций (плит, сводов, труб, мостов и т.п.). Первые технические условия на железобетонные конструкции были изданы в 1908 г., а в 1913 г. в России уже было использовано в конструкциях 3,5 млн. м3 бетона и железобетона. После Великой Октябрьской социалистической революции железобетон в нашей стране получил особенно широкое распространение. Железобетон состоит из бетона и стальной арматуры, рационально расположенной в конструкциях для восприятия растягивающих, а в ряде случаев – сжимающих усилий. Бетон, будучи искусственным камнем, хорошо сопротивляется сжатию и значительно хуже (в 10-20 раз) – растяжению. Эта особенность бетона наиболее неблагоприятна для изгибаемых и растянутых элементов, широко распространённых в зданиях и сооружениях. Армирование (усиление) растянутой зоны изгибаемых элементов материалами, обладающими значительно более высокой прочностью на растяжение, чем бетон, позволяет существенно повысить их несущую способность. Таким материалом чаще всего является сталь, а конструкции, полученные на основе рационального объединения бетона и стали при условии обеспечения их совместной работы, называются железобетонными. Опыты показывают, что сталь является практически идеальным партнёром бетона. Это обусловлено следующими обстоятельствами: хорошим сцеплением бетона и арматуры; бетон и сталь обладают близкими коэффициентами температурной деформации, вследствие чего в обычных условиях эксплуатационные качества конструкций не снижаются; бетон является надёжной защитой арматуры от коррозии, высоких температур, механических повреждений. К основным преимуществам железобетона, обеспечивающим ему широкое распространение в строительстве, относятся: огнестойкость, долговечность, высокая механическая прочность, хорошая сопротивляемость сейсмическим и другим динамическим воздействиям, возможность возводить конструкции рациональной формы, малые эксплуатационные расходы (по сравнению с деревом и металлом), хорошая сопротивляемость атмосферным воздействиям, возможность использования местных материалов. Затраты энергии на производство железобетонных конструкций значительно ниже, чем металлических и каменных. Недостатки железобетона: большая плотность, высокая тепло- и звукопроводимость, трудоёмкость переделок и усилений; необходимость выдержки до приобретения прочности, появление трещин вследствие усадки и силовых воздействий. Многие из этих недостатков могут быть устранены путём применения бетонов на пористых заполнителях, специальной обработки (пропаривания, вакуумирования и т.д.), предварительного напряжения и т.п. Различают железобетонные конструкции монолитные, сборные и сборно-монолитные. При возведении зданий и сооружений из сборных железобетонных конструкций вначале на специальных заводах или полигонах изготовляют отдельные элементы, из которых на строительной площадке возводят сооружения. Такой способ индустриален. При этом обеспечивается современная технология изготовления, рациональные конструктивные формы, возможность изготовления и монтажа в зимнее время. Трудоёмкость снижается в 3-4 раза по сравнению с монолитными конструкциями. Сборные железобетонные конструкции наиболее целесообразны, когда количество типов элементов ограничено и применение их предусматривается в зданиях различного назначения. Для этого необходима максимальная унификация и типизация конструктивных схем, пролётов, нагрузок. Железобетон применяют в самых разнообразных отраслях строительства, находя в каждой из них свои оптимальные формы. Из железобетона возводят промышленные одноэтажные и многоэтажные здания, жилые и общественные здания различного назначения, сельскохозяйственные постройки. Широко применяют железобетон в инженерных сооружениях, транспортном, гидротехническом и энергетическом строительстве, судостроении, машиностроении и т.п. Производство сборных железобетонных изделий, как правило, организуют на специализированных предприятиях в отдельных цехах или пролётах комбинатов строительных материалов, на полигонах строительных площадок или предприятий. Конечной продукцией перечисленных типов предприятий являются железобетонные изделия, а в ряде случаев товарный бетон. В состав заводов по производству сборных железобетонных изделий входят: цехи основного производства, бетоносмесительный и арматурный цехи, склады цемента, заполнителей, арматурной стали, форм, готовой продукции, разных материалов, в том числе горючих и смазочных, трансформаторная подстанция, компрессорная, лаборатория и ремонтные подразделения. В курсовом проекте необходимо спроектировать завод ЖБИ производительностью 61 тыс.м3 в год. Номенклатура выпускаемых изделий: балки стропильные 11950х1400х300; наружные стеновые панели 5960х1180х400; ригели 11975х520х850. Задачи курсового проекта: разработать структурно-технологическую схему завода; рассчитать потребность основных материалов; выполнить технологические расчёты по проектированию складов цемента, заполнителей, готовой продукции; произвести технологические расчёты и проектирование бетоносмесительного и формовочного цехов; разработать генплан предприятия. 1. ВЫБОР ТЕХНОЛОГИИ ПРОИЗВОДСТВА Для выбора эффективного метода производства необходимо выявить ряд исходных данных: номенклатуру изделий, годовую производительность формовочной линии, расход материалов на единицу продукции, потребность в электроэнергии и т.д. При стендовой технологии имеют место большие затраты труда, но минимальны удельные капиталовложения. Для конвейерной технологии при меньшей трудоёмкости удельные капиталовложения максимальны, а для поточно-агрегатной технологии сочетаются относительно небольшие затраты труда со сравнительно низкими удельными капитальными вложениями. Для мелкосерийного производства железобетонных изделий на заводах малой и средней мощности наиболее выгодным оказывается поточно-агрегатный способ производства. При несложном технологическом оборудовании, небольших производственных площадях и небольших затратах на строительство этот способ даёт возможность получать высокий съём готовой продукции с 1м2 производственной площади цеха. Этот метод позволяет также оперативно осуществлять переналадку оборудования и переходить к формованию от одного вида изделий к другому без существенных затрат. Производительность формовочного агрегата зависит от продолжительности цикла формования изделий, который может колебаться в большом диапазоне (5-40 мин). Поточно-агрегатный способ наиболее распространён в технологии сборного железобетона, т.к. его технико-экономические показатели при производстве отдельных видов изделий весьма высокие. По капительным затратам преимущество остаётся за стендовым способом при формовании изделий на горизонтальных стендах. Простота оборудования, незначительная его энергоёмкость, возможность легко перейти на выпуск изделий самых разнообразных типоразмеров, минимум транспортных операций – основные достоинства этого способа организации формования. Однако, требуются значительные производственные площади, низкий уровень механизации влечёт высокую трудоёмкость. Все эти факторы исключают целесообразность организации производства изделий массового выпуска (плит и панелей покрытий, панелей и блоков стен, фундаментных блоков и плит) по стендовой технологии. Рациональность применения стендового способа возрастает с увеличением массы и размера изделий, перемещение которых по отдельным технологическим постам влечёт большие затраты или практически трудно осуществимо. Производительность стенда зависит от продолжительности выдерживания на нём изделия. Конвейерный метод производства железобетонных изделий позволяет добиться комплексной механизации технологических процессов. При этом организация производства обеспечивает значительное повышение производительности труда и увеличение выпуска готовой продукции при наиболее полном и эффективном использовании технологического оборудования. Однако конвейерная технология требует больших капитальных вложений. Применение этого метода рационально на заводах, выпускающих в массовом порядке изделия по ограниченной номенклатуре с минимальным количеством типоразмеров. Конвейерную технологию следует использовать для формования ряда изделий, среди которых наиболее массовыми являются плиты и панели покрытий, а также наружные стеновые панели. Технологические линии дают возможность изготавливать изделия высокой заводской готовности при максимальной механизации процессов формования и отделки на всех постах конвейера. Изготовление тонких и плоских изделий значительной площади (перегородок, панелей перекрытий) производят в вертикальном положении в кассетах. Удельная потребность в площадях производственного цеха при кассетном способе самая минимальная – в одном месте одновременно формуются до 12 изделий площадью до 12 м2 каждое. Отсутствие виброплощадок и камер пропаривания является важным достоинством кассетного способа. Эффективно уплотнить в кассете, имеющей глубокие отсеки, можно только смесь достаточно подвижную, поэтому получение бетона заданной прочности достигается только со значительно повышенным расходом цемента. В кассетах многосекционной конструкции могут изготавливаться только плоские изделия сплошного сечения. На заводе ЖБИ производительностью 61 тыс.м3 в год изготавливаются следующие виды изделий: Таблица 1 Номенклатура изделий и годовая производительность
Предварительно напряженные двускатные балки пролётом 12 м применяют для зданий со скатной кровлей. Высота балок на опоре унифицированная – 900 мм, сечение прямоугольное по всей ширине балки с постоянной шириной. В балках этого типа имеются отверстия трапециевидного очертания с закруглёнными углами, которые предусмотрены для облегчения массы балок и возможности пропуска коммуникаций небольшого сечения. Балки разработаны применительно е технологии их изготовления в горизонтальном положении, что требует выполнения тщательного заглаживания одной боковой поверхности балок. Армирование производится напрягаемой арматурой – стержневой из стали класса А-IV, ненапрягаемой из стали классов А-III и В-I. Изготавливаемые стеновые панели из лёгкого бетона на пористых заполнителях применяются для одноэтажных и многоэтажных зданий с шагом колонн 6 м. Применяются в зданиях с сухим, нормальным и влажным режимом ( относительная влажность воздуха не более 75%) с неагрессивной средой, а также слабоагрессивными и среднеагрессивными газовыми средами. Армируют стеновые панели пространственными каркасом, состоящим из продольных плоских каркасов и отдельных стержней из стали классов А-III, A-IIи B-I, свариваемых контактной сваркой. Напрягаемая арматура принята в трёх вариантах: из стали классов Вр-II, А-IV и Ат-V, ненапрягаемая арматура из стали классов А-II, A-Iи B-I. Монтажные петли приняты из стали класса A-I. Ригель балочного сборного перекрытия зданий с полным каркасом представляют собой элемент рамной конструкции. В зданиях с неполным каркасом концы ригеля свободно опираются на стены. Ригели длиной >6 м выполняют с предварительно напряженной арматурой. Рабочая арматура служит для восприятия растягивающих усилий. Поперечная арматура (поперечные стержни, открытые или замкнутые хомуты) устанавливают для восприятия вместе с бетоном поперечной силы. Применяют монтажную арматуру в виде верхних продольных стержней для крепления поперечной арматуры и в виде коротышей, объединяющих плоский арматурный каркас в пространственный. Каркас чаще всего бывает сварным. На основании описанных выше характеристик способов формования изделий выбираем следующие технологии: Таблица 2 Выбор технологии производства
2. РАСЧЁТ ПОТРЕБОСТИ ОСНОВНЫХ МАТЕРИАЛОВ Для железобетонных изделий заводского изготовления применяют следующие вяжущие вещества: портландцемент, шлакопортландцемент, пуццолановый портландцемент и их разновидности. Выбор вида цемента и его марки производится в зависимости от условий работы конструкции и требований к бетону по прочности. Заполнители занимают в бетоне до 80% объёма и оказывают влияние на свойства бетона, его долговечность и стоимость. Правильный выбор заполнителей для бетона, их разумное использование – одна из важных задач технологии бетона. В бетоне применяют мелкий и крупный заполнитель. Крупный заполнитель (более 5 мм) подразделяют на гравий и щебень. Мелким заполнителем является естественный или искусственный песок. Наиболее существенное влияние на свойства бетона оказывают зерновой состав, прочность и чистота заполнителя. Природный песок, применяемый для производства обычного бетона, представляет собой образовавшуюся в результате выветривания горных пород рыхлую смесь зерен (крупностью 0,14…5 мм) различных минералов, входящих в состав изверженных (реже осадочных) горных пород. При отсутствии природного песка применяют песок, получаемый путём дробления твёрдых горных пород. Песок должен соответствовать ГОСТ 10268-80. Гравием называют рыхлый материал, образовавшийся в результате естественного разрушения (выветривания) горных пород. Гравий состоит из более или менее окатанных зёрен размером 3…70 мм. В нем могут содержаться зерна высокой прочности, например гранитные, и слабые зерна пористого известняка. Обычно он содержит примеси пыли, глины, иногда и органических веществ, а также песка. При большом содержании песка такой материал называют песчано-гравийной смесью или гравелистым песком. Щебнем называют материал, полученный в Результате дробления камней из горных пород. Щебень имеет остроугольную форму. Для приготовления бетона лучше всего использовать щебень, близкий по форме к кубу или тетраэдеру. Форма зависит от структуры каменной породы и типа камнедробильной машины. Для бетона желательна щебневидная форма зерен. Для приготовления лёгких бетонов используют легкие пористые заполнители, плотность в насыпном состоянии которых должна быть менее 1000 кг/м3 , чаще всего 500…800 кг/м3 . Вследствие большой пористости прочность лёгких заполнителей значительно меньше, а поверхность их значительно больше, чем у обычного песка, гравия или щебня. Для приготовления бетонных смесей используют водопроводную питьевую, а также любую воду, имеющую водородный показатель рН не менее 4, т.е. не кислую. Вода не должна содержать сульфатов более 2700 мл/л и всех солей более 5000 мг/л. Для регулирования свойств бетона, бетонной смеси и экономии цемента применяют различные добавки. Их подразделяют на два вида: химические добавки, вводимые в бетон в небольшом количестве (0,1…0,2 от массы цемента) и изменяющие в нужном направлении свойства бетонной смеси и бетона, и тонкомолотые добавки (5…20% и более), использующиеся для экономии цемента, получения плотного бетона при малых расходах цемента и повышения стойкости бетона. Определим расход основных сырьевых материалов: цемента, песка, легкого и плотного щебня, необходимых для производства на проектируемом предприятии железобетонных изделий: стропильных балок, наружных стеновых панелей и ригелей. Расходы цемента и заполнителей на 1 м3 бетона принимаем согласно [1, табл.1, 2]. Таблица 3
Общий расход материалов Таблица 4
При расчётах учитывали: продолжительность смены – 8 часов; в сутках 2 смены. Годовой фонд времени работы основного технологического оборудования [1. табл.2.3]: Таблица 5
3. РАСЧЕТ СКЛАДОВ МАТЕРИАЛОВ И НЕОБХОДИМОГО ТЕХНОЛОГИЧЕСКОГО ОБОРУДОВАНИЯ 3.1 РАСЧЁТ СКЛАДА ЦЕМЕНТА При проектировании складов цемента необходимо предусматривать раздельное хранение по видам и маркам. На заводах, как правило, проектируют силосные склады. Силосы проектируют металлическими или железобетонными. Последние получили наибольшее распространение, так как долговечны, влагонепроницаемы, огнестойки и экономичны. В состав склада цемента входят: 1) приемные устройства, обеспечивающие механизацию разгрузки цемента; 2) оборудование подачи цемента на склад в силосы; 3) фильтровальная установка, обеспечивающая очистку воздуха при подаче цемента пневмотранспортом на склад; 4) подбункерная галерея, в которую монтируются аэрожелоба; 5) оборудование надсилосной галереи для подачи цемента в ёмкости и фильтры; 6) оборудование очистки воздуха от влаги и масел, система управления технологическим процессом по приёмке, разгрузке и подачи цемента в БСЦ. Объем склада определяем по формуле:
где
Согласно [1, стр. 24, табл. 7] принимаем
В соответствии с ОНТП-07-85 количество ёмкостей для хранения цемента на предприятиях мощностью до 100 тыс. м3
/год ≥4. Принимаем количество силосных банок Определяем ёмкость одной силосной банки:
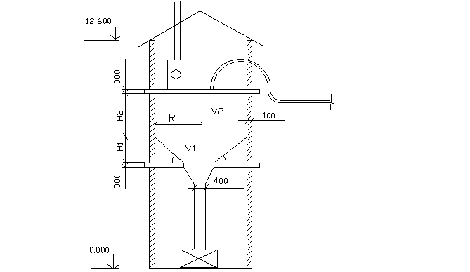
Рис.1 Схема силостной банки Угол наклона силосной банки определяем по [1, стр.24, табл.7]. Выбираем конические днища, покрытые аэрирующими элементами (α ≥ 50). Расчетная насыпная плотность цемента в разрыхленном свеженасыпном состоянии составляет 1 т/м3 .
Определяем высоту силоса:
На основании расчета получаем, что для хранения цемента необходимо 4 силосных банки ёмкостью 129 т, высотой 12,6 м. Выбор технологического оборудования для склада цемента Для завода необходимый расход цемента в час согласно таблице 4:
где 9,9; 15,9; 9,8 – расход цемента в смену соответственно для стропильных балок, наружных стеновых панелей и ригелей, т; 8 – количество часов в смене. По производительности подбираем разгрузчик цемента и подъёмник. Всасывающий разгрузчик цемента С – 578А. Технические характеристики: Производительность, т/ч 15 Дальность подачи, м 9 в том числе по вертикали 3 Тип вакуум-насоса РМК-2 Рабочее напряжение, ℅ 60 Рабочее давление, МПа - Диаметр цементопривода, мм 100 Расход воды, л/мин 20 Расход воздуха, м3 /мин - Установленная мощность электродвигателей, кВт 28,8 Скорость передвижения заборного устройства, м/мин 5,4 Габариты, м 1,7х1,12х2,1 Масса, кг общая 2900 заборного устройства 470 Пневматический винтовой подъёмник ТА – 20 Производительность, т/ч 20 Высота подачи, м 35 Рабочее давление в смесительной камере, МПа 0,12 Расход сжатого воздуха, м3 /мин 3,5 Мощность электродвигателя, кВт 13 Внутренний диаметр цементопривода, мм 100 Диаметр винта, мм 125 Габариты, м 2х0,71х0,82 Масса, кг 500
Для обеспечения работы завода производительностью 61 тыс.м3 в год необходимый расход цемента в год – 180222,5 т или с сутки -35,6 т. Цемент на завод доставляется автомобильным транспортом. Разгрузка производится всасывающим разгрузчиком С-578А. С помощью пневматического винтового подъёмника ТА-20 заполняются силоса для хранения цемента. Норма хранения цемента на складе 6 суток. Необходимы 4 силосных банки ёмкостью 129 т. Два силоса заполняются цементом марки М100 (для изготовления наружных стеновых панелей, производительность в год – 31000 м3 ); один силос - цементом марки М200 (для изготовления ригелей, производительность в год 15500 м3 ) и один силос – цементом марки М250 (для изготовления балок стропильных, производительность в год 14500 м3 ).
Рис.2 Склад цемента вместимостью 515 т. 1 – помещение вентилятора и осушки сжатого воздуха – 16 м2 ; 2 – помещение пневмоподъёмника – 18 м2 ; 3- пультовая – 16 м2 ; 4 – силосы – 4 шт. 3.2 РАСЧЁТ СКЛАДОВ ЗАПОЛНИТЕЛЕЙ Склады заполнителей заводов железобетонных изделий могут быть различных типов в зависимости от вида транспорта, способа приёма, хранения и выдачи заполнителей. Склады могут быть открытыми и закрытыми, а в зависимости от способа складирования и хранения заполнителей – штабельные, полубункерные, бункерные и силосные. Штабельные и полубункерные склады могут быть оборудованы эстакадами, подземными галереями и др. Тип склада заполнителей, их запас, а также применяемое оборудование должны обеспечить бесперебойную работу завода в течении года. Хранение заполнителей на складе следует производить по видам, фракциям и сортам в отдельных ёмкостях или путём устройства отдельных стенок. Проектируем для хранения заполнителей закрытые склады. Для плотных заполнителей рассчитываем складские ёмкости штабельного типа, для пористых заполнителей – силоса. Полезная площадь склада, необходимая для одновременного хранения заполнителей составляет:
где Тогда общая площадь склада составит:
где Производственный запас заполнителей одновременно хранящихся на складе составит: для крупного заполнителя для мелкого заполнителя где 3.2.1 РАСЧЕТ СКЛАДА МЕЛКОГО ЗАПОЛНИТЕЛЯ Для хранения песка предусматриваем конусный штабельный склад.
для мелкого заполнителя
Мелкий заполнитель доставляется на завод автомобильным транспортом. Хранение осуществляется на складе конусном штабельном. Норму хранения принимаем 6 суток, объём склада 638,65м3 . Высота штабеля 8 м, полезная площадь склада 247,14 м2 , общая площадь склада 370,71 м2 . 3.2.2 РАСЧЁТ СКЛАДА ПЛОТНОГО КРУПНОГО ЗАПОЛНИТЕЛЯ Для хранения щебня (плотного) предусматриваем штабельный призматический прямолинейный склад.
Рис.4 Схема к расчёту штабеля заполнителей призматического прямолинейного
К крупному плотному заполнителю относим щебень для производства стропильных балок и ригелей.
Крупный плотный заполнитель доставляется на завод автомобильным транспортом. Хранение осуществляется на штабельном складе призматическом прямолинейном. Норму хранения принимаем 6 суток, объём склада 374,18м3 . Высота штабеля 5м, длина штабеля 11м, полезная площадь склада 241,11 м2 , общая площадь склада 361,67 м2 . 3.2.3 РАСЧЁТ СКЛАДА КРУПНОГО ЛЁГКОГО ЗАПОЛНИТЕЛЯ Стеновыепанели изготавливаются из легкого бетона на пористом заполнителе, хранение которого предусматриваем в железобетонных силосах. Рис.5 Расчетная схема склада заполнителей силосного типа Для расчёта склада заполнителей силосного типа для хранения лёгких заполнителей принимаем железобетонные силосы сегментного типа. Определяем размеры склада: d=8000 мм - a=3800 мм; d=10000 мм - a=4800 мм; d=12000 мм - a=5800 мм; d=14000 мм - a=6800 мм. Площадь основания силоса Высота силоса: С учётом швов принимаем стеновую панель высотой Тогда уточнённая высота силоса: Общая высота силоса:
а=3800 мм,
Крупный лёгкий заполнитель доставляется на завод автомобильным транспортом. Хранение осуществляется на складе силосного типа. Норму хранения принимаем 6 суток. Площадь основания силоса - 38м2 , общая высота – 9,22м. Выбор разгрузочных машин для складов заполнителей Для завода необходимый расход заполнителей в час согласно таблице:
где 39 и 120,8 – расход песка и щебня соответственно в смену для стропильных балок, наружных стеновых панелей и ригелей, т; 8 – количество часов в смене. По производительности подбираем разгрузчик заполнителей: Разгрузочная машина ТР – 2 Технические характеристики: Производительность, т/ч 300 Вылет отвального ленточного конвейера от пути, м 20 Высота подъёма отвального конвейера, м 8,6 Скорость движения портала разгрузочной машины, м/мин 3 Рабочий орган разгрузки многоковшовый элеватор Мощность электродвигателя, кВт 99 Масса, т 37,5 Машина для восстановления сыпучести смёрзшихся заполнителей БРМ-56/80 Технические характеристики: Принцип рыхления бурорыхление Производительность, т/ч 150 - 200 Возмущающая сила, кН ----- Мощность электродвигателей, кВт 136 Масса, т 9,2 Доставляемые на завод заполнители разгружаются с помощью разгрузочной машины ТП – 2. В зимнее время года для восстановления сыпучести смёрзшихся материалов предусмотрена машина БРМ-56/80, работающая на принципе бурорыхления. 3.3. РАСЧЕТ СКЛАДА ГОТОВОЙ ПРОДУКЦИИ Готовые изделия после выдержки в формовочном цеху отправляются на склад готовой продукции. При раскладке сборных элементов на складе необходимо соблюдать следующие требования: 1) во всех случаях железобетонные изделия и конструкции по возможности следует хранить в таком положении, в котором они предназначены воспринимать нагрузки в здании и сооружении; 2) железобетонные конструкции нужно размещать так, чтобы их заводская маркировка легко читалась со стороны прохода или проезда, а монтажные петли изделий, уложенных в штабеля, были обращены кверху; 3) все места складирования сборных деталей должны иметь свободные подъезды и проходы; 4) запрещается складировать элементы конструкций и детали на крановых путях, а также между стенами сооружений и путями. Каждое изделие при хранении должно опираться на деревянные инвентарные подкладки и прокладки. Нижний ряд изделий укладывают на подкладки, последующие ряды – на прокладки. Подкладки и прокладки следует располагать по вертикали, строго одна над другой; они должны быть одинаковой длины. Площадь склада готовой продукции определяется по формуле:
где Данные принимаем в соответствии с нормами технологического проектирования по [1, приложение 6]. Ёмкость склада можно вычислить по формуле:
Площадь склада для хранения стеновых панелей:
Площадь склада для хранения ригелей:
Площадь склада для хранения стропильных балок:
Общая площадь склада равна:
Примем, что склад по ширине имеет два пролёта: 30м и 24м. Тогда длина склада готовой продукции: Общая ёмкость склада 4. АРМАТУРНЫЙ ЦЕХ Железобетонные изделия и конструкции армируют заранее изготовленными сварными арматурными элементами в виде сеток, а также плоских и пространственных каркасов. Эти элементы образуют основную – рабочую, распределительную и монтажную арматуру. Вспомогательной арматурой являются петли, крюки, фиксаторы, закладные металлические части. Для уменьшения затрат труда на непосредственное армирование конструкций необходимо, чтобы арматурные элементы имели наибольшую степень готовности, были возможно крупнее и не требовали каких-либо дополнительных операций по укрупнительной сборке на месте. Изготовление арматуры на заводах железобетонных изделий осуществляется в арматурном цехе на поточных технологических линиях, оборудованных высокопроизводительными сварочными и другими машинами. Процесс изготовления должен строиться по принципу единого технологического потока от подготовки арматурной стали до получения готового изделия, по возможности без промежуточных перевалочных операций и межоперационного хранения заготовок и полуфабрикатов. Арматурные каркасы и сетки изготавливают в соответствии с рабочими чертежами, в которых указывают класс, марку стали и длину стержней, их диаметр и количество, шаг стержней в продольном и поперечном направлениях, места приварки закладных деталей, монтажных петель и пр. Производство арматурных изделий предусматривает организацию хранения арматурной стали на складах. Склады арматурной стали должны быть крытыми и оборудованы крановыми эстакадами, примыкающими к арматурному цеху. Высокопрочную проволоку и изделия из неё хранят в закрытых помещениях. Арматурную сталь размещают на складе завода по маркам, профилям, диаметрам и партиям. Транспорт арматурной стали со склада в арматурный цех осуществляют с помощью электокар или автокар. Внутрицеховую доставку арматуры производят мостовыми кранами, тельферами, авто- и электорокарами, ручными тележками. Компоновка арматурного цеха определяется видом выпускаемых изделий и их сложностью и может быть различной. В зависимости от типа арматурного цеха определяют и его расположение по отношению к формовочному – в одном блоке с формовочным цехом или в отдельном корпусе. Если завод имеет ограниченную номенклатуру изделий, не превышающую 10 типоразмеров, то целесообразно располагать арматурный цех совместно с формовочным в одном блоке. Сблокированный с формовочным арматурный цех имеет три схемы планировки оборудования. Первая схема – оборудование размещается впереди формовочных агрегатов, п тех же пролётах, а при второй схеме – параллельно формовочному цеху, в отдельном пролёте и чаще в отдельном поперечном пролёте, примыкающем к торцам формовочного пролёта. Третья схема позволяет устанавливать оборудование по технологическому потоку и исключает встречные движения арматурных заготовок, что не всегда достигается в первой схеме. Арматурный цех состоит из отделения заготовки, сварки, укрупнительной сборки и изготовления закладных деталей. В этих отделениях выполняются следующие основные операции: правка, резка, гнутьё и стыковая сварка (заготовка); сварка плоских каркасов и сеток; гнутьё сеток и каркасов; укрупнительная сборка объёмных каркасов; изготовление и металлизация закладных деталей; доработка арматурных изделий (приварка усиливающих стержней и закладных деталей, вырубка отдельных стержней для образования отверстий в сетках и др). В соответствии с необходимыми процессами подбирают и компонуют оборудование арматурного цеха. В состав оборудования входят: 1) станки для правки и резки арматурной стали, совмещающие все операции по очистке, правке и резки арматурной стали и её упрочнению путём волочения; станки для электротермического упрочнения стали; 2) станки для резки стержневой арматуры – приводные ножницы или комбинированные пресс-ножницы; 3) станки для гибки отдельных стержней арматуры и плоских сеток; 4) сварочное оборудование – сварочные дуговые аппараты, стыковые, точечные и многоточечные машины. Т.к. изготовление арматуры в цехе ведут несколькими потоками, то и расстановку оборудования в цехе производят поточными механизированными линиями. Машины и аппараты устанавливают в строгой последовательности технологического процесса. Одна поточная линия создаётся для изготовления лёгких арматурных сеток, вторая – для тяжелой арматуры. Между поточными линиями вдоль цеха располагают транспортный проезд шириной при транспортировании арматуры вагонетками 3,0 – 3,5 м. Готовые арматурные изделия переносятся на самоходные тележки, которые доставляют их к постам формования железобетонных изделий. 5. РАСЧЁТ БЕТОНОСМЕСИТЕЛЬНОГО ЦЕХА Бетоносмесительный цех (БСЦ) предназначен для производства бетонной смеси с постоянными качественными показателями по составу смеси и классу бетона. Его оснащают следующим оборудованием: бетоносмесителями, дозаторами, расходными бункерами, станциями для приготовления химических добавок, пультами управления, а также транспортными устройствами для подачи сырьевых материалов и выдачи готовой бетонной смеси. Подачу материалов в БСЦ и распределение их по расходным бункерам осуществляют в надбункерном этаже с помощью ленточных транспортёров, ковшовых элеваторов, поворотных воронок для заполнителей и коротких шнеков для цемента, кроме того устанавливают оборудование для аспирации воздуха. Запас материалов в расходных бункерах принимают в соответствии с ОНТП. Важным технологическим переделом является перемешивание бетонной смеси. В процессе перемешивания материалов равномерно распределяются по всему объёму зёрна цемента и заполнителя, смачиваются водой, в результате получается однородная масса, свойства которой в любом месте объёма одинаковы. Применяют различные способы перемешивания в зависимости от вида и характера бетонной смеси. Производительность бетоносмесителей зависит от фактического объёма одной порции замеса в литрах, числа замесов в один час и коэффициента выхода бетонной или растворной смеси:
где Объём готового замеса смеси определяем:
Производительность БСЦ определяем по формуле:
где
где Определяем месячную потребность в бетонной смеси:
Определяем требуемую часовую потребность в бетонной смеси:
Определяем фактическую часовую потребность в бетонной смеси:
Должно выполняться условие: Так как цех завода ЖБИ выпускает изделия из лёгкого и тяжелого бетона, выбираем для приготовления бетонной смеси бетоносмеситель принудительного действия - СБ-141. Бетоносмеситель СБ–141 Технические характеристики: Объём готового замеса, л по бетонной смеси 250 по раствору 300 Вместимость по загрузке, л 375 Число циклов в один час при приготовлении бетонной смеси 48 раствора 40 Наибольшая крупность заполнителя, мм 70 Частота вращения рабочего органа, об/мин 30 Мощность двигателя, кВт: вращения рабочего органа 11 подъём скипового ковша 4 Давление в пневмосмесителе, МПа - Габариты, м 2,5х2,0х2,2 Масса, кг 1970
Так как по факту бетоносмесители имеют большую производительность, чем требуется для производства, то дополнительно можно выпускать товарную бетонную смесь. В одной секции БСЦ располагаем два бетоносмесителя с общим узлом загрузки и автономной выдачей бетонной смеси в раздаточные бункера. Расчет расходных бункеров Объём расходных бункеров определяем, исходя из часовой потребности материалов, с учётом запаса в соответствии с ОНТП [1, стр.28, табл.10]. Определяем потребность на годовую программу:
Определяем суточную потребность:
Определяем часовой расход материалов:
Определяем объём бункеров:
Количество отсеков расходных бункеров в одной секции БСЦ принимаем в соответствии с ОНТП. Ёмкость одного отсека:
Учитываем, что бункера имеют конуса в зоне выпуска с углом наклона, равному углу естественного откоса α=40˚. Для дозирования составляющих бетонной смеси в зависимости от вместимости по загрузке выбранных бетоносмесителей принимаем дозаторы:
Дозаторов АВДИ-425М принимаем 2 шт. отдельно для дозирования песка и отдельно для дозирования щебня. Со складов заполнители и цемент транспортёрами направляются в расходные бункера бетоносмесительного цеха, рассчитанные на двух часовой запас для заполнителей и трёхчасовой для цемента. Объёмы бункеров: для щебня – 16,7м3 ; для песка – 6,34м3 ; для цемента – 8,0м3 . Каждый материал при подаче в бетоносмеситель дозируется по массе. Вода и растворённые в ней добавки также проходят весовой контроль. Перемешивание компонентов осуществляется в двух бетоносмесителях принудительного действия СБ – 141. Готовая бетонная смесь выгружается в бункера, которые транспортируют её в формовочный цех. 6. ФОРМОВАНИЕ ИЗДЕЛИЙ Процесс формования включает операции подготовки форм, армирования, укладки и уплотнения бетонной смеси, формообразования изделий и последующей оттелки поверхностей. В зависимости от технологической схемы производства, конструкции технологического оборудования, эксплуатационных требований к изделию, состава и формовочных характеристик бетонной смеси отдельные операции могут быть совмещены или исключены из технологического процесса. 6.1 ПРОЕКТИРОВАНИЕ КОНВЕЙЕРНОГО ПРОИЗВОДСТВА Конвейерные линии целесообразно применять для производства массовой однотипной продукции на предприятиях средней и большой мощности. Чем больше мощность производства, тем рациональнее применение конвейеров. По характеру работы различают конвейеры двух типов: непрерывного действия – с формами, образуемыми бесконечной стальной лентой; периодического действия – с тележками, перемещающимися по рельсам (наиболее распространённый тип). В зависимости от компоновки – расположения технологических постов и камер термообработки, конвейерные линии разделяются на: вертикально замкнутые (двухъярусные и трёхъярусные), наклонно замкнутые; горизонтально замкнутые; с продольным или поперечным расположением формы; с вертикальной камерой термообработки; с тепловой обработкой в пакетах термоформ; одноветвевые; двухветвевые, с одним или двумя формовочными постами. Процесс изготовления изделий на конвейере разделяется на рад технологических операций, примерно равных по средней продолжительности, выполняемых на соответственно оборудованных специализированных постах, что обеспечивает наибольшую механизацию и автоматизацию производства. Большинство конвейерных линий включает 6 – 15 постов, на которых последовательно выполняются операции: распалубки, съёма изделий, чистки и смазки форм, армирования (в том числе укладки арматурных сеток и каркасов, установки закладных деталей и монтажных петель, натяжения арматуры), укладки и уплотнения бетонной смеси, в ряде случаев немедленной распалубки (бортоснастки или пустообразователей), заглаживания и отделки верхней поверхности, термообработки в камерах непрерывного (щелевых, вертикальных) или периодического (многоярусных) действия. Ритм работы конвейерных линий зависит от вида формуемых изделий, числа постов, оснащенности их специальным оборудованием, правильности распределения технологических операций по отдельным постам. Рассчитываем конвейерную линию для производства наружных стеновых панелей размером 11,95х1,18х0,4 м, Vб=1,21 м3 . Годовая производительность конвейерных линий периодического действия определяется номенклатурой выпускаемой продукции, режимом формования изделий, продолжительностью работы формовочного поста в течение 1 суток – расчётного фонда времени работы оборудования при принятом режиме работы линии и вычисляется по формуле:
где Число форм вагонеток определяем по формуле:
где
где В одну форму 3х6 помещаются 2 изделия.
Размеры форм:
Длина формовочной линии:
где Длина щелевой камеры с приямками для тепловой обработки изделий определяется по формуле:
где
Для смазки поверхностей форм применяем обратную эмульсию ОЭ-2 следующего состава: эмульсол ЭКС с кислотным числом 8…10 – 20, насыщенный раствор гидрата окиси кальция – 80%. Данная эмульсия предназначена для обработки металлических и деревянных поверхностей. Расход на 1 м2 поверхности 400…250 г в зависимости от температуры смазки. Выбор технологического оборудования . При выборе бетоноукладчика руководствуемся тем, что вместимость бункера должна соответствовать объёму бетона, помещаемому в форму. Ширина колеи должна быть больше ширины форм. Выбираем бетоноукладчик СМЖ-3507А, предназначенный для работы на специальных формовочных постах для изготовления железобетонных изделий. Техническая характеристика бетоноукладчика СМЖ-3507 Производительность, м3 /ч 39,1 Вместимость бункера, м3 2,5 и 3 Число бункеров, шт 1 Скорость передвижения портала, м/мин 1,8; 3,8; 5,9; 11,6 Габариты, м 3,7х6,3х3,1 Масса, т 8,7 Завод-изготовитель Куйбышевский завод “Строммашина” Раздаточный бункер выбираем в зависимости от его вместимости, она должна соответствовать вместимости бункера бетоноукладчика. Выбираем бункер раздаточный с прицепом СМЖ-1А, предназначенный для подачи бетона из бетоносмесительного отделения в формовочные пролёты на заводах ЖБИ для промышленного и жилищного строительства. Техническая характеристика бункера раздаточного с прицепом СМЖ-1А Вместимость бункера, м3 2,4 бадьи, м3 1,2 Скорость передвижения, м/мин до 60 Установленная мощность, кВт 8 Колея, мм 1720 Шкаф управления вынесен Габариты, мм 4215х1940х1495 Масса, кг 3350 Для уплотнения бетонной смеси выбираем виброплощадку, наиболее соответствующую по габаритам размерам форм. Принимаем виброплощадку СМЖ-200Б, предназначенную для формования бетонных и железобетонных изделий. Техническая характеристика виброплощадки СМЖ-200Б Грузоподъёмность, т 15 Число виброблоков, шт 8 Установленная мощность, кВт 92 Габарит, мм 10260х2986х664 Масса, т 6,5 Для вывоза готовых изделий на склад готовой продукции выбираем самоходную тележку СМЖ -151. Техническая характеристика самоходной тележки СМЖ-151 Грузоподъёмность, т тележки 20 тележки с прицепом 40 Максимальная длина перевозимых изделий, м для тележек без прицепа 7 для тележек с прицепом 24 Предельная дальность хода, м 120 Скорость передвижения, м/мин 32 Тип электродвигателя с питателем от электрической сети МТ-22-6 Мощность электродвигателя, кВт 7,5 Ширина колеи, мм 1524 База, мм 4500 Габариты, м 7,49х2,5х1,4 Масса, т 2500 Завод-изготовитель Бологовский “Стромммашина” Для перемещения готовых изделий, форм, арматуры и т.д. в пролёте конвейерного производства предусматриваем два мостовых крана грузоподъёмностью не менее 8т (масса формы 3х6 -5т плюс масса бетона в форме – 2т плюс масса строповки – 1т). Для уменьшения трудовых затрат на отделочные работы на заводе предусмотрена линия СМЖ-100 для отделки наружных стеновых панелей, состоящая из цепного конвейера, подъёмной площадки, металлоконструкций и электорооборудования. Линия имеет три технологических поста: по установке оконных и дверных рам, установке подшипников, сливов и т.д., а также окончательной отделке и доводки изделий. Техническая характеристика линии СМЖ-100 Предельные габаритные размеры обрабатываемых панелей, м длина 1,5-7,2 высота 2,18-3,1 толщина 2; 2,5; 3; 3,5; 4 Шаг постов, м 8,5 Скорость перемещения колеи 0,204 Ширина колеи, мм 265 Грузоподъёмность площадки, кг 240 Скорость подъёма площадки, м/c 0,09 Установочная мощность, кВт 16,2 Габариты, м 28,88х3,12х3,75 Масса, т 20,5 6.2 ПРОЕКТИРОВАНИЕ СТЕНДОВОГО ПРОИЗВОДСТВА При стендовом способе производства изделия формуются в стационарных формах, и твердеют они на местах формования. Технологическое оборудование перемещаются вдоль стенда. В ряде случаев формы оборудуются навесными вибраторами, кантователями и другими приспособлениями. Термообработка производится: в формах с паровыми рубашками, под брезентом или пластмассовыми плёнками; под колпаками; электропрогревом, контактным высокотемпературным масляным прогревом. Стендовые технологии целесообразно использовать для изготовления крупноразмерных, особенно предварительно напряженных конструкций, которые экономически неэффективны и их технологически сложно изготавливать на поточно-агрегатных и конвейерных линиях. Линейные стенды длиной 70-120 м рекомендуется использовать для предварительно напряженных конструкций при условии их загрузки сравнительно стабильной номенклатурой изделий. Для широкой номенклатуры изготавливаемых конструкций предпочтительнее использовать короткие стенды или силовые формы. Для линейных стендов рекомендуется пользоваться следующими данными: длина линейных стендов 75-120 м; ширина стендовой полосы – до 3,6 м. Число стендовых полос в пролёте цеха определяется из расчёта необходимости загрузки работающих, но не менее 2; оборачиваемость стендов 1 – 1,5 сут. Проектируем стендовые линии для производства стропильных балок размером 11,95х1,4х0,3 м, Vб=2,19м3 , и ригелей размером 11,975х0,52х0,85 м, Vб=2,32м3 . Годовая производительность стендовой технологической линии определяется по формуле:
где Коэффициент оборачиваемости стенда в 1 сут. равен:
По стендовой технологии изготавливается два вида изделий: стропильные балки (требуемая производительность 14500м3 /г) и ригели (требуемая производительность 15500м3 /г). Для производства стропильных балок размером 11,95х1,4х0,3 (Vб=2,19м3
) применяем длинномерный стенд. Т.к. максимальная длина стенда может быть – 120м, то принимаем, что в стендовую линию входят 9 форм. В одну форму помещается Производительность стендовой линии равна:
Одной стендовой линии недостаточно, поэтому принимаем две. Тогда общая производительность стендовой технологии Ширина форм стендовой линии равна где Коэффициент оборачиваемости стендов Для производства ригелей размером 11,975х0,52х0,85 (Vб=2,32м3
), т.к. они предварительно напряженные, удобнее использовать короткие стенды. В одну форму помещается Производительность стенда равна:
Необходимое количество стендов: Тогда общая производительность стендовой линии по изготовлению ригелей:
Ширина форм стендовой линии равна где Коэффициент оборачиваемости стендов Для смазки поверхностей форм применяем обратную эмульсию ОЭ-2 следующего состава: эмульсол ЭКС с кислотным числом 8…10 – 20, насыщенный раствор гидрата окиси кальция – 80%. Данная эмульсия предназначена для обработки металлических и деревянных поверхностей. Расход на 1 м2 поверхности 400…250 г в зависимости от температуры смазки. Выбор технологического оборудования Для натяжения арматуры используем гидродомкраты:
Для уплотнения бетонной смеси выбираем вибраторы прикрепляемые пневматические, статический момент дебалансов которых 10Н – Вп-2. Вибраторы предназначены для установки на опалубках или формах при уплотнении бетонных смесей и на бункерах с целью улучшения выгрузки материалов. Техническая характеристика вибратора ВП-2 ТУ 22-ЭД1-866-80, И1-80 : Расход сжатого воздуха при давлении 0,5 МПа, м3 /мин 0,7 Частота колебаний, Гц 200 Масса, кг 3 При выборе бетонораздатчика, руководствуемся тем, что количество помещаемой смеси должно быть большим, чем необходимо для заполнения одной формы. Если объём бетонной смеси в форме не может быть покрыт объёмом бетонораздатчика, то предусматривается, что бетонораздатчик имеет наибольшую ёмкость и делает несколько заездов. Раздаточный бункер выбираем в зависимости от его вместимости, она должна соответствовать вместимости бункера бетоноукладчика. Для производства стропильных балок: Техническая характеристика бетонораздатчика СМЖ-354 : Ширина колеи, мм 1400 Число бункеров, шт 1 Вместимость буккеров, м3 2,6 Ширина ленты питателей, мм 250 Скорость передвижения, м/мин 12 Производительность, м3 /час 14 Габариты, м 10,04х1,91х3,27 Масса, т 4,85 Завод-изготовитель Ленчанский “Строммашина” Вместимость бункера бетонораздатчика (2,6м3 ) меньше объёма бетона в форме (4,38), поэтому он делает два заезда. Для подачи бетона из бетоносмесительного отделения в формовочные пролёты на заводе. Техническая характеристика бункера раздаточного с прицепом СМЖ-1А ТУ 22-4728-80Е: Вместимость бункера, м3 2,4 бадьи, м3 1,2 Скорость передвижения, м/мин до 60 Установленная мощность, кВт 8 Колея, мм 1720 Шкаф управления вынесен Габарит, мм 4285х940х1495 Масса, кг 3350 Для производства ригелей: Техническая характеристика бетонораздатчика СМЖ-425 : Ширина колеи, мм 1100 Число бункеров, шт 1 Вместимость буккеров, м3 4 Ширина ленты питателей, мм 400 Скорость передвижения, м/мин 14,5 Производительность, м3 /час 28 Установленная мощность, кВт 7,4 Габариты, м 10,6х1,942х3,145 Масса, т 5,35 Завод-изготовитель Ленчанский “Строммашина” Вместимость бункера бетонораздатчика (4м3 ) меньше объёма бетона в форме (13,92), поэтому он делает четыре заезда на заполнение одной формы. Бункер раздаточный принимаем СМЖ-1А., аналогичный для производства стропильных балок. 8. ГЕНЕРАЛЬНЫЙ ПЛАН ЗАВОДА Генеральный план завода – это графическое изображение всех зданий и сооружений завода ЖБИ, а также складов, транспортных и энергетических сооружений, инженерно-технических коммуникаций, сети организации обслуживания и охраны предприятия, элементов благоустройства территории. Генеральный план завода мощностью 61 тыс.м3 в год: В главном корпусе размещены две стендовые лини для изготовления стропильных балок; стендовая линия для изготовления ригелей; конвейерная линия для изготовления наружных стеновых панелей. Перпендикулярно к основным пролётам главного корпуса размещен арматурный цех, что даёт возможность подавать арматуру в указанные пролёты с помощью самоходных тележек. Бетоносмесительный цех пристроен к главному корпусу. Он имеет два смесителя, из которых бетонная смесь в самоходных бункерах по трём эстакадам подаётся в пролёты главного корпуса. Пролёты склада готовой продукции размещены перпендикулярно к пролётам главного корпуса и оснащены мостовыми кранами. Доставка основного сырья осуществляется автомобильным транспортом, а вывоз готовой продукции – автомобильным и железнодорожным транспортом. Основные технико-экономические показатели генерального плана: - площадь застройки; - площадь участка; - коэффициент застройки; - площадь озеленения; Эти показатели должны соответствовать требованиям строительных норм и правил. 9. КОНТРОЛЬ КАЧЕСТВА ПРОИЗВОДСТВА ЖБИ При производстве сборных железобетонных изделий осуществляется входной, операционный и приёмочный контроль. План контроля характеризуется принятой последовательностью контроля, объёмом контролируемой продукции, правилами принятого решения по результатам контроля. Операции контроля
Контроль прочности бетона: Проектную марку бетона определяют испытанием до разрушения контрольных образцов, отпускную и передаточную – испытанием до разрушения контрольных образцов или неразрушающими методами (ультрозвуковым методом; методом пластических деформаций, включая определение прочности молотком Кашкарова; методом упругого отскока; методом отрыва и методом скалывания ребра конструкции). Оценку прочности бетона по результатам испытаний контрольных образцов и по результатам испытаний неразрушающими методами проводят статическим методом с учётом фактической однородности бетона, характеризуемой коэффициентом вариации. При высокой однородности бетона принятое при проектировании нормативное значение прочности бетона обеспечивается при средней прочности, меньшей нормируемой. Это обеспечивает возможность снижения расхода цемента. Сборные железобетонные конструкции принимаются партиями по прочности бетона. В партию включаются конструкции, изготовленные из бетона одного состава, приготовленного и уложенного в течение, как правило, одной смены или одних суток, но не более одной недели на одном технологическом комплексе. При контроле прочности бетона по образцу от каждой партии отбираются не менее двух проб от разных замесов и не менее одной пробы в смену. При контроле неразрушающими методами следует контролировать не менее 10% партии и не менее 3 образцов. При этом число контролируемых участков в партии должно быть не меньше 9. Приём партии и отправка сборных железобетонных изделий потребителю осуществляется только после испытания всех образцов, относящихся к данной серии бетона, или проверке конструкций, представляющих партию неразрушающими методами. Для обеспечения оперативности статического контроля целесообразны централизованная обработка информации о прочности бетона и выдаче требуемых значений прочности с помощью ЭВМ с использованием конкретных программ расчета. Контроль предварительного натяжения арматуры При изготовлении предварительно напряжённых железобетонных конструкций усилие натяжения арматуры измеряют манометром, по усилию поперечной оттяжки арматуры, по частоте собственных колебаний арматуры и по удлинению арматуры. Манометром измеряют усилие в процессе механического натяжения арматуры гидравлическими домкратами, поэтому манометры и гидравлические домкраты должны быть отгадуированы совместно. При измерении натяжения арматуры по усилию поперечной оттяжки применяются приборы с собственной базой и без неё. Усилие натяжения измеряют после его завершения. Наиболее распространение получили приборы ПРД и ПРДУ. Частотным методом измеряют усилие натяжения арматуры также после завершения натяжения арматуры. Наибольшее распространение получили приборы типа ИП11. Измерение усилия натяжения по удлинению арматуры используют для контроля усилия натяжения параллельно с другими методами. Расчет контролируемой величины удлинения ведётся с учетом упругопластических свойств стали в соответствии с ГОСТ 22362-77. Контроль качества закладных деталей и арматурных изделий При изготовлении сварных каркасов, сеток, закладных деталей контролируют геометрические размеры, внешний вид, качество выполнения сварных соединений. Контролю подлежат следующие геометрические размеры: габаритные размеры и расстояние между крайними стержнями по длине и ширине арматурных изделий; расстояния между стержнями; расстояния между элементами закладных деталей и их взаимное положение; плоскостность элементов закладных деталей; размеры сварных соединений; размеры и число наружных опор и других дефектов сварных соединений. Дополнительные отклонения по ГОСТ 10922-75. При контроле внешнего вида фиксируют отсутствие отслаивающихся ржавчины и окалины, следов масла, битума и т.п., некоторые виды видимых дефектов сварных соединений. Приёмку арматурных изделий и закладных деталей производят партиями. Партия не должна превышать числа изделий, изготовленных одним сварщиком в течении одной смены, при этом она должна состоять из изделий одного типоразмера. Партию принимают по результатам контроля не меньше чем 3 изделий. Приёмочный контроль Приёмочный контроль сборных железобетонных изделий предусматривает проверку их прочности, жесткости и трещиностойкости и приёмку по совокупности показателей качества, на основании которой принимают решение о соответствии изделия или партии изделий требованиям Государственных стандартов и рабочих чертежей. Результаты приёмочного контроля, данные входного и операционного контроля по показателям качества заносят в специальный журнал. 10. ОХРАНА ТРУДА, ТЕХНИКА БЕЗОПАСНОСТИ, ПРОИЗВОДСТВЕННАЯ САНИТАРИЯ И ПРОТИВОПОЖАРНЫЕ МЕРОПРИЯТИЯ При проектировании и эксплуатации предприятий сборного железобетона в целях обеспечения безопасных и нормальных санитарно-гигиенических условий труда следует руководствоваться действующими правилами техники безопасности и производственной санитарии, а также правилами по технике безопасности, действующими в каждом данном ведомстве (тресте, управлении, комбинате, заводе и т.д.) В них приведены требования к предприятию в целом, отдельным его цехам, технологическим процессам, транспортным устройствам и вибрационному оборудованию, способствующие снижению уровня шума и улучшению санитарно-гигиенических условий труда, а также регламентированы нормативы по естественному и искусственному освещению помещений, их отоплению и вентиляции. Нормативные требования к производственным зданиям предприятий сборного железобетона: Объём на одного работающего, м3 …………………………. 15 Площадь на одного работающего, м2 ……………………… 4,5 Наименьшая высота здания, м ……………………………… 3-3,2 Температура воздуха в здании, ˚С …………………………. 16-23 Максимальная температура поверхности теплоизоляции Производственных источников тепла, ˚С ………………….. 45 Ширина проходов, м: главных ………………………………………………… 1,5 для обслуживания механизмов ………………………. 0,8 Расстояние от штабеля готовой продукции до крайней точ- ки транспортных устройств (в помещениях и на складе го- товой продукции), м ………………………………………… 1 Площадь помещения для обогрева работающих на откры- тых площадках на одного работающего по наибольшей чи- сленности в смене, м2 ……………………………………….. 0,5 в цехах, где по техническим необходимостям на продолжительное время в помещениях открывают ворота и исключена возможность устройства тамбуров и шлюзов, следует предусматривать устройство воздушных завес в следующих случаях: а) у ворот помещений, открываемых не менее чем на 40 мин в смену, а также в зданиях, расположенных в районах с расчётной температурой воздуха -20˚С и ниже; б) когда недопустимо снижение температуры воздуха. В производственных и вспомогательных зданиях независимо от степени загрязнения воздуха необходимо предусматривать естественную или принудительную вентиляцию. Для предотвращения загрязнения воздуха рабочих помещений вредными выделениями и их распространения следует выполнять следующие мероприятия: оборудование, приборы, трубопроводы и другие источники значительного выделения конвекционного или лучистого тепла должны быть теплоизолированы; оборудование и устройства, при эксплуатации которых происходит влаговыделение, следует надёжно укрывать; процессы со значительным выделением пыли должны быть изолированы и осуществляться без непосредственного участия в них людей; оборудование или его части, являющиеся источником выделения пыли, должны быть укрыты и максимально герметизированы; выделяющиеся из устройств технологические выбросы в виде пыли, паров и вредных газов перед выпуском в атмосферу должны быть подвергнуты эффективной очистке. В формовочных цехах и других помещениях, где используют вибрационные механизмы, особое внимание надо уделять устранению воздействия вибрации на работающих и снижению уровня шума. Во всех случаях, когда уровни шума и вибрации на рабочих местах превышают допустимые пределы, необходимо принимать меры к их уменьшению до нормируемых путём устройства звуковой и вибрационной изоляции помещений, рабочих мест и машин, использования средств индивидуальной защиты работающих: а) установка виброплощадок и ударных столов на массивные фундаменты, изолированные от пола и по периметру упругими прокладками; б) установка машин с вибрационными механизмами на пружинные или резиновые виброизоляторы; в) устройство на рабочих местах платформ на упругих прокладках; г) изоляция пультов управления и смотровых кабин от воздействия вибрационных механизмов; д) обязательное крепление форм на виброплощадках и ударных столах; е) укрытие виброплощадок акустическими кожухами и устройство звукоизоляционного укрытия для ударных столов и облицовка приямков звукопоглощающими материалами; ж) размещение источников шума в изолированных помещениях или закрытие рабочих постов с вибрационными механизмами шумозащитным кожухом; з) своевременный профилактическй осмотр, ремонт и наладка вибрационного оборудования. В качестве средств индивидуальной защиты от вибрации и шума необходимо использовать специальную обувь на толстой подошве из губчатой резины, рукавицы с прокладкой пенопласта, противошумные наушники (антифоны). В помещениях с повышенным пылевыделением нормируется допустимая концентрация пыли в зависимости от содержания свободного кремнезёма в воздухе рабочей зоны. На складах цемента и в бетоносмесительных цехах для пылеосаждения используют центробежные пылеосадители типа НИИОГАЗ производительностью от 25 до 110 м3 /мин, которые улавливают от 70 до 90 процентов пыли. Окончательно воздух от пыли очищают матерчатыми фильтрами производительностью от 30 до 125 м3 /мин, обеспечивающими очистку воздуха до 97-99% при начальном содержании пыли до 450 мг/м3 . Для индивидуальной защиты работающих от высокой концентрации пыли рекомендуются респираторы, герметичные защитные очки и спецодежда из пыленепроницаемой ткани. С целью обеспечения безопасных условий труда и предупреждения травматизма на основных технологических переделах необходимо соблюдать следующие требования: при работе правильно-отрезных станков и станков для чистки и правки стержневой арматуры подключать их кожух к местной системе аспирации; при сварочных работах заземлять сварочные аппараты, изоляцию токопроводов, защищать глаза работающих очками и щитками со светофильтрами, укладывать резиновые коврики или деревянные решетки на рабочих местах, включать вытяжную вентиляцию у сварочных аппаратов и ограждать сварочные посты защитными экранами; при изготовлении бетонной смеси проводить периодический профилактический осмотр и ремонт системы вентиляции, следить за герметизацией кабин пультов управления смесителями и дозаторами, исправным состоянием системы сигнализации указателей уровня, сводообрушителей и других устройств автоматизации, ремонтировать смесители после изъятия предохранителей из электропроводки и установки сигнала, запрещающего включение машины; при натяжении арматуры гидродомкратами устанавливать щиты по торцам стендов и форм, ограждать гидродомкраты сетками высотой не менее 1,8 м, включать сигнальную лампу на время натяжения арматуры, укладывать сетки, каркасы и закладные детали при усилении натянутой арматуры, не превышающем 50% проектного, периодически испытывать тяги захватов и упоров нагрузкой, равной 110% максимального усилия натяжения; при натяжении арматуры электротермическим способом укладывать и снимать нагретые стержни при выключенном токе, включать сигнальную лампу на время нагрева стержней, устраивать защитные козырьки у упоров силовых форм; при формовании включать звуковую сигнализацию при пуске самоходных бетоноукладчиков или машины для распалубки кассет, осуществлять дистанционное управление формовочными машинами, включая и кассеты с виброизолированных площадок; при тепловой обработке следить за отсутствием утечки пара через неплотности в стенках камер, гидравлических затворах камер и трубопроводов, загружать и выгружать изделия из камер автоматическими траверсами, ограждать весовые мостики между камерами твердения. Для обеспечения противопожарных требований необходомо: соблюдать при размещении зданий и сооружений противопожарные резервы между ними во избежание переноса огня; обеспечивать возможность подъезда пожарной машины к любому объекту завода; использовать сети водоснабжения для огнетушения, для чего во всех сетях должны быть предусмотрены пункты пожарного водозабора; обеспечить все объекты первичными средствами огнетушения. Во всех производственных, бытовых и административных помещениях на случай возникновения пожара должна быть обеспечена возможность безопасной эвакуации людей через эвакуационные выходы. Эвакуационными считаются выходы, если они ведут: из помещения первого этажа наружу непосредственно или через коридор, вестибюль, лестничную клетку; из помещения любого этажа, кроме первого, в коридор или проход, ведущий к лестничной клетке или непосредственно в лестничную клетку, имеющую самостоятельный выход наружу или через вестибюль; из помещения в соседние помещения в том же этаже, обеспеченные выходами. Основные документы по технике безопасности: законы Российской Федерации об охране труда, Конвенция -148 ИОТ 1977г. “О защите трудящихся от риска, вызываемого загрязнением воздуха, шумом и вибрацией на рабочих местах”, ратифицированной указом Президиума Верховного Совета СССР от 29 марта 1988 года №8694 – XI, Конвенцией 155МОТ 1981г. “О безопасности и гигиене труда в производственной среде”, ратифицированной Федеральным законом Российской Федерации от 11 апреля 1998 года №58-Ф3. СПИСОК ИСПОЛЬЗОВАННОЙ ЛИТЕРАТУРЫ: 1. Технология производства бетонных и железобетонных конструкций: Учебно-методическое пособие к выполнению курсового проекта. Череповец: ЧГУ, 1997. 36с. 2. Цителаури Г.И. Проектирование предприятий сборного железобетона. Учебник для вузов. – М.: Высшая школа, 1986. – 312с. 3. Г.И. Бордичевский, А.П. Васильев. Справочник по производству сборных железобетонных изделий. Под ред. К.В. Михайлова, А.А,Фоломеева. – М.: Стройиздат, 1982 - 440с. 4. Типовые железобетонные конструкции зданий и сооружений для промышленного строительства. Справочник проектировщика. Серия – М. Под редакцией Г.И. Бердичевского. – М.: Стройиздат, 1974, -398с. 5. Баженов Ю.М. Технология бетона: Учебное пособие для техн. спец. строительных вузов. – 2-е изд., перераб. – М.: Высшая школа, 1987 -415с. ил. |
|||||||||||||||||||||||||||||||||||||||||||||||||||||||||||||||||||||||||||||||||||||||||||||||||||||||||||||||||||||||||||||||||||||||||||||||||||||||||||||||||||||||||||||||||||||||||||||||||||||||||||||||||||||||||||||||||||||||||||||||||||||||||||||||||||||||||||||||||||||||||||||||||||||||||||||||||||||||||||||||||||











