Контрольная работа: Многомерные и многосвязные системы
|
Название: Многомерные и многосвязные системы Раздел: Рефераты по математике Тип: контрольная работа | ||||||||||||||||||||||||||||||||||||||||||||||||||||||||||||||||||||||||||||||||||||||||||||||||||||||||||||||||||||||||||||||||||||||||||||||||||||||||||||||||||||||||||||||||||||||||||||||||||||||||||||||||||||||||||||||||||||||||||||||||||||||||||||||||||||||||||||||||||||||||||||||||||||||||||||||||||||||||||||||||||||||||||||||||||||||||||||||||||||||||||||
Контрольная работа«Многомерные и многосвязные системы»ЗаданиеДля многомерной системы, заданной матрицами А, В, С, получить:1. Передаточную функцию 2. Частотную передаточную функцию 3. Годограф; 4. Импульсную характеристику 5. Переходную характеристику 6. ЛАЧХ 7. ФЧХ Составить структурную схему системы. Дано:
Решение:1. Передаточная функцияРассматриваем линейную систему с постоянными параметрами:
Преобразуем по Лапласу матричные уравнения:
где
– лапласовы преобразования координат состояния Преобразуем уравнение (1):
Выносим за скобки:
где
Умножаем слева на обратную матрицу:
Откуда получаем:
Подставляем в уравнение (2):
Получаем:
Выражение Находим её:
Находим обратную матрицу:
Подставляем:
2. Частотная передаточная функцияДля получения частотной передаточной функции производим замену в передаточной функции
получаем:
Выделим действительную и мнимую части:
для этого умножим числитель и знаменатель
3. ГодографГодограф – это график частотной передаточной функции Изменяя частоту, производим расчёт действительной Результат расчёта записываем в таблицу 1. Таблица 1. Расчёт годографа
Можно построить график на комплексной плоскости – рис. 1.
4. Импульсная характеристикаИмпульсная характеристика вычисляется как обратное преобразование Лапласа от передаточной функции:
Найдём полюса передаточной функции:
Видим – полюса расположены в правой полуплоскости, а это значит, что процесс будет расходящимся. Разложим передаточную функцию на простые дроби:
Используя табличные значения, находим:
Таким образом, получаем:
Изменяя время от нуля до 5 секунд, производим расчёт по формуле, результаты заносим в таблицу 2. Таблица 2. Импульсная характеристика
Строим график импульсной характеристики – рис. 2.
Рис. 2. Импульсная характеристика 5. Переходная характеристика Переходная характеристика вычисляется как обратное преобразование Лапласа от передаточной функции, делённой на р:
Найдём полюса передаточной функции:
Видим – полюса расположены в правой полуплоскости, а это значит, что процесс будет расходящимся. Разложим передаточную функцию, делённую на р, на простые дроби:
Приводим к общему знаменателю:
Приравниваем коэффициенты при равных степенях р:
Откуда находим:
Используя табличные значения, находим:
Таким образом, получаем:
Изменяя время от нуля до 5 секунд, производим расчёт по формуле, результаты заносим в таблицу 3. Таблица 3. Переходная характеристика
Строим график переходной характеристики – рис. 3.
Рис. 3. Переходная характеристика 6. ЛАЧХДля получения ЛАЧХ найдём модуль частотной передаточной функции:
далее находим 20 десятичных логарифмов от найденного модуля:
Это и есть выражение для ЛАЧХ. Расчёт значений ЛАЧХ ведём в логарифмическом масштабе. Результаты записываем в таблицу 4. Размерность ЛАЧХ – децибелы (дБ). Таблица 4. ЛАЧХ
Строим график ЛАЧХ – рис. 4.
7. ФЧХФЧХ – угол поворота вектора
Расчёт значений ФЧХ ведём в логарифмическом масштабе. Результаты записываем в таблицу 5. Размерность ФЧХ – радианы (рад). Таблица 5. ФЧХ
Строим график ФЧХ – рис. 5.
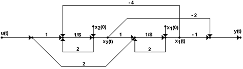
Рис. 5. ФЧХ 8. Структурная схема системыЗаписываем матричные уравнения системы:
Подставляем исходные данные:
Производим умножение матриц:
Получили систему уравнений, на основе которой строим структурную схему – рис. 6.
Рис. 6. Структурная схема системы Часть 2:Осуществить синтез замкнутой системы с собственными числами {–1; –4; ± 5 j }. Построить наблюдатель полного порядка. Дано:
Решение:1. Синтез замкнутой системыРассматриваем линейную систему с постоянными параметрами:
Пусть управление линейно зависит от координат состояния системы:
где
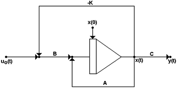
К – матрица коэффициентов обратной связи. После замыкания эта система имеет структуру, изображённую на рис. 7.
Рис. 7. Структура исходной системы Движение системы описывается линейным дифференциальным уравнением:
Таким образом, динамические свойства системы полностью определяются матрицей А – ВК, её характеристическими числами. Характеристический многочлен исходной системы равен:
Спектр характеристических чисел (корни характеристического многочлена):
Желаемый характеристический многочлен замкнутой системы
Пусть матрица коэффициентов обратной связи
Приравниваем коэффициенты при равных степенях многочленов
Решая полученную систему уравнений, получаем:
Искомое управление принимает вид:
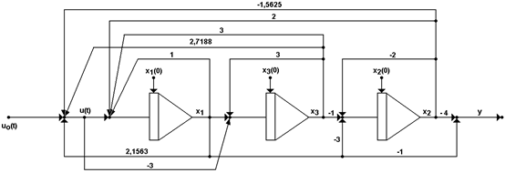
Структура синтезированной системы представлена на рис. 8. Она построена по уравнениям:
Рис. 8. Структура синтезированной системы 2. Построение наблюдателя полного порядкаСистема
называется асимптотическим наблюдателем полного порядка, если для любого начального состояния х(0) и всех Найдём структуру асимптотического наблюдателя, для чего определим ошибку восстановления
Затем потребуем, чтобы Это равенство возможно при:
Таким образом, структура асимптотического наблюдателя полного порядка определяется моделью вида:
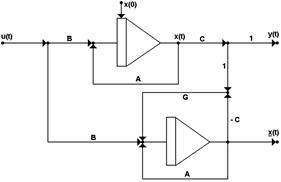
На рис. 9 изображена структура системы и её наблюдателя.
Рис. 9. Структура системы с наблюдателем Задача синтеза наблюдателя системы состоит в том, чтобы найти матрицу Пусть ошибка восстановления
Ошибка восстановления описывается линейным однородным дифференциальным уравнением с матрицей Пусть матрица
тогда матрица
Полюса наблюдателя определяются уравнением:
Переходные процессы в наблюдателе будут несравнимы с процессами в системе, если полюса наблюдателя будут значительно левее полюсов системы. Поскольку характеристические числа замкнутой системы равны: {– 4; ± 5 j }, то расположим полюса наблюдателя в точках:
Желаемый характеристический полином наблюдателя принимает вид:
что будет иметь место тогда, когда:
Решая полученную систему уравнений, получаем:
Находим матрицу:
Модель асимптотического наблюдателя системы принимает вид:
Структура системы со своим асимптотическим наблюдателем полного порядка представлена на рис. 10. Она построена по уравнениям:
|

.
.
.
.
.
.

;
.
,
,




,
.
