Курсовая работа: Проектирование металлического каркаса
|
Название: Проектирование металлического каркаса Раздел: Рефераты по строительству Тип: курсовая работа | |||||||||||||||||||||||||||||||||||||||||||||||||||||||||||||||||||||||||||||||||||||||||||||||||||||||||||||||||||||||||||||||||||||||||||||||||||||||||||||||||||||||||||||||||||||||||||||||||||||||||||||||||||||||||||||||||||||||||||||||||||||||||||||||||||||||||||||||||||||||||||||||||||||||||||||||||||||||||||||||||||||||||||||||||||||||||||||||||||||||||||||||||||||||||||||||||||||||||||||||||||||||||||||||||||||||||||||||||||||||||||||||||||||||||||||||||||||||||||||||||||||||||||||||||||||||||||||||||||||||||||||||||||||||||||||||||||||||||||||||||||||||||||||||||||||||||||||||||||||||||||||||||||||||||||||||||||||||||||||||||||||||||||||||||||||||||||||||||||||||||||||||||||||||||||||||||||||||||||||||||||||||||||||||||||||||||||||||||||||||||||||||||||||||||||||||||||||||||||||||||||||||||||||||||||||||||||||||||||||||||||||||||||||||||||||||||||||||||||||||||||||||||||||||||||||||||||||||||||||||||||||||||||||||||||||||||||||||||||||||||||||||||||||||||||||||||||||||||||||||
| Федеральное агентство по образованию Государственное образовательное учреждение высшего профессионального образования Кафедра: Строительных конструкций Курсовой проект по дисциплине «Металлические конструкции» На тему: «Проектирование металлического каркаса промышленного здания» Выполнил: ст. гр. ПГС Маковецкий А.О. Проверил : Тонков Л.Ю. Пермь 2009 План
1 Компоновка поперечной рамы здания 2 Вычисление величин нагрузок 2.1 Нагрузки от собственного веса конструкций здания 2.2 Нагрузка от стенового ограждения при навесных панелях 2.2.1 Эксцентриситет стенового ограждения верхней и нижней частей колонны 2.3 Снеговая нагрузка 3 Статический расчет поперечной рамы 4 Расчет ступенчатой колонны производственного здания 4.1 Расчет верхней части колонны 4.1.1 Определение расчетных длин колонны 4.1.2 Подбор сечения верхней части колонны 4.1.3 Проверка устойчивости верхней части колонны в плоскости действия момента 4.1.4 Проверка устойчивости верхней части колонны из плоскости действия момента 4.2 Подбор сечения нижней части колонны 4.2.1 Проверка устойчивости ветвей 4.2.2 Расчет решетки подкрановой части колонны 4.2.3 Проверка устойчивости колонны в плоскости действия момента как единого стержня 4.3 Узел сопряжения верхней и нижней частей колонны 4.4 Расчет и конструирование базы колонны 4.5 Расчет траверсы 4.6 Расчет анкерных болтов 4.6 Расчет анкерной плитки 5 Расчет фермы в осях А-Б 5.1 Геометрические размеры и расчётная схема фермы 5.2 Узловые нагрузки 5.3. Статический расчёт 5.4 Расчёт стержней на прочность и устойчивость 5.5 Набор сечений стержней 5.6 Подбор сечений стержней 5.7 Расчет длин швов 5.8 Расчет и конструирование узлов фермы 5.8 1 Нижний опорный узел 5.8.2 Верхний опорный узел 5.8.3 Промежуточный узел 6.Расчет подкрановой балки 6.1 Статический расчет 6.1.1 Определение расчетных усилий от колес кранов 6.1.2 Определение критического груза 6.1.3 Определение расстояний от колес до опор балки 6.1.4 Проверка правильности расстановки колес на балке 6.1.5 Определение наибольшего изгибающего момента 6.1.6 Определение наибольшей поперечной силы 6.1.7 Определение изгибающего момента и поперечной силы в ПБ от сил торможения 6.2 Подбор сечения подкрановой балки 6.2.1 Определение высоты подкрановой балки 6.2.2 Определение размеров поясов 6 2.3 Выбор элементов тормозной балки 6.2.4 Определение геометрических характеристик подкрановых конструкций 6.2.5 Соединение поясов со стенкой 6.2.6 Проверка общей устойчивости балки 6.2.7 Проверка местной устойчивости стенки ПБ 6.2.8 Расчет опорной части балки 1. Компоновка поперечной рамы здания
Геометрическая схема поперечной рамы здания представлена на рисунке 1.1.
Рис. 1.1 Геометрическая схема поперечной рамыТаблица 1.1.
2 Вычисление величин нагрузок.
2.1 Нагрузки от собственного веса конструкций здания.
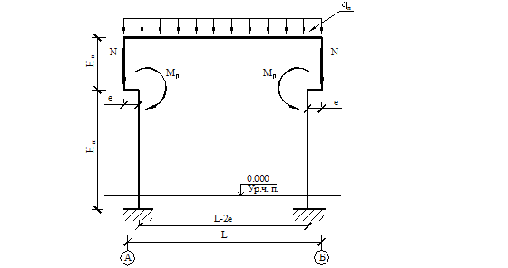
Расчетная схема поперечной рамы здания на постоянную нагрузку представлена на рисунке 2.1.
Таблица 2.1.
Погонная нагрузка на ригель рамы. Нормативная нагрузка на ригель рамы:
Расчетная нагрузка на ригель рамы:
где В – шаг рам. Для бесфонарного здания и теплой кровлей следует сложить величины нагрузок с номерами следующих позиций (1-9) табл. 2.1. С незначительной погрешностью сюда можно включить нагрузку от веса промышленной проводки.
2.2 Нагрузка от стенового ограждения при навесных панелях Эта нагрузка определяется отдельно для верхней и нижней частей колонны. Если стеновое ограждение по рядам колонн различное, то нагрузка от стенового ограждения определяется для каждого ряда колонн. При определении нагрузки от стенового ограждения следует учитывать, что, как правило, цокольные панели опираются на фундаментные балки и ее вес не передается на колонны. Если стеновое ограждение продольных стен одинаковое, то нагрузки на каждую стойку рамы соответственно для верхнего и нижнего участков колонны определяется по формулам:
где
B – ширина грузовой площади (при отсутствии стоек фахверка продольных стен равна шагу рам). Для определения величины сейсмической нагрузки по методике, изложенной в [7], следует вычислить нагрузки: – от веса части здания выше нижней отметки ригеля; – от веса всех стоек фахверка (при их наличии); – веса участков стен в пределах высоты колонн по периметру здания (при самонесущих стенах – продольных стен); – веса стен примыкающих к стойкам фахверка (при его наличии). Все названные нагрузки следует учитывать с коэффициентом 0,9. 2.2.1 Эксцентриситет стенового ограждения верхней и нижней частей колонныЭксцентриситет опирания стенового ограждения верхней и нижней частей колонны находится по формуле:
Нагрузку от веса части здания выше нижней отметки ригеля.
L, Lz – длина здания и пролет соответственно; А1 – площадь участков двух продольных стен от низа ригеля до верха продольных стен; А2 – площадь участков двух торцевых стен от низа ригеля до верха торцевых стен. Нагрузка от веса стоек фахверка.
где
Нагрузка от веса участков стен в пределах высоты колонн и веса связей по колоннам.
А3, А4 – площадь продольных и торцевых стен соответственно в пределах уровня колонн (без учета оконного остекления, при самонесущих стенах – А4 = 0). А5, А6 – площадь оконного остекления продольных и торцевых стен соответственно (при самонесущих стенах – А6 = 0).
Нагрузку от веса участков стен, примыкающих к стойкам фахверка.
где А9 – грузовая площадь стеновой панели торцевой стены, приходящаяся на одну стойку фахверка. 2.3Снеговая нагрузкаИнтенсивность расчетной снеговой нагрузки, согласно [3], определяется по формуле:
где В – шаг рам, Sо
– нормативное значение веса снегового покрова на один квадратный метр горизонтальной поверхности земли, принимается по [4] в зависимости от района строительства (Sо
= 1,5
2.4 Нагрузки от мостовых кранов При движении мостового крана на крановый рельс передаются силы трёх направлений, рисунок 2.2.
Рис. 2.2. Схема давления колеса на крановый рельсНаибольшее вертикальное нормативное усилие Fк max определяется при крайнем положении тележки крана на мосту с грузом равным грузоподъемности крана, рисунок 2.3.
Рис. 2.3 Положение тележки крана при определении Fк max Вертикальное давление на раму:
где
Схема загружения при нахождения крановой нагрузки.
Рис. 2.4. От вертикальных крановых нагрузок возникают сосредоточенные моменты, которые определяются по формулам:
где Расчетное горизонтальное давление на колонну:
где
где Q – грузоподъемность крана; GТ – вес тележки крана. 2.5 Ветровая нагрузка В соответствии с обозначениями (рис. 2.2.) величины ветровой нагрузки определяются по формулам:
где
С – аэродинамический коэффициент активного давления ветра, С = 0,8; С3 – аэродинамический коэффициент отсоса ветра, С3 = 0,6; k – коэффициент, учитывающий возрастание скоростного напора ветра по высоте. В данном случае, берется из таблицы для типа местности А. А11, А12 – заштрихованные площади на эпюрах ветрового давления (рис. 2.5.) для активного давления и отсоса соответственно. Сооружение считается расположенным в местности данного типа, если эта местность сохраняется с наветренной стороны сооружения на расстоянии 30×h – при высоте сооружений h до 60 м и 2 км – при большей высоте. Схемы действия ветровой нагрузки на раму: расчетная и эквивалентная. Рис. 2.5. Нахождение величин qi (рис. 2.5.) для определения А11, А12 следует вычислять по формулам, подставляя вместо k соответствующие значения из табл. 2 [5]. Промежуточные значения k находятся интерполяцией.
3 Результаты статического расчета рамы
Исходные данные, используемые при расчете, см. табл. 3 .1 Таблица 3 .1 Исходные данные для расчета ┌────────────────────────────────────────┬─────────────┬─────────┐ │ Исходное данное │ Значение │ Ед.изм. │ ├────────────────────────────────────────┼─────────────┼─────────┤ │ Пролет здания │ 24.0 │ м │ │ Длина температурного блока │ 96.0 │ м │ │ Шаг колонн │ 6.0 │ м │ │ Высота колонны │ 15.20 │ м │ │ Ширина надкрановой части колонны │ 0.45 │ м │ │ Ширина подкрановой части колонны │ 1.50 │ м │ │ Высота надкрановой части колонны │ 5.35 │ м │ │ Постоянная нагрузка: погонная на ригель; │ 9.7 │ кН/м │ │ от надкрановой части колонны; │ 15.7 │ кH │ │ от подкрановой части колонны │ 63.0 │ кН │ │ от веса подкрановых конструкций │ 42.0 │ кН │ │ Снеговая погонная нагрузка │ 12.8 │ кН/м │ │ Моменты Ммах; │ 741.8 │ кН*м │ │ Мmin │ 166.1 │ кН*м │ │ Вертикальное давление на раму: Dmax; │ 989.0 │ кН │ │ Dmin │ 222.0 │ кН │ │ Горизонтальное давление на колонну: Т │ 59.5 │ кН │ │ Грузоподемность крана │ 800.0 │ кН │ │ Активная сосредоточен. нагрузка от ветра │ 10.6 │ кН │ │ Активная погонная нагрузка от ветра │ 1.9 │ кН/м │ │ Пассивная сосредоточ. нагрузка от ветра │ 7.9 │ кН │ │ Пассивная погонная нагрузка от ветра │ 1.4 │ кН/м │ │ Отнош.жесткостей ригеля и верха колонны │ 23.0 │ │ │ Отнош.жесткостей низа и верха колонны │ 8.0 │ │ │ К-т В(к-т простр.жёсткости каркаса=F(B)) │ 0.0500 │ │ │ Эксцентриситеты опирания ригеля: левый; │ 0.5250 │ м │ │ правый │ 0.5250 │ м │ │ Высота подкрановой балки │ 1.0 │ м │ │ Давление колеса на рельс │ 370.0 │ кН │ │ Эксцентрисит.опир.стен: Eверхн.левый; │ 0.3200 │ м │ │ Енижн.левый; │ 0.8450 │ м │ │ Еверхн.правый │ 0.3200 │ м │ │ Енижн.правый │ 0.8450 │ м │ │ Нагрузка от веса стен: Gверхн.левой; │ 19.4 │ кН │ │ Gнижн.левой; │ 22.2 │ кН │ │ Gверхн.правой │ 19.4 │ кН │ │ Gнижн.правой │ 22.2 │ кН │ │ Данные из СНиП II-7-81: бальность пл-ки ;│ 7 │ │ │ повторяемость; │ 2 │ │ │ категория грунта │ 3 │ │ │ к-т К1 по табл.3 │ 0.25 │ │ │ к-т К2 по табл.4 │ 1.00 │ │ │ к-т по табл.5 │ 1.00 │ │ │ Для нижн.части сечен.колонны: площадь; │ 200.0 │ см2 │ │ момент инерции │ 970000.0 │ см4 │ │Нагр:от веса части здан.выше низа ригеля; │ 3670.3 │ кН │ │ от веса всех стоек фахверка; │ 167.4 │ кН │ │ от веса стен ниже ригеля(продольных) │ 743.0 │ кН │ │ от веса стен ниже ригеля(торцевых); │ 234.6 │ кН │ │ от Dmax моста одного крана(без тележки); │ 920.0 │ кН │ │ от веса мостов всех кранов пролёта │ 1840.0 │ кН │ Таблица 3 .2 Внутренние усилия в характерных сечениях рамы ┌─────┬──────────┬───────┬───────┬──────────┬──────────┬──────────┐ │N п.п│ Вид наг- │N сече-│К-т со-│Изгиб. мо-│Продольная│Поперечная│ │ │ рузки │ния │четания│мент М,кНм│сила N, кН│сила Q, кН│ ├─────┼──────────┼───────┼───────┼─────────┼──────────┼──────────┤ │ 1 │ 2 │ 3 │ 4 │ 5 │ 6 │ 7 │ ├─────┼──────────┼───────┼───────┼─────────┼──────────┼──────────┤ │ │ │ 1-1 │ 1 │ -74.5 │ -152.3 │ -3.1 │ │ 1 │Постоянная│ 2-2 │ 1 │ -56.0 │ -181.0 │ -3.1 │ │ │ │ 3-3 │ 1 │ 39.0 │ -223.0 │ -3.1 │ │ │ │ 4-4 │ 1 │ 87.9 │ -308.2 │ -3.1 │ │ │ │ 5-5 │ 1 │ -74.5 │ -152.3 │ 3.1 │ │ │ │ 6-6 │ 1 │ -56.0 │ -181.0 │ 3.1 │ │ │ │ 7-7 │ 1 │ 39.0 │ -223.0 │ 3.1 │ │ │ │ 8-8 │ 1 │ 87.9 │ -308.2 │ 3.1 │ │ │ │ 9-9 │ 1 │ 0.0 │ -3.1 │ 152.3 │ │ │ │ 10-10 │ 1 │ 0.0 │ -3.1 │ -152.3 │ ├─────┼──────────┼───────┼───────┼─────────┼──────────┼──────────┤ │ │ │ 1-1 │ 1 │ 0.0 │ -192.0 │ 6.7 │ │ 2 │Снеговая │ 2-2 │ 1 │ -35.7 │ -192.0 │ 6.7 │ │ │ │ 3-3 │ 1 │ 65.1 │ -192.0 │ 6.7 │ │ │ │ 4-4 │ 1 │ -0.7 │ -192.0 │ 6.7 │ │ │ │ 5-5 │ 1 │ 0.0 │ -192.0 │ -6.7 │ │ │ │ 6-6 │ 1 │ -35.7 │ -192.0 │ -6.7 │ │ │ │ 7-7 │ 1 │ 65.1 │ -192.0 │ -6.7 │ │ │ │ 8-8 │ 1 │ -0.7 │ -192.0 │ -6.7 │ │ │ │ 9-9 │ 1 │ 0.0 │ 6.7 │ 192.0 │ │ │ │ 10-10 │ 1 │ 0.0 │ 6.7 │ -192.0 │ ├─────┼──────────┼───────┼───────┼─────────┼──────────┼──────────┤ │ │ │ 1-1 │ 1 │ 0.0 │ 0.0 │ -35.8 │ │ 3 │Вертикаль-│ 2-2 │ 1 │ 191.5 │ 0.0 │ -35.8 │ │ │ная от кра│ 3-3 │ 1 │ -550.3 │ -989.0 │ -35.8 │ │ │нов (Dmax │ 4-4 │ 1 │ -197.8 │ -989.0 │ -35.8 │ │ │на левой │ 5-5 │ 1 │ 0.0 │ 0.0 │ 24.3 │ │ │стойке) │ 6-6 │ 1 │ 191.5 │ 0.0 │ 24.3 │ │ │ │ 7-7 │ 1 │ 25.4 │ -222.0 │ 24.3 │ │ │ │ 8-8 │ 1 │ 377.9 │ -222.0 │ 24.3 │ │ │ │ 9-9 │ 1 │ 0.0 │ -35.8 │ 0.0 │ │ │ │ 10-10 │ 1 │ 0.0 │ -35.8 │ 0.0 │ ├─────┼──────────┼───────┼───────┼─────────┼──────────┼──────────┤ │ │ │ 1-1 │ 1 │ 0.0 │ 0.0 │ -24.3 │ │ 4 │Вертикаль-│ 2-2 │ 1 │ 191.5 │ 0.0 │ -24.3 │ │ │ная от кра│ 3-3 │ 1 │ 25.4 │ -222.0 │ -24.3 │ │ │нов (Dmax │ 4-4 │ 1 │ 377.9 │ -222.0 │ -24.3 │ │ │на правой │ 5-5 │ 1 │ 0.0 │ 0.0 │ 35.8 │ │ │стойке) │ 6-6 │ 1 │ 191.5 │ 0.0 │ 35.8 │ │ │ │ 7-7 │ 1 │ -550.3 │ -989.0 │ 35.8 │ │ │ │ 8-8 │ 1 │ -197.8 │ -989.0 │ 35.8 │ │ │ │ 9-9 │ 1 │ 0.0 │ -35.8 │ 0.0 │ │ │ │ 10-10 │ 1 │ 0.0 │ -35.8 │ 0.0 │ ├─────┼──────────┼───────┼───────┼─────────┼──────────┼──────────┤ │ │ │ 1-1 │ 1 │ 0.0 │ 0.0 │ -19.3 │ │ 5 │Горизон- │ 2-2 │ 1 │ 44.0 │ 0.0 │ 40.1 │ │ │тальная от│ 3-3 │ 1 │ 44.0 │ 0.0 │ 40.1 │ │ │кранов (T │ 4-4 │ 1 │ -351.4 │ 0.0 │ 40.1 │ │ │на левой │ 5-5 │ 1 │ 0.0 │ 0.0 │ 7.9 │ │ │стойке) │ 6-6 │ 1 │ 42.2 │ 0.0 │ 7.9 │ │ │ │ 7-7 │ 1 │ 42.2 │ 0.0 │ 7.9 │ │ │ │ 8-8 │ 1 │ 119.8 │ 0.0 │ 7.9 │ │ │ │ 9-9 │ 1 │ 0.0 │ -19.3 │ 0.0 │ │ │ │ 10-10 │ 1 │ 0.0 │ -19.3 │ 0.0 │ ├─────┼──────────┼───────┼───────┼─────────┼──────────┼──────────┤ │ │ │ 1-1 │ 1 │ 0.0 │ 0.0 │ -7.9 │ │ 6 │Горизон- │ 2-2 │ 1 │ 42.2 │ 0.0 │ -7.9 │ │ │тальная от│ 3-3 │ 1 │ 42.2 │ 0.0 │ -7.9 │ │ │кранов (T │ 4-4 │ 1 │ 119.8 │ 0.0 │ -7.9 │ │ │на правой │ 5-5 │ 1 │ 0.0 │ 0.0 │ 19.3 │ │ │стойке) │ 6-6 │ 1 │ 44.0 │ 0.0 │ -40.1 │ │ │ │ 7-7 │ 1 │ 44.0 │ 0.0 │ -40.1 │ │ │ │ 8-8 │ 1 │ -351.4 │ 0.0 │ -40.1 │ │ │ │ 9-9 │ 1 │ 0.0 │ -19.3 │ 0.0 │ │ │ │ 10-10 │ 1 │ 0.0 │ -19.3 │ 0.0 │ ├─────┼──────────┼───────┼───────┼─────────┼──────────┼──────────┤ │ │ │ 1-1 │ 1 │ 0.0 │ 0.0 │ 8.1 │ │ 7 │Ветровая │ 2-2 │ 1 │ -70.7 │ 0.0 │ 18.3 │ │ │(ветер │ 3-3 │ 1 │ -70.7 │ 0.0 │ 18.3 │ │ │слева нап-│ 4-4 │ 1 │ -344.2 │ 0.0 │ 37.2 │ │ │раво) │ 5-5 │ 1 │ 0.0 │ 0.0 │ 10.4 │ │ │ │ 6-6 │ 1 │ 76.2 │ 0.0 │ 18.1 │ │ │ │ 7-7 │ 1 │ 76.2 │ 0.0 │ 18.1 │ │ │ │ 8-8 │ 1 │ 324.1 │ 0.0 │ 34.9 │ │ │ │ 9-9 │ 1 │ 0.0 │ -2.5 │ 0.0 │ │ │ │ 10-10 │ 1 │ 0.0 │ -2.5 │ 0.0 │ ├─────┼──────────┼───────┼───────┼─────────┼──────────┼──────────┤ │ │ │ 1-1 │ 1 │ 0.0 │ 0.0 │ -10.4 │ │ 8 │Ветровая │ 2-2 │ 1 │ 76.2 │ 0.0 │ -18.1 │ │ │(ветер │ 3-3 │ 1 │ 76.2 │ 0.0 │ -18.1 │ │ │справа │ 4-4 │ 1 │ 324.1 │ 0.0 │ -34.9 │ │ │налево) │ 5-5 │ 1 │ 0.0 │ 0.0 │ -8.1 │ │ │ │ 6-6 │ 1 │ -70.7 │ 0.0 │ -18.3 │ │ │ │ 7-7 │ 1 │ -70.7 │ 0.0 │ -18.3 │ │ │ │ 8-8 │ 1 │ -344.2 │ 0.0 │ -37.2 │ │ │ │ 9-9 │ 1 │ 0.0 │ -2.5 │ 0.0 │ │ │ │ 10-10 │ 1 │ 0.0 │ -2.5 │ 0.0 │ ├─────┼──────────┼───────┼───────┼─────────┼──────────┼──────────┤ │ │ │ 1-1 │ 1 │ 0.0 │ 0.0 │ 9.9 │ │ 9 │Сейсмичес-│ 2-2 │ 1 │ -57.1 │ 0.0 │ 11.5 │ │ │кая │ 3-3 │ 1 │ -57.1 │ 0.0 │ 11.5 │ │ │ │ 4-4 │ 1 │ -184.2 │ 0.0 │ 14.3 │ │ │ │ 5-5 │ 1 │ 0.0 │ 0.0 │ 9.9 │ │ │ │ 6-6 │ 1 │ 57.1 │ 0.0 │ 11.5 │ │ │ │ 7-7 │ 1 │ 57.1 │ 0.0 │ 11.5 │ │ │ │ 8-8 │ 1 │ 184.2 │ 0.0 │ 14.3 │ │ │ │ 9-9 │ 1 │ 0.0 │ -9.9 │ 0.0 │ │ │ │ 10-10 │ 1 │ 0.0 │ -9.9 │ 0.0 │ ├─────┼──────────┼───────┼───────┼─────────┼──────────┼──────────┤ │ │ │ 1-1 │ 1 │ 0.0 │ 0.0 │ -9.4 │ │ 10 │Местная │ 2-2 │ 1 │ 50.3 │ 0.0 │ -9.4 │ │ │сейсмичес-│ 3-3 │ 1 │ 50.3 │ 0.0 │ 15.4 │ │ │кая (на │ 4-4 │ 1 │ -101.8 │ 0.0 │ 15.4 │ │ │левой │ 5-5 │ 1 │ 0.0 │ 0.0 │ 0.0 │ │ │стойке) │ 6-6 │ 1 │ 0.0 │ 0.0 │ 0.0 │ │ │ │ 7-7 │ 1 │ 0.0 │ 0.0 │ 0.0 │ │ │ │ 8-8 │ 1 │ 0.0 │ 0.0 │ 0.0 │ │ │ │ 9-9 │ 1 │ 0.0 │ 0.0 │ 0.0 │ │ │ │ 10-10 │ 1 │ 0.0 │ 0.0 │ 0.0 │ ├─────┼──────────┼───────┼───────┼─────────┼──────────┼──────────┤ │ │ │ 1-1 │ 1 │ 0.0 │ 0.0 │ 0.0 │ │ 11 │Местная │ 2-2 │ 1 │ 0.0 │ 0.0 │ 0.0 │ │ │сейсмичес-│ 3-3 │ 1 │ 0.0 │ 0.0 │ 0.0 │ │ │кая (на │ 4-4 │ 1 │ 0.0 │ 0.0 │ 0.0 │ │ │правой │ 5-5 │ 1 │ 0.0 │ 0.0 │ 9.4 │ │ │стойке) │ 6-6 │ 1 │ 50.3 │ 0.0 │ 9.4 │ │ │ │ 7-7 │ 1 │ 50.3 │ 0.0 │ -15.4 │ │ │ │ 8-8 │ 1 │ -101.8 │ 0.0 │ -15.4 │ │ │ │ 9-9 │ 1 │ 0.0 │ 0.0 │ 0.0 │ │ │ │ 10-10 │ 1 │ 0.0 │ 0.0 │ 0.0 │ ├─────┼──────────┼───────┼───────┼─────────┼──────────┼──────────┤ │ │ │ 1-1 │ 1 │ 0.0 │ 0.0 │ -3106.1 │ │ │ │ 2-2 │ 1 │ 16617.7 │ 0.0 │ -3106.1 │ │ 12 │Вертикаль-│ 3-3 │ 1 │ -47760.9 │ -85838.2 │ -3106.1 │ │ │ная от од-│ 4-4 │ 1 │ -17165.6 │ -85838.2 │ -3106.1 │ │ │ного крана│ 5-5 │ 1 │ 0.0 │ 0.0 │ 2113.3 │ │ │(Dmax на │ 6-6 │ 1 │ 16617.7 │ 0.0 │ 2113.3 │ │ │левой стой│ 7-7 │ 1 │ 3383.0 │ -19352.2 │ 265.5 │ │ │ке) │ 8-8 │ 1 │ 32796.7 │ -19268.0 │ 2113.3 │ │ │ │ 9-9 │ 1 │ 0.0 │ -3106.1 │ 0.0 │ │ │ │ 10-10 │ 1 │ 0.0 │ -3106.1 │ 0.0 │ ├─────┼──────────┼───────┼───────┼─────────┼──────────┼──────────┤ │ │ │ 1-1 │ 1 │ 0.0 │ 0.0 │ -2113.3 │ │ │ │ 2-2 │ 1 │ 16617.7 │ 0.0 │ -2113.3 │ │ 13 │Вертикаль-│ 3-3 │ 1 │ 2201.4 │ -19268.0 │ -2113.3 │ │ │ная от од-│ 4-4 │ 1 │ 32796.7 │ -19268.0 │ -2113.3 │ │ │ного крана│ 5-5 │ 1 │ 0.0 │ 0.0 │ 3106.1 │ │ │(Dmax на │ 6-6 │ 1 │ 16617.7 │ 0.0 │ 3106.1 │ │ │правой │ 7-7 │ 1 │ -47760.9 │ -85838.2 │ 3106.1 │ │ │стойке) │ 8-8 │ 1 │ -17165.6 │ -85838.2 │ 3106.1 │ │ │ │ 9-9 │ 1 │ 0.0 │ -3106.1 │ 0.0 │ │ │ │ 10-10 │ 1 │ 0.0 │ -3106.1 │ 0.0 │ └─────┴──────────┴───────┴───────┴─────────┴──────────┴──────────┘ Примечание: положительное значение момента - внутри рамы. Комбинации расчётных усилий см. в табл. 3 .3 Таблица 3 .3 Комбинации расчётных усилий ┌─────┬─────┬────────┬─────────────┬──────────┬──────────┬──────────┐ │N се-│Соче-│Экстрем.│Экстремальный│Изгиб. мо-│Продольная│Поперечная│ │чения│тания│усилие │путь │мент М,кНм│сила N, кН│сила Q, кН│ ├─────┼─────┼────────┼─────────────┼───────┼──────────┼──────────┤ │ 1 │ 2 │ 3 │ 4 │ 5 │ 6 │ 7 │ ├─────┼─────┼────────┼─────────────┼───────┼──────────┼──────────┤ │ │ │Mmax │ 1,2 │ -74.5 │ -344.3 │ 3.6 │ │1-1 │ос- │Mmin │ 1,2 │ -74.5 │ -344.3 │ 3.6 │ │ │нов- │Nmax │ 1,7 │ -74.5 │ -152.3 │ 5.0 │ │ │ные │Nmin,M>0│ │ 0.0 │ 0.0 │ 0.0 │ │ │ │Nmin,M<0│ 1,2 │ -74.5 │ -344.3 │ 3.6 │ │ │ │Qmax │ 1,2,7 │ -74.5 │ -325.1 │ 10.2 │ │ │ │Qmin │ 1,8,3,5+ │ -74.5 │ -152.3 │ -62.0 │ ├─────┼─────┼────────┼─────────────┼───────┼──────────┼──────────┤ │ │ │Mmax │ 1,8,3,5+ │ 224.5 │ -181.0 │ -15.4 │ │2-2 │ос- │Mmin │ 1,2,7 │ -151.8 │ -353.8 │ 19.5 │ │ │нов- │Nmax │ 1,7 │ -126.7 │ -181.0 │ 15.3 │ │ │ные │Nmin,M>0│ 1,2,3,5+ │ 123.8 │ -353.8 │ 6.9 │ │ │ │Nmin,M<0│ 1,2 │ -91.8 │ -373.0 │ 3.6 │ │ │ │Qmax │ 1,2,7,4,5+ │ 60.1 │ -353.8 │ 33.7 │ │ │ │Qmin │ 1,8,3,5- │ 145.3 │ -181.0 │ -87.7 │ ├─────┼─────┼────────┼─────────────┼───────┼──────────┼──────────┤ │ │ │Mmax │ 1,2,8,4,5+ │ 228.6 │ -595.6 │ 0.9 │ │3-3 │ос- │Mmin │ 1,7,3,5- │ -559.5 │ -1113.1 │ -54.9 │ │ │нов- │Nmax │ 1,7 │ -31.7 │ -223.0 │ 15.3 │ │ │ные │Nmin,M>0│ 1,2,4,5+ │ 160.0 │ -595.6 │ 17.2 │ │ │ │Nmin,M<0│ 1,2,3,5+ │ -358.1 │ -1285.9 │ 6.9 │ │ │ │Qmax │ 1,2,7,4,5+ │ 96.4 │ -595.6 │ 33.7 │ │ │ │Qmin │ 1,8,3,5- │ -427.3 │ -1113.1 │ -87.7 │ ├─────┼─────┼────────┼─────────────┼───────┼──────────┼──────────┤ │ │ │Mmax │ 1,4,6,8 │ 827.5 │ -508.0 │ -63.5 │ │4-4 │ос- │Mmin │ 1,2,3,5,7 │ -725.6 │ -1489.2 │ 45.1 │ │ │нов- │Nmax │ 1 │ 87.9 │ -308.2 │ -3.1 │ │ │ные │Nmin,M>0│ 1,4,6 │ 527.0 │ -510.2 │ -31.8 │ │ │ │Nmin,M<0│ 1,2,3,5 │ -415.8 │ -1340.3 │ 7.5 │ │ │ │Qmax │ 1,2,3,5,7 │ -725.6 │ -1340.3 │ 40.6 │ │ │ │Qmin │ 1,3,5-,8 │ -100.7 │ -1167.5 │ -102.5 │ ├─────┼─────┼────────┼──────────┼──────────┼──────────┼──────────┤ │ │ │Mmax │ 1,2 │ 0.0 │ 3.6 │ 344.3 │ │9-9 │ос- │Mmin │ 1,2 │ 0.0 │ 3.6 │ 344.3 │ │ │нов- │Nmax │ 1,2 │ 0.0 │ 3.6 │ 344.3 │ │ │ные │Nmin,M>0│ │ 0.0 │ 0.0 │ 0.0 │ │ │ │Nmin,M<0│ 1,7,3,5+ │ 0.0 │ -54.9 │ 152.3 │ │ │ │Qmax │ 1,2 │ 0.0 │ 3.6 │ 344.3 │ │ │ │Qmin │ 1,7 │ 0.0 │ -5.5 │ 152.3 │ ├─────┼─────┼────────┼──────────┼──────────┼──────────┼──────────┤ │ │ │Mmax │ 1,2 │ 0.0 │ 3.6 │ -344.3 │ │10-10│ос- │Mmin │ 1,2 │ 0.0 │ 3.6 │ -344.3 │ │ │нов- │Nmax │ 1,2 │ 0.0 │ 3.6 │ -344.3 │ │ │ные │Nmin,M>0│ │ 0.0 │ 0.0 │ 0.0 │ │ │ │Nmin,M<0│ 1,7,3,5+ │ 0.0 │ -54.9 │ -152.3 │ │ │ │Qmax │ 1,7 │ 0.0 │ -5.5 │ -152.3 │ │ │ │Qmin │ 1,2 │ 0.0 │ 3.6 │ -344.3 │ ├─────┼─────┼────────┼──────────┼──────────┼──────────┼──────────┤ │ │ │Mmax │1,2,9+ │ -67.0 │ -233.1 │ 10.5 │ │1-1 │осо- │Mmin │1,2,9+ │ -67.0 │ -233.1 │ 10.5 │ │ │бые │Nmax │1,2,9+ │ -67.0 │ -233.1 │ 10.5 │ │ │ │Nmin,M>0│ │ 0.0 │ 0.0 │ 0.0 │ │ │ │Nmin,M<0│1,2,9+ │ -67.0 │ -233.1 │ 10.5 │ │ │ │Qmax │1,2,9+,10- │ -67.0 │ -233.1 │ 19.9 │ │ │ │Qmin │1,2,9-,10+,12│ -67.0 │ -233.1 │ -1571.8 │ ├─────┼─────┼────────┼──────────┼──────────┼──────────┼──────────┤ │ │ │Mmax │1,2,9-,10+,12│ 8348.0 │ -258.9 │ -1573.3 │ │2-2 │осо- │Mmin │1,2,9+,10- │ -175.7 │ -258.9 │ 21.4 │ │ │бые │Nmax │1,2,9+ │ -125.4 │ -258.9 │ 12.0 │ │ │ │Nmin,M>0│1,2,9+,10+,12│ 8233.8 │ -258.9 │ -1550.4 │ │ │ │Nmin,M<0│1,2,9+ │ -125.4 │ -258.9 │ 12.0 │ │ │ │Qmax │1,2,9+,10- │ -175.7 │ -258.9 │ 21.4 │ │ │ │Qmin │1,2,9-,10+,12│ 8348.0 │ -258.9 │ -1573.3 │ ├─────┼─────┼────────┼──────────┼──────────┼──────────┼──────────┤ │ │ │Mmax │ │ │ │ │ │3-3 │осо- │Mmin │ │ │ │ │ │ │бые- │Nmax │ │ │ │ │ │ │ │Nmin,M>0│ │ │ │ │ │ │ │Nmin,M<0│ │ │ │ │ │ │ │Qmax │ │ │ │ │ │ │ │Qmin │ │ │ │ │ ├─────┼─────┼────────┼──────────┼──────────┼──────────┼──────────┤ │ │ │Mmax │1,2,9-,10-,13│ 16763.1 │ -10007.4 │ -1085.8 │ │4-4 │осо- │Mmin │1,2,9+,10+,12│ -8790.1 │ -43292.4 │ -1522.7 │ │ │бые │Nmax │1,2,9+ │ -105.4 │ -373.4 │ 14.9 │ │ │ │Nmin,M>0│1,2,9+,10+,13│ 16191.1 │ -10007.4 │ -1026.3 │ │ │ │Nmin,M<0│1,2,9+,10+,12│ -8790.1 │ -43292.4 │ -1522.7 │ │ │ │Qmax │1,2,9+,10+ │ -207.3 │ -373.4 │ 30.4 │ │ │ │Qmin │1,2,9-,10-,12│ -8218.1 │ -43292.4 │ -1582.3 │ ├─────┼─────┼────────┼──────────┼──────────┼──────────┼──────────┤ │ │ │Mmax │1,2,9+ │ 0.0 │ -9.3 │ 233.1 │ │9-9 │осо- │Mmin │1,2,9+ │ 0.0 │ -9.3 │ 233.1 │ │ │бые │Nmax │1,2,9+ │ 0.0 │ 10.5 │ 233.1 │ │ │ │Nmin,M>0│ │ 0.0 │ 0.0 │ 0.0 │ │ │ │Nmin,M<0│1,2,9+,10+,12│ 0.0 │ -1562.4 │ 233.1 │ │ │ │Qmax │1,2,9+ │ 0.0 │ -9.3 │ 233.1 │ │ │ │Qmin │1,2,9+ │ 0.0 │ -9.3 │ 233.1 │ ├─────┼─────┼────────┼──────────┼──────────┼──────────┼──────────┤ │ │ │Mmax │1,2,9+ │ 0.0 │ -9.3 │ -233.1 │ │10-10│осо- │Mmin │1,2,9+ │ 0.0 │ -9.3 │ -233.1 │ │ │бые │Nmax │1,2,9+ │ 0.0 │ 10.5 │ -233.1 │ │ │ │Nmin,M>0│ │ 0.0 │ 0.0 │ 0.0 │ │ │ │Nmin,M<0│1,2,9+,10+,12│ 0.0 │ -1562.4 │ -233.1 │ │ │ │Qmax │1,2,9+ │ 0.0 │ -9.3 │ -233.1 │ │ │ │Qmin │1,2,9+ │ 0.0 │ -9.3 │ -233.1 │ └─────┴─────┴────────┴──────────┴──────────┴──────────┴──────────┘ Период колебания (сек)- 0.857; Сейсмическая нагрузка: в уровне покрытия на вторую от торца раму (кН) - 19.8; от веса стены (кН/м) - 0.1; от веса колонны (кН/м)- 0.2; местная от крана (кН) - 23.0; от подкран.балки (кН) - 1.8 Нумерация сечений рамы приведена на рис. 3 .1 Нумерация сечений рамы │9 10│ ┌──────────────────────────────┐ -┼ 1 ─ │ ─ 1 Iр 5 ─ │ ─ 5 │ ││9 10││ │ │ │ │ h2 │ I2 I2 │ │ 2 _ │ _ 2 6 _ │ _ 6 │ └┐ ┌┘ -┼ 3 - │ ─ 3 7 ─ │ ─ 7 │ e││ │ │ ─┼┼ │ │ │ │ │ h1 │ I1 I1 │ │ │ │ │ │ │ │ │ │ │ 4 ─ │ ─ 4 8 ─ │ ─ 8 │ ─┴─ ─┴─ ┼ L - 2 * e ┼────────────────────────────┼ Рис. 3 .1 Расчётная схема рамы для основных сочетаний нагрузок приведена на рис. 3 .2 Расчётная схема рамы с нагрузками, входящими в основное сочетание qс - qп - Wa Wo ──> -> ┌────────────────────────────┐ -> ──> -┼ -> │ │ -> │ -> │ │ -> │ -> │ T T │ -> │ h2 -> │──> - ->│ -> │ -> │<- - <- - │ -> │ -> └┐ | Dmax Dmin | ┌┘ -> -┼ -> │ │ -> │ -> │ │ -> │ qa - -> │ │ -> - qo │ -> │ │ -> │ -> │ │ -> │ -> │ │ -> │ h1 -> │ │ -> │ -> │ │ -> │ -> │ │ -> │ -> ─┴─ ─┴─ -> -┼ L-2*e ┼──────────────────────────┼ Рис. 3 .2 Расчётная схема второй от торца рамы при действии сейсмической нагрузки поперёк здания приведена на рис. 3 .2, рис. 3 .3 Расчётная схема рамы при действии сейсмической нагрузки Spp ──> -> ┌──────────────────────────────┐ -> ┼ -> │ │ -> │ -> │ │ -> │ -> │ │ -> │ h2 -> │ │ -> │ -> │ Spb Spb │ -> │ -> └┐──> ──>┌┘ -> ┼ -> │ │ -> │ ->e││ │ -> │ ->─┼┼ │ -> │ -> │ │ -> │ h1 -> │ │ -> │ -> │ │ -> │ -> │ │ -> │ -> │ │ -> │ -> │ │ -> │ - -> ─┴─ ─┴─ -> -┼ Sc+Sk L - 2 * e Sc+Sk ┼────────────────────────────┼ Рис. 3 .3 Расчётная схема рамы при действии местной сейсмической нагрузки ┌──┤ ──┼ │ │ │ │ │ │ h2 │ │ Skr │ │ <- - ──> └┐ ─┼ │ │ e││ │ ─┼┼ │ │ │ h1 │ │ │ │ │ │ │ │ │ │ ─┴─ ──┼ Рис. 3 .4 4 Расчет ступенчатой колонны производственного зданияИсходные данные.Требуется подобрать сечения сплошной верхней и сквозной нижней частей колонны однопролетного производственного здания (ригель имеет жесткое сопряжение с колонной). Расчетные усилия: Для верхней части колонны: – в сечении 1-1 N = -344,3 кН; M = -74,5 кНм; Q = 3,6 кН; – в сечении 2-2 N = -373,0 кН; M = -91,8 кНм; Q = 3,6 кН;
Материал колонны сталь марки С245, бетон фундамента марки М150. Конструктивная схема колонны показана на рис. 4.1. 4.1 Расчет верхней части колонны
4.1.1 Определение расчетных длин колонныРасчетные длины для верхней и нижней частей колонны в плоскости рамы определим по формулам:
Так как
значения В однопролетной раме с жестким сопряжением ригеля с колонной верхний конец колонны закреплен только от поворота;
Таким образом, для нижней части колонны:
для верхней:
Расчетные длины из плоскости рамы для нижней и верхней частей равны соответственно:
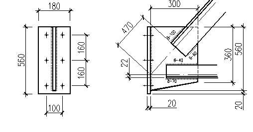
Конструктивная схема колонны.
Рис. 4.1. 4.1.2 Подбор сечения верхней части колонныСечение верхней части колонны принимаем в виде сварного двутавра высотой:
По формуле 14.16. [1] определим требуемую площадь сечения. Для симметричного двутавра:
Для стали C245 толщиной до 20 мм Ry = 240 МПа = 24 кН/см2 ;
Значение коэффициента Примем в первом приближении
По прил. 8 [1] при Компоновка сечения: высота стенки
принимаем предварительно толщину полок По табл. 14.2 [1] при
Принимаем
Требуемая площадь полки:
Из условия устойчивости верхней части колонны из плоскости действия момента ширина полки:
из условия местной устойчивости полки по формуле:
где Принимаем
Геометрические характеристики сечения.Расчетная площадь сечения с учетом только устойчивой части стенки:
4.1.3 Проверка устойчивости верхней части колонны в плоскости действия момента.
Значение коэффициента
В расчетное сечение включаем всю площадь сечения:
Недонапряжение: Условие обеспечения общей устойчивости верхней части колонны в плоскости действия момента выполняется. Проверка устойчивости стенки верхней части колонны:
где
Поскольку
принимаем
Так как
условие соблюдается, следовательно проверку устойчивости колонны из плоскости действия момента проводят с учетом всей площади сечения. Так как
Устойчивость стенки верхней части колонны обеспечена. 4.1.4 Проверка устойчивости верхней части колонны из плоскости действия момента
Для определения
По модулю
при Значения
Поскольку
в расчетное сечение включаем полное сечение стенки:
Недонапряжение:
Условие обеспечения общей устойчивости верхней части колонны из плоскости действия момента выполняется. 4.2 Подбор сечения нижней части колонны– N1 = -1489,2 кН; M1 = -725,6 кНм (изгибающий момент догружает подкрановую ветвь); – N2 = -508,0 кН; М2 = 827,5 кНм (изгибающий момент догружает наружную ветвь); – Qmax = -102,5 кН. Сечение нижней части колонны сквозное, состоящее из двух ветвей, соединенных решеткой. Высота сечения Подкрановую ветвь колонны принимаем из широкополочного двутавра, наружную – составного сварного сечения из листа и двух уголков. Определим по формуле 14.32 [1] ориентировочное положение центра тяжести. Принимаем zо = 2,5 см; hо = hн - zо = 150 - 2,5 = 147,5 см.
Усилия в ветвях определим по формулам: В подкрановой ветви:
В наружной ветви:
Определяем требуемую площадь ветвей и назначаем сечение. Для подкрановой ветви:
задаемся
Габариты сечения 200.0 x 294.9 мм Геометрические характеристики сечения
Для наружной ветви:
Для удобства прикрепления элементов решетки расстояние между внешними гранями полок принимаем таким же, как в подкрановой ветви (295 мм). Толщину стенки швеллера Требуемая площадь полок (уголков):
Габариты сечения 90.0 x 90.0 мм Геометрические характеристики сечения
Геометрические характеристики ветви:
Габариты сечения 295.0 x 100.0 мм Геометрические характеристики сечения
Уточняем положение центра тяжести сечения колонны:
Отличие от первоначально принятых размеров мало, поэтому усилия в ветвях не пересчитываем. 4.2.1 Проверка устойчивости ветвейИз плоскости рамы (относительно оси y-y): Подкрановая ветвь:
Наружная ветвь:
Из условия равноустойчивости подкрановой ветви в плоскости и из плоскости рамы определяем требуемое расстояние между узлами решетки:
Принимаем Для подкрановой ветви:
Для наружной ветви:
4.2.2 Расчет решетки подкрановой части колонныПоперечная сила в сечении колонны Условная поперечная сила:
Расчет решетки проводим на Усилие сжатия в раскосе:
где Задаемся; Требуемая площадь раскоса:
R = 240 МПа = 24 кН/см2 (фасонный прокат из стали С245);
Габариты сечения 79.9 x 79.9 мм Геометрические характеристики сечения
Напряжения в раскосе:
4.2.3 Проверка устойчивости колонны в плоскости действия момента как единого стержняГеометрические характеристики всего сечения:
Приведенная гибкость:
Коэффициент При
Для комбинации усилий, догружающих наружную ветвь (сечение 4-4): N2 = -508,0 кН; М2 = 827,5 кНм
Для комбинации усилий, догружающих подкрановую ветвь (сечение 4-4): N1 = -1489,2 кН; M1 = -725,6 кНм
Устойчивость сквозной колонны как единого стержня из плоскости действия момента проверять не нужно, так как она обеспечена проверкой устойчивости отдельных ветвей. 4.3 Узел сопряжения верхней и нижней частей колонныРасчетные комбинации усилий в сечениях над уступом: N= -373,0 кН; M = -91,8 кНм; Q = 3,6 кН; Давление кранов Прочность стыкового шва (ш1)проверяем по нормальным напряжениям в крайних точках сечения надкрановой части. Площадь шва равна площади сечения колонны. Наружная полка:
Внутренняя полка:
Толщину стенки траверсы определяем из условия смятия по формуле:
Принимаем tтр =1,6 см. Усилие во внутренней полке верхней части колонны:
Длина шва крепления вертикального ребра траверсы к стенке траверсы (ш2):
Применяем полуавтоматическую сварку проволокой марки Св-08А, в = 1,4...2 мм. Назначаем:
В стенке подкрановой ветви делаем прорезь, в которую заводим стенку траверсы. Для расчета шва крепления траверсы к подкрановой ветви (ш3) составляем комбинацию усилий, дающую наибольшую опорную реакцию траверсы. Такой комбинацией будет сочетание (1, 2, 7) М = -151,8 кН·м; N = -353,8 кН:
Коэффициент 0,9 учитывает, что усилия N и M приняты для второго основного сочетания нагрузок. Требуемая длина шва:
Из условия прочности стенки подкрановой ветви в месте крепления траверсы (линия 1-1) определяем высоту траверсы
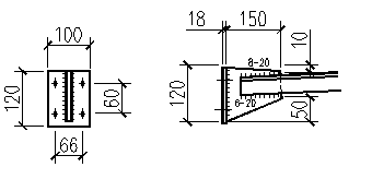
где Проверим прочность траверсы как балки, нагруженной усилиями N, M и Расчетная схема и сечение траверсы приведены на рис. 4.3. Узел сопряжения верхней и нижней части колонны.
Рис. 4.3. Нижний пояс траверсы принимаем конструктивно из листа 270 Геометрические характеристики траверсы.
Габариты сечения 296.0 x 396.0 мм Геометрические характеристики сечения
Максимальный изгибающий момент в траверсе:
Максимальная поперечная сила в траверсе с учетом усилия от кранов возникает при комбинации усилий (1, 2, 7) М = -151,8 кН·м; N = -353,8 кН :
Коэффициент k = 1,2 учитывает неравномерную передачу усилия
4.4 Расчет и конструирование базы колонны
Ширина нижней части колонны превышает 1 м, поэтому проектируем базу раздельного типа (рис. 4.4.). База колонны.
Рис. 4.4. Расчетные комбинации усилий в нижнем сечении колонны (сечение 4-4): 1) N1 = -1489,2 кН; M1 = -725,6 кНм (для расчета базы подкрановой ветви); 2) N2 = -508,0 кН; М2 = 827,5 кНм (для расчета базы наружной ветви). Усилия в ветвях колонны определим по формулам: В подкрановой ветви:
В наружной ветви:
База наружной ветви. Требуемая площадь плиты.
По конструктивным соображениям свес плиты Тогда
принимаем Lтр = 30 см.
Среднее напряжение в бетоне под плитой
Из условия симметричного расположения траверс относительно центра тяжести ветви расстояние между траверсами в свету равно:
при толщине траверсы 12 мм Определяем изгибающие моменты на отдельных участках плиты: Участок 1 (консольный свес
Участок 2 (консольный свес
Участок 3 (плита, опертая на четыре стороны
Участок 4 (плита, опертая на четыре стороны
Принимаем для расчета Требуемая толщина плиты:
R = 235 МПа = 23,5 кН/см2 для стали С255 толщиной 18-40 мм. Принимаем Высоту траверсы определяем из условия размещения шва крепления траверсы к ветви колонны. В запас прочности все усилие в ветви передаем на траверсы через 4 угловых шва. Сварка полуавтоматическая проволокой марки Св-08А, в = 1,4..2 мм. Требуемая длина шва определяется по формуле:
Принимаем Расчетные характеристики:
Проверяем допустимую длину шва:
Требования к максимальной длине швов выполняется. Крепление траверсы к плите принимаем угловыми швами Проверяем прочность швов:
Швы удовлетворяют требованиям прочности. При вычислении суммарной длины швов с каждой стороны шва не учитывалось по 1 см на непровар. Приварка торца колонны к плите выполняется конструктивными швами 4.5 Расчет траверсы
Максимальный изгибающий момент:
Максимальная поперечная сила:
Нормальные напряжения возникающие траверсе:
Касательные напряжения возникающие в траверсе:
4.6 Расчет анкерных болтовДля расчёта анкерных болтов принимаем комбинацию нагрузок, дающую наибольший момент при минимальной силе. Комбинации усилий для расчёта анкерных болтов в сечении 4-4: M=827,5 кНм, N=508 кН, Суммарное усилие во всех анкерных болтах, приходящихся на одну ветвь колонны:
Требуемая площадь сечения анкерных болтов находится по формуле:
Принимаем 4 болта Æ30, 4.6 Расчет анкерной плиткиПлитка под анкерные болты рассчитывается как балка, лежащая на траверсах и нагруженная сосредоточенными силами:
– усилие от одного анкерного болта. Принимаем в качестве материала для анкерной плитки сталь С255 с Ry =230 МПа (t=20440 мм) табл. 51 [5]. Максимальный изгибающий момент:
Максимальная поперечная сила: Требуемый момент сопротивления анкерной плитки: Wn =Mмах /Ry ·gc =250/23·1=10,86 см3 . Принимаем диаметр отверстия под анкерный болт d=32 мм, а толщину анкерной плитки t=30 мм, тогда ширина анкерной плиты равна: b=(6Wn /t2 )+d=(6·10,86/32 )+3,2=10,44 см. Принимаем ширину анкерной плиты b=12 см. 5 Расчет фермы в осях А-Б5.1 Геометрические размеры и расчётная схема фермыРазмеры фермы приведены для её геометрической схемы, которая получена путём пересечения линий, проходящих через центры тяжести стержней и отсутствии расцентровки в узлах: пролёт фермы L= 23.600 M; высота на опоре H= 3.150 M ; высота в середине H1= 3.325 M ; уклон верхнего пояса i= 0.015. Длины стержней (в метрах): верхнего пояса нижнего пояса панель 1 L= 2.800 панель 2 L= 3.000 панель 1 L= 5.800 панель 3 L= 3.000 панель 4 L= 3.000 панель 2 L= 6.000 панель 5 L= 3.000 панель 6 L= 3.000 панель 3 L= 6.000 панель 7 L= 3.000 панель 8 L= 2.800 панель 4 L= 5.800 раскосов стоек раскос 1 L= 4.246 раскос 2 L= 4.380 стойка 1 L= 3.150 раскос 3 L= 4.445 раскос 4 L= 4.445 стойка 2 L= 3.236 раскос 5 L= 4.445 раскос 6 L= 4.445 стойка 3 L= 3.325 раскос 7 L= 4.380 раскос 8 L= 4.246 стойка 4 L= 3.236 стойка 5 L= 3.150 Расчётная схема фермы с нумерацией узлов и стержней приведена на рис.5.1.1. 5.2 Узловые нагрузки Величины узловых нагрузок приведены в табл.5.1, табл. 5.2. Знак + соответствует направлению нагрузки к узлу; - от узла. Таблица 5.1 Вертикальная нагрузка на верхний пояс ╔═══════╦═══════════════╦═══════════════╦════════════════╗ ║ N ║ Постоянная ║ Снеговая ║Опорные моменты ║ ║ узла ║ нагрузка, (кН) ║ нагрузка, (кН) ║Млев. = 75кНм ║ ║ ║ ║ ║Мправ.= 75кНм ║ ╠═══════╬═══════════════╬═══════════════╬════════════════╣ ║ 1 ║ 102.06 ║ 134.40 ║ 0.00 ║ ║ 2 ║ 0.00 ║ - ║ - ║ ║ 3 ║ 0.00 ║ - ║ - ║ ║ 4 ║ 0.00 ║ - ║ - ║ ║ 5 ║ 102.06 ║ 134.40 ║ 0.00 ║ ╚═══════╩═══════════════╩═══════════════╩════════════════╝
5.3. Статический расчёт Расчётные усилия в стержнях фермы приведены в табл.5.3. Таблица 5.3Расчётные усилия в стержнях фермы ╔════════╦════════╦═══════╦═════════╦═════════╦══════════════════╗ ║ Элемент ║ Марка ║Усилия от ║Усилия от ║Усилия от ║ Расчётные усилия: ║ ║ фермы ║элемента ║постоян. ║снеговой ║опорных ╠═════════╦════════╣ ║ ║ ║нагрузки, ║нагрузки, ║моментов, ║ сжатие, ║растяже- ║ ║ ║ ║ (кН) ║ (кН) ║ (кН) ║ (кН) ║ние,(кН) ║ ╠════════╬════════╬═══════╬═════════╬═════════╬═════════╬════════╣ ║ ║ В- 1 ║ 0.00 ║ 0.00 ║ 23.65 ║ - ║ 23.65 ║ ║верхний ║ В- 2 ║ -155.91 ║ -205.31 ║ 23.02 ║ -361.22 ║ - ║ ║пояс ║ В- 3 ║ -155.91 ║ -205.31 ║ 23.02 ║ -361.22 ║ - ║ ║ ║ В- 4 ║ -204.36 ║ -269.12 ║ 22.41 ║ -473.48 ║ - ║ ║ ║ В- 5 ║ -204.36 ║ -269.12 ║ 22.41 ║ -473.48 ║ - ║ ║ ║ В- 6 ║ -155.91 ║ -205.31 ║ 23.02 ║ -361.22 ║ - ║ ║ ║ В- 7 ║ -155.91 ║ -205.31 ║ 23.02 ║ -361.22 ║ - ║ ║ ║ В- 8 ║ -0.00 ║ 0.00 ║ 23.65 ║ - ║ 23.65 ║ ╠════════╬════════╬═══════╬═════════╬═════════╬═════════╬════════╣ ║ ║ Н- 1 ║ 89.54 ║ 117.91 ║ -23.34 ║ - ║ 207.45 ║ ║нижний ║ Н- 2 ║ 193.78 ║ 255.18 ║ -22.71 ║ - ║ 448.96 ║ ║пояс ║ Н- 3 ║ 193.78 ║ 255.18 ║ -22.71 ║ - ║ 448.96 ║ ║ ║ Н- 4 ║ 89.54 ║ 117.91 ║ -23.34 ║ - ║ 207.45 ║ ╠════════╬════════╬═══════╬═════════╬═════════╬═════════╬════════╣ ║ ║ Р- 1 ║ -135.77 ║ -178.79 ║ -0.47 ║ -314.56 ║ - ║ ║раскосы ║ Р- 2 ║ 96.88 ║ 127.58 ║ 0.47 ║ - ║ 224.45 ║ ║ ║ Р- 3 ║ -56.14 ║ -73.93 ║ -0.46 ║ -130.07 ║ - ║ ║ ║ Р- 4 ║ 15.65 ║ 20.61 ║ 0.45 ║ - ║ 36.26 ║ ║ ║ Р- 5 ║ 15.65 ║ 20.61 ║ 0.45 ║ - ║ 36.26 ║ ║ ║ Р- 6 ║ -56.14 ║ -73.93 ║ -0.46 ║ -130.07 ║ - ║ ║ ║ Р- 7 ║ 96.88 ║ 127.58 ║ 0.47 ║ - ║ 224.45 ║ ║ ║ Р- 8 ║ -135.77 ║ -178.79 ║ -0.47 ║ -314.56 ║ - ║ ╠════════╬════════╬═══════╬═════════╬═════════╬═════════╬════════╣ ║ ║ С- 1 ║ 0.00 ║ 0.00 ║ 0.35 ║ - ║ 0.35 ║ ║стойки ║ С- 2 ║ -29.16 ║ -38.40 ║ 0.00 ║ -67.56 ║ - ║ ║ ║ С- 3 ║ -23.10 ║ -30.42 ║ -0.66 ║ -53.52 ║ - ║ ║ ║ С- 4 ║ -29.16 ║ -38.40 ║ 0.00 ║ -67.56 ║ - ║ ║ ║ С- 5 ║ 0.00 ║ 0.00 ║ 0.35 ║ - ║ 0.35 ║ ╚════════╩════════╩═══════╩═════════╩═════════╩═════════╩════════╝
5.4 Расчёт стержней на прочность и устойчивость При расчёте учтено следующее: в пролёте есть краны с режимом работы 7К; ферма на колонну опирается сбоку; нагрузки приложенные непосредственно к ферме - статические. Геометрические характеристики сечений стержней приведены в табл.5.4. Таблица 5.4 Геометрические характеристики сечений и сталь стержней ╔═══╦════════╦═════╦════════╦══════╦══════╗ ║Марка ║ Сечение ║ Сталь ║ Площадь ║Радиус и- ║Радиус и- ║ ║эле- ║ ║ ║ сечения, ║нерции от-║нерции от-║ ║мен- ║ ║ ║ см¤ ║носительно║носительно║ ║та ║ ║ ║ ║горизонт. ║вертикаль-║ ║ ║ ║ ║ ║оси, см ║ной оси,см║ ╠═══╬═══════╬═════╬══════╬════╬═════╣ ║B- 1 ║ ┐┌50*5 ║ C245 ║ 9.60 ║ 1.53 ║ 2.45 ║ ║B- 2 ║ ┐┌100*7 ║ C275 ║ 27.50 ║ 3.08 ║ 4.45 ║ ║B- 3 ║ ┐┌100*7 ║ C275 ║ 27.50 ║ 3.08 ║ 4.45 ║ ║B- 4 ║ ┐┌110*8 ║ C245 ║ 34.40 ║ 3.39 ║ 4.88 ║ ║B- 5 ║ ┐┌110*8 ║ C245 ║ 34.40 ║ 3.39 ║ 4.88 ║ ║B- 6 ║ ┐┌100*7 ║ C275 ║ 27.50 ║ 3.08 ║ 4.45 ║ ║B- 7 ║ ┐┌100*7 ║ C275 ║ 27.50 ║ 3.08 ║ 4.45 ║ ║B- 8 ║ ┐┌50*5 ║ C245 ║ 9.60 ║ 1.53 ║ 2.45 ║ ║H- 1 ║ ┐┌80*6 ║ C245 ║ 18.76 ║ 2.47 ║ 3.65 ║ ║H- 2 ║ ┐┌80*6 ║ C275 ║ 18.76 ║ 2.47 ║ 3.65 ║ ║H- 3 ║ ┐┌80*6 ║ C275 ║ 18.76 ║ 2.47 ║ 3.65 ║ ║H- 4 ║ ┐┌80*6 ║ C245 ║ 18.76 ║ 2.47 ║ 3.65 ║ ║P- 1 ║ ┐┌125*8 ║ C245 ║ 39.38 ║ 3.87 ║ 5.46 ║ ║P- 2 ║ ┐┌50*5 ║ C275 ║ 9.60 ║ 1.53 ║ 2.45 ║ ║P- 3 ║ ┐┌90*6 ║ C245 ║ 21.22 ║ 2.76 ║ 4.04 ║ ║P- 4 ║ ┐┌50*5 ║ C245 ║ 9.60 ║ 1.53 ║ 2.45 ║ ║P- 5 ║ ┐┌50*5 ║ C245 ║ 9.60 ║ 1.53 ║ 2.45 ║ ║P- 6 ║ ┐┌90*6 ║ C245 ║ 21.22 ║ 2.76 ║ 4.04 ║ ║P- 7 ║ ┐┌50*5 ║ C275 ║ 9.60 ║ 1.53 ║ 2.45 ║ ║P- 8 ║ ┐┌125*8 ║ C245 ║ 39.38 ║ 3.87 ║ 5.46 ║ ║C- 1 ║ - ║ - ║ - ║ - ║ - ║ ║C- 2 ║ ┐┌63*5 ║ C245 ║ 12.26 ║ 1.94 ║ 2.96 ║ ║C- 3 ║ ┐┌63*5 ║ C245 ║ 12.26 ║ 1.94 ║ 2.96 ║ ║C- 4 ║ ┐┌63*5 ║ C245 ║ 12.26 ║ 1.94 ║ 2.96 ║ ║C- 5 ║ - ║ - ║ - ║ - ║ - ║ ╚═══╩═════╩═══╩═════╩═══╩════╝ В столбце <Сечение> табл.5.4 для неравнополочных уголков первая цифра указывает размер горизонтальной полки в мм. При вычислении радиусов инерции сечений стержней фермы толщина фасонок принята равной 10.0 мм. Результаты расчёта стержней приведенны в табл.5.5. Таблица 5.5 Результаты конструктивного расчёта стержней фермы ╔════╦═══╦══════╦════════╦════╦════════╦═════╦═════╦═══╗ ║Эле- ║Мар- ║Расчёт-║ Гибкость ║Пре- ║Расчётная ║Коэф-║Напря-║Рас-║ ║мент ║ка ║ное ║ ║дель-║ длина ║фици-║жение,║чёт-║ ║фер- ║эле- ║усилие,╠═════╦═════╣ная ╠═════╦═════╣ент ║ МПа ║ное ║ ║мы ║мен- ║ кН ║ в ║ из ║гиб- ║ в ║ из ║про- ║ ║соп-║ ║ ║та ║ ║плос-║плос-║кость║плос-║плос-║доль-║ ║ро- ║ ║ ║ ║ ║кости║кости║ ║кости║кости║ного ║ ║тив-║ ║ ║ ║ ║фермы║фермы║ ║фермы║фермы║изги-║ ║лен.║ ║ ║ ║ ║ ║ ║ ║ (м) ║ (м) ║ба ║ ║МПа ║ ╠══╬═╬═══╬══╬══╬═╬═══╬══╬═══╬══╬════╣ ║ ║В 1 ║ 23.7║183.0║114.1║250.0║ 2.80║ 2.80║ - ║ 25.9 ║240 ║ ║верх ║В 2 ║ -361.2║ 97.4║ 67.4║121.2║ 3.00║ 3.00║0.523║264.6 ║270 ║ ║ний ║В 3 ║ -361.2║ 97.4║ 67.4║121.2║ 3.00║ 3.00║0.523║264.6 ║270 ║ ║пояс ║В 4 ║ -473.5║ 88.5║ 61.5║121.8║ 3.00║ 3.00║0.622║232.8 ║240 ║ ║ ║В 5 ║ -473.5║ 88.5║ 61.5║121.8║ 3.00║ 3.00║0.622║232.8 ║240 ║ ║ ║В 6 ║ -361.2║ 97.4║ 67.4║121.2║ 3.00║ 3.00║0.523║264.6 ║270 ║ ║ ║В 7 ║ -361.2║ 97.4║ 67.4║121.2║ 3.00║ 3.00║0.523║264.6 ║270 ║ ║ ║В 8 ║ 23.7║183.0║114.1║250.0║ 2.80║ 2.80║ - ║ 25.9 ║240 ║ ╠═╬═══╬════╬═══╬═══╬════╬═══╬═══╬═╬═══╬═══╣ ║ниж- ║Н 1 ║ 207.5║234.8║159.0║250.0║ 5.80║ 5.80║ - ║116.4 ║240 ║ ║ний ║Н 2 ║ 449.0║242.9║164.5║250.0║ 6.00║ 6.00║ - ║251.9 ║270 ║ ║пояс ║Н 3 ║ 449.0║242.9║164.5║250.0║ 6.00║ 6.00║ - ║251.9 ║270 ║ ║ ║Н 4 ║ 207.5║234.8║159.0║250.0║ 5.80║ 5.80║ - ║116.4 ║240 ║ ╠══╬══╬════╬═══╬════╬═══╬═══╬═══╬══╬═══╬═══╣ ║ ║Р 1 ║ -314.6║109.7║ 77.7║136.2║ 4.25║ 4.25║0.480║175.2 ║240 ║ ║рас- ║Р 2 ║ 224.5║229.0║178.5║300.0║ 3.50║ 4.38║ - ║246.1 ║270 ║ ║косы ║Р 3 ║ -130.1║128.9║110.0║158.3║ 3.56║ 4.45║0.370║206.9 ║240 ║ ║ ║Р 4 ║ 36.3║232.4║181.2║300.0║ 3.56║ 4.45║ - ║ 39.8 ║240 ║ ║ ║Р 5 ║ 36.3║232.4║181.2║300.0║ 3.56║ 4.45║ - ║ 39.8 ║240 ║ ║ ║Р 6 ║ -130.1║128.9║110.0║158.3║ 3.56║ 4.45║0.370║206.9 ║240 ║ ║ ║Р 7 ║ 224.5║229.0║178.5║300.0║ 3.50║ 4.38║ - ║246.1 ║270 ║ ║ ║Р 8 ║ -314.6║109.7║ 77.7║136.2║ 4.25║ 4.25║0.480║175.2 ║240 ║ ╠══╬══╬════╬═══╬═══╬════╬═══╬═══╬═══╬═══╬═══╣ ║ ║С 1 ║ - ║ - ║ - ║ - ║ - ║ - ║ - ║ - ║ - ║ ║стой ║С 2 ║ -67.6║133.4║109.2║160.0║ 2.59║ 3.24║0.345║199.9 ║240 ║ ║ки ║С 3 ║ -53.5║137.1║112.2║168.3║ 2.66║ 3.33║0.327║166.7 ║240 ║ ║ ║С 4 ║ -67.6║133.4║109.2║160.0║ 2.59║ 3.24║0.345║199.9 ║240 ║ ║ ║С 5 ║ - ║ - ║ - ║ - ║ - ║ - ║ - ║ - ║ - ║ ╚══╩══╩═══╩══╩══╩══╩══╩══╩═╩═══╩══╝ 5.5. Подбор сечений стержней Подберем сечения стержней для первой панели. Таблица5.6.
5.7 Расчет длин швовТаблица5.8.
5.8 Расчет и конструирование узлов фермы5.8.1 Нижний опорный узелТолщину фасонок фермы принимаем в зависимости от усилий в опорном раскосе [1, табл. 9.2.] Торцевой лист принимаем толщиной 20 мм и шириной 180 мм, из условия размещения болтов. Напряжение смятия у торца:
где Толщина швов крепления опорного раскоса (Р-1) назначаем: на обушке 8мм, на пере 6 мм (их длины приведены в таблице 5.8.) То же для нижнего пояса (Н-1). По требуемым расчетным длинам швов с учетом конструктивных требований (добавки 1 см длины на непровар и зазор между швами) намечаем графически конфигурацию и размеры опорной части фасонки. Проверяем опорную фасонку на срез, а также швы ее крепления к торцовому листу (толщину швов назначаем 6мм):
Рис.5.2. Нижний опорный узел фермы
5.8.2 Верхний опорный узел
Рис.5.3. Верхний опорный узел фермы При проектировании жесткого верхнего опорного узла, толщина фланца принимается Момент при изгибе фланца определяется как в защемленной балке пролетом b, равным расстоянию между болтами:
напряжение в нем определяется по формуле:
где a и Количество болтов определяется по формуле:
Принимаем 4 болта Æ16 мм. Обычно стремятся запроектировать верхний узел так, чтобы линия действия силы N проходила через центр фланца. В этом случае напряжение в швах, прикрепляющих фланец к фасонке, проверяют по формуле:
Шов крепления фланца к фасонке работает на срез и его длину определяют по формуле:
bf =0,7, bz =1,0, принимается по табл. 34 [5], gwf =gwz =1, принимается по п.п. 11.2 [5]. Для сварки принимаем электроды типа Э46 по ГОСТ 9467-75, табл. 55 [5]. Rwf =20 кН/см2 , по табл. 56 [5], Rwz =0,45∙Run =0,45∙37=16,7 кН/см2 .
5.8.3 Промежуточный узелТолщину фасонок фермы принимаем в зависимости от усилий в промежуточном узле [1, табл. 9.2.]
Рис. 5.4. Промежуточный узел фермы Длина швов, прикрепляющих раскосы и стойки к фасонке, определяются по формулам
Так как к узлу приложена сосредоточенная нагрузка то швы прикрепляющие накладку (
F – сосредоточенная узловая нагрузка (см. табл.5.1) F=29,16+38,4=67,56кН Σkш ·lш = 0,08· (2·0,25+0,65)=0,12м2 – суммарная площадь швов, крепящих накладку к поясам
Усилие действующее в накладке: Расчетным усилием для швов, прикрепляющих левые уголки пояса к фасонке, будет большее из:
Расчетным усилием для швов, прикрепляющих правые уголки пояса к фасонке, будет большее из:
Длины швов, прикрепляющих верхний пояс к фасонке приведены в таблице 5.8. Конструктивно длина швов прикрепляющих пояса к фасонке принята по всей длине фасонки. 6 Расчет подкрановой балки6.1 Статический расчет6.1.1 Определение расчетных усилий от колес крановТаблица 6.1. - Технические характеристики крана.
Расчетная вертикальная нагрузка от колес при совместном действии двух кранов: Р=Кд ∙jf ∙Кс ∙Рн =1,1∙1,1∙0,85∙370=380,5 кН, Здесь Р1 н , Р2 н – нормативное давление колес; Кд – коэффициент динамичности по п.4.9 /3/. Расчетная горизонтальная нагрузка на одно колесо крана от торможения тележки Тк = Кд ∙jf ∙Кс ∙Тк н =1,1∙1,1∙0,85∙14,75=15,1 кН, Тк н = [(Qкр +gт )/N0 ]∙f=[(800+380)/4]∙0,05=14,75 кН Где Qкр – грузоподъемность крана (кН); gт – вес тележки (кН); N0 – число колес на одной стороне крана; f – коэффициент трения (0,05 при гибком подвесе груза).
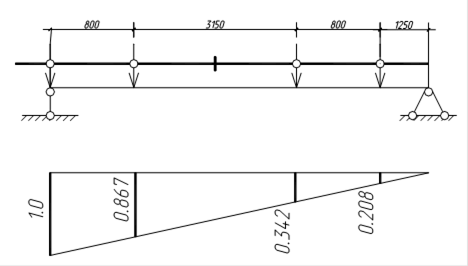
рис. 6.1. – Схема крановой нагрузки от двух сближенных кранов При пролете балки 6 м. На ней помещается 4 колеса, но наихудшее положение крана:
рис. 6.2. – Схема определения максимального момента Для определения положения равнодействующей от этих колес выбирается точка (первое колесо). Положение равнодействующей определяется из условия, что сумма моментов всех сил относительно первого колеса равна нулю. Поэтому расстояние от первого колеса до равнодействующей всех грузов:
6.1.2 Определение критического грузаБлижайшее к равнодействующей колесо считается критическим (колесо №1). Для его определения находят расстояния до этих колес. 6.1.3 Определение расстояний от колес до опор балкиДля определения Мmax необходимо грузы на балке расположить так, чтобы критическое колесо P5 и равнодействующая R находились на одинаковых расстояниях от середины пролета балки. Наибольший момент должен быть под критическим грузом.(см рис 6.2) 6.1.4 Проверка правильности расстановки колес на балкеПроверяем условие:
условие выполняется. 6.1.5 Определение наибольшего изгибающего моментаИзгибающие моменты можно определить по эпюре моментов, для чего построим ее (см рис 6.2) 6.1.6 Определение наибольшей поперечной силыДля определения максимальной поперечной силы загружаем линию влияния поперечной силы на опоре рис. 5.3.
Рис. 6.3. Расчетная схема подкрановой балки при Значение Qmax определяется линией влияния опорной реакции по формуле:
6.1.7 Определение изгибающего момента и поперечной силы в ПБ от сил торможенияОт действия сил торможения тележки в горизонтальной плоскости верхнего пояса ПБ и тормозной балки возникает изгибающий момент и поперечная сила, полученные при расстановках, соответствующих Mmax и Qmax . Поэтому значения моментов и поперечной силы находятся пропорционально отношению силы торможения и вертикального давления. Момент
Поперечная сила
6.2 Подбор сечения подкрановой балкиПодбор сечения ведется по результатам статического расчета ПБ. Принимаем сталь марки С255 (t=10-20мм, Ry =240МПа). 6.2.1 Определение высоты подкрановой балкиПо условию прочности определяют требуемый момент сопротивления балки:
Толщину стенки tω , мм принимаем по эмпирической формуле:
где: h – высота подкрановой балки в метрах Оптимальная высота подкрановой балки:
Т.к. нагрузка на подкрановую балку подвижна, ее сечение постоянно по длине. По жесткости:
где: [f/l] – относительный прогиб по табл.19 [5] равен 1/400
Принимаем hб =90см. 6.2.2 Определение размеров поясовТребуемый момент инерции подкрановой балки определяют по выбранной высоте:
момент инерции поясов выражают через площади поясных листов, пренебрегая при этом собственным моментом инерции поясов относительно горизонтальной оси:
(зададимся толщиной полок 1,8 см, тогда высота стенки 86,4см) отсюда площадь поясного листа
по ранее принятой толщине пояса (tf =1,8мм) определяем ширину пояса:
Из условия В сжатом поясе должна быть обеспечена местная устойчивость свеса:
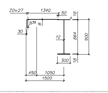
6.2.3. Выбор элементов тормозной балкиТормозная балка состоит из верхнего пояса ПБ, горизонтального листа из рифленой стали толщиной 8мм и швеллера № 36.
Рис. 6.4. – Размеры подкрановой и тормозной балок 6.2.4 Определение геометрических характеристик подкрановых конструкций
Габариты сечения 1616.9 x 908.0 мм Геометрические характеристики сечения
Габариты сечения 300.0 x 900.0 мм Геометрические характеристики сечения
Проверим нормальное напряжение в верхнем поясе (точка А):
Прочность стенки на действие касательных напряжений на опоре обеспечена, так как принятая толщина стенки больше определенной из условия среза. Жесткость балки также обеспечена, так как принята высота балки больше минимальной высоты. Проверим прочность стенки от действия местных напряжений под колесом крана:
где:lef – условная длина Р – расчетное значение давления колеса I1 f – сумма собственных моментов инерции пояса балки и кранового рельса [методичка №790 табл.№2]
Для стенки должно выполняться условие (проверка по приведенным напряжениям)
где:
20,7кН/см2 < 24.5∙1.15∙0.95кН/см2 6.2.5 Соединение поясов со стенкойПояса со стенкой соединяются угловыми швами. Швы воспринимают горизонтальное (Т) и вертикальное (V) сдвигающее усилия на единицу длины, которые определяются по касательным и местным напряжениям:
Принимаем: bf =0,7, bz =1, принимается по табл. 34∙ [5], gwf =1; gwz =1, принимается по п.п. 11.2 [5]. Для сварки принимаем электроды типа Э42 по ГОСТ 9467-75, табл. 55 [5]. Rwf =18 кН/см2 , по табл. 56 [5], Rwz =0,45∙Run =0,45∙38=17,1 кН/см2 По металлу шва:[табл.37∙,5] kf
= По металлу границы сплавления: [табл.37∙,5] kf
= Принимаем kf =kf , min = 7мм [табл.38∙,5] 6.2.6 Проверка общей устойчивости балкиТак как балка по всей длине закреплена тормозной балкой, толщина листа которой более 6мм (8мм), общая устойчивость заведомо обеспечена. 6.2.7 Проверка местной устойчивости стенки ПБОт действия нормальных, касательных, местных напряжений может произойти потеря устойчивости сжатого пояса или стенки балки. Обеспечить местную устойчивость стенки можно увеличением ее размеров или постановкой ребер жесткости: от нормальных напряжений – продольных, от касательных – поперечных, от местных – коротких. Ребра жесткости разбивают стенку на отсеки, устойчивость которых следует проверять на совместное действие Устойчивость стенки не следует проверять, если условная гибкость стенки
6.2.8 Расчет опорной части балкиКонцы разрезных балок усиливаются поперечными ребрами, которые передают опорное давление с балки на колонну. Применяют два типа: торцевые и внутренние. В торцевом ребре – нижний, а во внутренних – оба торца должны быть остроганы. Применим торцевое опорное ребро жесткости, т.к. балка разрезная.
Рис. 6.9. – Торцевое опорное ребро Требуемая площадь сечения ребра находится из условия сжатия при а>tp Для (рис.6.9.) при величине a>1,5 tp требуемая площадь ребра:
где Rу – расчетное сопротивление стали сжатию, принимается по [5, табл.51 ]. Назначим ширину ребра равной bp = 300 мм. Толщина ребра:
принимаем 14мм Предельное значение ширины выступающей части ребра вычисляется по формуле:
Фактический свес ребра:
Местная устойчивость ребра обеспечена При нахождении условного стержня:
Площадь условного стержня:
По [5, табл. 72] φ=0,975 Условия обеспечения общей устойчивости проверяются по формуле:
Общая устойчивость опорного ребра обеспечена. Опорное ребро приваривается к балке угловыми швами. Рассчитывают вертикальные швы, длина которых По металлу шва Принимаем: bf =0,9, bz =1, 05 принимается по табл. 34∙ [5], gwf =gwz =1, принимается по п.п. 11.2 [5]. Для сварки принимаем электроды типа Э42 по ГОСТ 9467-75, табл. 55 [5]. Rwf =18 кН/см2 , по табл. 56 [5], Rwz =0,45∙Run =0,45∙38=17,1 кН/см2
По металлу границы сплавления
Принимаем катет шва 7 мм, что не меньше минимального значения по [5, табл.38], и не больше 1,2∙12мм=14,4мм. Литература1. Металлические конструкции Е.И. Беленя. - М., Стройиздат, 1986. 2. Пособие по проектированию каркасных промзданий для строительства в сейсмических районах. Госстрой СССР.- М., 1984. 3. СниП 2.01.07-85. Нагрузки и воздействия. М., 1988. 4. Методические указания. Статический расчет однопролетной поперечной рамы промздания с учетом сейсмического воздействия. 5. СниП II-23-81*. Стальные конструкции. М., 1990. 6. Методические указания. Расчет верхней части ступенчатой колонны промздания. |
|||||||||||||||||||||||||||||||||||||||||||||||||||||||||||||||||||||||||||||||||||||||||||||||||||||||||||||||||||||||||||||||||||||||||||||||||||||||||||||||||||||||||||||||||||||||||||||||||||||||||||||||||||||||||||||||||||||||||||||||||||||||||||||||||||||||||||||||||||||||||||||||||||||||||||||||||||||||||||||||||||||||||||||||||||||||||||||||||||||||||||||||||||||||||||||||||||||||||||||||||||||||||||||||||||||||||||||||||||||||||||||||||||||||||||||||||||||||||||||||||||||||||||||||||||||||||||||||||||||||||||||||||||||||||||||||||||||||||||||||||||||||||||||||||||||||||||||||||||||||||||||||||||||||||||||||||||||||||||||||||||||||||||||||||||||||||||||||||||||||||||||||||||||||||||||||||||||||||||||||||||||||||||||||||||||||||||||||||||||||||||||||||||||||||||||||||||||||||||||||||||||||||||||||||||||||||||||||||||||||||||||||||||||||||||||||||||||||||||||||||||||||||||||||||||||||||||||||||||||||||||||||||||||||||||||||||||||||||||||||||||||||||||||||||||||||||||||||||||||||

Рис 2.1. Расчетная схема рамы на постоянную нагрузку






.
,
.

,
,
.
,
,

;






.























,
< 


. 

,
,
,
