Дипломная работа: Проектирование физкультурно-оздоровительного комплекса
|
Название: Проектирование физкультурно-оздоровительного комплекса Раздел: Рефераты по строительству Тип: дипломная работа | |||||||||||||||||||||||||||||||||||||||||||||||||||||||||||||||||||||||||||||||||||||||||||||||||||||||||||||||||||||||||||||||||||||||||||||||||||||||||||||||||||||||||||||||||||||||||||||||||||||||||||||||||||||||||||||||||||||||||||||||||||||||||||||||||||||||||||||||||||||||||||||||||||||||||||||||||||||||||||||||||||||||||||||||||||||||||||||||||||||||||||||||||||||||||||||||||||||||||||||||||||||||||||||||||||||||||||||||||||||||||||||||||||||||||||||||||||||||||||||||||||||||||||||||||||||||||||||||||||||||||||||||||||||||||||||||||||||||||||||||||||||||||||||||||||||||||||||||||||||||||||||||||||||||||||||||||||||||||||||||||||||||||||||||||||||||||||||||||||||||||||||||||||||||||||||||||||||||||||||||||||||||||||||||||||||||||||||||||||||||||||||||||||||||||||||||||||||||||||||||||||||||||||||||||||||||||||||||||||||||||||||||||||||||||||||||||||||||||||||||||||||||||||||||||||||||||||||||||||||||||||||||||||||||||||||||||||||||||||||||||||||||||||||||||||||||||||||||||||||||
| Содержание Введение 1. Архитектурно-строительный раздел 1.1 Исходные данные для проектирования 1.2 Краткая характеристика объекта 1.3 Сведения о профессионально-квалификационном составе работающих и числе рабочих мест 1.4 Сведения об инженерно-геологических и гидрогеологических условиях 1.5 Решения и основные показатели по генеральному плану и благоустройству участка 1.6 Обоснование архитектурно-строительных решений и их соответствия архитектурному замыслу, функциональному назначению с учетом градостроительных требований 1.7 Соответствие объемно-планировочных и конструктивных решений техническим условиям 1.7.1 Объемно-планировочные решения 1.7.2 Основные конструктивные решения 1.7.2.1 Исходные данные 1.7.2.2 Фундаменты 1.7.2.3 Конструктивные решения выше 0.000 1.8 Мероприятия по взрыво- и пожарной безопасности объекта 1.9 Защита строительных конструкций от коррозии 1.10 Данные об обеспечении в помещениях требуемого комфорта; мероприятия по охране здоровья работающих 1.11 Решения по инженерному оборудованию 1.11.1 Принципиальные решения по инженерному оборудованию систем отопления, вентиляции и кондиционирования воздуха 1.11.1.1 Отопление 1.11.1.2 Вентиляция 1.11.2 Принципиальные решения по инженерному оборудованию систем водоснабжения и канализации 1.11.2.1 Водоснабжение 1.11.2.2 Канализация 1.11.2.3 Водостоки 1.11.3 Наружные сети инженерного обеспечения 1.11.3.1 Теплотрасса и водопровод 1.11.3.2 Канализация 1.11.4 Принципиальные решения по электрооборудованию, электроосвещению, молниезащите, охранной и противопожарной сигнализации 1.11.4.1 Электроснабжение 1.11.4.2 Электрооборудование 1.11.4.3 Электроосвещение 1.11.4.4 Слаботочные устройства 1.12 Теплотехнический расчет ограждающей конструкции 2. Конструктивный раздел2.1 Проектирование фундамента 2.1.1 Исходные данные 2.1.2 Оценка геологических и гидрогеологических условий строительной площадки 2.1.2.1 Определение физико-механических характеристик грунтов 2.1.2.2 Заключение по грунтовым условиям строительной площадки 2.1.3 Расчет и конструирование свайного фундамента 2.1.3.1 Исходные данные 2.1.3.2 Определение несущей способности висячей сваи 2.1.3.3 Расчет осадки основания 2.2 Расчет и конструирование поперечной рамы 2.2.1 Исходные данные 2.2.2 Определение нагрузок на раму 2.2.2.1 Постоянная нагрузка 2.2.2.2 Временная нагрузка 2.2.3 Сочетания нагрузок 2.2.4 Расчетная схема 2.2.5 Статический расчет 2.2.6 Подбор сечений стержней рамы 2.2.6.1 Подбор сечений сжатых стержней 2.2.6.2 Подбор сечений растянутых стержней 2.2.6.3 Подбор сечений стержней при действии продольной силы и момента (внецентренное сжатие) 3. Организационно-технологический раздел3.1 Обоснование сроков строительства 3.2 Календарный план строительства 3.2.1 Описание организационно-технологической последовательности выполнения строительно-монтажных работ по циклам 3.2.1.1 Подготовительный период 3.2.1.2 Нулевой цикл 3.2.1.3 Надземная часть 3.2.1.4 Отделочный цикл 3.3 Краткое описание основных строительно-монтажных работ 3.3.1 Инженерная подготовка 3.3.2 Земляные работы 3.3.3 Кладочные и монтажные работы 3.3.4 Отделочные работы 3.3.4.1 Подготовка поверхностей 3.3.4.2 Производство штукатурных работ 3.3.4.3 Плотницкие и стекольные работы 3.3.4.4 Производство малярных работ 3.3.4.5 Производство обойных работ 3.3.4.6 Производство облицовочных работ 3.3.4.7 Монтаж подвесных потолков 3.3.5 Устройство полов 3.3.5.1 Подготовка нижележащих слоев 3.3.5.2 Устройство стяжек 3.3.5.3 Устройство покрытий из плиток 3.3.5.4 Устройство покрытий из древесины и изделий на их основе 3.3.5.5 Устройство покрытий из полимерных материалов 3.4 Технологическая карта на устройство дощатых полов 3.4.1 Область применения 3.4.2 Организация и технология строительного процесса 3.4.3 Оборудование, применяемое при устройстве дощатых полов 3.4.4 Проект производства работ 3.4.4.1 Общие положения 3.4.4.2 Устройство бетонного подстилающего слоя 3.4.4.3 Устройство оклеечной гидроизоляции 3.4.4.4 Укладка лаг 3.4.4.5 Настилка шпунтовых досок 3.4.4.6 Острожка провесов полов 3.4.4.7 Установка плинтусов и вентиляционных решеток 3.4.5 Калькуляция трудовых затрат 3.4.6 Техника безопасности при устройстве полов 3.4.7 Правила приемки и методы контроля 3.5 Технологическая карта на устройство металлических каркасов 3.5.1 Область применения 3.5.2 Организация и технология строительного процесса 3.5.3 Оборудование и приспособления, применяемые при монтаже каркаса здания 3.5.4 Проект производства работ 3.5.4.1 Укрупнительная сборка элементов каркаса здания 3.5.4.2 Монтаж металлических конструкций каркаса здания 3.5.5 Калькуляция трудовых затрат 3.5.6 Контроль качества и приемка работ 3.5.7 Техника безопасности при проведении монтажных работ 3.6 Проектирование строительного генерального плана 3.6.1 Выбор и обоснование использования основных подъемно-транспортных механизмов 3.6.2 Расчет потребности в строительных кадрах 3.6.3 Расчет потребности во временных зданиях и сооружениях 3.6.4 Расчет потребности и размещение на стройгенплане складского хозяйства 3.6.5 Проектирование временных автомобильных и внутрипостроечных дорог3.6.6 Проектирование и расчет временных инженерных сетей 3.6.6.1 Проектирование временного водоснабжения 3.6.6.2 Проектирование временного электроснабжения 3.6.6.3 Проектирование освещения строительной площадки 3.6.6.4 Проектирование теплоснабжения строительной площадки 3.6.7 Технико-экономические показатели объектного стройгенплана 4. Экономический раздел 4.1 Пояснительная записка к сметной документации на строительство объекта «Физкультурно-оздоровительный комплекс в поселке Сосновка Тюменской области» 5. Раздел безопасности труда 5.1 Основные требования законодательства об охране труда в Российской Федерации 5.2 Организация безопасных условий труда 5.2.1 Организация производственной территории 5.2.1.1 Ограждения территории и знаки безопасности 5.2.1.2 Временные дороги 5.2.1.3 Складирование материалов 5.2.1.4 Санитарно бытовые помещения 5.2.2 Техника безопасности при монтажных работах 5.2.3 Противопожарные мероприятия на строительной площадке 6. Охрана окружающей среды 6.1 Основные принципы законодательства об охране окружающей среды в Российской Федерации 6.2 Общая характеристика объекта 6.2.1 Характеристика объекта как источника загрязнения 6.2.2 Краткая характеристика физико-географических и климатических условий района и площадки строительства 6.3 Охрана поверхностных и подземных вод от загрязнения и истощения6.4 Охрана почвенно-растительного покрова 6.5 Экологическая безопасность при производстве строительно-монтажных работ 6.6 Расчет выделений (выбросов) загрязняющих веществ в воздушный бассейн в процессе сварки 6.7 Оценка экологического риска при эксплуатации здания…..161 Приложение АПриложение БЗаключениеЛитератураВведение В наше время в северных городах актуальной стала проблема здоровья и занятости населения. В связи с этим возникает потребность в строительстве сооружений для занятий физической культурой и спортом. Целью данного дипломного проекта является проектирование и расчёт здания физкультурно-оздоровительного комплекса, предназначенного для проведения спортивных мероприятий и занятий универсальными видами спорта (волейбол, баскетбол, большой и малый теннис, бадминтон, гимнастика, аэробика, силовые виды спорта и др.). 1. Архитектурно-строительный раздел1.1 Исходные данные для проектирования Исходными данными для разработки дипломного проекта «Физкультурно-оздоровительный комплекс в поселке Сосновка Тюменской области» послужили: - проект «Физкультурно-оздоровительный комплекс в поселке Сосновка Тюменской области»; - схема размещения ФОК (выкопировка из генплана); - инженерные изыскания «УралТИСИЗ» 1991г. 1.2 Краткая характеристика объекта Здание физкультурно-оздоровительного комплекса в п. Сосновка Тюменской области предназначено для проведения спортивных мероприятий и занятий универсальными видами спорта (волейбол, баскетбол, большой и малый теннис, бадминтон, гимнастика, аэробика, силовые виды спорта ид, р.). В составе физкультурно-оздоровительного комплекса предусматриваются следующие спортивные зоны: Универсальный зал с местами для зрителей габаритами 24x42 м. – 995 м2 - тренажерный зал – 73,5 м2 ; - зал аэробики – 146,0 м2 ; - зал настольного тенниса – 112,0 м2 . 1.3 Сведения о профессионально-квалификационном составе работающих и числе рабочих мест Для обеспечения функционирования физкультурно-оздоровительного комплекса расчетом определен примерный штат постоянно работающих 18 человек. Общий штат делится на следующие группы работающих: - административно-управленческий персонал (заведующий, начальник АХО, бухгалтер) - вспомогательный персонал (персонал медкабинета, гардеробщики, охрана, в том числе пожарная) - производственный персонал (кладовщики, грузчики, уборщики, слесаря и т.п.) 1.4 Сведения об инженерно-геологических и гидрогеологических условиях По результатам инженерно-геологических изысканий, выполненных «УралТИСИЗ» в феврале 1991г., выявлено следующее: В административном отношении площадка расположена на севере Ханты-Мансийского автономного округа в Белоярском районе. В региональном геоморфологическом отношении пос. Сосновка расположен на водоразделе р.р. Надым и Казым, в значительной степени расчлененной равнины, в таежной зоне. За пределами поселка простираются обширные леса с множеством заболоченных участков и болот. Рельеф спокойный, абсолютные отметки на площадке строительства ФОК составляют 106,57-107,41 м. С поверхности и до разведанной глубины 15,0 м принимают участие следующие отложения (скв. №93): - чернозем, мощность слоя 0,2 м; - песок средней крупности, мощность слоя 1,6 м; - глина, мощность слоя 2,7 м; - глина, мощность слоя 9,5 м. Уровень грунтовых вод установлен на глубине 1,5 м. Согласно СНиП 2.02.01 - 83 нормативная глубина сезонного промерзания грунтов в районе 2,5 м. По степени коррозионной активности и степени агрессивности грунты выше УГВ - неагрессивные; подземные воды, по отношению к бетонным конструкциям фундамента, - неагрессивны; воздушная среда среднеагрессивная. 1.5 Решения и основные показатели по генеральному плану и благоустройству участка Участок строительства расположен в 1 Д климатическом районе со следующими характеристиками: - расчетная зимняя температура наружного воздуха минус 440 С; - нормативное значение веса снегового покрова 150 кгс/м2 ; - нормативное значение ветровой нагрузки 38 кгс/м2 ; - глубина промерзания грунта 2,5 м; - зона влажности – нормальная. Проектируемый физкультурно-оздоровительный комплекс находится в пос. Сосновка Тюменской обл. по ул. Школьной на территории свободной от коммуникаций. Генплан размещения физкультурно-оздоровительного комплекса решен с учетом технических условий, рационального использования земельных ресурсов, а так же противопожарных и санитарных норм. Проектом предусмотрены подъездная дорога к комплексу и тротуар. Покрытие автодороги предусмотрено из железобетонных плит ПДН 6x2x0,14 с основанием из цементно-песчаной смеси и среднезернистого песка. Толщина основания 0,28м. Сооружение тротуара предусмотрено так же из плит ПДН. Основания под скамьи предусмотрены из тротуарной плиты ПТ-1а Зх1,5х0,16. Проезжая часть от тротуара отделяется бордюрным камнем. Газоны от тротуара отделены поребриком. Радиусы закругления приняты равными 6м. Вертикальная планировка участка строительства выполнена в увязке с прилегающей территорией. Отвод ливневых и талых вод производится по проектируемой автодороге на существующий проезд с последующим сбросом в места понижения рельефа. Поперечный уклон тротуара в сторону проезжей части равен 0,02. Бордюрный камень выше проезжей части на 0,15м. Настоящий проект предусматривает установку ограждения из металлической трубы вокруг сквера и вдоль газона по фасадной части проектируемого комплекса. Вдоль ограждения проектируется рядовая посадка кустарника. Расстояние между кустами в ряду 0,5м. На остальной территории, прилегающей к физкультурно-оздоровительному комплексу, запроектирована групповая посадка деревьев и кустарника. Расстояние между деревьями в группе 4-5м, между кустами 1-1,5м. Устройство газона с посевом многолетних трав предусмотрено на незаасфальтированной территории. Для устройства газона необходимо создать плодородный слой из торфо-грунтовой смеси толщиной 0,1м(50% торфа+50% грунта). Рекомендуемый набор трав для посадки: овсяница, тимофеевка, полевица, клевер, рейграс. 1.6 Обоснование архитектурно-строительных решений и их соответствия архитектурному замыслу, функциональному назначению с учетом градостроительных требований Здание физкультурно-оздоровительного центра запроектировано прямоугольным в плане. К блоку одноэтажного спортивного зала примыкает двухэтажный блок помещений административного блока с раздевалками и залами для тренажеров, аэробики и настольного тенниса. Физкультурно-оздоровительный комплекс имеет большое градостроительное значение для социального обслуживания населения поселка. К главному входу в здание ведет бульвар, оформленный элементами благоустройства (цветники, скамейки, площадки для отдыха). Вследствие этого, при разработке объемно-планировочного решения комплекса, особое внимание придавалось оформлению главного и боковых фасадов. Для придания зданию оригинального облика применено сочетание облицовки из различных материалов: профилированный стальной лист и лицевой кирпич. 1.7 Соответствие объемно-планировочных и конструктивных решений техническим условиям 1.7.1 Объемно-планировочные решения Комплекс запроектирован в виде композиции двух по функциональному назначению объемов: – административный блок; – блок спортивного зала. Основную архитектурно-художественную нагрузку несет на себе центральный вход в здание, который выступает из основного объема лестницей с навесом. Центральный вход подчеркивается симметричными пилястрами из лицевого кирпича, перекрытыми сверху объемными арочными фронтонами, облицованными окрашенным профлистом, с покрытием из металлочерепицы. Объемно - планировочное решение здания построено следующим образом. Центром композиции является блок входной группы административно-бытового блока. Открытая лестница объединяет холлы 1 и 2 этажей. Административно-бытовой блок двумя коридорами соединяется с игровым универсальным залом. Из спортивных помещений второго этажа можно попасть на обзорный балкон универсального зала. 1.7.2 Основные конструктивные решения 1.7.2.1 Исходные данные Нормативные нагрузки приняты по СНиП 2.03.07-85 «Нагрузки и воздействия»: - ветровая нагрузка для III ветрового района - 38 кг/м2 ; - снеговая нагрузка для IV района - 150 кг/м2 ; - расчетная глубина промерзания – 2,4-2,6 м. Свайные основания и ростверки рассчитаны согласно СНиП 2.03.01-84* «Бетонные и железобетонные конструкции» и СНиП 2.02.03-85 «Свайные фундаменты». 1.7.2.2 Фундаменты Фундаменты под здания приняты в виде сварных обетонированных ростверков на сваях. Свайное основание принято из прямоугольных свай сечением 30x30 см. длиной 6,0 м. Несущая способность висячей сваи – 16,8 тс; расчетная нагрузка, допускаемая на сваю - 12 тс. Количество свай в кустах принято конструктивно, в зависимости от нагрузки и конструкции базы колонн. Под наружные и внутренние стены устанавливаются сварные обетонированные фундаментные балки. Под ростверками и фундаментными балками предусматривается устройство подушек из котельного шлака средней фракции без уплотнения толщиной 500 мм. 1.7.2.3 Конструктивные решения выше 0.000 Здание физкультурно-оздоровительного комплекса запроектировано с применением легких металлоконструкций, чем было продиктовано разделение комплекса на два отдельных блока разделенных противопожарной кирпичной стеной. Степень огнестойкости одноэтажного блока с игровым универсальным залом габаритами 24x42 м. и высотой до низа несущих конструкций 8,7 м - IIIа. Степень огнестойкости двухэтажного блока - II. Данные по отдельным строительным блокам приведены в таблице 1. Таблица 1
Здание комплекса отделяется от вблизи располагаемых зданий противопожарными разрывами. Здание запроектировано с несущим стальным каркасом. Несущие конструкции рамного типа. Шаг рам - 6 м. Двухэтажный блок. Поперечная и продольная устойчивость двухэтажного блока обеспечивается за счет жесткого опирания колонн на фундаменты, соединения верхних и боковых поясов рам в жесткие диски, за счет вертикальных и горизонтальных связей и сплошного настила из прогонов и панелей ограждения. Колонны приняты из широкополочных двутавров сечением З0Ш1. Балки перекрытия из широкополочных двутавров сечением 35Ш2. Блок спортивного зала. Рамы запроектированы с поясами переменного сечения из двух горячекатаных уголков 100х7 и решеткой из двух горячекатаных уголков 80х7. В качестве соединительных связей применены трубы квадратного сечения 120х120х5 и горячекатаные уголки 100х8 и 80х6. Прогоны покрытия выполняются из гнутого швеллера 250х90х6 и устанавливаются с шагом 1,2, 1,5, 1,7, 1,8 м. Ригели для крепления наружного ограждения – труба квадратного сечения 160х160х5 и гнутый швеллер 160х80х5. Мероприятия по огнезащите металлических конструкций приведены в таблице 2. Колонны фахверка – сварные стойки из двух швеллеров 20 и двутавр 30Б1. Стеновое ограждение: трехслойные металлические панели с внутренней обшивкой окрашенным профилированным стальным листом С21-1000-07 ГОСТ 24045-94, утеплителем – минераловатными плитами на синтетическом связующем П125 ГОСТ9573-96, объемным весом g = 125 кг/м3 , толщиной 250 мм, обернутыми в полиэтиленовую пленку. Наружная обшивка – профилированный стальной лист С10-1100-0,55 ТУ1122-025-00110473-97, устанавливается на монтаже. Лицевая поверхность профлиста имеет заводскую окраску, цвет – «белая ночь»(RAL9002). Для обеспечения сохранности утеплителя при транспортировке, с наружной стороны панель зашивается тонколистовой жестью. В соответствии с архитектурным решением фасадов, облицовка панелей профлистом С10 сочетается с кирпичными участками, выполненными из лицевого кирпича в форме пилястр, переходящих в арки. Кирпичные пилястры выкладываются после монтажа стеновых панелей и крепления наружной облицовки; армируются деталями, которые через монтажные детали крепятся к конструкциям. Кровля – трехслойная, поэлементной сборки с внутренним обшивкой профилированным окрашенным стальным листом С44-1000-0,8 ГОСТ 24045-94 (цвет – белая ночь), утеплением – минераловатными плитами на синтетическом связующем П125 ГОСТ 9573-96, объемным весом g = 125 кг/м3 , толщиной 300 мм, обернутыми в полиэтиленовую пленку и наружной обшивкой – профилированным окрашенным стальным листом С44-1000-0,8 ТУ 1122-025-00110473-97 (RAL 9003). Внутренний и наружный листы кровли соединяются между собой через монтажные элементы и тетивы на монтаже (дистанционные прогоны). Окна – с трехслойным остеклением, деревянные, ГОСТ 16289-86. В цокольной части АБК расположен технический этаж с отметкой пола минус 1,900. Цоколь АБК и нижняя часть наружных стен спортзала до отметки минус 0,250 облицовываются фасадной плиткой "рваный камень". Цвет плитки – темно-серый. Декоративные кирпичные пилястры, переходящие в арки, завершаются на фасадах фронтонами – объемными металлическими элементами, облицованными окрашенным профлистом С10-1100-0,55. Верхняя часть фасадов АБК облицована металлочерепицей, которая крепится к конструкциям с помощью металлических каркасов и имеет заводскую полимерную окраску под цвет профлиста кровли. Противопожарная стена предусматриваются из кирпича толщиной 380 мм. Лестница выполняется из сборных железобетонных конструкций (площадка - марш - площадка). Внутренние перегородки предусматриваются каркасно-обшивными толщиной 85 мм с каркасом из тонколистового гнутого профиля с обшивками из гипсоволокнистых листов t=10 мм с частичным заполнением минераловатными плитами в качестве звукоизоляции. В помещениях с влажным и мокрым режимом (душевые, санузлы), перегородки предусматриваются кирпичными толщиной 120 мм. Внутренние двери в производственных и вспомогательных помещениях запроектированы деревянные. Противопожарные двери обиваются тонколистовой сталью по асбестовому картону толщиной не менее 4 мм и оборудуются приспособлениями для самозакрывания и уплотнениями притворов. Наружные двери предусматриваются из алюминиевых профилей с заполнением тонированным стеклом толщиной 5 мм. Двери лестничной клетки на путях эвакуации должны иметь приспособления для самозакрывания и уплотнения в притворах и не должны иметь запоров, препятствующих их открыванию. Краткие технические характеристики зданий и сооружений приведены в таблице 2. 1.8 Мероприятия по взрыво и пожарной безопасности объекта Краткая характеристика конструкций здания и соответствия их по степени огнестойкости приведены в таблице 2. Здание оборудуется следующими системами: - противопожарного водоснабжения с установкой пожарных кранов; - системой автоматического оповещения о пожаре с выводом в дежурное помещение с постоянным пребыванием людей, автоматического отключения систем вентиляции. Складские помещения и коридоры запроектированы с учетом возможности дымоудаления. 1.9 Защита строительных конструкций от коррозии Степень воздействия среды на конструкции – неагрессивная и слабоагрессивная. Мероприятия по антикоррозионной защите конструкций и восстановлению покрытий, поврежденных сваркой выполнять в соответствии с требованиями СНиП 2.03.11-85* «Защита строительных конструкций от коррозии» и ГОСТ 9402-80: - степень очистки поверхностей от окислов – 2; - степень обезжиривания – 1; - конструкции окрасить двумя слоями эмали ПФ115 по ГОСТ 6465-76* по грунтовке ГФ 021 по ГОСТ 25129-82. 1.10 Данные об обеспечении в помещениях требуемого комфорта; мероприятия по охране здоровья работающих Все помещения обеспечиваются системами общеобменной вентиляции и кондиционирования, согласно норм для обеспечения комфортных условий труда. Все посетители и работающие обеспечиваются требуемыми санитарными условиями. Таблица 2 – Краткая характеристика конструкций здания и соответствия их по степени огнестойкости
1.11 Решения по инженерному оборудованию 1.11.1 Принципиальные решения по инженерному оборудованию систем отопления, вентиляции и кондиционирования воздуха 1.11.1.1 Отопление В здании физкультурно-оздоровительного комплекса запроектированы 3 системы отопления. Система отопления №1 обслуживает игровой зал. Работает постоянно на расчетную температуру Тв = 50 С. Система отопления №2 также обслуживает игровой зал. Работает периодически для догрева зала до температуры Тв = 180 С. Система отопления №3 обслуживает вспомогательные помещения физкультурно-оздоровительного комплекса и техподполье. Теплопотери здания определены с учетом термических сопротивлений ограждающих конструкций, соответствующих требованиям 2-го этапа энергосбережения. Расчетная температура наружного воздуха минус 410 С. Теплоноситель – вода с параметрами 95-700 С. Тип нагревательных приборов – чугунные радиаторы МС140, конвекторы "Комфорт-20" и регистр (эл/щитовая). В электрощитовой регистр и трубопроводы монтировать на сварке. 1.11.1.2 Вентиляция Вентиляция спортивно-оздоровительного комплекса запроектирована приточно-вытяжной с механическим и естественным побуждением. Основными вредностями в спортивных залах физкультурно-оздоровительного комплекса являются тепловыделения от людей и солнечной радиации. Расчет воздухообмена определен на поглощение теплоизбытков на 2 периода года (холодный и теплый), с проверкой на предельно-допустимую концентрацию углекислоты. В спортивные залы осуществляется неорганизованная подача наружного воздуха - в качестве приточных устройств используются открывающиеся фрамуги в верхней и нижней частях витражей. Удаление воздуха из спортивных залов осуществляется системами ВЕ1 – ВЕ4, ВЕ5 – ВЕ8. Вытяжные шахты оборудуются утепленными клапанами, а также поддонами для сбора и удаления конденсата. В раздевалки, душевые, кабинеты физкультурно-оздоровительного комплекса предусматривается организованная подача воздуха. Приточная установка П1 располагается в венткамере на 1 этаже. Приточный воздух очищается в фильтрах, а в холодный период года подогревается в калорифере. Вытяжка из помещений душевых, санузлов осуществляется крышным вентилятором. В холодный период года в помещениях физкультурно-оздоровительного комплекса обеспечен положительный дисбаланс в объеме 1-кратного воздухообмена. Для достижения бесшумной работы вентиляционных систем предусматривается: - применение вентиляторов 1 исполнения, а также бытовых осевых вентиляторов; - соединение вентиляторов с воздуховодами через гибкие вставки; - установка вентилятора П1 в венткамере; - звукоизоляция венткамеры. Проектом предусматривается: - управление системами местное и дистанционное, со щитов, где предусматривается световая сигнализация о работе систем; - автоматика приточной системы П1; - защита калорифера от замораживания; - поддержание постоянной температуры приточного воздуха, равной 250 С. 1.11.2 Принципиальные решения по инженерному оборудованию систем водоснабжения и канализации 1.11.2.1 Водоснабжение Источником холодного и горячего водоснабжения являются проектируемые сети В1, Т3 и Т4. Водоснабжение выполняется по проектируемым вводам В1 – в = 100 мм, Т3 – в = 76 мм, Т4 – в = 57мм. Для контроля за расходом воды на вводах холодного и горячего водопроводов, а также на циркуляционном трубопроводе Т4 устанавливаются водомерные узлы. Все потребители воды подключаются после счетчиков расхода. В связи с тем, что счетчик воды на системе В1 не рассчитан на пропуск противопожарного расхода воды, проектом предусматривается устройство обводной линии на водомерном узле ВУ-1 с установкой задвижки с электроприводом. В обычное время задвижка находится в закрытом и опломбированном состоянии. Открытие задвижки осуществляется дистанционно от кнопок, расположенных в шкафах с пожарными кранами. Системы хозяйственно-питьевого, противопожарного и горячего водопроводов запроектированы из труб стальных водогазопроводных оцинкованных по ГОСТ 3262-75*. Прокладка трубопроводов – открытая по конструкциям здания. Через перекрытия стальные трубопроводы прокладывать в гильзах из стальных труб диаметром на 2 шага выше. Гильзы выступают над перекрытием на 30мм. Зазор между рабочей трубой и гильзой заполняется водонепроницаемым материалом. После монтажа стальные трубопроводы холодного и горячего водопроводов покрыть изоляцией от конденсации влаги и теплопотерь соответственно. Опорожнение систем холодного и горячего водопроводов выполняется в систему хозяйственно-бытовой канализации через бак разрыва струи. 1.11.2.2 Канализация Система хозяйственно-бытовой канализации предназначена для отвода канализационных стоков в существующую наружную сеть канализации. Все сантехнические приборы, подключаемые к канализации, имеют в своей конструкции или в комплекте гидрозатвор. Система канализации запроектирована из труб чугунных канализационных по ГОСТ 6942-98. Прокладка трубопроводов – открытая по конструкциям здания. Вентиляция системы канализации осуществляется через стояк К1-1 в = 100мм. Монтаж систем водоснабжения и канализации вести в соответствии со СНиП 3.05.01-85. Технические решения проекта соответствуют требованиям экологических, санитарно-гигиенических, взрывоопасных и пожарных норм. 1.11.2.3 Водостоки Проектом предусматривается неорганизованный отвод дождевых и талых вод с кровли здания. 1.11.3 Наружные сети инженерного обеспечения 1.11.3.1 Теплотрасса и водопровод Источником тепло- и водоснабжения является существующая теплотрасса, проложенная на низких опорах. Проектируемые сети теплотрассы, холодного и горячего водопроводов прокладываются подземно. Трубопроводы теплотрассы с холодным водопроводом и трубопроводы горячего водопровода прокладываются совместно с теплотрассой. Наружное пожаротушение проектируемого здания выполняется от пожарного гидранта на проектируемой сети водопровода, проложенной совместно с теплотрассой. В точке врезки в существующую теплотрассу предусмотрено устройство тепловой камеры и приямка для выхода проектируемой теплотрассы на поверхность. В тепловой камере на трубопроводах запроектирована запорная арматура и устройства для опорожнения трубопроводов. Дренажные и аварийные воды из камеры удаляются в колодец диаметром 1500мм. Компенсация тепловых удлинений осуществляется за счет упругой деформации труб. Подвижные опоры устанавливаются с шагом 4,0-З,0 м. Сварку трубопроводов производить согласно правилам "Котлонадзора". Трубопроводы после монтажа подвергнуть гидравлическому испытанию. Изоляция труб принята по ГОСТ 30732-2001г. Поверхность сборных железобетонных изделий, соприкасающихся с грунтом, покрыть горячим битумом 2 раза. 1.11.3.2 Канализация Канализация предназначена для отвода канализационных стоков в существующую сеть канализации диаметром 200 мм. Точка врезки принята согласно технических условий. Сеть канализации запроектирована из труб стальных электросварных диаметром 200 мм по ГОСТ 10704-91 с усиленной битумно-полимерной изоляцией. В месте пересечения канализации с электрокабелями земляные работы вести вручную и после вызова на место производства работ представителя организации, эксплуатирующей кабеля. Обратную засыпку в местах пересечения сетей с автодорогой и кабелями производить малосжимаемым грунтом (песком). 1.11.4 Принципиальные решения по электрооборудованию, электроосвещению, молниезащите, охранной и противопожарной сигнализации 1.11.4.1 Электроснабжение Для питания электропотребителей физкультурно-оздоровительного комплекса на напряжении 380/220 В на 1 этаже в электрощитовом помещении предусматривается вводно-распределительное устройство (ВРУ) типа ВРУК2 на два ввода по 200 А каждый, с автоматическим устройством переключения питания и автоматическими выключателями на отходящих фидерах 0,4 кВ. ВРУ состоит из двух панелей: вводной – ВРУК2-18-80 и распределительной - ВРУК2-48-03. С ВРУ запитываются силовой распределительный щит технологического оборудования и вентиляции (1 ШР), щиты аварийного освещения. Общая расчетная мощность потребителей на вводе составляет 53 кВт (I=95А). 1.11.4.2 Электрооборудование Потребителями электроэнергии являются: технологическое оборудование отопления и вентиляции и задвижка на пожарном трубопроводе. Установленная мощность силовых электроприемников комплекса составляет 32 кВт. По надежности электроснабжения потребители относятся к третьей категории. Питающие и распределительные сети выполняются кабелем марки ВВГНГ в стальных трубах, открыто по фермам перекрытий и скрыто за обшивкой стен и потолка. Проектом предусмотрено автоматическое отключение вентиляции при пожаре. Управление задвижкой на пожарном водопроводе предусмотрено местное со шкафа типа Я 5410, установленного в узле управления, и дистанционное (включение) с постов типа ПКЕ, установленных в шкафах пожарных кранов. Приточная система П1 управляется со щита автоматизации (ЩА) типа ЩУС- 01- 01, установленного в венткамере. Сигнализация работы защиты от замораживания выводится на пост охраны (П) типаПКУ15. Управление утепленными клапанами предусмотрено независимое с постов управления типа ПКУ15. Здание имеет металлический каркас, который имеет непрерывную связь в соединениях и непосредственную связь с землей, поэтому дополнительных мероприятий по молниезащите не предусматривается. Для защитного зануления используется дополнительная жила кабелей. 1.11.4.3 Электроосвещение Проектом предусмотрено рабочее, аварийное и эвакуационное освещение помещений. Величины минимальной освещенности приняты на основании СНиП 23-05-95. Светильники приняты с люминесцентными лампами и лампами накаливания и выбраны в зависимости от характера среды в помещениях. Освещение спортзала выполнено светильниками с металлогалогенными лампами. Крепление светильников – на монтажный профиль к фермам. Эвакуационное освещение выполнено светильниками со встроенными аккумуляторными батареями с емкостью на 4 часа работы при исчезновении напряжения. Управление освещением предусмотрено выключателями, установленными по месту, освещением спортзала – автоматами со щитка освещения ЩО-2. Управление указателями "Выход" предусмотрено с поста охраны централизованно. Сети освещения выполнить кабелем марки ВВГНГ за подвесным потолком, скрыто внутри пустот плит перекрытий, в спортзале – по фермам. Спуски кабеля к выключателям и розеткам выполняются в мини-плинтусах. В техническом подполье кабель проложить открыто. Для дополнительной защита человека от поражения электрическим током на групповых розеточных линиях в щитках ЩО-1, ЩО-3 предусмотрена установка устройств защитного отключения типа УЗО (защита от токов утечки). 1.11.4.4 Слаботочные устройства Для оповещения людей о пожаре проектом предусматривается система пожарно-охраной сигнализации, обеспечивающая автоматическое отключение вентиляции при пожаре. 1.12 Теплотехнический расчет ограждающей конструкции Расчет производится в соответствие с нормами СНиП II-3-79** и сводится к определению толщины утеплителя ограждающей конструкции. Требуемое сопротивление теплопередаче ограждающей конструкции исходя из санитарно-гигиенических условий RТР o , м2 · 0 С/Вт, определятся по формуле (1) СНиП II-3-79**
где n = 1 – коэффициент, принимаемый в зависимости от положения наружной поверхности ограждающей конструкции по отношению к наружному воздуху по таблице 3 СНиП II-3-79** ; tB = 18 – расчетная температура внутреннего воздуха, принимаемая согласно СНиП 2.08.02-89* , 0 C; tH = -44 – расчетная зимняя температура наружного воздуха, равная средней температуре наиболее холодной пятидневки обеспеченностью 0,92 согласно СНиП 2.01.01-82 , 0 C; D tH = 4,5 – нормативный температурный перепад между температурой внутреннего воздуха и температурой внутренней поверхности ограждающей конструкции принимаемый по таблице 2 СНиП II-3-79** , 0 C; a В = 8,7– коэффициент теплоотдачи внутренней поверхности ограждающей конструкции, принимаемый по таблице 4 СНиП II-3-79** , Вт/(м2 · 0 С).
Требуемое сопротивление теплопередаче ограждающей конструкции исходя из условий энергосбережения RТР o, м2 · 0 С/Вт, определятся по таблице 1б СНиП II-3-79** через ГСОП (градусо-сутки отопительного периода). Градусо-сутки отопительного периода ГСОП, 0 С · сут, определяется по формуле (1а) СНиП II-3-79**
где tB = 18 – расчетная температура внутреннего воздуха, принимаемая согласно СНиП 2.08.02-89* , 0 C; tОП = -11,6 – средняя температура периода со среднесуточной температурой воздуха £ 8 0 С, принимаемая по СНиП 2.01.01-82 , 0 C; zОП = 283 – продолжительность периода со среднесуточной температурой воздуха £ 8 0 С, принимаемая по СНиП 2.01.01-82 , сут.
ß
Окончательно к расчету принимаем большее из двух значений RТР o :
Сопротивление теплопередаче ограждающей конструкции Ro , м2 · 0 С/Вт, определяется по формуле (4) СНиП II-3-79**
где a В – то же, что в формуле (1) ; RK – термическое сопротивление ограждающей конструкции, определяемое по формуле (3) СНиП II-3-79** , м2 · 0 С/Вт; a H = 23 – коэффициент теплопередачи (для зимних условий) наружной поверхности ограждающей конструкции, принимаемый по таблице 6 СНиП II-3-79** , Вт/(м2 · 0 С). Термическое сопротивление R , м2 · 0 С/Вт, однослойной ограждающей конструкции определяется по формуле
где d – толщина слоя, м; l = 0,07 – расчетный коэффициент теплопроводности материала слоя (плита минераловатная на синтетическом связующем по ГОСТ 9573-96), принимаемый по приложению 3* СНиП II-3-79** , Вт/(м2 · 0 С).
Искомая величина d выражается из формулы (5) и составляет
В соответствии с ГОСТ 9573-96, устанавливающим размеры теплоизоляционных плит из минеральной ваты на синтетическом связующем, окончательно принята толщина утеплителя d = 250 мм, см. рисунок 1.
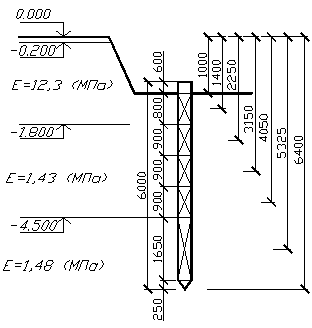
Рисунок 1 – Конструкция стены 2. Конструктивный раздел2.1 Проектирование фундамента 2.1.1 Исходные данные По результатам инженерно-геологических изысканий, выполненных «УралТИСИЗ» в феврале 1991г., получены исходные данные для проектирования фундаментов здания физкультурно-оздоровительного комплекса. Литологическое описание слоев приведено в таблице 3. Физико-механические свойства грунтов приведены в таблице 4. Таблица 3 – Литологическое описание слоёв по скважине № 93
Таблица 4 – Физико-механические свойства грунтов
Сосредоточенная нагрузка по обрезу фундамента N = 287 кН. 2.1.2 Оценка геологических и гидрогеологических условий строительной площадки 2.1.2.1 Определение физико-механических характеристик грунтов Первый слой – чернозем. Чернозем – плодородный поверхностный слой дисперсного грунта, образован ный п од влияни ем биогенного и атмосферного факторов. При планировании строительной площадки данный слой срезается. Второй слой – песок средней крупности. Песок – несвязны й минеральный грунт, в котором масса частиц размером меньше 2 мм составляет более 50 % (Ip = 0). Плотность скелета грунта:
Коэффициент пористости:
Степень влажности:
где g W = 10 (кН/м3 ) – удельный вес воды. Коэффициент относительной сжимаемости:
Модуль деформации:
где: β = 1- 2 n 2 /(1- n ) – безразмерный коэффициент, принимаемый для упрощения расчётов. n - коэффициент Пу ассона, определяемый по ГОСТ 20276-85 «Грунты. Методы полевого определения характеристик деформируемости» , при нимаемый равным: 0,30 - д ля пе сков и супесей; 0,42 - для глин. Третий слой – глина. Грунт глини стый – связный минеральный грунт, облад ающи й числом пластичности Ip ³ 1. Плотность скелета грунта:
Коэффициент пористости:
Степень влажности:
Коэффициент относительной сжимаемости:
Показатель текучести:
Число пластичности:
Модуль деформации:
Четвертый слой – глина. Плотность скелета грунта:
Коэффициент пористости:
Степень влажности:
Коэффициент относительной сжимаемости:
Показатель текучести:
Число пластичности:
Модуль деформации:
Классификация грунтов, выполненная на основании вычисленных физико-механических характеристик и ГОСТ 25100-95, приведена в таблице 5. Таблица 5 – Классификация грунтов
2.1.2.2 Заключение по грунтовым условиям строительной площадки Первый слой составляет чернозем – природное образование, слагающее поверхностный слой земной коры и обладающее плодородием. Второй слой – плотный песок средней крупности, насыщенный водой, с модулем деформации Е = 12,3 > 10 МПа. Грунт обладает высокой несущей способностью. Третий слой – глина текучепластичная, легкая песчанистая, насыщенная водой, с модулем деформации Е = 1,43 < 5 МПа. Грунт обладает низкой несущей способностью. Четвертый слой – глина мягкопластичная, легкая песчанистая, насыщенная водой, с модулем деформации Е = 1,48 < 5 МПа. Грунт обладает низкой несущей способностью. Нормативную глубину сезонного промерзания грунта dfn , м, допускается определять по формуле:
где: Mt = 22 + 19,6 + 13,8 + 1,3 + 2,6 + 13,4 + 19,9 = 92,6 – безразмерный коэффициент, численно равный сумме абсолютных значений среднемесячных отрицательных температур за зиму в пос. Сосновка Тюменской области. d0 - величина, принимаемая равной, м: - для песков гравелистых, крупных и средней крупности - 0,30; - для суглинков и глин - 0,23. Поскольку в пределах глубины заложения фундамента находится два типа грунта (пески средней крупности и глина), то определяется средневзвешенное значение doср :
Расчетная глубина сезонного промерзания грунта df ,м, определяется по формуле:
где: kh – коэффициент, учитывающий влияние теплового режима сооружения, принимаемый для наружных фундаментов отапливаемых сооружений kh = =0,5;
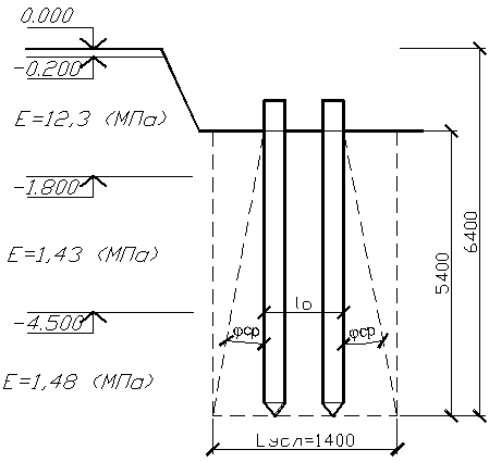
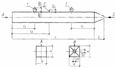
Поскольку уровень грунтовых вод обнаружен на глубине dw = 1,5 м £ df +2, то, согласно таблице 2 СНиП 2.02.01-83 «Основания зданий и сооружений» глубина заложения фундамента должна быть не менее df . В этом случае подошва фундамента освобождается от воздействия нормальных сил пучения. Вместе с тем, требование недопустимости выпучивания свай не является оправданным, так как любое здание и сооружение в состоянии переносить некоторые неравномерные деформации оснований, при выполнении соответствующих мероприятий. Согласно п. 7.11 СНиП 2.02.03-85 глубину заложения подошвы свайного ростверка следует назначать в зависимости от конструктивных решений подземной части здания или сооружения. Кроме того, на глубину заложения ростверка влияет способ отрывки котлована. По возможности следует закладывать фундамент выше уровня подземных вод, в противном случае резко возрастает стоимость земляных работ. Таким образом, принято решение о назначении глубины заложения подошвы ростверка равной 1м. Под фундаментами устраивается подушка толщиной 50 см из непучинистых материалов (песок средней крупности, котельный шлак). Применением подушки достигается не только частичная замена пучинистого грунта на непучинистый, но и уменьшение неравномерных деформаций основания. При конструировании ростверков, фундаментные балки, цокольные панели объединяются в единую систему, образуя достаточно жесткую горизонтальную раму. Такая система перераспределяет неравномерные перемещения отдельных свай, выравнивает их, что в конечном итоге уменьшает относительные деформации фундаментов и надземных конструкций здания. 2.1.3 Расчет и конструирование свайного фундамента 2.1.3.1 Исходные данные К расчету принята свая СНпр6-30 по ГОСТ 19804.2-79*. Форма, марки, номинальные размеры свай и проектные марки бетона по прочности на сжатие должны соответствовать указанным на рисунке 2 и в таблице 6.
1 - подъемные петли; 2 - штырь для фиксации места строповки при подъеме на копер Рисунок 2Таблица 6
2.1.3.2 Определение несущей способности висячей сваи К висячим сваям следует относить сваи всех видов, опирающиеся на сжимаемые грунты и передающие нагрузку на грунты основания боковой поверхностью и нижним концом. Несущую способность Fd , (тс), висячей забивной сваи, погружаемой без выемки грунта, работающей на сжимающую нагрузку, следует определять как сумму сил расчетных сопротивлений грунтов основания под нижним концом сваи и на ее боковой поверхности по формуле (8) СНиП 2.02.03-85
где g c – коэффициент условий работы сваи в грунте, принимаемый g c = 1; R = 83,6– расчетное сопротивление грунта под нижним концом сваи, принимаемое по таблице 1 СНиП 2.02.03–85 , тс/м2 ; A = 0,09 – площадь опирания на грунт сваи, принимаемая по площади поперечного сечения сваи брутто или по площади сваи-оболочки нетто, м2 ; u = 1,2– наружный периметр поперечного сечения сваи, м; fi – расчетное сопротивление i -го слоя грунта основания на боковой поверхности сваи, принимаемое по таблице 2 СниП 2.02.03–85 , тс/м2 ; hi – толщина i -го слоя грунта, соприкасающегося с боковой поверхностью сваи, (м); g cR , g cf = 1 – коэффициенты условий работы грунта соответственно под нижним концом и на боковой поверхности сваи, учитывающие влияние способа погружения сваи на расчетные сопротивления грунта и принимаемые по таблице 3 СниП 2.02.03–85 . Расчетная схема к определению несущей способности призматической сваи приведена на рисунке 3.
Расчетное сопротивление сваи по грунту:
Площадь подошвы ростверка:
где N = 287 – нагрузка по обрезу фундамента, кН; g f = 1,1 – коэффициент надежности по нагрузке для собственного веса; g m = 20 – среднее значение удельного веса материала ростверка и грунта на его уступах, кН/м3 ; dg = 1,0 – глубина заложения ростверка, м;
Вес ростверка с грунтом на уступах:
Число свай в ростверке:
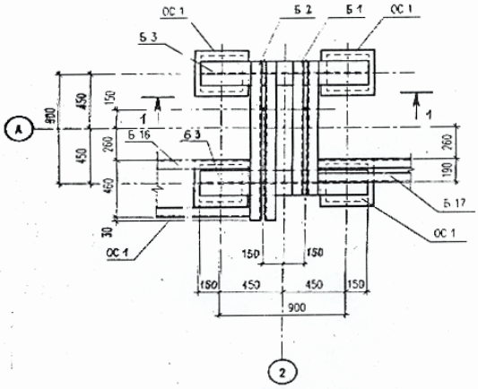
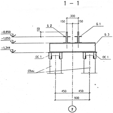
Конструктивно принимаем четыре сваи в кусте. Конструкция ростверка приведена на рисунке 4.
Рисунок 3
|
|||||||||||||||||||||||||||||||||||||||||||||||||||||||||||||||||||||||||||||||||||||||||||||||||||||||||||||||||||||||||||||||||||||||||||||||||||||||||||||||||||||||||||||||||||||||||||||||||||||||||||||||||||||||||||||||||||||||||||||||||||||||||||||||||||||||||||||||||||||||||||||||||||||||||||||||||||||||||||||||||||||||||||||||||||||||||||||||||||||||||||||||||||||||||||||||||||||||||||||||||||||||||||||||||||||||||||||||||||||||||||||||||||||||||||||||||||||||||||||||||||||||||||||||||||||||||||||||||||||||||||||||||||||||||||||||||||||||||||||||||||||||||||||||||||||||||||||||||||||||||||||||||||||||||||||||||||||||||||||||||||||||||||||||||||||||||||||||||||||||||||||||||||||||||||||||||||||||||||||||||||||||||||||||||||||||||||||||||||||||||||||||||||||||||||||||||||||||||||||||||||||||||||||||||||||||||||||||||||||||||||||||||||||||||||||||||||||||||||||||||||||||||||||||||||||||||||||||||||||||||||||||||||||||||||||||||||||||||||||||||||||||||||||||||||||||||||||||||||||||
| № слоя |
a |
|
|
|
|
| 0 |
1 |
128 |
25,6 |
- |
65,2 |
| 1 |
0,812 |
143,12 |
28,6 |
- |
52,9 |
| 2 |
0,470 |
158,24 |
31,6 |
- |
30,6 |
| 3 |
0,274 |
173,36 |
- |
17,3 |
17,9 |
| 4 |
0,173 |
188,48 |
- |
18,8 |
11,3 |
Осадка основания s c использованием расчетной схемы в виде линейно деформируемого полупространства определяется методом послойного суммирования по формуле
, (27)
где b - безразмерный коэффициент, равный 0,8;
s zp,i - среднее значение дополнительного вертикального нормального напряжения в i -м слое грунта, равное полусумме указанных напряжений на верхней zi- 1 и нижней zi границах слоя по вертикали, проходящей через центр подошвы фундамента;
hi и Еi - соответственно толщина и модуль деформации i- го слоя грунта;
n - число слоев, на которые разбита сжимаемая толща основания.
м;
Проверка условия:
![]()
6 < 12 см – условие выполняется.

Рисунок 5
2.2 Расчет и конструирование поперечной рамы
2.2.1 Исходные данные
За относительную отметку 0,000 принят уровень чистого пола первого этажа в осях 9 – 12, что соответствует абсолютной отметке 108,14.
Климатические условия:
- расчетная температура наружного воздуха минус 440 С;
- нормативное значение ветрового давления для III района 38 кгс/м2 ;
- нормативное значение веса снегового покрова для IV района 150 кгс/м2 .
2.2.2 Определение нагрузок на раму
Все нагрузки рассчитываются с учетом коэффициента надежности по ответственности
, принимаемым равным 0,95 для II уровня ответственности здания.
2.2.2.1 Постоянная нагрузка
Постоянные нагрузки от конструкций кровли, стропильных конструкций, связей по покрытию принимаются равномерно распределенными.
Значения нагрузок и коэффициентов надежности по нагрузке (коэффициент перегрузки) для конструкций покрытия приведены в таблице 8.
Таблица 8
| Вид нагрузки |
Нормативная, кН/м2 |
Коэффициент перегрузки |
Расчетная, кН/м2 |
| Ограждающие элементы кровли |
|||
| Профилированный настил толщиной 0,8 мм |
0,13 |
1,05 |
0,14 |
| Минераловатные плиты g = 1,25 кН/м3 , толщиной 300 мм |
0,375 |
1,2 |
0,45 |
| Несущие элементы кровли |
|||
| Профилированный настил толщиной 0,8 мм |
0,13 |
1,05 |
0,14 |
| Металлические конструкции покрытия |
|||
| Прогоны сплошные, пролетом 6 м |
0,05 |
1,05 |
0,053 |
| Ригель рамы, пролетом 24 м |
0,1 |
1,05 |
0,105 |
| Связи покрытия |
0,04 |
1,05 |
0,042 |
| Итого |
0,825 |
0,93 |
– нагрузка от веса покрытия на 1 м2 (приведена в таблице 8):
Расчетная равномерно распределенная нагрузка на ригель рамы qРИГ, Н/м, определяется по формуле:
, (28)
где qР = 0,93 - расчетная нагрузка, кН/м2 ;
В = 6 – ширина грузовой площади A1, м;
a = 70 С;
A1 = B · l = 6 · 24 = 144 м2 .
кН/м
Опорная реакция ригеля рамы, кН, определяется по формуле:
, (29)
где l = 24 – пролет рамы, м;
кН
– собственный вес стоек рамы:
, (30)
где gСТ = 0,6 – ориентировочный расход стали, кН/м2 здания;
В – то же, что в формуле (28) ;
l – то же что в формуле (29) ;
= 1,05 – коэффициент перегрузки.
кН
– вес стенового ограждения:
, (31)
где
- то же, что в формуле (30)
;
gСТЕН = 0,73 – вес конструкции стенового ограждения, кН/м2 ;
gОСТЕКЛ = 0,35 – вес конструкции остекления, кН/м2 ;
НСТЕН = 7,45 – суммарная высота стенового ограждения на грузовой площади, м;
НОСТЕКЛ = 1,8 – суммарная высота остекления на грузовой площади, м;
В = 6 – ширина грузовой площади, м.
кН
Схема распределения постоянных нагрузок приведена на рисунке 7.

Рисунок 7
2.2.2.2 Временная нагрузка
– снеговая нагрузка:
Полное нормативное значение снеговой нагрузки на горизонтальную проекцию покрытия s, кН/м2 , определяется по формуле (5) СНиП 2.01.07-85*:
(32)
где s0 = 1,5 – нормативное значение веса снегового покрова на 1 м2 горизонтальной поверхности земли, принимаемое в соответствии с п. 5.2 СНиП 2.01.07-85*, кН/м2 ;
m = 1– коэффициент перехода от веса снегового покрова земли к снеговой нагрузке на покрытие, принимаемый в соответствии с п. 5.3 — 5.6 СНиП 2.01.07-85* .
кН/м2
Полное значение снеговой нагрузки на ригель рамы:
, (33)
где
= 1,4 (qРИГ
н
=
0,825 > 0,8) – коэффициент надежности по нагрузке, принимаемый согласно п.5.7 СНиП 2.01.07-85*
.
В – то же, что в формуле (28).
кН/м
Опорная реакция ригеля рамы:
кН
– ветровая нагрузка:
Нормативное значение средней составляющей ветровой нагрузки wm на высоте z над поверхностью земли, Н/м2 , определяется по формуле (6) СНиП 2.01.07-85* :
(34)
где w0 = 380 – нормативное значение ветрового давления, Н/м2 , определяемое согласно п. 6.4 СНиП 2.01.07-85* ;
k — коэффициент, учитывающий изменение ветрового давления по высоте, принимаемый согласно п. 6.5 СНиП 2.01.07-85* (тип местности А - открытый);
с — аэродинамический коэффициент, принимаемый согласно п. 6.6 СНиП 2.01.07-85*,
се1 = -0,4;
cе2 = -0,4;
се3 = -0,5;
се = +0,8.
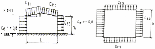
Схема распределения ветровой нагрузки приведена на рисунке 8.

Рисунок 8 – Схема здания и ветровых нагрузок
С наветренной стороны:
– для части здания, высотой до 5 м
wm1 = 380 ∙ 0,75 ∙ 0,8 = 228 Н/м2
- то же, высотой до 10м, k = 1,0,
wm2 = 380 ∙ 1,0 ∙ 0,8 = 304 Н/м2
В соответствии с линейной интерполяцией с наветренной стороны:
- на высоте 9,45 м над ур.ч.п.
wm3 = 380 ∙ 0,972 ∙ 0,8 = 296 Н/м2
Переменную по высоте ветровую нагрузку заменяют равномерно распределенной, эквивалентной по моменту в заделке консольной балки длиной 9,45 м:
– с наветренной стороны
wm ЭКВ = wm2 ∙ α , (35)
где a = 1 при H £ 10 м,
wm ЭКВ = 304 ∙ 1 = 304 Н/м2
– с подветренной стороны
wms
ЭКВ
= wm
ЭКВ
∙ Се3
/Се =
= -190 Н/м2
, (36)
Расчетная равномерно распределенная линейная нагрузка qВ от ветрового напора на колонну до отметки 8,450 над ур.ч.п., кН/м:
- с наветренной стороны:
qВ = wm ЭКВ ∙ В ∙ γf ∙ γН , (37)
где В – то же, что в формуле (19) ;
γf = 1,4 – коэффициент надежности по ветровой нагрузке, принимаемый согласно п. 6.11 СНиП 2.01.07-85*.
qВ = 0,304 · 6 · 1,4 · 0,95 = 2,42 кН/м
- с подветренной стороны:
qВs = wms ЭКВ ∙ В ∙ γf ∙ γН , (38)
qВs = - 0,19 · 6 · 1,4 · 0,95 = -1,52 кН/м
Расчетная равномерно распределенная линейная нагрузка qВ * от ветрового напора на покрытие, кН/м:
- с наветренной стороны:
qВ * = w0 ∙Се1 · В ∙ γf · γН , (39)
qВ * = 0,38 ∙ (-0,4) · 6 ∙ 1,4 · 0,95 = -1,2 кН/м
- с подветренной стороны:
qВs * = w0 ∙Се2 · В ∙ γf · γН , (40)
qВs * = 0,38 ∙ (-0,4) · 6 ∙ 1,4 · 0,95 = -1,2 кН/м
Схема распределения временных нагрузок приведена на рисунке 9.

Рисунок 9
2.2.3 Сочетания нагрузок
Расчет конструкции рамы выполняется с учетом неблагоприятных сочетаний нагрузок. Для расчета используются основные сочетания, состоящие из постоянных, длительных и кратковременных нагрузок.
В соответствие с п. 1.12, 1.13 СНиП 2.01.07-85* учитывается сочетание, включающее постоянную и две временные нагрузки с коэффициентами сочетаний для длительных y 1 = 0,95, для кратковременных y 1 = 0,9.
Сочетания, включающие постоянную и одну временную нагрузку (длительную или кратковременную) применяются без коэффициентов y 1 .
2.2.4 Расчетная схема
Расчетная схема поперечной рамы – это многократно статически неопределимая сквозная система с жесткими узлами. При определении усилий жесткостью узлов пренебрегаем. В дальнейшем жесткость узлов учитывается при определении расчетных длин стержней рамы.
Исследования действительной работы поперечных рам показали, что такое приближение приводит к очень небольшим погрешностям в величине нормальных сил, действующих в элементах. Расчетная схема рамы приведена на рисунке А.1 приложения А.
2.2.5 Статический расчет
Статический расчет рамы выполнен на ПЭВМ с использованием вычислительного комплекса STARK_ES_S версии 2.2. Вычислительный комплекс основан на применении метода конечных элементов по стандарту метода перемещений.
ПЭВМ автоматически выдает расчетные усилия в стержнях с учетом требуемых сочетаний нагрузок. В соответствии с классификацией сочетаний нагрузок усилия определены отдельно для каждого вида сочетаний, несущая способность стержней проверяется по окончательному расчетному наибольшему усилию.
Усилия в элементах рамы при статическом расчете на первое и второе сочетания приведены в таблицах А1 и А2 приложения А соответственно.
Номера стержней рамы приведены на рисунках А.2, А.3, А.4, А.5, А.6, А.7 приложения А.
Эпюра М в элементах рамы приведена на рисунках А.8, А.9, А.10, А.11 приложения А.
Эпюра Q в элементах рамы приведена на рисунках А.12, А.13, А.14, А.15 приложения А.
Эпюра N в элементах рамы приведена на рисунках А.16, А.17, А.18, А.19.
2.2.6 Подбор сечений стержней рамы
2.2.6.1 Подбор сечений сжатых стержней
Подбор сечений сжатых стержней начинается с определения требуемой площади по формуле:
, (41)
где
– коэффициент условий работы, принимаемый согласно таблице 6* СНиП II-23-81*
;
N – расчетное усилие;
Ry – расчетное сопротивление стали сжатию по пределу текучести;
j - коэффициент продольного изгиба.
Коэффициент продольного изгиба является функцией гибкости
,
где l0 – расчетная длина стержня;
- радиус инерции сечения.
При предварительном подборе сечения элемента задаемся гибкостью, по которой определим соответствующую величину j и площадь А по формуле (41).
Задавшись гибкостью l , определим также требуемые радиусы инерции сечения по формулам:
, (42)
где
- расчетная длина стержня в плоскости рамы;
, (43)
где
- расчетная длина стержня из плоскости рамы.
В соответствие с требуемыми радиусами инерции и площадью сечения по сортаменту подбирается подходящий калибр профиля.
Подбор сечения сжатого раскоса производится по максимальному расчетному усилию в элементе №38 второго сочетания N = 481,81кН.
Расчетные длины стержня определены в соответствии с п. 6.1 СНиП 2-23-81*
и составляют:
м;
м. Материал – сталь С255; Ry
= 250 МПа. Коэффициент условий работы
=1.
Принятое сечение – два равнополочных уголка. Задаемся гибкостью l = 100 и, следовательно, согласно таблице 72 СНиП II-23-81* j = 0,542.
Требуемая площадь сечения:
см2
.
Требуемые радиусы инерции:
см;
см.
По ГОСТ 8509-93 принимаем сечение из двух стальных горячекатаных равнополочных уголков 80х7:
А = 21,7см2 ;
iX = 2,45 см.
Наибольшая гибкость стержня относительно оси х-х:
![]()
= 39 и по наибольшей гибкости находим j = 0,894.
Напряжение
кН/см2
<
кН/см2
.
Оставляем принятое сечение из двух равнополочных уголков 80х7.
2.2.6.2 Подбор сечений растянутых стержней
Для растянутых раскосов также используем сечение из двух равнополочных уголков 80х7.
Проверка сечения растянутого раскоса производится по максимальному расчетному усилию в элементе №50 второго сочетания N = 106,93кН.
Согласно СНиП II-23-81* расчет на прочность элементов, подверженных центральному растяжению силой N , следует выполнять по формуле:
, (44)
кН/см2
<
кН/см2
.
2.2.6.3 Подбор сечений стержней при действии продольной силы и момента (внецентренное сжатие)
Согласно СНиП II-23-81* расчетные значения продольной силы N и изгибающего момента М в стержнях следует принимать для одного и того же сочетания нагрузок, причем изгибающий момент принимается равным наибольшему моменту в пределах средней трети длины панели пояса.
Предварительный подбор сечения производится как для центрально сжатого стержня с использованием формулы проверки устойчивости в плоскости изгиба:
, (45)
где j
е
– коэффициент понижения несущей способности стержня при внецентренном сжатии, определяемый для сплошностенчатых стержней в зависимости от условной гибкости l
и приведенного эксцентриситета
;
, (46)
где h – коэффициент влияния формы сечения, определяемый по таблице 73 СНиП II-23-81* ;
Относительный эксцентриситет:
, (47)
где
– эксцентриситет;
Wc – момент сопротивления сечения для наиболее сжатого волокна;
r х – расстояние о горизонтальной оси до края ядра сечения.
Подбор сечения сжато-изгибаемого стержня пояса ригеля производится по максимальному расчетному усилию в элементе № 77 второго сочетания N = 391,25кН, М = =1,01 кН·м.
Расчетные длины стержня составляют:
м;
м. Материал – сталь С345; Ry
= 335 МПа. Коэффициент условий работы
=1.
Принятое сечение – два равнополочных уголка. Задаемся гибкостью l Х = =60, тогда:
см
Требуемая высота сечения:
см (48)
см (49)
где
0,3·h
– расстояние от центра тяжести сечения до сжатого от момента края сечения.
м
ß
![]()
ß
![]()
ß
![]()
Приведенная гибкость:
![]()
ß
![]()
Требуемая площадь:
см2
По ГОСТ 8509-93 принимаем сечение верхнего пояса из двух стальных горячекатаных равнополочных уголков 100х7:
А = 27,5 см2 ;
= 3,08 см;
z = 2,71 см;

Наибольшая гибкость стержня относительно оси х-х:
28,2;
![]()
ß
![]()
ß
![]()
ß
![]()
Получив геометрические характеристики сечение проводом проверку в плоскости действия момента по формуле:
, (50)
кН/см2
£
кН/см2
.
Согласно п. 5.32 СНиП II-23-81*
устойчивость из плоскости действия момента проверять не требуется, поскольку выполняется условие
.
Сечение нижнего пояса ригеля принимаем также из двух стальных горячекатаных равнополочных уголков 100х7, материал – сталь С345.
Проверка сечения сжато-изгибаемого стержня пояса ригеля производится по максимальному расчетному усилию в элементе № 41 для второго сочетания N = 416,79кН, M= 0,04 кН·м.
Расчетные длины стержня составляют:
м;
м. Материал – сталь С345; Ry
= 335 МПа. Коэффициент условий работы
=1.
м
Поскольку эксцентриситет весьма мал, расчет элемента производим по схеме центрально сжатого.
Наибольшая гибкость стержня относительно оси х-х:
33
и по наибольшей гибкости находим j = 0,901.
Напряжение:
кН/см2
<
кН/см2
Проверка сечения растянуто-изгибаемого стержня пояса ригеля в элементе № 79 для второго сочетания выполняется по схеме центрально растянутого стержня из-за малости расчетного момента.
кН/см2
<
кН/см2
.
Проверка сечения растянуто-изгибаемого стержня пояса ригеля в элементе № 39 для второго сочетания выполняется по формуле (49) СНиП II-23-81* :
(51)
где N, MX , MY – абсолютные значения соответственно продольной силы и изгибающих моментов при наиболее неблагоприятном сочетании;
N = 413,79 кН; M = 2,15 кН·м;
n, сх , сy – коэффициенты, принимаемые по приложению 5 СНиП II-23-81*:
n = 1,5;
сх = 1,60;
сy = 1,47.

Проверка сечения внешнего пояса стойки в элементе №1 для второго сочетания выполняется по схеме центрально-сжатого элемента, N = 409,37 кН.
По ГОСТ 8509-93 принимаем сечение из двух стальных горячекатаных равнополочных уголков 100х7, материал – сталь С345:
А = 27,5 см2 ;
iX = 3,08 см.
Наибольшая гибкость стержня относительно оси х-х:
![]()
= 14 и по наибольшей гибкости находим j = 0,972.
Напряжения:
кН/см2
<
кН/см2
.
Оставляем принятое сечение из двух равнополочных уголков 100х7.
Проверка сечения внутреннего пояса стойки производится по максимальному расчетному сжимающему усилию в элементе №35 второго сочетания N = = 448,76 кН. Сечение из двух стальных горячекатаных равнополочных уголков 100х7, материал – сталь С345:
А = 27,5 см2 ;
iX = 3,08 см.
Наибольшая гибкость стержня относительно оси х-х:
![]()
= 29 и по наибольшей гибкости находим j = 0,912.
Напряжения:
кН/см2
<
кН/см2
.
Оставляем принятое сечение из двух равнополочных уголков 100х7.
3. Организационно-технологический раздел
3.1 Обоснование сроков строительства
Согласно СНиП 1.04.03-85 нормативная продолжительность строительства физкультурно-оздоровительного комплекса составляет 14 мес.
Нормами предусмотрено устройство инженерных сетей и коммуникаций, а также проведение благоустройства в пределах генерального плана (земельного участка, отведенного под строительство) объекта.
Календарный план в виде сетевой модели приведен на листе 11 графической части проекта. Фактическая продолжительность строительства составляет 13,5 мес. Поскольку фактическая продолжительность строительства объекта не превышает нормативного значения, корректировки по времени и трудовым ресурсам не производятся.
3.2 Календарный план строительства
Календарный план производства работ на строительство объекта отражает технологическую последовательность и взаимосвязь, продолжительность и календарные сроки начала и окончания работ (общестроительных, специальных и монтажных) по соответствующему объекту. На основании календарного плана устанавливается динамика движения рабочей силы основного производства, а так же всей номенклатуры материально-технических ресурсов (материалов, оборудования, строительных машин, механизмов, транспортных средств и т.д.).
Календарный план производства работ на объекте составляют в следующем порядке:
- производят анализ проектных материалов по объекту;
- устанавливают номенклатуру общестроительных и монтажных процессов, подлежащих включению в календарный план;
- выбор и обоснование организационно-технологических схем выполнения строительно-монтажных работ по циклам;
- выбор и обоснование использования основных подъемно-транспортных механизмов (монтажных кранов);
- подсчитывают необходимые трудозатраты для выполнения отдельных процессов и необходимое число машино-смен для основных строительных машин;
- определяют продолжительность выполнения отдельных видов работ и производят их взаимную увязку во времени.
Календарный план в виде сетевой модели, разрабатываемый в данном проекте, позволяет создать рациональную модель строительства объекта и в процессе управления оперативно устранять возникающие трудности на основе получаемой информации о ходе производства.
Карточка-определитель и расчет сетевого графика приведены в таблицах 12,13 соответственно.
3.2.1 Описание организационно-технологической последовательности выполнения строительно-монтажных работ по циклам
3.2.1.1 Подготовительный период
Состав работ подготовительного периода:
- вертикальная планировка;
- ограждение площадки;
- создание опорной геодезической сети;
- устройство временных дорог и проездов для крана;
- монтаж временных инвентарных зданий;
- устройство временных инженерных коммуникаций и произвести подключение временных зданий;
- устройство временного освещения строительной площадки;
- создание складского хозяйства.
3.2.1.2 Нулевой цикл
Состав комплекса работ этапа «подземная часть»:
- разработка котлована и траншей;
- возведение конструкций подземной части здания;
- устройство гидроизоляции;
- устройство вводов подземных коммуникаций;
- обратная засыпка котлована и траншей.
3.2.1.3 Надземная часть
Состав комплекса работ этапа «надземная часть»:
- кладка стен;
- монтаж строительных конструкций с сопутствующими изоляционными работами;
- устройство кровли;
- плотнично-столярные работы: заполнение оконных и дверных проемов блоками, установка подоконных досок, остекление окон;
- санитарно-технические работы 1 стадии: монтаж системы отопления, стояков и трубопроводов водопровода, канализации;
- электромонтажные работы 1 стадии: прокладка срытой проводки, установка электрощитов;
- слаботочные работы 1 стадии: прокладка скрытой проводки, в том числе монтаж труб.
3.2.1.4 Отделочный цикл
В составе комплекса «отделочные работы»:
- штукатурные работы: штукатурка стен, заделка отверстий в местах прохода трубопроводов, затирка негладких поверхностей сборных элементов, обработка мест примыкания элементов;
- облицовка стен керамической плиткой;
- устройство монолитных отделочных покрытий: цементных стяжек под полы, чистых цементных полов;
- устройство плиточных полов: из керамических плиток;
- плотничные работы: остекление дверей, устройство линолеумных полов по готовому основанию, устройство деревянных полов;
- санитарно-технические работы: установка фаянсовых изделий, промывка систем;
- малярные работы: окраска известковая, клеевая, эмульсионная и масляными составами;
- электромонтажные работы: установка электроарматуры и приборов;
слаботочные работы: установка арматуры.
Таблица 12 – Карточка-определитель
| № |
Наименование работ |
V работ |
Трудозатраты
|
Состав звена |
Кол-во смен |
Продолж. дней |
||||||||||||||||
| Ед. изм |
всего |
|||||||||||||||||||||
| 1 |
2 |
3 |
4 |
5 |
6 |
7 |
8 |
|||||||||||||||
| 1 |
Разработка грунта бульдозерами мощностью до 59 кВт (80 л.с.) с перемещением до 10 м грунта 2-й группы (в отвал) |
1000 м3 |
0,650 |
|
маш. 6р-1 |
2 |
2 |
|||||||||||||||
| 2 |
Разработка грунта экскаваторами с ковшом вместимостью 0,5 м3 на гусеничном ходу |
1000 м3 |
1,4 |
|
маш. 6р-1 землекоп -4 чел |
2 |
8 |
|||||||||||||||
| 3 |
Подсыпка под полы бульдозерами мощностью до 59 кВт (80 л.с.) |
1000 м3 |
0,828 |
|
маш. 6р-1 |
1 |
2 |
|||||||||||||||
| 4 |
Подсыпка под полы вручную. |
м3 |
207 |
|
землекоп -6 чел. |
2 |
7 |
|||||||||||||||
| 5 |
Уплотнение грунта пневматическими трамбовками |
100 м3 |
11,34 |
|
землекоп -4 чел. |
1 |
4 |
|||||||||||||||
| 6 |
Погружение дизель-молотом на экскаваторе ж/б свай длиной до 12 м в грунт 2-й группы |
м3 |
150,66 |
|
маш.5р-1, монтаж. -3 чел. |
2 |
47 |
|||||||||||||||
| 7 |
Установка блоков стен подвалов |
шт. |
69 |
|
монтаж. 3р-3 4р-3 кран.6р-1 |
1 |
2 |
|||||||||||||||
| 8 |
Устройство монолитных заделок из бетона |
м3 |
6,9 |
|
бетонщ. -3 чел. |
1 |
2 |
|||||||||||||||
| 9 |
Боковая обмазочная гидроизоляция стен, фундаментов свай |
100 м2 |
21,92 |
|
рабочие. -6 чел. |
2 |
8 |
|||||||||||||||
| 10 |
Монтаж рамы коробчатого сечения пролетом 24 м. |
т. |
38,95 |
|
монтаж. 3р-1 4р-1 5р-1 кран.6р-1 |
2 |
19 |
|||||||||||||||
| 11 |
Монтаж прогонов, балок, ригелей при шаге ферм до 12 м. |
т. |
30,94 |
|
– ² – |
2 |
13 |
|||||||||||||||
| 12 |
Монтаж связей и распорок |
т. |
11,04 |
|
– ² – |
2 |
6 |
|||||||||||||||
| 13 |
Монтаж каркасов многоэтажных гражданских зданий, высотой до 25 м. |
т. |
69,46 |
|
монтаж. 3р-3 4р-3 кран.6р-1 |
2 |
16 |
|||||||||||||||
| 14 |
Монтаж в многоэтажных зданиях балок и ригелей перекрытий и покрытий. |
т. |
21,75 |
|
монтаж. 3р-1 4р-1 5р-1 кран.6р-1 |
2 |
10 |
|||||||||||||||
| 15 |
Установка цокольных панелей наружных стен |
шт. |
10 |
|
монтаж. 3р-3 4р-3 кран.6р-1 |
1 |
1 |
|||||||||||||||
| 16 |
Устройство наружных и внутренних стен из керамического кирпича |
м3 |
187,25 |
|
каменщики-5 чел |
1 |
19 |
|||||||||||||||
| 17 |
Монтаж стен из многослойных панелей заводской готовности |
100 м2 |
28,62 |
|
монтаж. 3р-3 4р-3 кран.6р-1 |
2 |
41 |
|||||||||||||||
| 18 |
Установка панелей перекрытий с опиранием на две стороны. |
шт. |
100 |
|
монтаж. 3р-3 4р-3 кран.6р-1 |
1 |
5 |
|||||||||||||||
| 19 |
Устройство ж/б перекрытий из бетона марки М200 |
м3 |
18,88 |
|
бетонщ. -6 чел |
1 |
3 |
|||||||||||||||
| 20 |
Монтаж кровельного покрытия из профлиста и стали оцинкованной |
100 м2 |
28,64 |
|
монтаж. 3р-3 4р-3 кран.6р-1 |
2 |
9 |
|||||||||||||||
| 21 |
Монтаж кровельного покрытия из профлиста и стали оцинкованной |
100 м2 |
4,32 |
|
монтаж. 3р-3 4р-3 кран.6р-1 |
2 |
2 |
|||||||||||||||
| 22 |
Изоляция холодных поверхностей теплоизоляционными изделиями |
м3 |
402 |
|
кровельщ. - 8 чел. |
2 |
36 |
|||||||||||||||
| 23 |
Изоляция холодных поверхностей теплоизоляционными изделиями |
м3 |
108 |
|
кровельщ - 8 чел. |
2 |
10 |
|||||||||||||||
| 24 |
Покрытие кровли и стен полиэтиленовой пленкой |
100 м2 |
40,2 |
|
кровельщ - 8 чел. |
2 |
3 |
|||||||||||||||
| 25 |
Устройство перегородок каркасно-обшивных |
100 м2 |
9,65 |
|
плотники -5 чел. |
2 |
22 |
|||||||||||||||
| 26 |
Устройство перегородок из керамического кирпича |
100 м2 |
2,48 |
|
каменщики-5 чел. |
2 |
4 |
|||||||||||||||
| 27 |
Устройство металлических каркасов потолков |
100 м2 |
1,61 |
|
плотники -5 чел. |
2 |
6 |
|||||||||||||||
| 28 |
Устройство водопровода хозяйственно-питьевого |
|
8 чел. |
1 |
9 |
|||||||||||||||||
| 29 |
Устройство канализации хозяйственно-бытовой |
|
8 чел |
1 |
3 |
|||||||||||||||||
| 30 |
Устройство вентиляции |
|
8 чел. |
1 |
14 |
|||||||||||||||||
| 31 |
Устройство теплоснабжения |
|
8 чел. |
1 |
2 |
|||||||||||||||||
| 32 |
Устройство отопления |
|
8 чел. |
2 |
10 |
|||||||||||||||||
| 33 |
Устройство электроосвещения |
|
8 чел. |
2 |
13 |
|||||||||||||||||
| 34 |
Монтаж электросилового оборудования |
|
8 чел. |
1 |
9 |
|||||||||||||||||
| 35 |
Монтаж пожаро-охранной сигнализации |
|
8 чел. |
2 |
11 |
|||||||||||||||||
| 36 |
Телефонизация |
|
8 чел. |
1 |
4 |
|||||||||||||||||
| 37 |
Наружный водопровод и канализация |
|
10 чел. |
2 |
22 |
|||||||||||||||||
| 38 |
Установка оконных блоков |
м2 |
204,2 |
|
плотники -5 чел |
2 |
7 |
|||||||||||||||
| 39 |
Установка деревянных подоконных досок |
м2 |
204,2 |
|
плотники -5 чел |
2 |
2 |
|||||||||||||||
| 40 |
Улучшенная окраска оконных и дверных заполнений |
100 м2 |
7,72 |
|
маляры-отделоч. -4 чел |
2 |
16 |
|||||||||||||||
| 41 |
Остекление деревянных оконных переплетов |
100 м2 |
2,04 |
|
стекольщ. -5 чел |
2 |
5 |
|||||||||||||||
| 42 |
Установка дверных блоков |
м2 |
74,21 |
|
плотники -5 чел |
2 |
1 |
|||||||||||||||
| 43 |
Конопатка дверных коробок паклей |
м2 |
25,0 |
|
плотники -2 чел |
1 |
1 |
|||||||||||||||
| 44 |
Уплотнение грунта щебнем |
100 м2 |
17,39 |
|
бетонщ. -4 чел |
1 |
4 |
|||||||||||||||
| 45 |
Устройство подстилающих слоев бетонных и легкобетонных |
м3 |
116,43 |
|
бетонщ. -6 чел |
1 |
7 |
|||||||||||||||
| 46 |
Гидроизоляция изопластом |
м2 |
64,58 |
|
облицовщ. -5 чел |
1 |
8 |
|||||||||||||||
| 47 |
Устройство покрытий из бруса по лагам |
100 м2 |
28,62 |
|
плотники -5 чел |
2 |
20 |
|||||||||||||||
| 48 |
Устройство покрытий (цементных, из линолеума, из плиток керамических) |
100 м2 |
6,69 |
|
облицовщ. -8 чел |
2 |
4 |
|||||||||||||||
| 49 |
Укладка лестничных маршей и площадок |
шт. |
3 |
|
монтаж. 3р-3 4р-3 кран.6р-1 |
1 |
1 |
|||||||||||||||
| 50 |
Монтаж проступей |
шт. |
22 |
|
монтаж. 3р-3 4р-3 кран.6р-1 |
1 |
1 |
|||||||||||||||
| 51 |
Отделка поверхностей потолков под окраску |
100 м2 |
4,69 |
|
штукатур -3 чел. |
1 |
1 |
|||||||||||||||
| 52 |
Высококачественная окраска потолков поливинилацетатными составами |
100 м2 |
10,31 |
|
маляры-отделоч. -4 чел. |
2 |
11 |
|||||||||||||||
| 53 |
Высококачественная штукатурка стен по камню и бетону внутри здания |
100 м2 |
3,0 |
|
штукатур -6 чел. |
1 |
7 |
|||||||||||||||
| 54 |
Оклейка стен моющимися пленочными обоями по штукатурке и бетону |
100 м2 |
15,84 |
|
маляры-отделоч. -4 чел. |
2 |
12 |
|||||||||||||||
| 55 |
Облицовка внутренних стен керамическими глазурованными плитками |
100 м2 |
4,06 |
|
облицевщ. -4 чел. |
2 |
14 |
|||||||||||||||
| 56 |
Обшивка кирпичных стен гипсо-волокнистыми листами |
м2 |
210 |
|
облицевщ. 4 - чел |
1 |
4 |
|||||||||||||||
| 57 |
Облицовка каркасов потоков перфорированными плитами |
100 м2 |
7,42 |
|
облицевщ. 4 - чел |
2 |
31 |
|||||||||||||||
| 58 |
Наружная облицовка стен плитками «Рваный камень» |
100 м2 |
0,9 |
|
облицевщ. 4 - чел |
2 |
4 |
|||||||||||||||
| 59 |
Благоустройство и озеленение территории |
|
Разнорабочие – 7 чел. |
1 |
2 |
|||||||||||||||||
| ифр затр. |
tij |
Ранние параметры |
Поздние параметры |
Общий резерв, Rij |
Частный резерв, rij |
||
| Tij рн |
Tij ро |
Tij пн |
Tij по |
||||
| 1 |
2 |
3 |
4 |
5 |
6 |
7 |
8 |
| 1–2 |
2 |
0 |
2 |
0 |
2 |
0 |
0 |
| 2–3 |
8 |
2 |
10 |
2 |
10 |
0 |
0 |
| 3–4 |
47 |
10 |
57 |
10 |
57 |
0 |
0 |
| 4–5 |
2 |
57 |
59 |
57 |
59 |
0 |
0 |
| 5–6 |
0 |
59 |
59 |
79 |
79 |
20 |
0 |
| 5–9 |
7 |
59 |
66 |
59 |
66 |
0 |
0 |
| 6–7 |
4 |
59 |
63 |
79 |
83 |
20 |
0 |
| 7–8 |
4 |
63 |
67 |
83 |
87 |
20 |
0 |
| 8–10 |
0 |
67 |
67 |
87 |
87 |
20 |
7 |
| 9–10 |
8 |
66 |
74 |
79 |
87 |
13 |
0 |
| 9–11 |
0 |
66 |
66 |
66 |
66 |
0 |
0 |
| 10–15 |
0 |
74 |
74 |
87 |
87 |
13 |
13 |
| 11–12 |
0 |
66 |
66 |
66 |
66 |
0 |
0 |
| 11–14 |
2 |
66 |
68 |
66 |
68 |
0 |
0 |
| 12–13 |
2 |
66 |
68 |
66 |
68 |
0 |
0 |
| 13–14 |
0 |
68 |
68 |
68 |
68 |
0 |
0 |
| 14–15 |
19 |
68 |
87 |
68 |
87 |
0 |
0 |
| 15–16 |
13 |
87 |
100 |
87 |
100 |
0 |
0 |
| 16–17 |
6 |
100 |
106 |
100 |
106 |
0 |
0 |
| 17–18 |
16 |
106 |
122 |
106 |
122 |
0 |
0 |
| 17–19 |
0 |
106 |
106 |
113 |
113 |
7 |
0 |
| 18–21 |
10 |
122 |
132 |
122 |
132 |
0 |
0 |
| 19–20 |
19 |
106 |
125 |
113 |
132 |
7 |
0 |
| 20–21 |
0 |
125 |
125 |
132 |
132 |
7 |
7 |
| 21–22 |
0 |
132 |
132 |
139 |
139 |
7 |
0 |
| 21–25 |
1 |
132 |
133 |
132 |
133 |
0 |
0 |
| 22–23 |
22 |
132 |
154 |
139 |
161 |
7 |
0 |
| 23–24 |
75 |
154 |
229 |
161 |
236 |
7 |
0 |
| 24–49 |
0 |
229 |
229 |
236 |
236 |
7 |
0 |
| 25–26 |
0 |
133 |
133 |
137 |
137 |
4 |
0 |
| 25–28 |
0 |
133 |
133 |
136 |
136 |
3 |
0 |
| 25–30 |
5 |
133 |
138 |
133 |
138 |
0 |
0 |
| 26–27 |
3 |
133 |
136 |
137 |
140 |
4 |
0 |
| 27–32 |
0 |
136 |
136 |
140 |
140 |
4 |
4 |
| 28–29 |
4 |
133 |
137 |
136 |
140 |
3 |
0 |
| 29–32 |
0 |
137 |
137 |
140 |
140 |
3 |
3 |
Таблица 13 – Расчет сетевого графика
| 2 |
3 |
4 |
5 |
6 |
7 |
8 |
||||||||
| 30–31 |
1 |
138 |
139 |
138 |
139 |
0 |
0 |
|||||||
| 31–32 |
1 |
139 |
140 |
139 |
140 |
0 |
0 |
|||||||
| 32–33 |
41 |
140 |
181 |
140 |
181 |
0 |
0 |
|||||||
| 33–34 |
2 |
181 |
183 |
181 |
183 |
0 |
0 |
|||||||
| 34–35 |
9 |
183 |
192 |
220 |
229 |
37 |
0 |
|||||||
| 34–36 |
0 |
183 |
183 |
183 |
183 |
0 |
0 |
|||||||
| 35–48 |
0 |
192 |
192 |
229 |
229 |
37 |
37 |
|||||||
| 36–37 |
10 |
183 |
193 |
183 |
193 |
0 |
0 |
|||||||
| 37–38 |
0 |
193 |
193 |
197 |
197 |
4 |
0 |
|||||||
| 37–48 |
36 |
193 |
229 |
193 |
229 |
0 |
0 |
|||||||
| 38–39 |
7 |
193 |
200 |
197 |
204 |
4 |
0 |
|||||||
| 38–44 |
0 |
193 |
193 |
201 |
201 |
8 |
0 |
|||||||
| 39–40 |
2 |
200 |
202 |
204 |
206 |
4 |
0 |
|||||||
| 40–41 |
1 |
202 |
203 |
206 |
207 |
4 |
0 |
|||||||
| 41–42 |
1 |
203 |
204 |
207 |
208 |
4 |
0 |
|||||||
| 42–43 |
16 |
204 |
220 |
208 |
224 |
4 |
0 |
|||||||
| 43–47 |
5 |
220 |
225 |
224 |
229 |
4 |
0 |
|||||||
| 44–45 |
22 |
193 |
215 |
201 |
223 |
8 |
0 |
|||||||
| 45–46 |
6 |
215 |
221 |
223 |
229 |
8 |
0 |
|||||||
| 46–47 |
0 |
221 |
221 |
229 |
229 |
8 |
4 |
|||||||
| 47–48 |
0 |
225 |
225 |
229 |
229 |
4 |
4 |
|||||||
| 48–49 |
0 |
229 |
229 |
236 |
236 |
7 |
0 |
|||||||
| 48–53 |
7 |
229 |
236 |
229 |
236 |
0 |
0 |
|||||||
| 49–50 |
7 |
229 |
236 |
236 |
243 |
7 |
0 |
|||||||
| 50–51 |
8 |
236 |
244 |
243 |
251 |
7 |
0 |
|||||||
| 51–52 |
20 |
244 |
264 |
251 |
271 |
7 |
0 |
|||||||
| 52–62 |
0 |
264 |
264 |
271 |
271 |
7 |
7 |
|||||||
| 53–54 |
1 |
236 |
237 |
239 |
240 |
3 |
0 |
|||||||
| 53–55 |
0 |
236 |
236 |
236 |
236 |
0 |
0 |
|||||||
| 54–56 |
0 |
237 |
237 |
240 |
240 |
3 |
3 |
|||||||
| 55–56 |
4 |
236 |
240 |
236 |
240 |
0 |
0 |
|||||||
| 56–57 |
0 |
240 |
240 |
241 |
241 |
1 |
0 |
|||||||
| 56–61 |
31 |
240 |
271 |
240 |
271 |
0 |
0 |
|||||||
| 57–58 |
11 |
240 |
251 |
241 |
252 |
1 |
0 |
|||||||
| 58–59 |
12 |
251 |
263 |
252 |
264 |
1 |
0 |
|||||||
| 59–60 |
7 |
263 |
270 |
264 |
271 |
1 |
0 |
|||||||
| 60–61 |
0 |
270 |
270 |
271 |
271 |
1 |
0 |
|||||||
| 61-62 |
0 |
271 |
271 |
271 |
271 |
0 |
0 |
|||||||
| 1 |
2 |
3 |
4 |
5 |
6 |
7 |
8 |
|||||||
| 61-64 |
4 |
271 |
275 |
271 |
275 |
0 |
0 |
|||||||
| 62–63 |
4 |
271 |
275 |
271 |
275 |
0 |
0 |
|||||||
| 63–64 |
0 |
275 |
275 |
275 |
275 |
0 |
0 |
|||||||
| 64-65 |
2 |
275 |
277 |
275 |
277 |
0 |
0 |
|||||||
| 65–66 |
12 |
277 |
289 |
277 |
289 |
0 |
0 |
|||||||
| 66–67 |
2 |
289 |
291 |
289 |
291 |
0 |
0 |
|||||||
В качестве оценки графика движения рабочей силы вводится коэффициент a использования рабочей силы:
(52)
где: Nmax – максимальное число рабочих, чел.;
Ncp – средневзвешенное количество рабочих, чел.;
, (53)
где: Ni – число рабочих по i-му промежутку времени, чел.;
ti – продолжительность i-го временного промежутка, дн.
.
Оптимальное значение коэффициента использования рабочей силы составляет 1,5 – 1,8. Поскольку коэффициент составил 1,8, то корректировка сетевого графика по ресурсам может не выполняться.
3.3 Краткое описание основных строительно-монтажных работ
3.3.1 Инженерная подготовка
В соответствии со СНиП 3.01.01-85 до начала строительства объектов производственной базы должны быть выполнены работы по подготовке строительного производства в объеме, обеспечивающем строительство базы согласно календарного плана.
До начала строительно-монтажных работ должны быть выполнены все организационные мероприятия, обеспечивающие развитие строительного производства на строительной площадке. Подготовка строительной площадки к застройке включает в себя:
– отвод земельного участка;
– получение разрешения на производство строительно-монтажных работ;
– вынос существующих инженерных коммуникаций;
– расчистку застраиваемой территории;
– закрепление разбивочной геодезической основы;
– получение разрешения на вырубку зеленых насаждений;
– получение технических условий на подключение временных инженерных коммуникаций;
– устройство временных и постоянных инженерных сетей;
– устройство временных путей и площадок для строительных машин, механизмов и объектов строительного хозяйства;
– организацию складского хозяйства;
– возведение временных зданий и сооружений;
– устройство защитных ограждений и пешеходных путей;
– вертикальная планировка территории;
– водоотвод и водопонижение (при необходимости);
3.3.2 Земляные работы
До начала земляных [планировочных] работ необходимо произвести работы по выносу здания в натуре, закрепить оси здания.
До начала производства работ производится инструментальная проверка состояния имеющихся и установленных дополнительных реперов в соответствии с проектом здания [сооружения]. Все неточности опорной геодезической сети должны быть устранены до начала работ. В процессе производства работ должна быть обеспечена сохранность всех выносных знаков.
Производство земляных работ, в том числе работ по водопонижению и отводу поверхностных вод с территории строительства, выполнять в соответствии с СНиП 3.02.01-87 .
Планировку территории производить бульдозером Д-492.
Разработку траншей под прокладку наружных коммуникаций производить одноковшовым экскаватором ЭО-3322. Грунт, разрабатывать в отвал на строительной площадке и использовать для обратной засыпки.
Монтаж конструкций наружных сетей водопровода, канализации, теплоснабжения вести автокраном КС-2561. Работы выполнять в соответствии со СНиП 3.05.03-85.
Разработку котлована под здание выполнять одноковшовым экскаватором ЭО-4121. Грунт разрабатывать с погрузкой в автотранспорт и отвозкой в отвал, указанный заказчиком.
Подсыпку под полы и обратную засыпку траншей и пазух фундаментов производить бульдозером с послойным уплотнением грунта.
Приемка котлованов и траншей должна проводиться путем проверки соответствия проекту: расположения, отметок и размеров выемок, несущей способности грунта, служащего основанием для возводимого здания.
При приемке должны быть проверены акты, устанавливающие правильность выполнения всех скрытых работ, постоянные реперы и правильность геодезической разбивки.
3.3.3 Кладочные и монтажные работы
К каменной кладке приступают после выполнения разбивочных работ, установки порядовок и натягивания причалок. Процесс кладки состоит из подачи и расстилания раствора для образования постели; из укладки кирпичей на раствор с заполнением вертикальных швов, из проверки правильности кладки; из расшивки швов.
Кладка стен должна вестись на пластичном растворе. Кладка проводится ярусами, высотой 1 – 1,2 м. при кладке толстых стен рекомендуется уменьшать высоту яруса до 0,8 – 0,9 м.
Проемы в кирпичной кладке перекрываются перемычками различной конструкции.
Кладку стен выполнять звеном «тройка». Каменщик К2 (4-й или 5-й разряд) кладет верстовые ленты, а подручный К3 (2-й разряд) – забутовку, каменщик К1 (2-й разряд) подает раствор и материалы (см. рисунок 10).

Рисунок 10
Монтаж конструкций надземной части здания выполнять гусеничным краном РДК-25, стрела 22,7 м с гуськом 5 м, г/п 25 тонн. Работы выполнять в соответствии с СНиП 3.03.01-87 .
Монтаж конструкций каркаса рассмотрен в технологической карте (подраздел 3.4).
3.3.4 Отделочные работы
Отделочные работы, за исключением отделки фасадов, должны выполняться при положительной температуре окружающей среды и отделываемых поверхностей не ниже 10°С и влажности воздуха не более 60 %. Такую температуру в помещении необходимо поддерживать круглосуточно, не менее чем за 2 сут. до начала и 12 сут. после окончания работ, а для обойных работ - до сдачи объекта в эксплуатацию.
Отделочные работы должны выполняться в соответствии с проектом производства работ (ППР) на возведение зданий и сооружений. До начала отделочных работ должны быть произведены следующие работы:
– выполнена защита отделываемых помещений от атмосферных осадков;
– устроены гидроизоляция, тепло-звукоизоляция и выравнивающие стяжки перекрытий;
– загерметизированы швы между блоками и панелями;
– заделаны и изолированы места сопряжений оконных, дверных и балконных блоков;
– остеклены световые проемы;
– смонтированы закладные изделия, проведены испытания систем тепловодоснабжения и отопления.
Оштукатуривание и облицовку (по проекту) поверхностей в местах установки закладных изделий санитарно-технических систем необходимо выполнить до начала их монтажа.
3.3.4.1 Подготовка поверхностей
Выполнение отделочных и защитных покрытий по основаниям, имеющим ржавчину, высолы, жировые и битумные пятна, не допускается. Производство обойных работ не допускается также по поверхностям, не очищенным от побелки.
Обеспыливание поверхностей следует производить перед нанесением каждого слоя огрунтовочных, приклеивающих, штукатурных, малярных и защитных составов, обмазок и стекольных замазок.
Прочность оснований должна быть не менее прочности отделочного покрытия и соответствовать проектной.
Выступающие архитектурные детали, места сопряжений с деревянными каменных, кирпичных и бетонных конструкций должны оштукатуриваться по прикрепленной к поверхности основания металлической сетке или плетеной проволоке; деревянные поверхности — по щитам из драни.
При окраске и оклейке обоями качество подготовленных оснований должно удовлетворять следующим требованиям:
– поверхности при окраске масляными, клеевыми, водоэмульсионными составами и оклейке обоями должны быть сглаженными, без шероховатости;
– поверхностные трещины раскрыты, огрунтованы, заполнены шпатлевкой на глубину не менее 2 мм и отшлифованы;
– раковины и неровности огрунтованы, прошпатлеваны и сглажены;
– отслоения, потеки раствора, следы обработки затирочными машинами удалены;
– при оклейке поверхностей обоями закончена окраска потолков и выполнены другие малярные работы.
3.3.4.2 Производство штукатурных работ
При оштукатуривании стен из кирпича при температуре окружающей среды 23 °С и выше поверхность перед нанесением раствора необходимо увлажнять.
Улучшенную и высококачественную штукатурку следует выполнять по маякам, толщина которых должна быть равна толщине штукатурного покрытия без накрывочного слоя.
При устройстве однослойных покрытий их поверхность следует разравнивать сразу же после нанесения раствора, в случае применения затирочных машин - после его схватывания.
При устройстве многослойного штукатурного покрытия каждый слой необходимо наносить после схватывания предыдущего (накрывочный слой - после схватывания раствора). Разравнивание грунта следует выполнять до начала схватывания раствора.
3.3.4.3 Плотницкие и стекольные работы
Двери, подлежащие остеклению, должны быть предварительно прошпаклеваны и окрашены за один раз. Остекление дверных проемов необходимо выполнять до начала отделочных работ.
Коробки дверных и оконных блоков крепят ершами, забиваемыми в антисептированные пробки, заложенные в проемы. Зазоры между коробкой и стеной заделывают звукоизоляционными материалами.
Стекольные работы выполняют плотники. При остеклении проемов составляют картину раскроя стекла. Раскрой стекла производят на базах комплектации или в стационарных условиях в теплом помещении. Резку стекла производят на верстаках, обитых войлоком и снабженных мерными рейками. Длина и ширина шаблона должны быть на 3-4 мм меньше соответствующих размеров переплета между внутренними гранями фальцев. Резку стекла ведут алмазным или роликовым стеклорезом.
3.3.4.4 Производство малярных работ
При производстве малярных работ сплошное шпатлевание поверхности следует выполнять только при высококачественной окраске.
Шпатлевку из малоусадочных составов с полимерными добавками необходимо разравнивать сразу же после нанесения со шлифованием отдельных участков; при нанесении других видов шпатлевочных составов поверхность шпатлевки следует отшлифовывать после ее высыхания.
Огрунтовка поверхностей должна производиться перед окраской малярными составами. Огрунтовку необходимо выполнять сплошным равномерным слоем, без пропусков и разрывов. Высохшая грунтовка должна иметь прочное сцепление с основанием, не отслаиваться при растяжении. Окраску следует производить после высыхания грунтовки.
Малярные составы необходимо наносить также сплошным слоем. Нанесение каждого окрасочного состава должно начинаться после полного высыхания предыдущего. Флейцевание или торцевание красочного состава следует производить по свеженанесенному окрасочному составу.
При окраске дощатых полов каждый слой, за исключением последнего, необходимо прошлифовывать до удаления глянца.
3.3.4.5 Производство обойных работ
Клеевой состав под оклейку обоями должен наноситься на поверхности сплошным равномерным слоем, без пропусков и потеков, и выдерживаться до начала загустения. Дополнительный слой клеящей прослойки следует наносить по периметру оконных и дверных проемов, по контуру и в углах отделываемой поверхности полосой шириной 75 - 80 мм в момент начала загустевания основного слоя.
Приклейку полотнищ бумажных обоев следует выполнять после их набухания и пропитки клеевым составом.
Обои поверхностной плотностью до 100 г/м2 необходимо наклеивать внахлестку, 100-120 г/м2 и более – впритык.
При стыковании полотнищ внахлестку оклейку поверхностей обоями необходимо производить в направлении от световых проемов.
При оклейке поверхностей синтетическими обоями на бумажной или тканевой основе углы стен необходимо оклеивать целым полотнищем. Пятна клея на их поверхности необходимо удалять немедленно.
Обрезку перекрывающихся кромок следует производить после полного высыхания клеевой прослойки, и после извлечения кромки дополнительно нанести клей в местах приклейки кромок смежных полотнищ.
При приемке обойных работ должны быть соблюдены следующие требования:
– оклеенные поверхности не должны иметь пузырей и пятен;
– все полотнища должны иметь одинаковый цвет и оттенок;
– пригонка рисунка на стыках должна быть выполнена точно, смещение рисунков не должно превышать 0,5 мм;
– пропуски, доклейки и отслоения не допускаются;
– места соединения обоев при их наклейке впритык не должны быть заметны на расстоянии 3 м.
3.3.4.6 Производство облицовочных работ
Облицовку поверхностей необходимо выполнять согласно ППР в соответствии с проектом. Соединение поля облицовки с основанием должно осуществляться:
– при применении облицовочных плит и блоков размером более 400 см2 и толщиной более 10 мм — креплением к основанию и с заполнением раствором пространства между облицовкой и поверхностью стены (пазух) или без заливки пазух раствором при относе облицовки от стены;
– при применении плит и блоков размером 400 см2 и менее, толщиной не более 10 мм, а также при облицовке плитами любых размеров горизонтальных и наклонных (не более 45 %) поверхностей - на растворе или мастике (в соответствии с проектом) без дополнительного крепления к основанию;
– при облицовке закладными плитами и облицовочным кирпичом одновременно с кладкой стен — на кладочном растворе.
Облицовку стен помещений следует выполнять перед устройством покрытия пола.
Элементы облицовки по клеящейся прослойке из раствора и мастики необходимо устанавливать горизонтальными рядами снизу вверх от угла поля облицовки.
Мастику и раствор клеящейся прослойки следует наносить равномерным, без потеков, слоем до начала установки плиток. Мелкоразмерные плитки на мастиках или растворах с замедлителями твердения следует устанавливать после нанесения последних по всей облицовываемой площади в одной плоскости.
Отделка участка и всей поверхности интерьера и фасада облицовочными изделиями разного цвета, фактуры, текстуры и размеров должна производиться с подбором всего рисунка поля облицовки в соответствии с проектом.
Элементы облицовки при применении природного и искусственного камня полированной и лощеной фактуры необходимо сопрягать насухо, подгоняя кромки подобранных по рисунку смежных плит с креплением по проекту. Швы плит необходимо заполнять мастикой после заливки пазух раствором и его затвердения.
После облицовки, поверхности из плит и изделий должны быть очищены от наплывов раствора и мастики немедленно.
3.3.4.7 Монтаж подвесных потолков
Устройство подвесных потолков необходимо производить после монтажа и крепления всех элементов каркаса (в соответствии с проектом), проверки горизонтальности его плоскости и соответствия отметкам.
Монтаж плит, панелей стен и элементов подвесного потолка следует производить после разметки поверхности и начинать от угла облицовываемой плоскости. Горизонтальные стыки листов (панелей), не предусмотренные проектом, не допускаются.
Плоскость поверхности, облицованная панелями и плитами, должна быть ровной, без провесов в стыках, жесткой, без вибрации панелей и листов и отслоений от поверхности (при приклейке).
3.3.5 Устройство полов
Перед устройством полов в помещении должны быть выполнены штукатурные и др. работы, связанные с возможностью увлажнения покрытий. При устройстве этих полов и в последующий период до сдачи объекта в эксплуатацию относительная влажность воздуха в помещении не должна превышать 60 %. Сквозняки в помещении не допускаются.
Подстилающие слои, стяжки, соединительные прослойки (для керамических, бетонных, мозаичных и др. плиток) и монолитные покрытия на цементном вяжущем должны в течение 7—10 дней после укладки находиться под слоем постоянно влажного водоудерживающего материала.
3.3.5.1 Подготовка нижележащих слоев
Обеспыливание поверхности необходимо выполнить перед нанесением на поверхность грунтовочных составов, клеевых прослоек под рулонные и плиточные полимерные покрытия и мастичных составов для сплошных (бесшовных) полов.
Огрунтовка поверхностного слоя должна быть выполнена на всей поверхности без пропусков перед нанесением на нижележащий элемент строительных смесей, мастик, клеев и др. (на основе битума, дегтя, синтетических смол и водных дисперсий полимеров) составом, соответствующим материалу смеси, мастики или клея.
Увлажнение поверхностного слоя элементов пола из бетона и цементно-песчаного раствора следует выполнять до укладки на них строительных смесей из цементных и гипсовых вяжущих. Увлажнение производят до окончательного впитывания воды.
3.3.5.2 Устройство стяжек
Монолитные стяжки из бетона, асфальтобетона, цементно-песчаного раствора и сборные стяжки из древесноволокнистых плит должны выполняться с соблюдением правил устройства одноименных покрытий.
3.3.5.3 Устройство покрытий из плиток
Перед укладкой плиток производят разбивку площади пола по заданному рисунку. В углах и в середине помещения, на расстоянии 2 –2,5 м одна от другой по отметке чистого пола, вынесенной на стены, устанавливают маячные плитки. Между маячными плитками укладывают маячные рейки из деревянных брусков высотой, соответствующей требуемой толщине прослойки (15…20 мм). Нижележащий слой обычно смачивают водой не ранее чем за 5 ч. до укладки раствора. В момент укладки раствора поверхность нижележащего слоя быть влажной, но без видимых скоплений воды.
Керамические плитки, до укладки их на прослойку из жесткого раствора на 15-20 мин. Полностью погружают в воду или водный раствор поверхностно активных веществ.
На площадях не менее 10 м2 плитки утапливают в прослойку постукиванием по ним ручным инструментом, до заглубления плиток в раствор на половину их толщины, ширина швов при этом должна составлять 3-6 мм.
Через 2-е суток после укладки плиток с утапливанием их вручную, незаполненные швы между керамическими плитками заполняют жидким цементным тестом. Излишки теста сразу удаляют и очищают покрытие.
В местах примыкания к стенам, перегородкам устраивают плинтуса из цементно-песчаного раствора.
3.3.5.4 Устройство покрытий из древесины и изделий на их основе
В полах поверхность лаг должна быть выровнена слоем Подбивка деревянных клиньев или подкладок под лаги для их выравнивания или опирание лаг на деревянные подкладки запрещается.
Доски дощатого покрытия, паркетные доски, соединяемые между собой боковыми кромками в шпунт, а паркетные щиты - при помощи шпонок, необходимо плотно сплачивать. Уменьшение ширины изделий покрытия при сплачивании должно быть не менее 0,5 %.
Все доски дощатого покрытия должны крепиться к каждой лаге гвоздями длиной в 2—2,5 раза больше толщины покрытия, а паркетные щиты — гвоздями длиной 50-60 мм. Гвозди следует забивать наклонно в пласть досок дощатого покрытия и в основание нижней щеки паза на кромках паркетных досок и паркетных щитов с втапливанием шляпок. Забивка гвоздей в лицевую поверхность паркетных досок и паркетных щитов запрещается.
Стыки торцов досок дощатых покрытий, стыки торцов и боковых кромок с торцами смежных паркетных досок, а также стыки параллельных лагам кромок смежных паркетных щитов следует располагать на лагах.
Стыки торцов досок покрытия должны перекрываться доской (фризом) шириной 50-60 мм, толщиной 15 мм, врезанной заподлицо с поверхностью покрытия. Фриз прибивают к лаге гвоздями в два ряда с шагом (вдоль лаги) 200-250 мм. Стыкование торцов без перекрытия фризом допускается только в двух-трех пристенных досках покрытия; стыки не должны находиться напротив дверных проемов и должны располагаться на одной лаге. При сопряжении паркетных досок, а также паркетных щитов с опиленными кромками на одних из них должен быть выполнен паз, на других — гребень, соответствующие имеющимся на других кромках.
3.3.5.5 Устройство покрытий из полимерных материалов
Линолеум, ковры, рулонные материалы из синтетических волокон и поливинилхлоридные плитки перед приклейкой должны вылежаться до исчезновения волн и полностью прилегать к основанию, их необходимо приклеивать к нижележащему слою по всей площади, за исключением случаев, оговоренных в проекте.
Прирезку стыкуемых полотнищ рулонных материалов необходимо производить не ранее 3-х суток после основной приклейки полотнищ. Кромки стыкуемых полотнищ линолеума должны быть после прирезки сварены или склеены.
В зонах интенсивного движения пешеходов устройство поперечных (перпендикулярно направлению движения) швов в покрытиях из линолеума, ковров и рулонных материалов из синтетических волокон не допускается.
3.4 Технологическая карта на устройство дощатых полов
3.4.1 Область применения
Технологическая карта разработана на устройство дощатых полов в помещении спортивного зала физкультурно-оздоровительного комплекса.
В состав работ, рассматриваемых картой, входят:
– устройство бетонного подстилающего слоя М200;
– устройство гидроизоляции изопластом;
– укладка лаг;
– настилка шпунтовых досок;
– острожка провесов полов с очисткой поверхности от стружки и пыли;
– установка плинтусов и вентиляционных решеток.
3.4.2 Организация и технология строительного процесса
До начала работ по устройству полов должны быть выполнены в соответствии с проектом мероприятия по стабилизации, предотвращению пучения и искусственному закреплению грунтов, понижению грунтовых вод, а также примыкания к деформационным швам, каналам, приямкам, сточным лоткам, трапам и т. д. Элементы окаймления покрытия необходимо выполнить до его устройства.
По верхностный слой основ ания перед укладкой на него бетонного подстилающего слоя следует упрочнить на глубину не менее 40 мм слоем щебня или гравия фракции 40-60 мм прочностью не менее 20 МПа (200 кгс/см2 ) с устройством цементной стяжки.
Конструкция дощатого пола приведена на рисунке 11

1 - деревянное покрытие, 2 – лага, 4 – два слоя толя, 6 – подстилающий слой, 7– грунт основания, 10 – связи между лагами
Рисунок 11
Работы по устройству оснований под полы состоят из восстановления грунтовых оснований, устройства подстилающего слоя и выполнения цементно-бетонных подготовок и стяжек. Указанные работы должны быть выполнены в соответствии с проектом на основании СНиП 2.03.I3-88 "Полы" (разделы 3, 5, 6 и 7).
Грунтовое основание под полы должно быть спланировано по профилю и уровню проектных отметок и уплотнено в соответствии со СНиП 3.02.0I-87 "Земляные сооружения, основания и фундаменты".
Грунт основания при уплотнении и планировке должен быть талым. Планировка и уплотнение грунта со снегом и льдом запрещаются.
Щебеночный подстилающий слой следует выполнять из щебня естественного камня или из нераспадающихся доменных шлаков фракции 25-75 мм.
Полы настилают по лагам, уложенным на подкладки. Работу выполняют звенья из двух плотников «паркетным способом», укладывая первую доску у стены гребнем к стене. Доска прикрепляется к лагам гвоздями (длина гвоздей должна быть в 2,5 раза больше толщины доски), забиваемыми в нижнюю щепку паза наклонно. Шляпка гвоздя втапливается в древесину с помощью добойника. В паз первой доски вводят гребень следующей, и ударами молотка через деревянную прокладку сжимают доски, аналогично прикрепляя их к лагам. Ровность поверхности пола проверяют двухметровой фугованной рейкой. При этом провес (зазор) не должен превышать 2 мм. После настилки дощатые полы острагивают машиной для острожки досок. Места, недоступные для машины, острагивают электрорубанком. Зазоры между покрытиями из досок, паркетных досок и щитов и стенами следует перекрывать плинтусами или галтелями.
При устройстве деревянных полов следует иметь в виду следующее:
– доски и бруски выбирают с возможно меньшим количеством сучков, удаление которых необходимо осуществлять высверливанием их и закладкой деревянных пробок;
– доски и бруски укладывают вдоль зала, а их стыки устраивают вразбежку и опирают на лаги;
– крепят доски (бруски) к лагам гвоздями и обязательно косым забоем.
3.4.3 Оборудование, применяемое при устройстве дощатых полов
Перечень машин, оборудования, инструментов, приспособлений и инвентаря, рекомендуемого при устройстве полов, приведен в таблице 14.
Таблица 14
| Наименование машин и оборудования |
Марка машины, оборудования |
Основные параметры |
Назначение машины |
Примечание |
| Машина для приготовления и подачи жестких растворов |
СО-126А СО-165 |
Производительность до 2,5 м3 /ч |
Приготовление и транспортирование жестких цементно-песчаных растворов от места выгрузки до места укладки |
Выпускается заводами Минстройдормаша |
| Виброрейка с шириной захвата 1,5 м |
СО-131 |
Производительность до 35 м2 /ч |
Уплотнение растворов и бетонов покрытий и подготовок полов |
Выпускается заводами Минстройдормаша |
| Виброрейка с шириной захвата 3,0 м |
СО-132 |
Производительность до 30 м2 /ч |
Уплотнение растворов и бетонов покрытий и подготовок полов |
Выпускается заводами Минстройдормаша |
| Пылесос промышленный |
ПО-21 |
Производительность до 100 м3 /ч |
Очистка поверхностей от пыли |
Выпускается заводами Минэлектротехпрома |
| Машина для затирки цементных стяжек |
СО-89 |
Производительность до 50 м2 /ч |
Затирка поверхностей цементно-песчаных полов и стяжек |
Выпускается заводами Минстройдормаша |
| Машина для заглаживания бетонных поверхностей |
СО-135 |
Производительность 60-100 м2 /ч |
Заглаживание бетонных поверхностей лопастями |
Выпускается заводами Минстройдормаша |
| Пила электрическая стационарная |
ИЭ-6902 |
Диаметр пилы 200 мм |
Распиловка досок |
Выпускается заводами Минстройдормаша |
| Машины для нарезки деформационных швов |
ДС-133 |
Габариты 2340´1540 мм производительность 100 м/час - продольная, 30 м/час - поперечная |
з-д «Октябрьская кузница» Минстройдормаша |
|
| Машины для уборки пыли |
КУ-402 |
Производительность 800 м2 /ч |
Для очистки нижележащего слоя |
Заводы Минстройдормаша |
| Машины для уборки пыли, шириной захвата 0,8 м |
КУ-405А |
Производительность 800 м2 /ч |
Для очистки нижележащего слоя |
Заводы Минстройдормаша |
| Машина для острожки деревянных полов |
СО-97А |
Производительность до 40 м2 /ч |
Острожка дощатых полов и из паркетных клепок |
Выпускается заводами Минстройдормаша |
| Машина для шлифования деревянных полов |
СО-155 |
Производительность 40-45 м2 /ч |
Шлифование и циклевка полов из паркета |
Выпускается заводами Минстройдормаша |
| Вакуумно-щеточная подметательная машина |
КУ-402 |
Производительность до 800 м2 /ч |
Очистка поверхностей от мусора |
Выпускается заводами Минстройдормаша |
| Паркетно-шлифовальная машина для обработки труднодоступных мест |
СО-139 |
Диаметр шлифовального диска 175 мм |
Шлифовка паркетных полов под батареями и в др. труднодоступных местах |
Выпускается заводами Минстройдормаша |
| Растворосмеситель |
СО-23В СО-26В |
Для приготовления ц/п растворов |
Выпускается заводами Минстройдормаша |
|
| Машина ручная плоскошлифовальная, размер платформы 110´225 мм |
ИЭ-2401* |
Шлифовка паркетных и дощатых полов |
Выпускается заводами Минстройдормаша |
|
| Пила ручная дисковая, 65 мм |
ИЭ-5107А |
Распиловка досок и брусов, резка паркетных досок |
||
| Тележка для перевозки раствора грузоподъемностью 200 кг, вместимостью 0,1 м3 |
- |
Для подвозки растворов к рабочему месту |
||
| Пылесос промышленный |
КУ-002 |
Производительность 250 м2 /ч |
Для обеспыливания полов |
|
| Краскораспылитель пневматический |
СО-6Б |
Производительность 0,1 л/мин |
Для лакировки поверхности полов |
|
| Рубанок электрический, шириной строгания 75, 100 мм |
ИЭ-5709 |
Для строгания и фугования деревянных изделий |
||
| Линейка металлическая |
ГОСТ 427-75 |
Для измерений |
||
| Уровни строительные типов УС2, УС3 |
ГОСТ 9416-83 |
Для проверки горизонтальности поверхности |
||
| Правило окованное одностороннее И1-170 |
ТУ 22-3945-77 |
Для выравнивания прослоек раствора |
||
| Молоток плотничный МПЛ, МПА |
ГОСТ 11042-83 |
3.4.4 Проект производства работ
3.4.4.1 Общие положения
Проект производства работ (или основные его положения) на устройство дощатых полов должен содержать следующие разделы:
1. Устройство бетонного подстилающего слоя.
2. Устройство гидроизоляции изопластом и подкладок.
3. Укладка лаг.
4. Настилка шпунтовых досок.
5. Острожка провесов полов с очисткой поверхности от стружки и пыли.
6. Установка плинтусов и вентиляционных решеток.
Проект производства работ разрабатывается в соответствии со СНиП 2.03.13-88 и пособием к нему, СНиП 3.04.01- 87 и пособием к нему.
3.4.4.2 Устройство бетонного подстилающего слоя
Устройство бетонного подсти лающего слоя должно выполняться с учетом требований СНиП 2.03.01-84* «Бетонные и железобетонные конструкции» .
Укладку и уплотнение бетона подстилающего слоя произ водить механизированным способом. При этом в местах, недоступных для работы бетоноукладочных машин, бетонирование подстилающего слоя выполнять средствами малой механизации.
Бетонный подстилающий слой выполнять из бетона М200 по проектным отметкам полосами шириной 8 м, используя бетоноукладочные машины.
3.4.4.3 Устройство оклеечной гидроизоляции
Н анесение оклеечных защит ных покрытий выполнять в следующей технологической последовательности:
– нанесение и сушка грунтовок;
– послойное наклеивание материалов;
– обработки стыков (сварка или склейка);
– сушка (выдержка) оклеен ного покрытия.
Конструктивное решение оклеечной гидроизоляции приведено на рисунке 12.

1 – покрытие, 3 – гидроизоляция, 4 – стяжка, 6 – подстилающий слой, 8 – грунт основания (уплотненный)
Рисунок 12
Сушку первого слоя грунтовок на основе битума следует производить до отлипа, второго - в течение 1-2 ч.
Перед наклейкой на защищаемую поверхность рулонные материалы очистить от минеральной посыпки, листовые - промыть мыльной и чистой водой; высушить и раскроить на заготовки. Заготовки листовых защитных материалов прогрунтова ть тем же составом, что и защищаемые поверхности с сушкой первого слоя грунтовки в течение 40—60 мин и второго — до отлипа.
При нанесении листовых и рулонных материалов на битумной мастике ее слой не должен превышать 3 мм.
При наклейке листовыми и рулонными материалами величина нахлестки полотнищ должна быть – 100 мм.
З ащитные покрытия из рул онных материалов, наклеенных на битумных составах, прошпатлева ть битумными мастиками. На горизонтальные покрытия мастики следует наносить слоя ми толщиной не более 10 мм, на вертикальные - слоями толщиной 2-3 мм каждый.
3.4.4.4 Укладка лаг
Для лаг применяются антисептированные нестроганные доски (ГОСТ 8486-86 ) 2-го и 3-го сортов из здоровой древесины хвойных и мягких лиственных пород, кроме липы и тополя, влажностью до 18%. Лаги могут иметь тупой обзол без наличия коры. Ширина лаг 80 мм, толщина 40 мм.
Укладку лаг выполнять на заранее размеченные места - сначала крайних около противоположных стен с зазором 20... 30 мм между стеной и лагой, а затем всех остальных.
Лаги располагать поперек направления света, а в помещениях с определенным направлением движения (в коридорах) - поперек прохода, чтобы доски покрытия располагались вдоль этих направления. Расстояние между осями лаг – 500 мм.
Все лаги располагать в одной плоскости. Ровность и горизонтальность уложенных лаг проверять двухметровой рейкой с уровнем, прикладываемой к лагам в любом направлении; при этом рейка должна касаться (без зазоров) всех лаг.
Подпольное пространство перед укладкой покрытия пола должно быть очищено от стружек, щепы и мусора.
3.4.4.5 Настилка шпунтовых досок
Для дощатых покрытий применять строганные доски по ГОСТ 8242-88 «Детали деревянные фрезерованные для строительства».
Толщина досок, применяемых для дощатых покрытий в жилых и общественных зданиях, составляет 30 мм. Влажность досок при их укладке и сплачивании не должна превышать 12%.
Доски покрытия укладывать в одни слой перпендикулярно лагам, соединяя их между собой боковыми кромками в шпунт и сплачивая. Уменьшение ширины сплачиваемого покрытия в результате сжатия должно составлять не менее 0,5%. Зазоры между досками покрытия допускаются только в отдельных местах и должны превышать 1 мм. Для сплачивания досок применять специальные приспособления - клиновые сжимы.
Каждая доска дощатого покрытия должна быть прибита к каждой лаге гвоздями длиной 100мм. Гвозди следует забивать в пласть досок наклонно с втапливанием шляпок. Ряды гвоздей вдоль лаг должны быть прямолинейными.
Соединение торцов досок между собой и с боковыми кромками следует располагать на лагах и тщательно подгонять без образования щелей. В местах, где доски покрытия свешиваются за лагу более чем на 100 мм, под концы досок следует уложить дополнительную лагу длиной не менее 600 мм и прибивать к ней свешивающиеся концы.
Стыки торцов досок покрытия длиной не менее 2 м располагать на общей для них лаге во всю ширину или длину помещения и перекрывать доской (фризом) шириной 50-60 мм, толщиной 15 мм, врезанной заподлицо с поверхностью покрытия. Фриз прибивать к лаге гвоздями в два ряда с шагом (вдоль лаги) 200-250 мм. Стыкование торцов без перекрытия фризом допускается только в двух-трех пристенных досках покрытия; стыки не должны находиться против дверных проемов и должны располагаться на одной лаге.
3.4.4.6 Острожка провесов полов
Провесы и неровности досок покрытия следует острогать после окончательного сплачивания и прибивки. Неровности поверхности досок и провесы между ними устраняются отстрожкой механизированным способом при помощи паркетно-строгальной машины или электрорубанка.
3.4.4.7 Установка плинтусов и вентиляционных решеток
Зазоры между досками покрытия и стенами или перегородками не должны превышать 15 мм. Эти зазоры перекрывают плинтусами после устранения провесов досок покрытия или галтелями. Плинтусы и галтели крепить гвоздями длиной 30-40 мм, диаметром 2,5 мм или шурупами длиной 25 мм, диаметром 3 мм, к стене (перегородке), либо только к полу. Плинтусы должны стыковаться под углом 45°.
Для проветривания подпольного пространства полов на грунте у стен и перегородок должны быть уложены щелевые плинтусы, либо в покрытии или галтелях оставлены отверстия в двух противоположных углах помещения. Площадь отверстий должна быть 20-30 см. Отверстия следует перекрыть металлическими решетками, возвышающимися над полом на 7-10 мм.
3.4.6 Техника безопасности при устройстве полов
При устройстве полов необходимо соблюдать правила техники безопасности, предусмотренные СНиП III-4-80 "Техника безопасности в строительстве", правила пожарной безопасности, предусмотренные "Указаниями по пожарной безопасности для рабочих и инженерно-технических работников строек и предприятий Главмосстроя" и ГОСТ 12.1.004-76 "Пожарная безопасность".
Рабочие, занятые устройством полов, должны быть обучены приемам работ и ознакомлены в правилами техники безопасности, а также проинструктированы об огнеопасности применяемых материалов и мерах пожарной безопасности при работе с ними.
При работе с электрооборудованием строительных механизмов (растворосмесителей, шлифовальных машин и др.) и электрифицированным инструментом рабочие должны строго соблюдать правила техники безопасности. Электроинструмент должен быть исправным, иметь гладкие деревянные и надежно закрепленные рукоятки.
К работе по управлению строительными машинами и оборудованием с электроприводом допускаются лица, имеющие квалификационную группу по технике безопасности не ниже II.
Разрешается работать только с исправным механизированным оборудованием и инструментами. Подключать механизированное оборудование и инструмент к сети должны только электрослесари, имеющие квалификацию согласно тарифно-квалификационному справочнику работ и профессий рабочих, занятых в строительстве и на ремонтно-строительных работах, и квалифицированную группу по технике безопасности не ниже II.
Провода электрических машин не должны иметь изломов и пересекаться с другими проводами, находящимися под напряжением.
Чистку, смазку и ремонт машин производят только после остановки их и проверки условий, исключающих случайную подачу напряжения.
При применении ручных машин следует соблюдать правила безопасности, предусмотренные ГОСТ 12.1.013-78 и ГОСТ 12.2.010-75*, а также инструкциями заводов-изготовителей. Перед началом работы на машине и с электрифицированным инструментом необходимо изучить ее паспорт, раздел "Указание мер безопасности".
Машины для устройства и отделки полов подключают в электросеть только через защитно-отключающие устройства при помощи штепсельного соединения, имеющего защитно-заземляющий контакт. Перед подключением машин необходимо проверить исправность защитно-отключающего устройства при разомкнутом штепсельном соединении.
При приготовлении грунтовок битум с бензином или керосином смешивают на расстоянии не менее 50 м от места хранения горячего битума. При смешивании горячий битум охлаждают до 70о С, после чего вливают в бензин (а не бензин в битум) небольшими дозами, непрерывно перемешивая деревянной мешалкой.
Загустевшие холодные битумные мастики запрещается разогревать на открытом огне, электроплитах или электробитумоподогревателях. Загустевшую мастику следует подогревать в открытой таре, погруженной в ванну с горячей водой (70о С) или емкости с паровым обогревом.
Рабочие, занятые на устройстве полов, должны быть обеспечены спецодеждой и индивидуальными средствами защиты в соответствии с характером выполняемой работы и действующими отраслевыми нормами бесплатной выдачи спецодежды, спецобуви и предохранительных приспособлений рабочим и служащим организаций и предприятий Главмосстроя.
3.4.7 Правила приемки и методы контроля
Приемке подлежат законченные работы по устройству каждого элемента пола и грунтовых оснований, приемка должна производиться до устройства вышележащих элементов пола.
Скрываемые в последующем работы по устройству каждого элемента пола следует оформлять актами на скрытые работы.
Отклонение плоскости грунтового основания, подстилающего слоя, стяжек и покрытий от горизонтали или заданного уклона допускается в пределах до 0,2% соответствующего размера помещения, но не более 50 мм.
Отклонения поверхности каждого элемента пола от плоскости не должны превышать величин, указанных в таблице 15.
Таблица 15
| Слои пола |
Материалы |
Допускаемые просветы при проверке двухметровой рейкой, мм |
| Основание |
Грунтовые |
20 |
| Подстилающие слои |
Бетонные при укладке по подстилающему слою оклеечной гидроизоляции и покрытий на прослойке из горячей мастики |
5 |
| Покрытия |
Поливинилацетатные, дощатые, паркетные, из линолеума, рулонное на основе синтетических волокон, из сверхтвердых древесноволокнистых плит |
2 |
Ширину швов между материалами в покрытии пола следует контролировать с точностью до 0,1 мм.
Отклонения толщины элементов пола от проектной допускаются только в отдельных местах не более 10% заданной толщины. Проверку толщины элементов пола следует производить при их устройстве.
Трещины, выбоины и открытые швы в элементах пола, а также щели между плинтусами (галтелями) и покрытием пола или стенами (перегородками) не допускаются. Указанные дефекты следует исправить.
В процессе устройства полов следует периодически через каждые 50-70 м контролировать:
– ровность поверхности подстилающего слоя, сплошных стяжек и покрытий;
– величину уступов между покрытием и окаймлением;
– соблюдение заданных толщин, плоскостей, отметок и уклонов;
– уплотнение каждого слоя и плотность прилегания вышележащих слоев пола к нижележащим;
участки пола с отклонениями по указанным параметрам, превышающим допустимые, должны быть переложены.
Ровность поверхности каждого элемента пола проверяется во всех направлениях уровней и контрольной рейкой длиной 2 м, а при наличии уклона - контрольной рейкой-шаблоном с уровнем.
Сцепление покрытий, а также монолитных стяжек, уложенных по бетонному основанию, с нижележащими слоями пола или перекрытием следует определять простукиванием всей площади. На участках, где изменение звука при простукивании укажет на отсутствие сцепления, покрытие или монолитная стяжка должны быть переложены.
Просадка дощатых покрытий, устраиваемых по лагам под кратковременной сосредоточенной нагрузкой 1 кН (100 кгс), приложенной в середине пролета покрытия между лагами и передаваемой штампом размером 30´30 мм, не должна превышать 1 мм.
Требования стандартов, технических условий в отношении качества поставляемых материалов контролирует предприятие-изготовитель. При приемке материалов на склад должно проверяться наличие маркировки, установленной стандартом.
Материалы должны храниться по видам в условиях, устанавливаемых стандартом.
Испытание этих материалов непосредственно на стройке перед их использованием должно производиться в случае обнаружения видимых дефектов (на соответствие их требованиям ГОСТ), несоответствия условий хранения требованиям стандарта, нарушения маркировки и по истечении гарантийного срока хранения.
Температура и относительная влажность воздуха в помещении должны определяться на высоте 0,5 м от уровня пола с точностью до 1°С и 1% относительной влажности.
Влажность деревянных лаг и досок для дощатых покрытий следует проверять по ГОСТ 16588-91.
Марку цементного бетона определяют по ГОСТ 10180-90. Контроль марки и подвижности цементно-песчаного раствора следует производить по ГОСТ 5802-86.
Температуру размягчения битума для мастик определяют по ГОСТ 11506-73.
3.4.5 Калькуляция трудовых затрат
Таблица 16
| N п/п |
Наименование работ |
Обоснование |
Ед. измер. |
Объем работ |
Нвр |
Расценка, р.-к. |
Затраты труда |
|||
| ч-час |
м-час |
раб-й |
маш-т |
ч-час |
м-час |
|||||
| 1 |
Устройство бетонного подстилающего слоя |
ЕниР,1987г. §Е19-38 |
100 м2 |
10,2 |
11,5 |
- |
7_71 |
- |
117,3 |
- |
| 2 |
Устройство гидроизоляции изопластом |
ЕниР,1987г. §Е11-40 |
100 м2 |
10,2 |
10,5 |
- |
7_46 |
- |
107,1 |
- |
| 3 |
Укладка лаг из досок |
ЕниР,1987г. §Е19-1 |
1 м2 |
1020 |
0,38 |
- |
0_27,2 |
387,6 |
- |
|
| 4 |
Устройство чистых дощатых полов по уложенным лагам |
ЕниР,1987г. §Е19-3 |
100 м2 |
10,2 |
40,5 |
- |
28_96 |
- |
413,1 |
- |
| 5 |
Острожка провесов полов строгальной машиной |
ЕниР,1987г. §Е19-5 |
100 м2 |
10,2 |
4,6 |
- |
3_63 |
- |
46,92 |
- |
| 6 |
Установка щелевых плинтусов |
ЕниР,1987г. §Е19-46 |
100 м |
1,32 |
12 |
- |
10_50 |
- |
15,84 |
- |
| Итого: |
1087,86 |
|||||||||
3.5 Технологическая карта на устройство металлических каркасов
3.5.1 Область применения
Технологическая карта разработана на возведение каркаса, с применением гусеничного крана РДК-25.
В состав работ, рассматриваемых картой, входят:
– укрупнительная сборка рамы;
– установка рамы в проектное положение;
– монтаж связей;
– монтаж прогонов;
– монтаж стоек фахверка
3.5.2 Организация и технология строительного процесса
К началу производства работ по монтажу стальных конструкций физкультурно-оздоровительного комплекса должны быть выполнены следующие мероприятия и работы по инженерной подготовке строительной площадки:
– выполнить дороги для подъезда к монтируемому объекту;
– выполнить общеплощадочные дороги для проезда к местам складирования;
– выполнить пути прохода монтажных кранов вокруг объектов монтажа;
– спланировать и уплотнить площадки складирования и укрупнительной сборки;
– установить шкафы питания электроэнергией для подключения сварочных агрегатов, электромеханизированного инструмента, освещения, и подать к ним напряжение.
– выполнить обратную засыпку фундаментов, спланировать и уплотнить площадки складирования и укрупнительной сборки внутри пролета зала;
– выполнить пути и площадки для работы монтажного крана, подсыпав их щебеночной смесью с последующим уплотнением до необходимой несущей способности 4 кгс/см2 ;
– подать на объект пиломатериал из древесины для складирования стальных конструкций;
– обеспечить в темное время суток освещенность монтажной площадки не менее 30 лк.
3.5.3 Оборудование и приспособления, применяемые при монтаже каркаса здания
При производстве монтажных работ используется гусеничный кран РДК-25, стрела 22,7 м (с гуськом 5 м).
3.5.4 Проект производства работ
Проект производства работ (или основные его положения) на устройство металлического каркаса здания должен содержать следующие разделы:
1. Укрупнительная сборка элементов каркаса здания.
2. Монтаж металлических конструкций каркаса здания.
3.5.4.1 Укрупнительная сборка элементов каркаса здания
Укрупнительная сборка рамы производится на площадке, располагаемой вне пролета здания у места проектной установки конструкции. Площадка устраивается из сборных железобетонных плит.
Закрепление элементов рамы, установленных на площадке в проектное положение, с монтажными соединениями на болтах следует выполнять сразу после инструментальной проверки точности положения и выверки конструкций.
При сборке сое дине ний отве рстия в деталях конструкций должны быть с ов меще ны и де тали зафиксированы от смещения сборочными пробками (не ме нее двух), и плотно стянуты болтами. В соединениях с двумя отверстиями сборочную пробку устанавливают в одно из них.
В собранном паке те болты заданног о в проекте диаме тра должны пройти в 100 % отверстий. Допускае тся прочистка 20 % отверстий сверлом, диаметр которого равен диаме тру отверстия, указанному в чертежах.
В сое дине ниях с работой болтов на растяже ние , а также в сое дине ниях, где болты установле ны конструктивно, чернота не до лжна превышать разности диаме тров отверстия и болта.
Запре щается применение болтов и гаек, не имеющих клейма предприятия-изготовителя и маркировки, обозначающей класс прочности.
Запрещается стопорение гаек путем забивки резьбы болта или приварки их к стержню болта.
Гайки следует закручивать до отказа от середины соединения к его краям.
Качество затя жки постоянных болтов следует проверять остукиванием их молотком массой 0,4 кг, при этом болты не должны смещаться.
Сварку конструкций при укрупнении и в проектном положении следу ет производить после пров ерки правильности сборки.
Схема укрупнительной сборки рамы приведена на листе 10 графической части данного проекта.
3.5.4.2 Монтаж металлических конструкций каркаса здания
Монтаж каркаса здания выполнять комплексным методом, предусматривающим монтаж разнотипных конструкций (рамы, связей, прогонов) в пределах одной ячейки, образующей жесткую устойчивую систему.
Монтаж рамы здания выполнять способом подъема со сложным перемещением. После строповки рамы кран выполняет ее подъем в вертикальное положение и поворот на 900 к месту проектной установки. Подъем осуществляется на вылете 9 м при соответствующей грузоподъемности крана 7т. Вес укрупненной конструкции рамы составляет 4 т.
Для подъема и поворота рамы используется траверса с полуавтоматическим стропом, грузоподъемностью до 30 т (см. рисунок 13).

Рисунок 13
Перед подъемом каждого монтажного элемента необходимо проверить:
– соответствие его проектной марке;
– состояние закладных изделий и установочных рисок, отсутствие гря зи, снега, наледи, повреждений отделки, грунтовки и окраски;
– наличие на рабочем месте необходимых соединительных деталей и вспомогательных материалов;
– правильность и надежность закрепления грузозахватных устройств;
а также оснастить в соответствии с ППР средствами подмащивания, лестницами и ограждениями.
Строповка рамы производится в местах сопряжения раскосов ее элементов, с усилением диафрагмами по месту.
![]()

10, 11 – строп траверсы; 12 – замок пружинный; 13, 14 – канат пеньковый; 15 – подкладка под строп из трубы
Рисунок 14 – Схема строповки элемента рамы
Подъем конструкции следует производить плавно, без рывков, использую оттяжки, предотвращающие опрокидывание рамы в сторону монтажного крана.
После установки первой рамы в проектное положение производится ее временное раскрепление при помощи расчалок. При выверке, тщательно проверяется монтируемая конструкция, точность ее установки относительно осей и положение в пространстве.
После монтажа второй рамы, производится монтаж связей и прогонов.
Окончательное закрепление конструкции производится после выверки всех элементов в пределах ячейки.
Головки и гайки болтов, в том числе фундаментных, должны после затяжки плотно (без зазоров) соприкасаться с плоскостями шайб или элементов конструкций, а стержень болта выступать из гайки не менее чем на 3 мм.
Сварку конструкций при укрупнении и в проектном положении следует производить после проверки правильности сборки.
Размеры конструктивных элементов кромок и швов сварных соединений, выполненных при монтаже, и предельные отклонения размеров сечения швов сварных соединений должны соответствовать указанным в ГОСТ 5264—80, ГОСТ 11534—75, ГОСТ 8713—79, ГОСТ 11533—75, ГОСТ 14771 —76*, ГОСТ 15164—78, ГОСТ 23518—79.
Кромки свариваемых элементов в местах расположения швов и прилегающие к ним поверхности ши риной не менее 20 мм при ручной или механизированной дуговой сварке необходимо зачищать с удалением ржавчины, жиров, краски, грязи, влаги и т. п.
Сварку надлежит производить при стабильном режиме. Предельные отклонения заданных значений силы сварочного тока и напряжения на дуге при автоматизированной сварке не должны превышать ±5 %.
Число прокаленных сварочных материалов на рабочем месте сварщика не должно превышать полусменной потребности. Сварочные материалы следует содержать в условиях, исключающих их увлажнение.
Поверхности свариваемой конструкции и выполненных швов сва рных соединений после окончания сварки необходимо очищать от шлака, брызг и наплывов (натеков) расплавленного металла.
Приваренные сборочные и монтажные приспособления надлежит удалять без повреждения основного металла и применения ударных воздействий. Места их приварки необходимо зачистить заподлицо с основным металлом, недопу стимые дефекты исправить.
Необходимость удаления сборочных болтов в монтажных сварных соединениях посл е окончания сварки определяет монтажная организация .
Качество прихваток, сварных соединений креплений сборочных и монтажных приспособлений, определяемое внешним осмотром, должно быть не ниже качества основных сварных соединений.
3.5.6 Контроль качества и приемка работ
Предельные отклонения фактического положения смонтированных конструкций не должны превышать при приемке значений, приведенных в таб лице 17.
Таблица 17
| Параметр |
Предельные отклонения, мм |
Контроль (метод, объем, вид регистрации) |
| Отклонение отметок опор |
5 |
Измерительный, геодезическая исполнительная схема |
| Отклонение отметок опорных узлов рамы |
10 |
Измерительный, журнал работ |
| Смещение осей на опоре |
15 |
Измерительный, геодезическая исполнительная схема |
| Поверхность шва |
Равномерно-чешуйчатая, без наплывов и перерывов |
Внешний осмотр, с проверкой геометрических размеров и формы швов |
| Дефекты (непровары, скопления пор) |
Расстояние между близлежащими концами не менее 200 мм |
то же |
3.5.7 Техника безопасности при проведении монтажных работ
См. п. 5.2.2 настоящего документа.
3.5.5 Калькуляция трудовых затрат
Таблица 18
| N п/п |
Наименование работ |
Обоснование |
Ед. измер. |
Объем работ |
Затраты труда |
Заработная плата, р.-к. |
||
| ч-час |
м-час |
раб-й |
маш-т |
|||||
| 1 |
Укрупнительная сборка рам |
ЕниР,1987г. §Е5-1-3 |
1 т |
32 |
116,8 |
23,36 |
99_52 |
24_73,6 |
| 2 |
Монтаж рам |
ЕниР,1987г. §5-1-6 |
1 т |
32 |
88,64 |
12,64 |
75_36 |
13_42,4 |
| 3 |
Монтаж прогонов |
ЕниР,1987г. §Е5-1-6 |
1 т |
5,376 |
38,98 |
12,97 |
31_18,1 |
13_754 |
| 4 |
Монтаж связей |
ЕниР,1987г. §Е5-1-6 |
1 т |
2,644 |
47,03 |
15,47 |
37_62,6 |
16_42,7 |
| 5 |
Монтаж стоек фахверка |
ЕниР,1987г. §Е5-1-6 |
1 т |
1,2 |
8,76 |
2,91 |
7_00,8 |
3_09 |
| Итого: |
300,21 |
67,35 |
250_69,5 |
71_43,1 |
||||
3.6 Проектирование строительного генерального плана
Строительный генеральный план (стройгенплан) отражает организацию строительной площадки на период возведения физкультурно-оздоровительного комплекса и является основным проектным документом, определяющим объемы временного строительства.
На строительном генеральном плане объекта графически (условными обозначениями) отображаются:
– границы строительной площадки и виды ее ограждения;
– действующие и временные подземные, надземные и воздушные сети и коммуникации;
– схема постоянных и временных дорог;
– схема движения средств транспорта и механизмов;
– места установки строительных и грузоподъемных машин с указанием путей их перемещения и зон действия;
– размещение постоянных, строящихся и временных зданий и сооружений, опасных зон, путей и средств подъема рабочих на рабочие ярусы (этажи), а так же проходов в здания и сооружения;
– размещение источников и средств энергообеспечения и освещения строительной площадки с указанием расположения заземляющих контуров;
– размещение площадок и помещений складирования материалов и конструкций, площадок укрупнительной сборки конструкций и оборудования;
– расположение помещений для санитарно-бытового обслуживания строителей, питьевых установок и мест отдыха, а так же зон выполнения работ повышенной опасности.
Строительный генеральный план разработан на возведение надземной части объекта на основе требований строительных норм и правил СНиП 3.01.01-85 «Организация строительного производства» . Решение стройгенплана непосредственно связано с технологией возведения здания.
Решения строительного генерального плана обеспечивают наиболее полное удовлетворение производственных и бытовых нужд работающих на строительной площадке. Расчеты потребности во временных зданиях и сооружениях и потребности в основных энергоресурсах приведены в пояснительной записке.
При проектировании строительного генерального плана решаются вопросы о размещении монтажного крана, определения опасных зон, расчета временных инженерных сетей, складского хозяйства, потребности во временных зданиях и сооружениях, прокладки трассы временных дорог и определения конфигурации строительной площадки. При размещении объектов стройгенплана учтены требования норм пожарной безопасности и охраны труда в строительстве.
Временные дороги запроектированы улучшенного типа: из естественного грунта, поверхность которого спрофилирована дорожными машинами – грейдерами, а проезжая часть, дополнительно укрепленная путем перемешивания грунта с гравием, укатана катками.
Временные инженерные сети запроектированы следующего конструктивного исполнения:
– временные электрические сети надземные воздушные;
– временные тепловые сети из труб в гидрофобной изоляции подземной прокладки;
– временные сети водопровода прокладываются совместно с тепловыми сетями в траншее;
– временный туалет индивидуального проекта;
– пожаротушение на строительной площадке предусмотрено от временных пожарных гидрантов.
3.6.1 Выбор и обоснование использования основных подъемно-транспортных механизмов
При выборе способов производства основных строительно-монтажных работ и требуемых для этой цели подъемно-транспортных механизмов следует ориентироваться на прогрессивные методы выполнения строительно-монтажных работ и современные типы строительных машин и механизмов с учетом объемов работ, конструктивных решений и сроков их выполнения.
Основными исходными данными при выборе технически приемлемого крана являются:
– максимальный вес поднимаемого груза;
– высота подъема;
– требуемый максимальный вылет стрелы.
Подбирается 2 типа таких кранов и производится экономическое сравнение их по стоимости, трудоемкости и сроку выполнения работ.
По экономичности выбранные типы кранов сравниваются между собой по формуле:
П = С · Еф + к , (54)
где: П – приведенные затраты на эксплуатацию данного крана, в руб.;
C – себестоимость эксплуатации данного крана, руб.;
Еф – коэффициент, учитывающий плату за фонды, Еф = 0,06 ;
к – стоимость крана, приведенная ко времени работы его на объекте, руб.
, (55)
где: Се – единовременные затраты, связанные с созданием условий работы крана на площадке, руб.;
Сг – годовые амортизационные отчисления, руб.;
См – сменные эксплуатационные затраты, руб.;
Тгод – нормативное число смен работы крана в году;
Тфакт – фактическое число смен;
, (56)
где: Ф – стоимость крана, руб.;
По результатам этих расчетов выбирается наиболее эффективный тип крана.
Высота подъема крюка:
Нкр = Но + Н1 + Н2 + Н3 , (57)
где: Но – превышение монтируемого элемента над уровнем стоянки крана (м);
H1 – высота запаса при монтаже конструкций (0,5 – 0,8 м);
H2 – высота монтируемого элемента, м;
H3 – высота стропа, которым монтируют элемент, м;
Нкр =10,8 + 0,8 + 2,7 + 4 = 18,3 м
Максимальная грузоподъемность на вылете:
Q = Pриг + qстропа , (58)
где: Pриг – вес ригеля рамы, кг;
qстропа – вес траверсы, кг;
Q =3000 + 380 = 3380 кг
Принимаем кран РДК–25, стрела 22,7 м (с гуськом 5 м.)
ТЕХНИЧЕСКИЕ ХАРАКТЕРИСТИКИ КРАНА:
Грузоподъемность, т:
– при наименьшем вылете 25;
– при наибольшем вылете 2,8;
Вылет, м:
– наибольший 14,5;
– наименьший 4;
Высота подъема крюка, м:
– при наименьшем вылете 25;
– при наибольшем вылете 18;
Рабочие скорости, км/ч:
– передвижение крана 1,17;
Частота вращения, мин-1 :
– 0,27-1,3;
Установленная мощность, кВт:
– 75;
Масса, т:
– 41,8;
Длина основной стрелы, м
– 22,7;
Экономические показатели:
руб.
;
руб.;
руб.
Опасная зона стреловых кранов, оборудованных устройством, удерживающим стрелу крана от падения, определяется по формуле:
,
где: Rmax – максимальный рабочий вылет стрелы крана, м;
0,5lmax – половина длины наибольшего перемещаемого груза, м;
lбез – дополнительное расстояние для безопасной работы, м.
Принимаем кран СКГ–30, стрела 25 м.
ТЕХНИЧЕСКИЕ ХАРАКТЕРИСТИКИ КРАНА:
Грузоподъемность, т:
– при наименьшем вылете 15;
– при наибольшем вылете 3,1;
Вылет, м:
– наибольший 28;
– наименьший 10,6;
Высота подъема крюка, м:
– при наименьшем вылете 27,4;
– при наибольшем вылете 16,3;
Рабочие скорости, км/ч:
– передвижение крана 1,17;
Частота вращения, мин-1 :
– 0,7;
Установленная мощность, кВт:
– 100;
Масса, т:
– 61,4;
Длина основной стрелы, м
– 25;
Экономические показатели:
руб.;
руб.;
руб.
По результатам данных расчетов можно сделать вывод о том, что наиболее экономичным является кран РДК–25 стрела 22,7 м (с гуськом 5 м.).
м
3.6.2 Расчет потребности в строительных кадрах
В число строительных кадров включаются следующие категории работающих: рабочие основного производства, рабочие вспомогательного производства и линейный инженерно-техничетский персонал, служащие, младший обслуживающий персонал и охрана.
За основу расчета потребности в строительных кадрах принимается количество рабочих, занятых на выполнении строительно-монтажных работ в номенклатуре календарного плана производства работ на строительстве объекта.
На основании календарного плана производства работ на строительстве объекта производится расчет динамики (помесячно) движения рабочих основного производства, строится график движения рабочей силы.
Месячная потребность в рабочих основного производства определяется по формуле:
, (59)
где: N1 – месячная потребность рабочих основного производства, чел.;
Ti – трудоемкость данного вида работ, чел-дн.;
Ti = tрасч · Ni, (60)
где: tрасч – расчетная продолжительность выполнения данного вида работы, раб. дн.;
Ni – количество рабочих в день, выполняющих данный вид работы, чел.
Число работающих неосновного производства принимается в размере 15 – 30 % от числа рабочих основного производства.
Численность АУП и ИТР принимается в размере 11 – 13 % от суммарной численности рабочих основного и неосновного производства; численность служащих – соответственно 3,5 – 4,5 % от суммарной численности трех первых групп работающих.
Численность работающих и служащих, находящихся в отпуске, не работающих по болезни, выполняющих государственные обязанности и т.п. принимается в размере 3,5-4 % от расчетного количества потребности в строительных кадрах.
Рабочие основного производства (среднее число): N = 32 чел.
Рабочие вспомогательного производства:
7 чел.
АУП + ИТР:
чел.
Служащие:
чел.
Охрана:
, чел.
3.6.3 Расчет потребности во временных зданиях и сооружениях
Расчет производится на основе данных о максимальном количестве работающих на площадке.
Определение требуемой площади временных зданий по назначению производится по формуле:
, (61)
где: Fтр – требуемая площадь временного здания, м2 ;
fn – нормативный показатель площади;
Nimax – максимальное количество работающих в смену, чел.
Ведомость временных зданий и сооружений приведена в таблице 19.
Таблица 19
| № п/п |
Наименование (назначение) |
Численность работающих |
Норма на 1 чел |
Расчетная площадь, м2 |
Характеристика здания |
| 1 |
Гардеробная + душевая |
32 |
0,8 |
25,6 |
гардеробная с душевой на 20 чел. (4,0´18,0) 420-01-10 передвижн. |
| 2 |
Помещения для обогрева рабочих |
30 |
0,1 |
3,0 |
помещение для обогрева рабочих (10´6) |
| 3 |
Туалет |
32 |
0,14 |
4,5 |
туалет индивид. проекта (2´3) |
| 4 |
Комната для приема пищи |
32 |
0,25 |
8 |
столовая индивид. проекта (12´4) |
| 5 |
Контора мастера |
5 |
4 |
20 |
контора мастера с помещ. для обогрева и кладовой (6´8) 420-04-47 |
| 6 |
Сторожка |
1 |
8 |
8 |
индивид. проект (2,4´6) |
| 7 |
Кладовая материальная |
контейнер (8´10) 420-04-6 |
|||
| 8 |
Тепло-холодный материально-технический склад |
сборно-разборн. (4´10) 420-06-56 |
Размещение временных зданий на строительной площадке должно быть наиболее рациональным и основываться на следующих положениях:
– производственные временные здания должны размещаться непосредственно около мест производства, но вне опасных зон действия крана;
– административные помещения располагаются около входа на строительную площадку;
– санитарно-бытовые помещения должны находиться от рабочих мест на расстоянии не более 500 м; а помещения для обогрева рабочих – в зоне работы бригады, но не более 150 м от нее;
– туалеты должны быть удалены от пунктов питания не менее чем на 25 м, а от рабочих мест – не более, чем на 200 м.
3.6.4 Расчет потребности и размещение на стройгенплане складского хозяйства
Проектирование приобъектных складов производится в следующем порядке:
1. Определение номенклатуры и потребности материалов, конструкций, изделий и оборудования производится по рабочим чертежам с учетом рекомендаций СНиП 3.01.01-85 .
2. Определение необходимых запасов по каждому виду ресурсов, подлежащих хранению на складе:
, (62)
где: Qскл – расчетный запас ресурса в натуральных единицах измерения;
Qp – количество материалов, конструкций и изделий, необходимое на расчетный период;
n – норма запаса материала, дн.;
k1 – коэффициент неравномерности поступления материалов на склады, k1 = 1,1;
k2 – коэффициент неравномерности производственного потребления материалов в течение расчетного периода, k2 = 1,3;
T – расчетный период в днях (в соответствии с календарным планом производства работ).
При этом принятый запас должен быть минимальным и одновременно обеспечивать бесперебойное снабжение объекта.
Расчет площади склада по каждому ресурсу производится по формуле:
, (63)
где: q – норма складирования на 1 м2 пола площадки склада;
kСКЛ – коэффициент использования складской площади (1,15 – 1,7).
Ведомость складских помещений приведена в таблице 20.
Таблица 20
| Наименование материалов и изделий |
Qp,ед. изм |
n, дн. |
Т,дн. |
Qскл, ед. изм |
q, ед. изм м2 |
Fскл, м2 |
Принятый размер |
Тип склада |
| Кирпич керамический |
80,067 тыс.шт. |
3 |
46 |
7,5 тыс.шт |
2,5 |
4,5 |
2,5´1,8 |
открытый |
| Теплоизоляционные плиты |
585,19 м3 |
4 |
46 |
72,8 м3 |
5 |
21,8 |
5,5´4 |
закрытый неотапл. |
| Дверные и оконные блоки |
306,3 м2 |
3 |
10 |
131,4 м2 |
20 |
9,9 |
5´2 |
навес |
| Плитка керамическая |
522,45 м2 |
3 |
22 |
102 м2 |
13 |
11,7 |
4,8´2,5 |
закрытый неотапл. |
| Стекло оконное |
480,42 м2 |
3 |
5 |
412,2 м2 |
39 |
15,9 |
5´3,2 |
закрытый неотапл. |
Размещение и привязка временных складов на стройгенплане объекта производится с учетом типов складов, расположения временных дорог, монтажных механизмов, требований по ТБ и ОТ, а так же следующих положений:
– склады сооружают на площадках, не подлежащих застройке;
– склады сборных конструкций и изделий располагают в зоне действия крана так, чтобы они не затрудняли выполнение основных строительно-монтажных работ.
Складирование сборных элементов в зоне действия крана следует осуществлять следующим образом:
– все элементы должны быть размещены по типам, маркам с точной привязкой к дороге или оси движения крана, с указанием проходов, проездов и размеров самих площадок под изделия;
– одноименные элементы укладывать равномерно, по захваткам или в нескольких местах вдоль здания, каждые элементы в отдельные штабеля;
– наиболее тяжелые элементы располагать ближе к крану;
– проходы принимаются шириной 1м, поперечные через 15-25 м, а продольные для проезда вдоль склада шириной > 3,5 м.
Требования к складированию материалов приведены в разделе «Безопасность труда» настоящего документа.
3.6.5 Проектирование временных автомобильных и внутрипостроечных дорог
Проектирование подъездов и внутрипостроечных дорог производится с учетом следующих требований:
1. Удобство выполнения погрузочно-разгрузочных работ и складских операций, возможность беспрепятственного выезда и въезда для осуществления бесперебойного подвоза материалов;
2. Минимальные радиусы закругления дорог 12 м;
3. Максимально-возможного использования для нужд строительства существующих и проектируемых дорог, обеспечивая тем самым минимальный объем строительства временных дорог;
4. Соблюдение условий нормальной эксплуатации дорог, предусматривающих:
а) кольцевание дорог и ликвидацию тупиковых участков путей присоединения их к другим участкам временными дорогами;
б) наличие свободных полос между бровкой проезжей части и расположенными вдоль дороги складами 0.5-1.0 м;
в) зазоры между бровкой и забором, ограничивающим строительную площадку не менее 1.5 м, а между дорогой и складской площадкой 0.5÷1.0 м.
До начала дорожных работ необходимо выполнить работы по вертикальной планировке из расчета обеспечения защиты земляного полотна.
На стройгенплане четко показаны соответствующими условными знаками выезды (въезды) транспорта, направление движения, развороты, разъезды, стоянки при разгрузке. Опасные зоны дорог установлены в соответствии с нормами техники безопасности. Опасной зоной дороги считается та ее часть, которая попадает в пределы зоны перемещения груза или зоны монтажа.
Ширина проезжей части принимается 3,5 м, т. е. одностороннее движение; ширина земляного полотна 5 м.
3.6.6 Проектирование и расчет временных инженерных сетей
3.6.6.1 Проектирование временного водоснабжения
Суммарный расход воды определяется по формуле:
, (64)
где: Qпр – расход воды на производственные нужды, м3 /час;
Qхоз – расход воды на хозяйственные нужды, м3 /час;
Qпож – расход воды на противопожарные нужды, м3 /час.
Расход воды по потребителям:
, (65)
где: N – число расхода производственных потребителей;
qпр – удельные расходы на производственные нужды;
Кчас – к – т часовой неравномерности;
t – число часов работы в смену;
м3/час;
, (66)
где: qх – удельный расход воды на хоз – питьевые нужды;
qд - ход воды на прием душа одного рабочего (30л);
Nр – число работающих;
NД – число пользующихся душем (40%);
tд - продолжительность использования душевой установки;
Кчас – коэф-т часовой неравномерности водопотребления (1,5-3,0);
м3
/час
Расход воды на пожаротушение предусматривается при площади застройки до 10 га:
Qпож = 10 л/с = 36 м3 / час
Учитывая, что во время пожара потребление воды на производственные и хозяйственные нужды резко сокращается или приостанавливается, расчетный расход воды принимается:
м3
/час,
м3
/час
По полученной величине Qрасч = 36,5 м3 /час определим диаметр трубы:
, (67)
где: v = 1– скорость движения воды по трубам, м/сек;
Qрас = 0,01 – расчетный расход воды, м3 /сек;
м,
По ГОСТ 3262-75 принимается труба для временного водопровода с наружным диаметром dн = 102 мм, диаметр условного прохода dу = 100 мм..
Количество гидрантов на площадке до 10 га принимается 2 шт., гидранты устанавливаются не более, чем через 150 м на кольцевых линиях.
Строительная площадка обеспечивается водой от городской системы водоснабжения. Временный водопровод подключается к существующим сетям вне площадки, с указанием расстояния и номера колодца.
3.6.6.2 Проектирование временного электроснабжения
Потребляемая мощность трансформатора определяется по формуле:
, (68)
где: 1,1 – коэф-т учитывающий потери в сети;
Рп – потребляемая мощность на производственные нужды, кВт;
Рт - потребляемая мощность на технологические нужды, кВт;
Ров – потребляемая мощность для внутреннего освещения, кВт;
Рон - потребляемая мощность для наружного освещения, кВт;
К1с-,К2с,К3с – коэф-ты спроса, зависят от числа потребителей;
Cos j - коэф-т мощности;
кВт
Потребляемая мощность равна 50 кВт. Питание сети идет от трансформатора подстанции типа СКТП – 180 – 10(6)/ОН.
3.6.6.3 Проектирование освещения строительной площадки
Расчет количества прожекторов производится по мощности прожекторной установки:
(69)
где m – коэффициент, учитывающий световую отдачу источника света, лк
ЕН =2– нормируемая освещенность горизонтальной поверхности, лк;
k =1,5– коэффициент запаса;
Рл – мощность лампы прожектора, Вт,
А= 11485 – площадь строительной площадки, м2 .
Для рабочего освещения строительной площадки принимаем прожектор типа ПЗС-45 с лампой ДРЛ-700.
m = 0,15 лк;
Рл = 700 Вт;
шт.
3.6.6.4 Проектирование теплоснабжения строительной площадки
Максимальный часовой расход тепла на отопление и вентиляцию производственных, бытовых зданий и складов, ккал/час, производится по формуле:
Q = Qо + Qв , (70)
где Qо и Qв – максимальные часовые расходы на отопление и вентиляцию, ккал/час;
Qв = qв · (tвн –tн ) · Vн , ккал/час, (71)
Qо =a ·qо · (tвн –tн ) · Vн , ккал/час, (72)
где а – коэффициент, зависящий от расчётных температур наружного воздуха (при tнар = - 44 ºС, а =0,86);
qв , qо – удельные тепловые характеристики зданий на отопление и вентиляцию, ккал/час, принимаемые для зданий:
1) Прорабские qо = 0,50; qв = 0,62;
2) Столовые qо = 0,35; qв = 0,70;
3) Бытовые помещения qо = 0,40; qв = 0,62;
4) Помещение для охраны qо = 0,50; qв = 0,62;
tвн, tн – расчётные зимние температуры наружного воздуха для отопления и вентиляции;
Vн – объем здания по наружному обмеру, м3 .
На основании полученных данных составлена таблица 21.
Таблица 21
| Наименование помещения |
а |
qо , ккал/час |
tвн , 0 С |
tн , 0 С |
Vн , м3 |
Qо , ккал/час |
qв , ккал/час |
Qв , ккал/час |
| Прорабские |
0,86 |
0.50 |
18 |
-38 |
144 |
3839 |
0,62 |
5535 |
| Столовые |
0,86 |
0.35 |
18 |
-38 |
144 |
2687 |
0,70 |
6250 |
| Бытовые помещения |
0,86 |
0.40 |
18 |
-38 |
396 |
8446 |
0,62 |
15222 |
| Помещение для охраны |
0,86 |
0.50 |
18 |
-38 |
86 |
2293 |
0,62 |
3306 |
| åQо =17265 åQв = 30313 |
||||||||
Максимальный часовой расход тепла на отопление и вентиляцию:
Q= S Qо + S Qв = 47578 ккал/час.
Обеспечение строительства теплом осуществляется от существующих городских сетей теплоснабжения.
3.6.7 Технико-экономические показатели объектного стройгенплана
Показатель комплектности стройгенплана:
К1 =Fзастр. /FСГП , (73)
где Fзастр . = 1506 - площадь застройки СГП, м2 ;
FСГП = 11485 - площадь стройгенплана, м2 ;
К1 = 1506/11485=0,13
Показатель соотношения площади временных сооружений к площади застройки площадки:
К2 =Fвр. /Fзастр. , (74)
где Fвр = 368,4 - площадь временных сооружений, м2 ;
Fзастр. = 1506 - площадь застройки СГП, м2 ;
К2 = 368,4/1506 = 0,24
Показатель количества дорог, приходящихся на 1м2 застройки площади:
К3 =Fдор. /Fзастр. , (75)
где Fдор. = 2388 - площади временных дорог, м2 ;
Fзастр. = 1506 - площадь застройки СГП, м2 ;
К3 = 2388/1506 = 1,58
4. Экономический раздел
4.1 Пояснительная записка к сметной документации на строительство объекта «Физкультурно-оздоровительный комплекс в поселке Сосновка Тюменской области»
Настоящая сметная документация составлена на основании рабочего проекта.
Сметная стоимость строительства определена по видам работ в сметных ценах 1984 года для условий строительства в Тюменской области, 5 температурной зоне, 8 территориальном районе, 7 кусте с коэффициентом 1,7 к основной заработной плате и заработной плате машинистов на основании следующих нормативных документов:
- Ведомственных сборников ЕРЕР на строительные работы объектов газовой промышленности, расположенных на территории ХМАО Тюменской области
- Ведомственных сборников сметных цен на привозные материалы
- Сборников сметных цен на местные материалы, изделия и конструкции
- Сборников расценок на монтаж оборудования
- Прейскурантов оптовых цен.
Накладные расходы приняты в размере:
- общестроительные работы 22%
- санитарно-технические работы 13,3%
- металлоконструкции 8,6%
- электромонтажные работы 87%
Плановые накопления 8%
Средства лимитированных затрат по главам приняты в соответствии с Методическими указаниями по определению стоимости строительства предприятий и составления сметных расчетов.
Резерв средств на непредвиденные работы и затраты принят 2%.
Стоимость по сводной смете в ценах 1984 г. определилась
в сумме 1143,222 тыс. рублей
в т. ч. строительные работы 928,514 тыс. рублей
монтажные работы 34,170 тыс. рублей
оборудование 12,901 тыс. рублей
прочие затраты 167,637 тыс. рублей
Индекс удорожания на первый квартал 2003 г. по отношению к уровню сметных цен на 01.01.1991 составил I = 29.
Стоимость по ведомости договорной цены на 2003 г. определилась в сумме 52446,8944 тыс. рублей в т. ч. строительные работы 43083,0496 тыс. рублей монтажные работы 1585,488 тыс. рублей прочие затраты 7778,3568 тыс. рублей
5. Раздел безопасности труда
5.1 Основные требования законодательства об охране труда в Российской Федерации
Федеральный закон об основах охраны труда в Российской Федерации устанавливает правовые основы регулирования отношений в области охраны труда между работодателями и работниками и направлен на создание условий труда, соответствующих требованиям сохранения жизни и здоровья работников в процессе трудовой деятельности.
Работодатель обязан обеспечить:
- безопасность работников при эксплуатации производственных зданий, оборудования и инструментов, безопасность технологических процессов, применяемых в производстве материалов;
- соответствующие требованиям охраны труда условия труда на каждом рабочем месте;
- обучение работников безопасным методам и приемам выполнения работ, инструктаж и проверку знаний работниками норм, правил и инструкций по охране труда;
- применение средств индивидуальной и коллективной защиты работников;
- режим труда и отдыха работников в соответствии с законодательством РФ и законодательством субъектов РФ;
- организацию контроля за состоянием условий труда на рабочих местах;
- принятие мер по предотвращению аварийных ситуаций, сохранение жизни и здоровья работника при возникновении таких ситуаций, в том числе по оказанию пострадавшим первой помощи;
- ознакомление работников с требованиями охраны труда;
- недопущение работников к выполнению ими трудовых обязанностей без прохождения обязательных медицинских осмотров, а также в случае медицинских противопоказаний;
- возмещение вреда причинённого работникам увечьем либо иным повреждением здоровья связанными с исполнением ими трудовых обязанностей;
- обязательное страхование работников от временной нетрудоспособности вследствие заболевания, а также от несчастных случаев на производстве.
Работник имеет право:
- получение достоверной информации от работодателя об условиях и охране труда на рабочем месте, о существующем риске повреждения здоровья, а также о мерах по защите от воздействия вредных или опасных производственных факторов;
- отказ от выполнения работ в случае возникновения непосредственной опасности для его жизни и здоровья вследствие нарушения требований охраны труда, за исключением требований охраны труда, предусмотренных федеральными законами, до устранения такой опасности;
- обеспечение средствами индивидуальной и коллективной защиты в соответствие с требованиями охраны труда за счет средств работодателя;
- обучение безопасным методам и приемам труда, за счет средств работодателя;
- внеочередной медицинский осмотр с сохранением за ним места работы (должность) и среднего заработка на время прохождения указанного медицинского осмотра;
- компенсации, установленные законодательством Российской Федерации и законодательством субъектов Российской Федерации, коллективным договором (соглашением), трудовым договором (контрактом), если он занят на тяжелых работах и работах с вредными или опасными условиями труда.
Согласно статье 16 данного закона производственные объекты и продукция должны удовлетворять требованиям охраны труда:
- проекты строительства и реконструкции производственных объектов, а также машин, механизмов и другого производственного оборудования, технологических процессов должны соответствовать требованиям охраны труда;
- запрещаются строительство, реконструкция, техническое переоснащение производственных объектов, производство и внедрение новой техники, внедрение новых технологий без заключений государственной экспертизы условий труда о соответствии указанных в пункте 1 настоящей статьи проектов требованиям охраны труда, а также без разрешений соответствующих органов государственного надзора и контроля за соблюдением требований охраны труда;
- новые или реконструируемые производственные объекты не могут быть приняты в эксплуатацию без заключений соответствующих органов государственного надзора и контроля за соблюдением требований охраны труда;
- запрещаются применение в производстве вредных или опасных веществ, материалов, продукции, товаров и оказание услуг, для которых не разработаны методики и средства метрологического контроля и токсикологическая (санитарно-гигиеническая, медико-биологическая) оценка которых не проводилась;
- в случае использования новых, не применяемых в организации ранее, вредных или опасных веществ работодатель обязан до использования указанных веществ разработать и согласовать с соответствующими органами государственного надзора и контроля за соблюдением требований охраны труда меры по сохранению жизни и здоровья работников;
- машины, механизмы и другое производственное оборудование, транспортные средства, технологические процессы, материалы и химические вещества, средства индивидуальной и коллективной защиты работников, в том числе иностранного производства, должны соответствовать требованиям охраны труда, установленным в Российской Федерации, и иметь сертификаты соответствия.
5.2 Организация безопасных условий труда
5.2.1 Организация производственной территории
До начала строительства объекта генподрядная организация должна
выполнить подготовительные работы по организации стройплощадки, необходимые для обеспечения безопасности строительства, включая:
- устройство ограждения территории стройплощадки при строительстве
объекта в населенном пункте или на территории организации;
- освобождение строительной площадки для строительства объекта (расчистка территории, снос строений) планировка территории, водоотвод
(при необходимости понижение уровня грунтовых вод) и перекладка
коммуникаций;
- устройство временных автомобильных дорог, прокладка сетей временного электроснабжения, освещения, водопровода;
- завоз и размещение на территории стройплощадки или за ее пределами
инвентарных санитарно-бытовых, производственных и административных зданий и сооружений;
- устройство крановых путей, мест складирования материалов и конструкций.
5.2.1.1 Ограждения территории и знаки безопасности
В качестве защитного ограждения территории стройплощадки следует применять типовые сборно-разборные панельно-стоечные конструкции высотой не менее 1,6 м. Ограждения, примыкающие к местам массового прохода людей, должны иметь высоту не менее 2 м и оборудованы сплошным защитным козырьком. Панели козырька должны перекрывать тротуар и выходить за его край со стороны движения транспорта на 50-100мм, ширина тротуара не менее 1,2 м. Уклон козырька для стока воды 20О . Тротуары ограждений, расположенные на участках примыкания строительной площадки к улицам и проездам, необходимо оборудовать перилами, установленными со стороны движения транспорта.
В дополнение к ограждениям опасные зоны обозначают соответствующими знаками безопасности и надписями установленной формы.
Согласно ГОСТ 12.4.026-76* , устанавливаются четыре группы знаков безопасности, приведенные в таблице 22.
Таблица 22

Знаки безопасности следует устанавливать на территории предприятий, строительных площадок, в производственных помещениях, на рабочих местах, участках работ и на производственном оборудовании.
Места расположения знаков безопасности, номера их размеров, а также порядок применения поясняющих надписей к знакам безопасности на территории предприятия, в производственных помещениях и на рабочих местах устанавливает администрация предприятия по согласованию с профсоюзным комитетом и соответствующими органами государственного надзора.
Приспособления для крепления знаков, табличек и блоков должны быть окрашены в серый или серебристо-серый цвет.
Запрещающие знаки предназначены для запрещения определенных действий и должны быть следующими: круг красного цвета с белым полем внутри, белой по контуру знака каймой и символическим изображением черного цвета на внутреннем белом поле, перечеркнутым наклонной полосой красного цвета.
Смысловое значение, изображение и место установки запрещающих знаков указаны в таблице 23.
Таблица 23
| Номер знака |
Смысловое значение |
Изображение |
Место установки |
| 1.1 |
Запрещается пользоваться открытым огнем |
|
На наружной стороне дверей складов с легковоспламеняющимися и взрывоопасными материалами и веществами, внутри этих складов; при входе на участки, где проводят работы с указанными материалами и веществами; на оборудовании, представляющем опасность взрыва или воспламенения |
| 1.2 |
Запрещается курить |
|
Там же, где и знак 1.1, и в местах наличия отравляющих веществ |
| 1.3 |
Вход (проход) воспрещен |
|
У входов в опасные зоны, а также в помещения и зоны, в которые закрыт доступ для посторонних лиц |
| 1.4 |
Запрещающий знак с поясняющей надписью |
|
В местах и зонах, пребывание в которых связано с опасностью, раскрываемой поясняющей надписью |
Предупреждающие знаки предназначены для предупреждения работающих о возможной опасности и должны быть следующими: равносторонний треугольник со скругленными углами желтого цвета, обращенный вершиной вверх, с каймой черного цвета и символическим изображением черного цвета.
Смысловое значение, изображение и место установки предупреждающих знаков указаны в таблице 24.
Таблица 24

Предписывающие знаки предназначены для разрешения определенных действий работающих только при выполнении конкретных требований безопасности труда (обязательное применение средств защиты работающих, принятие мер по обеспечению безопасности труда), требований пожарной безопасности и для указания путей эвакуации и должны быть следующими: круг синего цвета с белой каймой по контуру, внутри которого находится символическое изображение белого цвета.
Смысловое значение, изображение и место установки предписывающих знаков указаны в таблице 25.
Таблица 25

Указательные знаки предназначены для указания местонахождения различных объектов и устройств, пунктов медицинской помощи, питьевых пунктов, пожарных постов, пожарных кранов, гидрантов, огнетушителей, пунктов извещения о пожаре, складов, мастерских и должны быть следующими: синий прямоугольник, окантованный белой каймой по контуру, с белым квадратом внутри с нанесением символического изображение или поясняющей надписи.
Смысловое значение, изображение и место установки предписывающих знаков указаны в таблице 26.
Таблица 26
| Номер знака |
Смысловое значение |
Изображение |
Место установки |
| 4.1 |
Огнетушитель |
|
В производственных помещениях и на территориях для указания местонахождения огнетушителей |
| 4.2 |
Пункт извещения о пожаре |
|
В производственных помещениях и на территориях для указания местонахождения пункта извещения о пожаре |
| 4.3 |
Место курения |
|
В производственных помещениях и на территориях для указания места курения |
| 4.4 |
Расположение определенного места, объекта или средства |
|
В производственных помещениях и на территориях для информации при помощи символа (например, "Пункт медицинской помощи", "Телефон") или поясняющей надписи (например, "Проход здесь", "Питьевая вода") |
| 4.6 |
Пожарный кран |
|
У места и по направлению к местонахождению пожарного крана |
| 4.11 |
Выходить здесь |
|
На дверях эвакуационных выходов, на путях эвакуации. На путях эвакуации применяют с дополнительной табличкой с указательной стрелкой |
Знаки безопасности должны контрастно выделяться на окружающем их фоне и находиться в поле зрения людей, для которых они предназначены. Знаки безопасности должны быть расположены с таким расчетом, чтобы они были хорошо видны, не отвлекали внимания работающих и сами по себе не представляли опасности.
Опасная зона падения конструкции определяется по формуле:
, (76)
где Н – высота подъема конструкции, м;
L – длина ветви стропа, м;
a – угол между ветвью стропа и вертикалью;
а – половина длины перемещаемого груза, м.
Расчет опасной зоны падения плиты перекрытия
Для монтажа плиты перекрытия используется строп четырехветвевой, длина ветви стропа L = 5 м.
H = 5 м;
a = 450 ;
м.
Расчетная схема приведена на рисунке 16.

Рисунок 16
м
В указанной опасной зоне не допускается: нахождение посторонних лиц; выполнение работ не связанных с монтажом строительных конструкций; размещение бытовых, подсобных или других временных сооружений.
Работающих в опасной зоне людей необходимо обеспечить соответствующими средствами коллективной и индивидуальной защиты и проинструктировать по правилам безопасности производства работ.
5.2.1.2 Временные дороги
Внутренние автомобильные дороги производственных территорий должны соответствовать строительным нормам и правилам и быть оборудованы соответствующими дорожными знаками, регламентирующими порядок движения транспортных средств и строительных машин в соответствии с Правилами дорожного движения Российской Федерации, утвержденными Постановлением Совета Министров – Правительства Российской Федерации от 23 октября 1993г. №1090. У въезда на производственную территорию необходимо установить схему внутрипостроечных дорог и проездов с указанием мест складирования материалов и конструкций, мест разворота транспортных средств, объектов пожарного водоснабжения и пр. Скорость движения автотранспорта вблизи мест производства работ не должна превышать на прямых участках 10 км/ч, на поворотах – 5 км/ч.
5.2.1.3 Складирование материалов
Складирование материалов, конструкций, строительных изделий и оборудования должно обеспечивать безопасность ведения погрузочно-разгрузочных работ, исключать самопроизвольно смещение, просадку, осыпание, раскалывание, смятие и раскатывание складируемых материалов.
На строительной площадке для временного хранения материалов и конструкций устраивают открытые, полузакрытые и закрытые склады. Площадки для складирования должны иметь уклон в 2...50 /00 для отвода дождевых и поверхностных вод, подсыпку щебнем или песком слоем 5....10 см. В зоне действия крана площадки складирования должны выделяться защитным ограждением.
Открытые приобъектные склады устроены около зданий и сооружений с разбивкой на зоны действия крана, указанием мест хранения сборных элементов, приемки раствора и бетона, размещения монтажной оснастки и средств подмазывания.
При складировании сборных элементов и других штучных деталей безопасность работ обеспечивается:
– укладкой деталей в штабеля с учетом их устойчивости и удобства отпуска деталей. Подкладки и прокладки располагают в одной вертикальной плоскости. Толщина прокладок при штабелировании панелей, блоков и тому подобных конструкций должна быть больше высоты выступающих монтажных петель не менее чем на 20 мм.
– разметкой границ штабелей и проходов между ними с учетом минимальной ширины прохода для рабочих не менее 1 м и проездов для транспортных и погрузочно-разгрузочных средств.
– формированием штабелей из однородных деталей с учетом допустимой их высоты по условию прочности и жесткости.
Прислонять (опирать) материалы и изделия к заборам и элементам временных и капитальных сооружений не допускается. Пылевидные материалы надлежит хранить в закрытых емкостях, принимая меры против их распыления в процессе погрузки и разгрузки. Размещение штабелей с более тяжелыми изделиями ближе к крану, а с более легкими - в глубине склада.
Материалы, изделия, конструкции при складировании на строительных площадках и рабочих местах должны укладываться следующим образом: пиломатериалы – в штабель, высота которого при рядовой укладке составляет не более половины ширины штабеля, а при укладке в клетки – не более ширины штабеля; стекло в ящиках и рулонные материалы – вертикально в 1 ряд на подкладках; черные прокатные металлы (листовая сталь, швеллеры, балки, сортовая сталь) – в штабель высотой до 1,5 м на подкладках и с прокладками. Складирование других материалов, конструкций и изделий следует осуществлять согласно требованиям стандартов и технических условий на них.
Подача материалов, строительных конструкций и узлов оборудования на рабочие места должна осуществляться в технологической последовательности, обеспечивающей безопасность работ. Складировать материалы и оборудование на рабочих местах следует так, чтобы они не создавали опасность при выполнении работ и не стесняли проходы.
При использовании материалов и изделий необходимо руководствоваться паспортами на них, знаками и надписями на таре, в которой они находились.
Лакокрасочные, изоляционные, отделочные и другие материалы, выделяющие взрывоопасные или вредные вещества, разрешается хранить на рабочих местах в количествах, не превышающих сменной потребности.
5.2.1.4 Санитарно бытовые помещения
Для создания санитарно-бытовых условий работающим на строительной площадке размещены временные здания и сооружения: гардеробные, душевые, помещения для обогрева работающих. Так же на площадке располагается пункт питания. В бытовых помещениях должна быть аптечка с медикаментами для оказания первой медицинской помощи.
Строительная площадка, участники работ, рабочие места, проезды, проходы к ним в темное время суток должны быть освещены, освещенность должна быть равномерной, без слепящего действия осветительных приспособлений на работающих. Требования учтены при разработке листа чертежа “Стройгенплан” лист 8.
Проектирование освещения строительной площадки
Так как по календарному плану основные стоительно-монтажные работы по возведению объекта производятся круглый год, то необходимо как охранное, так и рабочее освещение.
При работах ведущихся на строительной площадке принимается уровень освещенности 2 лк.
Расчет количества прожекторов производится по мощности прожекторной установки:
(77)
где m – коэффициент, учитывающий световую отдачу источника света, лк
ЕН =2– нормируемая освещенность горизонтальной поверхности, лк;
k =1,5– коэффициент запаса;
Рл – мощность лампы прожектора, Вт,
А= 11485 – площадь строительной площадки, м2 .
Минимальная высота установки прожекторов над освещаемой поверхностью
, (78)
где IMAX – максимальная сила света, кд.
Для рабочего освещения строительной площадки принимаем прожектор типа ПЗС-45 с лампой ДРЛ-700.
m = 0,15 лк;
Рл = 700 Вт;
IMAX = 30000 кд.
шт.
Минимальная высота установки прожекторов над освещаемой поверхностью
м
Согласно [РД 78.143-92 п. 2.12.] выбор типа и количества, расчет схемы управления и размещения устройств охранного освещения рекомендуется выполнять в соответствии с Типовыми проектными решениями по проектированию периметрального охранного освещения. Охранное освещение должно обеспечивать необходимый уровень освещенности, но не менее 0,5 лк на уровне земли и ограждения периметра вне зависимости от времени суток. При этом должна обеспечиваться равномерная освещенность зоны с расчетом, чтобы светоточки от светильников перекрывались и образовывали сплошную полосу.
Окончание подготовительных работ должно быть принято по акту о выполнении мероприятий по безопасности труда, оформленному согласно СНиП 12-03-2001 . Форма акта приведена в приложении Б настоящего документа.
5.2.2 Техника безопасности при монтажных работах
На участке (захватке), где ведутся монтажные работы, не допускается выполнение других работ и нахождение посторонних лиц. При возведении зданий и сооружений запрещается выполнять работы, связанные с нахождением людей в одной секции (захватке, участке) на этажах (ярусах), над которыми производятся перемещении, установка и временное закрепление элементов сборных конструкций и оборудования.
Съемные грузозахватные приспособления и тара, не прошедшие технического освидетельствования, к применению не допускаются.
Запрещается подъем сборных конструкций, не имеющих монтажных петель или меток, обеспечивающих их правильную строповку и монтаж.
Запрещается подтаскивать (волочить) грузы грузоподъемными машинами косым натяжением канатов или поворотом стрелы, а так же производить подъем элементов и конструкций защемленных, зацепившихся, засыпанных землей или снегом, либо примерзших к земле. Очистку подлежащих монтажу элементов конструкций от грязи и наледи следует производить до их подъема.
При монтаже конструкций следует использовать одно-, двух-, трех-, четырехветвевые стропы канатного типа. Конструкции строп приведены на рисунке 17.

а – одноветвевой, б – двухветвевой, в – трехветвевой, г – четырехветвевой стропы; 1 – звено для навешивания стропа, 2 – канатная ветвь, 3 – звено для захвата груза, 4 – переходное звено
Рисунок 17
Для подбора сечения гибких строп определяется натяжение в одной ветви стропы (рисунок 18):
, (79)
где P – вес поднимаемого груза, Н;
a – угол между вертикалью и ветвью стропа;
n – общее количество ветвей стропа.
Расчет гибкого стропа
Расчет производится на примере монтажа плиты перекрытия
ПК60.15-8 А IV Т:
Р = 28 кН
Для монтажа используем четырехветвевой строп:
L = 5 – длина ветви стропа, м
![]()

Рисунок 18 – Расчетная схема гибких стропов
кН
Согласно таблице 4 ГОСТ 25573-82 принимаем четырехветвевой строп 4СК1-4,0 с канатными ветвями ВК-1,6 Æ 14,0 мм по ГОСТ2688-80 (рисунок 19):
грузоподъемность стропа – 4 т;
длина ветви стропа – 5 м;
допускаемая нагрузка на захват – 15,7 кН.

1 – звено, 2 – канатная ветвь, 3 – захват
Рисунок 19
Строповку крупных конструкций и оборудования следует производить грузозахватными средствами, обеспечивающими возможность дистанционной расстроповки с рабочего горизонта в случаях, когда высота до замка грузозахватного средства превышает 2 м (рисунок 20).
Способы строповки элементов конструкций и оборудования должны во всех случаях исключать возможность падения груза и обеспечивать его подачу к месту установки в положение, близкое к проектному по схемам, составленным с учетом прочности и устойчивости поднимаемых конструкций для монтажных нагрузок.

а – полуавтоматический захват для дистанционной расстроповки; 1 – обойма, 2 – специальный крюк, 3 – палец крюка, 4 – палец соединения захвата со стропом; 5 – рычаг; 6 – направляющий стержень с вилкой; 7 – рукоятка; 8 – пружина растяжения; 9 – фиксатор; 10 – тарелка; 11 – распорная пружина; 12 – скоба; 13 – строповочный шнур; б – схема устройства для дистанционной расстроповки: 1 – монтажная петля; 2 – карабин; 3 – крюк; 4 – строп; 5 – тяга
Рисунок 20 – Устройство для дистанционной расстроповки
Для перемещения крупногабаритных и длинномерных грузов, когда необходимо стропить за несколько точек, использовать траверсы (рисунок 21).
1 – балансирная балка; 2 – серьга для грузоподъемного механизма; 3 – ролик; 4, 5 – винты, 6 – стропы
Рисунок 21 – Траверса
Грузовые крюки грузозахватных средств (траверсы), применяемых в строительстве должны быть снабжены предохранительными замыкающими устройствами, предотвращающими самопроизвольное выпадение груза. Вес поднимаемого груза с учетом грузозахватных приспособлений и тары не должен превышать максимальную (паспортную) грузоподъемность крана при данном вылете стрелы.
Элементы монтируемых конструкций или оборудования во время перемещения должны удерживаться от раскачивания и вращения гибкими оттяжками из пенькового каната или тонкого гибкого троса. Не допускается пребывание людей на элементах конструкций и оборудования во время их подъема или перемещения. Запрещается использовать краны и грузовые строительные подъемники для перемещения людей.
Расстроповку элементов конструкций и оборудования, установленных в проектное положение, следует производить после постоянного или временного надежного их закрепления. Для временного закрепления использовать распорки и расчалки. Расчалки прикреплять к специальным якорям или конструкциям способами, исключающими ослабление натяжения, и располагать за пределами движения транспорта и монтажных механизмов. Перемещать установленные элементы конструкций или оборудования после их расстроповки, за исключением случаев, обоснованных ППР, не допускается.
Во время перерывов в работе не допускается оставлять поднятые элементы конструкций и оборудования на весу. Установленные в проектное положение элементы конструкций или оборудования должны быть закреплены так, чтобы обеспечивалась их устойчивость и геометрическая неизменяемость.
Не допускается выполнять монтажные работы на высоте в открытых местах при скорости ветра 15 м/сек и более, при гололедице, грозе или тумане, исключающем видимость в пределах фронта работ. Работы по перемещению и установке вертикальных панелей и подобных им конструкций с большой парусностью следует прекращать при скорости ветра 10 м/сек и более.
Не допускается нахождение людей под монтируемыми элементами конструкций и оборудования до установки их в проектное положение и закрепления. При необходимости нахождения работающих под монтируемым оборудованием (конструкциями), а также на оборудовании (конструкциях) должны осуществляться специальные мероприятия, обеспечивающие безопасность работающих.
В процессе монтажа конструкций, зданий или сооружений монтажники должны находится на заранее установленных и надежно закрепленных конструкциях или средствах подмащивания. Для подъема и спуска рабочих к рабочим местам, расположенным на высоте до 18 м, применять приставные лестницы с перильными ограждениями.
Переход монтажников по установленным элементам конструкций, не имеющим ограждения, не допускается. Переход по ригелю разрешается только при наличии надежно закрепленного, туго натянутого вдоль них на высоте 1/5 стального каната для закрепления карабина предохранительного пояса.
В качестве средств индивидуальной защиты при падении с высоты должны применяться предохранительные пояса лямочного или безлямочного типа (рисунок 22), предназначенные для ограничения высоты падения работающего, предотвращения его падения на землю и тем самым исключения возможности травмирования жизненно важных органов.

а – лямочные; б – безлямочные; 1 – ножные лямки; 2 – пояс; 3 – плечевые лямки; 4 – строп с карабином
Рисунок 22 – Предохранительные пояса
Для перехода работающих на высоте по горизонтальным и с незначительным наклоном плоскостям должны применяться огражденные переходные мостики или трапы. При переходе работающих по конструкциям применять страховочные канаты с закреплением к нему через карабин предохранительного пояса.
При перемещении конструкции монтажники должны находиться вне контура устанавливаемых конструкций со стороны, противоположной подаче краном.
Безопасность работающих на высоте при приемке, установке, выверке и проектном закреплении конструкции обеспечивается применением средств коллективной защиты: приставными лестницами с рабочими площадками, люльками. На рисунке 23 показана односторонняя металлическая люлька на одного человека для обработки стыков примыкания балок небольшой высоты к колоннам.

Рисунок 23 – Односторонняя люлька для одного рабочего
До выполнения монтажных работ необходимо установить порядок обмена условными сигналами между лицом, руководящим монтажом, и машинистом (мотористом). Все сигналы подаются только одним лицом (бригадиром монтажной бригады, звеньевым, такелажником—стропальщиком), кроме сигнала «СТОП» , который может быть подан любым работником, заметившим явную опасность. В особо ответственных случаях (при подъеме конструкций с применением сложного такелажа, метода поворота, при надвижке крупногабаритных и тяжелых конструкций, при подъеме их двумя или более механизмами и т.п.) сигналы должен подавать только бригадир монтажной бригады в присутствии ИТР, ответственных за разработку и осуществление технических мероприятий по обеспечению требований безопасности.
В процессе выполнения сборочных операций совмещение отверстий и проверка их совпадения в монтируемых деталях должны производиться с использованием специального инструмента (конусных оправок, сборочных пробок и др.). Проверять совпадение отверстий в монтируемых деталях пальцами рук не допускается.
5.2.3 Противопожарные мероприятия на строительной площадке
Пожарная безопасность на строительной площадке, участках работ и рабочих местах должна обеспечиваться в соответствии с требованиями Правил пожарной безопасности при производстве строительно-монтажных работ. Для обеспечения пожарной безопасности на строительной площадке в период строительства должны быть установлены пожарные щиты с набором противопожарного инвентаря и оборудования. Противопожарное оборудование и первичные средства пожаротушения должны содержаться в исправном и работоспособном состоянии. Проходы к противопожарному оборудованию должны быть всегда свободны и обозначены соответствующими знаками.
Основными противопожарными мероприятиями, обеспечивающими пожарную безопасность на строительной площадке, являются:
– правильность складирования и хранения строительных материалов;
– надзор и технически правильное хранение пожаро - и взрывоопасных веществ и материалов (баллонов с газами, карбида кальция, бензина, солярки, масел и т.п.);
– обеспечение того, чтобы дороги и подъездные пути к зданиям, сооружениям и источникам противопожарного водоснабжения всегда были доступны для проезда пожарных машин;
– соблюдение норм противопожарных разрывов между работающим оборудованием и захватками работ;
– наличие необходимого количества передвижных средств пожаротушения на строящемся здании.
Расстояние между отдельными зданиями, сооружениями или складами на территории строительства приняты в соответствии с действующими противопожарными нормами строительного проектирования в зависимости от категории пожароопасности производства и степени огнестойкости зданий и сооружений.
Для целей пожаротушения, к началу развертывания основных строительно-монтажных работ, производится прокладка постоянной наружной водопроводной сети и установка пожарных гидрантов. Обеспечение водой пожарных машин на строительной площадке производится через пожарные гидранты.
На рабочих местах, где применяются или приготавливаются клеи, мастики, краски и другие материалы, выделяющие взрывоопасные или вредные вещества, не допускаются действия с использованием огня или вызывающие искрообразование. Кроме того, должны быть приняты меры, предотвращающие возникновение и накопление зарядов статического электричества. Указанные зоны работ должны проветриваться, а электроустановки, размещенные в них, должны быть во взрыво-газо-безопасном исполнении, полы должны быть устойчивы к искрообразованию.
Не разрешается накапливать в рабочей зоне горючие вещества (жирные масляные тряпки, опилки и стружки).
6. Охрана окружающей среды
6.1 Основные принципы законодательства об охране окружающей среды в Российской Федерации
В соответствии с законом Российской Федерации "Об охране окружающей природной среды" при проектировании, строительстве, реконструкции, эксплуатации и снятии с эксплуатации предприятий, зданий и сооружений в промышленности, сельском хозяйстве, на транспорте, в энергетике и жилищно-коммунальном хозяйстве должны предусматриваться мероприятия по охране природы, рациональному использованию и воспроизводству природных ресурсов, а также выполняться требования экологической безопасности проектируемых объектов и охраны здоровья населения.
С учетом требований закона "Об охране окружающей природной среды" экологические факторы при принятии решения о строительстве новых объектов, реконструкции или техническом перевооружении действующих являются определяющими.
К мероприятиям по охране окружающей природной среды относятся все виды деятельности человека, направленные на снижение или полное устранение отрицательного воздействия антропогенных факторов, сохранение, совершенствование и рациональное использование природных ресурсов. Основные мероприятия по охране окружающей среды при организации строительного производства должны включать рекультивацию земель, предотвращение потерь природных ресурсов, предотвращение или очистку вредных выбросов в почву, водоемы и атмосферу.
6.2 Общая характеристика объекта
6.2.1 Характеристика объекта как источника загрязнения
Здание физкультурно-оздоровительного комплекса в п. Сосновка Тюменской области предназначено для проведения спортивных мероприятий и занятий универсальными видами спорта.
Технологические процессы, выполняемые в физкультурно-оздоровительном комплексе, не оказывают вредного влияния на окружающую среду. Вредные выбросы отсутствуют.
Возможно некоторое превышение уровня СО от работающего автотранспорта, за счет его концентрации вблизи с объектом.
В непосредственной близости с объектом отсутствует плотная жилая застройка и техногенные объекты.
6.2.2 Краткая характеристика физико-географических и климатических условий района и площадки строительства
Участок строительства расположен в 1 Д климатическом районе со следующими характеристиками:
- расчетная зимняя температура наружного воздуха минус 440 С;
- нормативное значение веса снегового покрова 150 кгс/м2 ;
- нормативное значение ветровой нагрузки 38 кгс/м2 ;
- глубина промерзания грунта 2,5 м;
- зона влажности – нормальная.
6.3 Охрана поверхностных и подземных вод от загрязнения и истощения
Данный подраздел разработан на основании требований нормативных документов по охране и рациональному использованию водных ресурсов.
Временное водоснабжение здания проектируется от существующего водопровода. Вода используется на хозяйственно-питьевые нужды и по самотечным трубам сбрасывается в городскую канализационную сеть.
Проектом не предусмотрено использование подземных вод. Расход воды питьевого качества замеряется счетчиками соответствующих характеристик.
Таким образом, при выполнении проектных решений, загрязнения, засорения и истощения подземных вод не произойдет.
6.4 Охрана почвенно-растительного покрова
Под строительство изымаются площадки, на которых не будет производиться рубка деревьев, нарушаться естественный природно-растительный слой.
В целях защиты и декоративного оформления прилегающей к зданию территории предусмотрено озеленение и благоустройство территории.
Существующие условия и проектные решения при строительстве и эксплуатации здания не приведут к ухудшению состояния почвенно-растительного покрова.
6.5 Экологическая безопасность при производстве строительно-монтажных работ
При проектировании производства строительно-монтажных работ обязательно выполнение требований экологической безопасности:
– градостроительные меры, направленные на экологически рациональное размещение предприятий, населенных мест и транспортной сети,
– архитектурно-конструктивные решения, определяющие выбор экологически безопасных объемно - планировочных и конструктивных решений,
– выбор экологически чистых материалов при проектировании и строительстве, применение малоотходных и безотходных технологических процессов и производств при добыче и переработке строительных материалов,
– меры по охране вод и недр и рациональному использованию минеральных ресурсов,
– Производство строительно-монтажных работ в пределах охранных, заповедных и санитарных зон и территорий следует осуществлять в порядке, установленном специальными правилами и положениями о них.
– На территории строящихся объектов не допускается непредусмотренное проектной документацией сведение древесно-кустарниковой растительности и засыпка грунтом корневых шеек и стволов растущих деревьев и кустарников.
– Выпуск воды со строительных площадок непосредственно на склоны без надлежащей защиты от размыва не допускается. При выполнении планировочных работ почвенный слой, пригодный для последующего использования, должен предварительно сниматься и складироваться в специально отведенных местах.
– Временные автомобильные дороги и другие подъездные пути должны устраиваться с учетом требований по предотвращению повреждений сельскохозяйственных угодий и древесно-кустарниковой растительности.
– При производстве строительно-монтажных работ на селитебных территориях должны быть соблюдены требования по предотвращению запыленности и загазованности воздуха. Не допускается при уборке отходов и мусора сбрасывать их с этажей зданий и сооружений без применения закрытых лотков и бункеров-накопителей. Машины и механизмы должны быть исправны, чтобы выхлопные газы не загрязняли окружающую среду.
– При производстве работ быть приняты меры по предотвращению загрязнения подземных вод.
– Производственные и бытовые стоки, образующиеся на строительной площадке, должны очищаться и обезвреживаться в порядке, предусмотренном проектом организации строительства и проектами производства работ.
– Попутная разработка природных ресурсов допускается только при наличии проектной документации, согласованной соответствующими органами государственного надзора и местной администрацией.
– Работы по мелиорации земель, созданию прудов и водохранилищ, ликвидации оврагов, балок, болот и выработанных карьеров, выполняемые попутно со строительством объектов промышленного и жилищно-гражданского назначения, следует производить только при наличии соответствующей проектной документации, согласованной в установленном порядке с заинтересованными организациями и органами государственного надзора.
В начале освоения строительной площадки со всей застраиваемой и подлежащей планировке территории почвенный слой снимается и складируется. Это производится с целью дальнейшего его использования его при работах по благоустройству на месте строительства или для отправки на другие участки. Отвалами грунта нельзя засыпать корни деревьев, так как большинство пород от этого погибает.
Планировочные работы производятся только на территории, указанной в проекте, на ней располагаются и временные сооружения, необходимые для строительства.
Временные автомобильные дороги и другие подъездные пути располагаются со стороны площади застройки. Используются и трассы постоянных дорог и проездов.
Водоснабжение здания предусмотрено из городской сети водоснабжения с полным циклом очистки и обеззараживания воды. Хоз-фекальные воды сбрасываются по городской сети канализации на очистные сооружения, где проходят полный цикл очистки и утилизации. Прокладка подземных коммуникаций выполняется строго по проекту с учетом того, что зоны вредного влияния различных проводок на растения и обратное влияние распространяется от 1 до 100 метров.
Выполнение земляных работ, в том числе и при устройстве фундаментов ведутся со строгим соблюдением проектных отметок.
Деревья и ценные кустарники, охраняемые на застраиваемой территории, обносятся специальными ограждениями, охраняющими корневую систему, а стволы закрываются деревянными коробами. Деревья и кустарники ценных пород нумеруются, приемка, и сдача их производится по акту в присутствии дендрологов.
Пересадка деревьев выполняется машинами, вырезается цепными резцами грунтовый блок с корневой системой и дерево поднимается краном. Если деревья перевозятся на другую территорию, то корневую систему обшивают ящиком.
Операторы строительных машин и особенно стреловых кранов проинструктированы о соблюдении трасс перемещения и зоны маневрирования, о бережном отношении к стволам и кронам деревьев, а также о недопустимости загрязнения почвенных слоев горюче-смазочными материалами.
6.6 Расчет выделений (выбросов) загрязняющих веществ в воздушный бассейн в процессе сварки.
При выполнении сварочных работ атмосферный воздух загрязняется сварочным аэрозолем, в составе которого в зависимости от вида сварки, марок электродов и флюса находятся разные вредные для здоровья оксиды металлов.
Количество загрязняющих веществ, выделяющихся при сварке, характеризуется валовыми выделениями, отнесенными к 1 кг расходуемых сварочных материалов.
Количество загрязняющих веществ, выбрасываемых в воздушный бассейн в процессах сварки, кг/ч, определяется по формуле:
, (80)
где B – расход применяемых сырья и материалов, кг/ч;
– удельный показатель выделения загрязняющего вещества ”x” на единицу массы расходуемых (приготавливаемых) сырья и материалов, г/кг
h – степень очистки воздуха в соответствующем аппарате, которым снабжена группа технологических агрегатов.
Сварочные работы производятся с применение электродов типа Э42.
В = 2,8 кг/ч;
= 13,2 – удельный показатель выделения сварочного аэрозоля на единицу массы расходуемых сырья и материалов, г/кг;
h = 0;
кг/ч
Платежи за выбросы и размещение отходов производятся за счет себестоимости продукции, а платежи за превышение лимитных загрязнений за счет прибыли, которая остается в распоряжении предприятия загрязнителя.
Из общей суммы 10% платежей подлежит перечислению в доход федерального бюджета для финансирования деятельности территориальных органов Минприроды РФ, а остальные 90% – в экологические фонды согласно установленному проценту зачисления.
Если фактический выброс загрязняющего вещества не превышает ПДВ, то плата предприятия за загрязнение атмосферы данным веществом начисляется по установленным нормативам с учетом коэффициентов экологической ситуации района размещения предприятия (Кэ) и коэффициента инфляции (Ки):
, (81)
где Пi – плата предприятия за выброс i – го загрязняющего вещества, руб.;
Mi – фактическая масса выброса i – го загрязняющего вещества, т/год;
Ni – норматив платы за выброс i – го загрязняющего вещества в пределах ПДВ, руб./т;
Кэ – коэффициент экологической ситуации для атмосферного воздуха в зависимости от экономического района;
Ки – коэффициент инфляции (коэффициент индексации).
M = 65,6 · 10-3 – фактическая масса выброса сварочного аэрозоля, т/год;
N = 16,5 – норматив платы за выброс сварочного аэрозоля в пределах допустимых нормативов, руб/т;
Кэ = 1,4;
Ки = 25;
руб.
6.7 Оценка экологического риска при эксплуатации здания
Проведенный анализ воздействия на окружающую среду строящегося здания позволяет сделать следующие выводы:
Загрязнения атмосферы автотранспортом при строительстве комплекса ниже предельно допустимого.
При строительстве и эксплуатации здания исключается влияние на поверхностные и подземные воды: проектные решения не требуют строительства водозабора для хозяйственно-питьевого водоснабжения, нет сброса сточных вод в поверхностные водоемы и поглощающие горизонты.
На отведенной территории имеются зеленые насаждения, после окончания строительных работ будет выполнено озеленение и благоустройство территории.
Заключение
Конструктивные и объемно-планировочные решения данного проекта выполнены с учетом современных требований к функциональному зонированию, и использования рациональных строительных конструкций.
Принятые технологические решения отражают эффективные методы производства работ, применение современных технологий, строительных машин, средств малой механизации и инструмента.
Организационные решения отражают последовательность, и взаимную увязку, всех видов строительно-монтажных работ по строительству физкультурно-оздоровительного комплекса.
Решения по охране труда и технике безопасности обеспечивают создание безопасных условий труда рабочих на строительной площадке.
Мероприятия по соблюдению экологических требований позволили снизить отрицательное воздействие результатов строительной деятельности на окружающую среду до минимального.
Дипломный проект разработан в соответствии с действующими нормами и правилами и обеспечивает взрывопожарную безопасность при соблюдении предусмотренных проектом мероприятий.
Литература
СНиП II-3-79* Строительная теплотехника. - М.: Стройиздат,1995.- 28с.
СНиП 2.01.01-82. Строительная климатология и геофизика / Госстрой СССР. - М.: Стройиздат, 1983. - 136с.
СНиП 23-05-95. Естественное и искусственное освещение. - М.: Стройиздат, 1995. - 37с.
СНиП 2.08.02-89* Общественные здания и сооружения - М.: Стройиздат, 1996. - 29с.
СНиП 2.01.07-85. Нагрузки и воздействия /Госстрой СССР. - М.: ЦИТП Госстроя СССР 1988. - 36с.
СНиП 2.02.01-83 Основания зданий и сооружений / Госстрой СССР. - М.: Стройиздат, 1985. - 40с.
Пособие по производству работ при устройстве оснований и фундаментов [к СНиП 2.02.01-83] - М.: Стройиздат.1986-576 с.
СНиП 2.02.03 -85 Свайные фундаменты / Госстрой СССР. – М.: Стройиздат, 1995
СНиП 3.02.01-87 Земляные сооружения, основания и фундаменты / Госстрой СССР. – М.: Стройиздат, 1988
СНиП II-23-81*. Стальные конструкции / Госстрой СССР. - М.: ЦИТП Госстроя СССР 1990. - 96с.
СНиП 3.03.01-87 Несущие и ограждающие конструкции / Госстрой СССР. – М.: Стройиздат, 1989
СНиП III-4-80*. Техника безопасности в строительстве /Госстрой РФ.- М.: Стройиздат, 1997. - 255с.
СНиП 2.03.11-85 Защита строительных конструкций от коррозии / Госстрой СССР. – М.: Стройиздат, 1995
СНиП 3.05.01-85 Внутренние санитарно-технические системы / Госстрой СССР. – М.: Стройиздат, 1988
СНиП 1.04.03-85 Нормы продолжительности строительства и задела в строительстве предприятий, зданий и сооружений / Госстрой СССР. – М.: Стройиздат, 1987
СНиП 3.01.01-85 Организация строительного производства / Госстрой СССР. – М.: Стройиздат, 1995
СНиП 3.05.03-85 Тепловые сети / Госстрой СССР. – М.: Стройиздат, 1986
СНиП 2.03.13-88 Полы / Госстрой СССР. – М.: Стройиздат, 1988
СНиП 3.04.01-87 Изоляционные и отделочные покрытия / Госстрой СССР. – М.: Стройиздат, 1988
СНиП 2.03.01-84* Бетонные и железобетонные конструкции / Госстрой СССР. – М.: Стройиздат, 1989
СНиП 12-03-2001 Безопасность труда в строительстве. Часть 1. Общие требования / Госстрой России. – М.: Стройиздат, 2001
СНиП 12.4.026-76* ССБТ. Цвета сигнальные и знаки безопасности / Госстрой СССР. – М.: Стройиздат, 1976
ГОСТ 24045-94 Профили стальные листовые гнутые с трапециевидными гофрами для строительства. Технические условия. / Минстрой России. – М.: Стройиздат, 1995
ГОСТ 9573-96 Плиты из минеральной ваты на синтетическом связующем теплоизоляционные. Технические условия / Минстрой России. - М.: Стройиздат, 1997
ГОСТ 16289-86 Окна и балконные двери деревянные с тройным остеклением для жилых и общественных зданий. Типы, конструкция и размеры / Госстрой СССР. - М.: Стройиздат, 1986
ГОСТ 6942-98 Трубы чугунные канализационные и фасонные части к ним. Технические условия / Госстрой России. - М.: Стройиздат, 1999
ГОСТ 30732-2001 Трубы и фасонные изделия стальные с тепловой изоляцией из пенополиуретана в полиэтиленовой оболочке. Технические условия / Госстрой СССР. – М.: Стройиздат, 2001
ГОСТ 10704-91 Трубы стальные электросварные прямошовные. Сортамент / Комитет стандартизации и метрологии. - М.: Стройиздат, 1997
ГОСТ 9573-96 Плиты из минеральной ваты на синтетическом связующем теплоизоляционные. Технические условия / Минстрой России. - М.: Стройиздат, 1997
ГОСТ 20276-99 Грунты. Методы полевого определения характеристик деформируемости /Госстрой России. - М.: Стройиздат, 2000
ГОСТ 25100-95 Грунты. Классификация / Минстрой России. – М.: Стройиздат, 1996
ГОСТ 19804.2-79* Сваи забивные железобетонные цельные сплошные квадратного сечения с поперечным армированием ствола с напрягаемой арматурой. Конструкция и размеры / Госстрой СССР. – М.: Стройиздат, 1995
ГОСТ 8486-86 Пиломатериалы хвойных пород. Технические условия / Госстрой СССР. – М.: Стройиздат, 1990
ГОСТ 8242-88 Детали профильные из древесины и древесных материалов для строительства. Технические условия / Госстрой СССР. – М.: Стройиздат, 1992
ГОСТ 10180-90 Бетоны. Методы определения прочности по контрольным образцам / Госстрой СССР. – М.: Стройиздат, 1990
ГОСТ 5802-86 Растворы строительные. Методы испытаний / Государственный комитет СССР по делам строительства. – М.: Стройиздат, 1992
ГОСТ Битумы нефтяные. Метод определения температуры размягчения по кольцу и шару / Госстандарт СССР. – М.: Стройиздат, 1973
ГОСТ 5264-80 Ручная дуговая сварка. Соединения сварные. Основные типы, конструктивные элементы и размеры / Государственный комитет СССР по стандартам. – М.: Стройиздат, 1991
ГОСТ Ручная дуговая сварка. Соединения сварные под острыми и тупыми углами. Основные типы, конструктивные элементы и размеры / Госстандарт СССР. – М.: Стройиздат, 1993
ГОСТ 3262-75 Трубы стальные водогазопроводные. Технические условия / Государственный комитет СССР по стандартам. – М.: Стройиздат, 1994
ГОСТ 25573-82 Стропы грузовые канатные для строительства. Технические условия / Государственный комитет СССР по делам строительства. - М.: Стройиздат, 1990
ГОСТ 2688-80 Канат двойной свивки типа ЛК-Р конструкции 6х19 (1+6+6/6)+1 о.с. Сортамент / Госстандарт СССР. – М.: Стройиздат, 1996
РД 78.143-92 Руководящий документ. Системы и комплексы охранной сигнализации. Нормы проектирования / Министерство внутренних дел РФ. Типография ВНИИПО МВД России, 1992
Приложение А
(обязательное)
Статический расчет поперечной рамы
Рисунок А.1 – Расчетная схема поперечной рамы
Рисунок А.2 – Номера элементов левой части ригеля рамы
Рисунок А.3 – Номера элементов левой стойки рамы
Рисунок А.4 – Номера элементов правой стойки рамы
Рисунок А.5 – Номера элементов левой части ригеля рамы
Рисунок А.6 – Номера элементов правой части ригеля рамы
Рисунок А.7 – Номера элементов правой части ригеля рамы
Рисунок А.8 – Эпюра М в элементах левой стойки рамы
Рисунок А.9 – Эпюра М в элементах левой части ригеля рамы
Рисунок А.10 – Эпюра М в элементах правой части ригеля рамы
Рисунок А.11 – Эпюра М в элементах правой стойки рамы
Рисунок А.12 – Эпюра Q в элементах левой стойки рамы
Рисунок А.13 – Эпюра Q в элементах левой части ригеля рамы
Рисунок А.14 – Эпюра Q в элементах правой части ригеля рамы
Рисунок А.15 – Эпюра Q в элементах правой стойки рамы
Рисунок А.16 – Эпюра N в элементах левой стойки рамы
Рисунок А.17 – Эпюра N в элементах левой части ригеля рамы
Рисунок А.18 – Эпюра N в элементах правой части ригеля рамы
Рисунок А.19 – Эпюра N в элементах правой стойки рамы
Таблица А1 – Усилия в элементах рамы при статическом расчете на первое сочетание
| Номер элемента |
Расстояние, [м] |
N, [кН] |
Q, [кН] |
M, [кНм] |
| 1 |
0.00 |
-241.38 |
0.47 |
-0.00 |
| 0.11 |
-241.34 |
0.23 |
0.04 |
|
| 0.22 |
-241.30 |
0.00 |
0.05 |
|
| 0.32 |
-241.26 |
-0.23 |
0.04 |
|
| 0.43 |
-241.23 |
-0.47 |
0.00 |
|
| 2 |
0.00 |
54.89 |
-0.04 |
0.00 |
| 0.15 |
54.91 |
-0.02 |
-0.00 |
|
| 0.30 |
54.93 |
-0.00 |
-0.01 |
|
| 0.45 |
54.95 |
0.02 |
-0.00 |
|
| 0.60 |
54.98 |
0.04 |
-0.00 |
|
| 3 |
0.00 |
68.21 |
0.01 |
0.00 |
| 0.24 |
68.29 |
0.00 |
0.00 |
|
| 0.48 |
68.37 |
-0.00 |
0.00 |
|
| 0.72 |
68.46 |
-0.00 |
0.00 |
|
| 0.96 |
68.54 |
-0.01 |
-0.00 |
|
| 4 |
0.00 |
-60.73 |
-0.05 |
0.00 |
| 0.18 |
-60.76 |
-0.02 |
-0.01 |
|
| 0.35 |
-60.78 |
-0.00 |
-0.01 |
|
| 0.53 |
-60.81 |
0.02 |
-0.01 |
|
| 0.70 |
-60.84 |
0.05 |
-0.00 |
|
| 5 |
0.00 |
-155.89 |
0.99 |
-0.00 |
| 0.23 |
-155.81 |
0.50 |
0.17 |
|
| 0.46 |
-155.73 |
0.00 |
0.23 |
|
| 0.68 |
-155.65 |
-0.50 |
0.17 |
|
| 0.91 |
-155.57 |
-0.99 |
0.00 |
|
| 6 |
0.00 |
47.50 |
0.05 |
-0.00 |
| 0.15 |
47.48 |
0.02 |
0.01 |
|
| 0.30 |
47.46 |
0.00 |
0.01 |
|
| 0.45 |
47.44 |
-0.02 |
0.01 |
|
| 0.60 |
47.42 |
-0.05 |
0.00 |
|
| 7 |
0.00 |
-7.52 |
0.01 |
-0.00 |
| 0.23 |
-7.44 |
0.00 |
0.00 |
|
| 0.45 |
-7.37 |
0.00 |
0.00 |
|
| 0.68 |
-7.29 |
-0.00 |
0.00 |
|
| 0.90 |
-7.21 |
-0.01 |
0.00 |
|
| 8 |
0.00 |
-55.20 |
-0.05 |
0.00 |
| 0.18 |
-55.23 |
-0.03 |
-0.01 |
|
| 0.36 |
-55.25 |
-0.00 |
-0.01 |
|
| 0.55 |
-55.28 |
0.03 |
-0.01 |
|
| 0.73 |
-55.31 |
0.05 |
-0.00 |
|
| 9 |
0.00 |
-85.76 |
1.11 |
0.00 |
| 0.25 |
-85.67 |
0.56 |
0.21 |
|
| 0.51 |
-85.58 |
-0.00 |
0.28 |
|
| 0.76 |
-85.49 |
-0.56 |
0.21 |
|
| 1.02 |
-85.41 |
-1.11 |
-0.00 |
|
| 10 |
0.00 |
49.76 |
0.05 |
0.00 |
| 0.18 |
49.73 |
0.03 |
0.01 |
|
| 0.36 |
49.70 |
-0.00 |
0.01 |
|
| 0.54 |
49.68 |
-0.03 |
0.01 |
|
| 0.71 |
49.65 |
-0.05 |
-0.00 |
|
| 11 |
0.00 |
-81.37 |
0.01 |
0.00 |
| 0.23 |
-81.29 |
0.00 |
0.00 |
|
| 0.45 |
-81.21 |
-0.00 |
0.00 |
|
| 0.68 |
-81.14 |
-0.00 |
0.00 |
|
| 0.90 |
-81.06 |
-0.01 |
-0.00 |
|
| 12 |
0.00 |
-46.42 |
-0.06 |
-0.00 |
| 0.17 |
-46.44 |
-0.03 |
-0.01 |
|
| 0.34 |
-46.46 |
0.00 |
-0.01 |
|
| 0.51 |
-46.48 |
0.03 |
-0.01 |
|
| 0.68 |
-46.50 |
0.06 |
0.00 |
|
| 13 |
0.00 |
-23.14 |
0.97 |
-0.00 |
| 0.22 |
-23.06 |
0.48 |
0.16 |
|
| 0.45 |
-22.98 |
0.00 |
0.22 |
|
| 0.67 |
-22.91 |
-0.48 |
0.16 |
|
| 0.89 |
-22.83 |
-0.97 |
0.00 |
|
| 14 |
0.00 |
46.83 |
0.06 |
-0.00 |
| 0.18 |
46.80 |
0.03 |
0.01 |
|
| 0.37 |
46.78 |
0.00 |
0.01 |
|
| 0.55 |
46.75 |
-0.03 |
0.01 |
|
| 0.74 |
46.72 |
-0.06 |
0.00 |
|
| 15 |
0.00 |
-139.41 |
0.01 |
-0.00 |
| 0.22 |
-139.33 |
0.00 |
0.00 |
|
| 0.45 |
-139.25 |
0.00 |
0.00 |
|
| 0.67 |
-139.18 |
-0.00 |
0.00 |
|
| 0.89 |
-139.10 |
-0.01 |
0.00 |
|
| 16 |
0.00 |
-44.51 |
-0.06 |
-0.00 |
| 0.18 |
-44.53 |
-0.03 |
-0.01 |
|
| 0.36 |
-44.55 |
0.00 |
-0.01 |
|
| 0.53 |
-44.57 |
0.03 |
-0.01 |
|
| 0.71 |
-44.59 |
0.06 |
0.00 |
|
| 17 |
0.00 |
33.44 |
0.98 |
-0.00 |
| 0.23 |
33.52 |
0.49 |
0.17 |
|
| 0.45 |
33.60 |
0.00 |
0.22 |
|
| 0.68 |
33.67 |
-0.49 |
0.17 |
|
| 0.90 |
33.75 |
-0.98 |
0.00 |
|
| 18 |
0.00 |
45.34 |
0.06 |
0.00 |
| 0.19 |
45.32 |
0.03 |
0.01 |
|
| 0.39 |
45.29 |
-0.00 |
0.01 |
|
| 0.58 |
45.26 |
-0.03 |
0.01 |
|
| 0.77 |
45.24 |
-0.06 |
-0.00 |
|
| 19 |
0.00 |
-193.27 |
0.01 |
-0.00 |
| 0.23 |
-193.20 |
0.00 |
0.00 |
|
| 0.45 |
-193.12 |
0.00 |
0.00 |
|
| 0.68 |
-193.04 |
-0.00 |
0.00 |
|
| 0.90 |
-192.96 |
-0.01 |
0.00 |
|
| 20 |
0.00 |
-43.22 |
-0.07 |
-0.00 |
| 0.19 |
-43.24 |
-0.03 |
-0.01 |
|
| 0.37 |
-43.26 |
0.00 |
-0.01 |
|
| 0.56 |
-43.28 |
0.03 |
-0.01 |
|
| 0.75 |
-43.31 |
0.07 |
0.00 |
|
| 21 |
0.00 |
86.38 |
0.99 |
0.00 |
| 0.23 |
86.46 |
0.50 |
0.17 |
|
| 0.45 |
86.54 |
-0.00 |
0.23 |
|
| 0.68 |
86.62 |
-0.50 |
0.17 |
|
| 0.91 |
86.70 |
-0.99 |
-0.00 |
|
| 22 |
0.00 |
44.16 |
0.07 |
0.00 |
| 0.20 |
44.13 |
0.03 |
0.01 |
|
| 0.41 |
44.11 |
-0.00 |
0.01 |
|
| 0.61 |
44.08 |
-0.03 |
0.01 |
|
| 0.81 |
44.05 |
-0.07 |
-0.00 |
|
| 23 |
0.00 |
-243.79 |
0.01 |
0.00 |
| 0.23 |
-243.71 |
0.00 |
0.00 |
|
| 0.45 |
-243.63 |
-0.00 |
0.00 |
|
| 0.68 |
-243.55 |
-0.00 |
0.00 |
|
| 0.90 |
-243.47 |
-0.01 |
-0.00 |
|
| 24 |
0.00 |
-41.89 |
-0.07 |
-0.00 |
| 0.19 |
-41.91 |
-0.04 |
-0.01 |
|
| 0.39 |
-41.93 |
0.00 |
-0.01 |
|
| 0.58 |
-41.95 |
0.04 |
-0.01 |
|
| 0.78 |
-41.97 |
0.07 |
0.00 |
|
| 25 |
0.00 |
135.71 |
0.97 |
-0.00 |
| 0.22 |
135.79 |
0.48 |
0.16 |
|
| 0.44 |
135.87 |
0.00 |
0.22 |
|
| 0.67 |
135.95 |
-0.48 |
0.16 |
|
| 0.89 |
136.02 |
-0.97 |
0.00 |
|
| 26 |
0.00 |
38.86 |
0.07 |
0.00 |
| 0.21 |
38.83 |
0.04 |
0.01 |
|
| 0.42 |
38.81 |
-0.00 |
0.01 |
|
| 0.63 |
38.78 |
-0.04 |
0.01 |
|
| 0.84 |
38.76 |
-0.07 |
-0.00 |
|
| 27 |
0.00 |
-287.81 |
0.01 |
0.00 |
| 0.23 |
-287.73 |
0.00 |
0.00 |
|
| 0.45 |
-287.66 |
-0.00 |
0.00 |
|
| 0.68 |
-287.58 |
-0.00 |
0.00 |
|
| 0.90 |
-287.50 |
-0.01 |
-0.00 |
|
| 28 |
0.00 |
-37.77 |
-0.08 |
0.00 |
| 0.21 |
-37.79 |
-0.04 |
-0.01 |
|
| 0.41 |
-37.81 |
-0.00 |
-0.02 |
|
| 0.62 |
-37.83 |
0.04 |
-0.01 |
|
| 0.82 |
-37.85 |
0.08 |
-0.00 |
|
| 29 |
0.00 |
177.77 |
0.98 |
0.00 |
| 0.23 |
177.85 |
0.49 |
0.17 |
|
| 0.45 |
177.93 |
-0.00 |
0.22 |
|
| 0.68 |
178.00 |
-0.49 |
0.17 |
|
| 0.90 |
178.08 |
-0.98 |
-0.00 |
|
| 30 |
0.00 |
41.92 |
0.08 |
0.00 |
| 0.22 |
41.89 |
0.04 |
0.01 |
|
| 0.44 |
41.87 |
-0.00 |
0.02 |
|
| 0.66 |
41.84 |
-0.04 |
0.01 |
|
| 0.88 |
41.81 |
-0.08 |
-0.00 |
|
| 31 |
0.00 |
-329.44 |
0.01 |
0.00 |
| 0.23 |
-329.37 |
0.00 |
0.00 |
|
| 0.45 |
-329.29 |
-0.00 |
0.00 |
|
| 0.68 |
-329.21 |
-0.00 |
0.00 |
|
| 0.90 |
-329.13 |
-0.01 |
-0.00 |
|
| 32 |
0.00 |
-41.03 |
-0.08 |
0.00 |
| 0.21 |
-41.05 |
-0.04 |
-0.01 |
|
| 0.43 |
-41.07 |
-0.00 |
-0.02 |
|
| 0.64 |
-41.10 |
0.04 |
-0.01 |
|
| 0.86 |
-41.12 |
0.08 |
-0.00 |
|
| 33 |
0.00 |
221.28 |
0.98 |
0.00 |
| 0.23 |
221.35 |
0.49 |
0.17 |
|
| 0.45 |
221.43 |
-0.00 |
0.22 |
|
| 0.68 |
221.51 |
-0.49 |
0.17 |
|
| 0.90 |
221.59 |
-0.98 |
-0.00 |
|
| 34 |
0.00 |
41.36 |
0.08 |
-0.00 |
| 0.23 |
41.34 |
0.04 |
0.01 |
|
| 0.45 |
41.31 |
0.00 |
0.02 |
|
| 0.68 |
41.28 |
-0.04 |
0.01 |
|
| 0.91 |
41.26 |
-0.08 |
0.00 |
|
| 35 |
0.00 |
-370.82 |
0.01 |
-0.00 |
| 0.23 |
-370.74 |
0.00 |
0.00 |
|
| 0.45 |
-370.66 |
0.00 |
0.00 |
|
| 0.68 |
-370.58 |
-0.00 |
0.00 |
|
| 0.90 |
-370.51 |
-0.01 |
0.00 |
|
| 36 |
0.00 |
-40.74 |
-0.08 |
-0.00 |
| 0.22 |
-40.77 |
-0.04 |
-0.01 |
|
| 0.45 |
-40.79 |
0.00 |
-0.02 |
|
| 0.67 |
-40.81 |
0.04 |
-0.01 |
|
| 0.89 |
-40.83 |
0.08 |
0.00 |
|
| 37 |
0.00 |
262.72 |
0.99 |
-0.00 |
| 0.23 |
262.80 |
0.50 |
0.17 |
|
| 0.45 |
262.88 |
0.00 |
0.23 |
|
| 0.68 |
262.96 |
-0.50 |
0.17 |
|
| 0.91 |
263.04 |
-0.99 |
0.00 |
|
| 38 |
0.00 |
-391.98 |
0.08 |
0.00 |
| 0.24 |
-392.01 |
0.04 |
0.02 |
|
| 0.47 |
-392.04 |
-0.00 |
0.02 |
|
| 0.71 |
-392.06 |
-0.04 |
0.02 |
|
| 0.95 |
-392.09 |
-0.08 |
-0.00 |
|
| 39 |
0.00 |
333.67 |
5.98 |
0.00 |
| 0.31 |
334.20 |
2.99 |
1.41 |
|
| 0.63 |
334.73 |
-0.00 |
1.88 |
|
| 0.94 |
335.26 |
-2.99 |
1.41 |
|
| 1.26 |
335.79 |
-5.98 |
-0.00 |
|
| 40 |
0.00 |
-107.17 |
-0.05 |
0.00 |
| 0.21 |
-107.21 |
-0.02 |
-0.01 |
|
| 0.43 |
-107.25 |
-0.00 |
-0.01 |
|
| 0.64 |
-107.29 |
0.02 |
-0.01 |
|
| 0.85 |
-107.33 |
0.05 |
-0.00 |
|
| 41 |
0.00 |
-339.11 |
0.17 |
0.00 |
| 0.26 |
-339.09 |
0.09 |
0.03 |
|
| 0.52 |
-339.06 |
-0.00 |
0.04 |
|
| 0.77 |
-339.04 |
-0.09 |
0.03 |
|
| 1.03 |
-339.02 |
-0.17 |
-0.00 |
|
| 42 |
0.00 |
91.67 |
-0.06 |
0.00 |
| 0.18 |
91.69 |
-0.03 |
-0.01 |
|
| 0.37 |
91.72 |
-0.00 |
-0.01 |
|
| 0.55 |
91.74 |
0.03 |
-0.01 |
|
| 0.73 |
91.77 |
0.06 |
-0.00 |
|
| 43 |
0.00 |
206.40 |
4.10 |
-0.00 |
| 0.22 |
206.76 |
2.05 |
0.66 |
|
| 0.43 |
207.12 |
0.00 |
0.89 |
|
| 0.65 |
207.48 |
-2.05 |
0.66 |
|
| 0.86 |
207.85 |
-4.10 |
0.00 |
|
| 44 |
0.00 |
-91.53 |
-0.03 |
-0.00 |
| 0.17 |
-91.56 |
-0.02 |
-0.00 |
|
| 0.34 |
-91.59 |
0.00 |
-0.01 |
|
| 0.51 |
-91.62 |
0.02 |
-0.00 |
|
| 0.68 |
-91.66 |
0.03 |
0.00 |
|
| 45 |
0.00 |
-227.42 |
0.13 |
-0.00 |
| 0.19 |
-227.40 |
0.06 |
0.02 |
|
| 0.37 |
-227.39 |
0.00 |
0.02 |
|
| 0.56 |
-227.37 |
-0.06 |
0.02 |
|
| 0.75 |
-227.35 |
-0.13 |
0.00 |
|
| 46 |
0.00 |
83.30 |
-0.05 |
0.00 |
| 0.15 |
83.32 |
-0.02 |
-0.01 |
|
| 0.30 |
83.35 |
-0.00 |
-0.01 |
|
| 0.45 |
83.37 |
0.02 |
-0.01 |
|
| 0.60 |
83.39 |
0.05 |
-0.00 |
|
| 47 |
0.00 |
106.60 |
3.91 |
0.00 |
| 0.21 |
106.97 |
1.95 |
0.60 |
|
| 0.41 |
107.33 |
-0.00 |
0.81 |
|
| 0.62 |
107.69 |
-1.95 |
0.60 |
|
| 0.82 |
108.05 |
-3.91 |
-0.00 |
|
| 48 |
0.00 |
-113.62 |
-0.04 |
0.00 |
| 0.17 |
-113.65 |
-0.02 |
-0.01 |
|
| 0.34 |
-113.68 |
-0.00 |
-0.01 |
|
| 0.51 |
-113.71 |
0.02 |
-0.01 |
|
| 0.69 |
-113.74 |
0.04 |
-0.00 |
|
| 49 |
0.00 |
-99.42 |
0.14 |
0.00 |
| 0.21 |
-99.40 |
0.07 |
0.02 |
|
| 0.41 |
-99.38 |
-0.00 |
0.03 |
|
| 0.62 |
-99.37 |
-0.07 |
0.02 |
|
| 0.82 |
-99.35 |
-0.14 |
-0.00 |
|
| 50 |
0.00 |
95.03 |
-0.04 |
-0.00 |
| 0.14 |
95.04 |
-0.02 |
-0.00 |
|
| 0.28 |
95.06 |
0.00 |
-0.01 |
|
| 0.42 |
95.08 |
0.02 |
-0.00 |
|
| 0.56 |
95.10 |
0.04 |
0.00 |
|
| 51 |
0.00 |
-29.80 |
3.09 |
-0.00 |
| 0.16 |
-29.54 |
1.54 |
0.38 |
|
| 0.32 |
-29.27 |
0.00 |
0.50 |
|
| 0.49 |
-29.01 |
-1.54 |
0.38 |
|
| 0.65 |
-28.74 |
-3.09 |
0.00 |
|
| 52 |
0.00 |
-101.07 |
-0.02 |
-0.00 |
| 0.13 |
-101.09 |
-0.01 |
-0.00 |
|
| 0.26 |
-101.12 |
0.00 |
-0.00 |
|
| 0.40 |
-101.14 |
0.01 |
-0.00 |
|
| 0.53 |
-101.17 |
0.02 |
0.00 |
|
| 53 |
0.00 |
17.85 |
0.05 |
-0.00 |
| 0.08 |
17.86 |
0.03 |
0.00 |
|
| 0.15 |
17.87 |
0.00 |
0.00 |
|
| 0.23 |
17.88 |
-0.02 |
0.00 |
|
| 0.30 |
17.89 |
-0.05 |
0.00 |
|
| 54 |
0.00 |
4.32 |
-0.01 |
0.00 |
| 0.10 |
4.34 |
-0.00 |
-0.00 |
|
| 0.20 |
4.36 |
-0.00 |
-0.00 |
|
| 0.30 |
4.38 |
0.00 |
-0.00 |
|
| 0.40 |
4.40 |
0.01 |
-0.00 |
|
| 55 |
0.00 |
-137.29 |
3.09 |
-0.00 |
| 0.16 |
-137.00 |
1.54 |
0.38 |
|
| 0.33 |
-136.71 |
0.00 |
0.50 |
|
| 0.49 |
-136.42 |
-1.54 |
0.38 |
|
| 0.65 |
-136.13 |
-3.09 |
0.00 |
|
| 56 |
0.00 |
-77.58 |
-0.03 |
-0.00 |
| 0.14 |
-77.61 |
-0.01 |
-0.00 |
|
| 0.28 |
-77.64 |
0.00 |
-0.00 |
|
| 0.42 |
-77.66 |
0.01 |
-0.00 |
|
| 0.55 |
-77.69 |
0.03 |
0.00 |
|
| 57 |
0.00 |
17.86 |
-0.05 |
0.00 |
| 0.08 |
17.85 |
-0.03 |
-0.00 |
|
| 0.16 |
17.85 |
-0.00 |
-0.00 |
|
| 0.23 |
17.85 |
0.03 |
-0.00 |
|
| 0.31 |
17.85 |
0.05 |
-0.00 |
|
| 58 |
0.00 |
87.43 |
0.04 |
-0.00 |
| 0.13 |
87.41 |
0.02 |
0.00 |
|
| 0.27 |
87.39 |
0.00 |
0.01 |
|
| 0.40 |
87.37 |
-0.02 |
0.00 |
|
| 0.53 |
87.35 |
-0.04 |
0.00 |
|
| 59 |
0.00 |
117.17 |
0.16 |
0.00 |
| 0.23 |
117.18 |
0.08 |
0.03 |
|
| 0.45 |
117.18 |
-0.00 |
0.04 |
|
| 0.68 |
117.19 |
-0.08 |
0.03 |
|
| 0.90 |
117.19 |
-0.16 |
-0.00 |
|
| 60 |
0.00 |
82.86 |
-0.07 |
0.00 |
| 0.19 |
82.89 |
-0.03 |
-0.01 |
|
| 0.38 |
82.91 |
-0.00 |
-0.01 |
|
| 0.57 |
82.93 |
0.03 |
-0.01 |
|
| 0.77 |
82.95 |
0.07 |
-0.00 |
|
| 61 |
0.00 |
-244.22 |
3.96 |
0.00 |
| 0.21 |
-243.89 |
1.98 |
0.62 |
|
| 0.42 |
-243.55 |
-0.00 |
0.82 |
|
| 0.62 |
-243.21 |
-1.98 |
0.62 |
|
| 0.83 |
-242.87 |
-3.96 |
-0.00 |
|
| 62 |
0.00 |
-54.26 |
-0.02 |
0.00 |
| 0.15 |
-54.29 |
-0.01 |
-0.00 |
|
| 0.29 |
-54.32 |
-0.00 |
-0.00 |
|
| 0.44 |
-54.35 |
0.01 |
-0.00 |
|
| 0.59 |
-54.38 |
0.02 |
-0.00 |
|
| 63 |
0.00 |
203.36 |
0.16 |
-0.00 |
| 0.23 |
203.37 |
0.08 |
0.03 |
|
| 0.45 |
203.37 |
0.00 |
0.04 |
|
| 0.68 |
203.38 |
-0.08 |
0.03 |
|
| 0.90 |
203.39 |
-0.16 |
0.00 |
|
| 64 |
0.00 |
49.27 |
-0.08 |
-0.00 |
| 0.22 |
49.29 |
-0.04 |
-0.01 |
|
| 0.44 |
49.32 |
0.00 |
-0.02 |
|
| 0.65 |
49.34 |
0.04 |
-0.01 |
|
| 0.87 |
49.37 |
0.08 |
0.00 |
|
| 65 |
0.00 |
-303.59 |
4.05 |
0.00 |
| 0.21 |
-303.20 |
2.03 |
0.65 |
|
| 0.43 |
-302.81 |
-0.00 |
0.87 |
|
| 0.64 |
-302.43 |
-2.03 |
0.65 |
|
| 0.86 |
-302.04 |
-4.05 |
-0.00 |
|
| 66 |
0.00 |
-31.34 |
-0.01 |
-0.00 |
| 0.17 |
-31.37 |
-0.01 |
-0.00 |
|
| 0.33 |
-31.41 |
0.00 |
-0.00 |
|
| 0.50 |
-31.44 |
0.01 |
-0.00 |
|
| 0.66 |
-31.48 |
0.01 |
0.00 |
|
| 67 |
0.00 |
249.98 |
0.16 |
0.00 |
| 0.23 |
249.99 |
0.08 |
0.03 |
|
| 0.45 |
249.99 |
-0.00 |
0.04 |
|
| 0.68 |
250.00 |
-0.08 |
0.03 |
|
| 0.90 |
250.01 |
-0.16 |
-0.00 |
|
| 68 |
0.00 |
35.44 |
-0.08 |
-0.00 |
| 0.24 |
35.48 |
-0.04 |
-0.01 |
|
| 0.49 |
35.51 |
0.00 |
-0.02 |
|
| 0.73 |
35.54 |
0.04 |
-0.01 |
|
| 0.97 |
35.57 |
0.08 |
0.00 |
|
| 69 |
0.00 |
-337.39 |
4.15 |
-0.00 |
| 0.22 |
-337.03 |
2.08 |
0.68 |
|
| 0.44 |
-336.67 |
0.00 |
0.91 |
|
| 0.65 |
-336.31 |
-2.08 |
0.68 |
|
| 0.87 |
-335.94 |
-4.15 |
0.00 |
|
| 70 |
0.00 |
-20.23 |
-0.01 |
-0.00 |
| 0.18 |
-20.26 |
-0.00 |
-0.00 |
|
| 0.37 |
-20.30 |
0.00 |
-0.00 |
|
| 0.55 |
-20.34 |
0.00 |
-0.00 |
|
| 0.73 |
-20.38 |
0.01 |
0.00 |
|
| 71 |
0.00 |
280.57 |
0.15 |
0.00 |
| 0.22 |
280.58 |
0.08 |
0.03 |
|
| 0.45 |
280.58 |
-0.00 |
0.03 |
|
| 0.67 |
280.59 |
-0.08 |
0.03 |
|
| 0.89 |
280.59 |
-0.15 |
-0.00 |
|
| 72 |
0.00 |
10.14 |
-0.09 |
0.00 |
| 0.26 |
10.18 |
-0.04 |
-0.02 |
|
| 0.53 |
10.21 |
-0.00 |
-0.02 |
|
| 0.79 |
10.25 |
0.04 |
-0.02 |
|
| 1.05 |
10.28 |
0.09 |
-0.00 |
|
| 73 |
0.00 |
-348.25 |
4.20 |
0.00 |
| 0.22 |
-347.86 |
2.10 |
0.70 |
|
| 0.44 |
-347.48 |
-0.00 |
0.93 |
|
| 0.66 |
-347.09 |
-2.10 |
0.70 |
|
| 0.88 |
-346.70 |
-4.20 |
-0.00 |
|
| 74 |
0.00 |
-9.50 |
-0.01 |
0.00 |
| 0.21 |
-9.55 |
-0.00 |
-0.00 |
|
| 0.42 |
-9.59 |
-0.00 |
-0.00 |
|
| 0.62 |
-9.63 |
0.00 |
-0.00 |
|
| 0.83 |
-9.68 |
0.01 |
-0.00 |
|
| 75 |
0.00 |
289.36 |
0.16 |
-0.00 |
| 0.23 |
289.37 |
0.08 |
0.03 |
|
| 0.45 |
289.37 |
0.00 |
0.04 |
|
| 0.68 |
289.38 |
-0.08 |
0.03 |
|
| 0.90 |
289.39 |
-0.16 |
0.00 |
|
| 76 |
0.00 |
4.09 |
-0.09 |
-0.00 |
| 0.28 |
4.13 |
-0.04 |
-0.02 |
|
| 0.57 |
4.17 |
0.00 |
-0.03 |
|
| 0.85 |
4.21 |
0.04 |
-0.02 |
|
| 1.13 |
4.25 |
0.09 |
0.00 |
|
| 77 |
0.00 |
-351.59 |
4.10 |
-0.00 |
| 0.22 |
-351.23 |
2.05 |
0.66 |
|
| 0.43 |
-350.86 |
0.00 |
0.89 |
|
| 0.65 |
-350.50 |
-2.05 |
0.66 |
|
| 0.86 |
-350.14 |
-4.10 |
0.00 |
|
| 78 |
0.00 |
-2.41 |
-0.00 |
-0.00 |
| 0.23 |
-2.46 |
-0.00 |
-0.00 |
|
| 0.46 |
-2.51 |
0.00 |
-0.00 |
|
| 0.68 |
-2.56 |
0.00 |
-0.00 |
|
| 0.91 |
-2.61 |
0.00 |
0.00 |
|
| 79 |
0.00 |
292.49 |
0.16 |
0.00 |
| 0.23 |
292.50 |
0.08 |
0.03 |
|
| 0.45 |
292.50 |
-0.00 |
0.04 |
|
| 0.68 |
292.51 |
-0.08 |
0.03 |
|
| 0.90 |
292.52 |
-0.16 |
-0.00 |
|
| 80 |
0.00 |
-12.95 |
-0.09 |
0.00 |
| 0.31 |
-12.91 |
-0.05 |
-0.02 |
|
| 0.61 |
-12.86 |
-0.00 |
-0.03 |
|
| 0.92 |
-12.82 |
0.05 |
-0.02 |
|
| 1.22 |
-12.78 |
0.09 |
-0.00 |
|
| 81 |
0.00 |
-342.96 |
4.34 |
-0.00 |
| 0.23 |
-342.55 |
2.17 |
0.75 |
|
| 0.46 |
-342.14 |
0.00 |
0.99 |
|
| 0.69 |
-341.73 |
-2.17 |
0.75 |
|
| 0.92 |
-341.32 |
-4.34 |
0.00 |
|
| 82 |
0.00 |
10.22 |
-0.00 |
0.00 |
| 0.25 |
10.17 |
-0.00 |
-0.00 |
|
| 0.51 |
10.11 |
-0.00 |
-0.00 |
|
| 0.76 |
10.06 |
0.00 |
-0.00 |
|
| 1.01 |
10.01 |
0.00 |
-0.00 |
|
| 83 |
0.00 |
283.01 |
0.16 |
-0.00 |
| 0.23 |
283.01 |
0.08 |
0.03 |
|
| 0.45 |
283.02 |
0.00 |
0.04 |
|
| 0.68 |
283.03 |
-0.08 |
0.03 |
|
| 0.90 |
283.03 |
-0.16 |
0.00 |
|
| 84 |
0.00 |
-18.29 |
-0.09 |
0.00 |
| 0.32 |
-18.25 |
-0.05 |
-0.02 |
|
| 0.65 |
-18.20 |
-0.00 |
-0.03 |
|
| 0.97 |
-18.15 |
0.05 |
-0.02 |
|
| 1.29 |
-18.10 |
0.09 |
-0.00 |
|
| 85 |
0.00 |
-329.43 |
4.34 |
0.00 |
| 0.23 |
-329.05 |
2.17 |
0.74 |
|
| 0.46 |
-328.66 |
-0.00 |
0.99 |
|
| 0.69 |
-328.27 |
-2.17 |
0.74 |
|
| 0.91 |
-327.89 |
-4.34 |
-0.00 |
|
| 86 |
0.00 |
14.64 |
-0.00 |
0.00 |
| 0.28 |
14.58 |
-0.00 |
-0.00 |
|
| 0.55 |
14.53 |
-0.00 |
-0.00 |
|
| 0.83 |
14.47 |
0.00 |
-0.00 |
|
| 1.10 |
14.41 |
0.00 |
-0.00 |
|
| 87 |
0.00 |
270.34 |
0.15 |
-0.00 |
| 0.22 |
270.35 |
0.08 |
0.03 |
|
| 0.45 |
270.36 |
0.00 |
0.03 |
|
| 0.67 |
270.36 |
-0.08 |
0.03 |
|
| 0.89 |
270.37 |
-0.15 |
0.00 |
|
| 88 |
0.00 |
-27.68 |
-0.09 |
-0.00 |
| 0.34 |
-27.63 |
-0.05 |
-0.02 |
|
| 0.68 |
-27.57 |
0.00 |
-0.03 |
|
| 1.02 |
-27.52 |
0.05 |
-0.02 |
|
| 1.35 |
-27.46 |
0.09 |
0.00 |
|
| 89 |
0.00 |
-311.22 |
4.30 |
-0.00 |
| 0.23 |
-310.83 |
2.15 |
0.73 |
|
| 0.45 |
-310.44 |
0.00 |
0.97 |
|
| 0.68 |
-310.06 |
-2.15 |
0.73 |
|
| 0.90 |
-309.67 |
-4.30 |
0.00 |
|
| 90 |
0.00 |
26.11 |
-0.00 |
-0.00 |
| 0.30 |
26.05 |
-0.00 |
-0.00 |
|
| 0.60 |
25.98 |
0.00 |
-0.00 |
|
| 0.89 |
25.92 |
0.00 |
-0.00 |
|
| 1.19 |
25.86 |
0.00 |
0.00 |
|
| 91 |
0.00 |
251.94 |
0.16 |
0.00 |
| 0.23 |
251.95 |
0.08 |
0.03 |
|
| 0.45 |
251.95 |
-0.00 |
0.04 |
|
| 0.68 |
251.96 |
-0.08 |
0.03 |
|
| 0.90 |
251.96 |
-0.16 |
-0.00 |
|
| 92 |
0.00 |
-39.09 |
-0.09 |
0.00 |
| 0.36 |
-39.03 |
-0.05 |
-0.03 |
|
| 0.72 |
-38.97 |
-0.00 |
-0.03 |
|
| 1.08 |
-38.91 |
0.05 |
-0.03 |
|
| 1.44 |
-38.85 |
0.09 |
-0.00 |
|
| 93 |
0.00 |
-286.49 |
4.30 |
-0.00 |
| 0.23 |
-286.11 |
2.15 |
0.73 |
|
| 0.45 |
-285.72 |
0.00 |
0.97 |
|
| 0.68 |
-285.34 |
-2.15 |
0.73 |
|
| 0.90 |
-284.95 |
-4.30 |
0.00 |
|
| 94 |
0.00 |
92.38 |
-0.00 |
0.00 |
| 0.32 |
92.31 |
-0.00 |
0.00 |
|
| 0.64 |
92.25 |
-0.00 |
-0.00 |
|
| 0.97 |
92.18 |
-0.00 |
-0.00 |
|
| 1.29 |
92.11 |
-0.00 |
-0.00 |
|
| 95 |
0.00 |
-284.95 |
4.30 |
0.00 |
| 0.23 |
-285.34 |
2.15 |
0.73 |
|
| 0.45 |
-285.72 |
-0.00 |
0.97 |
|
| 0.68 |
-286.11 |
-2.15 |
0.73 |
|
| 0.90 |
-286.49 |
-4.30 |
-0.00 |
|
| 96 |
0.00 |
-34.91 |
-0.09 |
-0.00 |
| 0.36 |
-34.97 |
-0.05 |
-0.03 |
|
| 0.72 |
-35.03 |
0.00 |
-0.03 |
|
| 1.08 |
-35.09 |
0.05 |
-0.03 |
|
| 1.44 |
-35.15 |
0.09 |
0.00 |
|
| 97 |
0.00 |
249.52 |
0.16 |
0.00 |
| 0.23 |
249.52 |
0.08 |
0.03 |
|
| 0.45 |
249.51 |
-0.00 |
0.04 |
|
| 0.68 |
249.51 |
-0.08 |
0.03 |
|
| 0.90 |
249.50 |
-0.16 |
-0.00 |
|
| 98 |
0.00 |
22.32 |
-0.00 |
0.00 |
| 0.30 |
22.38 |
-0.00 |
-0.00 |
|
| 0.60 |
22.45 |
-0.00 |
-0.00 |
|
| 0.89 |
22.51 |
0.00 |
-0.00 |
|
| 1.19 |
22.57 |
0.00 |
-0.00 |
|
| 99 |
0.00 |
-307.16 |
4.30 |
0.00 |
| 0.23 |
-307.55 |
2.15 |
0.73 |
|
| 0.45 |
-307.94 |
-0.00 |
0.97 |
|
| 0.68 |
-308.32 |
-2.15 |
0.73 |
|
| 0.90 |
-308.71 |
-4.30 |
-0.00 |
|
| 100 |
0.00 |
-23.14 |
-0.09 |
0.00 |
| 0.34 |
-23.20 |
-0.05 |
-0.02 |
|
| 0.68 |
-23.25 |
-0.00 |
-0.03 |
|
| 1.02 |
-23.31 |
0.05 |
-0.02 |
|
| 1.35 |
-23.36 |
0.09 |
-0.00 |
|
| 101 |
0.00 |
265.08 |
0.15 |
-0.00 |
| 0.22 |
265.07 |
0.08 |
0.03 |
|
| 0.45 |
265.07 |
0.00 |
0.03 |
|
| 0.67 |
265.06 |
-0.08 |
0.03 |
|
| 0.89 |
265.06 |
-0.15 |
0.00 |
|
| 102 |
0.00 |
10.63 |
-0.00 |
-0.00 |
| 0.28 |
10.68 |
-0.00 |
-0.00 |
|
| 0.55 |
10.74 |
0.00 |
-0.00 |
|
| 0.83 |
10.80 |
0.00 |
-0.00 |
|
| 1.10 |
10.86 |
0.00 |
0.00 |
|
| 103 |
0.00 |
-322.50 |
4.34 |
-0.00 |
| 0.23 |
-322.88 |
2.17 |
0.74 |
|
| 0.46 |
-323.27 |
0.00 |
0.99 |
|
| 0.69 |
-323.66 |
-2.17 |
0.74 |
|
| 0.91 |
-324.04 |
-4.34 |
0.00 |
|
| 104 |
0.00 |
-13.24 |
-0.09 |
-0.00 |
| 0.32 |
-13.29 |
-0.05 |
-0.02 |
|
| 0.65 |
-13.34 |
0.00 |
-0.03 |
|
| 0.97 |
-13.39 |
0.05 |
-0.02 |
|
| 1.29 |
-13.44 |
0.09 |
0.00 |
|
| 105 |
0.00 |
274.36 |
0.16 |
0.00 |
| 0.23 |
274.35 |
0.08 |
0.03 |
|
| 0.45 |
274.35 |
-0.00 |
0.04 |
|
| 0.68 |
274.34 |
-0.08 |
0.03 |
|
| 0.90 |
274.34 |
-0.16 |
-0.00 |
|
| 106 |
0.00 |
5.78 |
-0.00 |
-0.00 |
| 0.25 |
5.84 |
-0.00 |
-0.00 |
|
| 0.51 |
5.89 |
0.00 |
-0.00 |
|
| 0.76 |
5.94 |
0.00 |
-0.00 |
|
| 1.01 |
6.00 |
0.00 |
0.00 |
|
| 107 |
0.00 |
-332.48 |
4.34 |
0.00 |
| 0.23 |
-332.89 |
2.17 |
0.75 |
|
| 0.46 |
-333.30 |
-0.00 |
0.99 |
|
| 0.69 |
-333.71 |
-2.17 |
0.75 |
|
| 0.92 |
-334.12 |
-4.34 |
-0.00 |
|
| 108 |
0.00 |
-7.09 |
-0.09 |
-0.00 |
| 0.31 |
-7.14 |
-0.05 |
-0.02 |
|
| 0.61 |
-7.18 |
0.00 |
-0.03 |
|
| 0.92 |
-7.23 |
0.05 |
-0.02 |
|
| 1.22 |
-7.27 |
0.09 |
0.00 |
|
| 109 |
0.00 |
279.66 |
0.16 |
-0.00 |
| 0.23 |
279.65 |
0.08 |
0.03 |
|
| 0.45 |
279.65 |
0.00 |
0.04 |
|
| 0.68 |
279.64 |
-0.08 |
0.03 |
|
| 0.90 |
279.63 |
-0.16 |
0.00 |
|
| 110 |
0.00 |
-7.14 |
-0.00 |
0.00 |
| 0.23 |
-7.09 |
-0.00 |
-0.00 |
|
| 0.46 |
-7.04 |
-0.00 |
-0.00 |
|
| 0.68 |
-6.99 |
0.00 |
-0.00 |
|
| 0.91 |
-6.94 |
0.00 |
-0.00 |
|
| 111 |
0.00 |
-337.07 |
4.10 |
-0.00 |
| 0.22 |
-337.43 |
2.05 |
0.66 |
|
| 0.43 |
-337.80 |
0.00 |
0.89 |
|
| 0.65 |
-338.16 |
-2.05 |
0.66 |
|
| 0.86 |
-338.52 |
-4.10 |
0.00 |
|
| 112 |
0.00 |
10.46 |
-0.09 |
-0.00 |
| 0.28 |
10.42 |
-0.04 |
-0.02 |
|
| 0.57 |
10.38 |
0.00 |
-0.03 |
|
| 0.85 |
10.34 |
0.04 |
-0.02 |
|
| 1.13 |
10.30 |
0.09 |
0.00 |
|
| 113 |
0.00 |
271.86 |
0.16 |
0.00 |
| 0.23 |
271.85 |
0.08 |
0.03 |
|
| 0.45 |
271.85 |
-0.00 |
0.04 |
|
| 0.68 |
271.84 |
-0.08 |
0.03 |
|
| 0.90 |
271.83 |
-0.16 |
-0.00 |
|
| 114 |
0.00 |
-14.87 |
-0.01 |
-0.00 |
| 0.21 |
-14.83 |
-0.00 |
-0.00 |
|
| 0.42 |
-14.78 |
0.00 |
-0.00 |
|
| 0.62 |
-14.74 |
0.00 |
-0.00 |
|
| 0.83 |
-14.70 |
0.01 |
0.00 |
|
| 115 |
0.00 |
-328.56 |
4.20 |
0.00 |
| 0.22 |
-328.94 |
2.10 |
0.70 |
|
| 0.44 |
-329.33 |
-0.00 |
0.93 |
|
| 0.66 |
-329.71 |
-2.10 |
0.70 |
|
| 0.88 |
-330.10 |
-4.20 |
-0.00 |
|
| 116 |
0.00 |
18.02 |
-0.09 |
0.00 |
| 0.26 |
17.99 |
-0.04 |
-0.02 |
|
| 0.53 |
17.95 |
-0.00 |
-0.02 |
|
| 0.79 |
17.92 |
0.04 |
-0.02 |
|
| 1.05 |
17.88 |
0.09 |
-0.00 |
|
| 117 |
0.00 |
256.72 |
0.15 |
0.00 |
| 0.22 |
256.72 |
0.08 |
0.03 |
|
| 0.45 |
256.71 |
-0.00 |
0.03 |
|
| 0.67 |
256.71 |
-0.08 |
0.03 |
|
| 0.89 |
256.70 |
-0.15 |
-0.00 |
|
| 118 |
0.00 |
-26.33 |
-0.01 |
0.00 |
| 0.18 |
-26.29 |
-0.00 |
-0.00 |
|
| 0.37 |
-26.26 |
-0.00 |
-0.00 |
|
| 0.55 |
-26.22 |
0.00 |
-0.00 |
|
| 0.73 |
-26.18 |
0.01 |
-0.00 |
|
| 119 |
0.00 |
-311.11 |
4.15 |
-0.00 |
| 0.22 |
-311.47 |
2.08 |
0.68 |
|
| 0.44 |
-311.83 |
0.00 |
0.91 |
|
| 0.65 |
-312.20 |
-2.08 |
0.68 |
|
| 0.87 |
-312.56 |
-4.15 |
0.00 |
|
| 120 |
0.00 |
44.09 |
-0.08 |
-0.00 |
| 0.24 |
44.06 |
-0.04 |
-0.01 |
|
| 0.49 |
44.03 |
0.00 |
-0.02 |
|
| 0.73 |
44.00 |
0.04 |
-0.01 |
|
| 0.97 |
43.97 |
0.08 |
0.00 |
|
| 121 |
0.00 |
218.61 |
0.16 |
-0.00 |
| 0.23 |
218.60 |
0.08 |
0.03 |
|
| 0.45 |
218.60 |
0.00 |
0.04 |
|
| 0.68 |
218.59 |
-0.08 |
0.03 |
|
| 0.90 |
218.58 |
-0.16 |
0.00 |
|
| 122 |
0.00 |
-38.62 |
-0.01 |
0.00 |
| 0.17 |
-38.59 |
-0.01 |
-0.00 |
|
| 0.33 |
-38.55 |
-0.00 |
-0.00 |
|
| 0.50 |
-38.52 |
0.01 |
-0.00 |
|
| 0.66 |
-38.49 |
0.01 |
-0.00 |
|
| 123 |
0.00 |
-268.85 |
4.05 |
-0.00 |
| 0.21 |
-269.24 |
2.03 |
0.65 |
|
| 0.43 |
-269.63 |
0.00 |
0.87 |
|
| 0.64 |
-270.01 |
-2.03 |
0.65 |
|
| 0.86 |
-270.40 |
-4.05 |
0.00 |
|
| 124 |
0.00 |
60.42 |
-0.08 |
0.00 |
| 0.22 |
60.40 |
-0.04 |
-0.01 |
|
| 0.44 |
60.37 |
-0.00 |
-0.02 |
|
| 0.65 |
60.35 |
0.04 |
-0.01 |
|
| 0.87 |
60.32 |
0.08 |
-0.00 |
|
| 125 |
0.00 |
161.52 |
0.16 |
0.00 |
| 0.23 |
161.51 |
0.08 |
0.03 |
|
| 0.45 |
161.51 |
-0.00 |
0.04 |
|
| 0.68 |
161.50 |
-0.08 |
0.03 |
|
| 0.90 |
161.50 |
-0.16 |
-0.00 |
|
| 126 |
0.00 |
-62.31 |
-0.02 |
-0.00 |
| 0.15 |
-62.28 |
-0.01 |
-0.00 |
|
| 0.29 |
-62.25 |
0.00 |
-0.00 |
|
| 0.44 |
-62.22 |
0.01 |
-0.00 |
|
| 0.59 |
-62.19 |
0.02 |
0.00 |
|
| 127 |
0.00 |
-198.07 |
3.96 |
0.00 |
| 0.21 |
-198.41 |
1.98 |
0.62 |
|
| 0.42 |
-198.74 |
-0.00 |
0.82 |
|
| 0.62 |
-199.08 |
-1.98 |
0.62 |
|
| 0.83 |
-199.42 |
-3.96 |
-0.00 |
|
| 128 |
0.00 |
94.95 |
-0.07 |
0.00 |
| 0.19 |
94.93 |
-0.03 |
-0.01 |
|
| 0.38 |
94.91 |
-0.00 |
-0.01 |
|
| 0.57 |
94.88 |
0.03 |
-0.01 |
|
| 0.77 |
94.86 |
0.07 |
-0.00 |
|
| 129 |
0.00 |
62.84 |
0.16 |
0.00 |
| 0.23 |
62.83 |
0.08 |
0.03 |
|
| 0.45 |
62.82 |
-0.00 |
0.04 |
|
| 0.68 |
62.82 |
-0.08 |
0.03 |
|
| 0.90 |
62.81 |
-0.16 |
-0.00 |
|
| 130 |
0.00 |
-89.25 |
-0.03 |
0.00 |
| 0.14 |
-89.23 |
-0.01 |
-0.00 |
|
| 0.28 |
-89.20 |
-0.00 |
-0.00 |
|
| 0.42 |
-89.18 |
0.01 |
-0.00 |
|
| 0.55 |
-89.15 |
0.03 |
-0.00 |
|
| 131 |
0.00 |
-75.47 |
3.09 |
0.00 |
| 0.16 |
-75.76 |
1.54 |
0.38 |
|
| 0.33 |
-76.05 |
-0.00 |
0.50 |
|
| 0.49 |
-76.34 |
-1.55 |
0.38 |
|
| 0.65 |
-76.63 |
-3.09 |
-0.00 |
|
| 132 |
0.00 |
101.67 |
-0.04 |
0.00 |
| 0.13 |
101.65 |
-0.02 |
-0.00 |
|
| 0.27 |
101.63 |
-0.00 |
-0.01 |
|
| 0.40 |
101.61 |
0.02 |
-0.00 |
|
| 0.53 |
101.59 |
0.04 |
-0.00 |
|
| 133 |
0.00 |
-52.11 |
0.05 |
0.00 |
| 0.08 |
-52.11 |
0.03 |
0.00 |
|
| 0.16 |
-52.11 |
-0.00 |
0.00 |
|
| 0.23 |
-52.11 |
-0.03 |
0.00 |
|
| 0.31 |
-52.11 |
-0.06 |
-0.00 |
|
| 134 |
0.00 |
-12.20 |
0.01 |
-0.00 |
| 0.10 |
-12.18 |
0.00 |
0.00 |
|
| 0.20 |
-12.15 |
0.00 |
0.00 |
|
| 0.30 |
-12.13 |
-0.00 |
0.00 |
|
| 0.40 |
-12.11 |
-0.01 |
0.00 |
|
| 135 |
0.00 |
-52.16 |
0.05 |
-0.00 |
| 0.08 |
-52.16 |
0.03 |
0.00 |
|
| 0.15 |
-52.17 |
0.00 |
0.00 |
|
| 0.23 |
-52.18 |
-0.02 |
0.00 |
|
| 0.30 |
-52.19 |
-0.05 |
0.00 |
|
| 136 |
0.00 |
-93.99 |
-0.02 |
-0.00 |
| 0.13 |
-93.96 |
-0.01 |
-0.00 |
|
| 0.26 |
-93.94 |
0.00 |
-0.00 |
|
| 0.40 |
-93.91 |
0.01 |
-0.00 |
|
| 0.53 |
-93.89 |
0.02 |
0.00 |
|
| 137 |
0.00 |
36.11 |
3.09 |
-0.00 |
| 0.16 |
35.84 |
1.55 |
0.38 |
|
| 0.32 |
35.58 |
0.00 |
0.50 |
|
| 0.49 |
35.31 |
-1.54 |
0.38 |
|
| 0.65 |
35.05 |
-3.09 |
0.00 |
|
| 138 |
0.00 |
93.06 |
-0.04 |
0.00 |
| 0.14 |
93.04 |
-0.02 |
-0.00 |
|
| 0.28 |
93.02 |
-0.00 |
-0.01 |
|
| 0.42 |
93.00 |
0.02 |
-0.00 |
|
| 0.56 |
92.98 |
0.04 |
-0.00 |
|
| 139 |
0.00 |
-163.64 |
0.14 |
0.00 |
| 0.21 |
-163.66 |
0.07 |
0.02 |
|
| 0.41 |
-163.68 |
-0.00 |
0.03 |
|
| 0.62 |
-163.69 |
-0.07 |
0.02 |
|
| 0.82 |
-163.71 |
-0.14 |
-0.00 |
|
| 140 |
0.00 |
-112.66 |
-0.04 |
-0.00 |
| 0.17 |
-112.63 |
-0.02 |
-0.01 |
|
| 0.34 |
-112.60 |
0.00 |
-0.01 |
|
| 0.51 |
-112.57 |
0.02 |
-0.01 |
|
| 0.69 |
-112.54 |
0.04 |
0.00 |
|
| 141 |
0.00 |
170.88 |
3.91 |
0.00 |
| 0.21 |
170.51 |
1.95 |
0.60 |
|
| 0.41 |
170.15 |
-0.00 |
0.81 |
|
| 0.62 |
169.79 |
-1.95 |
0.60 |
|
| 0.82 |
169.43 |
-3.91 |
-0.00 |
|
| 142 |
0.00 |
80.64 |
-0.05 |
-0.00 |
| 0.15 |
80.62 |
-0.02 |
-0.01 |
|
| 0.30 |
80.60 |
0.00 |
-0.01 |
|
| 0.45 |
80.58 |
0.02 |
-0.01 |
|
| 0.60 |
80.56 |
0.05 |
0.00 |
|
| 143 |
0.00 |
-289.42 |
0.13 |
-0.00 |
| 0.19 |
-289.44 |
0.06 |
0.02 |
|
| 0.37 |
-289.46 |
0.00 |
0.02 |
|
| 0.56 |
-289.48 |
-0.06 |
0.02 |
|
| 0.75 |
-289.49 |
-0.12 |
0.00 |
|
| 144 |
0.00 |
-88.28 |
-0.03 |
-0.00 |
| 0.17 |
-88.25 |
-0.02 |
-0.00 |
|
| 0.34 |
-88.22 |
0.00 |
-0.01 |
|
| 0.51 |
-88.18 |
0.02 |
-0.00 |
|
| 0.68 |
-88.15 |
0.03 |
0.00 |
|
| 145 |
0.00 |
267.13 |
4.10 |
-0.00 |
| 0.22 |
266.77 |
2.05 |
0.66 |
|
| 0.43 |
266.40 |
0.00 |
0.89 |
|
| 0.65 |
266.04 |
-2.05 |
0.66 |
|
| 0.86 |
265.68 |
-4.10 |
0.00 |
|
| 146 |
0.00 |
89.84 |
-0.06 |
0.00 |
| 0.18 |
89.82 |
-0.03 |
-0.01 |
|
| 0.37 |
89.80 |
-0.00 |
-0.01 |
|
| 0.55 |
89.77 |
0.03 |
-0.01 |
|
| 0.73 |
89.75 |
0.06 |
-0.00 |
|
| 147 |
0.00 |
-397.82 |
0.17 |
-0.00 |
| 0.26 |
-397.84 |
0.09 |
0.03 |
|
| 0.52 |
-397.86 |
0.00 |
0.04 |
|
| 0.77 |
-397.88 |
-0.09 |
0.03 |
|
| 1.03 |
-397.91 |
-0.17 |
0.00 |
|
| 148 |
0.00 |
-105.44 |
-0.05 |
-0.00 |
| 0.21 |
-105.40 |
-0.02 |
-0.01 |
|
| 0.43 |
-105.36 |
0.00 |
-0.01 |
|
| 0.64 |
-105.32 |
0.02 |
-0.01 |
|
| 0.85 |
-105.29 |
0.05 |
0.00 |
|
| 149 |
0.00 |
392.60 |
5.98 |
0.00 |
| 0.31 |
392.07 |
2.99 |
1.41 |
|
| 0.63 |
391.54 |
-0.00 |
1.88 |
|
| 0.94 |
391.01 |
-2.99 |
1.41 |
|
| 1.26 |
390.48 |
-5.98 |
-0.00 |
|
| 150 |
0.00 |
-456.40 |
-0.08 |
0.00 |
| 0.24 |
-456.43 |
-0.04 |
-0.01 |
|
| 0.47 |
-456.46 |
-0.00 |
-0.02 |
|
| 0.71 |
-456.48 |
0.04 |
-0.02 |
|
| 0.95 |
-456.51 |
0.08 |
-0.00 |
|
| 151 |
0.00 |
307.59 |
-0.62 |
0.00 |
| 0.23 |
307.51 |
-0.31 |
-0.11 |
|
| 0.45 |
307.43 |
-0.00 |
-0.14 |
|
| 0.68 |
307.35 |
0.31 |
-0.11 |
|
| 0.91 |
307.27 |
0.62 |
-0.00 |
|
| 152 |
0.00 |
-40.24 |
-0.08 |
0.00 |
| 0.22 |
-40.22 |
-0.04 |
-0.01 |
|
| 0.45 |
-40.20 |
-0.00 |
-0.02 |
|
| 0.67 |
-40.18 |
0.04 |
-0.01 |
|
| 0.89 |
-40.16 |
0.08 |
-0.00 |
|
| 153 |
0.00 |
-418.62 |
0.01 |
-0.00 |
| 0.23 |
-418.70 |
0.00 |
0.00 |
|
| 0.45 |
-418.78 |
0.00 |
0.00 |
|
| 0.68 |
-418.86 |
-0.00 |
0.00 |
|
| 0.90 |
-418.94 |
-0.01 |
0.00 |
|
| 154 |
0.00 |
44.47 |
0.08 |
-0.00 |
| 0.23 |
44.50 |
0.04 |
0.01 |
|
| 0.45 |
44.52 |
0.00 |
0.02 |
|
| 0.68 |
44.55 |
-0.04 |
0.01 |
|
| 0.91 |
44.58 |
-0.08 |
0.00 |
|
| 155 |
0.00 |
264.63 |
-0.62 |
0.00 |
| 0.23 |
264.56 |
-0.31 |
-0.10 |
|
| 0.45 |
264.48 |
-0.00 |
-0.14 |
|
| 0.68 |
264.40 |
0.31 |
-0.10 |
|
| 0.90 |
264.32 |
0.62 |
-0.00 |
|
| 156 |
0.00 |
-44.32 |
-0.08 |
0.00 |
| 0.21 |
-44.29 |
-0.04 |
-0.01 |
|
| 0.43 |
-44.27 |
-0.00 |
-0.02 |
|
| 0.64 |
-44.25 |
0.04 |
-0.01 |
|
| 0.86 |
-44.23 |
0.08 |
-0.00 |
|
| 157 |
0.00 |
-373.99 |
0.01 |
0.00 |
| 0.23 |
-374.06 |
0.00 |
0.00 |
|
| 0.45 |
-374.14 |
-0.00 |
0.00 |
|
| 0.68 |
-374.22 |
-0.00 |
0.00 |
|
| 0.90 |
-374.30 |
-0.01 |
-0.00 |
|
| 158 |
0.00 |
49.14 |
0.08 |
-0.00 |
| 0.22 |
49.17 |
0.04 |
0.01 |
|
| 0.44 |
49.20 |
0.00 |
0.02 |
|
| 0.66 |
49.22 |
-0.04 |
0.01 |
|
| 0.88 |
49.25 |
-0.08 |
0.00 |
|
| 159 |
0.00 |
215.46 |
-0.62 |
0.00 |
| 0.23 |
215.38 |
-0.31 |
-0.10 |
|
| 0.45 |
215.30 |
-0.00 |
-0.14 |
|
| 0.68 |
215.22 |
0.31 |
-0.10 |
|
| 0.90 |
215.14 |
0.62 |
-0.00 |
|
| 160 |
0.00 |
-44.65 |
-0.08 |
-0.00 |
| 0.21 |
-44.63 |
-0.04 |
-0.01 |
|
| 0.41 |
-44.60 |
0.00 |
-0.02 |
|
| 0.62 |
-44.58 |
0.04 |
-0.01 |
|
| 0.82 |
-44.56 |
0.08 |
0.00 |
|
| 161 |
0.00 |
-324.89 |
0.01 |
-0.00 |
| 0.23 |
-324.96 |
0.00 |
0.00 |
|
| 0.45 |
-325.04 |
0.00 |
0.00 |
|
| 0.68 |
-325.12 |
-0.00 |
0.00 |
|
| 0.90 |
-325.20 |
-0.01 |
0.00 |
|
| 162 |
0.00 |
50.13 |
0.07 |
0.00 |
| 0.21 |
50.15 |
0.04 |
0.01 |
|
| 0.42 |
50.18 |
-0.00 |
0.01 |
|
| 0.63 |
50.21 |
-0.04 |
0.01 |
|
| 0.84 |
50.23 |
-0.07 |
-0.00 |
|
| 163 |
0.00 |
163.29 |
-0.61 |
-0.00 |
| 0.22 |
163.22 |
-0.30 |
-0.10 |
|
| 0.44 |
163.14 |
0.00 |
-0.14 |
|
| 0.67 |
163.06 |
0.30 |
-0.10 |
|
| 0.89 |
162.99 |
0.61 |
0.00 |
|
| 164 |
0.00 |
-53.65 |
-0.07 |
0.00 |
| 0.19 |
-53.63 |
-0.04 |
-0.01 |
|
| 0.39 |
-53.61 |
-0.00 |
-0.01 |
|
| 0.58 |
-53.59 |
0.04 |
-0.01 |
|
| 0.78 |
-53.57 |
0.07 |
-0.00 |
|
| 165 |
0.00 |
-268.15 |
0.01 |
-0.00 |
| 0.23 |
-268.23 |
0.00 |
0.00 |
|
| 0.45 |
-268.31 |
0.00 |
0.00 |
|
| 0.68 |
-268.39 |
-0.00 |
0.00 |
|
| 0.90 |
-268.47 |
-0.01 |
0.00 |
|
| 166 |
0.00 |
61.14 |
0.07 |
-0.00 |
| 0.20 |
61.17 |
0.03 |
0.01 |
|
| 0.41 |
61.20 |
0.00 |
0.01 |
|
| 0.61 |
61.22 |
-0.03 |
0.01 |
|
| 0.81 |
61.25 |
-0.07 |
0.00 |
|
| 167 |
0.00 |
97.34 |
-0.62 |
-0.00 |
| 0.23 |
97.27 |
-0.31 |
-0.11 |
|
| 0.45 |
97.19 |
0.00 |
-0.14 |
|
| 0.68 |
97.11 |
0.31 |
-0.11 |
|
| 0.91 |
97.03 |
0.62 |
0.00 |
|
| 168 |
0.00 |
-60.08 |
-0.07 |
-0.00 |
| 0.19 |
-60.06 |
-0.03 |
-0.01 |
|
| 0.37 |
-60.04 |
0.00 |
-0.01 |
|
| 0.56 |
-60.02 |
0.03 |
-0.01 |
|
| 0.75 |
-59.99 |
0.07 |
0.00 |
|
| 169 |
0.00 |
-197.87 |
0.01 |
-0.00 |
| 0.23 |
-197.95 |
0.00 |
0.00 |
|
| 0.45 |
-198.03 |
0.00 |
0.00 |
|
| 0.68 |
-198.11 |
-0.00 |
0.00 |
|
| 0.90 |
-198.18 |
-0.01 |
0.00 |
|
| 170 |
0.00 |
68.01 |
0.06 |
0.00 |
| 0.19 |
68.03 |
0.03 |
0.01 |
|
| 0.39 |
68.06 |
-0.00 |
0.01 |
|
| 0.58 |
68.09 |
-0.03 |
0.01 |
|
| 0.77 |
68.11 |
-0.06 |
-0.00 |
|
| 171 |
0.00 |
20.69 |
-0.62 |
0.00 |
| 0.23 |
20.61 |
-0.31 |
-0.10 |
|
| 0.45 |
20.53 |
-0.00 |
-0.14 |
|
| 0.68 |
20.45 |
0.31 |
-0.10 |
|
| 0.90 |
20.37 |
0.62 |
-0.00 |
|
| 172 |
0.00 |
-67.06 |
-0.06 |
0.00 |
| 0.18 |
-67.04 |
-0.03 |
-0.01 |
|
| 0.36 |
-67.02 |
-0.00 |
-0.01 |
|
| 0.53 |
-67.00 |
0.03 |
-0.01 |
|
| 0.71 |
-66.97 |
0.06 |
-0.00 |
|
| 173 |
0.00 |
-116.66 |
0.01 |
0.00 |
| 0.22 |
-116.74 |
0.00 |
0.00 |
|
| 0.45 |
-116.82 |
-0.00 |
0.00 |
|
| 0.67 |
-116.89 |
-0.00 |
0.00 |
|
| 0.89 |
-116.97 |
-0.01 |
-0.00 |
|
| 174 |
0.00 |
75.88 |
0.06 |
-0.00 |
| 0.18 |
75.90 |
0.03 |
0.01 |
|
| 0.37 |
75.93 |
0.00 |
0.01 |
|
| 0.55 |
75.96 |
-0.03 |
0.01 |
|
| 0.74 |
75.98 |
-0.06 |
0.00 |
|
| 175 |
0.00 |
-67.90 |
-0.61 |
0.00 |
| 0.22 |
-67.97 |
-0.30 |
-0.10 |
|
| 0.45 |
-68.05 |
-0.00 |
-0.14 |
|
| 0.67 |
-68.13 |
0.30 |
-0.10 |
|
| 0.89 |
-68.21 |
0.61 |
-0.00 |
|
| 176 |
0.00 |
-75.40 |
-0.06 |
-0.00 |
| 0.17 |
-75.38 |
-0.03 |
-0.01 |
|
| 0.34 |
-75.36 |
0.00 |
-0.01 |
|
| 0.51 |
-75.34 |
0.03 |
-0.01 |
|
| 0.68 |
-75.32 |
0.06 |
0.00 |
|
| 177 |
0.00 |
-22.18 |
0.01 |
-0.00 |
| 0.23 |
-22.26 |
0.00 |
0.00 |
|
| 0.45 |
-22.34 |
0.00 |
0.00 |
|
| 0.68 |
-22.42 |
-0.00 |
0.00 |
|
| 0.90 |
-22.50 |
-0.01 |
0.00 |
|
| 178 |
0.00 |
87.13 |
0.05 |
0.00 |
| 0.18 |
87.16 |
0.03 |
0.01 |
|
| 0.36 |
87.18 |
-0.00 |
0.01 |
|
| 0.54 |
87.21 |
-0.03 |
0.01 |
|
| 0.71 |
87.23 |
-0.05 |
-0.00 |
|
| 179 |
0.00 |
-173.71 |
-0.70 |
-0.00 |
| 0.25 |
-173.80 |
-0.35 |
-0.13 |
|
| 0.51 |
-173.89 |
0.00 |
-0.18 |
|
| 0.76 |
-173.98 |
0.35 |
-0.13 |
|
| 1.02 |
-174.07 |
0.70 |
0.00 |
|
| 180 |
0.00 |
-99.02 |
-0.05 |
0.00 |
| 0.18 |
-98.99 |
-0.03 |
-0.01 |
|
| 0.36 |
-98.97 |
-0.00 |
-0.01 |
|
| 0.55 |
-98.94 |
0.03 |
-0.01 |
|
| 0.73 |
-98.91 |
0.05 |
-0.00 |
|
| 181 |
0.00 |
109.22 |
0.01 |
0.00 |
| 0.23 |
109.15 |
0.00 |
0.00 |
|
| 0.45 |
109.07 |
-0.00 |
0.00 |
|
| 0.68 |
108.99 |
-0.00 |
0.00 |
|
| 0.90 |
108.91 |
-0.01 |
-0.00 |
|
| 182 |
0.00 |
91.55 |
0.05 |
-0.00 |
| 0.15 |
91.57 |
0.02 |
0.01 |
|
| 0.30 |
91.59 |
0.00 |
0.01 |
|
| 0.45 |
91.61 |
-0.02 |
0.01 |
|
| 0.60 |
91.63 |
-0.05 |
0.00 |
|
| 183 |
0.00 |
-303.20 |
-0.62 |
0.00 |
| 0.23 |
-303.27 |
-0.31 |
-0.11 |
|
| 0.46 |
-303.35 |
-0.00 |
-0.14 |
|
| 0.68 |
-303.43 |
0.31 |
-0.11 |
|
| 0.91 |
-303.51 |
0.62 |
-0.00 |
|
| 184 |
0.00 |
-114.66 |
-0.05 |
-0.00 |
| 0.18 |
-114.63 |
-0.02 |
-0.01 |
|
| 0.35 |
-114.61 |
0.00 |
-0.01 |
|
| 0.53 |
-114.58 |
0.02 |
-0.01 |
|
| 0.70 |
-114.55 |
0.05 |
0.00 |
|
| 185 |
0.00 |
253.72 |
0.01 |
0.00 |
| 0.24 |
253.64 |
0.00 |
0.00 |
|
| 0.48 |
253.55 |
-0.00 |
0.00 |
|
| 0.72 |
253.47 |
-0.00 |
0.00 |
|
| 0.96 |
253.38 |
-0.01 |
-0.00 |
|
| 186 |
0.00 |
108.78 |
0.04 |
0.00 |
| 0.15 |
108.80 |
0.02 |
0.00 |
|
| 0.30 |
108.82 |
-0.00 |
0.01 |
|
| 0.45 |
108.84 |
-0.02 |
0.00 |
|
| 0.60 |
108.87 |
-0.04 |
-0.00 |
|
| 187 |
0.00 |
-468.05 |
-0.29 |
0.00 |
| 0.11 |
-468.09 |
-0.15 |
-0.02 |
|
| 0.22 |
-468.13 |
-0.00 |
-0.03 |
|
| 0.32 |
-468.16 |
0.15 |
-0.02 |
|
| 0.43 |
-468.20 |
0.29 |
-0.00 |
Таблица А2 – Усилия в элементах рамы при статическом расчете на второе сочетание
| Номер элемента |
Расстояние, [м] |
N, [кН] |
Q, [кН] |
M, [кНм] |
| 1 |
0.00 |
-409.37 |
0.00 |
-0.00 |
| 0.11 |
-409.33 |
0.00 |
-0.00 |
|
| 0.22 |
-409.30 |
0.00 |
0.00 |
|
| 0.32 |
-409.26 |
0.00 |
0.00 |
|
| 0.43 |
-409.22 |
0.00 |
0.00 |
|
| 2 |
0.00 |
96.29 |
-0.04 |
0.00 |
| 0.15 |
96.32 |
-0.02 |
-0.00 |
|
| 0.30 |
96.34 |
-0.00 |
-0.01 |
|
| 0.45 |
96.36 |
0.02 |
-0.00 |
|
| 0.60 |
96.38 |
0.04 |
-0.00 |
|
| 3 |
0.00 |
188.24 |
0.01 |
0.00 |
| 0.24 |
188.32 |
0.00 |
0.00 |
|
| 0.48 |
188.40 |
-0.00 |
0.00 |
|
| 0.72 |
188.49 |
-0.00 |
0.00 |
|
| 0.96 |
188.57 |
-0.01 |
-0.00 |
|
| 4 |
0.00 |
-102.64 |
-0.05 |
0.00 |
| 0.18 |
-102.67 |
-0.02 |
-0.01 |
|
| 0.35 |
-102.70 |
-0.00 |
-0.01 |
|
| 0.53 |
-102.73 |
0.02 |
-0.01 |
|
| 0.70 |
-102.75 |
0.05 |
-0.00 |
|
| 5 |
0.00 |
-262.61 |
0.00 |
-0.00 |
| 0.23 |
-262.53 |
0.00 |
-0.00 |
|
| 0.46 |
-262.45 |
0.00 |
0.00 |
|
| 0.68 |
-262.37 |
0.00 |
0.00 |
|
| 0.91 |
-262.29 |
0.00 |
0.00 |
|
| 6 |
0.00 |
81.45 |
0.05 |
-0.00 |
| 0.15 |
81.43 |
0.02 |
0.01 |
|
| 0.30 |
81.41 |
0.00 |
0.01 |
|
| 0.45 |
81.39 |
-0.02 |
0.01 |
|
| 0.60 |
81.37 |
-0.05 |
0.00 |
|
| 7 |
0.00 |
59.23 |
0.01 |
-0.00 |
| 0.23 |
59.31 |
0.00 |
0.00 |
|
| 0.45 |
59.38 |
0.00 |
0.00 |
|
| 0.68 |
59.46 |
-0.00 |
0.00 |
|
| 0.90 |
59.54 |
-0.01 |
0.00 |
|
| 8 |
0.00 |
-89.58 |
-0.05 |
0.00 |
| 0.18 |
-89.61 |
-0.03 |
-0.01 |
|
| 0.36 |
-89.64 |
-0.00 |
-0.01 |
|
| 0.55 |
-89.67 |
0.03 |
-0.01 |
|
| 0.73 |
-89.69 |
0.05 |
-0.00 |
|
| 9 |
0.00 |
-146.30 |
-0.00 |
0.00 |
| 0.25 |
-146.21 |
-0.00 |
0.00 |
|
| 0.51 |
-146.13 |
-0.00 |
0.00 |
|
| 0.76 |
-146.04 |
-0.00 |
-0.00 |
|
| 1.02 |
-145.95 |
-0.00 |
-0.00 |
|
| 10 |
0.00 |
79.61 |
0.05 |
0.00 |
| 0.18 |
79.58 |
0.03 |
0.01 |
|
| 0.36 |
79.56 |
-0.00 |
0.01 |
|
| 0.54 |
79.53 |
-0.03 |
0.01 |
|
| 0.71 |
79.50 |
-0.05 |
-0.00 |
|
| 11 |
0.00 |
-60.15 |
0.01 |
0.00 |
| 0.23 |
-60.07 |
0.00 |
0.00 |
|
| 0.45 |
-59.99 |
-0.00 |
0.00 |
|
| 0.68 |
-59.91 |
-0.00 |
0.00 |
|
| 0.90 |
-59.84 |
-0.01 |
-0.00 |
|
| 12 |
0.00 |
-70.20 |
-0.06 |
-0.00 |
| 0.17 |
-70.22 |
-0.03 |
-0.01 |
|
| 0.34 |
-70.24 |
0.00 |
-0.01 |
|
| 0.51 |
-70.26 |
0.03 |
-0.01 |
|
| 0.68 |
-70.29 |
0.06 |
0.00 |
|
| 13 |
0.00 |
-48.79 |
0.00 |
-0.00 |
| 0.22 |
-48.72 |
0.00 |
-0.00 |
|
| 0.45 |
-48.64 |
0.00 |
0.00 |
|
| 0.67 |
-48.56 |
0.00 |
0.00 |
|
| 0.89 |
-48.48 |
0.00 |
0.00 |
|
| 14 |
0.00 |
70.80 |
0.06 |
-0.00 |
| 0.18 |
70.78 |
0.03 |
0.01 |
|
| 0.37 |
70.75 |
0.00 |
0.01 |
|
| 0.55 |
70.73 |
-0.03 |
0.01 |
|
| 0.74 |
70.70 |
-0.06 |
0.00 |
|
| 15 |
0.00 |
-148.16 |
0.01 |
-0.00 |
| 0.22 |
-148.08 |
0.00 |
0.00 |
|
| 0.45 |
-148.00 |
0.00 |
0.00 |
|
| 0.67 |
-147.92 |
-0.00 |
0.00 |
|
| 0.89 |
-147.85 |
-0.01 |
0.00 |
|
| 16 |
0.00 |
-63.78 |
-0.06 |
-0.00 |
| 0.18 |
-63.80 |
-0.03 |
-0.01 |
|
| 0.36 |
-63.82 |
0.00 |
-0.01 |
|
| 0.53 |
-63.84 |
0.03 |
-0.01 |
|
| 0.71 |
-63.87 |
0.06 |
0.00 |
|
| 17 |
0.00 |
34.55 |
0.00 |
-0.00 |
| 0.23 |
34.63 |
0.00 |
-0.00 |
|
| 0.45 |
34.71 |
0.00 |
0.00 |
|
| 0.68 |
34.78 |
0.00 |
0.00 |
|
| 0.90 |
34.86 |
0.00 |
0.00 |
|
| 18 |
0.00 |
64.89 |
0.06 |
0.00 |
| 0.19 |
64.87 |
0.03 |
0.01 |
|
| 0.39 |
64.84 |
-0.00 |
0.01 |
|
| 0.58 |
64.81 |
-0.03 |
0.01 |
|
| 0.77 |
64.79 |
-0.06 |
-0.00 |
|
| 19 |
0.00 |
-225.50 |
0.01 |
-0.00 |
| 0.23 |
-225.42 |
0.00 |
0.00 |
|
| 0.45 |
-225.34 |
0.00 |
0.00 |
|
| 0.68 |
-225.26 |
-0.00 |
0.00 |
|
| 0.90 |
-225.19 |
-0.01 |
0.00 |
|
| 20 |
0.00 |
-58.55 |
-0.07 |
-0.00 |
| 0.19 |
-58.57 |
-0.03 |
-0.01 |
|
| 0.37 |
-58.60 |
0.00 |
-0.01 |
|
| 0.56 |
-58.62 |
0.03 |
-0.01 |
|
| 0.75 |
-58.64 |
0.07 |
0.00 |
|
| 21 |
0.00 |
108.35 |
-0.00 |
0.00 |
| 0.23 |
108.43 |
-0.00 |
0.00 |
|
| 0.45 |
108.51 |
-0.00 |
0.00 |
|
| 0.68 |
108.59 |
-0.00 |
-0.00 |
|
| 0.91 |
108.67 |
-0.00 |
-0.00 |
|
| 22 |
0.00 |
59.78 |
0.07 |
0.00 |
| 0.20 |
59.75 |
0.03 |
0.01 |
|
| 0.41 |
59.73 |
-0.00 |
0.01 |
|
| 0.61 |
59.70 |
-0.03 |
0.01 |
|
| 0.81 |
59.67 |
-0.07 |
-0.00 |
|
| 23 |
0.00 |
-294.08 |
0.01 |
0.00 |
| 0.23 |
-294.00 |
0.00 |
0.00 |
|
| 0.45 |
-293.92 |
-0.00 |
0.00 |
|
| 0.68 |
-293.84 |
-0.00 |
0.00 |
|
| 0.90 |
-293.76 |
-0.01 |
-0.00 |
|
| 24 |
0.00 |
-53.67 |
-0.07 |
0.00 |
| 0.19 |
-53.69 |
-0.04 |
-0.01 |
|
| 0.39 |
-53.71 |
-0.00 |
-0.01 |
|
| 0.58 |
-53.73 |
0.04 |
-0.01 |
|
| 0.78 |
-53.75 |
0.07 |
-0.00 |
|
| 25 |
0.00 |
173.43 |
-0.00 |
0.00 |
| 0.22 |
173.51 |
-0.00 |
0.00 |
|
| 0.44 |
173.59 |
-0.00 |
0.00 |
|
| 0.67 |
173.67 |
-0.00 |
-0.00 |
|
| 0.89 |
173.74 |
-0.00 |
-0.00 |
|
| 26 |
0.00 |
50.00 |
0.07 |
-0.00 |
| 0.21 |
49.97 |
0.04 |
0.01 |
|
| 0.42 |
49.94 |
0.00 |
0.01 |
|
| 0.63 |
49.92 |
-0.04 |
0.01 |
|
| 0.84 |
49.89 |
-0.07 |
0.00 |
|
| 27 |
0.00 |
-350.73 |
0.01 |
-0.00 |
| 0.23 |
-350.66 |
0.00 |
0.00 |
|
| 0.45 |
-350.58 |
0.00 |
0.00 |
|
| 0.68 |
-350.50 |
-0.00 |
0.00 |
|
| 0.90 |
-350.42 |
-0.01 |
0.00 |
|
| 28 |
0.00 |
-45.75 |
-0.08 |
0.00 |
| 0.21 |
-45.77 |
-0.04 |
-0.01 |
|
| 0.41 |
-45.79 |
-0.00 |
-0.02 |
|
| 0.62 |
-45.81 |
0.04 |
-0.01 |
|
| 0.82 |
-45.83 |
0.08 |
-0.00 |
|
| 29 |
0.00 |
226.02 |
0.00 |
-0.00 |
| 0.23 |
226.10 |
0.00 |
-0.00 |
|
| 0.45 |
226.18 |
0.00 |
0.00 |
|
| 0.68 |
226.26 |
0.00 |
0.00 |
|
| 0.90 |
226.34 |
0.00 |
0.00 |
|
| 30 |
0.00 |
50.78 |
0.08 |
0.00 |
| 0.22 |
50.75 |
0.04 |
0.01 |
|
| 0.44 |
50.72 |
-0.00 |
0.02 |
|
| 0.66 |
50.70 |
-0.04 |
0.01 |
|
| 0.88 |
50.67 |
-0.08 |
-0.00 |
|
| 31 |
0.00 |
-401.27 |
0.01 |
0.00 |
| 0.23 |
-401.19 |
0.00 |
0.00 |
|
| 0.45 |
-401.11 |
-0.00 |
0.00 |
|
| 0.68 |
-401.03 |
-0.00 |
0.00 |
|
| 0.90 |
-400.95 |
-0.01 |
-0.00 |
|
| 32 |
0.00 |
-47.04 |
-0.08 |
0.00 |
| 0.21 |
-47.06 |
-0.04 |
-0.01 |
|
| 0.43 |
-47.08 |
-0.00 |
-0.02 |
|
| 0.64 |
-47.10 |
0.04 |
-0.01 |
|
| 0.86 |
-47.12 |
0.08 |
-0.00 |
|
| 33 |
0.00 |
277.38 |
-0.00 |
0.00 |
| 0.23 |
277.46 |
-0.00 |
0.00 |
|
| 0.45 |
277.54 |
-0.00 |
0.00 |
|
| 0.68 |
277.62 |
-0.00 |
-0.00 |
|
| 0.90 |
277.69 |
-0.00 |
-0.00 |
|
| 34 |
0.00 |
47.40 |
0.08 |
-0.00 |
| 0.23 |
47.37 |
0.04 |
0.01 |
|
| 0.45 |
47.35 |
0.00 |
0.02 |
|
| 0.68 |
47.32 |
-0.04 |
0.01 |
|
| 0.91 |
47.29 |
-0.08 |
0.00 |
|
| 35 |
0.00 |
-448.76 |
0.01 |
-0.00 |
| 0.23 |
-448.69 |
0.00 |
0.00 |
|
| 0.45 |
-448.61 |
0.00 |
0.00 |
|
| 0.68 |
-448.53 |
-0.00 |
0.00 |
|
| 0.90 |
-448.45 |
-0.01 |
0.00 |
|
| 36 |
0.00 |
-44.18 |
-0.08 |
-0.00 |
| 0.22 |
-44.20 |
-0.04 |
-0.01 |
|
| 0.45 |
-44.22 |
0.00 |
-0.02 |
|
| 0.67 |
-44.24 |
0.04 |
-0.01 |
|
| 0.89 |
-44.26 |
0.08 |
0.00 |
|
| 37 |
0.00 |
323.68 |
0.00 |
-0.00 |
| 0.23 |
323.76 |
0.00 |
-0.00 |
|
| 0.45 |
323.84 |
0.00 |
-0.00 |
|
| 0.68 |
323.92 |
0.00 |
0.00 |
|
| 0.91 |
324.00 |
0.00 |
0.00 |
|
| 38 |
0.00 |
-481.70 |
0.08 |
0.00 |
| 0.24 |
-481.73 |
0.04 |
0.02 |
|
| 0.47 |
-481.76 |
-0.00 |
0.02 |
|
| 0.71 |
-481.78 |
-0.04 |
0.02 |
|
| 0.95 |
-481.81 |
-0.08 |
-0.00 |
|
| 39 |
0.00 |
411.36 |
6.84 |
0.00 |
| 0.31 |
411.97 |
3.42 |
1.62 |
|
| 0.63 |
412.57 |
-0.00 |
2.15 |
|
| 0.94 |
413.18 |
-3.42 |
1.62 |
|
| 1.26 |
413.79 |
-6.84 |
-0.00 |
|
| 40 |
0.00 |
-120.75 |
-0.05 |
0.00 |
| 0.21 |
-120.79 |
-0.02 |
-0.01 |
|
| 0.43 |
-120.83 |
-0.00 |
-0.01 |
|
| 0.64 |
-120.87 |
0.02 |
-0.01 |
|
| 0.85 |
-120.91 |
0.05 |
-0.00 |
|
| 41 |
0.00 |
-416.79 |
0.17 |
0.00 |
| 0.26 |
-416.76 |
0.09 |
0.03 |
|
| 0.52 |
-416.74 |
-0.00 |
0.04 |
|
| 0.77 |
-416.72 |
-0.09 |
0.03 |
|
| 1.03 |
-416.70 |
-0.17 |
-0.00 |
|
| 42 |
0.00 |
103.05 |
-0.06 |
0.00 |
| 0.18 |
103.08 |
-0.03 |
-0.01 |
|
| 0.37 |
103.10 |
-0.00 |
-0.01 |
|
| 0.55 |
103.13 |
0.03 |
-0.01 |
|
| 0.73 |
103.15 |
0.06 |
-0.00 |
|
| 43 |
0.00 |
268.15 |
4.69 |
-0.00 |
| 0.22 |
268.57 |
2.34 |
0.76 |
|
| 0.43 |
268.98 |
0.00 |
1.01 |
|
| 0.65 |
269.39 |
-2.34 |
0.76 |
|
| 0.86 |
269.81 |
-4.69 |
0.00 |
|
| 44 |
0.00 |
-102.19 |
-0.03 |
-0.00 |
| 0.17 |
-102.22 |
-0.02 |
-0.00 |
|
| 0.34 |
-102.25 |
0.00 |
-0.01 |
|
| 0.51 |
-102.29 |
0.02 |
-0.00 |
|
| 0.68 |
-102.32 |
0.03 |
0.00 |
|
| 45 |
0.00 |
-291.71 |
0.13 |
-0.00 |
| 0.19 |
-291.69 |
0.06 |
0.02 |
|
| 0.37 |
-291.67 |
0.00 |
0.02 |
|
| 0.56 |
-291.66 |
-0.06 |
0.02 |
|
| 0.75 |
-291.64 |
-0.13 |
0.00 |
|
| 46 |
0.00 |
93.15 |
-0.05 |
0.00 |
| 0.15 |
93.17 |
-0.02 |
-0.01 |
|
| 0.30 |
93.20 |
-0.00 |
-0.01 |
|
| 0.45 |
93.22 |
0.02 |
-0.01 |
|
| 0.60 |
93.24 |
0.05 |
-0.00 |
|
| 47 |
0.00 |
156.69 |
4.47 |
0.00 |
| 0.21 |
157.11 |
2.23 |
0.69 |
|
| 0.41 |
157.52 |
-0.00 |
0.92 |
|
| 0.62 |
157.94 |
-2.23 |
0.69 |
|
| 0.82 |
158.35 |
-4.47 |
-0.00 |
|
| 48 |
0.00 |
-128.57 |
-0.04 |
0.00 |
| 0.17 |
-128.60 |
-0.02 |
-0.01 |
|
| 0.34 |
-128.63 |
-0.00 |
-0.01 |
|
| 0.51 |
-128.66 |
0.02 |
-0.01 |
|
| 0.69 |
-128.69 |
0.04 |
-0.00 |
|
| 49 |
0.00 |
-147.46 |
0.14 |
0.00 |
| 0.21 |
-147.44 |
0.07 |
0.02 |
|
| 0.41 |
-147.42 |
-0.00 |
0.03 |
|
| 0.62 |
-147.41 |
-0.07 |
0.02 |
|
| 0.82 |
-147.39 |
-0.14 |
-0.00 |
|
| 50 |
0.00 |
106.85 |
-0.04 |
-0.00 |
| 0.14 |
106.87 |
-0.02 |
-0.00 |
|
| 0.28 |
106.89 |
0.00 |
-0.01 |
|
| 0.42 |
106.91 |
0.02 |
-0.00 |
|
| 0.56 |
106.93 |
0.04 |
0.00 |
|
| 51 |
0.00 |
2.79 |
3.53 |
-0.00 |
| 0.16 |
3.09 |
1.77 |
0.43 |
|
| 0.32 |
3.39 |
0.00 |
0.57 |
|
| 0.49 |
3.70 |
-1.76 |
0.43 |
|
| 0.65 |
4.00 |
-3.53 |
0.00 |
|
| 52 |
0.00 |
-111.01 |
-0.02 |
-0.00 |
| 0.13 |
-111.04 |
-0.01 |
-0.00 |
|
| 0.26 |
-111.07 |
0.00 |
-0.00 |
|
| 0.40 |
-111.09 |
0.01 |
-0.00 |
|
| 0.53 |
-111.12 |
0.02 |
0.00 |
|
| 53 |
0.00 |
-17.31 |
0.05 |
-0.00 |
| 0.08 |
-17.31 |
0.03 |
0.00 |
|
| 0.15 |
-17.30 |
0.00 |
0.00 |
|
| 0.23 |
-17.29 |
-0.02 |
0.00 |
|
| 0.30 |
-17.28 |
-0.05 |
0.00 |
|
| 54 |
0.00 |
-3.97 |
-0.01 |
0.00 |
| 0.10 |
-3.95 |
-0.00 |
-0.00 |
|
| 0.20 |
-3.93 |
-0.00 |
-0.00 |
|
| 0.30 |
-3.91 |
0.00 |
-0.00 |
|
| 0.40 |
-3.89 |
0.01 |
-0.00 |
|
| 55 |
0.00 |
-121.63 |
3.53 |
-0.00 |
| 0.16 |
-121.30 |
1.77 |
0.43 |
|
| 0.33 |
-120.97 |
0.00 |
0.57 |
|
| 0.49 |
-120.64 |
-1.77 |
0.43 |
|
| 0.65 |
-120.31 |
-3.53 |
0.00 |
|
| 56 |
0.00 |
-94.47 |
-0.03 |
-0.00 |
| 0.14 |
-94.50 |
-0.01 |
-0.00 |
|
| 0.28 |
-94.52 |
0.00 |
-0.00 |
|
| 0.42 |
-94.55 |
0.01 |
-0.00 |
|
| 0.55 |
-94.58 |
0.03 |
0.00 |
|
| 57 |
0.00 |
-17.27 |
-0.05 |
0.00 |
| 0.08 |
-17.27 |
-0.03 |
-0.00 |
|
| 0.16 |
-17.28 |
-0.00 |
-0.00 |
|
| 0.23 |
-17.28 |
0.03 |
-0.00 |
|
| 0.31 |
-17.28 |
0.05 |
-0.00 |
|
| 58 |
0.00 |
107.04 |
0.04 |
-0.00 |
| 0.13 |
107.02 |
0.02 |
0.00 |
|
| 0.27 |
107.00 |
0.00 |
0.01 |
|
| 0.40 |
106.98 |
-0.02 |
0.00 |
|
| 0.53 |
106.96 |
-0.04 |
0.00 |
|
| 59 |
0.00 |
104.04 |
0.16 |
0.00 |
| 0.23 |
104.04 |
0.08 |
0.03 |
|
| 0.45 |
104.05 |
-0.00 |
0.04 |
|
| 0.68 |
104.06 |
-0.08 |
0.03 |
|
| 0.90 |
104.06 |
-0.16 |
-0.00 |
|
| 60 |
0.00 |
100.63 |
-0.07 |
0.00 |
| 0.19 |
100.65 |
-0.03 |
-0.01 |
|
| 0.38 |
100.68 |
-0.00 |
-0.01 |
|
| 0.57 |
100.70 |
0.03 |
-0.01 |
|
| 0.77 |
100.72 |
0.07 |
-0.00 |
|
| 61 |
0.00 |
-251.73 |
4.52 |
0.00 |
| 0.21 |
-251.34 |
2.26 |
0.71 |
|
| 0.42 |
-250.96 |
-0.00 |
0.94 |
|
| 0.62 |
-250.57 |
-2.26 |
0.71 |
|
| 0.83 |
-250.19 |
-4.52 |
-0.00 |
|
| 62 |
0.00 |
-66.01 |
-0.02 |
0.00 |
| 0.15 |
-66.04 |
-0.01 |
-0.00 |
|
| 0.29 |
-66.07 |
-0.00 |
-0.00 |
|
| 0.44 |
-66.10 |
0.01 |
-0.00 |
|
| 0.59 |
-66.13 |
0.02 |
-0.00 |
|
| 63 |
0.00 |
208.73 |
0.16 |
-0.00 |
| 0.23 |
208.74 |
0.08 |
0.03 |
|
| 0.45 |
208.75 |
0.00 |
0.04 |
|
| 0.68 |
208.75 |
-0.08 |
0.03 |
|
| 0.90 |
208.76 |
-0.16 |
0.00 |
|
| 64 |
0.00 |
62.03 |
-0.08 |
-0.00 |
| 0.22 |
62.06 |
-0.04 |
-0.01 |
|
| 0.44 |
62.08 |
0.00 |
-0.02 |
|
| 0.65 |
62.11 |
0.04 |
-0.01 |
|
| 0.87 |
62.13 |
0.08 |
0.00 |
|
| 65 |
0.00 |
-325.53 |
4.63 |
0.00 |
| 0.21 |
-325.09 |
2.32 |
0.74 |
|
| 0.43 |
-324.65 |
-0.00 |
0.99 |
|
| 0.64 |
-324.21 |
-2.32 |
0.74 |
|
| 0.86 |
-323.77 |
-4.63 |
-0.00 |
|
| 66 |
0.00 |
-39.59 |
-0.01 |
-0.00 |
| 0.17 |
-39.63 |
-0.01 |
-0.00 |
|
| 0.33 |
-39.66 |
0.00 |
-0.00 |
|
| 0.50 |
-39.70 |
0.01 |
-0.00 |
|
| 0.66 |
-39.73 |
0.01 |
0.00 |
|
| 67 |
0.00 |
267.44 |
0.16 |
0.00 |
| 0.23 |
267.45 |
0.08 |
0.03 |
|
| 0.45 |
267.45 |
-0.00 |
0.04 |
|
| 0.68 |
267.46 |
-0.08 |
0.03 |
|
| 0.90 |
267.47 |
-0.16 |
-0.00 |
|
| 68 |
0.00 |
44.96 |
-0.08 |
-0.00 |
| 0.24 |
44.99 |
-0.04 |
-0.01 |
|
| 0.49 |
45.02 |
0.00 |
-0.02 |
|
| 0.73 |
45.05 |
0.04 |
-0.01 |
|
| 0.97 |
45.08 |
0.08 |
0.00 |
|
| 69 |
0.00 |
-368.54 |
4.74 |
-0.00 |
| 0.22 |
-368.13 |
2.37 |
0.78 |
|
| 0.44 |
-367.71 |
0.00 |
1.04 |
|
| 0.65 |
-367.30 |
-2.37 |
0.78 |
|
| 0.87 |
-366.89 |
-4.74 |
0.00 |
|
| 70 |
0.00 |
-26.32 |
-0.01 |
-0.00 |
| 0.18 |
-26.36 |
-0.00 |
-0.00 |
|
| 0.37 |
-26.40 |
0.00 |
-0.00 |
|
| 0.55 |
-26.43 |
0.00 |
-0.00 |
|
| 0.73 |
-26.47 |
0.01 |
0.00 |
|
| 71 |
0.00 |
306.34 |
0.15 |
0.00 |
| 0.22 |
306.34 |
0.08 |
0.03 |
|
| 0.45 |
306.35 |
-0.00 |
0.03 |
|
| 0.67 |
306.35 |
-0.08 |
0.03 |
|
| 0.89 |
306.36 |
-0.15 |
-0.00 |
|
| 72 |
0.00 |
15.83 |
-0.09 |
0.00 |
| 0.26 |
15.87 |
-0.04 |
-0.02 |
|
| 0.53 |
15.90 |
-0.00 |
-0.02 |
|
| 0.79 |
15.94 |
0.04 |
-0.02 |
|
| 1.05 |
15.97 |
0.09 |
-0.00 |
|
| 73 |
0.00 |
-384.59 |
4.80 |
0.00 |
| 0.22 |
-384.15 |
2.40 |
0.80 |
|
| 0.44 |
-383.71 |
-0.00 |
1.06 |
|
| 0.66 |
-383.27 |
-2.40 |
0.80 |
|
| 0.88 |
-382.83 |
-4.80 |
-0.00 |
|
| 74 |
0.00 |
-13.77 |
-0.01 |
0.00 |
| 0.21 |
-13.82 |
-0.00 |
-0.00 |
|
| 0.42 |
-13.86 |
-0.00 |
-0.00 |
|
| 0.62 |
-13.90 |
0.00 |
-0.00 |
|
| 0.83 |
-13.95 |
0.01 |
-0.00 |
|
| 75 |
0.00 |
319.85 |
0.16 |
-0.00 |
| 0.23 |
319.86 |
0.08 |
0.03 |
|
| 0.45 |
319.86 |
0.00 |
0.04 |
|
| 0.68 |
319.87 |
-0.08 |
0.03 |
|
| 0.90 |
319.88 |
-0.16 |
0.00 |
|
| 76 |
0.00 |
8.16 |
-0.09 |
-0.00 |
| 0.28 |
8.20 |
-0.04 |
-0.02 |
|
| 0.57 |
8.24 |
0.00 |
-0.03 |
|
| 0.85 |
8.28 |
0.04 |
-0.02 |
|
| 1.13 |
8.32 |
0.09 |
0.00 |
|
| 77 |
0.00 |
-391.25 |
4.69 |
-0.00 |
| 0.22 |
-390.84 |
2.34 |
0.76 |
|
| 0.43 |
-390.43 |
0.00 |
1.01 |
|
| 0.65 |
-390.01 |
-2.34 |
0.76 |
|
| 0.86 |
-389.60 |
-4.69 |
0.00 |
|
| 78 |
0.00 |
-5.38 |
-0.00 |
-0.00 |
| 0.23 |
-5.43 |
-0.00 |
-0.00 |
|
| 0.46 |
-5.48 |
0.00 |
-0.00 |
|
| 0.68 |
-5.53 |
0.00 |
-0.00 |
|
| 0.91 |
-5.57 |
0.00 |
0.00 |
|
| 79 |
0.00 |
326.04 |
0.16 |
0.00 |
| 0.23 |
326.05 |
0.08 |
0.03 |
|
| 0.45 |
326.06 |
-0.00 |
0.04 |
|
| 0.68 |
326.06 |
-0.08 |
0.03 |
|
| 0.90 |
326.07 |
-0.16 |
-0.00 |
|
| 80 |
0.00 |
-11.43 |
-0.09 |
0.00 |
| 0.31 |
-11.39 |
-0.05 |
-0.02 |
|
| 0.61 |
-11.35 |
-0.00 |
-0.03 |
|
| 0.92 |
-11.30 |
0.05 |
-0.02 |
|
| 1.22 |
-11.26 |
0.09 |
-0.00 |
|
| 81 |
0.00 |
-383.89 |
4.96 |
-0.00 |
| 0.23 |
-383.42 |
2.48 |
0.85 |
|
| 0.46 |
-382.95 |
0.00 |
1.14 |
|
| 0.69 |
-382.48 |
-2.48 |
0.85 |
|
| 0.92 |
-382.01 |
-4.96 |
0.00 |
|
| 82 |
0.00 |
9.09 |
-0.00 |
0.00 |
| 0.25 |
9.04 |
-0.00 |
-0.00 |
|
| 0.51 |
8.99 |
-0.00 |
-0.00 |
|
| 0.76 |
8.93 |
0.00 |
-0.00 |
|
| 1.01 |
8.88 |
0.00 |
-0.00 |
|
| 83 |
0.00 |
317.68 |
0.16 |
-0.00 |
| 0.23 |
317.68 |
0.08 |
0.03 |
|
| 0.45 |
317.69 |
0.00 |
0.04 |
|
| 0.68 |
317.70 |
-0.08 |
0.03 |
|
| 0.90 |
317.70 |
-0.16 |
0.00 |
|
| 84 |
0.00 |
-17.93 |
-0.09 |
0.00 |
| 0.32 |
-17.88 |
-0.05 |
-0.02 |
|
| 0.65 |
-17.83 |
-0.00 |
-0.03 |
|
| 0.97 |
-17.78 |
0.05 |
-0.02 |
|
| 1.29 |
-17.73 |
0.09 |
-0.00 |
|
| 85 |
0.00 |
-370.54 |
4.96 |
0.00 |
| 0.23 |
-370.09 |
2.48 |
0.85 |
|
| 0.46 |
-369.65 |
-0.00 |
1.13 |
|
| 0.69 |
-369.21 |
-2.48 |
0.85 |
|
| 0.91 |
-368.77 |
-4.96 |
-0.00 |
|
| 86 |
0.00 |
14.33 |
-0.00 |
0.00 |
| 0.28 |
14.27 |
-0.00 |
-0.00 |
|
| 0.55 |
14.21 |
-0.00 |
-0.00 |
|
| 0.83 |
14.15 |
0.00 |
-0.00 |
|
| 1.10 |
14.09 |
0.00 |
-0.00 |
|
| 87 |
0.00 |
305.27 |
0.15 |
0.00 |
| 0.22 |
305.28 |
0.08 |
0.03 |
|
| 0.45 |
305.29 |
-0.00 |
0.03 |
|
| 0.67 |
305.29 |
-0.08 |
0.03 |
|
| 0.89 |
305.30 |
-0.15 |
-0.00 |
|
| 88 |
0.00 |
-28.84 |
-0.09 |
-0.00 |
| 0.34 |
-28.79 |
-0.05 |
-0.02 |
|
| 0.68 |
-28.73 |
0.00 |
-0.03 |
|
| 1.02 |
-28.68 |
0.05 |
-0.02 |
|
| 1.35 |
-28.63 |
0.09 |
0.00 |
|
| 89 |
0.00 |
-351.57 |
4.91 |
-0.00 |
| 0.23 |
-351.13 |
2.45 |
0.83 |
|
| 0.45 |
-350.69 |
0.00 |
1.11 |
|
| 0.68 |
-350.24 |
-2.45 |
0.83 |
|
| 0.90 |
-349.80 |
-4.91 |
0.00 |
|
| 90 |
0.00 |
27.46 |
-0.00 |
-0.00 |
| 0.30 |
27.40 |
-0.00 |
-0.00 |
|
| 0.60 |
27.33 |
0.00 |
-0.00 |
|
| 0.89 |
27.27 |
0.00 |
-0.00 |
|
| 1.19 |
27.21 |
0.00 |
0.00 |
|
| 91 |
0.00 |
286.07 |
0.16 |
0.00 |
| 0.23 |
286.08 |
0.08 |
0.03 |
|
| 0.45 |
286.08 |
-0.00 |
0.04 |
|
| 0.68 |
286.09 |
-0.08 |
0.03 |
|
| 0.90 |
286.10 |
-0.16 |
-0.00 |
|
| 92 |
0.00 |
-41.98 |
-0.09 |
0.00 |
| 0.36 |
-41.92 |
-0.05 |
-0.03 |
|
| 0.72 |
-41.87 |
-0.00 |
-0.03 |
|
| 1.08 |
-41.81 |
0.05 |
-0.03 |
|
| 1.44 |
-41.75 |
0.09 |
-0.00 |
|
| 93 |
0.00 |
-325.02 |
4.91 |
-0.00 |
| 0.23 |
-324.57 |
2.45 |
0.83 |
|
| 0.45 |
-324.13 |
0.00 |
1.11 |
|
| 0.68 |
-323.69 |
-2.45 |
0.83 |
|
| 0.90 |
-323.25 |
-4.91 |
0.00 |
|
| 94 |
0.00 |
104.73 |
0.00 |
0.00 |
| 0.32 |
104.66 |
0.00 |
0.00 |
|
| 0.64 |
104.59 |
0.00 |
0.00 |
|
| 0.97 |
104.52 |
0.00 |
0.00 |
|
| 1.29 |
104.46 |
0.00 |
0.00 |
|
| 95 |
0.00 |
-323.25 |
4.91 |
0.00 |
| 0.23 |
-323.69 |
2.45 |
0.83 |
|
| 0.45 |
-324.13 |
-0.00 |
1.11 |
|
| 0.68 |
-324.57 |
-2.45 |
0.83 |
|
| 0.90 |
-325.02 |
-4.91 |
-0.00 |
|
| 96 |
0.00 |
-41.75 |
-0.09 |
-0.00 |
| 0.36 |
-41.81 |
-0.05 |
-0.03 |
|
| 0.72 |
-41.87 |
0.00 |
-0.03 |
|
| 1.08 |
-41.92 |
0.05 |
-0.03 |
|
| 1.44 |
-41.98 |
0.09 |
0.00 |
|
| 97 |
0.00 |
286.10 |
0.16 |
-0.00 |
| 0.23 |
286.09 |
0.08 |
0.03 |
|
| 0.45 |
286.08 |
0.00 |
0.04 |
|
| 0.68 |
286.08 |
-0.08 |
0.03 |
|
| 0.90 |
286.07 |
-0.16 |
0.00 |
|
| 98 |
0.00 |
27.21 |
-0.00 |
0.00 |
| 0.30 |
27.27 |
-0.00 |
-0.00 |
|
| 0.60 |
27.33 |
-0.00 |
-0.00 |
|
| 0.89 |
27.40 |
0.00 |
-0.00 |
|
| 1.19 |
27.46 |
0.00 |
-0.00 |
|
| 99 |
0.00 |
-349.80 |
4.91 |
0.00 |
| 0.23 |
-350.24 |
2.45 |
0.83 |
|
| 0.45 |
-350.69 |
-0.00 |
1.11 |
|
| 0.68 |
-351.13 |
-2.45 |
0.83 |
|
| 0.90 |
-351.57 |
-4.91 |
-0.00 |
|
| 100 |
0.00 |
-28.63 |
-0.09 |
0.00 |
| 0.34 |
-28.68 |
-0.05 |
-0.02 |
|
| 0.68 |
-28.73 |
-0.00 |
-0.03 |
|
| 1.02 |
-28.79 |
0.05 |
-0.02 |
|
| 1.35 |
-28.84 |
0.09 |
-0.00 |
|
| 101 |
0.00 |
305.30 |
0.15 |
-0.00 |
| 0.22 |
305.29 |
0.08 |
0.03 |
|
| 0.45 |
305.29 |
0.00 |
0.03 |
|
| 0.67 |
305.28 |
-0.08 |
0.03 |
|
| 0.89 |
305.27 |
-0.15 |
0.00 |
|
| 102 |
0.00 |
14.09 |
-0.00 |
-0.00 |
| 0.28 |
14.15 |
-0.00 |
-0.00 |
|
| 0.55 |
14.21 |
0.00 |
-0.00 |
|
| 0.83 |
14.27 |
0.00 |
-0.00 |
|
| 1.10 |
14.33 |
0.00 |
0.00 |
|
| 103 |
0.00 |
-368.77 |
4.96 |
-0.00 |
| 0.23 |
-369.21 |
2.48 |
0.85 |
|
| 0.46 |
-369.65 |
0.00 |
1.13 |
|
| 0.69 |
-370.09 |
-2.48 |
0.85 |
|
| 0.91 |
-370.54 |
-4.96 |
0.00 |
|
| 104 |
0.00 |
-17.73 |
-0.09 |
-0.00 |
| 0.32 |
-17.78 |
-0.05 |
-0.02 |
|
| 0.65 |
-17.83 |
0.00 |
-0.03 |
|
| 0.97 |
-17.88 |
0.05 |
-0.02 |
|
| 1.29 |
-17.93 |
0.09 |
0.00 |
|
| 105 |
0.00 |
317.70 |
0.16 |
0.00 |
| 0.23 |
317.70 |
0.08 |
0.03 |
|
| 0.45 |
317.69 |
-0.00 |
0.04 |
|
| 0.68 |
317.68 |
-0.08 |
0.03 |
|
| 0.90 |
317.68 |
-0.16 |
-0.00 |
|
| 106 |
0.00 |
8.88 |
-0.00 |
-0.00 |
| 0.25 |
8.93 |
-0.00 |
-0.00 |
|
| 0.51 |
8.99 |
0.00 |
-0.00 |
|
| 0.76 |
9.04 |
0.00 |
-0.00 |
|
| 1.01 |
9.09 |
0.00 |
0.00 |
|
| 107 |
0.00 |
-382.01 |
4.96 |
0.00 |
| 0.23 |
-382.48 |
2.48 |
0.85 |
|
| 0.46 |
-382.95 |
-0.00 |
1.14 |
|
| 0.69 |
-383.42 |
-2.48 |
0.85 |
|
| 0.92 |
-383.89 |
-4.96 |
-0.00 |
|
| 108 |
0.00 |
-11.26 |
-0.09 |
-0.00 |
| 0.31 |
-11.30 |
-0.05 |
-0.02 |
|
| 0.61 |
-11.35 |
0.00 |
-0.03 |
|
| 0.92 |
-11.39 |
0.05 |
-0.02 |
|
| 1.22 |
-11.43 |
0.09 |
0.00 |
|
| 109 |
0.00 |
326.07 |
0.16 |
-0.00 |
| 0.23 |
326.06 |
0.08 |
0.03 |
|
| 0.45 |
326.06 |
0.00 |
0.04 |
|
| 0.68 |
326.05 |
-0.08 |
0.03 |
|
| 0.90 |
326.04 |
-0.16 |
0.00 |
|
| 110 |
0.00 |
-5.57 |
-0.00 |
0.00 |
| 0.23 |
-5.53 |
-0.00 |
-0.00 |
|
| 0.46 |
-5.48 |
-0.00 |
-0.00 |
|
| 0.68 |
-5.43 |
0.00 |
-0.00 |
|
| 0.91 |
-5.38 |
0.00 |
-0.00 |
|
| 111 |
0.00 |
-389.60 |
4.69 |
-0.00 |
| 0.22 |
-390.01 |
2.34 |
0.76 |
|
| 0.43 |
-390.42 |
0.00 |
1.01 |
|
| 0.65 |
-390.84 |
-2.34 |
0.76 |
|
| 0.86 |
-391.25 |
-4.69 |
0.00 |
|
| 112 |
0.00 |
8.32 |
-0.09 |
-0.00 |
| 0.28 |
8.28 |
-0.04 |
-0.02 |
|
| 0.57 |
8.24 |
0.00 |
-0.03 |
|
| 0.85 |
8.20 |
0.04 |
-0.02 |
|
| 1.13 |
8.16 |
0.09 |
0.00 |
|
| 113 |
0.00 |
319.88 |
0.16 |
0.00 |
| 0.23 |
319.87 |
0.08 |
0.03 |
|
| 0.45 |
319.86 |
-0.00 |
0.04 |
|
| 0.68 |
319.86 |
-0.08 |
0.03 |
|
| 0.90 |
319.85 |
-0.16 |
-0.00 |
|
| 114 |
0.00 |
-13.95 |
-0.01 |
-0.00 |
| 0.21 |
-13.90 |
-0.00 |
-0.00 |
|
| 0.42 |
-13.86 |
0.00 |
-0.00 |
|
| 0.62 |
-13.82 |
0.00 |
-0.00 |
|
| 0.83 |
-13.77 |
0.01 |
0.00 |
|
| 115 |
0.00 |
-382.83 |
4.80 |
0.00 |
| 0.22 |
-383.27 |
2.40 |
0.80 |
|
| 0.44 |
-383.71 |
-0.00 |
1.06 |
|
| 0.66 |
-384.15 |
-2.40 |
0.80 |
|
| 0.88 |
-384.59 |
-4.80 |
-0.00 |
|
| 116 |
0.00 |
15.97 |
-0.09 |
0.00 |
| 0.26 |
15.94 |
-0.04 |
-0.02 |
|
| 0.53 |
15.90 |
-0.00 |
-0.02 |
|
| 0.79 |
15.87 |
0.04 |
-0.02 |
|
| 1.05 |
15.83 |
0.09 |
-0.00 |
|
| 117 |
0.00 |
306.36 |
0.15 |
0.00 |
| 0.22 |
306.35 |
0.08 |
0.03 |
|
| 0.45 |
306.35 |
-0.00 |
0.03 |
|
| 0.67 |
306.34 |
-0.08 |
0.03 |
|
| 0.89 |
306.34 |
-0.15 |
-0.00 |
|
| 118 |
0.00 |
-26.47 |
-0.01 |
0.00 |
| 0.18 |
-26.43 |
-0.00 |
-0.00 |
|
| 0.37 |
-26.40 |
-0.00 |
-0.00 |
|
| 0.55 |
-26.36 |
0.00 |
-0.00 |
|
| 0.73 |
-26.32 |
0.01 |
-0.00 |
|
| 119 |
0.00 |
-366.89 |
4.74 |
-0.00 |
| 0.22 |
-367.30 |
2.37 |
0.78 |
|
| 0.44 |
-367.71 |
0.00 |
1.04 |
|
| 0.65 |
-368.13 |
-2.37 |
0.78 |
|
| 0.87 |
-368.54 |
-4.74 |
0.00 |
|
| 120 |
0.00 |
45.08 |
-0.08 |
-0.00 |
| 0.24 |
45.05 |
-0.04 |
-0.01 |
|
| 0.49 |
45.02 |
0.00 |
-0.02 |
|
| 0.73 |
44.99 |
0.04 |
-0.01 |
|
| 0.97 |
44.96 |
0.08 |
0.00 |
|
| 121 |
0.00 |
267.47 |
0.16 |
-0.00 |
| 0.23 |
267.46 |
0.08 |
0.03 |
|
| 0.45 |
267.45 |
0.00 |
0.04 |
|
| 0.68 |
267.45 |
-0.08 |
0.03 |
|
| 0.90 |
267.44 |
-0.16 |
0.00 |
|
| 122 |
0.00 |
-39.73 |
-0.01 |
0.00 |
| 0.17 |
-39.70 |
-0.01 |
-0.00 |
|
| 0.33 |
-39.66 |
-0.00 |
-0.00 |
|
| 0.50 |
-39.63 |
0.01 |
-0.00 |
|
| 0.66 |
-39.59 |
0.01 |
-0.00 |
|
| 123 |
0.00 |
-323.77 |
4.63 |
-0.00 |
| 0.21 |
-324.21 |
2.32 |
0.74 |
|
| 0.43 |
-324.65 |
0.00 |
0.99 |
|
| 0.64 |
-325.09 |
-2.32 |
0.74 |
|
| 0.86 |
-325.53 |
-4.63 |
0.00 |
|
| 124 |
0.00 |
62.13 |
-0.08 |
0.00 |
| 0.22 |
62.11 |
-0.04 |
-0.01 |
|
| 0.44 |
62.08 |
-0.00 |
-0.02 |
|
| 0.65 |
62.06 |
0.04 |
-0.01 |
|
| 0.87 |
62.03 |
0.08 |
-0.00 |
|
| 125 |
0.00 |
208.76 |
0.16 |
0.00 |
| 0.23 |
208.75 |
0.08 |
0.03 |
|
| 0.45 |
208.75 |
-0.00 |
0.04 |
|
| 0.68 |
208.74 |
-0.08 |
0.03 |
|
| 0.90 |
208.73 |
-0.16 |
-0.00 |
|
| 126 |
0.00 |
-66.13 |
-0.02 |
-0.00 |
| 0.15 |
-66.10 |
-0.01 |
-0.00 |
|
| 0.29 |
-66.07 |
0.00 |
-0.00 |
|
| 0.44 |
-66.04 |
0.01 |
-0.00 |
|
| 0.59 |
-66.01 |
0.02 |
0.00 |
|
| 127 |
0.00 |
-250.19 |
4.52 |
0.00 |
| 0.21 |
-250.57 |
2.26 |
0.71 |
|
| 0.42 |
-250.96 |
-0.00 |
0.94 |
|
| 0.62 |
-251.35 |
-2.26 |
0.71 |
|
| 0.83 |
-251.73 |
-4.52 |
-0.00 |
|
| 128 |
0.00 |
100.72 |
-0.07 |
0.00 |
| 0.19 |
100.70 |
-0.03 |
-0.01 |
|
| 0.38 |
100.68 |
-0.00 |
-0.01 |
|
| 0.57 |
100.66 |
0.03 |
-0.01 |
|
| 0.77 |
100.63 |
0.07 |
-0.00 |
|
| 129 |
0.00 |
104.06 |
0.16 |
0.00 |
| 0.23 |
104.06 |
0.08 |
0.03 |
|
| 0.45 |
104.05 |
-0.00 |
0.04 |
|
| 0.68 |
104.04 |
-0.08 |
0.03 |
|
| 0.90 |
104.04 |
-0.16 |
-0.00 |
|
| 130 |
0.00 |
-94.57 |
-0.03 |
0.00 |
| 0.14 |
-94.55 |
-0.01 |
-0.00 |
|
| 0.28 |
-94.52 |
-0.00 |
-0.00 |
|
| 0.42 |
-94.50 |
0.01 |
-0.00 |
|
| 0.55 |
-94.47 |
0.03 |
-0.00 |
|
| 131 |
0.00 |
-120.31 |
3.53 |
0.00 |
| 0.16 |
-120.64 |
1.76 |
0.43 |
|
| 0.33 |
-120.97 |
-0.00 |
0.57 |
|
| 0.49 |
-121.30 |
-1.77 |
0.43 |
|
| 0.65 |
-121.64 |
-3.53 |
-0.00 |
|
| 132 |
0.00 |
107.04 |
-0.04 |
0.00 |
| 0.13 |
107.02 |
-0.02 |
-0.00 |
|
| 0.27 |
107.00 |
-0.00 |
-0.01 |
|
| 0.40 |
106.98 |
0.02 |
-0.00 |
|
| 0.53 |
106.96 |
0.04 |
-0.00 |
|
| 133 |
0.00 |
-17.27 |
0.05 |
0.00 |
| 0.08 |
-17.28 |
0.02 |
0.00 |
|
| 0.16 |
-17.28 |
-0.00 |
0.00 |
|
| 0.23 |
-17.28 |
-0.03 |
0.00 |
|
| 0.31 |
-17.28 |
-0.06 |
-0.00 |
|
| 134 |
0.00 |
-3.97 |
0.01 |
-0.00 |
| 0.10 |
-3.95 |
0.00 |
0.00 |
|
| 0.20 |
-3.93 |
0.00 |
0.00 |
|
| 0.30 |
-3.91 |
-0.00 |
0.00 |
|
| 0.40 |
-3.89 |
-0.01 |
0.00 |
|
| 135 |
0.00 |
-17.28 |
0.05 |
-0.00 |
| 0.08 |
-17.28 |
0.03 |
0.00 |
|
| 0.15 |
-17.29 |
0.00 |
0.00 |
|
| 0.23 |
-17.30 |
-0.02 |
0.00 |
|
| 0.30 |
-17.31 |
-0.05 |
0.00 |
|
| 136 |
0.00 |
-111.11 |
-0.02 |
-0.00 |
| 0.13 |
-111.08 |
-0.01 |
-0.00 |
|
| 0.26 |
-111.06 |
0.00 |
-0.00 |
|
| 0.40 |
-111.03 |
0.01 |
-0.00 |
|
| 0.53 |
-111.01 |
0.02 |
0.00 |
|
| 137 |
0.00 |
4.00 |
3.53 |
-0.00 |
| 0.16 |
3.70 |
1.77 |
0.43 |
|
| 0.32 |
3.40 |
0.00 |
0.57 |
|
| 0.49 |
3.09 |
-1.76 |
0.43 |
|
| 0.65 |
2.79 |
-3.53 |
0.00 |
|
| 138 |
0.00 |
106.92 |
-0.04 |
0.00 |
| 0.14 |
106.91 |
-0.02 |
-0.00 |
|
| 0.28 |
106.89 |
-0.00 |
-0.01 |
|
| 0.42 |
106.87 |
0.02 |
-0.00 |
|
| 0.56 |
106.85 |
0.04 |
-0.00 |
|
| 139 |
0.00 |
-147.39 |
0.14 |
0.00 |
| 0.21 |
-147.41 |
0.07 |
0.02 |
|
| 0.41 |
-147.42 |
-0.00 |
0.03 |
|
| 0.62 |
-147.44 |
-0.07 |
0.02 |
|
| 0.82 |
-147.46 |
-0.14 |
-0.00 |
|
| 140 |
0.00 |
-128.69 |
-0.04 |
-0.00 |
| 0.17 |
-128.66 |
-0.02 |
-0.01 |
|
| 0.34 |
-128.63 |
0.00 |
-0.01 |
|
| 0.51 |
-128.60 |
0.02 |
-0.01 |
|
| 0.69 |
-128.57 |
0.04 |
0.00 |
|
| 141 |
0.00 |
158.35 |
4.47 |
0.00 |
| 0.21 |
157.93 |
2.23 |
0.69 |
|
| 0.41 |
157.52 |
-0.00 |
0.92 |
|
| 0.62 |
157.11 |
-2.23 |
0.69 |
|
| 0.82 |
156.69 |
-4.47 |
-0.00 |
|
| 142 |
0.00 |
93.24 |
-0.05 |
-0.00 |
| 0.15 |
93.22 |
-0.02 |
-0.01 |
|
| 0.30 |
93.20 |
0.00 |
-0.01 |
|
| 0.45 |
93.17 |
0.02 |
-0.01 |
|
| 0.60 |
93.15 |
0.05 |
0.00 |
|
| 143 |
0.00 |
-291.64 |
0.13 |
-0.00 |
| 0.19 |
-291.65 |
0.06 |
0.02 |
|
| 0.37 |
-291.67 |
0.00 |
0.02 |
|
| 0.56 |
-291.69 |
-0.06 |
0.02 |
|
| 0.75 |
-291.71 |
-0.12 |
0.00 |
|
| 144 |
0.00 |
-102.31 |
-0.03 |
-0.00 |
| 0.17 |
-102.28 |
-0.02 |
-0.00 |
|
| 0.34 |
-102.25 |
0.00 |
-0.01 |
|
| 0.51 |
-102.22 |
0.02 |
-0.00 |
|
| 0.68 |
-102.18 |
0.03 |
0.00 |
|
| 145 |
0.00 |
269.81 |
4.69 |
-0.00 |
| 0.22 |
269.40 |
2.34 |
0.76 |
|
| 0.43 |
268.98 |
0.00 |
1.01 |
|
| 0.65 |
268.57 |
-2.34 |
0.76 |
|
| 0.86 |
268.15 |
-4.69 |
0.00 |
|
| 146 |
0.00 |
103.15 |
-0.06 |
0.00 |
| 0.18 |
103.13 |
-0.03 |
-0.01 |
|
| 0.37 |
103.10 |
-0.00 |
-0.01 |
|
| 0.55 |
103.08 |
0.03 |
-0.01 |
|
| 0.73 |
103.05 |
0.06 |
-0.00 |
|
| 147 |
0.00 |
-416.69 |
0.17 |
-0.00 |
| 0.26 |
-416.72 |
0.09 |
0.03 |
|
| 0.52 |
-416.74 |
0.00 |
0.04 |
|
| 0.77 |
-416.76 |
-0.09 |
0.03 |
|
| 1.03 |
-416.79 |
-0.17 |
0.00 |
|
| 148 |
0.00 |
-120.90 |
-0.05 |
-0.00 |
| 0.21 |
-120.87 |
-0.02 |
-0.01 |
|
| 0.43 |
-120.83 |
0.00 |
-0.01 |
|
| 0.64 |
-120.79 |
0.02 |
-0.01 |
|
| 0.85 |
-120.75 |
0.05 |
0.00 |
|
| 149 |
0.00 |
413.79 |
6.84 |
0.00 |
| 0.31 |
413.18 |
3.42 |
1.62 |
|
| 0.63 |
412.57 |
-0.00 |
2.15 |
|
| 0.94 |
411.97 |
-3.42 |
1.62 |
|
| 1.26 |
411.36 |
-6.84 |
-0.00 |
|
| 150 |
0.00 |
-481.70 |
-0.08 |
0.00 |
| 0.24 |
-481.73 |
-0.04 |
-0.01 |
|
| 0.47 |
-481.76 |
-0.00 |
-0.02 |
|
| 0.71 |
-481.78 |
0.04 |
-0.02 |
|
| 0.95 |
-481.81 |
0.08 |
-0.00 |
|
| 151 |
0.00 |
324.00 |
-0.00 |
0.00 |
| 0.23 |
323.92 |
-0.00 |
0.00 |
|
| 0.45 |
323.84 |
-0.00 |
0.00 |
|
| 0.68 |
323.76 |
-0.00 |
-0.00 |
|
| 0.91 |
323.68 |
-0.00 |
-0.00 |
|
| 152 |
0.00 |
-44.26 |
-0.08 |
0.00 |
| 0.22 |
-44.24 |
-0.04 |
-0.01 |
|
| 0.45 |
-44.22 |
-0.00 |
-0.02 |
|
| 0.67 |
-44.20 |
0.04 |
-0.01 |
|
| 0.89 |
-44.18 |
0.08 |
-0.00 |
|
| 153 |
0.00 |
-448.45 |
0.01 |
0.00 |
| 0.23 |
-448.53 |
0.00 |
0.00 |
|
| 0.45 |
-448.61 |
-0.00 |
0.00 |
|
| 0.68 |
-448.69 |
-0.00 |
0.00 |
|
| 0.90 |
-448.77 |
-0.01 |
-0.00 |
|
| 154 |
0.00 |
47.29 |
0.08 |
-0.00 |
| 0.23 |
47.32 |
0.04 |
0.01 |
|
| 0.45 |
47.35 |
0.00 |
0.02 |
|
| 0.68 |
47.37 |
-0.04 |
0.01 |
|
| 0.91 |
47.40 |
-0.08 |
0.00 |
|
| 155 |
0.00 |
277.69 |
0.00 |
-0.00 |
| 0.23 |
277.62 |
0.00 |
-0.00 |
|
| 0.45 |
277.54 |
0.00 |
-0.00 |
|
| 0.68 |
277.46 |
0.00 |
0.00 |
|
| 0.90 |
277.38 |
0.00 |
0.00 |
|
| 156 |
0.00 |
-47.12 |
-0.08 |
-0.00 |
| 0.21 |
-47.10 |
-0.04 |
-0.01 |
|
| 0.43 |
-47.08 |
0.00 |
-0.02 |
|
| 0.64 |
-47.06 |
0.04 |
-0.01 |
|
| 0.86 |
-47.04 |
0.08 |
0.00 |
|
| 157 |
0.00 |
-400.95 |
0.01 |
0.00 |
| 0.23 |
-401.03 |
0.00 |
0.00 |
|
| 0.45 |
-401.11 |
-0.00 |
0.00 |
|
| 0.68 |
-401.19 |
-0.00 |
0.00 |
|
| 0.90 |
-401.27 |
-0.01 |
-0.00 |
|
| 158 |
0.00 |
50.67 |
0.08 |
0.00 |
| 0.22 |
50.70 |
0.04 |
0.01 |
|
| 0.44 |
50.72 |
-0.00 |
0.02 |
|
| 0.66 |
50.75 |
-0.04 |
0.01 |
|
| 0.88 |
50.78 |
-0.08 |
-0.00 |
|
| 159 |
0.00 |
226.34 |
-0.00 |
0.00 |
| 0.23 |
226.26 |
-0.00 |
0.00 |
|
| 0.45 |
226.18 |
-0.00 |
-0.00 |
|
| 0.68 |
226.10 |
-0.00 |
-0.00 |
|
| 0.90 |
226.02 |
-0.00 |
-0.00 |
|
| 160 |
0.00 |
-45.83 |
-0.08 |
-0.00 |
| 0.21 |
-45.81 |
-0.04 |
-0.01 |
|
| 0.41 |
-45.79 |
0.00 |
-0.02 |
|
| 0.62 |
-45.77 |
0.04 |
-0.01 |
|
| 0.82 |
-45.75 |
0.08 |
0.00 |
|
| 161 |
0.00 |
-350.42 |
0.01 |
-0.00 |
| 0.23 |
-350.50 |
0.00 |
0.00 |
|
| 0.45 |
-350.58 |
0.00 |
0.00 |
|
| 0.68 |
-350.66 |
-0.00 |
0.00 |
|
| 0.90 |
-350.73 |
-0.01 |
0.00 |
|
| 162 |
0.00 |
49.89 |
0.07 |
0.00 |
| 0.21 |
49.92 |
0.04 |
0.01 |
|
| 0.42 |
49.94 |
-0.00 |
0.01 |
|
| 0.63 |
49.97 |
-0.04 |
0.01 |
|
| 0.84 |
50.00 |
-0.07 |
-0.00 |
|
| 163 |
0.00 |
173.74 |
0.00 |
-0.00 |
| 0.22 |
173.67 |
0.00 |
-0.00 |
|
| 0.44 |
173.59 |
0.00 |
-0.00 |
|
| 0.67 |
173.51 |
0.00 |
0.00 |
|
| 0.89 |
173.43 |
0.00 |
0.00 |
|
| 164 |
0.00 |
-53.75 |
-0.07 |
0.00 |
| 0.19 |
-53.73 |
-0.04 |
-0.01 |
|
| 0.39 |
-53.71 |
-0.00 |
-0.01 |
|
| 0.58 |
-53.69 |
0.04 |
-0.01 |
|
| 0.78 |
-53.67 |
0.07 |
-0.00 |
|
| 165 |
0.00 |
-293.76 |
0.01 |
-0.00 |
| 0.23 |
-293.84 |
0.00 |
0.00 |
|
| 0.45 |
-293.92 |
0.00 |
0.00 |
|
| 0.68 |
-294.00 |
-0.00 |
0.00 |
|
| 0.90 |
-294.08 |
-0.01 |
0.00 |
|
| 166 |
0.00 |
59.67 |
0.07 |
-0.00 |
| 0.20 |
59.70 |
0.03 |
0.01 |
|
| 0.41 |
59.73 |
0.00 |
0.01 |
|
| 0.61 |
59.75 |
-0.03 |
0.01 |
|
| 0.81 |
59.78 |
-0.07 |
0.00 |
|
| 167 |
0.00 |
108.67 |
0.00 |
-0.00 |
| 0.23 |
108.59 |
0.00 |
-0.00 |
|
| 0.45 |
108.51 |
0.00 |
0.00 |
|
| 0.68 |
108.43 |
0.00 |
0.00 |
|
| 0.91 |
108.35 |
0.00 |
0.00 |
|
| 168 |
0.00 |
-58.64 |
-0.07 |
-0.00 |
| 0.19 |
-58.62 |
-0.03 |
-0.01 |
|
| 0.37 |
-58.59 |
0.00 |
-0.01 |
|
| 0.56 |
-58.57 |
0.03 |
-0.01 |
|
| 0.75 |
-58.55 |
0.07 |
0.00 |
|
| 169 |
0.00 |
-225.18 |
0.01 |
-0.00 |
| 0.23 |
-225.26 |
0.00 |
0.00 |
|
| 0.45 |
-225.34 |
0.00 |
0.00 |
|
| 0.68 |
-225.42 |
-0.00 |
0.00 |
|
| 0.90 |
-225.50 |
-0.01 |
0.00 |
|
| 170 |
0.00 |
64.79 |
0.06 |
0.00 |
| 0.19 |
64.81 |
0.03 |
0.01 |
|
| 0.39 |
64.84 |
-0.00 |
0.01 |
|
| 0.58 |
64.87 |
-0.03 |
0.01 |
|
| 0.77 |
64.89 |
-0.06 |
-0.00 |
|
| 171 |
0.00 |
34.86 |
-0.00 |
0.00 |
| 0.23 |
34.78 |
-0.00 |
0.00 |
|
| 0.45 |
34.71 |
-0.00 |
-0.00 |
|
| 0.68 |
34.63 |
-0.00 |
-0.00 |
|
| 0.90 |
34.55 |
-0.00 |
-0.00 |
|
| 172 |
0.00 |
-63.87 |
-0.06 |
0.00 |
| 0.18 |
-63.84 |
-0.03 |
-0.01 |
|
| 0.36 |
-63.82 |
-0.00 |
-0.01 |
|
| 0.53 |
-63.80 |
0.03 |
-0.01 |
|
| 0.71 |
-63.78 |
0.06 |
-0.00 |
|
| 173 |
0.00 |
-147.85 |
0.01 |
0.00 |
| 0.22 |
-147.93 |
0.00 |
0.00 |
|
| 0.45 |
-148.00 |
-0.00 |
0.00 |
|
| 0.67 |
-148.08 |
-0.00 |
0.00 |
|
| 0.89 |
-148.16 |
-0.01 |
-0.00 |
|
| 174 |
0.00 |
70.70 |
0.06 |
-0.00 |
| 0.18 |
70.72 |
0.03 |
0.01 |
|
| 0.37 |
70.75 |
0.00 |
0.01 |
|
| 0.55 |
70.78 |
-0.03 |
0.01 |
|
| 0.74 |
70.80 |
-0.06 |
0.00 |
|
| 175 |
0.00 |
-48.48 |
-0.00 |
0.00 |
| 0.22 |
-48.56 |
-0.00 |
0.00 |
|
| 0.45 |
-48.64 |
-0.00 |
0.00 |
|
| 0.67 |
-48.72 |
-0.00 |
-0.00 |
|
| 0.89 |
-48.79 |
-0.00 |
-0.00 |
|
| 176 |
0.00 |
-70.28 |
-0.06 |
-0.00 |
| 0.17 |
-70.26 |
-0.03 |
-0.01 |
|
| 0.34 |
-70.24 |
0.00 |
-0.01 |
|
| 0.51 |
-70.22 |
0.03 |
-0.01 |
|
| 0.68 |
-70.20 |
0.06 |
0.00 |
|
| 177 |
0.00 |
-59.83 |
0.01 |
-0.00 |
| 0.23 |
-59.91 |
0.00 |
0.00 |
|
| 0.45 |
-59.99 |
0.00 |
0.00 |
|
| 0.68 |
-60.07 |
-0.00 |
0.00 |
|
| 0.90 |
-60.15 |
-0.01 |
0.00 |
|
| 178 |
0.00 |
79.50 |
0.05 |
0.00 |
| 0.18 |
79.53 |
0.03 |
0.01 |
|
| 0.36 |
79.56 |
-0.00 |
0.01 |
|
| 0.54 |
79.58 |
-0.03 |
0.01 |
|
| 0.71 |
79.61 |
-0.05 |
-0.00 |
|
| 179 |
0.00 |
-145.95 |
0.00 |
-0.00 |
| 0.25 |
-146.04 |
0.00 |
-0.00 |
|
| 0.51 |
-146.13 |
0.00 |
-0.00 |
|
| 0.76 |
-146.21 |
0.00 |
0.00 |
|
| 1.02 |
-146.30 |
0.00 |
0.00 |
|
| 180 |
0.00 |
-89.69 |
-0.05 |
0.00 |
| 0.18 |
-89.67 |
-0.03 |
-0.01 |
|
| 0.36 |
-89.64 |
-0.00 |
-0.01 |
|
| 0.55 |
-89.61 |
0.03 |
-0.01 |
|
| 0.73 |
-89.58 |
0.05 |
-0.00 |
|
| 181 |
0.00 |
59.54 |
0.01 |
0.00 |
| 0.23 |
59.46 |
0.00 |
0.00 |
|
| 0.45 |
59.38 |
-0.00 |
0.00 |
|
| 0.68 |
59.30 |
-0.00 |
0.00 |
|
| 0.90 |
59.23 |
-0.01 |
-0.00 |
|
| 182 |
0.00 |
81.37 |
0.05 |
-0.00 |
| 0.15 |
81.39 |
0.02 |
0.01 |
|
| 0.30 |
81.41 |
0.00 |
0.01 |
|
| 0.45 |
81.43 |
-0.02 |
0.01 |
|
| 0.60 |
81.45 |
-0.05 |
0.00 |
|
| 183 |
0.00 |
-262.29 |
-0.00 |
0.00 |
| 0.23 |
-262.37 |
-0.00 |
0.00 |
|
| 0.46 |
-262.45 |
-0.00 |
-0.00 |
|
| 0.68 |
-262.53 |
-0.00 |
-0.00 |
|
| 0.91 |
-262.61 |
-0.00 |
-0.00 |
|
| 184 |
0.00 |
-102.75 |
-0.05 |
-0.00 |
| 0.18 |
-102.72 |
-0.02 |
-0.01 |
|
| 0.35 |
-102.70 |
0.00 |
-0.01 |
|
| 0.53 |
-102.67 |
0.02 |
-0.01 |
|
| 0.70 |
-102.64 |
0.05 |
0.00 |
|
| 185 |
0.00 |
188.57 |
0.01 |
0.00 |
| 0.24 |
188.49 |
0.00 |
0.00 |
|
| 0.48 |
188.41 |
-0.00 |
0.00 |
|
| 0.72 |
188.32 |
-0.00 |
0.00 |
|
| 0.96 |
188.24 |
-0.01 |
-0.00 |
|
| 186 |
0.00 |
96.29 |
0.04 |
0.00 |
| 0.15 |
96.32 |
0.02 |
0.00 |
|
| 0.30 |
96.34 |
-0.00 |
0.01 |
|
| 0.45 |
96.36 |
-0.02 |
0.00 |
|
| 0.60 |
96.38 |
-0.04 |
-0.00 |
|
| 187 |
0.00 |
-409.22 |
-0.00 |
0.00 |
| 0.11 |
-409.26 |
-0.00 |
0.00 |
|
| 0.22 |
-409.30 |
-0.00 |
-0.00 |
|
| 0.32 |
-409.33 |
-0.00 |
-0.00 |
|
| 0.43 |
-409.37 |
-0.00 |
-0.00 |
Приложение Б
(обязательное)
Форма
АКТ
О СООТВЕТСТВИИ ВЫПОЛНЕННЫХ ВНЕПЛОЩАДОЧНЫХ
И ВНУТРИПЛОЩАДОЧНЫХ ПОДГОТОВИТЕЛЬНЫХ РАБОТ
ТРЕБОВАНИЯМ БЕЗОПАСНОСТИ ТРУДА И О ГОВНОСТИ ОБЪЕКТА
_____________________________________________________________
К НАЧАЛУ СТРОИТЕЛЬСТВА
«_____» _______________ 200___г.
Комиссия в составе:
Руководителя (директора) строящегося предприятия (технического надзора заказчика-застройщика) ______________________________________________________
(фамилия, инициалы, должность)
_____________________________________________________________
представителя генеральной, подрядной строительной организации
_____________________________________________________________
(название организации, фамилия, инициалы, должность)
представителя субподрядной специализированной организации, выполняющей работы в подготовительный период
_____________________________________________________________
(название организации, фамилия, инициалы, должность)
представителя работников генеральной подрядной строительной организации ___
_____________________________________________________________
(фамилия, инициалы)
произвела освидетельствование внутриплощадочных подготовительных работ, в том числе по обеспечению санитарно-бытового обслуживания работающих, выполненных по состоянию на «____» __________ 199 ___г., на соответствие их требованиям безопасности труда и составила настоящий акт о нижеследующем:
1. К освидетельствованию предъявлены работы
_____________________________________________________________
(наименование внеплощадочных и внутриплощадочных подготовительных работ,
_____________________________________________________________
в том числе по обеспечению санитарно-бытового обслуживания работающих)
2. Работы выполнены в объемах, установленных организационно-технологической документацией (проектом организации строительства и проектами производства работ)
_____________________________________________________________
(наименование организаций, разработчиков ПОС, ППР, № чертежей и дата их составления)
3. В представленных работах отсутствуют (или допущены) отклонения от требований норм, правил и стандартов безопасности труда
_____________________________________________________________
(при наличии отклонений указывается, требования каких нормативных документов нарушены)
Решение комиссии:
Работы выполнены в объемах, предусмотренных проектоми в соответствии с требованиями норм и правил безопасности труда.
На основании изложенного разрешается производство основных строительных, монтажных и специальных строительных работ на объекте.
Руководитель (директор) строящегося предприятия
(технического надзора заказчика-застройщика) _____________________________
(подпись)
Представитель генеральной подрядной
строительной организации ______________________________________
(подпись)
Представитель субподрядной
специализированной организации________________________________
(подпись)
Представитель работников генеральной
подрядной строительной организации ___________________________
(подпись)
Примечание . Руководитель генподрядной организации заранее информирует представителя Федеральной инспекции труда о дате и месте работы комиссии. При необходимости к участию в работе комиссии привлекаются органы государственного надзора или специализированные организации.
м.













