Реферат: Расчет сегментной фермы
|
Название: Расчет сегментной фермы Раздел: Рефераты по строительству Тип: реферат | |||||||||||||||||||||||||||||||||||||||||||||||||||||||||||||||||||||||||||||||||||||||||||||||||||||||||||||||||||||||||||||||||||||||||||||||||||||||||||||||||||||||||||||||||||||||||||||||||||||||||||||||||||||||||||||||||||||||||||||||||||||||||||||||
|
исходные данные на проектирование
По заданию поперечный разрез принимается, как показано на схеме ниже (рис. 1).
Рис. 1. Конструктивная схема поперечной рамы. Для дальнейшего проектирования необходимо принять следующие решения: – все конструкции заводского изготовления, в т.ч. сегментные фермы полностью изготавливаются на заводе и доставляются на место установки в готовом виде; – температурно-влажностные условия эксплуатации АI; – коэффициент надежности по ответственности g n = 0,95 (по п. 2, прил. 7, СНиП 2.01.07-85*), т.к. проектируемое здание относится ко II уровню ответственности; – материалы: - древесина из сосны 2-го сорта; - сталь класса С235. 1. РАСЧЕТ И КОНСТРУИРОВАНИЕ ОГРАЖДАЮЩИХ КОНСТРУКЦИЙ В данном разделе записки рассматривается расчет только ограждающих конструкций покрытия. 1.1. Выбор конструкции покрытия Рассмотрим два варианта конструкции покрытия. Как указано в задании на проектирование, несущими элементами кровли являются прогоны, которые передают усилия непосредственно на стропильные конструкции. Также надо принять во внимание то, что покрытие теплое с плитным утеплителем из минераловатных плит на синтетическом связующем (ГОСТ 9573-82) плотностью 60 кг/м 3 и толщиной (2´10) = 20 см . Тип кровельного материала – мягкая черепица «Pikipoika» (Финляндия) на основе стекловолокна, вес 1 м 2 – 8,4 кг . Так как уклон верхнего пояса сегментной фермы переменный, достигая 0 % на коньке, то, исходя из технических условий использования мягкой черепицы, необходимо для повышения герметичности на основу настилать подкладочный слой. В качестве которого, будем использовать битумно-полимерный рулонный материал Левизол (ТУ 5774-058-113221100-95) с удельным весом 1,2 кг/м 2 . Пароизоляция выполнена из 1 слоя пергамина весом 0,75 кг/м 2 . Первый вариант кровли, показанный на рис. 2.
Рис. 2. Первый вариант кровли. К плюсам данного варианта можно отнести простоту монтажа конструкций покрытия и независимость размеров утеплителя и прогонов. К минусам же – недоступность к плитам утеплителя без демонтажа гидроизоляционных материалов (долговечность минераловатных плит 20 лет, в то время как мягкая черепица «живет» 30 лет); большая строительная высота покрытия; желательна установка дополнительных конструкций под выравнивающий слой (обрешетка, настил из досок) для предотвращения преждевременного износа утеплителя вследствие смятия верхнего слоя кровли от физического воздействия. Для укладки утеплителя применяют одинарный дощатый настил, расположенный вдоль ската. Доски соединяют впритык или четверть, толщину их определим расчетом далее. Они скрепляются поперечными досками и раскосами из досок. Второй вариант конструкции покрытия представлен на рис. 3.
Рис. 3. Второй вариант кровли: 1 – слой мягкая черепица по слою левизола на мастике; 2 – защитный настил из досок; 3 – рабочий настил (обрешетка); 4 – прогон; 5 – два слоя минераловатных плит; 6 – пароизоляция из слоя пергамина; 7 – подшивка из досок. Положительные стороны второго варианта: жесткий двойной настил обеспечивает необходимую устойчивость верхних поясов ферм в горизонтальной плоскости; более удобный доступ к плитам утеплителя (ремонт утеплителя, пароизоляции и гидроизоляции может быть раздельным); удобство эксплуатации – минераловатные плиты защищены от физического воздействия деревянным настилом; минимальная строительная высота покрытия; легче реконструкция здания, постановкой фонарей или оконных проемов в кровле. Отрицательные моменты: более трудоемкий монтаж; конструкции прогонов хуже проветриваются. В ходе анализа двух вариантов покрытия выбираем вариант 2 (рис. 3). Принятая кровля является рациональным решением для цилиндрической крыши промышленного здания. Рассмотрим этот тип покрытия более детально. Косой защитный настил мягкой кровли уложен по обрешетке, опирающейся на прогоны, расположенные через расстояние а ≤ 1,5 м . Это расстояние должно позволять уложить рядом две плиты минераловаты шириной по 0,5 м . Принимая ширину прогона 100 мм , найдем, что расстояние между осевыми линиями прогонов а = 1,15 м . В целях предохранения покрытия от загнивания предусмотрен ряд мероприятий: для осушения полости ограждающих конструкций крыши устроены входные вентиляционные продухи у карниза и выходные – в цокольной стенке фонаря и возле конька крыши; уложен сплошной пароизоляционный слой по подшивке потолка; даны предохранительные доски из антисептированной древесины по верхним поясам ферм; введены толевые прокладки между торцами верхних поясов ферм и металлическими частями опорных узлов. 1.2. Расчетные характеристики материалов Для древесины досок защитного настила: – расчетное сопротивление изгибу: R и = 13 МПа (табл. 3 СНиП II-25-80); – модуль упругости: Е = 10 000 МПа (п. 3.5 СНиП II-25-80). Для древесины рабочего настила: – расчетное сопротивление изгибу: R и = 13 МПа = 1,3 кН/см 2 ; – модуль упругости: Е = 10 000 МПа . 1.3. Расчет элементов конструкции кровли
Защитный косой настил принимается из древесины сосны II сорта без расчета, т.к. он уложен по разреженному рабочему настилу (обрешетке), состоящему из брусков обрешетки, расположенных на расстоянии 20–30 см друг от друга. Ширина досок настила берется 8–10 см , но не более 12 с тем, чтобы не допустить большого коробления досок при усушке и тем самым предотвратить возможный разрыв левизола. Толщина косого настила принимается равной 1,6–1,9–2,5 см , согласно ГОСТ 3008-85. В данном случае, при расположении прогонов через 1,15 м , подшивку, для унификации элементов, принимаем из теса такой же толщины, как и косой настил защитного слоя, а именно, 19 мм . 1.3.1. Расчет обрешетки
Согласно п. 6.14 СНиП II-25-80 рабочий настил рассчитывается на прочность и прогиб от следующих сочетаний нагрузок: а) от собственного веса и снега; б) от собственного веса и сосредоточенного груза Р = 1 кН ; причем для принятого в нашем случае двойного (рабочего и защитного) настила сосредоточенный груз разрешается считать распределенным на ширину 0,5 м рабочего настила. Однако, самой невыгодной нагрузкой для обрешетки обычно является монтажная нагрузка Р = 1 кН , приложенная в середине одной обрешетины, на которую и проверяется ее прочность, без учета жесткости. Коэффициент перегрузки п = 1,2, т.е. расчетная величина Р = 1,2 кН (расчет только на прочность). Расчетный пролет рабочего настила l = 1,15 м = 115 см . Соберем нагрузки на обрешетину, считая расстояние между ними 20 см .
Вес конструкций (таблица 1). Таблица 1 . Расчет давления от веса покрытия на настил
Таким образом, сводя нагрузку, распределенную по площади, к линейно распределенной нагрузке, получим g = 0,29×0,2 = 0,058 кН/м . Снеговая нагрузка . Город Ярославль находится в III снеговом районе (карта 1 СНиП 2.01.07-85*). Следовательно, нормативное значение веса снегового покрова на 1 м 2 горизонтальной поверхности земли s о = 1,0 кПа (табл. 4 СНиП 2.01.07-85*). Линейно распределенная нагрузка от снега на обрешетину:
где g f – коэффициент надежности по нагрузки, для снеговой нагрузки по п. 5.7 СНиП 2.01.07-85* равен 1,6, так как отношение нормативного значения равномерно распределенной нагрузки от покрытия gn = 0,595 кН/м 2 к нормативному значению веса снегового покрова s 0 = 1,0 кН/м 2 , равно gn / s 0 = 0,595, что меньше 0,8. m - коэффициент перехода от веса снегового покрова земли к снеговой нагрузке на покрытие, принимаемы в соответствии с п. 3 прил. 3 СНиП 2.01.07-85* и равный 1,0; b – шаг обрешетки. Подставив эти значения, получим:
Рассчитаем отдельно на каждый из вариантов загружения:
а) от собственного веса и снега
Рис. 4. Расчетная схема обрешетки для 1-го варианта загружения. Суммарная равномерно распределенная нагрузка на обрешетину:
Эпюра моментов будет выглядеть следующим образом (расчет в комплексе COSMOS/M 2.6):
Рис. 5. Эпюра изгибающих моментов 1-го варианта загружения. Т.о. максимальный изгибающий момент при первом варианте сочетания нагрузок:
б) от собственного веса и сосредоточенного груза Р = 1,2 кН
Рис. 6. Расчетная схема обрешетки для 2-го варианта загружения. Так же, как в пункте выше, строим эпюру моментов (рис. 7) и находим максимальный.
Рис. 7. Эпюра изгибающих моментов 2-го варианта загружения. Максимальный изгибающий момент при втором варианте сочетания нагрузок:
В результате получим максимальный расчетный момент М max = 0,292 кНм = 29,2 кНсм . Подберем сечение обрешетины. Из условия прочности балки, работающей на поперечный изгиб, требуемый момент сопротивления:
Назначая обрешетку прямоугольного сечения, по сортаменту пиломатериалов хвойных пород (ГОСТ 8486-57) примем 6´5 см с моментами сопротивления Wx = 30 см 3 и Wу = 25 см 3 . Для уменьшения строительной высоты положим обрешетину длинной стороной сечения параллельно прогону. Тогда момент инерции сечения относительно горизонтальной оси симметрии:
Проверим подобранное сечение на прогиб от действия нормативной нагрузки:
где [f/l ] – предельный прогиб в долях пролета, для обрешеток и настилов равен 1/150 (п. 4.32 СНиП II-25-80); qn – нормативное значение равномерно распределенной нагрузки на обрешетину:
1.3.2. Расчет прогона
Высоту прогонов кровли принимаем по конструктивным соображениям (из условия размещения двух слоев минераловатных плит толщиной по 7 см ) не менее 20 см . Производим подсчет нагрузок, действующих на прогон. Постоянная нагрузка от собственного веса покрытия. Таблица 2 . Расчет давления от веса покрытия на прогоны
Сводя нагрузку, распределенную по площади, к линейно распределенной нагрузке, получим g = 0,759×1,15 = 0,873 кН/м . Временная нагрузка от снега была подсчитана ранее и равна:
Итак, расчетная погонная нагрузка на прогон составит:
Прогоны проектируем спаренными неразрезными, состоящими из двух рядов досок, поставленных на ребро и соединенных гвоздями, забиваемыми конструктивно с шагом 50 см (рис. 8).
Рис. 8. Конструкция прогонов из спаренных досок (расположение гвоздей показано схематично, более детально см. рис. 10 и далее по тексту). Каждый ряд досок выполнен по схеме консольно-балочного прогона с последовательным расположение стыков, но первый ряд не имеет стыка в первом пролете, а второй ряд досок – в последнем пролете. Стыки досок устраивают в точках, где изгибающий момент в неразрезных балках, загруженных равномерно распределенной нагрузкой по всей длине, меняет знак, т.е. на расстоянии от опор, равных х = 0,21l . Максимальный изгибающий момент (на опоре):
Требуемый момент сопротивления из условия прочности получается:
Для высоты сечения прогона h = 18 см уточняем ширину:
Назначая прогоны спаренными из двух досок, по сортаменту пиломатериалов хвойных пород (ГОСТ 8486-57) примем 2´50´200 мм . Момент инерции сечения прогона относительно горизонтальной оси симметрии:
Нормативная равномерно распределенная нагрузка на прогон:
Проверим подобранное сечение на прогиб от действия нормативной нагрузки:
Доски одного ряда соединяют по длине без косого пригуба. Концы досок одного ряда прибивают гвоздями к доске другого ряда, не имеющего в данном месте стыка. Гвоздевой забой стыка рассчитываем на восприятие поперечной силы. Количество гвоздей с каждой стороны стыка определяется исходя из того, что поперечная сила, приходящаяся на один ряд досок Q = Моп / 2хгв , в то же время равна Q = пгв Тгв , откуда
где хгв – расстояние от опоры до центра гвоздевого забоя, учитывая, что каждый гвоздь воспринимает одинаковое усилие, равное Тгв . Гвозди, скрепляющие доски прогона, приняты dгв = 0,35 см , lгв = 9 см (ГОСТ 283-41).
Рис. 9. К расчету гвоздевого соединения в прогонах. Допустимое усилие на один «срез» гвоздя определяем из нижеследующих условий: а) из условия изгиба гвоздя:
б) из условия смятия досок на глубине защемления гвоздя:
В расчет принимаем:
Расстояние хгв грубо примем равным 0,21l , т.е. хгв = 0,21×600 = 126 см . Тогда количество гвоздей с каждой стороны стыка:
Округляя требуемое значение количества гвоздей с каждой стороны стыка, получим четное nгв = 8. Расстановку гвоздей производим согласно требованиям п. 5.21 СНиП II-25-80: – расстояние между осями гвоздей вдоль волокон древесины следует принимать не менее s 1 = 15d = 15×0,35 = 5,25 см при толщине пробиваемого элемента с = 5 см ³ 10d = 10×0,35 = 3,5 см ; – расстояние вдоль волокон древесины от гвоздя до торца элемента во всех случаях следует принимать не менее s 1 = 15d = 5,25 см . – расстояние между осями гвоздей поперек волокон древесины при прямой расстановке гвоздей следует принимать не менее s 2 = 4d = 4×0,35 = 1,4 см ; – расстояние s 3 от крайнего ряда гвоздей до продольной кромки элемента следует принимать не менее 4d = 1,4 см ; Принимая во внимание вышеизложенные требования, расставим гвозди на стыке досок прогона так, как показано на рис. 10.
Рис. 10. Схема гвоздевого забоя стыка досок в прогоне. Гвозди, соединяющие между собой доски спаренного прогона, ставятся конструктивно (без расчета) с шагом 50 см в разбежку, как схематично показано на рис. 9. Причем на сшивку досок прогона в одном пролете понадобится 13 гвоздей. 2. расчет и конструирование сегментной клееной фермы
2.1. Определение общих размеров фермы
Расчетный пролет фермы l = 24,0 м . Расчетная высота фермы:
Строительный подъем:
Радиус кривизны верхнего пояса:
Центральный угол дуги определяется из выражения:
откуда
Длина дуги по оси верхнего пояса:
Верхний пояс составляем из четырех блоков одинаковой длины, следовательно, длина блоков верхнего пояса:
т.е. менее максимальной длины досок. Длина панелей нижнего пояса: – средняя панель:
– крайняя панель:
Длина подвески:
Длина раскоса:
Угол наклона верхнего пояса на опоре:
Угол наклона верхнего пояса к горизонту в узле операния пояса на подвеску:
2.2. Статический расчет фермы
2.2.1. Сбор нагрузок на ферму
При определении нагрузки от собственного веса крыши приняты: рабочий настил в виде обрешетки из брусков 6´5 см , расположенных через 20 см , с пролетом, равным расстоянию между прогонами lн = 1,15 м , и неразрезные прогоны из двух досок 2´5´20 см с пролетами по 6 м (рис. 3). Постоянная нагрузка от собственного веса покрытия . Таблица 3 . Расчет веса конструкций покрытия
Принимая вес покрытия равномерно распределенным по площади его горизонтальной проекции, получим вес крыши на единицу площади плана путем умножения полученного выше веса на коэффициент:
где s = 25,74 м – длина дуги верхнего пояса. В таком случае расчетный вес крыши:
Погонное значение расчетной нагрузки от веса покрытия:
Постоянная нагрузка от собственного веса фермы со связями определяем по формуле:
где kс.в. = 3,0 – коэффициент собственного веса стропильной фермы со связями. Расчетная погонная нагрузка от собственного веса фермы:
Суммарное значение расчетной постоянной нагрузки на ферму:
Рис. 12. Схема постоянной нагрузки на сегментную ферму. Узловые силы на рис. 12:
Силы F 0 и F 4 приложены к колонным и в расчете фермы не учитываются. Опорные реакции:
Снеговая нагрузка . Хотя сбор снеговой нагрузки был уже упомянут в п. 1.3.1, повторимся, проведя его снова. Город Ярославль находится в III снеговом районе (карта 1 СНиП 2.01.07-85*). Следовательно, нормативное значение веса снегового покрова на 1 м 2 горизонтальной поверхности земли s о = 1,0 кПа (табл. 4 СНиП 2.01.07-85*). Линейно распределенная нагрузка от снега на обрешетину:
где g f – коэффициент надежности по нагрузки, для снеговой нагрузки по п. 5.7 СНиП 2.01.07-85* равен 1,6, так как отношение нормативного значения равномерно распределенной нагрузки от покрытия gn = 0,607×1,07 = 0,649 кН/м 2 к нормативному значению веса снегового покрова s 0 = 1,0 кН/м 2 , равно gn / s 0 = 0,649, что меньше 0,8. m - коэффициент перехода от веса снегового покрова земли к снеговой нагрузке на покрытие, принимаемы в соответствии с прил. 3 СНиП 2.01.07-85*; В – шаг поперечных рам. Подставив эти значения, получим:
Первый вариант снеговой нагрузки. Нагрузка принята такой же, как для плоской кровли с уклоном a < 25°, т.е. равномерно распределенная нагрузка по прямой с коэффициентом m = 1,0 (рис. 13).
Узловые силы:
Опорные реакции:
Второй вариант снеговой нагрузки.
Рис. 14. Схема третьего варианта снеговой нагрузки. Коэффициент:
Узловые силы:
где Si – соответствующие площади участков эпюры давления на ферму, полученные графически. Опорные реакции:
Третий вариант снеговой нагрузки. В соответствии с п. 2 прил. 3 СНиП 2.01.07-85 снеговая нагрузка для здания со сводчатыми покрытиями рассмотрим вариант загружения, показанный на рис. 15.
Там же находим, что коэффициент
Очевидно, что давление снега на ферму по третьему варианту загружения менее эффективно первого варианта, т.к. ордината криволинейной эпюры на рис. 15 менее значения равномерного давления, показанного на рис. 13. То есть не имеет смысла рассматривать третий вариант снеговой нагрузки в качестве расчетной. 2.2.2. Расчетная схема фермы и нумерация ее элементов
Верхний пояс сегментной фермы разрезной, поэтому примем расчетную схему, показанную на рис. 16. При этом криволинейный верхний пояс заменяем прямолинейным - узлы верхнего пояса соединяем прямыми линиями – хордами, исходя при этом из предположения шарнирности узлов.
Рис. 16. Расчетная схема сегментной фермы. 2.2.3. Определение расчетных усилий в элементах фермы
При определении расчетных усилий в элементах сегментной фермы рассмотрим следующие сочетания постоянной и временной нагрузок: 1) равномерно распределенные по всему пролету постоянная и временная; 2) равномерно распределенные по всему пролету постоянная и на половине пролета временная; 3) равномерно распределенная по всему пролету постоянная и по закону треугольников временная; 4) равномерно распределенная по всему пролету постоянная и распределенная по закону треугольника на половине пролета временная. Продольные усилия в элементах ферм от каждой нагрузки посчитаны в расчетной программе Lira 8.01. Результаты расчета занесены в табл. 4. Таблица 4 . Расчетные усилия в стержнях фермы в кН
2.3. Расчет элементов фермы
2.3.1. Расчетные характеристики материалов Для древесины досок сегментной фермы: – расчетное сопротивление изгибу, сжатию и смятию вдоль волокон: Rи = 13 МПа (табл. 3 СНиП II-25-80); – расчетное сопротивление растяжению вдоль волокон: Rс = 13 МПа ; – модуль упругости: Е = 10 000 МПа (п. 3.5 СНиП II-25-80). 2.3.2. Расчет верхнего пояса
Криволинейное очертание и наличие нагрузки между узлами вызывают в элементах верхнего пояса осевое сжатие и поперечный изгиб. Вследствие этого расчет элементов верхнего пояса производим как внецентренно сжатых стержней. Элемент В-1 . Определяем усилия, действующие в расчетном сечении панели посередине ее длины (рис. 17).
Рис. 17. Расчетная схема верхнего пояса. Погонная нагрузка от веса крыши и снега вызывает в сечении пояса изгибающий момент, вычисляемый, как для простой балки с пролетом, равным проекции панели на горизонталь:
где
Стрелы выгиба стержня:
Продольная сжимающая сила вызывает в том же сечении, вследствие кривизны пояса, отрицательный изгибающий момент:
Расчетный изгибающий момент в поясе:
В случае односторонней снеговой нагрузки, расположенной на правой половине фермы, изгибающий момент в левой панели, вызываемой постоянной нагрузкой будет равен
Продольное усилие в пояса В-1 для односторонней нагрузки справа равно (табл. 4)
Отрицательный изгибающий момент в поясе:
Суммарный момент равен:
Элемент В-3 . Аналогично элементу верхнего пояса В-1. Изгибающий момент в середине панели от местной нагрузки при полном загружении фермы (рис. 17):
Отрицательный изгибающий момент:
Расчетный изгибающий момент в поясе:
В случае односторонней снеговой нагрузки, расположенной на правой половине фермы, изгибающий момент в левой панели, вызываемой постоянной нагрузкой будет равен
Продольное усилие в пояса В-1 для односторонней нагрузки справа равно (табл. 4)
Отрицательный изгибающий момент в поясе:
Суммарный момент равен:
Расчетные усилия в поясе фермы для всех случаев загружения приведены в табл. 5. Таблица 5 . Усилия в сечениях верхнего пояса фермы
Сопоставляя полученные величины, видим, что расчетными являются два первых случая загружения. Подбор и проверка сечения . Зададимся сечением верхнего пояса 160´396 мм (рис. 18). Сечение состоит из 12 слоев досок толщиной по 33 мм (доски толщиной 40 мм с острожной с двух сторон).
Рис. 18. Сечение верхнего пояса фермы. Моменты инерции сечения:
Момент сопротивления сечения:
Площадь сечения:
Расчетная длина панели пояса при расчете на продольный изгиб l 0 = 6,4 м . Проверку несущей способности панели верхнего пояса производим как для внецентренного сжатого стержня с учетом предварительного изгиба досок введением коэффициента тги :
где mги = 1 – коэффициент условий работы для гнутых элементов, работающих на сжатие и изгиб, при отношении
по п. 3.2.ж СНиП II-25-80; mб = 1 – коэффициент условий работы, учитывающий влияние размеров поперечного сечения, находится по п. 3.2.д СНиП II-25-80; mсл = 1 – коэффициент условий работы, учитывающий толщину слоев дощатоклееных балок, значение по п. 3.2.е СНиП II-25-80; x – коэффициент, учитывающий дополнительный изгиб от продольной силы N :
где
гибкость элемента в плоскости фермы:
В 1-м случае загружения
Подставляем полученные величины в формулу
Во 2-м случае загружения
Проверим устойчивость плоской формы изгиба по формуле (33) СНиП II-25-80:
где kф - коэффициент, зависящий от формы эпюры изгибающих моментов на участке l 0 , определяемый по табл. 2 прил. 4 СНиП II-23-80, равен 1,13;
Подставив найденные величины, получим
Устойчивость верхнего пояса из плоскости фермы обеспечена. 2.3.3. Расчет нижнего пояса
Расчетное усилие в поясе N = 269,9 кН . По табл. 51 СНиП II-23-81 Находим расчетное сопротивление стали С235 растяжению, сжатию и изгибу по пределу текучести Ry = 23 кН/см 2 . Необходимая площадь сечения стального пояса из условий прочности на растяжение:
Принимаем два равнополочных уголка сечением 63´5 с площадью сечения:
Гибкость нижнего пояса в вертикальной плоскости:
т.е. не превышает предельную гибкость, найденную по табл. 20 СНиП II-23-81. Узел примыкания стойки 1-2 к нижнему поясу (рис. 19) принимаем конструктивно, причем сечение этой стойки тоже принимается без расчета, т.к. усилие в ней нулевое при любых сочетаниях нагрузок на ферму.
Рис. 19. Сечение нижнего пояса фермы и деталь подвески. 2.3.4. Расчет раскоса
Расчетные усилия: N = 38,4 кН , N’ = – 38,8 кН . Зададимся сечением раскоса 160´165 мм (рис. 20). Сечение состоит из 5 слоев досок толщиной по 33 мм (доски толщиной 40 мм с острожной с двух сторон).
Рис. 20. Сечение раскоса фермы. Моменты инерции сечения:
Площадь сечения:
Расчетная длина панели пояса при расчете на продольный изгиб l 0 = 6,94 м . Проверка прочности на осевое растяжение :
где mб = 1 – коэффициент условий работы, учитывающий влияние размеров поперечного сечения, находится по п. 3.2.д СНиП II-25-80; mсл = 1 – коэффициент условий работы, учитывающий толщину слоев дощатоклееных балок, значение по п. 3.2.е СНиП II-25-80.
Проверка прочности на осевое сжатие :
где j min = jу и равно
гибкость элемента в плоскости фермы:
2.3.5. Расчет стойки 3–3'
Расчетные усилия: N = 10,2 кН , N’ = – 8,0 кН . Зададимся сечением раскоса 160´99 мм (рис. 21). Сечение состоит из 3 слоев досок толщиной по 33 мм (доски толщиной 40 мм с острожной с двух сторон).
Рис. 21. Сечение раскоса фермы. Моменты инерции сечения:
Площадь сечения:
Расчетная длина панели пояса при расчете на продольный изгиб l 0 = 6,94 м . Проверка прочности на осевое растяжение :
Проверка прочности на осевое сжатие :
где j min = jх и равно
гибкость элемента в плоскости фермы:
2.4. Конструирование и расчет узлов фермы
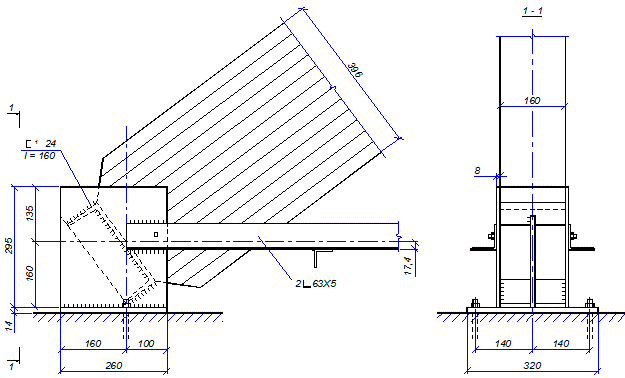
Опорный узел Расчетные усилия: NB = – 304,8 кН , NН =269,9 кН . Соединение верхнего пояса с нижним осуществляется лобовым упором в плиту сварного башмака. Рассчитаем длину швов для прикрепления уголков нижнего пояса к фасонкам узла. Сварка полуавтоматическая проволокой Св-08А. Согласно табл. 4 СНиП II-23-81 расчетное сопротивление углового шва условному срезу по металлу шва:
где g wm = 1,25, - коэффициент надежности по материалу шва. По табл. 4 СНиП II-23-81 расчетное сопротивление углового шва условному срезу по металлу границы сплавления:
Зададимся катетом шва kf = 6 мм . По табл. 34 СНиП II-23-81 для выбранного типа сварки примем соответствующие коэффициенты для расчета углового шва: b f = 0,9 – по металлу шва; b z = 1,05 – по металлу границы сплавления. Определим, какое сечение в соединении является расчетным:
следовательно, расчетным является сечение по металлу шва. Длина шва, прикрепляющего нижний пояс к фасонкам опорного узла:
Принимаем 4 шва по 10 см с общей расчетной длиной
Длина швов прикрепляющих упорный швеллер к узловым фасонкам:
Принимаем общую длину швов в соединении швеллера с фасонками, равную 35 см . Упорный швеллер предварительно назначаем №24 с моментом сопротивления Wу = 31,6 см 3 . Проверим прочность швеллера на изгиб от давления торца верхнего пояса:
Смятие торца верхнего пояса проверим по формуле
Определим толщину опорной плиты. Площадь опирания:
Опорная реакция от полной нагрузки Р = 185,5 кН . Реактивное давление на опорный лист:
Момент, изгибающий консольную часть опорной плиты:
где Изгибающий момент в средней части плиты, считая края плиты защемленными:
Необходимая толщина плиты:
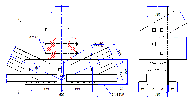
Принимаем толщину плиты равной 14 мм . Промежуточный узел верхнего пояса . Усилия, действующие в узле: N B-1 = – 304,8 кН ; N B-2 = –282,0 кН ; N2-3 = 38,4 кН ; N’2-3 = – 38,8 кН . Центральный болт . Прикрепление раскоса к верхнему поясу осуществляется одним центральным болтом d = 2,4 см , имеющим четыре среза. Работу двух срезов в соединении с накладками принимаем в расчете с коэффициентом условий работы gс = 0,5, учитывая таким образом податливость крепления накладок к поясу. Расчетное число срезов болта п = 2 + 0,5×2 = 3. Несущая способность этого соединения определяется: – по смятию древесины (табл. 17 СНиП II-25-80):
где с = 16 см – ширина верхнего пояса; k a - коэффициент, учитывающий угол наклона усилия к волокнам древесины a = 43,77° (табл. 19 СНиП II-25-80); – по изгибу болта:
Найденные величины превышают наибольшее усилие в раскосе N’2-3 = – 38,8 кН . Металлические накладки прикрепляются к раскосу четырьмя глухарями d = 2 см ; l = 12 см – по два глухаря с каждой стороны раскоса. Несущая способность прикрепления глухарями накладок к раскосу: – по смятию древесины:
где а = l - dн = 12 – 0,8 = 11,2 см – длина защемления глухаря в древесине; dн – толщина накладки; т – число глухарей. – по изгибу нагеля:
Стальные накладки . Накладки рассчитываем на растяжение и сжатие с учетом продольного изгиба из плоскости фермы. Сечение накладки 0,8´8,0 см . Площадь сечения:
Гибкость накладки из плоскости фермы:
где l 0 = 46,5×0,7 = 32,6 см – расчетная длина накладки при расчете на продольный изгиб, считая один конец закладки защемленным (табл. 71,а СНиП II-23-81). Коэффициент устойчивости при lх = 141 j = 0,356 (табл. 72 СНиП II-23-81). Проверяем несущую способность накладки: – по прочности:
– по устойчивости:
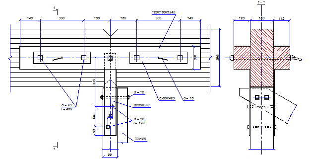
Средний узел нижнего пояса . Стойка 3-3’ при расчетном усилии N3-3’ = 10,2 кН прикрепляется к узлу нижнего пояса двумя глухарями d = 2,0 см , l = 12,0 см . Каждый раскос с расчетным усилием, равным N2-3 = 38,8 кН , прикрепляется четырьмя такими же глухарями (см. расчет промежуточного узла). В среднем узле осуществляется стык нижнего пояса при помощи накладок и вертикальных фасонок. Длина швов для прикрепления уголков к фасонкам определена в расчете опорного узла фермы.
Коньковый узел . Прикрепление стойки 3-3' назначается конструктивно. Стык блоков верхнего пояса выполняется аналогично конструкции промежуточного узла верхнего пояса.
2.5. Краткие указания по изготовлению конструкций Верхние клееные пояса ферм изготавливаются из пиломатериала II и III качественных категорий с влажностью не более 15%. Пиломатериал III категории используется в средней части сечения пояса по высоте (см. рис. 18). Верхние и нижние доски пояса по высоте 0,1 h (но не менее двух досок в каждой зоне) должны быть изготовлены из пиломатериала II категории. Для раскосов и стоек фермы, загруженных при растяжении не более чем на 70%, применяется древесина II категории. Доски по плоскостям склеивания должны быть чисто остроганы на станках. В случае использования для поясов короткого пиломатериала в верхней и нижней зонах пояса должны стыковаться на «ус» с длиной стыка не менее десятикратной толщины доски или на зубчатый шип. В средней зоне пояса (по высоте) стыки досок осуществляются впритык. Расстояние между стыками смежных досок должно быть не менее 20 толщин стыкуемых досок. В одном поперечном сечении допускается стыковать не более 25% всех досок и не более одной доски в наиболее напряженной зоне. Для склеивания досок рекомендуется водостойкие фенолформальдегидные клеи КБ-3 или СП-2. Для получения сплошного слоя пароизоляции полоса толя заранее прикрепляется к прогонам снизу. После устройства подшивки края полосы отгибаются и на них сверху наклеивается на мастике слой толя, укладываемый между прогонами (рис. 3). Должен выполнятся строительный подъем. Мероприятия по химической защите древесины указаны в табл. 6. Таблица 6 . Химическая защита фермы
3. расчет и конструирование клееной колонны
3.1. Расчет колонны
Колонна принимается дощатоклееной, постоянного по высоте сечения. Нагрузка на колонну передается через опорный узел фермы и равна реакции на опоре, то есть
Фактическая высота колонны:
где Н 1 – высота колонны от уровня пола до низа ригеля; Нф – отметка верха фундамента; Расчетная схема колонны принимается в виде центрально сжатого стержня с жестким закрепление внизу и шарнирным – вверху. Расчетная длина колонна в плоскости и из плоскости рамы
где m - коэффициент расчетной длины, принимаемый по п. 4.21 СНиП II-25-80. Центрально сжатые элементы рассчитываются по формулам: – на прочность: – на устойчивость: Считая сечение колонны сплошным (без ослаблений), можно говорить о том, что Fнт = Fбт . Таким образом, принимая во внимание то, что коэффициент устойчивости по определению менее единицы, сечение будем подбирать исходя из требований устойчивости. Зададимся гибкостью колонны l = 70, тогда по п. 4.3 СНиП II-25-80:
Требуемая площадь сечения:
Задавшись шириной колонны b = 16 см , получим требуемое значение высоты сечения:
принимаем h = 16,5 см , кратно 33 мм . Площадь сечения:
Момент инерции:
Гибкость колонны из плоскости рамы:
Примем гибкость колонны l = 100, тогда коэффициент устойчивости
Требуемая площадь сечения:
Задавшись шириной колонны b = 16 см , получим требуемое значение высоты сечения:
принимаем h = 33 см , кратно 33 мм . Площадь сечения:
Момент инерции:
Гибкость колонны из плоскости рамы:
Требуемая площадь сечения:
Задавшись шириной колонны b = 16 см , получим требуемое значение высоты сечения:
принимаем h = 16,5 см , кратно 33 мм . Площадь сечения:
Момент инерции:
Гибкость колонны из плоскости рамы:
Получим сечение 16´33 см (рис. 26).
Рис. 26. Сечение колонны. 3.2. Расчет и конструирование узла защемления колонны в фундаменте
Так как колонна центрально сжата, то узел базы колонны не требует расчета и принимается конструктивно (рис. 27).
Рис. 27. Узел защемления колонны в фундаментах: 1 – вклеенные стальные стержни; 2 – ж/б элемент, заделываемый в фундамент; 3 – ж/б фундамент. Конструктивно арматура принимается в виде 4Æ10 А-III (рис. 28).
Рис. 28. Сечение нижней части колонны. Коэффициент армирования:
|
|||||||||||||||||||||||||||||||||||||||||||||||||||||||||||||||||||||||||||||||||||||||||||||||||||||||||||||||||||||||||||||||||||||||||||||||||||||||||||||||||||||||||||||||||||||||||||||||||||||||||||||||||||||||||||||||||||||||||||||||||||||||||||||||










Рис. 11. Геометрическая схема фермы.
кН/м
2
.
Рис. 13. Схема первого варианта снеговой нагрузки.
Рис. 15. Схема второго варианта снеговой нагрузки.


, т.е.
.
.

, т.е.
, т.е.
Рис. 22. Чертеж опорного узла фермы.
см
.
Рис. 23. Чертеж промежуточного узла верхнего пояса.
Рис. 24. Чертеж среднего узла нижнего пояса.
Рис. 25. Чертеж конькового узла.
.
.
.

