Реферат: Одноканальный контроллер ключевого стабилизатора напряжения
|
Название: Одноканальный контроллер ключевого стабилизатора напряжения Раздел: Остальные рефераты Тип: реферат | |||||||||||||||||||||||||||||||||||||||||||||
| Одноканальный контроллер ключевого стабилизатора напряжения Микросхема BD9300 является основой для построения ключевых стабилизаторов напряжения. В отличие от функционально завершенных модулей стабилизаторов BP5220…BP5222 с фиксированными выходными напряжениями и ограниченными токами нагрузки, позволяет создавать источники питания с любыми выходными напряжениями и токами. Отличительные особенности Широкий диапазон входных напряжений 3, 6 …35 В. Встроенная схема защиты от коротких замыканий и от пониженного входного напряжения. Нулевой ток потребления в выключенном состоянии. Широкий диапазон регулирования частоты ШИМ 20…800 кГц. Области применения Источники питания общего назначения Стабилизаторы напряжения, в том числе с выходным напряжением выше 35 В.
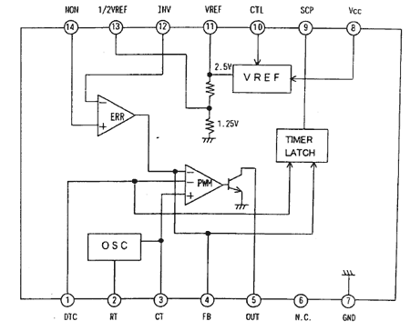
Рис. 1. Структурная схема BD9300 Таблица 1. Назначение выводов ИС BD9300
Рис. 2. Схема включения BD9300 в источнике питания R1 = R9 =30 kW, R2= R7=20 kW, R3= 33 kW, R4 = 56 kW, R5 = R6 =500 W, R8 = 90 kW, C1=C3=C5=0, 1 mF, C4=C8= 10 mF, C7= 200pF, C5=100 pF, C6= 1000 pF, C2=0, 033 mF, VT1 – любой силовой p-n-p транзистор в зависимости от тока нагрузки, величина L1 выбирается из условий баланса энергии в контуре L1-нагрузка – C8 – VD1, и для тока нагрузки 0, 5 А и частоты ШИМ 200 кГц составляет 150 мкГн. |

