| Наименование вопросов к экзамену по деталям машин
|
| 1) Деталь, механизм, машина. Требования предъявляемые к ним.
Дета́ль
— изделие, являющееся частью машины, изготовленное из однородного по структуре и свойствам материала без применения каких-либо сборочных операций.
Детали (частично или полностью) объединяют в узлы.
Механи́зм
(греч. μηχανή mechané — машина
) — это совокупность совершающих требуемые движения тел (обычно — деталей машин), подвижно связанных и соприкасающихся между собой. Механизмы служат для передачи и преобразования движения.
Машина
– устройство выполняющее механические движения, для преобразования энергии материалов, информации с целью замены или облегчения физического и умственного труда.
Требования:
- Удобство и безопасность обслуживания
- Экономичность в изготовлении и эксплуатации.
- Высокая надежность
- Соблюдение правил эстетики
- Ремонтопригодность
- Долговечность – способность изделия работать до определённого износа.
|
| 2) Критерий работоспособности.
Работоспособность
— это состояние изделия, при котором оно способно выполнять заданную функцию с параметрами, установленными требованиями технической документации, в течение расчётного срока службы
Критерий работоспособности
— это свойства, при отсутствии или недостаточном проявлении которых, детали будут недееспособны. Основные критерии работоспособности:
1) Про́чность
(в физике и материаловедении) — свойство материала сопротивляться разрушению под действием внутреннихнапряжений, возникающих под воздействием внешних сил.
2) Жёсткость
— способность конструктивных элементов деформироваться при внешнем воздействии без существенного изменения геометрических размеров.
3) Износостойкость
– это свойство материала оказывать сопротивление изнашиванию в определённых условиях трения, оцениваемое величиной, обратной скорости изнашивания или интенсивности изнашивания.
4) Виброустойчивость
— способность изделия выполнять свои функции и сохранять свои параметры в пределах значений, предъявляемых к этому изделию, в условиях воздействия вибрации в заданных режимах.
5) Теплостойкость
— способность веществ сохранять жесткость при повышении температуры
6) Электри́ческая проводи́мость
(электропроводность, проводимость) — это физическая величина, характеризующая способность тела проводить электрический ток и обратная электрическому сопротивлению.
|
| 3) Краткие сведения о машиностроительных материалах
Из материалов для машиностроения подходят лучше Сталь Ст3 и Сталь 45
Конструкционными называются стали, предназначенные для изготовления деталей машин (машиностроительные стали), конструкций и сооружений (строительные стали). Углеродистые конструкционные стали
Углеродистые конструкционные стали подразделяются на стали обыкновенного качества и качественные. Стали обыкновенного качества изготавливают следующих марок Ст0, Ст1, Ст2,..., Ст6 (с увеличением номера возрастает содержание углерода). Ст4 - углерода 0.18-0.27%, марганца 0.4-0.7%.
Легированные конструкционные стали
Легированные стали широко применяют в тракторном и сельскохозяйственном машиностроении, в автомобильной промышленности, тяжелом и транспортном машиностроении в меньшей степени в станкостроении, инструментальной и других видах промышленности. Это стали применяют для тяжело нагруженных металлоконструкций.
Строительные низколегированные стали
Низко легированными называют стали, содержащие не более 0.22% С и сравнительно небольшое количество недефицитных легирующих элементов: до 1.8% Mn, до 1,2% Si, до 0,8% Cr и другие. К этим сталям относятся стали 09Г2, 09ГС, 17ГС, 10Г2С1, 14Г2, 15ХСНД, 10ХНДП и многие другие. Стали в виде листов, сортового фасонного проката применяют в строительстве и машиностроении для сварных конструкций, в основном без дополнительной термической обработки. Низколегированные низкоуглеродистые стали хорошо свариваются. Для изготовления труб большого диаметра применяют сталь 17ГС (?0.2=360МПа, ?в=520МПа).
Арматурные стали
Для армирования железобетонных конструкций применяют углеродистую или низкоуглеродистую сталь в виде гладких или периодического профиля стержней. Сталь Ст5сп2 - ?в=50МПа, ?0.2=300МПа, ?=19%. Стали для холодной штамповки
Для обеспечения высокой штампуемости отношение ?в/?0.2 стали должно быть 0.5-0.65 при ? не менее 40%. Штампуемость стали тем хуже, чем больше в ней углерода. Кремний, повышая предел текучести, снижает штампуемость, особенно способность стали к вытяжке. Поэтому для холодной штамповки более широко используют холоднокатаные кипящие стали 08кп, 08Фкп (0.02-0.04% V) и 08Ю (0.02-0.07% Al).
|
| 4) Назначения и классификация передач.
Назначение:
1) передача вращательного движения между валами
2) преобразование вращательного движения в поступательное и наоборот.
Передачи могут быть:
1) Зубчатые передачи
2) Конические передачи
3) Червячные передачи
4) Клиноременные передачи
5) Цепные передачи
|
| 6) Кинематические и силовые соотношения в передаче.
Кинематические
и
силовые
соотношения
в
передачах
Любая передача (рис. 1.2) состоит из ведущего (вщ 1)
и ведомого (вм 2)
звеньев. Передачу характеризуют следующие основные и производные
параметры: мощность Р(кВт), угловая скорость (с-1) или частота вращения п
(мин-1), момент вращения Т(Н·м), коэффициент полезного действия (КПД) и
передаточное отношение и.
Важнейшей характеристикой любой механической передачи является
передаточное отношение, которое показывает, во сколько раз угловая скорость
(или частота вращения п) одного звена больше или меньше угловой
скорости (частоты вращения) другой передачи. Передаточное отношение,
определяемое в направлении потока мощности от ведущего звена 1 к ведомому
2, имеет вид
и
12
=1 / 2 = п1
/ п
2

Рис. 1.2. Обозначение основных параметров
передачи
При значении и >1 такие
передачи называют понижающими, процесс
преобразования
частоты
вращения
--
редуцированием,
а
передачу ,
выполненную в закрытом корпусе -- редуктором.
Передаточное отношение можно выразить через диаметры, или число
зубьев, тогда формула будет иметь вид
и
12
= 1 / 2 = п1
/ п
2
= d2
/ d
1
= z
2
/ z
1
.
(1.1)
Если
кинематическая характеристика выражается отношением числа
зубьев, то это называют передаточным числом.
Передаточное число в отличие от передаточного отношения всегда
положительное
и не может быть меньше единицы.
Так как в настоящем пособии рассматриваются только понижающие
передачи , то передаточное отношение и передаточное число будут иметь
значения больше единицы -- обе эти характеристики механических передач
будем обозначать символом и.
(1.2)
|
| 7) Фрикционные передачи. Устройства, принцип действия. Достоинства и недостатки.
Фрикционная передача
— механическая передача, служащая для передачи вращательного движения (или для преобразования вращательного движения в
поступательное
) между валами с помощью сил трения,
возникающих между катками, цилиндрами или конусами, насаженными на валы и прижимаемыми
один к другому.
Фрикционные передачи состоят из двух катков (рис.1): ведущего 1
и ведомого 2,
которые прижимаются один
к другому силой Fr
(на рисунке — пружиной), так что сила трения в месте контакта катков достаточнадля передаваемой окружной силы Ft
.

Рис.1. Цилиндрическая фрикционная передача:
1
— ведущий каток; 2
— ведомый каток
Условие работоспособности передачи:
(1)
Нарушение условия (1) приводит к буксованию и быстрому износу катков. Для того чтобы передать заданное окружное усилие Ft
.
, фрикционные катки надо прижать друг к другу усилием Fr
так, чтобы возникающая при этом сила трения была бы больше силы Ft
.
на величину коэффициента запаса сцепления , который принимают равным = 1,25...2,0.
Значения коэффициента трения между катками в среднем:
- сталь или чугун по коже или ферродо насухо f
= 0,3;
- то же в масле f
= 0,1;
- сталь или чугун по стали или чугуну насухо f
= 0,15;
- то же в масле f
= 0,07.
Подставив эти значения в уравнение, можно убедиться в том, что усилие прижатия фрикционных катков во много раз превышает передаваемое окружное усилие.
Достоинства фрикционных передач:
- простота конструкции и обслуживания;
- плавность передачи движения и регулирования скорости и бесшумность работы;
- большие кинематические возможности (преобразование вращательного движения в поступательное, бесступенчатое изменение скорости, возможность реверсирования на ходу, включение и выключение передачи на ходу без остановки);
- за счет возможностей пробуксовки передача обладает предохранительными свойствами. Однако после пробуксовки передача, как правило, резко ухудшает свои качества - появляются лыски на катках, неравномерно срабатываются фрикционные поверхности и т.д. Поэтому использовать пробуксовку как предохранительное средство не рекомендуется;
- отсутствие мёртвого хода при реверсе передачи;
- равномерность вращения, что удобно для приборов;
- возможность бесступенчатого регулирования передаточного числа, причем на ходу, без остановки передачи.
Недостатки:
- непостоянство передаточного числа из-за проскальзывания;
- незначительная передаваемая мощность (открытые передачи - до 10-20 кВт; закрытые - до 200-300 кВт);
- для открытых передач сравнительно низкий КПД;
- большое и неравномерное изнашивание катков при буксовании;
- необходимость применения опор валов специальной конструкции с прижимными устройствами (это делает передачу громоздкой);
- для силовых открытых передач незначительная окружная скорость ( 7 - 10 м/с);
- Большие нагрузки на валы и подшипники от прижимной силы ,
что увеличивает их размеры и делает передачу громоздкой. Этот недостаток ограничивает величину передаваемой мощности;
- большие потери на трение.
|
| 8) Фрикционные передачи. Материал элементов передач.
Материалы катков фрикционных передач.
К материалам трущихся поверхностей катков предъявляют следующие требования:
высокие износостойкость, хорошей теплопроводностью, поверхностная прочность, коэффициент трения (во избежание больших сил сжатия), модуль упругости Е
(чтобы площадка контакта, а значит и потери на трение были малы), влагостойкость и во время работы не засаливаться. Первые два свойства особенно важны для передач, работающих в сухую. Катки фрикционных передач изготовляют из однородных или разнородных материалов. При этом целесообразно ведомый каток выполнять из более износостойкого материала. Передачи с металлическими рабочими поверхностями катков могут работать в масле или всухую, а с неметаллическими – только всухую.
Применяют следующие сочетания материалов.
1. Для быстроходных закрытых силовых передач — закаленная сталь по закаленной стали (стали ШХ15, 40ХН, 18ХГТ и др.). Такое сочетание обеспечивает наибольшую компактность передачи, но требует более точного изготовления и малых параметров шероховатости поверхностей.
2. Для открытых тихоходных силовых передач — чугун по чугуну (СЧ15; СЧ20; СЧ25 и др.) или чугун по стали. Чаще применяют чугун по стали, что обеспечивает меньший шум при работе передачи.
3. Для малонагруженных открытых передач, не требующих большой долговечности, — текстолит, гетинакс или фибра по стали или по чугуну.
Такое сочетание материалов позволяет уменьшить требования к качеству обработки контактирующих поверхностей, так как они хорошо прирабатываются (рис.4, в).
 
а) б) в) г)
Рис.4. Материалы трущихся поверхностей катков: а, б
— резина; в
— фибра; г —
кожа
4. Для передачи незначительных вращательных моментов — кожа, резина, прорезиненная ткань, ферродо, пластмасса по стали или чугуну. Один из катков изготовляют из стали или чугуна (чаще ведомый), а второй покрывают одним из перечисленных неметаллических материалов (рис.4, а, б, г
).
Разработаны специальные фрикционные пластмассы с асбестовым и целлюлозным наполнителем, коэффициент трения которых достигает 0,5.
Более надёжны передачи, у которых ведущий каток твёрже, чем ведомый, т.к. тогда при пробуксовке не образуются лыски.
Применяются обрезиненные катки, однако их коэффициент трения падает с ростом влажности воздуха.
Для крупных передач применяют прессованный асбест, прорезиненную ткань и кожу.
|
| 9) Фрикционная передача. Силовые , кинематические и геометрические параметры.
Основные геометрические параметры фрикционной передачи:
D1
и D2
— диаметры ведущего и ведомого катков;
а
— межосевое расстояние;
b
— ширина катка;
d1
и d2
— диаметры валов ведущего и ведомого катков (рис.5). Методика определения диаметров катков D1
,
D2
и их ширины, как относящихся к параметрам фрикционной передачи, рассмотрена в настоящей главе. Диаметры валов d1
и d2
рассчитывают по известным формулам курса «Сопротивление материалов».

Рис.5. Геометрические параметры фрикционных передач
Передаточное число.
Если допустить, что во фрикционной передаче скольжение отсутствует, то окружные скорости катков будут равны, т. е. . Для передачи, показанной на рис.1:
; .
Приравнивая правые части равенств, получим или . Отсюда
,
где —
передаточное число.
В действительности скольжение между катками есть, т. е. .
Величина скольжения оценивается коэффициентом скольжения ; = 0,005 ÷ 0,03 (здесь — теоретическая угловая скорость).
Передаточное отношение фрикционной передачи с учетом скольжения
(2)
Для передачи движения между валами с пересекающимися осями используют коническую фрикционную передачу. Угол Σ между осями валов обычно составляет 900
. В этом случае передаточное отношение без учета скольжения
.
КПД фрикционных передач зависит от следующих потерь:
- связанных с использованием катков, имеющих формы, не позволяющие им перекатываться один по другому без проскальзывания; это отчетливо видно, например, в передаче с клиновыми катками (см. рис. 2.2) и лобовой передаче (см. рис. 2.11);
- проскальзывания, обусловленного масляной пленкой на рабочих поверхностях и т. д.;
- трения качения, вызванного деформацией поверхностей катков в зоне контакта;
- в подшипниках. Потери в подшипниках зависят от величины нагрузки на валы, которая определяется прижимным усилием F .
КПД фрикционной передачи определяют по формуле
(3)
где —
сумма относительных потерь.
Для закрытых фрикционных передач = 0,88 – 0,93, для открытых = 0,68 – 0,86
|
| 10) Фрикционная передача. Расчет.
См. Индивидуальное задание №2
|
| 11) Вариаторы
Вариа́тор
(англ. Continuously
Variable
Transmission
) — механическая передача, способная плавно менять передаточное отношение в некотором диапазоне регулирования. Изменение передаточного отношения производится вручную или автоматически.
Вариатор применяется в устройствах (агрегатах), требующих бесступенчато изменять передаточное отношение, таких как автомобили,мотороллеры, снегоходы, квадроциклы, конвейеры, металлорежущие станки, мешалки и др.
В стационарных устройствах вместо вариаторов обычно применяется регулируемый электропривод.
Диапазон регулирования (отношение наибольшего передаточного числа к наименьшему) обычно 3—6, реже 10—12.
Виды механических вариаторов
Фрикционные вариаторы:
- лобовые;
- конусные;
- шаровые;
- многодисковые;
- торовые;
- волновые;
- клиноременные.
Вариаторы зацепления:
- цепной вариатор.
- высокомоментный вариатор
|
| 12) Зубчатые передачи. Область применения, классификация. Достоинства и недостатки.
Зубча́тая переда́ча
— это механизм или часть механизма, в состав которого входят зубчатые колёса.
Назначение:
- передача вращательного движения между валами, которые могут иметь параллельные, пересекающиеся и скрещивающиеся оси.
- преобразование вращательного движения в поступательное и наоборот.
При этом усилие от одного элемента к другому передаётся с помощью зубьев. Зубчатое колесо передачи с
меньшим числом зубьев называется шестернёй, второе колесо с большим числом зубьев называется колесом.
Пара зубчатых колёс имеющих одинаковое число зубьев в этом случае ведущее зубчатое колесо называется шестернёй, а ведомое — колесом.
Преимущественное распространение получили передачи с зубьями эвольвентного профиля, которые изготавливаются массовым методом обкатки на зубофрезерных или зубодолбежных станках. Достоинство эвольвентного зацепления состоит в том, что оно мало чувствительно к колебанию межцентрового расстояния.
Другие виды зацепления применяются пока ограниченно. Так, циклоидальное зацепление, при котором возможна работа шестерен с очень малым числом зубьев (2-3), не может быть, к сожалению, изготовлено современным высокопроизводительным методом обкатки, поэтому шестерни этого зацепления трудоемки в изготовлении и дороги; новое пространственное зацепление Новикова пока еще не получило массового распространения, вследствие большой чувствительности к колебаниям межцентрового расстояния.
Прямозубые колёса (около 70%) применяют при невысоких и средних скоростях, когда динамические нагрузки от неточности изготовления невелики, в планетарных, открытых передачах, а также при необходимости осевого перемещения колёс.
Косозубые колёса (более 30%) имеют большую плавность хода и применяются для ответственных механизмов при средних и высоких скоростях.
Шевронные колёса имеют достоинства косозубых колёс плюс уравновешенные осевые силы и используются в высоконагруженных передачах.
Колёса внутреннего зацепления вращаются в одинаковых направлениях и применяются обычно в планетарных передачах.
Выбор параметров цилиндрических зубчатых передач обусловлен конструктивными и технологическими условиями. Передаточное отношение U определяется соотношением угловых скоростей (ω) или частот вращения (n) ведомого и ведущего колёс U
=
ω
1
/
ω
2
=
n
1
/
n
2
.
Здесь и далее индексы 1 и 2 расставлены в порядке передачи механической энергии 1- ведущее (шестерня), 2- ведомое (колесо). Учитывая, что в зацепление входят колёса с одинаковым модулем (ГОСТ 9563-60), можно задавшись числом зубьев шестерни Z1
найти число зубьев колеса
Z
2
=
U
*
Z
1
.
Передаточное число U
ограничено габаритами зубчатой передачи.
Его рекомендуется принимать в диапазоне от 2 до 6. Нормальный ряд значений U
стандартизирован в ГОСТ 2185-66.
Ширина колеса задаётся обычно коэффициентом ширины Y
a
=
b
/
Aw
, где b
– ширина венца; Aw
– межосевое расстояние (ГОСТ 2185-66).
Классификация
- По форме профиля зубьев:
- эвольвентные;
- круговые (передача Новикова);
- циклоидальные.
- По типу зубьев:
- прямозубые;
- косозубые;
- шевронные;
- криволинейные.
- По взаимному расположению осей валов:
- с параллельными осями (цилиндрические передачи с прямыми, косыми и шевронными зубьями);
- с пересекающимися осями (конические передачи);
- с перекрещивающимися осями.
- По форме начальных поверхностей:
- цилиндрические;
- конические;
- глобоидные;
- По окружной скорости колёс:
- тихоходные;
- среднескоростные;
- быстроходные.
- По степени защищенности:
- открытые;
- закрытые.
- По относительному вращению колёс и расположению зубьев:
- внутреннее зацепление (вращениие колёс в одном направлении);
- внешнее зацепление (вращение колёс в противоположном направлении).
Достоинства:
- Постоянное передаточное отношение
- Отсутствие проскальзывания
- Большая несущая способность при сравнительно малых габаритных размеров и массы.
- Большая долговечность
- Работа в обширном диапазоне режимов нагрузки
Недостатки:
- Высокие требование к точности изготовления колес и сборки передач.
- Необходимость повышенной стойкости корпусов, валов, и опор.
- Шум
|
| 13)Зубчатые передачи. Методы изготовления зубчатых колес.
1) Литье (диаметром более 600мм)
2) Кованые или штампованные (до 600 мм)
3) Накатка
4) Обработка резанием
- Метод обкатки
В настоящее время является наиболее технологичным, а поэтому и самым распространённым способом изготовления зубчатых колёс. При изготовлении зубчатых колёс могут применяться такие инструменты, как гребёнка, червячная фреза и долбяк.
- Метод копирования (Метод деления)
Дисковой или пальцевой фрезой нарезается одна впадина зубчатого колеса. Режущая кромка инструмента имеет форму этой впадины. После нарезания одной впадины заготовка поворачивается на один угловой шаг при помощи делительного устройства, операция резания повторяется.
Метод применялся в начале XX века. Недостаток метода состоит в низкой точности: впадины изготовленного таким методом колеса сильно отличаются друг от друга.
|
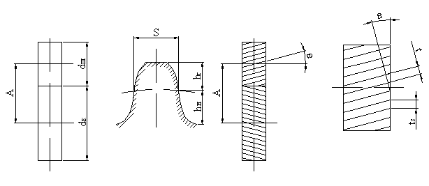
| 14) Зубчатые передачи. Геометрические параметры.
Цилиндрические зубчатые передачи:
Число зубьев шестерни — 
Число зубьев колеса — 
Модуль — 
Угол наклона линии зуба — ( — для прямозубых колёс, — для косозубых колёс, — для шевронных колёс)
Передаточное отношение — 
Расчетные геометрические зависимости
а) прямозубые и косозубые цилиндрические шестерни

а) передаточное отношение:
i = 
б) делительные диаметры шестерен:
dд
= mZ - для прямозубых
dд
= ms
Z = - для косозубых
в) шаг и модуль:
m = ; ms
= ; ts
= ; ms
= .
г) межцентровое расстояние:
- для прямозубых
- для косозубых
д) размеры зуба:
hг
= f0
m; при f0
= 1, hc
= m, hн
= 1.25m
hн
= 1,25 f0
m
- по дуге; f0
- коэффициент высоты зуба.
Здесь: t и m - нормальный шаг и модуль; ts
и ms
- торцевой шаг и модуль; b - угол спирали зуба.
Ряд наиболее распространенных стандартных модулей:
... 1; 1,5; 2; 2,5; 3; 3,5; 4; 4,5; 5; 6; 7; 8; 10; 12 ...
Стандартный угол зацепления a - 20°. Для бесшумной и плавной работы косозубых шестерен необходимо перекрытие зубьев: последующий зуб должен входить в зацеп-ление раньше, чем выйдет из зацепления предыдущий.
|
| 15) Зубчатые передачи. Виды разрушений зубчатых колес. Коррегирование зубчатых колес.
 Виды повреждений поверхности зубьев
Виды повреждения зубчатых передач 1. Поломка зуба. Из-за развития усталостных трещин. Наиболее часто у открытых передач. Расчёт на изгиб; увеличение модуля, снижение концентрации напряжений. 2. Выкрашивание зуба. Закрытые передачи. Расчёт на контактную прочность. 3. Износ зуба. Повышение твёрдости. 4. Заедание (червячные, гипоидные конические). Смазка, химико-терм. обработка. Наиболее распространен расчет на контактную усталость, так как он в какой-то мере предупреждает и другие разрушения зубьев.
Коррекция зубьев шестерен

В целях уменьшения габаритов и веса машин желательно у малых шестерен число зубьев делать минимальным, однако этому препятствует подрез ножки зуба, который для эвольвентного двадцатиградусного зацепления имеет место при Z < 17 зубьев. Вводя коррекцию (теоретическое исправление профиля), можно уменьшить Zmin
до 14 зубьев и даже менее.
1. Угловая коррекция (фау-коррекция) заключается в смещении профиля зубьев малой шестерни в плюс (от центра) на величину:
V = xm
где x - коэффициент коррекции.
При этом увеличивается на величину V межцентровое расстояние, а также угол зацепления, так как при раздвижке центров раздвигаются соответственно и основные окружности, к которым касательна линия зацепления.
2. Высотная коррекция (фау-нуль-коррекция), при которой профиль зубьев малой шестерни смещается в плюс (+V), а профиль зубьев колеса на столько же - в минус (-V). При этом межцентровое расстояние и угол зацепление не меняются, изменяются лишь относительная высота головки и ножки зубьев.
Изготовление корригированных шестерен не представляет никаких трудностей.
КПД зубчатых передач
Для закрытых передач в среднем:
цилиндрических h =0,98,
конических h = 0,97.
Для открытых передач:
цилиндрических h = 0,97,
конических h = 0,96 .
Эти цифры включают также потери в опорах качения, которые невелики и составляют от 0,25 до 0,5 % на опору при надежной смазке.
|
| 16) Зубчатые передачи. Кинематические и силовые соотношения.
|
| Прямозубые цилиндрические передачи. Достоинства и недостатки. Геометрические параметры.
|
| Прямозубые цилиндрические передачи. Усилия в зацеплении.
|
| Последовательность проектного расчета прямозубой цилиндрической передачи.
|
| Косозубые цилиндрические передачи. Достоинства и недостатки. Геометрические параметры.
|
| Косозубые цилиндрические передачи. Усилия в зацеплении.
|
| Последовательность проектного расчета косозубой цилиндрической передачи.
|
| Конические передачи. Достоинства и недостатки. Геометрические параметры.
|
| Конические передачи. Усилия в зацеплении.
|
| Последовательность проектного расчета конической передачи.
|
| Передача винт-гайка. Назначение, конструкция. Материалы элементов
|
| Передача винт-гайка. Достоинства и недостатки. Виды резьбы.
|
| Резьбовые соединения. Крепежные резьбы. Параметры соединения.
|
| Передача винт-гайка. Расчет на износ и на прочность
|
| Червячная передача. Назначение, конструкция. Достоинство и недостатки Материалы элементов
|
| Червячная передача. Геометрические параметры. Кинематические соотношения.
|
| Червячная передача. Силовые соотношения.
|
| Червячная передача. Усилия в зацеплении
|
| Червячная передача. Порядок расчета
|
| Ременные передачи. Классификация. Достоинства и недостатки. Устройство плоских ремней
|
| Ременные передачи. Кинематические и силовые соотношения.
|
| Клиноременные передачи. Достоинства и недостатки. Характеристика ремня.
|
| Клиноременные передачи. Кинематические, силовые и геометрические параметры.
|
| Клиноременные передачи. Конструкция шкива
|
| Порядок расчета клиноременной передачи
|
| Цепные передачи. Достоинства и недостатки. Классификация. Конструкция.
|
| Цепные передачи. Силовые, кинематические, геометрические параметры.
|
| Порядок расчета цепной передачи
|
| Валы и оси. Назначение. Классификация. Элементы вала.
|
| Расчет оси на прочность
|
| Приближенный расчет валов на прочность
|
| Уточненный расчет на выносливость
|
| Расчет вала на жесткость
|
| Подшипники скольжения. Область применения, конструкции, материал.
|
| Расчет подшипников скольжения
|
| Классификация подшипников качения. Их характеристика.
|
| Элементы подшипников качения. Материал, маркировка
|
| Смазка подшипников качения. Уплотнения. Конструирование подшипниковых узлов.
|
| Подбор и расчет подшипников качения.
|
| Редукторы. Назначение, виды, элементы редуктора.
|
|