Реферат: Курс 5 семестр 9 группа студент принял: преподаватель Липецк г Задание кафедры
|
Название: Курс 5 семестр 9 группа студент принял: преподаватель Липецк г Задание кафедры Раздел: Остальные рефераты Тип: реферат | |||||||||||||||||||||||||||||
| ЛИПЕЦКИЙ ГОСУДАРСТВЕННЫЙ ТЕХНИЧЕСКИЙ УНИВЕРСИТЕТ Кафедра прокатки КУРСОВАЯ РАБОТА По курсу управление качеством проката Разработка способов обеспечивающих предупреждение и уменьшение вероятности возникновения дефекта «ржавчина», и автоматизированной системы для улучшение продольной разнотолщинности холоднокатаных полос. курс 5 семестр 9 выполнил: группа студент принял: преподаватель Липецк – г Задание кафедрыРазработать способы, обеспечивающие предупреждение и уменьшение дефекта «ржавчина», и автоматизированную систему для улучшение продольной разнотолщинности холоднокатаных полос.Аннотацияс. 15, рис. 3 , библ. 5 наим. В данной курсовой работе рассмотрены причины и факторы, влияющие на возникновение дефекта прокатного производства – «ржавчина», и влияния технологии производства проката на продольную разнотолщинность холоднокатанных полос. Также в работе представлены способы и система автоматизированного регулирования, обеспечивающие уменьшение дефекта «ржавчина», и улучшение продольной разнотолщинности холоднокатаных полос. Оглавление c.
1. Цель работы В данной работе рассмотрим причины возникновения дефекта прокатного производства – «ржавчина», и формирования продольной разнотолщинности холоднокатаной полосы. Разработаем способы, предупреждающие и уменьшающие вероятность образования данного дефекта, а так же способные улучшать продольную разнотолщинность холоднокатаных полос. 2. Причинно-следственная диаграмма влияния технологических факторов производства проката на вероятность образования дефекта «ржавчина»
1. плохое удаление кислоты и шлама с поверхности полосы после ванн промывки на травильных линиях; 2. недостаточная просушка поверхности полосы; 3. применение на прокатных или дрессировочных станах эмульсии, приготовленной на воде, содержащей соли хлоридов или сульфидов; 4. остатки эмульсии между витками рулонов; 5. длительное хранение металла перед технологическими операциями, особенно в атмосфере, содержащей следы сернистых соединений; 6. консервация готовой продукции маслами, не содержащими эффективных ингибиторов коррозии; 7. попадание влаги на полосу после травления; 8. плохая консервация листов; 9. недостаточная нейтрализация кислоты при промывке и несовершенная сушка полосы после травления; 10. быстрая смена температуры при хранении и транспортировке листов; 3. Причинно-следственная диаграмма влияния технологических факторов производства проката на продольную разнотолщинность холоднокатаных полос
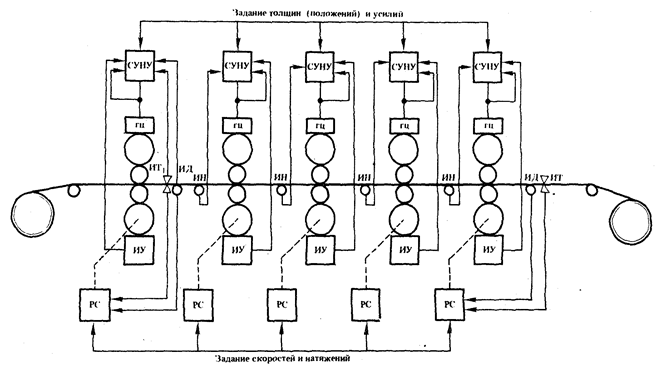
1. режим горячей прокатки; 2. колебание значения сопротивления деформации по длине полосы; 3. неравномерность химического состава по длине полосы; 4. неравномерность температуры по длине полосы; 5. неравномерность подачи тепла по ширине методической печи, при нагреве слябов перед прокаткой; 6. изменение количества подаваемого топлива или окислителя на горелки по ширине печи; 7. режим выплавки и разливки слябов; 8. изменение коэффициента трения; 9. изменение состава окалины по длине полосы; 10. биение валковой системы; 11. значительный износ рабочих поверхностей зубьев зацепления в линии привода валков прокатной клети; 12. эксцентриситет валков; 13. огранка поверхности валков; 14. резкое изменение условий трения между рабочими и опорными валками; 15. несоответствие величины параметров технологического процесса условию устойчивой работы стана, в связи с чем возникают затухающие или незатухающие колебания (автоколебания) рабочих валков стана; 16. изменение скорости прокатки по длине полосы; 17. эффективность САРТ стана горячей прокатки; 18. жесткость клети; 19. режим холодной прокатки; 20. эффективность САРТ стана холодной прокатки. 4. Выбор наиболее влияющих и одновременно управляемых технологических факторов производства проката влияющих на вероятность образования дефекта «ржавчина» и на формирование продольной разнотолщинности холоднокатанных полос Можно выбрать следующие наиболее влияющие на вероятность образования дефекта «ржавчина» и на формирование продольной разнотолщинности холоднокатанных полос факторы. Для дефекта «ржавчина» это: плохое удаление кислоты и шлама с поверхности полосы после ванн промывки на травильных линиях, недостаточная просушка поверхности полосы, длительное хранение металла перед технологическими операциями, особенно в атмосфере, содержащей следы сернистых соединений.На формирование продольной разнотолщинности наибольшее влияние оказывают разнотолщинный подкат и изменение межвалкового зазора. Для эффективного управления продольной разнотолщинностью разработаем автоматизированную систему принцип работы который основан на управление изменением межвалкового зазора. Так же разработаем способы, для эффективного предупреждения и уменьшения вероятности образования дефекта «ржавчина». 5. Разработка способов обеспечивающих предупреждение и уменьшения вероятности образования дефекта «ржавчина» Для эффективного предупреждение и уменьшения вероятности образования дефекта «ржавчина» необходимо применять следующие меры. 1) Рулоны и листы нужно хранить на сухом складе, где поддерживается равномерная температура. Травленые листы нужно тщательно нейтрализовать, промыть, просушить, а после травления промаслить. Не допускать попадания на листы влаги. Дефекты частично устраняется повторным травлением и дрессировкой. 2) Полностью удалять кислоту с поверхности полос травления путем тщательной промывки. 3) Тщательно просушивать полосу после промывки. 4) Полностью удалить эмульсию с поверхности полос до смотки в рулон. 5) Не допускать попадания влаги на поверхность полос. 6) Хранить металл перед дрессировкой, резкой и упаковкой не более суток. 7) Осуществлять качественную смазку листов и полос. 8) Для консервации полос применять смазки, эффективно защищающие поверхность металла от коррозии. 9) Не допускать хранение листов и полос вблизи агрессивных сред. 10) Постоянный контроль за процессом травления. 11) Профилактический осмотр оборудования. 6. Разработка автоматизированной системы, обеспечивающей улучшение продольной разнотолщинности холоднокатаных полос Система автоматического регулирования толщины ( САРТ ) САРТ предназначена для автоматического регулирования и стабилизации толщины полосы по ее длине. Автоматическое регулирование толщины полосы осуществляется по схеме, аналогичной схеме САРТ стана 2030 ЛПП ОАО "НЛМК" [1] Разнотолщинность устраняется в двух первых клетях. При этом в первой клети регулирование толщины осуществляется регулировкой зазора между валками (а точнее поддержанием его неизменным), во второй — изменением натяжения между этими клетями за счет изменения скорости первой клети. На рис.3 показана схема регулирования толщины полосы. Основной принцип регулирования — сохранение условия постоянства секундного объема металла, проходящего через клети стана. Фактически здесь применяется общепринятая в настоящее время стратегия регулирования, использующая два основных канала регулирования: изменение зазора и изменение натяжения. Такие системы, давно и успешно эксплуатируются на четырех- и пятиклетьевых отечественных станах холодной прокатки [5]. Комплекс подобных систем включает взаимосвязано и согласованно действующие: грубый регулятор, воздействующий на толщину полосы в первой клети через нажимное устройство функции отклонения толщины за первой клетью; тонкий регулятор, компенсирующий изменения натяжения, ошибки толщины; систему регулирования натяжений, воздействующую через нажимные устройства клетей. Фактически отработка управляющих сигналов тонкого регулятора осуществляется через систему регулирования натяжений. Как видно из рис.3, все отмеченное нашло отражение в системе регулирования технологических параметров пятиклетьевого стана холодной прокатки.
Рис.3. СУНУ —система управления нажимным устройством; ГЦ —гидроцилиндр; ИТ — измеритель толщины; ИД— измеритель длины; ИН — измеритель натяжения; ИУ — измеритель усилия; PC — регулятор скорости Так, как стан оборудован гидравлическими нажимными устройствами, среднее быстродействие которых в несколько десятков раз выше, чем быстродействие электромеханических нажимных устройств. Отсюда сокращение переходных процессов и ослабление динамических аспектов в регулировании, т.е. по отношению к большинству возмущений гидронажимное устройство можно рассматривать как статическое звено, в то врем как электромеханическое устройство будет по отношению к ним звеном динамическим. Во-вторых, благодаря тиристорному питанию, совершенствованию схем управления двигателями, уменьшению их маховых масс снижаются, постоянны времени главного привода и повышается его быстродействие. В-третьих, благодаря указанным мерам существенно повышается точность задания и отработки как зазоров, так и скоростей по клетям стана в статическом и динамическом режимах ра боты. Система действует следующим образом. Толщина полосы за первой клетью контролируется толщиномером. Его показания сравниваются с заданной уставной и в зависимости от отклонения формируется управляющий сигнал на изменение зазора в пepвой клети. Этот сигнал отрабатывается через систему регулирования давления в гидроцилиндрах первой клети. Неотработанные в первой клети ошибки передаются на последующие клети и устраняются изменением скорости и натяжений в межклетьевых промежутках. Так, если толщина во второй клети возросла на 1% по отношению к заданной (это означает, что h 1 на 1 % более номинальной), то скорость V 1 , уменьшается на столько же, так что секундный объем сохраняется постоянным. Изменение натяжения в первом промежутке, вызываемое замедлением первой клети, компенсируется соответствующим уменьшением зазора во второй клети и т. д. Отклонения толщины на выходе стана, измеряемые толщиномером за пятой клетью, воздействуют на скорость пятой клети. Регулирование натяжения полосы за пятой клетью также осуществляется изменением скорости в этой клети. Таким образом, грубое регулирование толщины осуществляется в первой клети изменением зазора, а тонкое регулирование толщины за пятой клетью— изменением скорости пятой клети, приводящим к изменению натяжения между клетями 4 и 5 При регулировании толщины компенсируется эксцентриситет валков. Незначительные и медленно меняющиеся ошибки толщины устраняются при коррекции режим прокатки. При прокатке тонких полос обжатие в пятой клети может быть весьма малым и тогда в пятой клети поддерживается постоянное усилие, а толщина регулируется в четвертой клети воздействием на скорость четвертой клети. Скорость пятой клети при этом изменяется так, чтобы сохранить усилие в пятой клети. Кроме того, в этом случае для регулирования толщины пятой клети используются нажимные устройства четвертой клети. Система регулирования толщины в качестве датчике использует изотопные толщиномера, установленные во всех промежутках и за последней клетью. Толщиномеры гарантируют надежность измерения толщины не ниже чем ± 0,3 % постоянные времени не более 100 мс. ЗаключениеВ заключение можно сделать следующие вывод - применение разработанных способов и системы может существенно снизит вероятность образования дефекта «ржавчина», и позволит улучшить продольную разнотолщинность холоднокатаных полос. Библиографический список 1. Современный цех холодной прокатки углеродистых сталей/ Франценюк И.В., Железнов Ю.Д., Кузнецов Л.А. , и др. – М.: «Металлургия», 1984, - 154 с. 2. Архангельский В.И., Васечкин В.И . АСУ листопрокатных станов – М.: «Металлургия», 1994, - 335 с. 4. Технология прокатного производства. Учебник для вузов/ Груднев А.П., Машкин Л.Ф., Ханин М.И. –М.: «Металлургия», 1994, - 656 с. 5. Дружинин Ю.Д. Непрерывные станы как объект автоматизации. – М.: «Металлургия», 1975, - 336 с. |
|||||||||||||||||||||||||||||
Работы, похожие на Реферат: Курс 5 семестр 9 группа студент принял: преподаватель Липецк г Задание кафедры

