Реферат: Методика расчета пружин первой ступени Расчет параметров гидравлического гасителя колебаний список литературы
|
Название: Методика расчета пружин первой ступени Расчет параметров гидравлического гасителя колебаний список литературы Раздел: Остальные рефераты Тип: реферат | |||||||||||||||||||||||||||||||||||||||||||||||||||||||||||||||||||||||||||||||||||||||||||||||||||||||||||||||||||||||||||||||||||||||||||
| Федеральное агентство железнодорожного транспорта Иркутский государственный университет путей сообщения Кафедра: «Электроподвижной состав»
КУРСОВАЯ РАБОТА Расчет рамы тележки локомотива Вариант №10 Выполнил: Студент гр. ЭПС-05-2 Деревцов Д.А. Проверил: Профессор Буйнова Н.П. Иркутск 2006 Содержание: 1.Задание…………………………………………………………………………………..3 2.Определение расстояния между колесными парами и составление эскиза рамы тележки……………………………………………………………………………………6 3.Установление основных размеров тележки…………………………………………..7 4.Составление весовой ведомости…………………………………………………........8 5Статическая развеска электровоза……………………………………………………10 6.Проектирование и расчет жесткости элементов рессорного подвешивания….......13 7.Расчет эквивалентной жесткости первой и второй ступени подвешивания………15 8.Расчет параметров и проверка жесткости пружин………………………………….16 8.1.Методика расчета пружин первой ступени………………………………………..16 8.1.Методика расчета пружин первой ступени………………………………………..18 9.Расчет параметров гидравлического гасителя колебаний …………………………21 10.Список литературы………………………………………………………………......24 1.ЗАДАНИЕ на выполнение курсового проекта по расчету рамы тележки электровоза по дисциплине «Электрические железные дороги» для студентов специальности 180700 «Электрический транспорт железных дорог» Студенту группы ЭПС-05-2 Деревцову Д.А. Вариант № 10 Исходные данные:
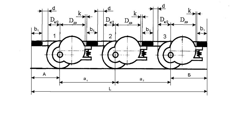
Срок защиты _________________________________________________ 2.Определение расстояния между колесными парами и составление эскиза рамы тележки Приступая к расчетной части проекта, необходимо определить основные размеры рамы тележки. Прежде всего, при проектировании электровозных тележек должны быть учтены требования вписывания в габарит очертания подвижного состава для локомотивов (1T ГОСТ9238-83). Назначая основные размеры рамы тележки, необходимо стремиться к уменьшению расстояния между колесными парами с целью сокращения стоимости механической части, уменьшения жесткой базы и облегчения вписывания в кривые. Расстояние между колесными парами назначается по конструктивным соображениям; оно зависит от осевой формулы и принятого способа передачи вращающего момента от тягового двигателя к колесным парам. При назначении расстояния между колесными парами электровозов и электросекций следует иметь в виду, что междурамные крепления располагаются таким образом, чтобы к ним при необходимости можно было бы подвесить тяговый двигатель. При индивидуальном приводе уменьшение расстояния между колесными парами и соответствующее снижение веса тележки значительно снижает момент инерции тележки относительно вертикальной оси, проходящей через шкворень. В меньшей мере это имеет место при групповом приводе (мономоторные тележки). Уменьшение момента инерции тележки снижает боковые воздействия на путь при ударах колесных пар при дефектах пути в плане. Особенно это имеет значение при движении в кривых, когда колесные пары в течение всего времени движения гребнем касаются головки рельса. Снижение момента инерции сказывается и на уменьшении кинетической энергии при вилянии тележек, вызывающей также боковые удары о рельс. Кинетическая энергия пропорциональна произведению момента инерции на квадрат частоты виляния. Таким образом, уменьшение расстояния между колесными парами, то есть уменьшение базы тележки, снижает момент инерции, но, с другой стороны, увеличивает частоту виляния. Проектирование следует начинать с выбора минимального расстояния между колесными парами. Для этого вычерчиваются габаритные размеры колёсно-моторного блока по габаритам выбранного тягового двигателя и заданного диаметра колес по кругу катания с соблюдением габарита между низом двигателя и уровнем головок рельсов. Диаметры колес выбираются по установленным ГОСТом размерам бандажей и колес. Расстояние между колесными парами определяется габаритами колесно-моторных блоков, сечениями поперечных балок и их очертанием в плане. Таким образом, составить эскиз тележки (вид сверху и вид сбоку) означает подобрать основные геометрические размеры тележки. 3 .Установление основных размеров тележки. На рис.3 представлена рама тележки с опорно-осевым подвешиванием с указанием основных размеров.
Основными размерами тележки являются:
а а а a b e – расстояние от оси колесной пары до торца поперечной балки рамы; Д b b Основные конструктивные размеры тяговых двигателей эксплуатируемых электровозов определяются на основании данных, приведенных в справочной литературе. Выбранный двигатель: НБ 412 Д k - длина опорных лап тяговых двигателей; k = 0,15 м. Используя эти данные, найдем общую длину тележки: А = b Б = Д L= А + а 4 . Составление весовой ведомости.
На основании весовой ведомости определяется нагрузка, действующая на раму тележки, с учетом которой выполняется проектирование и расчет рессорного подвешивания, а также прочностной расчет рамы. Составление весовой ведомости - заключается в установлении веса отдельных элементов и всей тележки в целом, а также веса кузова. Вес рамы тележки подсчитывается по ее отдельным узлам и складывается из веса: - рамы тележки - рессорного подвешивания; - тормозного оборудования; - колесных пар; - тяговых двигателей; - тяговой передачи. Нагрузки колесных пар на рельсы принимаются для всех колесных пар одинаковыми. Составление весовой ведомости электровоза преследует цель увязать конструктивный вес с заданной нагрузкой колесных пар на рельсы. Весовая ведомость составляется упрощенно, т.е. вес мелких деталей учитывается с помощью равномерно распределенной по длине боковины нагрузки и суммируется с весом самой боковины. Вес мелких деталей, расположенных на поперечных балках, суммируется с их весом. Весовая ведомость электровоза с опорно-осевым подвешиванием представлена в таблице№1.
Таблица№1(Весовая ведомость электровоза с опорно-осевым подвешиванием)
5 . Статическая развеска электровоза.
Установив величины сосредоточенных и равномерно распределенных нагрузок, необходимо вычертить эскиз рамы и составить расчетную схему приложения нагрузок. При этом величины сосредоточенных нагрузок берутся из составленной ранее весовой ведомости. Эти нагрузки считаются приложенными в соответствующих точках или в центре тяжести соответствующих узлов. В первом приближении их можно считать сосредоточенными в геометрическом центре узла. К сосредоточенным нагрузкам относятся: - часть веса кузова, приходящаяся на одну тележку; - вес средних поперечных балок; - вес двигателя при опорно-осевом подвешивании; - вес крайних поперечных балок рамы; - вес рессорного подвешивания; - вес тормозного оборудования К равномерно распределенной нагрузке следует отнести вес боковины рамы тележки. Для проверки правильности составления расчетной схемы используют условие: сумма всех обрессоренных и необрессоренных нагрузок на вертикальную ось симметрии тележки должна быть равна 0.
Если это условие не выполняется, значит, допущена ошибка и необходимо проверить определение веса кузова и расчетную схему нагрузок. На рис. 4 приведена расчетная схема рамы трехосной тележки.
P P P P P P P R - реактивные усилия, возникающие в точках крепления к раме тележки пружин и балансиров; q – распределённая нагрузка;
q= P 1+8+73,5+4+15,5+2,7+340,5+2*1,488*6,82-12*38,79=0 Данное условие выполнено.
На рис.5 представлена схема статистической развески электровоза. Сущность развески заключается в том, чтобы на основании уравнений равновесия тележки электровоза определить место нахождения дополнительных опор кузова, обеспечивающее проектное распределение нагрузок на колесные пары. При составлении уравнения равновесия все усилия, действующие на раму, разносятся на две боковины, т.е. на каждую боковину приходится половина веса концевых и поперечных балок, половина веса кузова приходящегося на тележку.
При выполнении статической развески электровоза необходимо выполнение условия, которое определяет равенство нулю моментов всех сил и реакций относительно произвольно выбранной точки А. В общем случае уравнение суммы моментов относительно точки А имеет вид:
Расстояние до первой боковой опоры равно Расстояние до второй боковой опоры равно 6. Проектирование и расчет жесткости элементов рессорного подвешивания. Согласно «Техническим требованиям к проектируемым локомотивам по условиям прочности, динамики и воздействия на путь», поездные и грузовые локомотивы должны иметь две ступени подвешивания. При этом общий статический прогиб рессорного подвешивания должен быть для пассажирских локомотивов не менее 0,14 м и для грузовых не менее 0,1 м. В зависимости от назначения электровоза (грузовой, пассажирский, высокоскоростной) решаются вопросы гибкости рессорного подвешивания, распределения гибкости в каждой ступени. По числу пружин, приходящихся на точку передачи усилия, следует различать одинарное и двойное подвешивание. Первая ступень подвешивания электровозов (буксовое подвешивание) состоит, как правило, из рессор и пружин, рессор, пружин и балансиров, пружин и гидравлических гасителей. Для уменьшения изменения нагрузок при прохождении колесами неровностей пути рессорное подвешивание должно быть достаточно гибким. Листовые рессоры или гидравлические гасители должны обеспечивать достаточное трение для того, чтобы поглощать энергию колебаний надрессорного строения и способствовать этим затуханию колебаний. Если принятая система рессорного подвешивания включает рессоры и пружины, то сначала рассчитывается отдельно жесткость пружин, затем жесткость рессор и только потом определяется эквивалентная жесткость подвешивания на колесо, если система не имеет балансиров, или на сторону, если система сбалансирована. Выбор типа рессорного подвешивания электровозов связан с выбором типа опор кузова по условию обеспечения устойчивости тележки. Для двухосных тележек применяется независимое (несбалансированное) комбинированное (в виде рессор с пружинами) подвешивание тележки (электровоз ВЛ80), или подвешивание из рессор с резиновыми пакетами по концам (тележки электровозов ЧС1 и ЧС3). Для скоростных электровозов рекомендуется пружинное подвешивание с гидравлическими гасителями колебаний. Сбалансированное подвешивание трехосных тележек выполняется комбинированием рессор с пружинам; причем у грузовых электровозов пружины располагаются только по концам сбалансированной системы (электровоз ВЛ60), у пассажирских же пружины располагаются по концам каждой рессоры (электровозы ЧС2). У трехосных тележек скоростных электровозов сбалансирование рессор или пружин, как правило, не выполняется, так как при высоких скоростях движения выравнивание нагрузок колес балансирами не эффективно. Однако следует иметь ввиду, что сбалансирование обеспечивает сохранение статического распределения нагрузок и не требует проверки на весах нагрузок колес на рельсы на случай возможной просадки рессор или пружин. Вторичное рессорное подвешивание электровозов выполняется с применением люлек с продольными рессорами и со скользящими опорами на них (электровозы серии ЧС1, ЧС2) или со скользящими пружинными опорами (электровозы ЧС-4 и ВЛ10 до №1297). В последнее время применяется люлечное подвешивание, которое предназначено для передачи вертикальных и поперечных сил от кузова на тележку (электровозы ВЛ80, ВЛ85, ВЛ65). Для гашения вертикальных колебаний упругое подвешивание должно иметь соответствующее демпфирование. Для уменьшения виляния локомотива следует применить демпфирование между кузовом и тележками в горизонтальной плоскости. В ходе расчетов в соответствии с заданием выполняется распределение статического прогиба между ступенями рессорного подвешивания, причем
где
Основной характеристикой рессор и пружин является их жесткость. При последовательном соединении рессор и пружин в первой ступени рессорного подвешивания fст распределяется между пружинами и рессорами, причем
где Жесткость пружины в этом случае определяется по формуле:
где
где
На рис 6 изображена схема первой ступени несбалансированного подвешивания
Жесткость пружин второй ступени подвешивания определяется по формуле: ж ж nк - число пружин в кузовном подвешивании тележку; ж
7. Расчет эквивалентной жесткости первой и второй ступеней подвешивания.
Для последующего расчета динамических параметров проектируемой системы при построении расчетных схем, как правило, жесткость отдельных рессор и пружин заменяется эквивалентной жесткостью подвешивания, приходящейся на колесо, на колесную пару, на сторону или на тележку. Жесткость эквивалентной пружины, приходящейся на колесо и заменяющей две параллельно включенные пружины трёхосной тележки с несбалансированным рессорным подвешиванием, (рис7)
Так как в рессорном подвешивании трёхосной тележки работают шесть групп комплектов, содержащих по две пружины
Эквивалентная жесткость второй ступени подвешивания определяется из суммы гибкостей соответствующего заданию числа параллельно включенных пружин кузовного подвешивания:
8.Расчет параметров и проверка жесткости пружин.
8.1. Методика расчета пружин первой ступени. Расчет пружины, имеющей заданную вертикальную и поперечную жесткость, заключается в определении ее геометрических размеров на основе существующих конструктивных и прочностных ограничений. К определяемым геометрическим размерам пружины (рис.8.) относятся:
Рис.8.
Количество витков пружины, рассчитывается по формуле
где G - модуль сдвига G = 8•1010 Па.
Если
Касательное напряжение от статической нагрузки или коэффициент запаса по напряжению определяются по формулам
Полученные при расчете значения касательных напряжений, которые возникают в пружине, не должны превышать величины
Так как пружины надрессорного строения электровоза работают в сложном напряженном состоянии, меняющемся по асимметричному циклу, то необходимо выполнить не только расчет напряжений Для определения запаса прочности
При выполнении условий
8.2. Методика расчета пружин второй ступени. Если при максимальном значении диаметра прутка коэффициент запаса остается меньше 1,7, то увеличивается количество параллельно работающих пружин, т.е. вместо одной пружины применяют две, вложенные одна в другую. При этом радиусы витков и прутков пружин подбирают так, чтобы напряжение пружин было одинаковым (рис. 9):
Нагрузка, приходящаяся на каждую пружину, при условии равенства напряжений в витках определяется следующим образом. Если двухрядная пружина нагружена силой
откуда Так как
Напряжение в материале пружин
Жесткость внешней пружины
Жесткость внутренней пружины
Число витков пружин
При выполнении условий
9. Расчет параметров гидравлического гасителя колебаний. Для подбора гидравлических гасителей с оптимальным коэффициентом демпфирования необходимы следующие данные: величина колеблющейся массы, жесткость рессорного подвешивания, длина неровности, критическая скорость движения по заданной неровности. Частота собственных колебаний тележки без учета демпфирования определяется по формуле
При равенстве частоты внешнего возмущения
Оптимальному значению коэффициента демпфирования соответствует минимальное значение функционала J, учитывающего отклонения и ускорения системы за длительное время где - весовой коэффициент, учитывающий влияние ускорения. После умножения функционала J на жесткость рессорного подвешивания легко уяснить его физический смысл: это энергия, сообщаемая системе и расходуемая на колебания. Для практического применения на основании выше приведенной формулы получено следующее выражение для расчета функционала: z0 где яд - начальное отклонение массы.
Для пяти - шести значений коэффициента демпфирования от 0 до 1 определяются соответствующие значения функционала
По кривой J(D) определяется оптимальное значение коэффициента демпфирования Dопт , соответствующее минимальному значению функционала Jmin . Для найденного оптимального значения коэффициента демпфирования Dопт рассчитывается соответствующий ему параметр гасителя колебаний
и частота колебаний узла демпфирования
С учетом демпфирования определяется частота собственных колебаний
Период колебаний
Отношение двух последовательных амплитуд затухающих колебаний называется декрементом затухания d
Декремент затухания в может быть определен по формуле
Натуральный логарифм этого отношения называется логарифмическим декрементом затухания
10.Список литературы. 1. Буйнова Н.П., Капустина Е.П.Механическая часть локомотивов: Методическое пособие. - Иркутск: ИрИИТ,2001. 2.Дубровский З.М., Попов В.И., Тушканов Б.А. Грузовые электровозы переменного тока. - М.: Транспорт, 1991. 3.Справочник по электроподвижному составу. / Под ред. Л.И.Тищенко.-М.:Транспорт, 1976.-Т.1.. 4. Механическая часть тягового подвижного состава. / Под ред. И.В. Бирюкова - М.: Транспорт, 1992. 5. Калинин В.К., Михайлов Н.М., Хлебников В.Н. Электроподвижной состав железных дорог. - М.: Транспорт, 1972. |
Основными размерами тележки являются:
;
;
; 


кН




Па



,
.
Н
Н
; 

кН/м
кН/м
.
c-1
где, Н/м - эквивалентная жесткость комплекта рессор и пружин одной колесной пары;
км/ч
км/ч
c-1
c-1