Реферат: работа по курсу
|
Название: работа по курсу Раздел: Остальные рефераты Тип: реферат | |||||||||||||||||||||||||||||||||||||||||||||||||||||||||||||||||
| Министерство образования и науки РФ
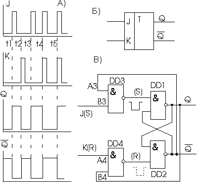
Задание, Постановка задачи 3 Описание JK-триггера 4,5 Алгоритм 6 Функциональная схема, временная диаграмма 7 Принципиальная схема 8 Список литературы 9 Деление частоты на 13 с помощью JK-триггеров. Для деления частоты на 13 необходимо пропускать только каждый тринадцатый импульс. Это может быть реализовано посредством применения счетчика, который дает выходной импульс при записи в него значения 13. ОПИСАНИЕ JK-ТРИГГЕРА Триггер типа JK представляет собой устройство с двумя устойчивыми выходными состояниями, обладающее двумя информационными входами J и K (рис. 7.1). По принципу действия он сходен с RS-триггером, с той разницей, что в состояниях JK-триггера нет неопределенности при одновременном поступлении сигналов высокого уровня на оба входа. На рис. 7.1В показана схема JK-триггера на ЛЭ И-НЕ. Она отличается от схемы RS-триггера только тем, что элементы DD3 и DD4 включены не как инверторы, а по входам A3 и A4 управляются сигналами с выходов триггера /Q и Q, соответственно. Работу схемы поясняет рис. 7.1А. Если JK-триггер находится в нулевом состоянии (Q = 0, a /Q = 1 -до момента t1) и на вход J поступит сигнал показанного на рисунке вида, на выходе DD3 за счет связи выхода /Q с входом A3, возникнет сигнал низкого уровня. Он будет действовать подобно сигналу /S на входе /R/S-триггера, образованного элементами DD1 и DD2, т. е. вызовет смену состояния триггера. Если JK-триггер пребывал в единичном состоянии (Q = 1 и /Q = 0 - до момента t2) и сигнал поступит на вход K, то, рассуждая аналогично, можно убедиться, что на выходе DD4 возникает сигнал (показан на рисунке штрихами), который действует подобно сигналу /R, т. е. состояние триггера снова изменится (в этом случае на выходе DD3 напряжение высокого уровня). Когда на обоих входах J и К одновременно напряжение низкого уровня, состояние триггера сохраняется.
Рис. 7.1. JK-триггер: А - временная диаграмма работы, Б - условное графическое обозначение, В - схема с четырьмя ЛЭ И-НЕ Когда на входы J и К одновременно поступает напряжение высокого уровня, дальнейшее поведение триггера зависит от его исходного состояния. 1. Исходное состояние JK-триггера - единичное (Q = 1 и /Q = 0 - после момента t3). За счет связи /Q с A3 на входе A3 = 0 и на выходе DD3 сохраняется напряжение высокого уровня, на которое сигнал J= 1 на входе Вз не влияет. В то же самое время на выходе элемента И-НЕ (DD4) вследствие связи входа В4 с выходом Q (Q = 1) появится сигнал /R, от которого /R/S-триггер, состоящий из DD1 и DD2, сменит состояние (Q = 0, a /Q = l - после момента t4). 2. Исходное состояние триггера - нулевое (Q = 0 и /Q = 1 - после момента t4). Рассуждая аналогично, нетрудно убедиться, что на выходе DD4 сохранится напряжение высокого уровня, а на выходе DD3 появится сигнал /S, который сменит состояние /R/S-триггера (Q = 1, /Q = 0 - после момента t5). Таким образом, в обоих случаях JK-триггер меняет свое состояние. В этом и состоит различие между JK- и RS-триггерами. Работа JK-триггера определяется следующей таблицей состояний:
![]()
Функциональная схема , временная диаграмма
![]() ![]() ![]() ![]()
D1.2 D2.1
+5B
Использовались микросхемы К555ТВ6 (2 JK-триггера без входа S) и микросхемы К555ЛИ6 (логическое И
). Частота подается на C
, деленная частота выходит на /13
. · Лекции. Зак Е.А. · “Популярные цифровые микросхемы” Шило В.Л. · “Применение интегральных микросхем серии ТТЛ” Бирюков С.А. |
|||||||||||||||||||||||||||||||||||||||||||||||||||||||||||||||||
Работы, похожие на Реферат: работа по курсу





