Учебное пособие: Методические указания к практическим занятиям 2004
|
Название: Методические указания к практическим занятиям 2004 Раздел: Остальные рефераты Тип: учебное пособие
| ||||||||||||||||||||||||||||||||||||||||||||||||||||||||||||||||||||||||||||||||||||||||||||||||||||||||||||||||||||||||||||||||||||||||||||||||||||||||||||||||||||||||||||||||||||||||||||||||||||||||||||||||||||||||||||||||||||||||||||||||||||||||||||||||||||||||||||||||||||||||||||||||||||||||||||||||||||||||||||||||||||||||||||||||||||||||||||||||||||||||||||||||||||||||||||||||||||||||||||||||||||||||||||||||||||||||||||||||||||||||||||||||||||||||||||||||||||||||||||||||||||||||||||||||||||||||||||||||||||||||||||||||||||||||||||||||||||||||||||||||||||||||||||||||||||||||||||||||||||||||||||||||||||||||||||||||||||||||||||||||||||||||||||||||||||||||||||||||||||||||||||||||||||||||||||||||||||||||||||||||||||||||||||||||||||||||||||||||||||||||||||||||||||||||||||||||||||||||||||||||||||||||||||||||||||||||||||||||||||||||||||||||||||||||||||||||||||||||||||||||||||||||||||||||||||||||||||||||||||||||||||||||||||||||||||||||||||||||||||||||||||||||||||||||||
| Министерство образования и науки Украины Восточноукраинский национальной университет им. Владимира Даля Рубежанский филиал Инженерно-экономический факультет Кафедра высшей математики и компьютерных технологий КОНТРОЛЬ И УПРАВЛЕНИЕ ХИМИКО-ТЕХНОЛОГИЧЕСКИХ процессов Методические указания к практическим занятиям 2004 Методические указания к практическим занятиям по курсу «Контроль и управление химико-технологических процессов» (для направления 0916 «Химическая технология та инженерия», специальностей 7.091601,7091605 ). Составители Кравченко Г.В., Кондратов С.О. – Рубежное, РФ ВУНУ, 2004 – 80 стр. Настоящие методические указания предназначены для оказания помощи студентам при выполнении практических заданий, закрепляющих теоретические знания, полученные в результате изучения курса «Контроль и управдение химико-технологических процессов». В методических указаниях изложены цель, методика, последовательность и расчётные формулы, блок-схемы алгоритмов и Delphi-программы расчёта измерительных схем автоматического моста и потенциометра, диафрагмы для измерения расхода вещества, протекающего по трубопроводам, регулирующих клапанов автоматических систем регулирования и статистической обработки экспериментальных данных. При выполнении практических заданий студентам необходимо знать основные правила работы на IBM PC-совместимых компьютерах и основные принципы программирования в системе быстрой разработки приложений Delphi. Одобрено кафедрой ВМКТ, протокол № ____ от ________2004__ Зав. кафедрой ВМКТ Кондратов С.А. Практическое занятие 1 Тема: Обработка результатов измерений на персональном компьютере Цель практического занятия – научиться определять наиболее вероятные значения измеряемого параметра по серии измерений и оценивать надёжность полученного результата. 1.1 Краткие теоретические сведения Статистическая обработка экспериментальных данных составляет значительную часть прикладных задач, решаемых на персональных компьютерах. К наиболее простым задачам программирования статистических показателей, которые широко используются при первичной обработке экспериментальных данных, относятся задачи определения среднего арифметического, стандартного отклонения и коэффициента вариации. Исчерпывающей характеристикой случайной величины, как известно, является закон распределения, устанавливающий функциональную связь между значением случайной величины и её вероятностью. На практике вместо закона распределения обычно используют группу числовых характеристик, которые по некоторым особым точкам кривой функции распределения позволяют получать всю основную информацию о данном распределении. Числовые характеристики принято делить на три группы: показатели положения, изменчивости и формы распределения. Показатели первой группы характеризуют некоторое среднее значение признака, его положение или центральную тенденцию. Наиболее употребительными показателями первой группы являются среднее арифметическое и взвешенное среднее. В качестве показателей изменчивости используется среднеквадратичное, или стандартное, отклонение и коэффициент вариации. Основу третьей группы показателей образуют коэффициент асимметрии и коэффициент эксцесса. На практике статистическая обработка данных обычно ограничивается вычислением первых двух групп – среднего значения и изменчивости. Статистический смысл среднего значения состоит в том, что он указывает на центр группирования значений случайной величины, их наибольшую вероятность. Среднеквадратичное отклонение показывает среднее значение отклонения признака от среднего арифметического. Так, если некоторая выборка значений случайной величины
то для вычисления среднего значения
Стандартное отклонение равно корню квадратному из дисперсии
которая, в свою очередь, является средним суммы квадратов отклонений значений случайной величины от среднего, т.е.
Коэффициент вариации, как и стандартное отклонение, характеризует степень изменчивости признака, но не в абсолютной, а в относительной форме, что позволяет сравнивать изменчивость признаков, имеющих различную размерность. Коэффициент вариации,
Отношение Вычисление ошибки среднего арифметического
Показатель оценки точности параметров
Блок-схема алгоритма расчёта показана на рисунке 1.1. Программа статистических показателей представлена в листинге. Листинг procedure TForm1.FormActivate(Sender: TObject); var s:Char; d:string[20]; Digit:real; label start; begin Start: AssignFile(Dan,'Data.txt'); if FileExists('Data.txt') then Reset(Dan) else if MessageDlg('Создайте файл Data.txt и введите элементы выборки через ;' , mtError,[mbOk,mbCancel],0)= mrOk then Goto Start else begin Application.Terminate; Exit; end; while not eof(Dan) do begin Read(dan,s); if s<>';' then d:=d+s else begin inc(n); X[n]:=StrToFloat(d); d:=''; end; end; Memo1.Lines.LoadFromFile('Data.txt'); Memo1.Lines.Add('Элементы выборки'); end; procedure TForm1.spSkinButton3Click(Sender: TObject); var i,j,n1:integer; sum,xsr,sum2,d,sigma,cv,s,p:Real; begin if Edit1.Text ='' then MessageDlg('Введены не все данные',mtError,[mbOk],0) else if (StrToInt(Edit1.Text)> n) or (Edit1.Text='0') then MessageDlg('N задано не верно!',mtError,[mbOk],0) else Begin n1:=StrToInt(Edit1.Text); for i:= 1 to n1 do sum:=sum+ x[i]; xsr:=sum/n1; For j:= 1 to n do sum2:=sum2+sqr(x[j]-xsr); d:=sum2/(n1-1); sigma:=sqrt(d); cv:=(sigma/xsr)*100; s:=sigma/sqrt(n1); p:=(s/xsr)*100; Memo1.Lines.Add(''); Memo1.Lines.Add(''); Memo1.Lines.Add(' ---Результаты расчета---'); Memo1.Lines.Add('среднее арефметическое xsr= '+FloatToStr(xsr)); Memo1.Lines.Add('стандартное откланение sigma= '+FloatToStr(sigma)); Memo1.Lines.Add('коэфициент вариации cv= '+FloatToStr(cv)+'%'); Memo1.Lines.Add('ошибка среднего арефметического s= '+FloatToStr(s)); Memo1.Lines.Add('погрешность определения параметра p= '+FloatToStr(p)); Memo1.Lines.Add('дисперсия d= '+FloatToStr(d)); Memo1.Lines.Add('число элементов выборки n= '+FloatToStr(n1)); spSkinButton1.Enabled:=True; End; end; 1.2 Описание программы расчета статистических показателей В программе приняты следующие обозначения: XSR – среднее арифметическое ; SIGMA – стандартное отклонение; GV – коэффициент вариации; S – ошибка среднего арифметического; P – показатель оценки точности параметра; в – дисперсия; N1 –число элементов выборки. Исходные данные вводятся в файл – Data.txt, через (;) и процедурой TForm1.FormActivate сохраняем все элементы в массив (X :array[1..100] of real). Этот способ имеет преимущество перед остальными способами так как весь числовой материал храниться в файле и в любое время можно просмотреть его или внести изменения. Число элементов выборки (N1) вводится в компонент Edi1t1.при выполнении программы. Далее символьное значение из Edit1.Text преобразовывается в числовое значение функцией StrToInt и присваивается N1. Далее при помощи цикла (For do) считываем все значения из массива X и в переменной SUM присваиваем значение суммы всех элементов. После окончания цикла найденное значение суммы делится на число элементов выборки и полученное значение присваивается переменной XSR. Находим таким же способом как и SUM сумму квадратов и записуем в переменную SUM2. Разделив его на число степеней свободы (n1-1), находим значение дисперсии D. Затем вычисляем значение стандартного отклонения SIGMA, коэффициент вариации GV, ошибки среднего арифметического S и показателя оценки точности параметра P. Выполнение процедуры заканчивается выводом в компонент Memo1 всех показателей и числа компонентов выборки. Пример. По серии результатов измерений одной и той же температуры в одинаковых условиях определить истинное значение температуры точки плавления вещества и оценить погрешность измерений. Измеренные значения температуры в o C приведены в таблице 1.1. Решение. 1. Для заданного варианта (таблица 1.1) по приведенным выше формулам рассчитать истинное значение температуры и все статистические показатели. 2. Ввести исходные данные заданного варианта в фай Data.txt и в поле компонента Edit1. 3. Сравнить результаты расчета обычным способом и с помощью компьютера.
Рисунок 1.1 Рисунок 1.1. Блок-схема алгоритма расчёта статистических показателей. Таблица 1.1
Продолжение таблицы 1.1
Тема: Расчёт измерительных схем автоматического моста и потенциометра 2.1 Основные понятия об измерении температуры Температура – важнейший параметр химико-технологических процессов. В химической промышленности весьма широк диапазон контролируемых температур и разнообразны условия их измерения. Поэтому в этой отрасли промышленности применяют разнообразные методы измерения и измерительные приборы. Температура – это условная статистическая величина, прямо пропорциональная средней кинетической энергии частиц вещества (молекул или атомов). В устройствах для измерения температуры обычно используют изменение какого-либо физического свойства тела, однозначно зависящего от его температуры и легко поддающегося изменению. К числу свойств, положенных в основу работы приборов и преобразователей для изменения температуры, относятся: объёмное расширение тел, изменение давления вещества в замкнутом объёме, возникновение термоэлектродвижущей силы, изменение электрического сопротивления проводников и полупроводников, интенсивность излучения нагретых тел и др. При изменении температуры используют две шкалы: термодинамическую, основанную на втором законе термодинамики, и Международную практическую (МПТШ-68). В термодинамической шкале температуру обозначают символом
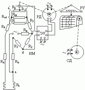
2.2 Расчёт измерительной схемы автоматического моста Цель практического занятия – освоить методику расчёта элементов измерительной схемы автоматического электронного равновесного моста, а также изменить пределы измерения моста на заданный интервал температуры. Измерительная схема автоматического электронного уравновешенного моста показана на рисунке 2.1.
Рисунок 2.1 Рисунок 2.1 – Принципиальная схема автоматического уравновешенного моста: ИМ – измерительный мост; ЭУ – электронный усилитель; РУ – регистрирующее устройство; РД – реверсивный двигатель; СД – синхронный двигатель. Автоматические уравновешенные мосты широко применяют в комплекте с термопреобразователем сопротивления для измерения и регистрации температуры. При измерении температуры измеряемой среды изменяется сопротивление Как видно из рисунка, измерительная схема (ИМ) уравновешенного моста содержит четыре плеча, три из которых представлены постоянными сопротивлениями Термометр сопротивления Для расчёта измерительной схемы равновесного моста должны быть заданы минимальный Зная пределы измерения и тип термопреобразователя сопротивления, по градуированным таблицам находят минимальную
При изменении
Вычитая равенство (2.2) из (2.1), получим:
откуда
Из уравнения (2.3) следует, что разность сопротивлений термопреобразователя, соответствующих верхнему и нижнему пределам шкалы, равная пределам измерения прибора, пропорциональна величине общего сопротивления реохорда. Следовательно, изменение пределов измерения прибора может быть осуществлено изменением величины общего сопротивления реохорда
В автоматических электронных уравновешенных мостах сопротивления реохорда и его шунта – величины постоянные и равные
Для увеличения чувствительности измерительной схемы сопротивление
Подставляя выражение (2.3) в уравнение (2.6), получим:
где
Из уравнения (2.7) находят Величину сопротивления Максимально допустимая сила тока, исключающая самонагрев термопреобразователя сопротивления
Пример. Рассчитать измерительную схему для электронного моста переменного тока, работающего с медным термопреобразователем сопротивления ТСМ и имеющего пределы измерения Дано: градуировка 23, пределы измерений Требуется определить величины сопротивлений для подгонки начала шкалы Решение: определяем сопротивление
где
Из уравнения
Общее сопротивление реохорда
Определим сопротивление
Величину сопротивления
Программа расчёта измерительной схемы моста представлена в приложении 1. В таблице 2.1 приведены варианты заданий. Таблица 2.1
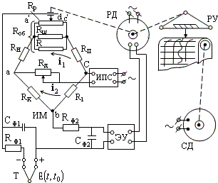
Постоянные сопротивления: 2.3 Расчёт измерительной схемы автоматического потенциометра Цель практического занятия – освоение методики расчёта элементов измерительной схемы автоматического электронного потенциометра, а также изменение пределов измерения потенциометра на заданный интервал температур. Измерительная схема автоматического электронного потенциометра показана на рисунке 2.2.
Рисунок 2.2 Рисунок 2.2 – Принципиальная схема одноточечного автоматического потенциометра: ИМ – измерительный мост; ЭУ – электронный усилитель; РУ – регистрирующее устройство; РД – реверсивный двигатель; СД – синхронный двигатель. Принцип действия потенциометра основан на уравновешивании (компенсации) измеряемой т.э.д.с. известной разностью потенциалов. Эта разность потенциалов создаётся в потенциометре от источника стабилизированного питания (ИПС). Напряжение, компенсирующее измеряемую э.д.с. термоэлектрического преобразователя, в схеме на рисунке 2.2 получается как разность потенциалов между точками Все резисторы измерительной схемы, кроме Принцип работы потенциометра заключается в непрерывном уравновешивании измеряемой э.д.с. Переградуировка потенциометра состоит в изменении величины некоторых сопротивлений измерительной схемы моста так, чтобы падение напряжения на реохорде При переградуировке прибора изменяют величины сопротивлений Для расчёта измерительной схемы потенциометра должны быть заданы минимальный Расчёт элементов измерительной схемы потенциометра производят следующим образом. Зная пределы измерения и тип термоэлектрического преобразователя (ТЭП), необходимо по градуировочным таблицам найти минимальную При изменении
Из уравнения (2.9) можно определить величину сопротивления
При измерении
или
Из уравнения (2.12) находим величину сопротивления
Вычитая уравнение (2.9) из уравнения (2.11), получим:
откуда
Из уравнения (2.14) следует, что разность т.э.д.с., соответствующая верхнему и нижнему пределам шкалы, равная диапазону измерения прибора, пропорциональна величине общего сопротивления реохорда. Следовательно, изменить пределы измерения потенциометра можно изменением общего сопротивления реохорда
В автоматических электронных потенциометрах сопротивления реохорда и его шунта – величины постоянные (известные). Поэтому подгонка
Сопротивление
Сопротивление
Зависимость изменения сопротивления меди от температуры в том же интервале температур выражается уравнением
где
Отсюда
Подставляя уравнение (2.20) в уравнение (2.18), получим:
откуда
Выражение (2.21) показывает, что величина сопротивления зависит при прочих равных условиях только от типа термопары и материала сопротивления Пример. Рассчитать измерительную схему для электронного потенциометра, работающего с термоэлектрическим преобразователем типа ХК и имеющего пределы измерения Дано: градуировка ХК, пределы шкалы Требуется определить величины сопротивлений Решение. Определяем величину компенсационного сопротивления
Определяем величины сопротивлений
Общее сопротивление реохорда с
Находим величину сопротивления
Величину сопротивления
Программа расчёта измерительной схемы приведена в приложении 2. В таблице 2.2 приведены варианты заданий. Таблица 2.2
Примечание: для всех вариантов значения температуры окружающей среды (свободных концов термопары) должны быть в пределах Практическое занятие 3 Тема: Расчет диафрагмы для изменения расхода вещества Цель практического занятия – освоить методику расчета диафрагмы для измерения расходов газа, жидкости и пара. 3.1. Основные сведения об измерении расхода с помощью сужающих устройств Количество жидкости, газа или пара, проходящее через данное сечение трубопровода в единицу времени, называют расходом этого вещества. В зависимости от того, в каких единицах измеряется, различают объемный В настоящее время из всего парка существующих расходометров около 80% составляют расходометры переменного перепада давления. Их работа основана на том, что с изменением расхода вещества изменяется перепад давления на установленном в трубопроводе сужающем устройстве. В качестве нормальных сужающих дроссельных устройств применяют диафрагмы, сопла и сопла Вентури. Комплект расходометра переменного перепада давления состоит из сужающего устройства, соединительных импульсных трубок и какого-либо измерителя перепада давления, например дифманометра. Измерение расхода вещества этим методом возможно при соблюдении следующих условий: а) поток заполняет все поперечное сечение трубопровода; б) поток является практически установившимся; в) фазовое состояние вещества при прохождении через сужающее устройство не изменяется. Зависимость между перепадом давления на снижающем устройстве и расходом вещества определяется уравнением
где
r - плотность вещества, a - Коэффициент расхода, который учитывает расхождение теоретического и действительного расходов вещества, протекающего по трубопроводу. Для удобства практического применения формулы (3.1) вместо секундного расхода пользуются часовым и площадь отверстия сужающего устройства
где
При расчетах, связанных с измерением расхода методом переменного перепада давления, обычно приходится решать две задачи. 1. Известны диаметр трубопровода 2. Заданы максимальные и минимальные ожидаемые расходы, диаметр и материал трубопровода и параметры контролируемой среды. Требуется определить диаметр отверстия сужающего устройства. 3.2. Расчет диафрагмы для измерения расхода Методика и порядок расчета расходомеров переменного перепада давления и стандартных (нормализованных) сужающих устройств этих расходомеров регламентированы руководящим нормативным документом «Правила измерения расхода газов и жидкостей стандартными устройствами РД 50-213-80». Для расчета диафрагмы задают измеряемую среду и ее параметры (температуру, давление, плотность, вязкость, агрессивность к материалу диафрагмы); максимальный и минимальный расходы; диаметр, материал трубопровода и диафрагмы; допустимую потерю давления на диафрагме при максимальном расходе; тип дифманометра; ряд перепадов давления, на которые изготавливают дифманометры; указывают единицы выражения шкалы вторичного прибора дифманометра (объемные или массовые). Расчет выполняют в такой последовательности. Сначала определяют диаметр трубопровода при рабочей температуре, число Рейнольдса при минимальном расходе и вспомогательную величину При расчете диафрагмы согласно данной методики используют следующие формулы. 1. При рабочей температуре
где
В диапазоне температур от 2. При минимальном расходе число Рейнольдса для объемного расхода:
для массового:
где
3. Вспомогательная величина для объемного расхода:
для массового:
где 4. Вспомогательная величина
где
5. Коэффициент расхода диафрагмы определяют в зависимости от величины диаметра трубопровода: при
Модуль диафрагмы
а граничное число Рейнольдса
7. При рабочей температуре диаметр отверстия диафрагмы
8. При проверке правильности расчета диаметра отверстия диафрагмы максимальный расход для объемного расхода:
для массового:
9. При
где
10. Максимальный перепад давления, на которое изготавливают дифманометр, выбирают из ряда: 1; 1,6; 2,5; 4; 6,3; 10; 16; 25 0,04; 0,063; 0,1; 0,16; 0,25; 0,4; 0,63; 1; 1,6 а верхний предел шкалы вторичного прибора из ряда следующего вида:
где 11. Потеря давления на диафрагме
Если задана допустимая потеря давления 12. Если число Рейнольдса Пример 1. Рассчитать диафрагму для измерения расхода воды. Наибольший измеряемый расход Решение. 1. Выбираем тип сужающего устройства и тип дифманометра. В качестве сужающего устройства выбираем диафрагму камерную (материал – сталь Х17), а в качестве измерителя перепада давления – дифманометр сифонный типа ДС-ПЗ. Верхний предел измерений дифманометра в комплекте с вторичным прибором 2. Плотность воды в рабочих условиях (
3. Там же находим динамическую вязкость воды в рабочих условиях(
4. Внутренний диаметр трубопровода перед диафрагмой при температуре
5. Определяем число Рейнольдса при минимальном расходе:
6. Вспомогательная величина
7. Произведение модуля диафрагмы на коэффициент расхода при перепаде давления на диафрагме
8. Коэффициент расхода
9. Модуль диафрагмы
10. Граничное число Рейнольдса
11. Диаметр отверстия диафрагмы
12. Проверка расчета
Следовательно, расчет выполнен правильно. 13. Диаметр отверстия диафрагмы при
14. Потеря давления на диафрагме
15. Так как Поправку к показаниям дифманометра
где Отношение Так как Пример 2. Рассчитывать диафрагму для измерения расхода перегретого пара. Наибольший измеряемый массовый расход Решение. 1. Выбираем в качестве сужающего устройства диафрагму камерную (материал – 1X18H9T). Для измерения перепада давления выбираем дифманометр мембранный типа ДМ (модель 3574). Верхний предел измерений дифманометра в комплекте с вторичным прибором 2. Плотность пара в рабочих условиях (
3. Там же находим динамическую вязкость пара в рабочих условиях (
4. Внутренний диаметр трубопровода перед диафрагмой при температуре
5. Определяем число Рейнольдса при минимальном расходе по формуле (3.5):
6. Вспомогательную величину
7. Произведения модуля диафрагмы на коэффициент расхода, при перепаде давления на диафрагме
8. Коэффициент расхода
9. Модуль диафрагмы
10. Граничное число Рейнольдса
Так как 11. Диаметр отверстия диафрагмы при рабочей температуре
12. Проверка расчета по формуле(3.13):
Так как 13. Диаметр отверстия диафрагмы при
14. Потерю давления на диафрагме определяем по формуле (3.15):
Полученное значение потери давления меньше допустимого Пример 3. Рассчитать диафрагму для измерения расхода природного газа следующего состава: метан – 92,93%, этан – 3,95%, пропан – 1%, бутан – 0,35%, пентан – 0,17%, углекислый газ – 0,1%, азот – 1,5%. Наибольший измеряемый объемный расход, приведенный к нормальному состоянию Решение. 1. Выбираем в качестве сужающего устройства диафрагму камерную (материал Х17), а в качестве измерителя перепада давления – дифманометр унифицированной системы ГСП типа ДМ-П2. Верхний передел дифманометра в комплекте с вторичным прибором 2. По справочной литературе [4] определяем динамическую вязкость ( метан этан пропан бутан пентан углекислый газ азот 3. Приближенно динамическую вязкость газовой смеси можно подсчитать так:
где
4. Внутренний диаметр трубопровода перед диафрагмой при температуре
5. Определяем число Рейнольдса при минимальном расходе по формуле (3.4):
6. Вспомогательную величину
7. Произведение модуля диафрагмы на коэффициент расхода при перепаде давления на диафрагме
8. Коэффициент расхода
9. Модуль диафрагмы
10. Граничное число Рейнольдса определяем по формуле (3.10):
11. Диаметр отверстия диафрагмы
12. Проверка расчета по формуле (3.12):
Следовательно, расчет выполнен правильно. 13. Диаметр отверстия диафрагмы при
14. Потерю давления на диафрагме определяем по формуле (3.15):
Полученное значение потери давления меньше допустимого, следовательно, значение диаметра отверстия диафрагмы 15. Так как
где Отношение Так как Алгоритм и программа расчета диафрагмы для измерения расхода вещества приведены в приложении 3. В табл. 3.1. приведены варианты заданий. Таблица 3.1
Практическое занятие 4 Тема: Расчет и выбор регулирующих органов автоматических систем регулирования Цель практического занятия – освоить методики расчета и выбора исполнительных устройство. 4.1. Общие сведения о регулирующих органах При автоматизации химических производств в качестве исполнительных обычно применяют устройства, состоящие из пневматического исполнительного механизма и регулирующего органа Для регулирования расходов жидкостей и газов используют дроссельные регулирующие органы: односедельные, двухседельные и диафрагмовые клапаны, а также поворотные заслонки. При регулировании подвижное устройство мембранного исполнительного механизма приводит к изменению проходного сечения регулирующего органа, а следовательно, к изменению его гидравлического сопротивления, т.е. к изменению протекающего через него материального потока. Основными показателями, определяющими размеры и конструкцию дроссельного Под пропускной способностью Условным проводом в В промышленных условиях обычно применяют клапаны с условным проходом К основным параметрам, характеризующим регулирующие органы, относят также условное давление и температуру регулируемой среды и перепад давления на регулирующем органе. Условным давлением Перепад давления Различают также пропускную, конструктивную и расходную характеристики регулирующего органа. Пропускная характеристика (внутренняя) устанавливает зависимость пропускной способности Конструктивная характеристика устанавливает зависимость изменения относительного проходного сечения Расходная характеристика определяет зависимость относительного расхода среды от степени открытия 4.2. Расчет и выбор регулирующих органов Расчет Для выполнения расчета необходимы следующие исходные данные: а) схема технологического участка трубопровода, на котором установлен регулирующий орган, с указанием длины и внутреннего диаметра трубопровода, виды местных сопротивлений и их количество, а для жидкостей – разности высот расположения трубопровода; б) давление в начале и конце технологического участка; в) максимальный и минимальный расход материального потока; г) характеристики материального потока (температура, плотность, вязкость и т.д.). Расчет выполняется в такой последовательность: 1) Определяют потерю давления на данном технологическом участке трубопровода при максимальном расходе, которая состоит на потери давления на трении о стенки трубопровода
2) определяют перепад давления на регулирующем органе при максимальном расходе:
где
3) по одной из приведенных ниже формул определяют пропускную способность регулирующего органа для жидкостей
где
для газа при докритическом режиме (
при критическом режиме
где
для водяного пара при докритическом истечении
при критическом истечении, когда
где G – максимальный расход пара,
4) определяют условную пропускную способность в соответствии с условием
где n – коэффициент запаса, обычно принимаемый равным 1,2. 5) по значениям Таблица 4.1
6) при мало вязких жидкостях, когда критерий 7) определяют степень открытия регулирующего органа при минимальном и максимальном расходе материального потока по формуле:
где
8) потери давления на конкретном технологическом участке должны быть заданы; если эти величины не известны, то их необходимо определить. Потери давления (напора) в трубопроводе на трение, скоростной напор и местные сопротивления (Па) определяют по формуле:
где
W – скорость потока, Коэффициент трения При ламинарном режиме
При турбулентном режиме коэффициент
(формула действительна при или по формуле Филоненко
(Формула действительна при любых значениях Число Рейнольдса вычисляют по формул
где W – скорость потока, D – диаметр трубопровода, м;
Потерю напора (Па) (в случае подъема жидкости на высоту h) определяют по формуле
где g – ускорение свободного падения, h – разность уровней верхней и нижней отметок трубопровода, м. Пример 1. Рассчитать регулирующий клапан, установленный на трубопроводе подачи флегмы в ректификационную колонну. В качестве флегмы подается бензол. Плотность бензола Решение. 1. Составляем схему трубопроводной линии подачи бензола от насоса до ректификационной колонны с указанием всех технологических устройств (рис. 4.1).
Рисунок 4.1 Рисунок 4.1 – Расчётная схема трубопроводной линии: 1 – насос; 2 – колено под углом 2. Определяем потерю давления в трубопроводе на трение о стенки и местных сопротивлениях
скорость бензола в трубопроводе
число Рейнольдса
коэффициент трения
коэффициенты сопротивлений вентиля тройники колена
3. Потери давления на перемещение бензола в высоту
4. Противодавление в ректификационной колонне
5. Перепад давления на клапане
6. Определяем пропускную способность клапана по формуле
7. Условная пропускная способность РО
8. По табл. 4.1. ближайший коэффициент условной пропускной способности 9. Определяем степень открытия клапана при максимальной и минимальной нагрузках:
10. По табл. 4.1. выбираем регулирующий клапан типа 25нж48нж, нормально открытый (НО), диаметром условного прохода Пример 2. Выбрать пневматический регулирующий клапан для регулирования давления перегретого водяного пара. Давление пара в магистрали Решение. 1. Скорость пара при максимальном расходе
2. Потери напора в паропроводе
число Рейнольдса
коэффициент трения
3. Перепад давления на клапане при максимальном расходе
4. Для выбора расчетной формулы пропускной способности клапана определяем режим истечения пара:
5. Пропускную способность клапана при максимальной и минимальной нагрузке определяем по формуле:
(плотность пара при давлении 6. Условная пропускная способность
7. По таблице 4.1 ближайший коэффициент пропускной способности 8. Степень открытия клапана при максимальной и минимальной нагрузках:
9. По табл. 4.1 выбираем регулирующий клапан типа 25ч30нж (НО) с мембранным пневмоприводом, диаметром условного прохода Пример 3. Рассчитать регулирующий клапан для регулятора давления природного газа. Максимальный расход газа Решение. 1. Для выбора расчетной формулы пропускной способности клапана определяем режим истечения газа:
( 2. Плотность газа при нормальных условиях (
3. Определяем коэффициенты пропускной способности клапана для максимального и минимального расходов газа
4. Условная пропускная способность РО:
5. По табл. 4.1 ближайший коэффициент пропускной способности 6.Определяем степень открытия клапана при максимальном и минимальном расходе газа:
7. По табл. 4.1 выбираем регулирующий клапан типа 25ч32нж (НЗ) с мембранным пневмоприводом, диаметром условного прохода Алгоритм и программа расчета регулирующего клапана приведены в прил. 4. В табл. 4.2 приведены варианты заданий. Таблица 4.2
Приложение А Листинг1 procedure TForm1.Button3Click(Sender: TObject); var rt1,rt2,u,i,r,r1,r2,r3,r4,rl,rp,rh,p,q,ro,rd:Real; begin //Проверка на ввод всех данных if (Edit1.Text='')or (Edit2.Text='')or (Edit3.Text='') or(Edit4.Text='')or (Edit5.Text='')or (Edit6.Text='')or (Edit7.Text='')or (Edit8.Text='')or (Edit9.Text='')or (Edit10.Text='') then MessageDlg('Введены не все данные',mtError,[mbOk],0) else begin //Приобразование в числовой тип rt1 := StrToFloat(Edit1.Text); rt2 := StrToFloat(Edit2.Text); u := StrToFloat(Edit3.Text); i := StrToFloat(Edit4.Text); r2 := StrToFloat(Edit5.Text); r3 := StrToFloat(Edit6.Text); r4 := StrToFloat(Edit7.Text); rl := StrToFloat(Edit8.Text); rp := StrToFloat(Edit9.Text); rh := StrToFloat(Edit10.Text); //Основные вычисления p := rl + r2 - rt1 - r4 ; q := -(rl * (rt1 + r4) + r2 * (rt2 + r4)) ; r1 := -(p/2) + Sqrt(((p/2)*(p/2)) - q) ; ro := (r2 / (r1+r2+rl)) * (rt2-rt1) ; r := (ro*rp*rh) / (rp*rh-ro*rp-ro*rh); rd := (u/i) - (rt1+rl+ro+r3+r4); // Вывод расчетов Memo1.Lines.Add(' ---Данные---'); Memo1.Lines.Add('Минимальная величина сопротивления rt1 = '+ FloatToStr(rt1)) ; Memo1.Lines.Add('Максимальная величина сопротивления rt2 = '+ FloatToStr(rt2)) ; Memo1.Lines.Add('Величена питающего напряжения u = '+ FloatToStr(u)) ; Memo1.Lines.Add('Допустимая сила тока i = '+ FloatToStr(i)) ; Memo1.Lines.Add('Постоянная сопротивления r2 = '+ FloatToStr(r2)) ; Memo1.Lines.Add('Постоянная сопротивления r3 = '+ FloatToStr(r3)) ; Memo1.Lines.Add('Постоянная сопротивления r4 = '+ FloatToStr(r4)) ; Memo1.Lines.Add('Сопротивление подгонки соединительных проводов rl = '+ FloatToStr(rl)) ; Memo1.Lines.Add('Сопротивление подгонки соединительных проводов rp = '+ FloatToStr(rp)) ; Memo1.Lines.Add('Сопротивление подгонки соединительных проводов rh = '+ FloatToStr(rh)) ; Memo1.Lines.Add(' ---Результаты расчета---') ; Memo1.Lines.Add('Сопротивление начала шкалы R1 = '+ FloatToStr(r1)+' ом'); Memo1.Lines.Add('Сопротивление конца шкалы R = '+ FloatToStr(r)+' ом' ); Memo1.Lines.Add('Сопротивление ограничения тока RD = '+ FloatToStr(rd)+' ом') ; Button1.Enabled:=True; end; end; В программе приняты следующие обозначения: Приложение Б Листинг 2 procedure TForm1.Button3Click(Sender: TObject); var e1,e2,i1,i2,l,u1,rp,rh,e3,e4,t3,t4,u2,ROK,RNO,R1,RNQ,RO,R,RD:Real; begin //Проверка на ввод всех данных if (Edit1.Text='')or (Edit2.Text='')or (Edit3.Text='') or(Edit4.Text='')or (Edit5.Text='')or (Edit6.Text='')or (Edit7.Text='')or (Edit8.Text='')or (Edit9.Text='')or (Edit10.Text='')or (Edit11.Text='')or (Edit12.Text='')or (Edit13.Text='') then MessageDlg('Введены не все данные',mtError,[mbOk],0) else begin//Приобразование в числовой вид e1 := StrToFloat(Edit1.Text); e2 := StrToFloat(Edit2.Text); i1 := StrToFloat(Edit3.Text); i2 := StrToFloat(Edit4.Text) ; l := StrToFloat(Edit5.Text); u1 := StrToFloat(Edit6.Text); rp := StrToFloat(Edit7.Text); rh := StrToFloat(Edit8.Text); e3 := StrToFloat(Edit9.Text); e4 := StrToFloat(Edit10.Text); t3 := StrToFloat(Edit11.Text); t4 := StrToFloat(Edit12.Text); u2 := StrToFloat(Edit13.Text); //основные вычисления ROK:=(e4 -e3)/(l*(t4-t3)*i1); RNO:=(e1+i2*ROK)/i2; R1:=u1/i1; RNQ:=(i1*R1-e2)/i2; RO:=(e2-e1)/i2; R:=(RO*rp*rh)/(rp*rh-rp*RO-rh*RO); RD:=(u2/(i1+i2)); //Вывод информации Memo1.Lines.Add(' ---Данные---'); Memo1.Lines.Add('Минималиая величина т.э.д.с термопары (на приборе) e1 = '+ Edit1.Text) ; Memo1.Lines.Add('Макcимальная величина т.э.д.с термопары (на приборе) e2 = '+ Edit2.Text) ; Memo1.Lines.Add('Сила тока в ветвях моста i1 = '+ Edit3.Text) ; Memo1.Lines.Add('Сила тока в ветвях моста i2 = '+ Edit4.Text) ; Memo1.Lines.Add('Темпратурный коэффициент сопр. медного провода l = '+ Edit5.Text) ; Memo1.Lines.Add('Напряжение на выходе ИПС u1 = '+ Edit6.Text) ; Memo1.Lines.Add('Сопротивление реохорда rp = '+ Edit7.Text) ; Memo1.Lines.Add('Сопротивление шунта rh = '+ Edit8.Text) ; Memo1.Lines.Add('Минималиая величина т.э.д.с термопары (для спаев) e3 = '+ Edit9.Text) ; Memo1.Lines.Add('Максимальная величина т.э.д.с термопары (для спаев) e4 = '+ Edit10.Text) ; Memo1.Lines.Add('Нижний придел изменения темпераруры спаев t3 = '+ Edit11.Text) ; Memo1.Lines.Add('Верхний придел изменения темпераруры спаев t4 = '+ Edit12.Text) ; Memo1.Lines.Add('Напряжение ИПС u2 = '+ Edit13.Text) ; Memo1.Lines.Add(' ---Результаты расчета---') ; Memo1.Lines.Add('Сопротивление начала шкалы RNO = '+FloatToStr(RNO)+' ом') ; Memo1.Lines.Add('Сопротивление конца шкалы RNQ = '+FloatToStr(RNQ)+' ом') ; Memo1.Lines.Add('Сопротивление подгонки реохорда R = '+FloatToStr(R)+' ом') ; memo1.Lines.Add('rd ='+floatToStr(rd)); Button1.Enabled:=True; end; end; В программе приняты обозначения: Приложение В Начало блок-схемы к приложению В
Блок-схема алгоритма расчёта дифрагмы для измерения расхода вещества Продолжение блок-схемы к приложению В
Блок-схема алгоритма расчёта дифрагмы для измерения расхода вещества Блок 01 – начало счета программы; блоки 02-03 – ввод и печать исходных данных; блоки 04-05 – расчет числа Рейнольдса и вспомогательной величины С; блок 09 – начало цикла по I (определение блок 10 – вычисление величины блок 11-26 – определение коэффициента расхода диафрагмы в зависимости от диаметра трубопровода; блок 27 – расчет модуля диафрагмы блок 28 – расчет граничного числа Рейнольдса; блок 29 – расчет диаметра отверстия диафрагмы; блок 30-32 – определение максимального расхода блок 33 – вычисление потери давления на диафрагме; блок 34 – печать заданного перепада давления на диафрагме; блок 35 – печать результатов расчета; блок 36-37 – конец цикла по I; блок 38 – конец расчета. Листинг 3 procedure TForm1.Button3Click(Sender: TObject); var om,i:integer; f1,f2,u,v,kt,d,kt1,qpr,g1,g2,p1,d1,re,c,alm,al, am,regr,dcu,QPRT,ptd,dcu1:Real; begin if (EDIT1.TEXT ='')or (edit2.Text='')or (edit3.Text='') or(edit4.Text='')or (edit5.Text='')or (edit6.Text='')or (edit7.Text='')or (edit8.Text='')or (edit9.Text='')or (edit10.Text='')or (edit11.Text='') then MessageDlg('Введены не все параметры',mtError,[mbOk],0) else begin f1 := StrToFloat(edit1.Text); f2 := StrToFloat(edit2.Text); в := StrToFloat(edit3.Text); u := StrToFloat(edit4.Text) ; v := StrToFloat(edit5.Text); kt := StrToFloat(edit6.Text); qpr := StrToFloat(edit7.Text); g1 := StrToFloat(edit8.Text); g2 := StrToFloat(edit9.Text); p1 := StrToFloat(edit10.Text); kt1 := StrToFloat(edit11.Text); om := StrToInt(Combobox1.Text); Button1.Enabled:=True; memo1.Clear; if om = 1 then begin Memo1.Lines.Add(' ---Данные---'); Memo1.Lines.Add('максимальный расход (м^3/ч) ='+ Edit1.Text); Memo1.Lines.Add('минимальный расход (м^3/ч) ='+ Edit2.Text); end else Begin Memo1.Lines.Add('максимальный расход (м^3/ч) ='+ Edit8.Text); Memo1.Lines.Add('минимальный расход (м^3/ч) ='+ Edit9.Text); end; Memo1.Lines.Add('диаметр трубопровода (мм) ='+ Edit3.Text); Memo1.Lines.Add('потность вещества (кг/м^3) ='+ Edit4.Text); Memo1.Lines.Add('вязкость вещества (па*с) ='+ Edit5.Text); Memo1.Lines.Add('температурный коффициент kt ='+ Edit6.Text); Memo1.Lines.Add('верхний придел шкалы вторичного прибора ='+ Edit7.Text); Memo1.Lines.Add('допустимая потеря давления на диафрагме (МПа) ='+ Edit10.Text); Memo1.Lines.Add(' ---Результаты расчета---'); if om =1 then begin D1:=d*kt; re:=(0.354*f2*u)/(d1*v); c:=(qpr*sqrt(u))/(4*(d1*d1)); end else begin d1:=d*kt; re:=(0.354*g2)/(d1*v); c:=qpr/(4*(d1*d1)*sqrt(u)); end; Memo1.Lines.Add('число Рейннольдса re ='+ FloatToStr(re)); Memo1.Lines.Add('вспомогатильная величина c ='+ FloatToStr(c)); For i:= 1 to n do begin Memo1.Lines.Add('*** *** *** ***') ; Memo1.Lines.Add('перепад давления на диофрагме (Мпа) ='+FloatToStr(x[i])); Alm:=c/sqrt(x[i]); Memo1.Lines.Add('вспомогательная величина Alm ='+FloatToStr(alm)); if d<=50 then begin Memo1.Lines.Add('уточните диаметр D'); exit; end; Case round (d) of 70: al:=0.4072*sqr(alm)+0.1478*alm+0.6023; 50..69:al:=0.1597+0.3591*sqr(alm)*alm+0.6045; 71..75: al:=0.1597+0.3591*sqr(alm)*alm+0.6045; 80: al:=0.4072*sqr(alm)+0.1478*alm+0.6023; 76..79: al:=0.4198*sqr(alm)+0.1404*Alm+0.6016; 81.. 125: al:=0.4198*sqr(alm)+0.1404*Alm+0.6016; 126..175 : al:=0.411*sqr(alm)+0.1453*Alm+0.5983; 176..225 :al:=0.4134*sqr(alm)+0.1433*Alm+0.5962; 226..275: al:=0.4268*sqr(alm)+0.1344*Alm+0.5953; 300: al:=0.1418*sqr(alm)+0.4384*Alm+0.5509; else begin Memo1.Lines.Add('уточните диаметр D'); exit; end; end; Memo1.Lines.Add('коэффициент расхода диафрагмы Al='+FloatToStr(Al)); Am:=Alm/Al; Memo1.Lines.Add('модуль диафрагмы am='+FloatToStr(Am)); Regr:=102270 *Power(am,0.598)* exp(1.993*am); Memo1.Lines.Add('граничное число Рейнольдса Regr='+FloatToStr(Regr)); Dcu:=D1*sqrt(am); Memo1.Lines.Add('диаметр отверстия диофрагмы Dcu ='+FloatToStr(Dcu)); om:= StrToInt(InputBox('Ввод данных','введите om (1 или 2) ,перепад давления ='+FloatToStr(x[i]),'1')); if om=1 then QPRT:=4*AL*Sqr(Dcu)*Sqrt(x[i]/u) else QPRT:=4*AL*Sqr(Dcu)*Sqrt(x[i]*u); Memo1.Lines.Add('максимальный расчетный расход QPRT= '+FloatToStr(QPRT)); DCU1:=Dcu/kt1; Memo1.Lines.Add('диаметр отверстия при 20 градусах dcu20='+FloatToStr(dcu1)); ptd:=(1-1.05*am*x[i])*Power(10,-4); Memo1.Lines.Add('потеря давления на диофрагме ptd= '+FloatToStr(ptd)); If Ptd >= P1 then Memo1.Lines.Add('потеря давления на диафрагме больше допустимой') else Memo1.Lines.Add('диаметр DCU_20 считать окончательным !'); if Re<= Regr then begin Memo1.Lines.Add('необходима поправка к показаниям дифманометра которую'); Memo1.Lines.Add('опредилите по формуле f=((27,7*d*v)/(u*9.81))*k (м^3/ч)'); Memo1.Lines.Add('величину k найти по справочнику!'); Memo1.Lines.Add('или по фомуле g=((27,7*d*v)*k)'); end else Memo1.Lines.Add('расчет закончен'); end; end; end; В программе приняты следующие обозначения: Приложение Г Начало блок-схемы к приложению Г
Блок-схема алгоритма расчёта регулирующего органа Продолжение блок-схемы к приложению Г
Блок-схема алгоритма расчёта регулирующего органа Блок 01 – начало счета программы; блок 02 – задание значение коэффициентов местных сопротивлений, блок 03-04 – ввод и печать исходных данных; блок 05 – задание начальных значений параметров цикла I и вспомогательной величины S, используемой при определении потерь на местных сопротивлениях; блок 06-07 – вычисление в цикле величины S; блок 08 – задание начального значения величины M для ветвящегося алгоритма расчета коэффициента пропускной способности клапана и потерь давления на клапане; блок 09 – задание значений максимального расхода; блок 10-14 – ветвящийся алгоритм расчета линейной скорости потока вещества (ж – жидкость; п – пар; г – газ); блок 15 – определение числа Рейнольдса; блок 16-20 – ветвящийся алгоритм расчета коэффициента трения; блок 21-22 – вычисление потерь давления; блок 23 – определение перепада давления на клапане PØ; блок 24 – логический оператор; если PØ≤Ø – производится печать PØ, и расчет прекращается; при PØ>O расчет продолжается; блок 25 – вывод на печать PØ; блок 26 – конец расчета; блок 27-31 – ветвящийся алгоритм расчета пропускной способности клапана; блок 32 – печать результатов расчета; блок 33 – проверка условий блок 34 – присвоение величине M значение 2; блок 35 – задание нового значения Листинг 4 procedure TForm1.Button3Click(Sender: TObject); var i,k,m:integer; f1,f2,d,u,v,l,g,h,p1,p2,s,w,t,re,l1,f,p3,p4,po,kv,kv1,pnk,pkk,u1,u2,u3,t1,k1:Real; label nachalo; begin if (EDIT1.TEXT ='')or (edit2.Text='')or (edit3.Text='') or (edit5.Text='')or (edit6.Text='')or (edit7.Text='')or (edit8.Text='')or (edit9.Text='')or (edit10.Text='')or (edit11.Text='') then MessageDlg('Введены не все параметры',mtError,[mbOk],0) else begin f1 := StrToFloat(edit1.Text); f2 := StrToFloat(edit2.Text); d:= StrToFloat(edit3.Text); k:= StrToInt(ComboBox1.Text) ; u:= StrToFloat(edit5.Text); v:= StrToFloat(edit6.Text); l:= StrToFloat(edit7.Text); g:= StrToFloat(edit8.Text); h:= StrToFloat(edit9.Text); p1:= StrToFloat(edit10.Text); p2:= StrToFloat(edit11.Text); Button1.Enabled:=True; memo1.Clear; Memo1.Lines.Add(' ---Данные---'); Memo1.Lines.Add('максимальный расход (м^3/ч) f1= '+Edit1.Text); Memo1.Lines.Add('минимальный расход (м^3/ч) f2= '+Edit2.Text); Memo1.Lines.Add('диаметр трубопровода (м) d= '+Edit3.Text); Memo1.Lines.Add('плотность вещества (кг*м^3) u= '+Edit5.Text); Memo1.Lines.Add('вязкость вещества (па*с) v= '+Edit6.Text); Memo1.Lines.Add('длинна трубопровода (м) l= '+Edit7.Text); Memo1.Lines.Add('ускорение свободного падения (м/с^2) g= '+Edit8.Text); Memo1.Lines.Add('высота вертекального участка трубопровода (м) h= '+Edit9.Text); Memo1.Lines.Add('давление в начале трубопровода (МПа) p1= '+Edit10.Text); Memo1.Lines.Add('давление в конце трубопровода (МПа) p2= '+Edit11.Text); Memo1.Lines.Add(' ---Результаты расчета---'); for i:= 1 to n do s:=s+x[i]; Memo1.Lines.Add('сумма коэффициентов местных соротивлений s = '+FloatTostr(s)); m:=1; f:=f1; nachalo: case k of 1:w:=4*F/(3600*3.14* sqr(D)); 2:w:=4*F/(3600*3.14* sqr(D)*U); 3: begin t:= StrToFloat(InputBox('Ввод данных','введите t ','1')); w:=4*F*(273+t)/(3600*3.14* sqr(D)*273); end; end; Memo1.Lines.Add('скорость вещества (м/с), w = '+FloatToStr(w)); re:=w*d*u/v; Memo1.Lines.Add('число Рейнольдса re= '+FloatToStr(re)); if re <=2320 then l1:=64/re; if re>=100000 then l1:=0.303/sqr(log10(re)/2.3-0.9) else l1:=0.316/Power(re,0.25); Memo1.Lines.Add('коэффициент трения l1 = '+FloatToStr(l1)); p3:=(L1*L/D+S+1)*(U*W*W/2)/1000000; Memo1.Lines.Add('потери давления в трубо проводе (МПа) p3 = '+FloatToStr(p3)); p4:=u*g*h/1000000; Memo1.Lines.Add('потери давления на вертикальном участке (МПа) p3 = '+FloatToStr(p4)); po:=p1-p2-p3-p4; Memo1.Lines.Add('перепад давления на клапане (МПа) po = '+FloatToStr(po)); if po<=0 then exit; case k of 1:Begin kv:=0.316*1.2*f*sqrt(u/1000/po); kv1:=kv/1.2; Memo1.Lines.Add('условная пропускная способность клапана kv = '+FloatToStr(kv)); Memo1.Lines.Add(' пропускная способность клапана в рабочих условиях - '+FloatToStr(kv1)); if m=2 then exit else begin m:=2; f:=f2; Goto nachalo; end; End; 2:Begin pnk:=p1-p3-p4; pkk:=p2; Memo1.Lines.Add('давление пара перед клапаном (МПа),pnk = '+FloatToStr(pnk)); Memo1.Lines.Add('давление пара после клапана (МПа),pkk = '+FloatToStr(pkk)); if po<= 0.52*pnk then begin u1:=StrToFloat(InputBox('Ввод U1','Введите плотность пара при pkk и рабочей t (кг/м^3),U1=','1')); kv:=(f*sqrt(1/(u1*pnk)))/73.5*1.2; kv1:=kv/1.2; Memo1.Lines.Add('условная пропускная способность клапана kv = '+FloatToStr(kv)); Memo1.Lines.Add(' пропускная способность клапана в рабочих условиях - '+FloatToStr(kv1)); end else begin u2:=StrToFloat(InputBox('Ввод U2','Введите плотность пара при pkk и рабочей t (кг/м^3),U2=','1')); kv:=(f*sqrt(1/(u2*po)))/103*1.2; kv1:=kv/1.2; Memo1.Lines.Add('условная пропускная способность клапана kv = '+FloatToStr(kv)); Memo1.Lines.Add(' пропускная способность клапана в рабочих условиях - '+FloatToStr(kv1)); end; if m=2 then exit else begin m:=2; f:=f2; Goto nachalo; end; end; 3: Begin pnk:=p1-p3-p4; pkk:=p2; Memo1.Lines.Add('давление пара перед клапаном (МПа),pnk = '+FloatToStr(pnk)); Memo1.Lines.Add('давление пара после клапана (МПа),pkk = '+FloatToStr(pkk)); if po<= 0.52*pnk then begin u3:=StrToFloat(InputBox('Ввод u3','Введите плотность u3=','1')); t1:=StrToFloat(InputBox('Ввод t1 ','Введите температуру t1=','1')); k1:=StrToFloat(InputBox('Ввод k1','Введите коэффициент k1=','1')); kv:=(F*sqrt((U3*T1*K1)/(Po*PKK)))/5280*1.2; kv1:=kv/1.2; Memo1.Lines.Add('условная пропускная способность клапана kv = '+FloatToStr(kv)); Memo1.Lines.Add(' пропускная способность клапана в рабочих условиях - '+FloatToStr(kv1)); end else begin u3:=StrToFloat(InputBox('Ввод u3','Введите плотность u3=','1')); t1:=StrToFloat(InputBox('Ввод t1 ','Введите температуру t1=','1')); k1:=StrToFloat(InputBox('Ввод k1','Введите коэффициент k1=','1')); kv:=(F*sqrt(U3*T1*K1)/(2640*PNK))*1.2; kv1:=kv/1.2; Memo1.Lines.Add('условная пропускная способность клапана kv = '+FloatToStr(kv)); Memo1.Lines.Add(' пропускная способность клапана в рабочих условиях - '+FloatToStr(kv1)); end; if m=2 then exit else begin m:=2; f:=f2; Goto nachalo; End; end; end; end; end; В программе приняты следующие обозначения: Література 1 Полоцкий Л.М., Лапшенков Г.И. Автоматизация химических производств. М.: "Химия", 1982. -295с. 2 Лапшенков Г.И., Полоцкий Л.М. Автоматизация производственных процессов в химической промышленности. М.: "Химия", 1988. -288c. 3 Шувалов В.В., Голубятников В.А., Огаджанов Г.А. Автоматизация производственных процессов в химической промышленности. М.: "Химия",1991. -480с. 4 Кулаков М.В. Технологические измерения и приборы для химических производсв.М.: "Машиностроение", 1983 -424с. 5 Автоматические приборы, регуляторы и вычислительные системы. Справочное пособие. Под ред. Б.Д. Кошарского. Л.: "Машиностроение",1976. -488с. 6 Методические указания к практическим занятиям по курсу "Автоматика и автоматизация производственных процессов" для студентов cпециальности 7.090 220 /Сост. Г.В. Кравченко, И.П. Кушнаренко.- Днепропетровск: ДХТИ,1993.-100с. 7 Методические указания к выполнению самостоятельной работы студентов по курсу "Контроль и управление химико-технологическими процессами" для студентов V-VI курсов всех специальностей. /Сост. Г.В. Кравченко, В.Л. Динес, В.М. Кавизин.- Рубежное РФ ВУГУ,1998.- 36с. 8 Методическое руководство к выполнению дипломного проекта по разделу "Автоматический контроль и управление технологическим процессом" для студентов V-VI курсов всех специальностей. / Сост.Г.В. Кравченко, В.Л. Динес, И.П. Кушнаренко. - Днепропетровск: ДХТИ,1992. - 25 с. Содержание
Автоматизация производственных процессов. Методические указания к практическим занятиям. Ответственный за выпуск : Кравченко Г.В. Подписано к печати “___”_________ 2004 р. Формат 60´84´16 Печ.листов 80 Тираж ___ прим. Ротапринт РФ ВНУ 93009, г.Рубежное, ул. Ленина, 31 |
||||||||||||||||||||||||||||||||||||||||||||||||||||||||||||||||||||||||||||||||||||||||||||||||||||||||||||||||||||||||||||||||||||||||||||||||||||||||||||||||||||||||||||||||||||||||||||||||||||||||||||||||||||||||||||||||||||||||||||||||||||||||||||||||||||||||||||||||||||||||||||||||||||||||||||||||||||||||||||||||||||||||||||||||||||||||||||||||||||||||||||||||||||||||||||||||||||||||||||||||||||||||||||||||||||||||||||||||||||||||||||||||||||||||||||||||||||||||||||||||||||||||||||||||||||||||||||||||||||||||||||||||||||||||||||||||||||||||||||||||||||||||||||||||||||||||||||||||||||||||||||||||||||||||||||||||||||||||||||||||||||||||||||||||||||||||||||||||||||||||||||||||||||||||||||||||||||||||||||||||||||||||||||||||||||||||||||||||||||||||||||||||||||||||||||||||||||||||||||||||||||||||||||||||||||||||||||||||||||||||||||||||||||||||||||||||||||||||||||||||||||||||||||||||||||||||||||||||||||||||||||||||||||||||||||||||||||||||||||||||||||||||||||||||||



.




