Учебное пособие: Методические указания и задания для выполнения курсовой работы по дисциплине : " конструирование программ и языки программирования "
|
Название: Методические указания и задания для выполнения курсовой работы по дисциплине : " конструирование программ и языки программирования " Раздел: Остальные рефераты Тип: учебное пособие
| |||||||||||||||||||||||
| МИНИСТЕРСТВО ОБРАЗОВАНИЯ И НАУКИ РЕСПУБЛИКИ БЕЛАРУСЬ БЕЛОРУССКИЙ НАЦИОНАЛЬНЫЙ ТЕХНИЧЕСКИЙ УНИВЕРСИТЕТ Факультет информационных технологий и робототехники Кафедра программного обеспечения вычислительной техники и автоматизированных систем Профессор Р.И.Фурунжиев, доцент Н.Н.ГУРСКИЙ
МЕТОДИЧЕСКИЕ УКАЗАНИЯ И ЗАДАНИЯ для выполнения курсовой работы по дисциплине : " КОНСТРУИРОВАНИЕ ПРОГРАММ И ЯЗЫКИ ПРОГРАММИРОВАНИЯ " Минск - 2003 СОДЕРЖАНИЕ
МЕТОДИЧЕСКИЕ УКАЗАНИЯ ПО ОФОРМЛЕНИЮ КУРСОВОЙ РАБОТЫ Введение Цель курсовой работы - закрепление и углубление знаний, полученных при изучении курса «Конструирование программ и языки программирования » посредством разработки программного обеспечения для компьютера. 1. Последовательность выполнения работы Разработку курсового задания рекомендуется проводить в следующей последовательности: · математическая формулировка задачи; · выбор численного метода ее решения; · составление технического задания; · построение схемы алгоритма решения задачи; · разработка программы; · проведение испытаний (отладка) программы; · анализ результатов счета; · оформление расчетно-пояснительной записки. 2. Указания к оформлению расчетно-пояснительной записки. Отчет по работе оформляется в виде расчетно-пояснительной записки, которая должна содержать следующие черты: · титульный лист; · содержание; · введение; · математическая формулировка задачи; · описание программы; · методика испытаний; · выводы (заключение); · список использованной литературы. Краткое содержание некоторых частей записки. 2.1. Введение Проблематика и актуальность решаемой задачи. 2.2. Математическая формулировка задачи Математическая формулировка задачи и, если необходимо, ее графическое описание. Обоснование выбора численного метода решения задачи. 2.3. Техническое задание Введение (наименование и область применения программы). Назначение разработки (функциональное и эксплуатационное назначение программы). Требования к программе: · требования к функциональным характеристикам (состав выполняемых функций, организация входных и выходных данных); · требования к надежности (обеспечение устойчивости функционирования, контроль вводимой - выводимой информации и т.д.). 2.4. Описание программы Структурная схема программы. Словесное описание по схеме особенностей алгоритма (или его частей), наличие которых обусловлено, например, желанием сделать программу более удобной в эксплуатации или необходимостью обеспечить контроль вводимых данных. Описание разработанных классов: полей, методов и свойств. Описание последовательности и формы задания исходных данных (инструкция пользователю). Текст программы. 2.5. Методика испытаний Цель испытаний. Порядок проведения испытаний (последовательность испытаний, состав технических средств, требуемые программные средства). Методика испытаний (описание испытательных методов, перечень текстовых примеров и контрольных задач, распечатки контрольных задач и экранных форм). 2.6. Выводы Анализ результатов отладочного расчета, выводы. 3. Основные требования · обьем записки - не более 30 страниц; · управление программой обязательно должно поддерживаться системой меню (компоненты TMainMenu , TPopupMenu ) , дублированной инструментальной панелью(TToolBar), кнопками (TButton. TBitBtn и др.), переключателями(TCheckBox), строками редактирования(TEdit} и другими элементами управления; · программу необходимо начинать оригинальной заставкой; · обязательным является разработка класса, включающего все его составляющие (поля, свойства, методы), например, должны быть методы чтения/записи данных из/в файл, вычислительные методы, методы вывода данных в табличном виде, в виде графика, др. методы; · обязательным является модульный принцип, т.е. классы, характеризующие алгоритмическую часть и головная программа должны содержаться в отдельных Unit; · требуется показать умение использования библиотек DLL; · обязательным также является параллельное решение поставленной задачи, используя принципы СOM технологий, а именно требуется создать COM.-объект на основе разработанного класса и показать умение организации работы двух приложений – клиента и сервера; · в работе также должны быть отражены возможности передачи данных офисным приложениям (Word, Excel, Power Point); · программа должна содержать About; · обязательным условием является наличие в меню пункта Help; · программная реализация должна поддерживать контекстно-зависимую помощь; · желательно по предметной части разработать простейшую анимацию; · записка должна быть подготовлена в WinWord; · форма титульного листа приведена в приложении 1; · задания приведены в приложении 2. Литература.
1. Фаронов В.В. Delphi 5. Учебный курс.-М.:»Нолидж», 1998.-400с. 2. Елмакова Н., Трепалин С., Тенцер А. Delphi 6 и технология COM.-СПб.: Питер, 2002. – 640 с. 3. Сван, Том. Delphi 4. Библия разработчика: Пер. с англ. –К; М.; СПб.: Диалектика, 1998. – 672 с. 4. Федоров А.. Delphi 5.0 для всех. -М.: Тоо фирма “КомпьютерПресс”, 1998. - 464 с. 5. Марко Кэнту. Delphi 5 для профессионалов.-СПб.: Питер. 2001. – 944 с. 6. Федоров А.Г. Delphi 3.0 для всех.-М.:»КомпьютерПресс», 1998.-464с. 7. Дарахвелидзе П.Г., Марков Е.П. Delphi 4.-СПб.: БХВ-Санкт-Петербург, 1999.- 816 с. 8. Бобровский С. Delphi 5: учебный курс- СПб: Издательство «Питер», 2000.- 640с. 9. А.М.Епанешников, В.А.Епанешников Программирование в среде Delphi.-М.:»Диалог МИФИ», 1998. 10. Гринчишин Я.Т. и др. Алгоритмы и программы на Бейсике: Учеб. Пособие для студентов пед. Ин-тов по физ.-мат. Спец./Я.Т.Гринчишин, В.И.Ефимов, А.Н.Ломакович.-М.: Просвещение, 1988.- 160 с. 11. Фурунжиев Р.И. Вычислительная техника и ее применение. 3-изд. -Мн.: Выш.шк. 1986. - 462 с. 12. Фурунжиев Р.И. Вычислительная техника. Практикум. 2-изд. - Мн.: Выш.шк. 1988. - 192 с. 13. Фурунжиев Р.И. Проектирование оптимальных виброзащитных систем. Монография. - Мн.: Выш.шк, 1971. - 320 с. 14. Фурунжиев Р.И. Автоматизированное проектирование колебательных систем. Монография. - Мн.: Выш.шк, 1977. - 452 с. 15. Фурунжиев Р.И., Гурский Н.Н., Фурунжиев Р.И. Применение математических методов и ЭВМ. Программное моделирование систем. - Мн.: Выш. шк. 1991. – 250 с. 16. Л. Аммерал Принципы программирования в машинной графике. Пер.с англ.-М.:”Сол Систем”, 1992.-224с. 17. Смирнов Г.А. Теория движения колесных машин: Учеб. для студентов машиностроит. спец. вузов.- 2-е изд., доп. и перераб.- М.:Машиностроение, 1990.- 352 с. Приложение 1 ОБРАЗЕЦ ТИТУЛЬНОГО ЛИСТА МИНИСТЕРСТВО ОБРАЗОВАНИЯ И НАУКИ РЕСПУБЛИКИ БЕЛАРУСЬ БЕЛОРУССКИЙ НАЦИОНАЛЬНЫЙ ТЕХНИЧЕСКИЙ УНИВЕРСИТЕТ Факультет информационных технологий и робототехники (ФИТР) Кафедра программного обеспечения вычислительной техники и автоматизированных систем
КУРСОВАЯ РАБОТА по дисциплине: ” КОНСТРУИРОВАНИЕ ПРОГРАММ И ЯЗЫКИ ПРОГРАММИРОВАНИЯ ” на тему: ”Программное моделирование вынужденных колебаний жестко защемленного стержня” Выполнил: ст. гр. 107216 Исаев В.А. Принял: доц. Гурский Н.Н.
Минск 2003 Приложение 2 Задания. ЗАДАНИЕ №1
Тема «Программное моделирование динамических перемещений в стержне, возникающих вследствие внезапного приложения постоянной поперечной силы Исходные данные Динамические перемещения произвольной точки стержня описываются уравнением Здесь Расчетная схема показана на рис.1
Рис.1 Расчетная схема Начальные значения
: P=2500н, l=15м, b=0.02м, h=0.04м, Результаты получить для x=1м, x=2м, x=3м в табличной и графической форме. Все графики совместить в единой системе координат. ЗАДАНИЕ №2
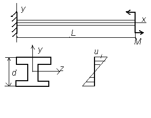
Тема «Программное моделирование полного прогиба свободного конца балки при косом изгибе». Исходные данные Полный прогиб свободного конца балки при косом изгибе определяется по следующей формуле:
Начальные значения
: P=2500н, l=2000мм, b=120мм, h=200мм, Расчетная схема показана на рис.1.
Рис.1. Расчетная схема Определить
прогиб ЗАДАНИЕ №3
Тема «Программное моделирование колебаний свободно опертого стержня, внезапно приобретающего скорость». Исходные данные Поперечные динамические перемещения свободно опертого стержня, для которого задано, что в момент времени t=0 все точки его, за исключением концевых точек, внезапно приобретают скорость V, описываются уравнением:
Начальные значения
: V=2м/c, l=3,5м, b=0.02м, h=0.05м, Расчетная схема показана на рис.1. Рис.1.Расчетная схема Результаты получить в 2-х точках x=1м, x=3м и представить в табличной и графической форме. ЗАДАНИЕ №4
Тема «Программное моделирование реакции одномассовой модели без демпфирования под действием силы тригонометрического вида». Исходные данные Вертикальные колебания подрессоренной массы определяются по формулам:
Начальные значения параметров:
Расчетная схема показана на рис.1. Рис.1. Расчетная схема Результаты представить в табличном и графическом виде. ЗАДАНИЕ №5 Тема «Программное моделирование вынужденных установившихся колебаний жестко закрепленного со стороны X =0 стержня» Динамическое перемещение точек стержня при вынужденных установившихся колебаниях жестко закрепленного на конце Х =0 стержня и не закрепленного на конце X =l , если на него действует равномерно распределенная по его длине сила
Начальные данные:
Исследования провести для X=l
при частотах возмущения ЗАДАНИЕ №6
Тема «Программное моделирование движения системы с одной степенью свободы под действием заданной нагрузки». Исходные данные Вертикальные колебания системы с одной степенью свободы определяются по формулам:
Начальные значения параметров:
Расчетная схема показана на рис.1. Рис.1. Расчетная схема Результаты представить в табличном и графическом виде. ЗАДАНИЕ №7
Тема «Программная реализация временного поведения системы с одной степенью свободы под действием нагрузки треугольного вида». Исходные данные Вертикальные колебания системы с одной степенью свободы определяются по формулам:
Начальные значения параметров:
Расчетная схема показана на рис.1, а вид нагрузки - на рис.2.
Рис.1. Расчетная схема Рис.2. Вид нагрузки Результаты представить в табличном и графическом виде. ЗАДАНИЕ №8 Тема «Разработка приложения анализа вынужденных установившихся колебаний жестко закрепленного со стороны x=0 стержня» Динамическое перемещение точек стержня при вынужденных установившихся колебаниях жестко закрепленного на конце Х =0 стержня и не закрепленного на конце X =l , если на него действует равномерно распределенная по его длине сила
Начальные данные:
Исследования провести для X=l
при частотах возмущения ЗАДАНИЕ №9 Тема «Разработка приложения анализа колебаний свободно опертого стержня при внезапном снятии равномерно распределенной нагрузки» Исходные данные К свободно опертому стержню приложена равномерно распределенная нагрузка с интенсивностью
Начальные данные:
Решение получить для двух точек 1) 2) Расчетная схема показана на рисунке.
Результаты колебаний в двух точках получить в виде таблицы и графиков. Графики представить в единой системе координат. ЗАДАНИЕ №10 Тема «Разработка приложения анализа поперечных динамических перемещений стержня при внезапном снятии силы» Исходные данные Свободно опертый стержень прогнулся под действием силы Р, приложенной к середине пролета. Поперечные динамические перемещения стержня при колебаниях, возникающих от внезапного снятия силы Р, описываются уравнением:
Начальные данные:
Расчетная схема показана на рисунке.
Результаты колебаний получить в виде таблицы и графика. ЗАДАНИЕ №11 Тема «Программная реализация разложения временного процесса в тригонометрический ряд» Исходные данные: Требуется получить численные значения, описываемые следующей функциональной зависимостью:
Начальные данные:
Вычисления провести для трех значений Результаты получить в виде таблицы и графиков, совмещенных в одной системе координат. ЗАДАНИЕ №12 Тема «Разработка приложения вычисления определенных интегралов по формуле трапеций» Исходные данные: Требуется составить программу вычисления определенного интеграла по формуле трапеций и сравнить полученный результат с известным аналитическим решением.
Начальные данные:
Формула трапеций имеет вид:
Аналитическое решение:
Вычислить значение интеграла и погрешность. Подинтегральную функцию представить в графическом виде, показать геометрическое значение интеграла в виде заштрихованной площади. ЗАДАНИЕ №13 Тема «Программная реализация анализа напряжений в балке при изгибе» Исходные данные: Требуется составить программу вычисления напряжений в поперечном сечении балки при воздействии на нее изгибающим моментом, заданной величины. Расчетная схема балки представлена на рисунке.
Напряжения в поперечном сечении балки вычисляются по формуле:
Начальные данные:
Получить табличные значения u для различных y. Вычертить на экране сечение балки и соответствующую ей эпюру напряжений. ЗАДАНИЕ №14 Тема «Разработка приложения вычисления определенных интегралов по формуле средних прямоугольников» Исходные данные: Требуется составить программу вычисления определенного интеграла по формуле средних прямоугольников.
Начальные данные:
Формула средних прямоугольников имеет вид:
Вычислить значение интеграла Подинтегральную функцию представить в графическом виде, показать геометрическое значение интеграла в виде заштрихованной площади. ЗАДАНИЕ №15 Тема «Разработка приложения вычисления определенных интегралов по формуле левых прямоугольников» Исходные данные: Требуется составить программу вычисления определенного интеграла по формуле левых прямоугольников.
Начальные данные:
Формула левых прямоугольников имеет вид:
Вычислить значение интеграла Подинтегральную функцию представить в графическом виде, показать геометрическое значение интеграла в виде заштрихованной площади. ЗАДАНИЕ №16 Тема «Разработка приложения вычисления определенных интегралов по формуле правых прямоугольников» Исходные данные: Требуется составить программу вычисления определенного интеграла по формуле правых прямоугольников.
Начальные данные:
Формула правых прямоугольников имеет вид:
Вычислить значение интеграла. Подинтегральную функцию представить в графическом виде, показать геометрическое значение интеграла в виде заштрихованной площади. ЗАДАНИЕ №17 Тема «Разработка приложения вычисления определенных интегралов по формуле Симпсона» Исходные данные: Требуется составить программу вычисления определенного интеграла по формуле Симпсона.
Начальные данные:
Формула Симпсона имеет вид:
Аналитическое решение:
Вычислить значение интеграла и погрешность. Подинтегральную функцию представить в графическом виде, показать геометрическое значение интеграла в виде заштрихованной площади. ЗАДАНИЕ №18 Тема «Программное моделирование разложения временного процесса в тригонометрический ряд» Исходные данные: Требуется получить численные значения, описываемые следующей функциональной зависимостью:
Начальные данные:
Вычисления провести для трех значений Результаты получить в виде таблицы и графиков, совмещенных в одной системе координат. ЗАДАНИЕ №19 Тема «Программная реализация решения нелинейного уравнения методом простой итерации» Исходные данные: Требуется найти корень уравнения на интервале [a;b], используя метод итераций. Начальным приближением задаться самостоятельно, процесс вычисления корня закончить при выполнении условия Сущность метода итераций заключается в следующем: заменим уравнение Это можно сделать различными способами, например Предположим, что выбрано некоторое начальное приближение корня уравнения
Такую последовательность называют итерационной. Начальные данные: Интервал нахождения корня [3;4]. Вычисления корня должны сопровождаться графическим отображение текущих значений корня на каждой итерации на графике уравнения. ЗАДАНИЕ №20 Тема «Программная реализация решения нелинейного уравнения методом половинного деления» Исходные данные: Требуется найти корень уравнения на интервале [a;b], используя метод половинного деления отрезка. Начальным приближением задаться самостоятельно, процесс вычисления корня закончить при выполнении условия Сущность метода половинного деления заключается в следующем: предположим, что на отрезке [a;b] уравнение Разделим отрезок [a;b] пополам и вычислим значение функции [(a+b)/2;b] функция будет принимать значения разных знаков. Обозначим этот отрезок через Начальные данные : Интервал нахождения корня [0;2]. Вычисления корня должны сопровождаться графическим отображение текущих значений корня и выбранных отрезков на каждой итерации на графике уравнения. ЗАДАНИЕ №21 Тема «Программная реализация решения нелинейного уравнения методом касательных (метод Ньютона)» Исходные данные: Требуется найти корень уравнения на интервале [a;b], используя метод Ньютона. Начальным приближением задаться самостоятельно, процесс вычисления корня закончить при выполнении условия Сущность метода половинного деления заключается в следующем: Пусть
Найдем точку пересечения касательной с осью абсцисс. Полагаем Тогда Полученное таким образом Вычисления повторяются до тех пор, пока не выполняется одно из неравенств в зависимости от того, какой из критериев принят за условие окончания счета. Начальные данные : Интервал нахождения корня [2;4]. Вычисления корня должны сопровождаться графическим отображение текущих значений корня и касательных на каждой итерации на графике уравнения. ЗАДАНИЕ №22 Тема «Разработка программной реализации сглаживания эмпирических данных» [10]. Исходные данные: Стр.140-142
ЗАДАНИЕ №23 Тема «Разработка программной реализации метода наименьших квадратов» [10]. Исходные данные: Стр.142-144
ЗАДАНИЕ №24 [10]. Тема «Ортогональные полиномы Чебышева» Исходные данные: Стр.95-97 ЗАДАНИЕ №25 Тема «Ортогональные полиномы Эрмита» [10]. Исходные данные: Стр.97-99 ЗАДАНИЕ №26 Тема «Ортогональные полиномы Лежандра» [10]. Исходные данные: Стр.99-101 ЗАДАНИЕ №27 Тема «Разработка приложения Ортогональные полиномы Лагерра» [10]. Исходные данные: Стр.103-104 ЗАДАНИЕ №28 Тема «Разработка приложения решения линейного интегрального уравнения Вольтера второго рода» [10]. Исходные данные: Стр.76-77 ЗАДАНИЕ №29 Тема «Разработка приложения решения линейного интегрального уравнения Вольтера первого рода» [10]. Исходные данные: Стр.78-80 ЗАДАНИЕ №30 Тема «Разработка приложения решения интегрального уравнения Фредгольма второго рода» [10]. Исходные данные: Стр.80-82 ЗАДАНИЕ №31 Тема «Разработка приложения решения ДУ модифицированным методом Эйлера» [10]. Исходные данные: Стр.68-69 ЗАДАНИЕ №32 Тема «Разработка приложения решения ДУ метод Рунге-Кутта четвертого порядка » [10]. Исходные данные: Стр.69-70 ЗАДАНИЕ №33 Тема «Разработка приложения решения обыкновенных дифференциальных уравнения высших порядков» [10]. Исходные данные: Стр.70-72 ЗАДАНИЕ №34 Тема «Разработка приложения решения ДУ методом Рунге-Кутта с автоматическим выбором шага» [10]. Исходные данные: Стр.72-74 ЗАДАНИЕ №35 Тема «Разработка процессора графиков» Исходные данные: Реализации графиков в текстовом файле. Требуется разработать программу чтения реализаций и отображения их в одном графическом пространстве. ЗАДАНИЕ №36 Тема «Разработка приложения моделирования работы кривошипного механизма» Исходные данные: Стр. ЗАДАНИЕ №37 Тема «Разработка приложения интерактивного графического редактора» Исходные данные: Набор простейших примитивов: отрезок, окружность, полигон, текст. Требуется в масштабе с помощью параметрического задания примитивов строить произвольное изображение геометрических фигур, Предусмотреть возможность их закрашивания. ЗАДАНИЕ №38 Тема «Разработка приложения сплайн аппроксимация» [16] Исходные данные: Стр. 43-48. ЗАДАНИЕ №39 Тема «Разработка приложения построения пространственных фигур» [16] Исходные данные: Стр. 188-193 Полусфера, тор ЗАДАНИЕ №40 Тема «Разработка приложения удаления невидимых линий» [16] Исходные данные: Стр. 117-174 Объемная буква А, Объемная буква К ЗАДАНИЕ №41 Тема «Разработка приложения отображения модели винтовой лестницы» [16] Исходные данные: Cтр. 184-188 ЗАДАНИЕ №42 Тема «Разработка приложения отображения геометрических фигур с использованием рекурсий» Исходные данные: ЗАДАНИЕ №43 Тема «Разработка приложения вычерчивания геометрических фигур в заданной области» [16] Исходные данные: Стр. 37-43 ЗАДАНИЕ №44 Тема «Разработка приложения преобразований геометрических фигур в трехмерном пространстве» [16] Исходные данные: Стр. 74-80 ЗАДАНИЕ №45 Тема «Разработка приложения отображения полого цилиндра» [16] Исходные данные: Стр. 179-182. ЗАДАНИЕ №46 Тема «Разработка приложения отображения стержней по спирали» [16] Исходные данные: Стр. 182-184. ЗАДАНИЕ №47 Тема «Разработка приложения отображения реалистичного дерева» [16] Исходные данные: Cтр. 49 ЗАДАНИЕ №48 Тема «Разработка приложения-отображения тора» [16] Исходные данные: Стр. 188-191 ЗАДАНИЕ №49 Тема «Разработка приложения отображения полусферы» [16] Исходные данные: Стр. 191-193 ЗАДАНИЕ №50 Тема «Разработка приложения отображения функции двух переменных» [16] Исходные данные: Стр. 193-197 ЗАДАНИЕ №51 Тема «Разработка приложения обращения матриц с помощью расширенной матрицы» [10] Исходные данные: Стр.16-18 ЗАДАНИЕ №52 Тема «Разработка приложения вычисления определителя методом триангуляции» [10] Исходные данные: Стр.18-20 ЗАДАНИЕ №53 Тема «Разработка приложения решения систем линейных алгебраических уравнений методом Гаусса» [10] Исходные данные: Стр.20-22 ЗАДАНИЕ №54 Тема «Разработка приложения обращения матриц методом Гаусса» [10] Исходные данные: Стр.22-24 ЗАДАНИЕ №55 Тема «Разработка приложения формирования характеристик нелинейных упругих элементов подвески машины» [14] Исходные данные: Стр.13-16 ЗАДАНИЕ №56 Тема «Разработка приложения формирования кусочно-линейных характеристик упругих элементов подвески машины» [14] Исходные данные: Стр.17-20 ЗАДАНИЕ №57 Тема «Разработка приложения формирования характеристик амортизаторов и сухого трения подвески машины» [14] Исходные данные: Стр.20-23 ЗАДАНИЕ №58 Тема «Разработка приложения формирования упругой и диссипативной характеристик шины» [14] Исходные данные: Стр.24-25 ЗАДАНИЕ №59 Тема «Разработка приложения интегрирования уравнений колебательных систем [14] Исходные данные: Стр.103-110 ЗАДАНИЕ №60 Тема «Разработка приложения формирования случайных возмущений» [14] Исходные данные: Стр.111-114 ЗАДАНИЕ №61 Тема «Разработка приложения моделирования колебаний двухмассовой системы» [11] Исходные данные: Стр.311-312 ЗАДАНИЕ №62 Тема «Разработка приложения формирования реализаций одномерного случайного процесса с экспоненциальной корреляционной функцией» [11] Исходные данные: Стр.322 ЗАДАНИЕ №63 Тема «Разработка приложения формирования реализаций одномерного случайного процесса с экспоненциально-косинусной корреляционной функцией» [11] Исходные данные: Стр.322-323
ЗАДАНИЕ №64 Тема «Разработка приложения вычисления оценок статистических характеристик случайных величин» [11] Исходные данные: Стр.332-333 ЗАДАНИЕ №65 Тема «Разработка приложения визуализации сил и моментов, действующих на колесо» [17] Исходные данные: Стр.6-9 ЗАДАНИЕ №66 Тема «Разработка приложения определения радиусов колеса» [17] Исходные данные: Стр.10-15 ЗАДАНИЕ №67 Тема «Разработка приложения визуализации внешних сил, действующих на машину» [17] Исходные данные: Стр.31-36 ЗАДАНИЕ №68 Тема «Разработка приложения моделирования прямолинейного движения машины» [17] Исходные данные: Стр.40-43 ЗАДАНИЕ №69 Тема «Разработка приложения определения реакций, действующих на колеса двухосной машины» [17] Исходные данные: Стр.44-45 ЗАДАНИЕ №70 Тема «Разработка приложения определения реакций, действующих на колеса трехосной машины» [17] Исходные данные: Стр.45-46 ЗАДАНИЕ №71 Тема «Разработка приложения определения реакций, действующих на колеса многоосной машины» [17] Исходные данные: Стр.47-48 ЗАДАНИЕ №72 Тема «Разработка приложения визуализации способов поворота колесной машины» [17] Исходные данные: Стр.87-93 ЗАДАНИЕ №73 Тема «Разработка приложения визуализации бокового увода колеса» [17] Исходные данные: Стр.93-98 ЗАДАНИЕ №74 Тема «Разработка приложения визуализации кинематики поворота машины» [17] Исходные данные: Стр.99-105 ЗАДАНИЕ №75 Тема «Разработка приложения определения сил и моментов, действующих на машину при криволинейном движении» [17] Исходные данные: Стр.105-117 ЗАДАНИЕ №76 Тема «Разработка приложения распределения крутящих моментов, продольных и боковых реакций по колесам машины» [17] Исходные данные: Стр.117-123 ЗАДАНИЕ №77 Тема «Разработка приложения визуализации поворота сочлененных машин» [17] Исходные данные: Стр.124-127 ЗАДАНИЕ №78 Тема «Разработка приложения визуализации сил, действующих на машину при заносе и опрокидывании» [17] Исходные данные: Стр.144-153 ЗАДАНИЕ №79 Тема «Разработка приложения визуализации сил и моментов, действующих на колесо при торможении» [17] Исходные данные: Стр.177-179 ЗАДАНИЕ №80 Тема «Разработка приложения визуализации распределения тормозных сил по осям двухосной машины» [17] Исходные данные: Стр.179-184 ЗАДАНИЕ №81 Тема «Разработка приложения визуализации распределения нормальных реакций по осям автопоезда при торможении» [17] Исходные данные: Стр.184-185 ЗАДАНИЕ №82 Тема «Разработка приложения построения тормозной диаграммы машины» [17] Исходные данные: Стр.185-188 |
Работы, похожие на Учебное пособие: Методические указания и задания для выполнения курсовой работы по дисциплине : " конструирование программ и языки программирования "












































