Учебное пособие: Методические указания к проведению практических занятий по курсу “Железобетонные конструкции”
|
Название: Методические указания к проведению практических занятий по курсу “Железобетонные конструкции” Раздел: Остальные рефераты Тип: учебное пособие
|
| Методические указания к проведению практических занятий по курсу “Железобетонные конструкции” Сибирская государственная автомобильно – дорожная академия Инженерно строительный институт (ИСИ СибАДИ) Кафедра “Строительные конструкции” Методические указания к проведению практических занятий по курсу “Железобетонные конструкции” (IV ПГС) Составители: Саунин В. М. Тютнева В. Г. Омск - 2003 Практические занятия по ж/б конструкциям III ПГС, IV семестр 1. Отдельная тетрадь, предъявляется при зачете с подписью проверяющего практические занятия. Обязателен СНиП. 2. Рассматривается ж/б конструкция.
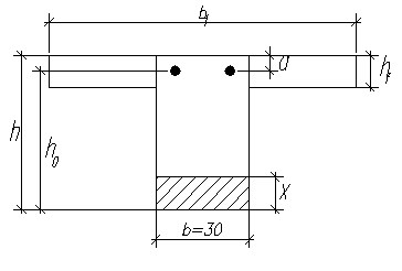
3. Тема : Прямоугольное сечение с одиночной арматурой (см. лекции). Рассчитывается консольный свес: Конструктивная схема:
Расчетная схема:
Определяем усилия:
Расчетное сечение:
Предварительно тогда Исходные данные: Бетон В20: (п.2.11) (тяжелый) Арматура: (п.2.27) А-III Ø 6-8 Вр-I Ø 3 Ø 4 Ø 5 Расчет сечений, нормальных к продольной оси элемента, следует произ- водить в зависимости от соотношения между значением относительной высоты сжатой зоны бетона той зоны бетона
или
Должно соблюдаться условие
Принимаем Æ 6 А-III с Распределительную арматуру принимаем Æ 3 Вр – I c Проверка прочности нормального сечения: Уточняем рабочую высоту сечения:
Определяем высоту сжатой зоны бетона:
Тема: Прямоугольное сечение с двойной арматурой (см. лекции)
При Конструктивная схема:
Расчетная схема: q1 =7.75 кН/м (на 1 м ширины) ℓ0 =5.3 м
Расчетное сечение:
Исходные данные: те же с добавлением
требуется сжатая продольная арматура с
(у нас Ø 6А-III из предыдущего расчета) У нас есть Ø 6А-III с
Принимаем Æ 14 A – III с Распределительную Æ 4 Вр – I с Уточняем по 3.15 – Проверка прочности:
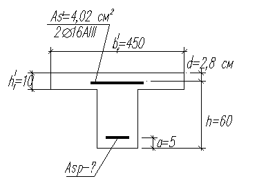
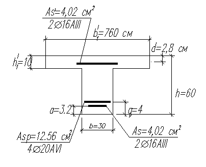
Прочность обеспечена. Есть смысл увеличить шаг, но в учебных целях оставим так. 5. Тема: Тавровое сечение 5.а. Контрольная часть (опорное сечение), отрицательный момент. Конструктивная схема:
Расчетная схема:
Исходные данные: (см. ранее)
Принимаем 2 Æ 16 A – III с Аs 3 =4.02 см2 (в расчете на 2 каркаса п.5.22) Если установить их под арматурой (см.п.3)
а по п. 5.5 Проверка прочности опорного сечения:
Прочность обеспечена 5.б. Пролетная часть, момент положительный Конструктивная схема:
Расчетная схема:
Расчетное нормальное сечение:
Назначение а) б)
2) консольные свесы – при (студентам читать самим)
Назначаем, а=5 см (в ожидании двухрядного расположения арматуры).
Определение положения границы сжатой зоны бетона:
Принимаем 4 Æ 32 A – III с Аs =32.17 см2 Размещение арматуры:
Принимаем 40 мм Проверка прочности нормального сечения:
Определение положения границы сжатой зоны:
Граница сжатой зоны в полке
Прочность обеспечена, при недостатке желательно сблизить или поставить рядом стержни. 6. Тема: Расчет прочности наклонных сечений (см. лекции)
Расчетная схема наклонного сечения:
По изгибающему моменту расчет не проводится, т.к. подбором верхней арматуры 2Æ16 A-III обеспечена прочность как нормальных, так и наклон - ных сечений из-за гарантии анкеровки этой арматуры. Поэтому расчет на поперечную силу.
Необходимость расчета хомутов при невыполнении (п.3.32) условия (84):
Расчетное наклонное сечение:
Левая часть условия (84) равна:
что не меньше Условие (84) не выполняется – необходима поперечная арматура – нанесем ее на расчетную схему и сечение. Из условия (83) определим
где
из п. 5.27 (81) Æ 6 – 8 Æ К Æ 32 продольной арматуры можно как минимум приваривать Æ 8 А – III –
(80)
Прочность наклонного сечения обеспечена. Хомуты Æ 8 А - III на
7. Тема: Конструирование арматурных элементов
С - 1 Расстояние между крайними рабочими Æ 6 A - III поперечными стерж - нями п.5.9 и Целым числом шагов 200 набирается:
Остается два шага по Длина стержней Æ 6 A - III : Расстояние между крайними распределительными стержнями Æ 3 Вр - I
Целым шагом 600 набирается: Остается два шага по Длина Æ 3 Вр – I: С - 1
С – 2 Расстояние между крайними рабочими Æ 14 A – III поперечными стержнями:
Целым числом шагов 120 набирается Остается два шага по Длина стержней Æ 14 A – III - 5450 мм
Расстояние между крайними распределительными продольными стержнями Æ 4 Вр – I:
Целым шагом 600 набирается:
Длина Æ 4 Вр – I - С - 2
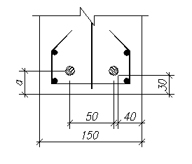
Сетка С-1 и С-2 могут набираться из отдельных частей, получаемых расчленением по распределительной арматуре с учетом стыкования в нерабочем направлении п.5.41. К-1 Расстояние между рабочими продольными стержнями Æ16 и Æ 32 А III (см. схему и расчеты)
Расстояния между Æ16 и Æ 32 (верхним): Расстояния между Æ16 и Æ 32 (нижним): Принимаем технологически удобные размеры 440 и 520, оставляя 28 (базовым). Длина стержней Æ16 и Æ 32 (п.5.9.): Расстояние между крайними поперечными стержнями:
Оно набирается шагом 200 (от половины вылета консоли и 1/4 пролета – (от опор) и 400 в оставшихся частях. Зона 1500/2 + 9000/4 = 3000 набирается шагом шаяся средняя часть пролета 9000/2=4500 мм набирается целым шагом 400х10=4000 мм и переходными шагами 250х2=500 мм. Оставшиеся части консолей:
Набирается одним шагом 400 и одним переходным 310 мм. Длина поперечных стержней: К - 1
Расход основной рабочей арматуры на плиту
где 6,31 кг/м-масса 1 пог. метра Æ 32 8.Тема: Расчет внецентренно-сжатых элементов прямоугольного сечения. Конструктивная схема:
Расчетная схема:
а) Симметричное армирование: Расчетное сечение
Материалы: Бетон В20; Арматура класса А- III; по п. 5.17 Задаемся в учебных целях
Целесообразно симметричное армирование , т.к. случайный эксцентриси - тет
(определение Значит Из (36) для
Из (38), (39)
Для Для Для
Принимаем Проверка прочности Оставим
Из (38), (39) уточняем Из (39) Из (36) Прочность обеспечена б) Несимметричное армирование: Допустим, что наш эксцентриситет только в одну сторону и Имеет смысл взять наименьшую, тем более, что она больше
Не подбирая стержни, с этой
Принимаем сжатую арматуру 2 22 A - III с Размещение оставим то же (по
Рис. 27
Проверка прочности: Из (37)
при этом из (39)
Из (36): Что больше Прочность обеспечена. в) Конструирование арматурных элементов. Ствол колонны армируется пространственными каркасами: в случае симметричного армирования КП-1 и несимметричного КП-2, армирования КП-1 (4 22 A - III ) Расстояние между осями продольных стержней Длина продольных стержней Минимальный диаметр поперечной арматуры по свариваемости с 22 - 6мм Принимаем 6 A - III Шаг поперечных стержней (п.5.22)
Принимаем Расстояние между крайними поперечными стержнями КП-1
Рис. 28 КП-2 К изложенному выше в КП-1 изменения только в шаге Принимаем 300 мм и 3930 набираем КП-2
Рис. 29 9. Предварительно-напряженные конструкции 9.1. Расчет прочности по нормальным сечениям изгибаемых элементов. Расчетное сечение (см.п.5.б ) среднее
Рис. 30
Задаемся напряженной арматурой А - VI; Граница сжатой зоны в полке (см. п.5.б), там же Определяем
итак, граница сжатой зоны в полке,
Принимаем 4 Æ 20 А - VI с Размещение арматуры (п.5.5, 5.6, 5.12)
Рис. 31
Проверка прочности
Определение границы сжатой зоны:
Прочность обеспечена Расход 1Æ 16 + 2 Æ (Аsp ) 9.2. Конструирование арматурных элементов для преднапряженной конструкции По сравнению с предыдущим каркас К-1 должен быть изменен. Вместо 2 Ø 32 A - III ставится конструктивно монтажный, стержень принимается Ø 16 A - III и ставится на место нижнего Ø 32 A – III с опусканием. Итак:
Рис. 32 Для конструирования арматурных элементов, связанных с предваритель - ным напряжением следует задаться значением начального предваритель - ного напряжения арматуры и определить величину предварительного нап - ряжения перед передачей напряжения с упоров на затвердевший бетон п.1.23, механический способ натяжения на упоры стенда Из (1) Принимаем П.1.24 табл. 5 Первые потери: 1) релаксация 2) температурный перепад длина натягиваемых стержневых заготовок 3) деформация анкеров (п. 2.30,т. 29)
Усилие обжатия бетона при передаче напряжения с упоров
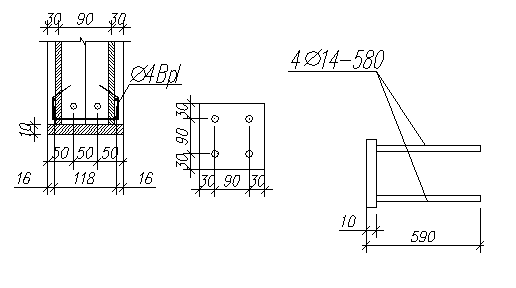
п.5.58 – Дополнительная ненапрягаемая поперечная арматура на всю высоту торцевого сечения: Принимаем 4 Ø 14 A - III c Нижние концы стержней привариваются к пластине, которая кроме этого служит для выполнения требований п.5.7, а. Толщина пластины (приложение 4):
Рис. 33 Гнутый каркас Кр-2 Из условия свободного надевания на анкера закладной детали, а также п.5.61 и п.2.29
Принимаем 280 мм;
принимаем принимаем Ø 4 Вр – I для Кр – 2; Кр – 3 вид сбоку
126 – по осям охватывающей арматуры
Рис. 33 На оставшейся по длине части 12000-295х2=11410 мм ставится Кр-3 того же поперечного сечения, что и Кр-2, но с шагом согласно п.5.22-150х2=300мм. Чертежи Кр-2 и Кр-3 можно совместить (см. рисунок выше). Расход основной рабочей арматуры Æ 20 А – VI - 9.3. Определение момента трещинообразования (стадия I НДС- II группа предельных состояний) 9.3.1. Геометрические характеристики приведенного сечения (п.1.28)
Рис. 34
Коэффициенты приведения: Площадь приведенного сечения:
Статический момент относительно нижней грани:
Расстояние от центра тяжести нижней грани:
Момент инерции относительно центра тяжести:
Упругий момент сопротивления относительно нижней грани –
относительно верхней грани –
относительно центра тяжести напрягаемой арматуры –
Упругопластический момент сопротивления относительно нижней грани допускается определять (
9.3.2. Определение полных потерь в напрягаемой арматуре. Расчет ведется для стадии передачи напряжения на бетон: изготовление конструкции на месте ее расположения. Нормативный изгибающий момент от собственной массы конструкции:
Потери напряжений от быстронатекающей ползучести бетона в момент передачи напряжений на него определяются по п.6 табл. 5 в зависимости от
Потери от усадки бетона – Потери от ползучести бетона –
(п. 1.28) (п. 9 табл. 5)
Сумма всех потерь и усилие обжатия с учетом этого:
9.3.3. Определение К исходным данным: Примем нормативное значение изгибающего момента в среднем сечении 80% от расчетного
Определим
(135) Радиус ядра сечения (ядровая точка - верхняя)
Доля момента трещинообразования, определенная усилием обжатия (129) Момент трещинообразования: (125) Поскольку Условие (124) выполняется и трещин нормальных к продольной оси не будет. 9.4.4. Определение прогибов при отсутствии трещин в растянутой зоне. (п.4.23 а и последний абзац; п.4.24) Прогибы определяются по средней кривизне без учета разгружающего влияния консолей, т.е. заведомо получается завышенный прогиб из-за нулевого момента на опоре. Примем разделение полного нормативного момента на кратковременную –
и длительную –
Для формул (159)
Для определения В стадии передачи напряжений на бетон –
Поскольку в верхней грани растяжение
(если Итак,
что больше поэтому Полная кривизна:
Для балки загруженной равномерно распределенной нагрузкой Прогиб По дополнению, раздел 10к СНиП для (высота помещений до 6м) для Для В нашем случае |





; (см. п. 3.12)









Расчетное сечение:











Границы сжатой зоны в полке, 























;











- предварительно принимаем так 
принимаем 

























;