Реферат: Программирование в двоичных кодах
|
Название: Программирование в двоичных кодах Раздел: Рефераты по информатике, программированию Тип: реферат | ||||||||||||||||||||||||||||||||||||||||||||||||||||||||||||||||||||||||||||||||||||||||||||||||||||||||||||||||||||||||||||||||||||||||||||||||||||||||||||||||||||||||||||||||||||||||||||||||||||||||||||||||||||||||||||||||||||||||||||||||||||||||||||||||||||||||||||||||||||||||||||||||||||||||||||||||||||||||||||||||||||||||||||||||||||||||||||||||||||||||||||||||||||||||||||||||||||||||||||||||||||||||||||||||||||||||||||||||||||||||||||||||||||||||||||||||||||||||||||||||||||||||||||||||||||||||||||||||||||||||||||||||||||||||||||||||||||||||||||||||||||||||||||||||||||||||||||||||||||||||||||||||||||||||||||||||||||||||||||||||||||||||||||||||||||||||||||||||||||||||||||||||||||||||||||||||||||||||||||||||||||||||||||||||||||||||||||||||||||||||||||||||||||||||||||||
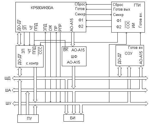
| Санкт-Петербургский государственный технический университет Кафедра системного анализа и управления ЛАБОРАТОРНАЯ РАБОТА Дисциплина: организация ЭВМ Тема: организация микропроцессоров (МП К580) “__”___________2001г. Санкт-Петербург 2001 Цель работы. Практическое ознакомление с отдельными БИС микропроцессорного комплекта серии К580, методикой построение МП-систем на его основе и структурой программного обеспечения. Описание рабочего стенда. Лабораторный стенд ТУМ1 предназначен для изучения функциональных возможностей и внутренней структуры (организации) МП различных типов, а так же для изучения системы команд (микрокоманд) этих МП и принципов проектирования и отладки микроконтроллеров на основе МП. Функционально структура лабораторного стенда (рис.1) представляет собой схему обычной МП-системы или микроЭВМ, включающей в себя центральный процессор (ЦП), память, устройство ввода (клавиатура для ввода исходных данных и программ) и устройство вывода (блок светодиодных индикаторов, позволяющий визуально контролировать вводимую информацию и результаты выполнения программ). В стенде использованы два клавишных регистра входной информации. Первый клавишный регистр предназначен для ввода данных, а второй клавишный регистр выполняет функции регистра микрокоманд для микропроцессоров с микропрограммным управлением или функции регистра адреса для микропроцессоров с фиксированной разрядностью. Кроме того, на панели управления так же размещен ряд переключателей отдельными режимами работы. Светодиодные индикаторы выведены на вертикальную лицевую панель стенда. Независимо от типа исследуемого МП стенд может работать либо в пошаговом режиме, либо в автоматическом. На плате памяти размещены БИС ОЗУ. Применение оперативных запоминающих устройств в качестве программной (микропрограммной) памяти определено спецификой использования стенда, предназначенного для решения разнообразных задач различных пользователей. В качестве памяти МП-системы на основе микропроцессора К580 использована БИС статического ОЗУ К565РУ2А емкостью 1024х1 бит. Параллельное включение восьми БИС этого типа позволило организовать программную память и память данных объемом 1024 восьми разрядных слов. При исследовании модульных (секционных) МП используется плата памяти, основу которой составляет две секции по 5 параллельно включенных БИС ОЗУ типа К155РУ2 емкостью 16х4 бит. Использование десяти БИС ОЗУ обеспечило реализацию памяти микропрограмм объемом в 32 двацатиразрдных слова. Управление режимами работы ОЗУ (Чтение, Запись или хранение информации) в стенде осуществляется с помощью управляющих клавиш ЗУ/КЛАВ и ЗАП, которые соединены с управляющими входами БИС ОЗУ «Выбор кристалла» и «Запись». В общем случае при работе с ЗУ необходимо переключить тумблер ЗУ/КЛАВ в положение ЗУ. При этом информация (данные, команда, микрокоманда), записанная по индицируемому адресу, автоматически считывается и высвечивается на соответствующих одноименных индикаторах. Для записи требуемой информации, предварительно набранной на клавишном регистре данных (микрокоманд), необходимо нажать на клавишу ЗАП. Алгоритм и органы управления памятью конкретных МП-устройств могут несколько отличатся от рассмотренных и будут представлены дополнительно при описании соответствующих режимов работы лабораторного стенда. Рис.1
-плата центрального процессора, включающая кроме БИС К580ИК80А (К580ВМ80А) ряд БИС и СИС, с помощью которых реализованы тактовый генератор двухфазных последовательностей импульсов Ф1и Ф2, системный контроллер, формирующий внешние сигналы управления обменной информации в МП-системе, и шинные формирователи адреса и данных, предназначенные для повышения нагрузочной способности шин адреса и данных; -плата памяти, включающая оперативное ЗУ емкостью 1024 восьмиразрядных слова на основе БИС К565РУ2А, предназначенное для записи хранения учебных программ и данных, а так же результатов выполнения программ; -пульт управления и индикации, с помощью которого осуществляется управление работой микроЭВМ и индикации различных режимов работы, содержимого шин адреса и данных. С помощью двух внешних разъемов, расположенных на торцевых стенках стенда, предусмотрена возможность подключения двух модулей программируемого параллельного интерфейса ввода-вывода К580ВВ55, обеспечивающий двунаправленный обмен с внешними устройствами. Основным режимом работы микроЭВМ является режим ВЫПОЛНЕНИЕ ПРОГРАММЫ. Однако, прежде чем приступить к работе, микроЭВМ необходимо запрограммировать. Поэтому наряду с основным режимом микроЭВМ также предусмотрен режим записи и коррекции программ (команд), который в соответствии с одноименным режимом работы МП КР580ВМ80 назван режимом ПРЯМОГО ДОСТУПА К ПАМЯТИ (ПДП). Режим ПДП предназначен для записи информации в ОЗУ, а также использования системной шины другими внешними устройствами. Режим ВЫПОЛНЕНИЯ ПРОГРАММЫ обеспечивает работу микроЭВМ по программе, предварительно записанной в память, в шаговом или автоматическом режиме. Для организации указанных режимов работы на передней панели стенда устройства ввода размещен ряд элементов управления, назначение которых следующее: ЗУ/КЛАВ – переключатель (тумблер), определяющий источник данных и команд. В положении ЗУ осуществляется чтение команд и данных из памяти или в память, в положении КЛАВ – с клавиатуры (без обращения к содержимому ЗУ); ЗПД – тумблер, с помощью которого обеспечивается формирование сигнала «Запрос прямого доступа к памяти». Реагируя на этот сигнал, МП переходит в режим ПДП, при котором ША и ШД МП отключается от системных шин. Благодаря этому, появляется возможность непосредственного обращения к элементам ОЗУ микроЭВМ с помощью клавишных регистров адреса и данных. Установление режима ПДП необходимо контролировать по светодиодному индикатору ППД (подтверждение прямого доступа). Если при включенной клавише ЗПД индикатор ППД не горит, необходимо нажать кнопки НУ и ПУСК; КЦ/МЦ – тумблер, задающий работу МП по командным или машинным циклам в пошаговом режиме. Тумблер НЕПР/ШАГ и кнопка ПУСК обеспечивают работу МП в непрерывном или пошаговом режиме при выполнении программы. При этом зависимости от положения переключателя КЦ/МЦ в пошаговом режиме реализуется выполнение одного командного или машинного цикла.
Изучение простейших технических средств организации интерфейса микропроцессорных систем выполняется на стенде ТУМ1 с помощью четырех- или шестиразрядного дисплеев на семи сегментных индикаторах (ДСИ). В большинстве МП-систем обмен информации между МП и периферийными устройствами осуществляется через специальные схемы сопряжения (интерфейсные схемы), выполненные на основе интегральных схем малой степени интеграции или в виде специальных БИС. В простейшем случае роль промежуточного устройства сопряжения между МП и устройством ввода-вывода выполняет регистр часто называемый портом. Работу подобного порта можно изучить с помощью четырехразрядного дисплея, в состав ДСИ входят четыре восьмиразрядных регистра с соответствующими схемами управления и четыре семи сегментных индикатора. К системным шинам адреса, данных и управления МП-системами ДСИ подключается через внешний разъем. Семи сегментные индикаторы позволяют отображать все десятичные цифры и ряд букв русского и латинского алфавитов. Кодирование отображаемых символов осуществляется восьмиразрядным двоичным кодом: сегменту b0 соответствует установка в «1» разряда d0 аккумулятора, сегменту b1 – установка в «1» d1 и т.д. принцип кодирования показан на рис. 3.Вывод информации осуществляется по команде Out Port, т.е. вывода содержимого аккумулятора.
Рис. 3 В общем случае в качестве буферного устройства сопряжения между МП и устройствами ввода-вывода используют БИС программируемого параллельного интерфейса КР580ВВ55 (ППИ). Программируемое устройство ввода-вывода параллельной информации КР580ВВ55 представляет собой набор из трех 8-разрядных двунаправленных портов (каналов) А, В и С, предназначенных для подключения периферийных устройств к системным шинам (Рис. 4) Структурная схема ППИ включает в себя двунаправленный буфер ШД, три информационных регистра каналов А, В, С и схему выбора канала и управления, содержащую регистр управляющего слова. Связь БИС с ШД МП-системы осуществляется через тристабильный 8-разрядный буфер ШД. Входы А0 и А1 подключаются к одноименным линиям шины адреса и используются для выбора внутреннего регистра ППИ
Рис. 4 1.Выполнение типовых заданий 1-12 из методических указаний Программа №1 Загрузка в регистры B и C данных 010 и 001 Адреса Команды Мнемоника команд Комментарии L=000 041 LXIH Загрузка начального Адреса памяти. 001 200 B2 мл. байт памяти. 002 000 В3 ст. байт памяти. 003 001 LXIB Запись исходных данных в регистры В и С 004 001 В2 В2-(С) 005 010 В3 В3-(В) 006 160 MOV M,B Запоминание (В) 007 043 INX H Формирование следующего адреса памяти. 010 161 MOV M,C Запоминание (С) 011 166 HLT Останов. После выполнения программы сегмент данных будет иметь следующий вид: Адрес Содержимое 200 001 201 010 Программа №2 Позволяет занести содержимое регистров В и С в стек(выбранный участок памяти). Адреса Команды Мнемоника команд Комментарии 000 061 LXI SP Установка указателя стека. 001 202 В2 мл.байт адреса. 002 000 В3 ст.байт адреса. 003 001 LXI B Запись исходных данных в регистры В и С. 004 001 В2 005 010 В3 006 305 PUSH B Запоминание содержимого регистров В и С в стеке. 007 166 HLT Останов. Содержимое ячеек после выполнения программы: Адрес Содержимое 200 001 201 010 Программа №3 Извлечение данных из стека, их изменение и занесение обратно в стек. Запишем в стек (H=000, L=200 и H=000, L=201 ) числа 001 и 200 . Адрес Команды Мнемоника команд Комментарии 000 061 LXI SP 001 200 В2 002 000 В3 003 301 POP B Извлечение данных из стека и загрузка их в регистровую пару В и С 004 004 INR B Увеличение на единицу регистра В 005 015 DCR C Уменьшение на единицу содержимого регистра С 006 305 PUSH B Запоминание в стеке 007 166 HLT Содержимое ячеек до выполнения программы:
Содержимое ячеек после выполнения программы:
Программа №4 Сложение содержимого регистра с содержимым ячейки памяти
Содержимое ячеек до выполнения программы:
Содержимое ячеек после выполнения программы:
Программа №4.1 Сложение двоично-десятичных чисел.
Содержимое ячеек до выполнения программы:
Содержимое ячеек после выполнения программы:
Программа №4.2 Вычитание двоично-десятичных чисел
Содержимое ячеек до выполнения программы:
Содержимое ячеек после выполнения программы:
Программа №5 Логическая операция, сдвиг числа и запоминание слова состояния
Анализ значений Слова Состояния Программы
Содержимое ячеек после выполнения программы:
Программа №6 Обнуление области памяти. Программа пересылает нулевое содержимое какого либо регистра в ячейку памяти.
Содержимое ячеек до выполнения программы:
Содержимое ячеек после выполнения программы:
Программа №7 Режим задания команд с клавиатуры
Задание с клавиатуры
Программа №8 Условные переходы. Программа позволяет изучить действие условных переходов. По адресу H=000,L=200 запишем число 002(соответствует нулевому значению всех флагов в регистре признаков), а по адресу H=000,L=004 – число 302(код команды условного перехода по ненулевому результату JNZ).
Варианты выполнения программы
Программа №12 Выбор максимального элемента массива.
2.Выполнение индивидуальных заданий Программа №1 Упорядочить пятнадцать элементов массива по возрастанию.
Программа №2. Вывод с задержкой слов РЕПА И ГЕРБ на панель индикатора.
Подпрограмма, организующая задержку.
Коды букв для вывода на семи сегментный индикатор
Выводы. В ходе выполнения работы были получены навыки программирования МП-систем, система команд процессора комплекта серии К580 и принципы проектирования и отладки микроконтроллеров на основе МП. Программирование в машинных кодах позволяет прозрачно представить структуру МП и программного обеспечения. |
||||||||||||||||||||||||||||||||||||||||||||||||||||||||||||||||||||||||||||||||||||||||||||||||||||||||||||||||||||||||||||||||||||||||||||||||||||||||||||||||||||||||||||||||||||||||||||||||||||||||||||||||||||||||||||||||||||||||||||||||||||||||||||||||||||||||||||||||||||||||||||||||||||||||||||||||||||||||||||||||||||||||||||||||||||||||||||||||||||||||||||||||||||||||||||||||||||||||||||||||||||||||||||||||||||||||||||||||||||||||||||||||||||||||||||||||||||||||||||||||||||||||||||||||||||||||||||||||||||||||||||||||||||||||||||||||||||||||||||||||||||||||||||||||||||||||||||||||||||||||||||||||||||||||||||||||||||||||||||||||||||||||||||||||||||||||||||||||||||||||||||||||||||||||||||||||||||||||||||||||||||||||||||||||||||||||||||||||||||||||||||||||||||||||||||||
В состав микроЭВМ (рис.2) на базе МПК входит:

