Реферат: Структурная схема ЭВМ
|
Название: Структурная схема ЭВМ Раздел: Рефераты по информатике, программированию Тип: реферат | |||||||||||||||||||||||||||||||||||||||||||||||||||||||||||||||||||||||||||||||||||||||||||||||||||||||||||||||||||||||||||||||||||||||||||||||||||||||||||||||||||||||||||||||||||||||||||||||||||||||||||||||||||||||||||||||||||||||||||||||||||||||||||||||||||||||||||||||||||||||||||||||||||||||||||||||||||||||||||||||||||||||||||||||||||||||||||||||||||||||||||||||||||||||||||||||||||||||||||||||||||||||||||||||||||||||||||||||||||||||||||||||||||||||||||||||||||||||||||||||||||||||||||||||||||||||||||||||||||||||||||||||||||||||||||||||||||||||||||||||||||||||||||||||||||||||||||||||||||||||||||||||||||||||||||||||||||||||||||||||
|
ОГЛАВЛЕНИЕ 1. СТРУКТУРНАЯ СХЕМА ЭВМ. ПОКОЛЕНИЯ ЭВМ 3 2. СИСТЕМЫ СЧИСЛЕНИЯ. 4 3. АРИФМЕТИЧЕСКИЕ ДЕЙСТВИЯ НАД ДВОИЧНЫМИ ЧИСЛАМИ 6 3.1 Вычитание с применением обратного кода. 6 3.2 Образование дополнительного кода. 7 4. УЗЛЫ ЭВМ. 7 5. СУММАТОР 8 6. ПОСЛЕДОВАТЕЛЬНЫЙ СУММАТОР 9 7. АРИФМЕТИКО - ЛОГИЧЕСКОЕ УСТРОЙСТВО (АЛУ) 10 8. ДЕШИФРАТОР 12 9. ПРЕОБРАЗОВАТЕЛИ С ЦИФРОВОЙ ИНДИКАЦИЕЙ 14 10. ПРЕОБРАЗОВАТЕЛЬ КОДА 8421 В 2421 15 11. ПРОГРАММИРУЕМАЯ ЛОГИЧЕСКАЯ МАТРИЦА (ПЛМ) 16 12. НАКАПЛИВАЮЩИЙ СУММАТОР 17 13. ОСНОВНЫЕ МИКРОПРОЦЕССОРНЫЕ КОМПЛЕКТЫ 18 14. ТИПОВАЯ СТРУКТУРА ОБРАБАТЫВАЮЩЕЙ ЧАСТИ МП 21 15. МИКРО ЭВМ НА БАЗЕ МП К580 22 16. ФОРМАТЫ КОМАНД И СПОСОБЫ АДРЕСАЦИИ 24 17. ЦЕНТРАЛЬНЫЙ ПРОЦЕССОРНЫЙ ЭЛЕМЕНТ К580 26 18. СИСТЕМА СБОРА ДАННЫХ НА БАЗЕ МП К580 27 19. ЦЕНТРАЛЬНЫЙ ПРОЦЕССОРНЫЙ ЭЛЕМЕНТ (ЦПЭ) К589 29 20. БЛОК МИКРОПРОГРАММНОГО УПРАВЛЕНИЯ (БМУ). 30 21. СТРУКТУРНАЯ СХЕМА И ПРИНЦИП ДЕЙСТВИЯ БЛОКА МИКРОПРОГРАММНОГО УПРАВЛЕНИЯ (БМУ) 32 22. БЛОК ПРИОРИТЕТНОГО ПРЕРЫВАНИЯ (БПП) 34 23. СХЕМА УСКОРЕННОГО ПЕРЕНОСА (СУП) 35 24. СХЕМА ОДНОРАЗРЯДНОГО СУММАТОРА С ФОРМИРОВАНИЕМ ЦИФРЫ ПЕРЕНОСА В СУП 36 25. ОРГАНИЗАЦИЯ ПАМЯТИ ЭВМ 37 26. ПОСТОЯННЫЕ ЗАПОМИНАЮЩИЕ УСТРОЙСТВА (ПЗУ) 39 27. ВНЕШНИЕ ЗАПОМИНАЮЩИЕ УСТРОЙСТВА (ВЗУ) 40 27.1 Метод записи без возврата к нулю 41 27.2 Фазовая модуляция. 41 27.3 Частотная модуляция. 42 28. УСТРОЙСТВА ВВОДА - ВЫВОДА ИНФОРМАЦИИ 42 29. ВЫВОД ИНФОРМАЦИИ НА ДИСПЛЕЙ 43 30. ВЫВОД ИНФОРМАЦИИ НА ТЕЛЕТАЙП 45 31. ИНТЕРФЕЙС 46 32. ОБМЕН ДАННЫМИ МЕЖДУ ОПЕРАТИВНОЙ ПАМЯТЬЮ И ПЕРИФЕРИЙНЫМИ УСТРОЙСТВАМИ (ПУ) 48 33. ОБМЕН ДАННЫМИ ПО ПРЕРЫВАНИЯМ 51 34. СПЕЦИАЛИЗИРОВАННЫЕ УСТРОЙСТВА ИНТЕРФЕЙСА. АЦП 53 35. АЦП С ОБРАТНОЙ СВЯЗЬЮ (ОС) 54 36. АЦП СЛЕДЯЩЕГО ТИПА. 55 37. ЦАП С СУММИРОВАНИЕМ НАПРЯЖЕНИЯ НА ОПЕРАЦИОННОМ УСИЛИТЕЛЕ (ОУ). 55 38. ПРИМЕНЕНИЕ МИКРО ЭВМ В СИСТЕМАХ АВТОМАТИЗИРОВАННОГО УПРАВЛЕНИЯ (САУ) 56 39. СХЕМА СУММИРОВАНИЯ НАПРЯЖЕНИЯ НА АТТЕНЮАТОРЕ СОПРОТИВЛЕНИЙ 58 40. ПРИМЕНЕНИЕ МИКРО ЭВМ В ПРИБОРАХ (СПЕКТРОФОТОМЕТР) 58 41. ПРОГРАММНОЕ ОБЕСПЕЧЕНИЕ (ПО) ЭВМ. 60 42. ОПЕРАЦИОННАЯ СИСТЕМА ЭВМ 61 43. МИКРОПРОЦЕССОРНЫЙ КОМПЛЕКТ К 1804. 62 44. АССЕМБЛЕР К580 66
1. СТРУКТУРНАЯ СХЕМА ЭВМ. ПОКОЛЕНИЯ ЭВМ Создано 4 поколения ЭВМ: 1. 1946 г. создание машины ЭНИАК на электронных лампах. Запоминающие устройства (ЗУ) были построены на электронных. лампах, электронно - лучевых трубках (ЭЛТ) и линиях задержки. 2. 60-е годы. ЭВМ построены на транзисторах, ЗУ на транзисторах, линиях задержки и ферритовых сердечниках. 3. 70-е годы. ЭВМ построены на интегральных микросхемах (ИМС). ЗУ на ИМС. 4. Начало создаваться с 1971 г. с изобретением микропроцессора (МП). Построены на основе больших интегральных схем (БИС) и сверх БИС (СБИС). Пятое поколение ЭВМ строится по принципу человеческого мозга, управляется голосом, используется новая технология на основе арсенида галлия. ЭВМ предназначены для обработки информации и отображения результатов обработки. Для решения задачи должна быть написана программа.
Во время решения задачи программа и операнды (числа, над которыми производится операции) находятся в оперативной памяти (ОЗУ). Быстродействие ОЗУ соизмеримо с быстродействием АЛУ. В процессе решения задачи АЛУ постоянно взаимодействует с ОЗУ, передавая в ОЗУ промежуточные и конечные результаты и получая из ОЗУ операнды действия всех частей ЭВМ при решении задачи осуществляется под воздействием управляющих сигналов, вырабатываемых устройством управления в соответствии с программой, записанной в ОЗУ. ПЗУ предназначено для хранения стандартных программ, таких как sin и cos, констант , е. Существует еще сверх ОЗУ (СОЗУ), которое обладает малым объемом и высоким быстродействием. СОЗУ применяется для кратковременного хранения операндов и промежуточных результатов. Качество ЭВМ определяется: объемом ОЗУ (т.е. количеством одновременно хранимых в ОЗУ двоичных слов); быстродействием, определяемым количеством операций в сек. После выполнения задачи, программа и результаты через устройство вывода записываются во внешнее ЗУ. В качестве внешних ЗУ используются магнитная лента, гибкий магнитный диск, магнитный барабан, перфолента, перфокарты. Программа вводится в ОЗУ с внешних ЗУ или с клавиатуры через устройство ввода.
2. СИСТЕМЫ СЧИСЛЕНИЯ. Основанием системы счисления называют. число, в виде степеней которого может быть записано любое число в данной системе счисления. Системы счисления, применяемые в ЭВМ, ориентированы на двоичную систему, т.к. основой ЭВМ является триггер, имеющий два устойчивых состояния. В десятичной системе счисления основанием является. 10 и для записи чисел используют символы 0...9.В двоичной системе основанием является. 2. Для записи чисел используются символы 0 и 1. Для перевода числа из десятичной системы в двоичную надо последовательно делить на два и результат записывать справа налево, начиная с последнего частного, включая остатки от деления. Таблица 1
В восьмеричной системе основанием является. 8. Для записи чисел используют символы 0...7. Любое число может быть записано как сумма степеней 8. Для перевода числа из десятичной системы в восьмеричную надо последовательно делить на 8. Для перевода числа из двоичной системы в восьмеричную, нужно отсчитывать справа налево по три разряда двоичного числа и записывать каждую группу из трех разрядов с помощью символов 0...7. Основанием в шестнадцатеричной системе является 16, для записи чисел используются символы 0...9 и A...F. Для перевода из десятичной системы в шестнадцатеричную, надо последовательно делить на 16: В любой системе счисления ее основание записывается как 10. Для перевода числа из двоичной системы в шестнадцатеричную, нужно отсчитывать справа налево по 4 разряда двоичного числа и записывать каждую группу разрядов с помощью символов из Таблицы 1, в которой представлены соотношения между числами в различных системах счисления. 3. АРИФМЕТИЧЕСКИЕ ДЕЙСТВИЯ НАД ДВОИЧНЫМИ ЧИСЛАМИ
В принципе машина умеет только суммировать. Все остальные арифметические действия сводятся к арифметической операции суммирования, логическим операциям сдвига при умножении и делении. Вычитание заменяется суммированием в дополнительном или обратном коде. Суммирование производится по правилам суммирования по модулю 2. 0 0 = 0 0 1 = 1 1 0 = 1 1 1 = 0 и 1 перенос в старший разряд. 3.1 Вычитание с применением обратного кода.
Прямой код положительного числа совпадает с его обратным и дополнительным кодом. Обратный код отрицательного числа образуется инверсией единиц в нули и нулей в единицы. Если кол-во разрядов уменьшаемого и вычитаемого разное, то слева дописываются нули в прямом коде так, чтобы кол-во разрядов было одинаково. Содержимое знаковых разрядов : 0.- для полож. 1.- для отриц. Если результат получается отрицательный, его нужно преобразовать в прямой код; содержимое знакового разряда не инвертируется. Если в знаковом разряде наблюдается переполнение разрядной сетки, то единица переполнения добавляется к младшему разряду, а затем происходит переход к прямому коду.
3.2 Образование дополнительного кода.
Дополнительный код образуется из прямого кода инверсией и добавлением единицы к младшему разряду. Если результат получился отрицательным, то чтобы получить прямой код необходимо осуществить инверсию, а затем добавить единицу к младшему разряду. Единица переполнения знакового разряда при использовании дополнительного кода отбрасывается.
4. УЗЛЫ ЭВМ. Узлы ЭВМ классифицируются на : 1. комбинационные - это узлы, выходные сигналы которых определяются только сигналом на входе, действующим в настоящий момент времени (дешифратор). Выходной сигнал дешифратора зависит только от двоичного кода, поданного на вход в настоящий момент времени. Комбинационные узлы называют также автоматами без памяти. 2. последовательностные (автоматы с памятью) - это узлы, выходной сигнал которых зависит не только от комбинации входных. сигналов, действующих в настоящий момент времени, но и от предыдущего состояния узла (счетчик). 3. программируемые узлы функционируют в зависимости от того, какая программа в них записана. Например, программируемая логическая матрица (ПЛМ), которая в зависимости от прожженной в ней программы может выполнять функции сумматора, дешифратора, ПЗУ.
5. СУММАТОР
Сумматор может быть построен как комбинационная схема - последовательный сумматор и как последовательностная схема - накапливающий сумматор. Сумматор осуществляет cуммирование цифр разрядов слагаемых и цифр переноса по правилам сложения по модулю 2. Работа сумматора строго регламентирована в соответствии с таблицей:
6. ПОСЛЕДОВАТЕЛЬНЫЙ СУММАТОР
Последовательный сумматор осуществляет суммирование слагаемых и цифр переноса поразрядно, начиная с младшего разряда. Основой его схемы является одноразрядный сумматор. Суммирование производится в одноразрядном сумматоре SM. Цифры i-того разряда слагаемого и цифра переноса из младшего разряда передаются на вход сумматора одновременно с приходом тактового импульса. Регистры 1 и 2 используются для приема и хранения цифр i-того разряда слагаемых. В в - триггере хранится цифра переноса из младшего разряда. Регистр 3 принимает и хранит цифру i-того суммы. С приходом тактового импульса из регистров 1, 2 и в - триггера разряда слагаемых и цифра переноса поступает на вход одноразрядного сумматора. Одновременно регистр 3 освобождается для приема цифры суммы.
В параллельном сумматоре все разряды операндов суммируются одновременно, но быстродействие снижается за счет времени передачи цифры переноса из младшего разряда. 7. АРИФМЕТИКО - ЛОГИЧЕСКОЕ УСТРОЙСТВО (АЛУ) АЛУ предназначено для выполнения арифметических и логических операций над операндами. АЛУ классифицируются следующим образом: 1. По способу действий над операндами. Бывают АЛУ последовательного и параллельного действия. В последовательных АЛУ действия над операндами производятся последовательно разряд за разрядом начиная с младшего. В параллельных АЛУ все разряды операндов обрабатываются одновременно. 2. По виду обрабатываемых чисел АЛУ могут производить операции над двоичными числами с фиксированной или плавающей запятой и над двоично- десятичными числами. Каждая десятичная цифра записывается четырьмя разрядами двоичного кода. 1971 0001 1001 0111 0001 АЛУ при действии над двоично-десятичными числами должны содержать схему десятичной коррекции. Схема десятичной коррекции преобразует полученный результат таким образом, чтобы каждый двоично-десятичный разряд не содержал цифру больше 9. При записи числа с фиксированной запятой запятая фиксируется после младшего разряда, если число целое, и перед старшим, если число меньше 1. При записи чисел с плавающей запятой выделяется целая часть, которая называется мантиссой, и показатель степени, который характеризует положение запятой. 37 и 0.37 - с фиксированной запятой 37*10^-2 - с плавающей запятой 3. По организации действий над операндами различают блочные и многофункциональные АЛУ В блочных АЛУ отдельные блоки предназначены для действий над двоично-десятичными числами, отдельно для действий над числами с фиксированной запятой, отдельно с плавающей запятой. В многофункциональных АЛУ одни и те же блоки обрабатывают числа с фиксированной запятой, плавающей запятой и двоично-десятичные числа. Многофункциональное АЛУ
Клапаны К1 и К2 объединяют сумматоры 1,2 и 3 для действий над числами с фиксированной запятой. Для действий над числами с плавающей запятой клапан К2 объединяет сумматоры 2 и 3 для обработки мантисс, а клапан К1 отсоединяет первый сумматор от второго. Сумматор 1 обрабатывает порядки. 4. По структуре АЛУ бывают с непосредственными связями и многосвязными. АЛУ с непосредственной связью В многосвязных АЛУ входы и выходы регистров приемников и источников информации подсоединяются к одной шине. Распределение входных и выходных сигналов происходит под действием управляющих сигналов.
В АЛУ с непосредственной связью вход регистра приемника связан с выходом регистра источника операндов и регистра, в котором происходит обработка. Например, в этой схеме суммирование происходит так: операнды подаются в регистр 1. Регистр 2 является накапливающим сумматором или автоматом с памятью. Он суммирует слагаемые, поступающие в разные моменты времени и передает результат в регистр 3. Умножение в этом АЛУ происходит так: множимое помещают в регистр 4, множитель - в регистр 1. Регистры 2 и 3 являются кроме того сдвигающими регистрами. В зависимости от содержимого разряда множителя, множимое сдвигается на один разряд, если множитель содержит 1, и на два, если множитель содержит 0. Эти частные произведения суммируются в регистре 2.
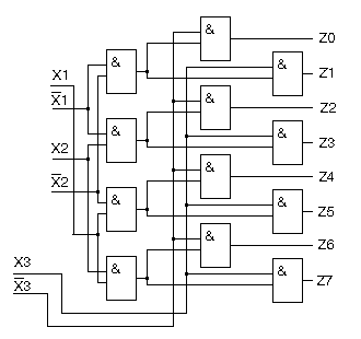
8. ДЕШИФРАТОР
Дешифратор предназначен для преобразования двоичного кода на входе в управляющий сигнал на одном из выходов. Если входов n то выходных шин должно быть N = 2^n.
В зависимости от количества разрядов входного числа и от количества входов элементов, на которых построен дешифратор. Дешифраторы могут быть линейные, у которых все переменные Х1, Х2, Х3 подаются на вход одновременно.
Их быстродействие больше, но более 3-х переменных одновременно подать нельзя, поэтому чаще применяются многокаскадные дешифраторы. Количество элементов в каждом следующем разряде больше, чем в предыдущем. На вход первого каскада подается один слог, на вход следующего каскада второй слог и результаты коньюнкций, произведенных в первом каскаде. Простейший линейный дешифратор можно построить на диодной матрице:
В этой схеме используется отрицательная логика. При подаче "1" на анод диода он закрывается. Если закрыты все 3 диода, подсоединенные к одной гориз. линии то на этой линии потенциал -Е, соответствующий уровню "1". Многокаскадный дешифратор можно организовать вот таким образом:
Два линейных дешифратора обрабатывают по 2 слова. В последнем каскаде образуются конъюнкции вых. сигнала первого каскада. Многокаскадные дешифраторы обладают меньшим быстродействием.
9. ПРЕОБРАЗОВАТЕЛИ С ЦИФРОВОЙ ИНДИКАЦИЕЙ Схема устроена так, что управляющий. сигнал = 1 гасит соответствующий элемент Z (Zn соотв Yn). Преобразователь работает в соответствии с таблицей:
Схема преобразователя с цифровой индикацией :
10. ПРЕОБРАЗОВАТЕЛЬ КОДА 8421 В 2421
Код 2421 образуется из кода 8421. До 4-х он повторяет код 8421, а дальше образуется как инверсия дополнения до 9-и. Код 8421 является двоично-десятичным кодом, где коэффициенты 8,4,2 и 1 являются весовыми коэффициентами, т.е. соответствуют "стоимости" каждого разряда. Сочетания: 1010, 1011, 1100, 1101, 1110, 1111 являются запрещенными. Преобразователи кодов применяются в системах интерфейсов.
11. ПРОГРАММИРУЕМАЯ ЛОГИЧЕСКАЯ МАТРИЦА (ПЛМ)
ПЛМ является узлом ЭВМ, функционирование которого определяется программой, записанной в него. ПЛМ может использоваться в качестве дешифратора ПЗУ, например в МП К580, в качестве ПЗУ управляющей памяти. При записи программы в ПЛМ прожигаются плавкие предохранители, соединяющие транзисторы МДП с шинами матрицы. Матрица М1 называется матрицей конъюнкции. На горизонтальные шины подаются переменные. На вертикальных шинах образуются конъюнкции. На вертикальных шинах появляется единичный сигнал только тогда, когда все транзисторы, включенные в узлы матрицы и подсоединенные к этой шине закрыты. В узлах матрицы включаются транзисторы МДП. Прожигание программы в соответствии с назначением матрицы состоит в том, что прожигается плавкий предохранитель и транзистор, подсоединяется к узлу матрицы. Если на входы транзисторов подать нули, то они будут закрыты. Матрица М2 называется матрицей дизъюнкции. На ее горизонтальных шинах появляется сигнал в том случае, если снимать сигнал через инвертор.
12. НАКАПЛИВАЮЩИЙ СУММАТОР
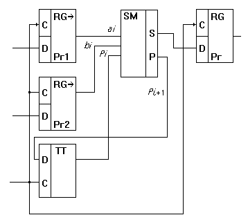
Накапливающий сумматор является автоматом с памятью, т.е. слагаемые могут приходить поочередно в произвольные моменты времени и запоминаться в линиях задержки или в триггерах. Накапливающий. сумматор применяется в асинхронных устройствах, в которых слагаемые не привязаны к тактам тактового генератора.
С приходом слагаемого аi=1 элемент "ИЛИ" устанавливается в "1", триггер устанавливается. в "1". Если bi=1 и приходит через какое-то время после ai, то оно запоминается в линии задержки и одновременно bi опрокидывает триггер в "0". На инверсном выходе триггера устанавливается "1", следовательно на вторую схему "И" подаются две единицы, следовательно на выходе второй схемы "ИЛИ" формируется цифра переноса в старший разряд, равная "1". Если Pi=0, то цифра суммы, которая снимается с прямого выхода триггера, равна "0". Если Pi=1, то сумма Si=1.
13. ОСНОВНЫЕ МИКРОПРОЦЕССОРНЫЕ КОМПЛЕКТЫ. Современные микропроцессоры (МП) МП выполняет функции процессора ЭВМ, т.е. управляет процессом управляет процессом выполнения операций и выполняет их. МП может быть реализован на одном или нескольких кристаллах. Обычно процессор содержит АЛУ, управляющую память. МП выбирает команду из памяти, дешифрирует, выполняет ее, производит арифметические и логические операции, получает данные из устройств ввода и посылает их на устройства вывода. МП вместе с памятью и каналами ввода - вывода является ЭВМ. МП могут быть однокристальные, многокристальные и секционированные. Однокристальные МП изготавливаются на основе МДП - технологии, а секционированные и многокристальные - на основе биполярных транзисторов. МДП - транзисторы потребляют меньше энергии, но обладают меньшим быстродействием по сравнению с биполярными транзисторами. В однокристальном МП функции управления, операционная часть и устройство управления реализованы на одном кристалле, а в многокристальном - на разных кристаллах. В секционированных устройство управления, управляющая память и АЛУ реализованы на одном кристалле, но малой разрядности. Для увеличения разрядности следует объединять в параллель несколько МП. МП, как функциональное устройство ЭВМ характеризуется форматом обработки данных и команд, количеством команд, методом адресации данных, числом внутренних регистров общего назначения (РОН), возможностями организации и адресации стека, параметрами памяти, построением систем прерывания программы, системами ввода - вывода, системами интерфейса.
МП относится к числу программируемых устройств ЭВМ. МП, выполняющий последовательность микроопераций, обладает большей логической и функциональной гибкостью, чем жестко закоммутированные процессоры ЭВМ. Изменяя содержимое ПЗУ и ПЛМ, можно настраиваться на выполнение требований конкретной задачи. МП - комплект - это набор БИС, функционально сопрягаемых и применяемых для построения микроЭВМ. В МП - комплектах К587, К588 устройство управления реализовано на основе ПЛМ. В МП - комплекте К580 имеется БИС, в которой реализован центральный процессор, устройство управления и РОН. Управляющая память, содержащая микропрограмму из 78 команд, предусмотренных для данного МП, реализована на ПЛМ и находится в одной БИС с центральным процессором и устройством управления. В МП комплекте К589 устройство управления строится в виде микропрограммного управления на базе входящих в комплект БИС. Это позволяет реализовать потребителю требуемый ему набор команд. МП - комплекты К580, К586 содержат однокристальный МП. Однокристальные МП применяются в простейших устройствах цифровой автоматики и в качестве микроконтроллеров. Контроллер - устройство управления вводом - выводом. Многокристальные МП - комплекты КР1802 и секционированные КР1804 предназначены для построения микроЭВМ и систем быстродействующей автоматики. Серия К1806, построенная по КМОП - технологии широко применяется в радиотехническом оборудовании судов. Она имеет сопряжение с внешней памятью на жестких дисках с помощью контроллера, соединяющего 4 диска Применение МП : 1. Встроенные системы контроля и управления. МП встраиваются в оборудование, не комплектуются внешними устройствами и содержат спец. пульт управения и ПЗУ управляющее программой 2. Локальные системы накопления и обработки информации. Локальные - т.е. расположенные на рабочем месте системы накопления и обработки информации, осуществляющие информационное обеспечение специалистов и руководителей. Локальные системы, подключенные к большим ЭВМ с большим объемом памяти, что позволяет создать автоматизированную систему информационного обеспечения. 3. Распределенные системы управления сложными объектами. В распределенных системах схемы обработки данных и МП располагаются вблизи источников информации (двигатели и т.д.). Они связаны с центральной системой обработки и накопления данных. 4. Распределенные системы параллельных вычислений. В том случае, если позволяет алгоритм решения задачи, несколько процессоров проводят выполнения данной задачи. МП и микроЭВМ используются в системах управления радиотехническим оборудованием судов. Микро ЭВМ решает навигационные задачи, распознает цели, решает оперативно - технические задачи, выполняет автоматическое слежение за целью и т.д. 14. ТИПОВАЯ СТРУКТУРА ОБРАБАТЫВАЮЩЕЙ ЧАСТИ МП
А - аккумулятор СК - счетчик команд РК - регистр команд РАП - регистр адреса памяти РДП - регистр данных памяти Процесс выполнения команды состоит из 2-х циклов: цикла выборки и исполнительного цикла. Цикл выборки начинается со считывания из счетчика команд номера ячейки ОЗУ, содержащей код команды. После считывания содержимое счетчика команд сразу увеличивается на 1. Номер ячейки ОЗУ передается через регистр адреса памяти и адресную шину в дешифратор ОЗУ. Дешифратор ОЗУ выбирает ячейку ОЗУ, содержащую код команды. Код команды считывается из ОЗУ и через шину данных передается в регистр данных памяти. Из регистра данных памяти код команды передается в регистр команд где он хранится до конца выполнения команды и через аккумулятор код команды передается в АЛУ. АЛУ анализирует код команды и если не нужно дополнительного обращения к памяти переходит к исполнительному циклу. Если же нужно дополнительное обращение к памяти, то МП переходит ко второму машинному циклу, который так же начинается с цикла выборки. МП запрашивает в ОЗУ дополнительные данные и выполняет команды. Команды могут выполняться за 1,2 или 3 машинных цикла. В каждом машинном цикле происходит только одно обращение к памяти. Выполнение команды происходит под управлением сигналов, вырабатываемых устройством управления. При выполнении команды АЛУ взаимодействует с РОН. РОН используются для кратковременного хранения операндов и результатов. Триггеры состояния сигнализируют о следующих состояниях МП: обнуление аккумулятора, содержимое знакового разряда, переполнение разрядной сетки, цифры переносов из 8-го и 4-го разрядов, содержимое разряда контроля на четность и нечетность. Адресная шина является однонаправленной, а шина данных - двунаправленной. СТЕК - особый вид памяти, расширяющий функциональные возможности МП. Например при выполнении прерывающей программы в СТЕК помещается номер команды возврата и результат выполнения последней команды перед переходом к выполнению прерывающей программы. 15. МИКРО ЭВМ НА БАЗЕ МП К580
Чтобы построить микроЭВМ надо дополнить МП БИСами памяти, УВВ интерфейса, причем они должны сопрягаться с МП по входным и вых. сигналам, по принятому коду для данного МП. При выполнении программы, программа хранится в ОЗУ. Если набор действий МП при выполнении программы ограничен и однообразен, как например в системах управления станков с ЧПУ, то программа хранится в ПЗУ. Если объем памяти ОЗУ недостаточен, то программа может хранится во внешнем запоминающем устройстве, например в магнитном носителе информации.
Процесс выполнения программы МП связан с тактами генератора тактовых импульсов (ГТИ). МП работает в синхронном режиме. ГТИ создает две импульсных последовательности Ф1 и Ф2 амплитудой 12 В и частотой 2МГц. В такте t1 импульсной последовательности Ф1 счетчик команд МП посылает через шину адреса номер ячейки ОЗУ, ПЗУ или УВВ, содержащих код команды. В такте t2 МП ждет сигнал "готовности" от ОЗУ. Этот сигнал означает, что дешифратор ОЗУ выбрал нужную ячейку и код команды считан. Если сигнал "готовность" не приходит, то такт t2 повторяется до тех пор, пока сигнал не придет. В такте t3 МП принимает код команды и передает его в АЛУ. В такте t4 код команды анализируется и если ненужно дополнительное обращение к памяти, то в такте t5 команда выполняется. Если такое обращение необходимо, то тактом t4 заканчивается 1-й машинный цикл. Начинается 2-ой машинный цикл тактом t1, в котором происходит обращение к памяти. В такте t2 второго маш. цикла МП ждет сигнала готовности от ОЗУ и в такте t3 выполняет команду. В каждом машинном такте происходит только одно обращение к памяти. Последовательность Ф2 используется для формирования синхроимпульсов на фоне которых формируется строб состояния. 16. ФОРМАТЫ КОМАНД И СПОСОБЫ АДРЕСАЦИИ
Формат команды определяется разрядностью МП. У МП К580, который является 8-ми разрядным, однобайтовые команды имеют формат 8 разрядов, 2-х байтовые -16, 3-х байтовые -24. Команда должна содержать код операции, адрес первого и второго операнда, адрес результата, адрес следующей команды. МП К580 является 8-ми разрядным, поэтому необходимо сократить кол-во данных, содержащихся в коде команды. Один из операндов всегда помещается в аккумулятор, поэтому его адрес не указывается. Результат помещают по адресу одного из операндов, адрес тоже не указывают. Адрес следующей команды формируется добавлением единицы к содержимому счетчика команд, т.к. команда программы записывается в последовательных ячейках ОЗУ. Код команды должен содержать код операции и адрес 1-го из операндов. Кол-во операций значительно меньше чем кол-во команд. Это объясняется тем, что операнд может быть помещен в РОН, ячейку ОЗУ или содержится в самой команде. В МП К580 используются следующие способы адресации операнда: 1. Прямая, при которой в коде команды указывается номер РОН, содержащего операнд:
Первая команда - команда пересылки содержимого регистра в в регистр C . Регистры общего назначения: B, C, D, E, H, L, ячейка памяти М и аккумулятор А при обращении к ним имеют номера: 01 - код операции 001 - номер регистра С 010 - номер регистра В
Вторая команда - сложение содержимого регистра в с содержимым аккумулятора и результат помещается в аккумулятор. 10000 - код операции 010 - номер регистра D 2. Непосредственная адресация Операнд указывается во втором, или во втором и третьем байтах команды. а. Сложение ADI B1 11 000 110 А (A)+(B2) B2 01 001 100 (B2)=4C (16) б. Пересылка MVID B1 00 010 110 в (B2) B2 01 001 110 (B2)=4E (16) в. Загрузка LXID B1 00 010 011 в (B3); E (B2) B2 01 100 101 (B2)=65 (16) B3 10 100 101 (B3)=A5 (16) 3. Косвенная адресация В коде команды указывается номер регистра РОН, содержащего номер ячейки ОЗУ, содержащей операнд : LDAX B 00 001 010 A [(BC)] STAX B 00 000 010 [(BC)] (A) 17. ЦЕНТРАЛЬНЫЙ ПРОЦЕССОРНЫЙ ЭЛЕМЕНТ К580
МП К580 - однокристальный, 8-ми разрядный, основан на принципе управления жесткой логики. РОН В, C, D, E, H, L, устройство управления и операционная часть реализованы в одном кристалле. 6 регистров общего назначения и аккумулятор являются программно доступными, т.е. при написании программы программист может к ним обращаться. Регистры W, Z и буферные регистры являются программно недоступными, т.е. они участвуют в выполнении программы, но программист к ним обратиться не может. РОН являются 8-ми разрядными. Если операции совершаются над 16-ти разрядными операндами, то РОН объединяются попарно. Регистры указателя стека, счетчик команд и регистр адреса являются 16-ти разрядными. Указатель стека содержит номер верхней занятой ячейки стека. При записи информации в стек содержимое указателя стека уменьшается на 1, а при считывании увеличивается на 1. Счетчик команд содержит номер ячейки ОЗУ, содержащей следующую команду. При считывании из счетчика команд номера ячейки команд содержимое счетчика увелич. на 1. Регистр адреса служит для передачи содержимого счетчика команд через шину адреса и буфер адреса в ОЗУ. Устройство управления содержит регистр команд, дешифратор команд и управляющее устройство, в которое входит ПЛМ, содержащая управляющую память. Управляющая память содержит микропрограммы всех 78-ми команд для данного МП. АЛУ дополняется схемой десятичной коррекции для действий над двоично- десятичными числами. При действиях над двоично - десятичными т.е. при использовании кода 8421 максимально допустимая комбинация 1001 (т.е.9), но при использовании 4-х двоичных разрядов максимально возможное число 1111 (т.е.15). Схема десятичной коррекции отнимает 6 и формирует цифру переноса в старший разряд. На управляющее устройство поступают последовательности Ф1 и Ф2 тактового генератора, сигнал готовности от ОЗУ, ПЗУ или УВВ к приему или передаче данных. Сигнал запроса на прерывание от внешних запоминающих устройств. Сигналы захвата, сброса так же формируются ВЗУ. МП формирует сигнал разрешение прерывания и продолжает выполнять текущую команду и по окончании текущей команды МП переходит к удовлетворению запроса о прерывании. Сигнал ожидания, сформированный МП означает, что он ждет сигнала готовности от ОЗУ, ПЗУ или ВЗУ. Регистр признаков является 5-ти разрядным. Он сигнализирует о следующем состоянии МП - обнуление, переполнении разрядной сетки, содержимое знакового разряда, содержимое разряда контроля на четность - нечетность и формирование цифры переноса из 8-го и 4-го разряда. 18. СИСТЕМА СБОРА ДАННЫХ НА БАЗЕ МП К580 Эта система предназначена для последовательного опроса 8-ми аналоговых датчиков и передачи информации в ОЗУ. Опрос датчиков преобразования аналоговой информации в цифровую, запись информации в ОЗУ производится под управлением МП.
Номер опрашиваемого датчика формируется в одном из РОН, в основном в регистре В. В 8-ми разрядном регистре в 5-ти старших разрядах записываются единицы, а в трех младших разрядах - номер датчика. Первоначально в регистре В записано число F8 в 16-тиричной системе исчисления: 11111000=F8 001 010 При опросе каждого датчика содержимое регистра В увеличивается на 1. При опросе последнего датчика в регистре записывается число FF = 11111111.
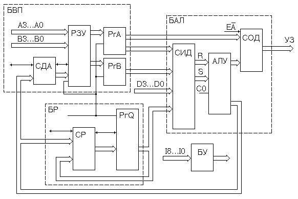
Добавление следующей 1 обнуляет регистр В. На выходе триггера нуля TZ появляется 1. Номер ячейки ОЗУ, в которую должен быть записан результат опроса датчика, содержится в паре РОН, например, в регистрах HL. Алгоритм работы системы сбора данных: например будем считать, что первая занятая ячейка ОЗУ имеет номер 1350 в шестнадцатиричной системе. В нее будет помещен результат опроса 1-го датчика с номером 000. Через аккумулятор и шину данных номер датчика подается на устройство вывода 1 (УВ1). УВ1 подает номер датчика на коммутатор. Коммутатор опрашивает нужный датчик и передает аналоговый сигнал на АЦП. АЦП преобразует аналог. сигнал в цифровой и передает цифровой сигнал на УВВ1. Если в первом такте импульсной последовательности Ф1 МП передает номер датчика, то во втором такте он ожидает прихода сигнала окончания преобразования от АЦП. Сигнал окончания равный 1 передается через УВВ2, через шину данных в аккумулятор. Наличие сигнала окончания аккумулятор проверяет операцией циклического сдвига вправо. Если сигнал окончания пришел, то при сдвиге вправо 1 из младшего разряда аккумулятора передается в триггер сдвига ТС, триггер сдвига опрокидывается в состояние 1 и данные из устройства ввода 1 по шине данных передаются в аккумулятор, а из него в ячейку ОЗУ. Содержимое пары регистров HL и регистра В увеличивается. на 1, при этом формируется номер следующего датчика и номер ячейки, куда должен быть помещен следующий результат. 19. ЦЕНТРАЛЬНЫЙ ПРОЦЕССОРНЫЙ ЭЛЕМЕНТ (ЦПЭ) К589 МП. комплект К589 построен по принципу микропрограммного управления, т.е. один и тот же набор микросхем выполняет разные функции при решении задачи в зависимости от микропрограммы, записанной в ПЗУ. Микропроцессорный комплект К589 является многосекционным, т.е. каждая 2-х разрядная секция центрального процессорного элемента содержит АЛУ и РОН. Т.к. МП является 2-х разрядным, то для обработки многоразрядных данных необходимо объединить в параллель несколько ЦПЭ. ЦПЭ К580 является асинхронным устройством. Синхронизирующий сигнал "С" необходим только для открывания триггеров РОН. Обработка информации производится в АЛУ. Данные в АЛУ поступают через мультиплексоры А и В. Для временного хранения информации используются регистры общего назначения R0...R9, аккумулятор и регистр "Т", близкий по функциям к аккумулятору. Выбор регистра, на который передается информация, осуществляется с помощью демультиплексора. Информация с регистров передается через мультиплексор. Мультиплексор А передает на вход АЛУ или данные с шины данных М0 М1 или с вых. аккумулятора. или с одного из РОН. Мультиплексор В передает на вход АЛУ поразрядные конъюнкции данных с внешней шины В2 В0 и шины К1 К0 или данных с вых. аккумулятора. К1 К0 или константы с К1 К0. Шина К1 К0 служит для выделения или маскирования (запрета) какого - либо разряда данных с вых. аккумулятора. или с шины В1 В0. Работа ЦПЭ осуществляется в соответствии МК ЦПЭ F6...F0, которая является. частью МК микро ЭВМ. Т.к. для обработки данных АЛУ объединяются параллельно, то АЛУ должно формировать сигналы сдвига вправо (входной - СП1, выходной - СП0) и сигнал переноса (входной - С1, выходной - С0). Сигналы X и Y управляют схемой ускоренного переноса, в которой формируется цифра переноса одновременно с образованием суммы разрядов чисел. Выходной буфер ВБ3 открыт только при подаче цифры переноса, в остальных случаях открыт вых. буфер ВБ4. Выходные данные из 2-х разрядного регистра адреса и 2-х разрядного аккумулятора передаются через вых. буферы 1 и 2 на шину адреса А1 А0 и на шину данных Д1 Д0 только при подаче сигналов разрешения выдачи адреса ВА и выдачи данных ВД. При наличии высокого уровня синхросигнала (1) триггеры открыты для приема информации. На отрицательном. фронте синхросигнала происходит передача данных с выходных триггеров. 20. БЛОК МИКРОПРОГРАММНОГО УПРАВЛЕНИЯ (БМУ).
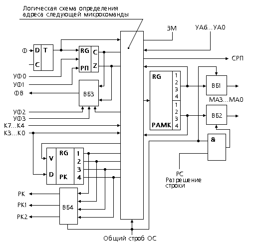
Структура микрокоманд. Из ОЗУ в блок микропрограммного управления (БМУ) поступает код команды, содержащий адрес первой микрокоманды (МК) микропрограммы выполнения данной команды. Эта микропрограмма записана в управляющей памяти, входящей в состав устройства управления. По указанному адресу считывается из управляющей памяти МК для всего микропроцессорного устройства. Эта МК содержит МК СРП БМУ, микрокоманду ОЗУ, МК устройства ввода - вывода.
Сформированные МК передаются на соответствующие узлы микропро-цессорного устройства. БМУ служит для формирования адреса следующей МК. Если нет никаких условных переходов, то следующая МК считывается из следующей ячейки ПЗУ, на котором организована управляющая память. МК БМУ содержит поле условных переходов УА6...УА0, в котором записывается адрес следующей МК; поле управления признаками УФ3...УФ0 и поле управления загрузкой микрокоманды ЗМ. Поле управления признаками указывает вид перехода: условный, безусловный и способ формирования адреса следующей МК при наличии условного перехода. Управляющие сигналы для управления признаками - это сигнал переноса и сигнал сдвига вправо. При наличии в поле управления загрузкой ЗМ = 1, адрес МК загружается в регистр адреса МК. МК БМУ:
МК операционного устройства содержит код микрооперации F6...F4, номер регистра общего назначения F3...F0, который является приемником или источником информации. Маскирующий сигнал К, в общем случае является двухразрядным, ВА - сигнал разрешения выдачи адреса и ВД - сигнал разрешения выдачи данных. МК ОУ:
21. СТРУКТУРНАЯ СХЕМА И ПРИНЦИП ДЕЙСТВИЯ БЛОКА МИКРОПРОГРАММНОГО УПРАВЛЕНИЯ (БМУ)
На входы K7...K0 БМУ подается код команды, который является адресом первой микрокоманды (МК) микропрограммы выполняемой команды. По сигналу ЗМ=1 адрес первой команды загружается в регистр адреса МК. Регистр позволяет адресовать 4-х разрядный номер колонки (16 колонок) и 5-ти разрядный. номер строки (32 строки). Код К7...К0 - 8-ми разрядный, поэтому первоначально в старшем разряде номера строки записывается 0. Такая разрядность регистра адреса МК позволяет адресовать 512 ячеек ПЗУ, расположенных в 16-ти колонках и 32-х строках. В первой МК БМУ содержится способ формирования адреса следующей МК. Поля УА6...УА0 первой МК подаются на логическую схему определения адреса следующей МК. Сформированный схемой адрес подается в регистр адреса МК и через выходные буферы 1 и 2 на адресную шину, связывающую БМУ с управляющей памятью. Считывание номера колонки с вых. буфера 1 происходит при подаче на вход "общий строб" единицы. Считывание номера строки через выходной буфер 2 происходит при подаче "1" на входы "общий строб" и "разрешение строки". Команда БМУ в поле УА6...УА0 в старших разрядах содержит вид перехода, а в младших номер строки или столбца. Например первая команда JCC - команда безусловного перехода в текущей колонке содержит в разрядах УА6 и УА5 указания вида перехода, в остальных разрядах номер строки, номер колонки не изменяется. Вторая команда JZR - команда безусловного перехода в нулевую строку. В разрядах УА6...УА4 указывается вид перехода, в остальных разрядах - номер колонки, а в адресе строки указывается нулевая строка. Если при выполнении команды JZR приходим к ячейке с адресом (0,15), т.е. нулевая строка, 15-ая колонка, вырабатывается сигнал строб разрешения прерывания. Этот сигнал подается на блок приоритетного прерывания (БПП), и если до этого поступил запрос на прерывание, то выход строк БМУ отключается от ПЗУ и на ПЗУ подается номер первой строки первой команды прерывающей команды. Если запроса на прерывание не было, продолжает выполняться основная программа и на входы К7...К0 подается код следующей команды. Признаки участвуют в формировании адреса следующей МК при условных переходах. Признаки, такие как сдвиг вправо и цифра переноса подаются от центрального процессорного элемента (ЦПЭ) по единой шине на вход Ф триггера признаков. В поле признаков содержится сигнал УФ0...УФ1, по которым признак записывается в регистр признаков и сигналы УФ2 УФ3, по которым признак считывается из регистра признаков через выходной буфер 3 на выход Фв, с которого они подаются на вход ЦПЭ. В третьей команде условного перехода JFL по содержимому триггера признаков младший разряд номера колонки равен содержимому триггера признаков.
22. БЛОК ПРИОРИТЕТНОГО ПРЕРЫВАНИЯ (БПП)
Каждой команде соответствует микропрограмма, состоящая из отдельных микрокоманд (МК). На входы К7...К0 БМУ подается код команды, который является адресом первой МК микропрограммы данной команды в управляющей памяти. 1-ая МК содержит указания, как формировать адрес второй МК. Этот адрес формируется логической схемой определения адреса следующей МК. Последняя МК каждой микропрограммы содержит указание JZR о переходе в нулевую строку 15-ой колонки. По этому адресу содержится МК, в поле ЗМ которой содержится "1". К этому времени на входах К7...К0 поступает код следующей команды, который по сигналу ЗМ=1 загружаются в регистр адреса МК (РАМК). Так происходит выполнение программы в отсутствие прерываний. На выходе прерывания (ПР) БПП формируется сигнал, при этом устанавливается такой уровень, что мультиплексор М передает номер строки с выхода БМУ на вход Астр ПЗУ. При выполнении JZR (переход по адресу (0,15) ) формируется сигнал строб разрешения прерывания равный "1", который подается на вход БПП. Если во время выполнения текущей программы поступил запрос на прерывание, то микропроцессор, выполнив текущую команду передает в стек номер следующей команды (команда возврата) и результат выполнения текущей команды. При наличии "1" на входе строб разрешения прерывания (СРП) и запроса на входе запроса (ЗП), БПП на выходе прерывания вырабатывает сигнал, отключающий мультиплексор М от выхода МА1..МА4 подает номер строки в ПЗУ с выхода код прерывания (КП) БПП. Первая МК первой прерывающей команды содержит код адреса (31,15), где 15 - номер колонки, который сохранился при выполнении последней МК текущей команды, а 31 = 11111(2) номер строки в 15-ой колонке, который образуется подачей +5В через резистор на входы Астр ПЗУ. Блок БПП содержит специальный блок уровня приоритета. Приоритет кодируется 3-х разрядным кодом. Преимущество имеет устройство с более низким уровнем приоритета. Если поступил запрос сразу от нескольких устройств, то устройство сравнения приоритета выявляет более низкий уровень и этот запрос удовлетворяется первым. По окончании прерывания программы последняя МК, которой является JZR (переход по адресу (0,15) ) по сигналу ЗМ = 1 загружается очередная команда основной программы. 23. СХЕМА УСКОРЕННОГО ПЕРЕНОСА (СУП)
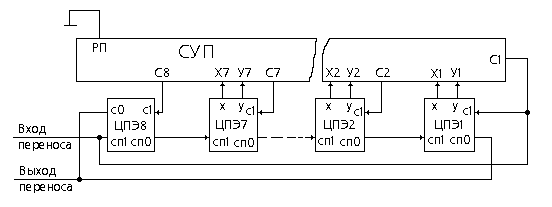
Предназначена для формирования цифры ускоренного переноса параллельно с суммированием операндов в ЦПЭ. Цифра переноса формируется в СУП в том случае, если ai и bi равны 1. ЦПЭ в этом случае вырабатывает сигнал Yi = ai bi = 1. Или если один из операндов и цифра переноса из младшего разряда равны единице, то :
В том случае, если Xi и Pi равны 1, цифра переноса в старший разряд - 1. Условие формирования цифры переноса :
24. СХЕМА ОДНОРАЗРЯДНОГО СУММАТОРА С ФОРМИРОВАНИЕМ ЦИФРЫ ПЕРЕНОСА В СУП
Цифра переноса поступает по общему входу переноса и сдвига вправо с выхода регистра признаков БМУ. Цифра переноса подается в схему ускоренного переноса и в младший разряд младшего ЦПЭ. В данной схеме объединены 8 ЦПЭ для обработки 16-ти разрядных данных. Сдвиг вправо передается сквозным переносом между центральными процессорными элементами. Цифра переноса формируется в СУП одновременно с суммированием операндов в ЦПЭ. Сдвиг вправо из младшего разряда и цифра переноса из старшего разряда старшего ЦПЭ передается на объединенный выход переноса, который соединяется с входом признаков БМУ. Последняя цифра переноса может формироваться как в последнем ЦПЭ, так и в СУП, в зависимости от того, какой сигнал подается на вход разрешение переноса (РП). Если РП = 1, то цифра переноса снимается с выхода СУП, а если РП = 0, то с ЦПЭ. За счет применения СУП время выдачи переноса С9 из старшего разряда старшего ЦПЭ сокращается до 20 нс. 25. ОРГАНИЗАЦИЯ ПАМЯТИ ЭВМ Память ЭВМ организована по иерархической лестнице, т.е. устройства обладающие большим объемом памяти обладают меньшим быстродействием. Наибольшим быстродействием обладают СОЗУ (сверх ОЗУ). Они обычно реализуются на регистрах, поэтому в МП СОЗУ называется РОН. Объем памяти СОЗУ очень мал. Обычно памятью машины называют ОЗУ. Быстродействие ОЗУ должно быть не меньше чем быстродействие электронных схем операционной части, памяти должно быть достаточно для записи программы решаемой задачи, а так же исходных данных, промежуточных и конечных результатов. Внешние запоминающие устройства обладают практически неограниченным объемом памяти и наименьшим быстродействием. ОЗУ не сохраняет информацию при отключении питания. Существуют ПЗУ, которые сохраняют информацию при отключении питания. ПЗУ работают только в режиме чтения, а ОЗУ в режиме чтения и записи. Существуют перепрограммируемые ПЗУ (ППЗУ), которые сохраняют информацию при отключении питания и допускают запись информации. При этом время записи во много раз больше времени считывания. Считывание информации из ОЗУ может происходить с разрушением информации или без. При разрушении информации при считывании необходимо дополнительное время на восстановление информации. Время считывания состоит из времени поиска адреса, времени собственного считывания и времени регенерации (восстановления) считанной информации. ОЗУ реализуется на микросхемах. Элемент памяти реализован на триггерах. Триггер может быть построен на биполярных и униполярных транзисторах.
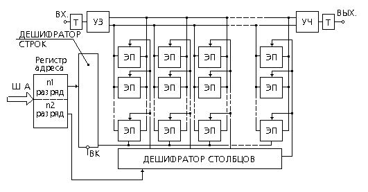
По шине адреса (ША) в регистр адреса поступает n - разрядный двоичный код адреса. n1 разряд используется для записи номера строки, а n2 - для записи номера столбца. Дешифраторы строк и столбцов вырабатывают управляющие сигналы на соответствующих выходах. Под действием этих управляющих сигналов происходит выбор адресуемого элемента памяти, если на входе выбора кристалла (ВК) дешифратора строк "1", то ОЗУ находится в режиме хранения. Если на ВК "0", то ОЗУ находится или в режиме чтения, или в режиме записи. Нормальным является режим чтения. Информация поступает через усилитель чтения (УЧ) и выходной триггер.
Режим записи обеспечивается подачей сигнала разрешения записи (РЗ) на усилитель записи (УЗ). Информация через триггер и УЗ подается на информационные цепи 1 и 0. Триггеры реализованы на МДП - транзисторах. Транзисторы VT2 и VT4 являются нагрузкой триггера. Напряжение затвор - исток этих транзисторов имеет нулевое значение, поэтому они всегда открыты. Триггер реализован на VT1 и VT3. В нем записана "1", если VT1 закрыт. При совпадении сигналов от дешифратора строк и столбцов триггер готов к записи или считыванию информации. Управляющий сигнал с выхода дешифратора столбцов действует на VT7 и VT8. Управляющий сигнал с выхода дешифратора строк воздействует на VT5 и VT6. Запись "1" производится в том случае, если на информационную цепь (ИЦ) нуля поступает логический "0". Для записи "0" логический "0" подается в ИЦ1. В режиме чтения состояние триггера передается через открытые VT5-VT8 в информационные цепи. Если элемент памяти хранит "1", то уровень "1" поступает в ИЦ1, а если "0", то уровень логической "1" поступает в ИЦ0. 26. ПОСТОЯННЫЕ ЗАПОМИНАЮЩИЕ УСТРОЙСТВА (ПЗУ) Отличается от ОЗУ тем, что в него информация записывается однократно. Для ПЗУ возможен только режим чтения. Информация из ПЗУ считывается пословно. В одной строке записывается несколько слов. Выбор слова в строке производится с помощью селектора. Селектор собран на VT0 - VT7. Буфер ввода - вывода собран на многоэмиттерных транзисторах МТ1 - МТ4. Ввод и вывод кодов слов производится с одних и тех же выходов: 1, 2, 3, 4. Т.к. ввод производится однократно, то все остальное время эти входы используются для вывода.
На дешифратор строк передается 5-ти разрядный номер строки, содержащий восемь четырех разрядных слов. С дешифратора слов номер слова передается на селектор. Например, пусть выбрана (1) строка и (0) слово. Необходимо записать со второго входа "1". Транзистор МТ2 откроется. Ток этого транзистора протекает через резистор R"о и закрывает 2-ой транзистор в выбранной "четверке". Таким образом состояние транзистора определяется записанным разрядом: при записи "1" - закрыт, при записи "0" - открыт. Затем повышают напряжение коллекторного питания накопителя. Через открытый транзистор потечет повышенный ток, который прожжет перемычку, которая изготовлена из нихрома с сопротивлением в несколько десятков Ом. Для их прожигания достаточен ток 20-30 мА. Перед записью слов опорное напряжение, подаваемое на многоэмиттерные транзистор увеличивается с тем, чтобы транзистор находился в состоянии, близком к закрытому. При чтении информации также происходит выбор слова и если перемычка в транзисторе не прожжена, то ток этого транзистора создает падение напряжения на Ro, которое закрывает многоэмиттерный транзистор. Состояние многоэмиттерного транзистора определяет код на выходе. Таким образом программу прожигает пользователь. 27. ВНЕШНИЕ ЗАПОМИНАЮЩИЕ УСТРОЙСТВА (ВЗУ)
ВЗУ вместе с устройствами ввода - вывода относятся к периферийным устройствам. Периферийные устройства обеспечивают общение человека с машиной. Раньше роль ВЗУ выполняли перфокарты и перфоленты. В настоящее время используются магнитные носители информации: магнитные ленты и диски. Магнитная лента относится к запоминающим устройствам с последовательным доступом к памяти. Магнитные диски относятся к запоминающим устройствам с произвольным доступом, т.е можно записывать и считывать информацию сразу по заданному адресу. При записи информация наносится на магнитный носитель, движущийся под головкой записи. В соответствии с записанным кодом происходит намагничивание элементарных участков магнитной поверхности. При считывании в обмотке считывания наводится ЭДС при пересечении магнитной головкой границ элементарных участков. В магнитных лентах информация записывается перпендикулярно направлению движения. Для записи информации используются методы записи без возврата к нулю и фазовой модуляции. Для записи информации на магнитные диски используется метод частотной модуляции.
27.1 Метод записи без возврата к нулю состоит в том, что полярность сигнала меняется только при записи "1", следовательно в обмотке считывания наводится ЭДС только в том случае, если считывается единичный сигнал. Наличие импульса любой полярности в обмотке считывания означает "1", а отсутствие импульса "0". Этот метод обеспечивает невысокую плотность записи 8 и 32 бит/мм. При считывании возможна ошибка, когда отсутствие информации будет принято за "0". Чтобы избежать этой ошибки необходимо подавать синхроимпульсы по специальной дорожке. Если есть только синхроимпульс - "0", а если синхроимпульс и еще один импульс, то записывается "1". 27.2 Фазовая модуляция.
Метод фазовой модуляции состоит в том, что "1" и "0" передаются разной фазой, например "1" - перепад от минимума к максимуму, а "0" - наоборот. В устройстве воспроизведения есть специальный блок, анализирующий, какой следующий знак должен быть записан. Если должны быть записаны два одинаковых знака, то в середине такта делается дополнительный перепад с тем, чтобы сначала следующего такта был нужный перепад. Распознование единиц и нулей производится по импульсам вначале такта. Если записана "1", то в обмотке считывания в начале такта импульс отрицательный. Этот метод является самосинхронизирующимся, т.к. в начале каждого такта есть импульс - положительный или отрицательный. Плотность записи 32 и 63 бит/мм. 27.3 Частотная модуляция (ЧМ).
При ЧМ "1" передается сигналом с частотой в 2 раза больше, чем при передачи "0". Этот метод является самосинхронизирующимся, т.к. в начале каждого такта есть импульс. При этом методе обеспечивается высокая плотность записи 63 бит/мм. Распознование "1" происходит при наличии импульса в середине такта.
28. УСТРОЙСТВА ВВОДА - ВЫВОДА ИНФОРМАЦИИ 1. Устройства ввода предназначены для ввода данных и программ, а также для внесения исправлений в программу и данные, хранящиеся в памяти ЭВМ. Подразделяются на неавтоматические (ручные) и автоматические. Автоматические характеризуются тем, что в них информация вводится с промежуточного носителя информации: с перфолент, перфокарт, магнитных носителей, с напечатанных текстов и графиков, с человеческой речи. Их быстродействие выше, чем у ручных. Ручные устройства отличаются меньшим быстродействием, но позволяют корректировать информацию в процессе ввода. К ним относятся различные клавиатуры, пульты управления. 2. Устройства вывода
Служат для вывода из ЭВМ информации, результатов обработки данных, отображая ее в виде таблиц, текстов, графиков. Они разделяются на : - устройства вывода на промежуточный или машинный носитель (перфокарты, перфоленты, магнитные носители) - устройства для вывода и фиксации информации в виде текстов, графиков, таблиц (печатающее устройство, графопостроитель, дисплей). - устройства вывода информации во внешнюю среду (ЦАП, вывод на линию связи) 29. ВЫВОД ИНФОРМАЦИИ НА ДИСПЛЕЙ
Дисплей является наиболее удобным устройством общения человека с машиной. Он позволяет набирать информацию на клавиатуре, высвечивать ее на экране, записывать ее в память машины, исправлять введенную информацию. Связь ЭВМ и дисплея осуществляется через блок интерфейса. Информация, набранная на знаковой клавиатуре через блок интерфейса записывается в память ЭВМ. Информация, которая должна быть выведена на экран через блок интерфейса записывается в буферном ЗУ (БЗУ). Объем БЗУ равен количеству знаков, которые могут быть одновременно высвечены на экране. После того, как БЗУ полностью загружено, дисплей переходит в автономный режим работы. Код знака, записанного в БЗУ, является командой, по которой из ПЗУ микропрограмм считывается микропрограмма воспроизведения данного знака. Микрокоманда этой микропрограммы подается на устройство управления лучом, которое преобразует эти микрокоманды в аналоговые сигналы, управляющие отклоняющими системами ЭЛТ. Существуют два способа развертки луча на экране ЭЛТ: 1. функциональный; при этом луч перемещается в пределах одного знакоместа, т.е. прочерчивает знак за знаком 2. растровый; при этом луч двигается по строчкам и высвечивает каждый знак послойно. Количество высвечиваемых знаков может быть от 128 до 4000 и зависит от типа экрана. Дисплей позволяет исправлять введенную информацию с помощью маркера и светового пера. Маркер совмещают со знаком, который нужно исправить и на функциональной клавиатуре нажимают кнопку "СТИРАНИЕ". В ячейке БЗУ уничтожается этот знак. Затем набирается нужный и нажимают на кнопку "ВОЗВРАТ". Конец светового пера, на котором находится фотодиод, подводится к тому знаку, который нужно уничтожить. По сигналу светового пера устройство управления определяет координаты знака на экране и в БЗУ. По этому адресу информация может быть изменена или уничтожена. Для получения немерцающего изображения на всех экранах на ЭЛТ блок управления должен обеспечивать скорость воспроизведения 50 символов в сек. 30. ВЫВОД ИНФОРМАЦИИ НА ТЕЛЕТАЙП В исходном состоянии ток протекает через обмотку электромагнита приемника и передатчика телетайпа. Схема формирования импульса остановки представляет собой триггер, который находится в единичном состоянии до прихода импульса начала печати. Ток, протекающий через обмотку электромагнита притягивает якорь к сердечнику. С приходом импульса начала печати триггер опрокидывается в нулевое состояние, закрывая усилитель мощности. При этом
формируется нулевой пусковой импульс. Длительность импульса пуска 20 мкс, как и у рабочих импульсов при передаче символов. Под действием импульса пуска обесточивается обмотка электромагнита. Якорь отлипает от сердечника, приводя в готовность наборные линейки печати символов. Схема формирования импульса печати формирует импульс печати с длительностью, равной пяти длительностям рабочих импульсов при передаче 5 - ти разрядного кода. Импульс печати подается на схему "И", на второй вход которой подается код символа из регистра. Код символа поразрядно вперед младшим разрядом. Рабочие импульсы, соответствующие "1" открывают усилитель мощности, соответствующие "0" - закрывают, соответственно притягивая или отпуская якорь от сердечника. При этом якорь управляет набором линеек.
По окончании импульса печати формируется импульс останова. Этот импульс соответствует логической "1", длительностью в 1.5 раза больше длительности рабочего импульса. Набранный знак во время импульса останова печатается на бумажной ленте. Т.к. инерционность механических частей больше, чем у электронных, то длительность импульса останова больше, чем рабочего. Код знака подается из канала связи в параллельном коде, а из регистра - в последовательном. Схема формирования импульса сдвига управляет последовательным перемещением старших разрядов в направлении младших. Телетайп является механическим знакопечатающим устройством, которое выводит информацию на бумажную ленту, а следовательно обеспечивает длительное сохранение информации. 31. ИНТЕРФЕЙС Устройства вычислительной системы соединяются друг с другом с помощью унифицированных систем связи, называемых интерфейсом. Интерфейс представляет собой систему шин, согласующих устройств, алгоритмов обеспечи-вающих связь всех частей ЭВМ между собой. От характеристик интерфейса зависит быстродействие и надежность ЭВМ. Интерфейс должен быть стандартизирован с тем, чтобы он обеспечивал связь процессора и оперативной памяти с любым периферийным устройством (ПУ). Необходимое преобразование формата данных должно производиться в ПУ. Алгоритмы функционирования интерфейса и управляющего сигнала также должны быть стандартизированы. Схемы интерфейса обычно располагаются в самих связываемых устройствах. Типы интерфейса: 1. Интерфейс ОЗУ - через него производится обмен данными между ОЗУ и процессором, между ОЗУ и каналами ввода - вывода. Ведущим в обмене данными, т.е. начинающим операцию обмена, является процессор и каналы ввода - вывода, а исполнителем - ОЗУ. Этот интерфейс является быстродействующим. Информация через него передается словами и полусловами. 2. Интерфейс с процессором - через него происходит обмен информацией между процессором и каналами ввода - вывода. Ведущий - процессор, исполнитель - каналы. Интерфейс является быстродействующим. Обмен информацией через него происходит словами и полусловами. 3. Интерфейс ввода - вывода. Через него происходит обмен информацией между каналами ввода - вывода и устройствами управления ПУ. Обмен информацией производится байтами. Его быстродействие меньше, чем у первых двух типов. 4. Интерфейс периферийных аппаратов (ПА). Через него происходит обмен информацией между устройствами управления ПА и самими ПА. Он не может быть стандартизирован, т.к. ПА очень разнообразны. Интерфейсы могут быть односвязными и многосвязными. При односвязном интерфейсе общие для всех устройств шины используются всеми устройствами, подключенными к данному интерфейсу, на основе разделения времени. При многосвязном интерфейсе одно устройство связывается с другими устройствами по нескольким независимым магистралям. Односвязный интерфейс применяется в малых и микро ЭВМ, а многосвязный - в средних и больших ЭВМ. Многосвязный интерфейс характеризуется тем, что каждое устройство снабжается одной выходной магистралью для выдачи информации и несколькими входными для приема информации от других устройств. При неисправности какой - либо входной шины или сопряженных с ней согласующих устройств, оказывается отключенным только одно периферийное устройство. Интерфейс автоматически определяет неисправное ПУ и выбирает исправные и незанятые магистрали. МП в зависимости от заданной программы выбирает последовательность опроса датчиков, т.е. вырабатывает управляющие сигналы обмена информацией по выбранному каналу и осуществляет сбор и обработку данных. По цифровому каналу связи сигнал может передаваться параллельно или последовательно. Параллельная передача цифрового сигнала требует отдельные линии для каждого разряда, но является более быстродействующей. При последовательной передаче цифровые сигналы передаются последовательно по одной линии связи. По способу передачи информации во времени интерфейс может быть синхронный и асинхронный. Синхронный характерен постоянной временной привязкой, а асинхронный - без постоянной временной привязки. При синхронной передаче данных синхронизирующие сигналы МП задают временной интервал, в течении которого считывается информация с одного датчика. Временной интервал определяется наибольшим временем задержки в системе передачи данных и максимальным временем преобразования аналогового сигнала в цифровой. Асинхронная передача данных характеризуется наличием управляющих сигналов: "Готовность к обмену", вырабатываемый датчиком исходной информации; "Начало обмена", "Конец обмена", "Контроль обмена", вырабатываемые МП. При такой организации обмена автоматически устанавливается рациональное соотношение между скоростью передачи данных и величинами задержки сигналов в канале связи. 32. ОБМЕН ДАННЫМИ МЕЖДУ ОПЕРАТИВНОЙ ПАМЯТЬЮ И ПЕРИФЕРИЙНЫМИ УСТРОЙСТВАМИ (ПУ)
1. Программно управляемый обмен данными. В этом случае передача данных от ПУ в память и обратно производится через МП в соответствии с микропрограммой, записанной в ОЗУ, МП руководит обменом и операция обмена происходит так же, как и операция основной программы. Операция ввода - вывода активизируется текущей командой программы или запроса от ПУ. При программном управлении передачей данных процессор "отвлекается" от выполнения основной программы на все время операции ввода - вывода, следовательно снижается производительность ЭВМ. Для ввода блока данных необходимо слишком много операций, таких как преобразование форматов, адресация в памяти, определение начала и конца блока данных. В результате скорость передачи данных снижается. Дешифратор определяет номер ПУ, с которым будет происходить обмен данными в соответствии с программой. Мультиплексор передает данные от одного из ПУ соответствующего номера через МП в ОЗУ. После того, как дешифратор определил номер ПУ и МП послал запрос об обмене данными, МП ждет сигнала готовности от ПУ. Демультиплексор передает данные из ОЗУ на одно из ПУ.
2. Обмен данными с использованием прямого доступа к памяти (ПДП). При этом МП освобождается от участия в обмене данными. ОЗУ связывается с МП и с аппаратурой, руководящей обменом данных разными шинами. Обменом данными полностью управляют с помощью аппаратных средств. Инициатором обмена данными является
ПУ, которое посылает запрос об обмене данными на флажок запроса ПДП. Флажок запроса активизирует блок ПДП. Блок ПДП посылает в память сигнал чтения или записи и определяет ячейку ОЗУ, с которой начнется обмен данными. Блок ПДП посылает эти сигналы, после того, как получит от МП сигнал подтверждения. Регистр данных передает данные из ОЗУ в ПУ и из ПУ в ОЗУ. При ПДП процессор освобождается от управления операциями ввода - вывода и может параллельно выполнять основную программу. ПДП обеспечивает более высокое быстродействие и более высокую производительность работы ЭВМ. 33. ОБМЕН ДАННЫМИ ПО ПРЕРЫВАНИЯМ
Прерывание работы МП по запросу внешних устройств устраняет необходимость выполнения МП неэффективных операций по проверке готовности внешних устройств к обмену данными и снижает затраты времени на ожидание готовности периферийного устройства к обмену. Прерывания необходимы при обмене данными с большим числом асинхронно работающих внешних устройств. Прерываемая программа должна содержать команду EI в начале участка основной программы, где допускаются прерывания. Виды запросов на прерывание бывают: 1. немаскируемые - которые реализуются аппаратно и поступают в МП по отдельной шине управления. Немаскируемые запросы обладают наивысшим при-оритетом. К ним относятся запросы от схем питания и контроля правильности передачи данных. Снижение уровня питания представляет опасность потери информации. Схемы контроля питания подают запрос прерывания и совершают переход к подпрограмме аварийной перезаписи в ОЗУ с батарейным питанием или во внешнее ЗУ. В блоке питания предусмотрены емкостные фильтры, которые поддерживают уровень питания на время, достаточное для перезаписи. 2. маскируемые запросы поступают от внешних устройств. В блоке управления МП есть триггер разрешения прерывания. Этот триггер по команде EI устанавливается в единичное состояние в конце участка основной программы, на котором находится команда DI блокировки прерываний, по которой триггер устанавливается в нулевое состояние. Состояние триггера выдается на выход МП, который называется "РАЗРЕШЕНИЕ ПРЕРЫВАНИЙ", и если на этом выходе "1", то запрос принимается. Момент появления запроса не связан с выполнением основной программы. МП продолжает выполнять текущую команду основной программы. Он должен запомнить результат выполнения этой команды и номер команды возврата и приступить к выполнению прерывающей программы. На выход МП "ПОДТВЕРЖДЕНИЕ ПРЕРЫВАНИЯ" передается сигнал о том, что в данном цикле производится прием одного байта команды. Команда RST начинает удовлетворение запроса на прерывание; по этой команде в стек записывается результат выполнения команды основной программы и номер команды возврата.
Прерывающая программа начинается с команды RESTART (RST), по которой из стека передается номер команды возврата и результат выполнения последней команды перед прерыванием. Перед командой RET должна быть команда снятия запрета на прерывание - EI, иначе триггер будет в нуле и одна и та же прерывающая программа будет выполняться бесконечно. 34. СПЕЦИАЛИЗИРОВАННЫЕ УСТРОЙСТВА ИНТЕРФЕЙСА. АЦП
К специализированным устройствам интерфейса относятся АЦП, ЦАП, преобразователи кодов. Специализированные устройства преобразуют информацию к виду, удобному для восприятия данной машины (это делают АЦП и преобразователи кодов). ЦАП преобразует информацию к виду, удобному для восприятия периферийным устройством. Преобразование аналоговой информации в цифровую основано на теореме Котельникова: любой аналоговый сигнал может быть записан в дискретной форме и информация не будет потеряна, если шаг квантования t будет выбран из условия:
, где F max - максимальная частота спектра передаваемого сигнала.
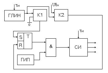
В данной схеме происходит промежуточное преоб-разование напряжения Uвх в длительность импульса триггера, которая в свою очередь определяет количество импульсов генератора импульсной последовательности (ГИП) со считанных счетчиком. Счетчик выдает результат в двоичном коде, следовательно показания счетчика пропорциональны Uвх. Тактовый импульс запускает генератор линейно изменяющегося напряжения (ГЛИН) и обнуляет счетчик. В двух компараторах К1 и К2 происходит сравнение напряжения ГЛИН с "0" и с Uвх.
Когда уровень напряжения ГЛИН равен "0", то на выходе К1 вырабатывается сигнал, который устанавливает триггер в единичное состояние. На схему "И" подается единичный сигнал с выхода триггера и последовательность импульсов с выхода ГИП. Импульсы ГИП подаются на счетчик, который их считает. Когда напряжение "пилы" станет равным Uвх, сигнал с выхода К2 "опрокинет" триггер в нулевое состояние, импульсы через схему "И" не проходят, счет прекращается. Количество прошедших импульсов пропорционально Uвх. Т.к. напряжение "пилы" строго говоря не является линейным, особенно на начальном участке, то точность преобразования не велика. Большую точность обеспечивают АЦП с ОС и АЦП следящего типа. 35. АЦП С ОБРАТНОЙ СВЯЗЬЮ (ОС)
ЦАП вырабатывает напряжение ОС. Это напряжение имеет ступенчатую форму. С приходом тактового импульса счетчик начинает считать от генератора импульсной последовательности (ГИП). Счет прекращается при подаче нулевого сигнала с вых. компаратора. Этот сигнал вырабатывается в том случае, если напряжение ОС больше или равно Uвх. Количество сосчитанных импульсов пропорционально Uвх в двоичном коде. 36. АЦП СЛЕДЯЩЕГО ТИПА.
АЦП с ОС преобразует в двоичный код только возрастающее Uвх. АЦП следящего типа преобразует в цифровой сигнал как возрастающее, так и убывающее напряжение. В этой схеме применяется реверсивный счетчик. Когда на вых. компаратора (К) единичный сигнал (Uвх > Uос) счетчик находится в режиме прямого счета. Когда Uвх Uос, на выходе К - "0" и счетчик переходит в режим обратного счета. 37. ЦАП С СУММИРОВАНИЕМ НАПРЯЖЕНИЯ НА ОПЕРАЦИОННОМ УСИЛИТЕЛЕ (ОУ).
ЦАП преобразует информацию в двоичном коде в непрерывную. На его выходе формируется ступенчатое напряжение. Точность воспроизведения зависит от шага квантования и величины "ступеньки". Ни шаг квантования, ни величину "ступеньки" нельзя уменьшить ниже технических возможностей схемы. Схемы ЦАП могут строиться с суммированием напряжения или тока на ОУ или как аттенюатор сопротивлений. В этой схеме триггеры образуют регистр, в который заносится двоичный код числа. Коэффициент передачи ОУ для выхода каждого триггера является взвешенным в соответствии с разрядом числа, хранимого в триггере:
Напряжение с выхода триггера n-ного разряда передается на выход усилителя с коэффициентом передачи:
т.е. он в 2 раза больше, чем коэффициент Kn-1. Следующий весовой коэффициент n-ного разряда в 2 раза больше весового коэффициент n-1 разряда. Если считать, что уровень "1" соответствует Е, а уровень "0" - 0, то:
где N - десятичное значение преобразуемого двоичного числа, записанного в регистре. Е - напряжение питания триггера, соответствующее логической "1" Величина ступеньки определяется уровнем "1" и не может быть меньше напряжения питания. НЕДОСТАТОК: нестабильное питание триггера и необходимость точного подбора большого числа номиналов сопротивлений на входе ОУ. 38. ПРИМЕНЕНИЕ МИКРО ЭВМ В СИСТЕМАХ АВТОМАТИЗИРОВАННОГО УПРАВЛЕНИЯ (САУ)
Примером САУ можно считать можно считать станок с ЧПУ. САУ должна поддерживать какой - либо параметр на заданном уровне. В качестве регулируемого параметра может быть угол резания резца. Задание представляет собой входное воздействие Х, которое в САУ называется входным воздействием. На объект управления воздействует возмущающее воздействие Е, которое представляет собой износ режущего инструмента и влияние материала заготовки. Выходная величина Y представляет собой действительное значение угла резания. Это действительное значение с помощью датчика состояния объекта преобразуется в электрический сигнал. Контроллер преобразует аналоговый сигнал в цифровой и передает в управляющую микро ЭВМ. В память микро ЭВМ также передается заданное значение регулируемого параметра в двоичном коде. ЭВМ сравнивает эти значения и вырабатывает управляющее воздействие.
Круг задач, решаемых ЭВМ в данной системе и набор действий, предписываемых станку, ограничен. Поэтому для ЭВМ не требуется большого объема памяти, программа может быть записана в ПЗУ и не требуется сети периферийных устройств. Достаточно только клавиатуры и дисплея. Управляющий сигнал, пропорциональный сигналу рассогласования, подается на интерфейс блока связи с объектом, в котором происходит преобразование цифрового сигнала в аналоговый. Исполнительный механизм (электродвигатель) в соответствии с управляющим сигналом воздействует на объект таким образом, чтобы свести ошибку рассогласования к "0". Это САУ, применяемая в одном цехе, может быть связана с большой ЭВМ, применяемой для управления целым заводом. В этом случае она подключается через каналы связи к большой ЭВМ, снабженной большим количеством периферийных устройств и имеющей большой объем памяти. 39. СХЕМА СУММИРОВАНИЯ НАПРЯЖЕНИЯ НА АТТЕНЮАТОРЕ СОПРОТИВЛЕНИЙ
Достоинством данной схемы является то, что в ней используются резисторы только двух номиналов. Величина ступеньки пропорциональна Е/3 и определяется только напряжением стабильного источника Е и не зависит от выходного напряжения триггера. Триггеры образуют регистр, в котором содержится двоичная информация, которая должна быть преобразована в аналоговую форму. На выходе триггера, прямом и инверсном, находятся ключи. Ключ Кл1 находится на прямом выходе триггера. На второй вход ключа подается напряжение стабильного источника. В том случае, если в триггере записана 1, то напряжение источника Е прикладывается к R1. Если записан 0, то ключ Кл1 закрыт и нулевой потенциал через ключ Кл1' прикладывается к R1. В соответствии с записанным числом вырабатывается выходное напряжение, пропорциональное Е/8:
где N - десятичное число
40. ПРИМЕНЕНИЕ МИКРО ЭВМ В ПРИБОРАХ (СПЕКТРОФОТОМЕТР) Спектрофотометр применяется для качественного и количественного анализа состава жидкого и прозрачного твердого образца. Принцип его действия основан на том, что световой луч по разному поглощается веществом, в зависимости от его состава. Следовательно коэффициент поглощения для разных веществ будет различным. Микро ЭВМ выполняет в этом приборе следующие функции: автоматизация процесса измерения; экспресс обработку результатов измерения; повышение точности прибора; облегчает общение оператора с прибором. В памяти микро ЭВМ записаны коэффициенты поглощения различных веществ, программа испытаний и программа управления устройством подачи образца (УПО). Монохроматор представляет собой генератор, испускающий световые волны с заданной программой частотой. Светофильтр поглощает все мешающие колебания кроме одного требуемой частоты. Этот луч, проходя через образец, поглощается в зависимости от его состава. Приемник излучения принимает эти колебания, амплитуда которых зависит от коэффициента поглощения и вырабатывает сигнал, пропорциональный изменению амплитуды. Микро - функциональный модуль (МФМ) АЦП преобразует аналоговый сигнал в цифровую форму и передает цифровой сигнал в микро ЭВМ. Микро ЭВМ сравнивает полученные результаты с записанными в памяти и определяет состав вещества. Оператор может набирать программу измерений с помощью клавиатуры и выводить информацию на самописец, табло, на телеграфный аппарат. Блок ручной корректировки позволяет оператору вносить изменения в программу.
41. ПРОГРАММНОЕ ОБЕСПЕЧЕНИЕ (ПО) ЭВМ.
Состоит из операционной системы (ОС) и программ пользователя. ОС состоит из утилит, библиотеки подпрограмм, языковых трансляторов, программы - компоновщика, редактора, монитора, загрузчика. Написание программы начинается с постановки задачи и с создания математической модели. Затем пишется алгоритм, который представляет собой пошаговую процедуру решения задачи. Программа пишется на языке высокого уровня. Языки высокого уровня не связаны с архитектурой данной машины. Программа, написанная на языке высокого уровня называется исходным модулем. Программа - транслятор преобразует исходный модуль программу на языке машинных кодов называется объектным модулем. Машинный код для каждой машины свой. Программа - редактор используется для ввода текста программы в ЭВМ и ее последующего редактирования. Программа - компоновщик связывает объектные модули, являющиеся результатом трансляции программ и подпрограмм считанных из библиотеки подпрограмм. Программа -отладчик позволяет выполнять программу по одной или нескольким командам за один шаг, что позволяет программисту проверять результат выполнения отдельных частей программы. Для ввода программы с клавиатуры или ВЗУ, используется программа, называемая загрузчиком. В ее функции входит операция чтения или записи по заданному адресу памяти, а так же выполнение работ по отладке и обслуживанию программ. В последнем случае программа - загрузчик называется монитором. Она может быть записана в память машины, тогда она называется резидентной. Выполнение загрузки программы в память начинается с передачи управления по первому адресу программы. 42. ОПЕРАЦИОННАЯ СИСТЕМА ЭВМ Представляет собой программное обеспечение вычислительного процесса. Она управляет вводом - выводом, загрузкой программы данных в память, трансляцией программы и данных в машинные коды, управляет выполнением программ. В зависимости от машины некоторые операции выполняются аппаратно, а некоторые программно. Для пользователя это значения не имеет, т.к. он обращается к виртуальной машине. ОС так же нужна для управления файлами. Файлом называется поименованная совокупность однородной информации, размещенной на внешнем носителе и имеющая определенное функциональное значение. В процессе выполнения программы весь монитор или его часть записываются в ОЗУ. В этом случае он называется резидентным. Остальная часть монитора вводится в память ЭВМ по мере надобности. Если надобность в ней отпадает то ОЗУ от нее освобождается. После включения питания и записи в память монитора ЭВМ приступает к выполнению программы. Запись в память монитора осуществляется либо автоматически либо по команде пользователя. К системным программам относятся так же программы обслуживания ПУ которые могут быть реализованы двумя способами: функциональный и логический. Для создания функциональной программы программист должен знать принцип действия и особенности ПУ. Это затрудняет работу программиста, поэтому на функциональном уровне выполняются только команды готовности к обмену данными и команды прерываний. Во всех остальных случаях используют специальные прерывающие программы, называемые драйверами. Драйвер представляет собой программу обращения к конкретному ПУ. В программе ввода - вывода программист записывает номер ПУ к которому необходимо обратиться. По этому номеру происходит вызов соответствующего драйвера. Для расширения функциональных возможностей ЭВМ в системное обеспечение ЭВМ входит программа обращения к библиотеке подпрограмм. Библиотека содержит программы стандартных функций, а так же программы ввода - вывода 43. МИКРОПРОЦЕССОРНЫЙ КОМПЛЕКТ К 1804.
Процессор - это цифровое устройство, входящее в ЭВМ и выполняющее обработку информации в соответствии с заложенной в ЭВМ программой. Программа находится в памяти ЭВМ и состоит из отдельных команд, понятных для процессора. В каждой команде содержатся сведения о том, откуда взять исходные данные, какую операцию над ними выполнять и куда поместить результат. Процессор состоит из двух взаимосвязанных устройств: операционного устройства (ОУ) и управляющего устройства (УУ). ОУ предназначено для выполнения операций. Оно включает в себя в качестве узлов регистры, сумматоры, каналы передачи информации, мультиплексоры для коммутации каналов, дешифраторы и т.д. УУ координирует действие узлов ОУ. УУ вырабатывает в определенной временной последовательности управляющие сигналы, под действием которых в узлах ОУ выполняются требуемые действия. Благодаря достижениям микроэлектроники, обеспечивающей в одной микросхеме упаковку десятков тысяч элементов, такое сложное цифровое устройство, как процессор, разрешается в одном или
нескольких БИС. Слово "большие" относится не к физическим размерам схемы, а к степени интеграции элементов схемы. Рассмотрим построение и функционирование микропроцессорной секции К1804ВС1, на базе которой создан процессор серийно выпускаемой мини-ЭВМ СМ - 1420. Микропроцессорная секция (МПС) представляет собой 4-х разрядную секцию, в которой возможны хранение и обработка 4-х разрядных данных. Объединением нескольких секций можно построить многоразрядное ОУ процессора. БЛОК ВНУТРЕННЕЙ ПАМЯТИ (БВП). В блоке имеется регистровое запоминающее устройство (РЗУ), содержащее 16 4-х разрядных регистров. Адреса регистров представляются 4-х разрядными кодовыми операциями. РЗУ имеет два адресных входа А3...А0 и В3...В0, на которые информация поступает из команды. Задавая в полях команды адреса А3...А0 и В3...В0, можно одновременно производить чтение и выдачу на выходы А и В РЗУ содержимого любой пары регистров. При совпадении адресов А3...А0 и В3...В0 на оба входа А и В РЗУ передается содержимое одного и того же регистра. Выданное на выходы А и В содержимое регистров РЗУ принимается соответственно в регистры PrA и PrB. Далее эти регистры служат источниками операндов, над которыми выполняются операции. Запись в РЗУ в каждом тактовом периоде может производить лишь в один из регистров, адрес которого задается шиной В3...В0. Записываемые в РЗУ данные поступают на вход РЗУ с выхода арифметико-логического устройства (АЛУ) через узел сдвигателя данных АЛУ (СДА). Данные через СДА могут передаваться без сдвига либо со сдвигом на один разряд влево и вправо. Таким образом, за один тактовый период из РЗУ может быть выдано содержимое двух регистров, над ними в АЛУ выполнена некоторая операция, и полученный в АЛУ результат сдвинут вправо или влево и записан в регистр РЗУ. Выводы PR0 и PR3 в зависимости от направления сдвига служат входом или выходом, через которые производится запись значения в освобождающиеся при сдвиге разряд и выдача содержимого выдвигаемого разряда. Чтение из регистров РЗУ, адресуемых шинами А3...А0 и В3...В0 происходит при высоком уровне тактового сигнала Т. Вход РЗУ при этом логически отключен, и РЗУ не реагирует на поступающую на вход информацию. Выдаваемые из РЗУ данные принимаются в регистры операндов PrA и PrB, построенные на простых триггерах. При низким уровне тактового сигнала (временной интервал t2 - t3) входы регистров PrA и PrB логически отключаются от выходов РЗУ и регистры продолжают хранить принятую информацию. При этом в регистр РЗУ, адресуемый шиной В3...В0, производится запись передаваемой через СДА информации таким образом, что чтение и запись в РЗУ разнесены во времени. БЛОК РАБОЧЕГО РЕГИСТРА Q (БР). Блок содержит одиночный 4-х разрядный регистр Q, построенный на триггерах в - типа. Содержимое регистра постоянно передается в узел АЛУ (в блоке БАЛ). Запись же в регистр может производится по положительному перепаду тактовых импульсов. Данные на вход регистра передаются через узел сдвигателя регистра Q (CP), который работает аналогично узлу СДА блока БВП, передавая записываемые в регистр данные без сдвига либо со сдвигом на один разряд влево или вправо. В отличии от СДА, через который передается либо результат операции с выхода АЛУ либо содержимое самого регистра Q. Последнее обеспечивает возможность выполнения сдвига содержимого регистра Q, производимого параллельно с операцией в АЛУ. БЛОК АРИФМЕТИКО - ЛОГИЧЕСКИЙ (БАЛ). АЛУ имеет два 4-х разрядных входа R и S. Данные на эти входы поступают с выхода селектора источников данных (СИД). Кроме этих входов АЛУ имеет вход для подачи переноса С0. На вход R АЛУ СИД коммутирует или выход регистра PrA блока БВП или внешнюю шину данных D3...D0 либо передает на этот вход нулевое значение. На вход 8 СИД коммутируют один из трех источников (PrA, PrB, PrQ) или передают нулевое значение. Результат операции с выхода АЛУ, как отмечалось выше, подается на сдвигатели СДА и СР блоков БВП и БР. Кроме того, результат операции подается на селектор выходных данных (СВД), который коммутирует в выходную шину У3...У0. Содержимое регистра PrA блока БВП либо выход АЛУ. СВД построен на элементах с тремя состояниями и управляется сигналом Е... Передача информации на шину У3...У0 производится при управляющем сигнале Е...= 0, при сигнале Е...= 1 СВД переводится в третье (выключенное) состояние, и микросхема МПС отключается от шины У3...У0. АЛУ имеет выходы, на которых формируются следующие признаки результата выполненной информации: - Z - признак нулевого результата (Z=1, если результат равен нулю). - F3 - старший разряд результата, который может рассматриваться как знаковый разряд. - С4 - признак переноса (при выполнении арифметических операций С4=1, если возникает перенос из старшего разряда). - OVR - признак перевыполнения (при выполнении арифметических операций OVR = С3 + С4, где С3 - перенос, передаваемый в старший разряд); если числа представляются со знаковым разрядом, то при OVR = 1 искажается знаковый разряд, т.е. результат оказывается ошибочным. Обозначение символом - это операция по разрядного суммирования по модулю 2 (эту операцию называют так же операцией "исключающее или" или операцией "неравнозначности"). БЛОК УПРАВЛЕНИЯ (БУ). Блок предназначен для преобразования содержимого поля кода операции i8...i0 команды в систему управляющих сигналов, под действием которых в узлах микросхемы МПС выполняются операции. 44. АССЕМБЛЕР К580 После того, как программа написана на языке высокого уровня она транслируется в машинный код, но программу можно написать на ассемблере, который так же как и машинный код ориентирован на архитектуру данной машины. Ассемблером называется программа - транслятор с символического языка, который называется языком ассемблера. Язык называется символическим, потому что операции в нем записываются в виде сокращений английских названий этих операций. Рассмотрим операцию сложения 2-х 16-ти значных десятичных чисел, записанных в двоично - десятичном коде. Чтобы сложить их в 8-ми разрядном МП надо повторить операцию сложения 8 раз. Один из регистров используется в качестве счетчика. Две пары регистров используют для указания адресов в ОЗУ, в котором записаны слагаемые. Сложение начинается с младших разрядов. Каждая десятичная цифра записывается 4-мя разрядами, значит в первом цикле будут складываться две десятичные цифры. Алгоритм решения задачи выглядит следующим образом: 1. Определение в памяти адреса слагаемых. NA 100(H) - 107(H) NB 108(H) - 10F(H) 2. Загружаем в аккумулятор два младших десятичных разряда числа NA, которые записаны по адресу 100 (Н) 3. Складываем содержимое аккумулятора и 2 младших десятичных разряда числа NB, записываем по адресу 108 (Н) 4. Записываем результат сложения по адресу NА (100Н) 5. Увеличиваем содержимое регистров А и В на 1, а содержимое счетчика уменьшаем на 1. В аккумулятор помещается содержимое ячейки 101H, которая складывается в аккумуляторе с содержимым ячейки 109H. И так происходит до тех пор пока счетчик не обнулится. При сложении двоично - десятичных чисел должна проводится операция DAA - десятичной коррекции аккумулятора: которая состоит в том: что если при сложении получилась запрещенная комбинация, то добавляется цифра 6, т.к. перенос в 4-х разрядном двоичном числе формируется на цифре 16, а в десятичном - на цифре 10, то добавляя 6 мы формируем цифру переноса в старший разряд и избавляемся от запрещенной комбинации. Команда на ассемблере содержит 4 поля, которые отделяются друг от друга пробелом или символами (: ; -) в зависимости от типа ЭВМ. Первое поле называется меткой или именем. Оно заполнено не всегда, а только в случае многократного обращения к этой команде. Второе поле - поле операции. Заполняется всегда. Третье поле - поле операнда. Существуют операции (останов, конец), в которых операнд не указывается. Четвертое поле - поле комментария. Не транслируется в двоичный код и является поясняющим. ПРИМЕР ПРОГРАММЫ: 1. LXI D,NA 2. LXI D,NB 3. MVI C.8 4. XRA 5. LOOP: LDAX D 6. ADC M 7. DAA 8. STAX D 9. INX H 10. INX D 11. DCR C 12 JNZ LOOP ком 1. команда непосредственной загрузки адреса NA в память в регистры D, E (запись 100) ком 2. команда непосредственной загрузки адреса 108(H) в регистры H,L ком 3. команда непосредственной пересылки числа циклов (8) в счетчик, которым является регистр С ком 4. операция очистки или обнуления аккумулятора. Исключает "ИЛИ" или cложение по модулю два содержимого аккумулятора с самим собой. ком 5. имеет имя, т.к. к ней обращаются неоднократно в процессе выполнения программы. По этой команде происходит загрузка в аккумулятор содержимого ячейки ОЗУ, номер которой записан в регистрах D,E. Команда косвенной адресации, т.е. в коде команды указывается номер регистра, содержащего номер ячейки ОЗУ, содержащей операнд. На первом шаге это будет ячейка 100(Н) ком 6. содержимое аккумулятора, которое является содержимым ячейки 100(Н) на первом шаге, складывается с байтом NB, который содержится в ячейке 108(Н). Буква М означает, что NB считывает из ячейки ОЗУ ком 7. команда десятичной коррекции ком 8. STORE - команда с косвенной адресацией. Результат сложения помещается в ячейку ОЗУ, номер который записан в регистре D. ком 9. Инкремент - увеличение на 1 содержимого регистра H ком 10. Инкремент - увеличение на 1 содержимого регистра D ком 11. Декремент - уменьшение на 1 содержимого регистра С (счетчика) ком 12. Команда условного перехода. Если содержимое счетчика не ноль, то осуществляется переход к метке LOOP. |
|||||||||||||||||||||||||||||||||||||||||||||||||||||||||||||||||||||||||||||||||||||||||||||||||||||||||||||||||||||||||||||||||||||||||||||||||||||||||||||||||||||||||||||||||||||||||||||||||||||||||||||||||||||||||||||||||||||||||||||||||||||||||||||||||||||||||||||||||||||||||||||||||||||||||||||||||||||||||||||||||||||||||||||||||||||||||||||||||||||||||||||||||||||||||||||||||||||||||||||||||||||||||||||||||||||||||||||||||||||||||||||||||||||||||||||||||||||||||||||||||||||||||||||||||||||||||||||||||||||||||||||||||||||||||||||||||||||||||||||||||||||||||||||||||||||||||||||||||||||||||||||||||||||||||||||||||||||||||||||||

















































