Реферат: Разработка микропроцессорной системы
|
Название: Разработка микропроцессорной системы Раздел: Рефераты по радиоэлектронике Тип: реферат | |||||||||||||||||||||||||||||||||||||||||||||||||||||||||||||||||||||||||||||||||||||||||||||||||||||||||||||||||||||||||||||||||||||||||||||||||||||||||||||||||||||||||||||||||||||||||||||||||||||||||||||||||||||||||||||||||||||||||||||||||||||||||||||||||||||||
| ИНСТИТУТ СВЯЗИ
Факультет электроники, телекоммуникаций и компьютерных систем Александр Малинин Разработка микропроцессорной системы на базе микропроцессора Intel 8086. Дисциплина: Микропроцессоры Вид работы: Курсовая работа Оценка: _____________ Преподаватель: Децл ________________ подпись Дата: 31.12.2000 Рига 2000 Содержание:
1. Цель курсовой работы. Данная курсовая работа посвящена разработке микропроцессорной системы на базе микропроцессора Intel 8086. Выполнение курсовой работы делится на четыре этапа: 1. разработка структурной схемы микропроцессрной системы; 2. разработка функциональной схемы микропроцессорного модуля; 3. разработка функциональной схемы модуля памяти; 4. разработка функциональной схемы модуля ввода/вывода. Данные, необходимые для выполнения работы берутся в соответствии с вариантом назначенным преподавателем. Ниже приведены условия для данного варианта: Вариант № ………………………………………………………… 50 Конфигурация МПС ……………………………………………… min Емкость ОЗУ (Кбит) ……………………………………………… 256 Емкость ПЗУ (Кбит) ……………………………………………… 64 Организация микросхем ОЗУ …………………………………… 32Kx4 Организация микросхем ПЗУ …………………………………… 8Kx1 Способ обращения к портам ввода/вывода …………………….. СК Способ организации ввода/вывода ……………………………… РПР Порт ввода: Тип ……………………………………………………………… пар. Адрес …………………………………………………………… 02h Порт вывода: Тип ……………………………………………………………… посл. Адрес …………………………………………………………… 52h Пояснение: min – минимальная конфигурация системы; max – максимальная конфигурация системы; СК – обращение к портам ввода/вывода с помощью специальных команд; РПР - ввод/вывод информации в режиме прерывания; пар. – параллельный порт; посл. – последовательный порт. 2. Разработка структурной схемы микропроцессорной системы. В данной работе разрабатывается микропроцессорная система с минимальной конфигурацией, что предполагает использование управляющих сигналов, формируемых непосредственно на выводах микропроцессора Intel 8086. Структурная схема системы представлена на рисунке 1. Микропроцессорная система состоит из десяти основных узлов: • Тактовый генератор G ; • Микропроцессор CPU ; • Буферный регистр RG ; • Шинный формирователь; • Контроллер прерываний IC ; • Модуль памяти; • Модуль ввода/вывода; • Шина адреса ША ; • Шина данных ШД ; • Шина управления ШУ . Тактовый генератор служит для генерации тактирующего сигнала обеспечивающего синхронизацию работы микропроцессора и микропроцессорной системы в целом. Так же формирует сигнала “ ready ” служащий для индикации момента когда установились частота генерируемого сигнала, и сигнала “ reset ” служащего для сброса микропроцессора и других элементов системы. Микропроцессор обеспечивает выполнение программы хранящейся модуле памяти, формирует адреса и сигналы управления для обращения к определенным ячейкам памяти модуля памяти, и отдельным элементам системы, таким как порты ввода/вывода, контроллер прерываний. Ниже поясняется назначение этих сигналов: A / D (15-0) – адрес ячейки памяти, порта ввода/вывода, или контроллера прерываний;
DE – сигнал активизации шины данных. Низкий уровень подключает микропроцессор к шине данных, высокий уровень переводит выходы шинного формирователя в высокоимпедансное состояние.
INT – сигнал запроса прерывания. Передается от контроллера прерываний в микропроцессор при необходимости прервать выполнение текущей задачи, и перейти к обработке прерывания. Буферный регистр служит для удержания адреса на шине адреса (буферизация), в течении некоторого времени определяемого сигналом STB. Так же служит для усиления сигналов A/D (15-0). Шинный формирователь служит для коммутации микропроцессора с шиной данных, выбора направления передачи данных, усиления сигнала выдаваемого микропроцессором на шину. Контроллер прерываний обеспечивает согласование сигналов запроса прерывания, поступающих от модуля ввода/вывода с процессором. Модуль памяти обеспечивает запись, чтение, хранение данных. Хранит программу необходимую для работы процессора. Модуль ввода/вывода обеспечивает обмен данными между микропроцессорной системой и подключаемыми к ней внешними устройствами. Шина адреса шестнадцати разрядная шина, служащая для передачи адреса ячейки памяти при обращении к модулю памяти, адреса порта при обращении к портам ввода/вывода, или адреса контроллера прерываний при обмене данными между контроллером прерываний и процессором. Шина данных восьми разрядная шина, необходимая для обмена данными между процессором и контроллером прерываний, процессором и модулем памяти, процессором и модулем ввода/вывода. Шина управления служит для передачи управляющих сигналов таких как чтение данных, запись данных, выбор порт/память при адресации, и др., от процессора к другим модулям системы, а так же для передачи сигналов запроса прерывания от модуля ввода/вывода к процессору.
Рис. 1. Структура МПС минимальной конфигурации на базе микропроцессора Intel 8086. 3. Разработка функциональной схемы микропроцессорного модуля.
Функциональная схема микропроцессорного модуля представлена на рисунке 2. Рис. 2. Функциональная схема микропроцессорного модуля. Генератор тактовых импульсов выполнен на микросхеме 8284. Генератор имеет в своем составе кварцевый резонатор для обеспечения повышенной стабильности частоты генерируемого сигнала, кнопку сброса обеспечивающую выдачу генератором на вход процессора сигнала reset ,
Шинный формирователь выполнен на восьми разрядной микросхеме 8286. Входы данных этой микросхемы подключены к входам/выходам AD0-AD7 микропроцессора, выходы подключены к шине данных. На вход направления передачи данных поступает сигнал OP/IP с процессора, ко входу выбора микросхемы CS подведен сигнал DE формируемый процессором.
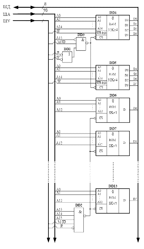
4. Разработка функциональной схемы модуля памяти. Модуль памяти включает в себя оперативное запоминающее устройство выполненное на двух микросхемах (DD4, DD5) с организацией 32Кx4, постоянное запоминающее устройство в виде восьми микросхем (DD6÷DD13) с организацией 8Кx1 и дешифратор старших разрядов адреса выполненный на микросхемах DD1÷DD3, обеспечивающий обращение к ОЗУ в диапазоне адресов 0000h÷7FFFh, и к ПЗУ в диапазоне адресов E000h÷FFFFh. Эти адреса были вычислены из расчета: Для ОЗУ: Начальный адрес + объем памяти (байт) – 1 Для ПЗУ: Конечный адрес – объем памяти (байт) + 1 Для данного варианта начальный адрес ОЗУ равен 0000h, объем памяти 256 Кбит = 32 Кбайт, следовательно: 0000h + 8000h (32 Кбайт) – 1 = 7FFFh Конечный адрес ПЗУ равен FFFFh, объем ПЗУ 64 Кбит = 8 Кбайт, следовательно: FFFFh – 2000h (8 Кбайт) + 1 = E000h Ниже, на рисунке 3 представлена функциональная схема модуля ввода/вывода и таблица распределения адресного пространства.
Рис. 3. Функциональная схема модуля ввода/вывода, таблица распределения адресного пространства.
Учитывая что сигналом выбора микросхем для DD4, DD5 является логический "0", из таблицы видно что память ОЗУ будет выбрана только тогда, когда: · старший разряд адреса (А15) равен "0", что обеспечивает доступ к адресам в диапазоне 0000h¸7FFFh; · ·
Учитывая что сигналом выбора микросхем для DD6¸DD13 является логический "0", из таблицы видно что память ПЗУ будет выбрана только тогда, когда: · старшие разряды адреса А13, А14, А15 равны "1", что обеспечивает доступ к адресам в диапазоне E000h¸FFFFh; · · Адресные входы микросхем памяти ОЗУ DD4 и DD5, подключены к младшим 14-ти разрядам шины адреса, что позволяет адресовать 16384 ячеек памяти. Выходы данных этих микросхем подключены к шине данных таким образом что выходы микросхемы DD4 подключены к младшим четырем разрядам шины данных, а выходы микросхемы DD5 к старшим четырем. В итоге, поскольку к шине адреса эти микросхемы подключены одинаково, мы имеем адресацию к восьмиразрядным ячейкам памяти. Адресные входы микросхем памяти ПЗУ DD6¸DD13, подключены к младшим 12-ти разрядам шины адреса, что позволяет адресовать 4096 ячеек памяти. Выходы данных этих микросхем подключены к шине данных таким образом что каждая микросхема подключена к одному из разрядов шины данных. В итоге, поскольку мы имеем восемь микросхем ПЗУ, и к шине адреса эти микросхемы подключены одинаково, мы имеем адресацию к восьмиразрядным ячейкам памяти. 5. Разработка функциональной схемы модуля ввода/вывода. Модуль ввода/вывода содержит в себе два порта – параллельный порт ввода, выполненный на микросхеме 8255, и последовательный порт вывода, выполненный на микросхеме 8251. Так же в состав модуля ввода/вывода входят комбинационные логические схемы выполняющие роль дешифраторов адреса портов, и логическая схема, фиксирующая изменение состояния информационных входов порта ввода, для формирования сигнала запроса прерывания. Функциональная схема модуля ввода/вывода представлена на рисунке 4.
Рис. 4. Функциональная схема модуля ввода/вывода. Дешифратор адреса порта ввода в виде КЛС выполненной на микросхемах DD2 и DD3, обеспечивает формирование логического “0”, являющегося сигналом выбора микросхемы порта ввода (DD5). Ниже приведена таблица истинности для данной КЛС:
Таким образом, выбор микросхемы DD5 обеспечивается выполнением следующих условий: · · все разряды шины адреса начиная с А3 и по А15 равны “0”; · значения разрядов А1 и А2 не равны между собой. Из этого следует, что обращение к микросхеме порта ввода возможно в диапазоне адресов 02h÷05h, что соответствует условию задания. Необходимость выделения пору ввода не одного, а четырех адресов, обусловлена тем что микросхема 8255 имеет в своем составе три порта ввода/вывода, адресация к которым производится посредством адресных входов А0, А1 микросхемы, еще один адрес отводится под регистр управляющего слова микросхемы. Таким образом комбинационная логическая схема выполненная на микросхемах DD1, DD2, DD3, обеспечивает как бы “смещение” адреса 00h, являющегося базовым адресом микросхемы 8255, на адрес 02h являющийся базовым адресом порта ввода системы. Таблица преобразования адресов, комбинационной логической схемой выполненной на микросхемах DD1, DD2, DD3, представлена ниже:
Дешифратор адреса, выполненный на микросхеме DD4, обеспечивает доступ к порту вывода в диапазоне адресов 052h÷053h. Ниже представлена таблица истинности для данного дешифратора:
Как видно из таблицы, для обеспечения состояния логического “0” на выходе дешифратора (выбор микросхемы DD6), необходимо выполнение следующих условий: · на шине адреса (А0÷А15) должен присутствовать адрес 052h или 053h; ·
6. Список использованной литературы. · «Микропроцессоры и микропроцессорные системы.» · «Полупроводниковая схемотехника.» У. Титце, К. Шенк. http://www.dmitriks.narod.ru/books/books.html#TITSH · http://www.tranceaddict.com · http://www.elcom.pub.ro/discipline/amp2/82c51a.pdf · http://www.deetc.isel.ipl.pt/microprocessadores/recursos/x86/Manuais/Perifericos/82C84.PDF · http://www.aldec.com/IP_Services/available_cores.htm |
|||||||||||||||||||||||||||||||||||||||||||||||||||||||||||||||||||||||||||||||||||||||||||||||||||||||||||||||||||||||||||||||||||||||||||||||||||||||||||||||||||||||||||||||||||||||||||||||||||||||||||||||||||||||||||||||||||||||||||||||||||||||||||||||||||||||

Микропроцессорный модуль является по сути основным узлом микропроцессорной системы. В его состав входит сам микропроцессор, тактовый генератор, буферные регистры, шинный формирователь, дешифратор адреса контроллера прерываний и контроллер прерываний.

