Реферат: Расчет силового трансформатора
|
Название: Расчет силового трансформатора Раздел: Рефераты по радиоэлектронике Тип: реферат | ||||||||||||||||||||||||||||||||||||
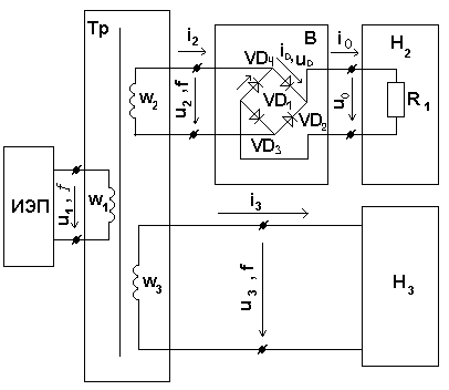
| МИНИСТЕРСТВО ОБЩЕГО И ПРОФЕЕССИОНАЛЬНОГО ОБРАЗОВАНИЯ РОССИЙСКОЙ ФЕДЕРАЦИИ МОСКОВСКИЙ ГОСУДАРСТВЕННЫЙ ИНСТИТУТ РАДИОТЕХНИКИ ЭЛЕКТРОНИКИ И АВТОМАТИКИ (ТЕХНИЧЕСКИЙ УНИВЕРСИТЕТ) Курсовой проект по предмету: “Электротехника”. Тема: “Расчет силового трансформатора ” Студент: Чубаков А.С. Группа: ВАИ-6-00 Преподаватель: Плотников С.Б. МОСКВА 2002 ВВЕДЕНИЕ. Трансформатор – устройство, предназначенное для изменения величины переменного напряжения, - является практически обязательным структурным элементом источника вторичного электропитания. При наличии первичного источника, вырабатывающего переменное напряжение, трансформатор достаточно часто включается в источник вторичного электропитания в качестве входного элемента. В этом случае трансформатор называется силовым, и его функциональное назначение заключается в преобразовании входной системы переменного напряжения (однофазной или трехфазной) в одну или несколько других систем переменных напряжений, используемых для питания соответствующих потребителей постоянного и переменного тока. В системах питания электронной аппаратуры применяют силовые трансформаторы малой мощности ( не более 4 кВ-А для однофазных и 5 кВ-А для трехфазных систем переменного тока). Они в большинстве случаев работают при низких напряжениях на обмотках (до 1кВ), синусоидальной или близкой к синусоидальной форме преобразуемого напряжения и частоте, равной 50 Гц (частота промышленной сети). Электронная аппаратура, как правило, требует наличия постоянного напряжения питания одного или нескольких уровней. Поэтому в источниках вторичного электропитания силовой трансформатор работает совместно с одним или несколькими выпрямителями – устройствами, преобразующими системы переменных напряжений в постоянные по полярности и пульсирующие по величине (выпрямленные) напряжения. Выпрямители могут быть регулируемыми и нерегулируемыми. Первые реализуются на базе управляемых полупроводниковых вентилей – тиристоров, вторые – на базе неуправляемых вентилей – диодов. Нерегулируемые выпрямители не обеспечивают стабилизацию выходных напряжений. При колебаниях напряжения источника электропитания, а также при изменении тока в любой из нагрузок, получающих питание от силового трансформатора, величина напряжения, снимаемого с нерегулируемого выпрямителя, изменяется. Вместе с тем, нерегулируемы выпрямители широко применяются в системах питания электронной аппаратуры в случаях, когда отсутствуют жесткие требования со стороны соответствующих потребителей постоянного тока, или, если такие требования есть, когда предусмотрено включение стабилизаторов постоянного напряжения в цепи питания потребителей. В данной курсовой работе представлен расчет однофазного низковольтного силового трансформатора малой мощности как структурного элемента источника вторичного электропитания, работающего в длительном режиме. Трансформатор имеет ряд обмоток. Первичная обмотка с числом витков w1 подключена к источнику электропитания, вырабатывающему переменное синусоидальное напряжение U1 и частотой 400 Гц. С двух групп вторичных обмоток с числами витков w2 и w3 снимаются переменные напряжения соответственно U2 и U3 той же частоты. Вторичная обмотка с числом витков w2 через соответствующий нерегулируемый выпрямитель В и выпрямленное напряжение U0 , снабжает электроэнергией нагрузку H3 , имеющую чисто активный характер, требующую питание постоянным током. Однофазная вторичная обмотка с числом витков w3 подключена непосредственно к нагрузке H3 , получающей питание переменным током, частота которого совпадает с частотой источника. На рис. схемы протекают следующие токи: i1 – переменный ток, потребляемый первичной обмоткой трансформатора; i2 - переменный ток в фазе вторичной обмотки с числом витков w2 ; i0 – постоянный по направлению и пульсирующий по величине (выпрямленный) ток, питающий нагрузку H3 ; i3 – переменный ток, протекающий во вторичной обмотке с числом витков w3 и нагрузке H3 . Возможное наличие реактивных элементов в цепи нагрузки H3 учитывается коэффициентом мощности cosφ3 , равным отношению активной составляющей мощности к полной мощности, потребляемой нагрузкой. Начальные данные:
1. РАСЧЕТ ВЫПРЯМИТЕЛЕЙ И ЭЛЕКТРОМАГНИТНЫЙ РАСЧЕТ ТРАНСОРМАТОРА. 01. По соотношению величин напряжений и токов в трансформаторе и выпрямителе рассчитаем среднее значение прямого тока через диод IDn р, cp и наибольшее мгновенное значение обратного напряжения на диоде UDo бр, u , n : IDn р ,cp =0,5I0 =2,08 A UDo бр ,u,n =1,57U0 =18,84 U 02. Для выпрямителя B выбирается диод типа КД202А (In р, cp max =3 A, Uo бр, u , n max =50 B) Для выпрямителя определяем среднее значение прямого напряжения на диоде UDn р, cp = 0,9 B 03. Среднее значение прямых напряжений на выпрямителе B равно UBcp =2* UDn р, cp ; UBcp ==2*0,9=1,8 B 04. Действующее значение номинального напряжения на фазе обмотки трансформатора, работающего на выпрямителе B: U2 =1,11(U0 +UB ср ); U2 =1,11(12+1,8)=15,3 B и номинальный ток в нем: I2 =1,11I0 ; I2 =1,11*4,16=4,6 A 05. Коэффициент трансформации, характеризующий взаимно-индуктивную связь между первичной обмоткой и фазой вторичной обмотки, на выпрямителе B: k1/2 =U1 / U2 ; k1/2 =24/15,3=1,57 06. Действующее значение номинального тока в первичной обмотке, обусловленное передачей мощности от источника электропитания в цепи нагрузки вторичной обмотки, на выпрямителе B: I1/2 =1,11I0 /k1/2 ; I1/2 =1,11*4,16/1,57=2,94 A 07. Действующее значение номинального тока в первичной обмотке трансформатора: I1 = I1/2 +( U3 * I3 )/ U1 ; I1 =2,94+(36*0,277)/24=3,35 A 08. Расчетная мощность трансформатора ST =0,5(U1 I1 +m2 U2 I2 + U3 I3 ); ST =0,5(24*3,35 +15,3 *4,6 +36*0,277)=80,4 B*A 09. Выбирается броневой ленточный магнитопровод из стали марки 3422, ΔC =0,1 mm 10. Выбираем ориентировочные величины электромагнитных нагрузок: амплитуды магнитной индукции в магнитопроводе трансформатора Bm =1,34 Тл и действующее значение плотности тока в обмотке j=4,4 A/mm2 11. Определяем значение коэффициента заполнения магнитопровода сталью kc =0,88 12. Выбирается ориентировочное значение коэффициента заполнения окна магнитопровода медью k0 =0,249 13. Конструктивный параметр, представляющий собой произведение площади поперечного сечения магнитопровода SC и площади окна под обмотки S0 SC S0 =( ST 100)/(2,22*ƒ*Bm *j*kc *k0 ); SC S0 =( 80,4 *100)/(2,22*400*1,36 *4,6*0,88*0,249)= 6,6 см4 14. Выбираем типоразмер магнитопровода – ШЛ12х16 (SC S0 =6,9см4 ); a=12 mm; b=16 mm; c=12 mm; h=30 mm; SC =1,92 см2 ; S0 =3,6см2 ; lM =10,4 см; mc =135 г; 15. Выбираем ориентировочные значения падения напряжения на первичной обмотке, выраженного в процентах от номинального значения U1 , Δ U1% =3,5% и падений напряжения во вторичных обмотках, в % от соответствующих номинальных значении U2 и U3 равные друг другу Δ U2,3% =4,4% 16. Число витков
17. Число витков на выпрямителе B:
Число витков на вторичной обмотке подключенной непосредственно к нагрузке H3 :
18. Площади поперечных сечений обмоточных проводов без изоляции для всех обмоток трансформатора рассчитываются по формулам: q1пр = I1 /j; q1пр =3,35/4,6=0,7283 мм2 q2пр = I2 /j; q2пр =4,6 /4,6= 1 мм2 q3 пр = I3 /j; q3 пр =0,277/4,6=0,0602 мм2 19. Выбирается марка обмоточных проводов ПЭВТЛ-1 (tTmax до 1200 ) 20. Габариты провода: d 1пр =0,96 мм; q1пр =0,7238 мм2 ;d1из = 1,02 мм; d 2пр =1,16 мм; q2пр =1,057 мм2 ;d2из = 1,24 мм; d 3пр =0,27 мм; q3пр =0,05726 мм2 ;d3из = 0,31 мм; 21. Действующие значения плотности тока во всех обмотках трансформатора: j1 =I1 / q1 пр ; j1 =3,35/0,7238=4,63 A/мм2 ; j2 =I2 / q1 пр ; j1 =4,6 /1,057 =4,35 A/мм2 ; j3 =I3 / q1пр ; j1 =0,277/0,05726 =4,84 A/мм2 ; 22. Удельные потери мощности в магнитопроводе трансформатора PСуд = PСуд H (Bm /ВmH )2 ; PСуд =15,4 Вт/кг 23. Pc =PСуд *mc *10-3 ; Pc =15,4*135*10-3 =2,08 Вт 24. Потери мощности в обмотках PM
=ρ(0,9* j1
2
* PM =0,0175(0,9* 4,63 2 *57* 0,7238+1,1(4,35 2 *0,135*36*1,057+ 4,84 2 * 85*0,0602))* 10,4 (1+0,00411(120-20))*10-2 =2,66 Вт 25. Суммарные потери мощности в трансформаторе PT =PC +PM ; PT =2,08+2,66=4,74 Вт 26. КПД трансформатора
27.
2. ТЕПЛОВОЙ РАСЧЕТ ТРАНСФОРМАТОРА. 01. Превышение температуры трансформатора над темпер. окружающей среды: ∆tT =PT RT , где RT тепловое сопротивление трансформатора. ∆tT =4,74*9,40=44,56 град/Вт 02. Установившаяся температура нагрева трансформатора: tT =t0 +∆tT ; tT =30+44,56=74,56 0 C Установившаяся температура нагрева трансформатора не превышает максимально допустимого значения tTmax =1200 C 3. КОНСТРУКТИВНЫЙ РАСЧЕТ ТРАНСФОРМАТОРА. 01. Выбирается бескаркасная намотка обмоток трансформатора (на гильзу.)
02. Ширина внутреннего прямоугольного отверстия изолирующей гильзы: αr =α+2δp , где δp величина радиального зазора между гильзой и несущим катушку стержнем магнитопровода. αr =12+2*1=14 мм 03. Толщина гильзы в радиальном направлении выбирается ∆r =1 мм 05. Габаритная высота гильзы Hr =h-2δ0 , где δ0 =0,5 мм величина осевого зазора между щечкой каркаса или торцевой поверхностью гильзы и ярмом магнитопровода. Hr =30-1=29 мм 06. Составляется план размещения обмоток в окне магнитопровода.
07. В качестве электроизоляционного материала применяем пропиточную бумагу ИЭП-63Б, βмо =0,11 мм 08. Чисто слоев изоляционного материала: nK вн = U1 /(mk *175), для броневого трансформатора число стержней магнитопровода mk =1 nK вн = 24/(1*175)=1 09. Толщина внутренней изоляции катушки ∆K вн = nK вн *βmo ; ∆K вн = 1*0,11=0,11 мм 10. Высота слоя первичной обмотки h1 =Hr -2∆h1 , где ∆h1 =1,5 – толщина концевой изоляции первичной обмотки. h1 =29-2*1,5=26 мм 11. Число витков в одном слое первичной обмотки w1сл =ky *h1 /d1из , где ky =0,9 – усредненное значение коэффициента укладки w1сл =0,9*26/1,02=22 12. Число слоев первичной обмотки в катушке n1сл = w1 /(mk *w1сл ); n1сл =57/(1*22)=3 13. Определяем максимальное действующие значение между соседними слоями первичной обмоткой: U1mc =2*U1 *w1 сл /w1 ; U1 mc =2*24*22/57=18,5 B 14. В качестве материала для выполнения межслоевой изоляции в первичной обмотке выбирается кабельная бумага марки К-120; β1мс =0,12 мм; U1мс max =71 B 15. Число слоев межслоевой изоляции между соседними слоями первичной обмотки: n1мс =U1мс / U1мс max ; n1мс =18,5 / 71=1 16. Толщина межслоевой изоляции между соседними слоями первичной обмотки: ∆1мс = n1мс *β1мс ; ∆1мс =1*0,12 =0,12 мм 17. Толщина первичной обмотки в катушке с учетом межслоевой изоляции: a1 =kp [n1сл * d1из +( n1сл -1) ∆1мс ], где kp =1,15 – усредненное значение разбухания; a1 =1,15 [3* 1,02+( 3-1) *0,12]= 3,79 мм 18. Напряжение, определяющее толщину межобмоточной изоляции между данной обмоткой и предыдущей: U2мо =max(U1 /mk ;m21 *U21 /mk )=24 В; 19. Число слоев межобмоточной изоляции, поверх которой наматывается данная обмотка: n2мо =2, т.е. межобмоточная изоляция выполняется в два слоя 20. Толщина межобмоточной изоляции, поверх которой наматывается данная обмотка: ∆2 мо =n2 мо *β мо ; ∆2 мо =2*0,11=0,22 мм 21. Высота слоя обмотки, работающей на выпрямителе B: h2 =h1 -2∆h2,3 , где ∆h2,3 =0,25 мм - приращение толщины концевой изоляции каждой из вторичной обмоток по отношению к концевой изоляции предыдущей обмотки: h2 =26-2*0,25=25,5 мм 22. Для вторичной обмотки, работающей на выпрямитель, число витков одом слое обмотки: w2сл =ky *h2 /d2из ; w2сл =0,9*25,5/1,24=18 23. Число слоев вторичных обмоток, работающих на выпрямитель, в катушке: n2сл =m2 *w2 /(mk *w2сл ); n2сл =1*36/(1*18)=2 24. Максимальное действующее напряжение между соседними слоями: U2 мс =m2 *U2 /mk ; U2 мс =1*15,3/1=15,3 В 25. Для вторичной обмотки, работающей на выпрямитель, выбираем электроизоляционный материал: кабельная бумага марки К-120; β2мс =0,12 мм; U2мс max =71B 26. Для вторичной обмотки, работающей на выпрямитель, число слоев межслоевой изоляции между соседними слоями обмотки: n2мс =U2м /U2мс max ; n2мс =15,3/71=1 27. Для вторичной обмотки, работающей на выпрямитель, толщина межслоевой изоляции соседними слоями обмотки: ∆2 мс =n2 мс *β2 мс ; ∆2 мс =1*0,12=0,12 мм 28. Толщина каждой из вторичной обмотки, работающей на выпрямитель, в катушке с учетом межслоевой изоляции: a2 =kp (n2 сл *d2 из +( n2 сл -1) ∆2 мс ) a2 =1,15(2*1,24 +(2-1) 0,12)= 2,99 мм 29. Для вторичной обмотки, подключенной непосредственно к нагрузке H3 , находится напряжение, определяющее толщину межобмоточной изоляции между данной обмоткой и предыдущей: U3 мо 1 =max(m2z *U2z /mk ;U3 /mk ); U3мо1 =36 В 30. Для вторичной обмотки, работающей непосредственно на нагрузку, определяем число слоев межобмоточной изоляции, поверх которой наматывается данная обмотка: n3мо =2 31. Для вторичной обмотки, работающей на нагрузку, толщина межобмоточной изоляции, поверх которой наматывается данная обмотка: ∆3мо =n3мол *βмо ; ∆3мо =2*0,11=0,22 мм 32. Для каждой вторичной обмотки, работающей на нагрузку, определяется высота слоя обмотки: h3 =h1 -2(Z+ξ)∆h2,3 h3 =26-2(1+1)0,25=25 мм 33. Для каждой вторичной обмотки, работающей на нагрузку, число витков в одном слое обмотки: w3 сл =ky *h3 /d3 из ; w3сл =0,9*25/0,31=72 34. Число слоев вторичной, работающей на нагрузку, в катушке n3сл = w3 /(mk *w3сл ); n3сл = 85/(1*72)=2 35. Для каждой из вторичной обмотки, работающей на нагрузку, определяется максимальное действующее напряжение между соседними слоями: U3мс =U3 /mk ; U3мс= 36/1=36 В 36. Для вторичной обмотки, работающей на нагрузку, выбираем электроизоляционный материал: телефонная бумага КТ-50, его толщина β3мс =0,05 мм; U3мс max =57 B 37. Для вторичной обмотки, работающей на выпрямитель, число слоев межслоевой изоляции между соседними слоями обмотки: n3мс =U3мс /U3мс max ; n3мс =36/57=1 38. Для вторичной обмотки, работающей на нагрузку, толщина межобмоточной изоляции, поверх которой наматывается данная обмотка: ∆3мс =n3мс *β3мс ; ∆3мс =1*0,05=0,05 мм 39. Толщина каждой из вторичной обмотки, работающей на выпрямитель, в катушке с учетом межслоевой изоляции: a3 =kp (n3сл *d3из +( n3сл -1) ∆3мс ) a3 =1,15(2*0,31+(2-1) 0,05)= 0,77 мм 40. Число слоев изоляционного материала наружной изоляции катушки: nK нар =2 41. Толщина наружной изоляции катушки: ∆K ар = nK нар *βмо ; ∆K ар = 2*0,11=0,22 мм 42. Толщина катушки в радиальном направлении с учетом изоляции на гильзе, межобмоточной изоляций и наружной изоляции катушки: ak =∆K вн +a1 +∆2 мо +a2 +∆3 мо +a3 +∆K нар ak= 0,11+3,79+0,22+2,99+0,22+0,77+0,22=8,32 мм 43. Ширина свободного промежутка в окне магнитопровода: зазор между наружной боковой поверхностью катушки и боковым стержнем магнитопровода: δ=c-( δp +∆r +ak ); δ=12-(1+1+8,32)= 1,68 мм Вывод: обмотка трансформатора нормально укладываются в окне магнитопровода, следовательно расчет трансформатора можно считать завершенным.
5. ЛИТЕРАТУРА : 1. Курс лекций по электротехники Плотникова С.Б. 2. Петропольская Н.В., Ковалев С.Н., Цыпкин В.Н., Однофазные силовые трансформаторы в системах электропитания электронной аппаратуры. МИРЭА, Москва 1996 г. 3. Бессонов Л.А. Теоретические основы электротехники. М., Высшая школа, 1978 г. |
||||||||||||||||||||||||||||||||||||

;
=
57
;
=
36
;
=
85
;
=92,8%
=81,4%
