Реферат: Синтез логической функции и анализ комбинационных схем
|
Название: Синтез логической функции и анализ комбинационных схем Раздел: Рефераты по радиоэлектронике Тип: реферат | ||||||||||||||||||||||||
| МІНІСТЕРСТВО ОСВІТИ І НАУКИ УКРАїНИ СУМСЬКИЙ ТЕХНІКУМ ХАРЧОВОї ПРОМИСЛОВОСТІ П О Я С Н Ю В А Л Ь Н А З А П И С К АДО КУРСОВОї РОБОТИ НА ТЕМУ: « Синтез логічної функції та аналіз комбінаційних схем » по курсу “Прикладна теорія цифрових автоматів” Керівник роботи: Оксана ВалеріївнаКущенко Роботу виконав студент групи е-03: Андрій Сергійович .Зігуля 2000 РОЗГЛЯНУТО НА ЗАСІДАННІ ЦИКЛОВОї КОМІСІї ЕЛЕКТРОННО-ОБЧИСЛЮВАЛЬНОї ТЕХНІКИ “ ” 2000р. ПРОТОКОЛ № . голова комісії О.І.Перелука Сумський технікум харчової промисловості Спеціальності 5.091504 “Обслуговування комп`ютерних та інтелектуальних систем і мереж” Курс Група Семестр . З А В Д А Н Н Я НА КУРСОВУ РОБОТУ
Дата видачі: 2000р. Дата закінчення: 2000р. Студент: . Консультант: . Викладач-керівник: . Зміст
Вступ Значення імпульсної техніки в радіоелектроніці Імпульсні режими роботи відіграють велику роль в радіоелектроніці. Імпульсний метод роботи дає можливість знайти принципіальне і поруч з цим просте рішення такої важливої задачі, як вимірювання відстанейй за допомогою радіоволн, що викликало розвиток імпульсної радіолокації. Цей же принцип використовується в радіонавігації (в імпульсних системах управління літаками, а також визначення виссоти їхнього польоту). Імульсні методи роботи дають змогу зробити кодирований зв`язок, який відрізняється високою скритністю і захищеністю від завад, а також багатоканальний зв`язок на одній волні. Широко використовуються імпульсні режими у телебаченні, де сигнали зображення і синхронізації являються імпульсними, радіотелеуправлінні повітряними апаратами, в космічній радіоелектронній і електронній апаратурі, в інформаційно-вимірювальній техніці і при різних областях науки і техніки. Важливу виконуючу роль відіграють імпульсні методи роботи у сучасних ЕОМ і різних цифрових автоматах, при автоматичній обробці інформації. В широко розвинених каскадах таких автоматів виконуються різні функціональні перетворення імпульсних сигналів, передаючих інформацію і виконуються потрібні логічні операції над імпульсами за допомогою спеціальних логічних схем і пристроїв селекції імпульсів. Таким шляхом виконується виділення імпульсних сигналів , несучих інформацію, аналіз і впізнавання потрібного змісту інформації і форматування сигналів для регістрації обработаної інформації або для управління роботою пристроїв, реалізуючих прийняту інформацію. Розвиток автоматичних методів обробки інформації тісно пов`язаний з розвитком швидкодіючих ЕОМ і цифрових автоматів на основі широкого використання напівпровідникових пристроїв і високо надійних мікро-електронних схем, також працюючих в імпульсному режимі. 1. Переведення чисел в різні системи счислення Існують два способи перекладу чисел з однієї позиційної системи числення з основою h в іншу з основою h*. Вони відрізняються один від одного системою числення, в якій виробляються дії над числами в процесі перекладу. Розглянемо перший спосіб перекладу з використанням арифметики початкової системи числення. Для цього способу порядок перекладу цілих чисел відрізняється від перекладу дробів. Для того щоб перевести ціле число Х з системи з основою h в нову систему з основою h*, необхідно послідовно ділити задане число і що виходять в процесі розподілу приватні на основу нової системи h*, виражену в колишній (початкової) системі, доти, поки останнє приватне не виявиться менше нової основи h*. Результат перекладу запишеться у вигляді послідовності цифр, записаних зліва направо починаючи з останнього приватного і кінчаючи першим залишком (тобто число молодшого розряду є перший залишок і т. д.). Всі арифметичні дії в процесі розподілу числа виготовляються в початковій h-системі. Задані 5ть десяткових цифр перевести в коди: 1.1
4(10) =100(2)
6(10) =110(2)
0 8(10) =1000(2)
1 12(10) =1100(2)
1 15(10) =1111(2) 1.2 вісімковий: 1.2.1 4(10) =4(8) 1.2.2 6(10) =6(8) 1.2.3 8(10) =10(8) 1.2.4 12(10) =14(8) 1.2.5 15(10) =17(8) 1.3 шістнадцятковий: 1.3.1 4(10) =4(16) 1.3.2 6(10) =6(16) 1.3.3 8(10) =8(16) 1.3.4 12(10) =С(16) 1.3.5 15(10) =F(16) 2.Виконання арифметичних дій в різних позиційних системах 2.1 До першого числа додати четверте: Додавання у різних системах счисленя відбувається по аналогії з додаванням у десятковому коді, але за один десяток в різних системах числення вважається різне число, наприклад у восмирічній 10(10) =8(8) і т.д. 2.1.1 0100(2) +1100(2) =100000(2) 1 0100
10000 2.1.2 4(8) +8(8) =16(8) 4 + 8 16 2.1.2 4(16) +С(16) =10(16) 4 + С 10 2.2 помножити друге число на третє: Множення, у різних системах счисленя, також відбувається по аналогії з множенням у десятковому коді, але за один десяток в різних системах числення вважається різне число. 2.2.1 0100(2) ´1100(2) =0110000(2) 0100
0000 + 1000 + 1000 + 0000 0110000 2.2.2 14(8) ´6(8) =92(8) 3 14
110 2.2.3 С(16) ´6(16) =48(16) 3 12
+ 64 4 8 2.3 відняти двійковий код 2го числа від 5 у прямому зворотньому та додатковому коді: 2.3.1 віднімання в прямому коді: 1111 0110 1001 3 2 1 0 Перевірка -> 15(10) -6(10) =9(10) 1001(2) =23 +30 =8+1=9(10) 2.3.2 віднімання у зворотньому коді: 0 1111
1
2.3.3 віднімання у додатковому коді: 1111 0110 1001 0110 – прямий код 1001 – зворотній код 1010 – додатковому коді 3.Побудова таблиці становищ та аналітичного виразу логічної функції 2.4 Скласти таблицю станів з двох кодів:
3. За складеною таблицею і заданою функцією у: 3.1 Знаййти аналітичний вираз логічної функції за допомогою СДНФ: _ _ _ _ _ f=x1 x2 x3 x4 Ú x1 x2 x3 x4 Ú x1 x2 x3 x4 3.2 Знаййти аналітичний вираз логічної функції за допомогою СКНФ: _ _ _ f=(x1 Úx2 Úx3 Úx4 )(x1 Úx2 Úx3 Úx4 ) 3.3 Мінімізувати отримані логічні функції використовуючи карти Карно та закони булевої алгебри: _ _ _ _ _ СДНФ: f=x1 x3 x4 (x2 Úx2 )Úx1 x2 x3 x4 =x1 x3 x4 Úx1 x2 x3 x4 СКНФ: f=x1 Úx1 x2 Úx1 x3 Úx1 x4 Úx2 x1 Úx2 Úx2 x3 Úx2 x4 Úx3 x1 Úx3 x2 Úx3 x4 Úx4 x1 Úx4 x2 Úx4 x3 Úx4 Карта Карно:
Мал.1
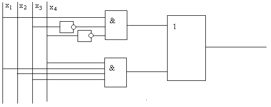
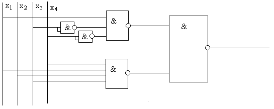
Мал.2 3.5 Записати отримане рівняння: _ _ y=x1 x3 x4 Úx1 x2 x3 x4 4.Мінімізація логічних функцій в різних базисах Мінімізація – називається пошук коротких форм представлення, перемикаючих функцій для скорочення числа фізичних елементів призначених для реалізації цих функцій. Мінімізація досягається за допомогою законів булевої алгебри. Існує декілька законів: 1. Аналітичний. 2. Графічний. 3.6 Синтезувати мінімізовану функцію в базисах И-НЕ, И-ИЛИ-НЕ, ИЛИ-НЕ. И-ИЛИ-НЕ
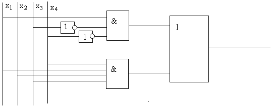
Мал.3 Базис И-ИЛИ-НЕ И-НЕ
Мал.4 Базис И-НЕ
y=x1 x3 x4 Úx1 x2 x3 x4 ИЛИ-НЕ
y=x1 x3 x4 Úx1 x2 x3 x4
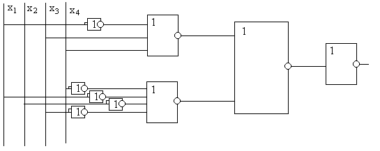
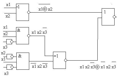
Мал.5 Базис ИЛИ-НЕ 5.Аналіз заданої схеми 4. Проаналізувати задану схему: 4.1 намалювати задану схему:
Мал 6. Задана схема. 4.2 скласти аналітичний вираз функції заданої схеми: _ _ _
Висновок При виконанні цієї курсової роботи я закріпив той матеріал, який ми проходили по курсу “Прикладна теорія цифрової автоматизації”. Також зрозумів практичне примінення синтезу логічних функцій та аналізу комбінаційних схем. Література: 1. Я.С.Ицхоки, Н.И.Овчинников “Импульсные и цифровые устройства” Москва “Советское радио” 1973. 2. Б.А.Трахтенброт “Алгоритмы и вычислительные автоматы” Москва “Советское радио” 1974 3. О.В.Кущенко “Конспект лекцій з предмету: “Прикладна теорія цифрових автоматів”” Суми СТХП 2000 |





