Реферат: Система факсимильной связи (Система факсимільного звязку)
|
Название: Система факсимильной связи (Система факсимільного звязку) Раздел: Рефераты по радиоэлектронике Тип: реферат | ||||||||||||
Дорогой товарисч (-ка)! Перед тобой моя бакалаврская работа “Система факсимильной связи.” Сдавалась она летом 2003 года в Киевском Политехническом институте на факультете электроники (ФЕЛ), специальность — электронные приборы и устройства. На защите я получил оценку Отлично. Хотя, честно говоря, работа слабовата и тянет, ИМХО, на 3+ или 4-. Некоторые данные типа пропускной способности и др, мягко говоря не совсем точны, а твердо говоря взяты с потолка. Однако расчетная часть сделана действительно “на совесть”. Этому есть вполне логическое объяснение — делал их не я . Цель большинства бакалаврских работ из моей группы не совсем ясна. Выражаясь попроще, я не встречал работ, в которых описывался бы реальный прибор, который можно было бы пустить в производство, т.е. актуальностью и новизной, которая так сильно мусолится в «Требованиях к бакалаврским работам» здесь и не пахнет. Моя работа, к сожалению, не стала исключением. Здесь нет спецификации, списка сокращений, печатная плата, если ЭТО можно назвать печатной платой сделана паршиво. Правда, от меня никто и не требовал, чтобы я сделал нормально. Как говорят “аби було”. Короче говоря, к моей бакалаврской работе здесь есть все материалы (кроме рамок, ессно) в следующем составе:
Для особо ленивых можно, в принципе, так и сдавать. Хотя, желательно было бы кое-чего и подправить\добавить. Рамки вставлять мне было влом, поэтому сделай это сам, или распечатывай уже на готовых рамках. Безгранично счастливые люди, которые все-таки смогут напарить все это нашим славным преподам могут отблагодарить меня пивом. Тех, кого будет мучить совесть, что не ответили добром на добро (мне ессно) могут одним махом успокоить её, воспользовавшись предыдущим советом. Писать можно сюда stalker@online.com.ua. Спросить меня. На сей прекрасной ноте будем прощаться (если ты еще до сих пор читаешь). Удачи при сдаче ! (быть мне поэтом ) З.Ы. Тому, кому это будет полезным. Экзаменационная комиссия была в таком составе:
Секретарь: Недашковская Л.М. Для особо непонятливых: Сдавать лучше другой комисии, благо, у нас всегда есть возможность выбора…….. З.Ы.Ы. В случае необходимости, работу можно перевести на русский Рутой (RUTA, компании Пролинг). Кто не успел купить на пиратском диске, то скачайте с и-нета. У них на сайте лежит полнофункциональная 10-дневная трайал версия. Анотація Тема бакалаврської роботи — “Система факсимільного зв’язку”. В даній роботі проведено аналіз стану галузі факсимільного зв’язку, розглянуто принципи роботи та основні параметри і характеристики факсимільних апаратів, їх переваги та недоліки, вибрано робочий варіант схеми і виконано розрахунок. Cпроектовано один із блоків факсимільного апарату — фотоелектричний перетворювач Вихідні дані для розрахунку визначено згідно з призначення ФЕП. Результати проектування відображені у розрахунковій і графічній частині бакалаврської роботи. По результатах роботи зроблено висновки. An annotationThe theme of the bachelor’s work is “Systems of facsimile communication”. In this work the analysis of a condition of area of facsimile communication is carried out, the principles of work, basic parameters and characteristics of fax machines, their advantage and lacks are discussed. It was choosen a working variant of the circuit and necessary calculation were made. There was designed one of the blocks of a fax machine - photo-electric converter (PEC). The necessary data for calcualation are determined according to assignment of PEC. The results of design are displayed in a computative and graphical part of bachelor’s work. According to the results of work there were made conclusions. Відгук На бакалаврську атестаційну роботу студента гр.ДЕ-91 факультету електроніки НТУУ "Київський Політехнічний Інститут" Дзьоми Миколи Олександровича тема: "Система факсимільного зв’язку". В даній роботі проведено огляд стану справ в галузі факсимільного зв’язку. Розглянуто принцип роботи, основні параметри і характеристики факсимільних апаратів, їх переваги та недоліки. На основі опрацьованого матеріалу та розрахунків зроблено необхідні висновки. Атестаційна робота виконана на доброму інженерному рівні та демонструє вміння студента Дзьоми М. О. працювати з літературою, самостійно вирішувати поставлені перед ним технічні питання. Вважаю, що бакалаврська робота студента Дзьоми М.О. заслуговує на оцінку відмінно, а автор — присвоєння звання бакалавра електроніки. Науковий керівник: проф. Денбновецький С.В. Зміст 1. Принцип дії факсимільних систем зв'язку 4 1.1 Поелементна передача зображень 5 1.2 Передача обмеженого числа напівтонових градацій 7 2. Склад факсимільних систем зв'язку (блок-схема) 10 2.2 Фотоелектричні перетворювачі 16 2.4 Синхронізація і фазування 18 3. Складання технічного завдання. 20 3.1. Вибір фотоелектричного датчика і схеми його живлення. Проектування першого каскаду. 23 3.2. Проектування підсилювального каскаду ФЕП 30 3.3. Проектування вихідного каскаду (емітерний повторювач) 34 3.4. Проектування джерела живлення для електронної апаратури факсимільного зв’язку 36 3.5. Розробка друкованої плати 38 4. Дискретизація і кодування сигналу зображення. Манчестерський код. 44 4.2 Ефективне кодування зображень 47 5. Стандарти факсимільного зв'язку 54 Вступ Сьогодні важко знайти організацію, що не використовувала б у своїй роботі факсимільний зв'язок. Телефакс є найпопулярнішим засобом для оперативного обміну інформацією, представленої у виді документів. Перша і головна його перевага — можливість передачі документа в будь-яке місце земної кулі за одну хвилину. Ніяка поштова служба не може забезпечити такої оперативності. Друге — набагато менші витрати на пересилання, у порівнянні з вартістю послуг кур'єра чи тієї ж пошти. Третє — простота. Установивши з'єднання, можна відправити документ натисканням однієї клавіші. Якщо ж говорити про якість, то сучасні стандарти факсимільного зв'язку забезпечують, при використанні якісних телефонних ліній, передачу зображення, цілком порівнянного з оригіналом. Часто факсимільні документи мають юридичну силу. Факсимільний зв'язок здійснюється за допомогою пари факс-апаратів, через телефонну мережу або Цифрову Мережу з Інтеграцією Служб (ISDN). Її задачею є передача документів з паперових аркушів відправників на паперові аркуші одержувачів. В умовах, коли існують сотні видів факсимільних апаратів, пропонованих різними постачальниками, Міжнародний Союз Електрозв'язку (МСЕ) затвердив стандарти, що визначають чотири групи служб факсимільного зв'язку. Служба групи 1 передбачає аналогову передачу даних без стискання. Сторінка А4 передається приблизно за 10 хвилин. Служба групи 2 передбачає деякі можливості стискання даних перед передачею, що скорочує її час до 3 хвилин. Служба групи 3 здійснює передачу дискретних сигналів і використовує складний алгоритм стискання. Завдяки цьому здійснюється надійна передача повідомлень з високою швидкістю. Сторінка передається менше ніж за 1 хвилину.
Служба
групи 4
призначена
для передачі
даних у мережі
ЦМІС (ISDN). Стандарт
цієї групи
підрозділяється
на три класи,
що дозволяє
отримати роздільну
здатність від
80 до 160 біт на сантиметр.
Для усунення цих недоліків створені комп'ютерні факсимільні системи, що включаються в мережу за допомогою факсимільних плат. Ці системи, з'єднуючись один з одним, здатні передавати точні копії документів без використання паперу. Поширилася також технологія, відома, як "факс за вимогою" (FOD). Тут абонентська система приймає замовлення на документи, що містяться в її базі даних (БД). Для цього користувач прослухує запропонований йому список документів, робить вибір і повідомляє адресу, за якою треба здійснити доставку. Запити на документи посилаються за допомогою телефонного апарату. Абонент відповідає на запитання системи, натискаючи на кнопки апарата. Комп'ютер відшукує в базі потрібне і передає на факс-апарат замовника. Факсимільний зв'язок є одним з найдешевших і зручних засобів передачі даних. Разом з цим, при наявності інших засобів передачі відбувається їхня взаємна інтеграція. Виділяють чотири основні напрямки цієї інтеграції:
Послідовність роботи факсимільної системи наступна: оптичне сканування, посилення, кодування сигналів, модуляція, передача сигналів, демодуляція, декодування і виготовлення копій. У даній роботі розглядається принцип роботи факсимільних апаратів різних типів і загальний стан справ у цій галузі, які склалися за останній час. Незважаючи на повсюдну комп'ютеризацію і стрімкий розвиток мережі Інтернет і систем електронної пошти, факсимільні апарати все таки залишаються потрібними й актуальними. За прогнозами фахівців вони ще довгий час будуть успішно витримувати конкуренцію з іншими системами для здійснення документообігу. У цій роботі обґрунтовано вибір і описана розробка фото електричного перетворювача, що складається з фото датчика і транзисторного підсилювача з емітерним повторювачем. Фотоелектричний перетворювач є важливою частиною факсимільної системи. Саме цей вузол впливає на смугу пропускання і швидкість роботи факсимільного апарату. Даний фото електричний перетворювач має обмеження на верхнє значення смуги пропускання — 100кГц, що є граничною межею для ФЕП на фототранзисторах і діодах. Роздільна здатність при передачі сторінки формату А4 (210х297 мм) складає не менш 4 ліній/мм. Підтримуються швидкості розгортки, що знаходяться в межах від 240 до 2400 рядків/хв., що при належному пристрої розгортки і відповідному каналу зв'язку може забезпечити пропускну здатність до 50 кбіт/сек. Загалом, дана робота є гарною ілюстрацією для ознайомлення зі структурою і принципом роботи факсимільних систем. З неї можна довідатися про проблеми і перспективи розвитку систем факсимільного зв'язку. Наведений розрахунок фото електричного перетворювача з обґрунтованим вибором його параметрів і характеристик є прикладом практичного застосування отриманих навичок і знань. 1. Принцип дії факсимільних систем зв'язку В цілому, факсимільний зв'язок — це вид електрозв'язку, що забезпечує передачу і відтворення нерухомих зображень. Засобами факсимільного зв'язку однаково зручно передавати текст, надрукований чи написаний на будь-якій мові, чорно-білі і кольорові фотографії і креслення. У перших факсимільних апаратах для запису зображень використовувалися методи, що застосовувалися у фотосправі. У зв'язку з цим такий вид зв'язку називався фототелеграфним зв'язком. В даний час застосовуються й інші способи запису зображень на папері. Тому в загальному випадку передачу нерухомих зображень відповідно до рекомендацій Міжнародного консультативного комітету з телеграфії і телефонії (МККТТ) називають факсимільним зв'язком. Системи факсимільного зв'язку, що забезпечують передачу і відтворення чорно-білих зображень з максимально можливою точністю відновлення всіх градацій півтонів оригіналу, називаються фотофаксимільними системами 1.1 Поелементна передача зображень Домовимося зображення, призначене для передачі по факсу, називати оригіналом, а переданий документ — репродукцією. Призначенням факсимільної системи є одержання на прийомі задовільної по якості репродукції з переданого оригіналу. З'ясуємо, що слід розуміти під «задовільною якістю» зображення і у якому співвідношенні повинні знаходитися оригінал і репродукція для одержання найкращої відповідності між ними. На перший погляд здається, що фототелеграфна система має бути створена таким чином, щоб на прийомному бланку яскравість всіх крапок репродукції була рівна відповідним ступеням яскравості відповідних крапок переданого "оригіналу". Однак здійснити таку передачу внаслідок цілого ряду спотворень в апаратурі і каналі зв'язку практично неможливо, а крім того, в абсолютній відповідності оригіналу і репродукції немає необхідності. Будь-який оригінал містить у собі набагато більше даних, ніж сприймає нормальне око спостерігача. Це є наслідком особливостей людського ока, що не розрізняє дуже дрібні деталі і не відрізняє досить малі розходження яскравостей сусідніх полів на зображенні.
Рис. 1.1. Розділення площі зображення на кінцеву кількість елементарних ділянокТому завданням фототелеграфної системи не є створення рівних яскравостей між відповідними крапками і полями оригіналу і репродукції. Навпаки, фототелеграфна система має створити враження подібності оригіналу та репродукції. З огляду на те що людське око не сприймає дуже дрібних деталей, у фототелеграфії передача крапок зображення заміняється послідовною передачею яскравостей кінцевих ділянок (рис. 1), на які оригінал розчленовується в процесі передачі. Якщо розміри ділянок лежать поблизу межі, яка зумовлена здатністю ока розрізняти дрібні деталі, то всі елементи зображення, розміри яких менше зазначеної межі, оком не розрізняються, у той час як деталі, котрі дорінюють або мають більший розмір ніж гранична величина ділянки , на репродукції будуть сприйматися подібно тому, як вони сприймаються на оригіналі. Оскільки основні контури зображення являють собою сукупність елементарних площадок кінцевих розмірів, то наведені міркування відносяться також до випадку передачі контурів і границь зображення. Таким чином, для задовільного відтворення дрібних деталей, контурів і границь полів нерухомого зображення, необхідно здійснити передачу кінцевого числа елементарних ділянок. Очевидно, що за для передачі усіх тонкостей оригіналу, елементарну діляноку слід брати як можна меншого розміру. Разом з тим потрібно пам'ятати, що зменшення розміру ділянки не повинне перевищувати вимог до заданої точності відтворення і меж, обумовлених здатністю ока розрізняти дрібні деталі. Інакше час передачі великої кількості дуже малих ділянок може значно збільшитися.
Рис. 1.2. Розділення плавного чорно-білого переходу на кінцеве число напівтонових градацій 1.2 Передача обмеженого числа напівтонових градацій Якість відтвореної під час прийому репродукції визначається, крім передачі деталей і контурів, також якістю відтворення півтонів, тобто кількістю і правильністю відтворення перехідних градацій від самого чорного до самого білого тону. При висвітленні різних предметів перехід від світла до тіні звичайно є плавним. Здавалося б, що для відтворення такого переходу необхідно передати нескінченна безліч проміжних градацій. Однак, як і в розглянутому вище випадку, з огляду на те, що людське око не відрізняє досить малі розходження ясравостей сусідніх полів на зображенні, можна обмежитися передачею невеликого числа градацій Так наприклад, плавний перехід, представлений на рис. 2, може бути переданий декількома градаціями яскравостей, розходження між який майже не розрізняється оком. Отже, кількість рівнів сигналу, що визначають кількість напівтонових градацій, є кінцевим. У найпростішому випадку напівтонові оригінали відтворюються при прийомі у вигляді чорно-білих репродукцій, без проміжних градацій. Такі системи забезпечують задовільну якість відтворення текстових матеріалів, креслень, графіків, таблиць і інших близьких до них оригіналів. У тих випадках, коли необхідно здійснити передачу фотографій, малюнків, географічних і топографічних карт та ін., кількість необхідних градацій істотно збільшується. Якщо розходження в яскравостях сусідніх ділянок на зображенні лежить поблизу межі, обумовленої здатністю ока розрізняти розходження в яскравостях сусідніх полів, то напівтонова картина на репродукції буде подібною до напівтонової картини на оригіналі. Зі сказаного випливає, що для задовільного відтворення півтонів необхідно здійснити передачу кінцевого числа напівтонових градацій. Стремління до більш точної передачі напівтонової картини зображення приводить до необхідності збільшувати число переданих градацій. Число градацій повинне бути таким, щоб забезпечувалося виконання заданих вимог до точності відтворення півтонів, але у всякому разі не перевищувалися межі, обумовлені розпізнавальною чутливістю ока. Отже, особливості людського зору дозволяють здійснити передачу зображення шляхом передачі кінцевого числа елементарних ділянок і кінцевого числа напівтонових градацій. Якщо розміри переданих ділянок і розходження між послідовно переданими рівнями яскравостей не перевищують деяких граничних для ока значень, то зорове враження від репродукції буде подібне зоровому враженню від оригіналу і в цьому разі можна вважати, що репродукція має задовільну якість. Для передачі зображення на відстань електричними засобами необхідно:
Зазначені процеси послідовного перетворення яскравостей ділянок оригіналу в електричні сигнали і зворотне перетворення тимчасової послідовності електричних сигналів у яскравості відповідних ділянок репродукції є сутністю фототелеграфного методу передачі зображень. На підставі викладеного сформулюємо принципи передачі зображень електричними засобами: 1. Дискретизація первинного зображення — представлення зображення сукупністю елементарних ділянок, розмір яких визначається граничною просторовою частотою. У межах елементарних ділянок приймаються до уваги середні величини або яскравості коефіцієнта відображення в заданій (дискретній) ділянці спектра оптичного випромінювання. На передачу інформації про стан кожного елемента і всього зображення виділяється обмежений (дискретний) час, протягом якого зображення вважається нерухомим (статичним). Зображення об'єктів, що рухаються, відтворюються шляхом швидкої зміни статичних зображень, що відповідають окремим фазам переданого сюжету. 2. Послідовне в часі перетворення кольору, чи яскравості коефіцієнта відображення в електричні сигнали (факсимільний аналіз зображення). У результаті аналізу двовимірна функція розподілу яскравості (коефіцієнта відображення) у площині первинного зображення перетвориться в електричний сигнал — одномірну функцію часу. Це здійснюється при спільному використанні фотоелектричного перетворення і розгортки. 3. Передача сигналів зображення на відстань з використанням каналу зв'язку, що включає в себе кабельні, радіорелейні і супутникові системи. 4. Послідовне в часі перетворення електричних сигналів в колір чи яскравість елементів зображення (факсимільний синтез). У результаті синтезу електричний сигнал перетвориться в двовимірну функцію розподілу чи яскравості коефіцієнта відображення в площині вторинного зображення. 5. Забезпечення синхронізму і синфазності — рівності частот і відповідності фаз процесів розгортки при аналізі і синтезі зображень. 6. Всебічне використання особливостей зору людини як при виборі основних параметрів і способів технічної реалізації при передачі чорно-білих, кольорових і стереоскопічних зображень, так і при встановленні норм на припустимі лінійні і нелінійні спотворення сигналу, на величину відношення сигнал-шум та ін. 2. Склад факсимільних систем зв'язку (блок-схема) На наведеній нижче схемі показана структура факсимільних систем зв'язку:
Параметри системи:
Система факсимільного зв'язку складається з передавача, приймача і каналу зв'язку. Передавальний факсимільний апарат (чи передавач приймально-передавального факсимільного апарату) містить аналізуючу систему, що служить для перетворення зображення оригіналу у відеосигнал і електричну систему, що містить підсилювач і електронний вузол перетворення відеосигналу у форму, зручну для передачі по каналу зв'язку (модулятор). Аналізуюча система включає в себе світлооптичний пристрій, який формує вузький світловий пучок, що утворює на поверхні оригіналу «крапкову» світлову пляму; пристрій розгортки, що направляє світловий пучок по черзі (у заданій послідовності) на всі елементарні ділянки, у результаті чого від поверхні відбивається світловий потік, модульований по інтенсивності відповідно до відбивної здатності ділянок; фотоелектричнийперетворювач, який перетворює відбитий світловий потік у пропорційний йому електричний струм (відеосигнал). Після посилення відеосигнал надходить на модулятор, де здійснюється модуляція коливань. В основному користаються двома методами модуляції: амплітудної (АМ) і частотної (ЧМ). Амплітудна модуляція може бути двох видів: негативна (максимальний рівень коливань відповідає білому полю зображення)) і позитивна (максимальний рівень коливань з несучою частотою відповідає чорному полю переданого зображення). Негативна амплітудна модуляція забезпечує кращу передачу півтонів. Однак у нашій країні в основному застосовується АМП, при якій білому полю оригіналу відповідає мінімальна напруга несучої в каналі. Оскільки велика частина площі бланка являє собою біле поле, АМП дозволяє значно зменшити енергетичне завантаження каналу зв'язку, і тим самим зменшити перехідні перешкоди в багатоканальній системі передачі. Частотну модуляцію розрізняють також на позитивну частотну (більш висока частота відповідає білому полю) чи негативну частотну (більш висока частота відповідає чорному полю). 2.1 Аналізуючі пристрої Аналіз зображень .при факсимільній передачі поєднує дві взаємозалежні операції — розгортку оригіналу і електрооптичне перетворення яскравості елементів зображення в електричні сигнали. Відповідно до цього аналізуючий пристрій складається з: 1) пристрою розгортки, що забезпечує визначену послідовність переміщення растрового елемента; 2) фотоелектричного перетворювача, що перетворює усереднені яскравості елементарних ділянок в імпульси електричних сигналів; 3) світлооптичної системи, яка виділяє на оригіналі елемент зображення. 2.2 Пристрої розгортки Пристрої розгортки утворюють рядок розгортки за рахунок переміщення розгортувального елемента. Розгортувальним елементом, називають світлову пляму, вістря контактуючих електродів, за допомогою якого здійснюється виділення елементарної площадки на зображенні. Розгортувальний елемент формується за допомогою світлооптичних систем. Для електрооптичного аналізу непрозорих оригіналів використовуються світлооптичні системи двох типів, що відрізняються тим, що елемент поверхні виділяється або безпосередньо на переданому зображенні, або на його оптичному зображенні. Недоліком системи першого типу є те, що через розсіювання світла в товщі паперового листа, елемент розкладання на поверхні паперу не має різко окресленої границі й оточений ореолом, що знижує роздільну здатність системи; тому перевагу віддають системі другого типу. Рядком розгортки називається вузька смуга, що утворюється елементом, розгортки - світловою плямою при аналізі, а також при синтезі зображення в апаратах із закритим способом запису чи пишучим елементом в апаратах з відкритим способом запису. Розгортувальні пристрої бувають: механічними, електронними й електронно-механічними. Пристрої механічної розгортки бувають двох типів: з циліндричним розташуванням бланка оригіналу — їх називають барабанними, і з плоским розташуванням бланка (площинні). Барабанні розгортки можуть мати різну конструкцію: а) барабан обертається, а розгортувальний елемент робить поступальний рух паралельно осі барабана (рис. 2.1а);
Рис. 2.1. Барабанна розгортка: а) з рухливим елементом розгортки; б) з нерухомим елементом розгортки б) барабан обертається й одночасно робить рух щодо нерухомого елемента розгортки (рис. 2.16) Якщо бланк оригіналу розміщується на внутрішній стороні барабана циліндричної форми, то розгортку називають дуговою. Вона також буває також двох типів: а) розгортувальний елемент обертається, роблячи поступальний рух щодо документу, закріпленого на внутрішній стороні циліндра; б) розгортувальний елемент робить обертальний рух, а камера переміщається уздовж своєї осі. Площинні розгортки також можуть бути трьох типів: електронні, механічні і комбіновані. В даний час з механічними пристроями починають конкурувати швидкодіючі електронно-механічні.
Рис. 2.2. Електронно-механічна розгорткаПри електронно-механічному способі, розгортка по рядку є електронною, а в напрямку кадру — механічна. У розгортках електронного типу в якості джерела світла використовується електронно-променева трубка з люмінесцуючим екраном (кінескоп), телевізійна передавальна трубка (відикон, ребікон, кремнікон та ін.), або прилади з зарядовим зв'язком (ПЗЗ). При електронно-механічній розгортці рух елемента розгортки, по рядках здійснюється відхиленнями електронного променя на екрані електронно-променевої трубки (рис. 2.2), а рух у перпендикулярному напрямку — механічними переміщеннями переданого зображення. У барабанних і площинних системах розрізняють правий і лівий напрямок розгортки. Під правим напрямком розгортки розуміють рух елемента розгортки по правогвинтовій лінії для барабанних систем. Для площинних систем розгортки це відповідає руху елемента розгортки зправа наліво і зверху вниз. Відповідно під лівим напрямком розгортки приймається рух елемента розгортки по ліво гвинтовій лінії для барабанних систем і зліва направо та зверху вниз — для площинних систем (рис. 2.3). МККТТ рекомендує для апаратів, що працюють на міжнародних і магістральних зв'язках, правий напрямок розгортки. Крок розгортки, чи крок подачі, є механічним параметром апарата і визначає відстань, на яку переміщається елемент розгортки від одного рядка до іншого. У факсимільних апаратах, що застосовуються в мережі Міністерства зв'язку, основним є крок розгортки, що дорівнює 0,2 мм. Чіткість — це кількість рядків на 1 мм. Визначається величиною, що зворотня кроку розгортки.
Рис. 2.3. Напрямок розгортки у факсимільних апаратах з барабанним і площинним розгорткими Широко поширені механічні розгортки, у яких переміщення сфокусованого променя світла в площині переданого зображення здійснюється за допомогою дзеркал і дзеркальних осцилографів або спеціальних обертальних призм. Застосування лазерної техніки виявляється особливо ефективним у площинних розгортках механічного типу. Лазерні джерела світла дозволили істотно розширити межу підвищення швидкості і роздільної здатності факсимільних систем, що дозволяє в свою чергу збільшити відношення сигнал/шум у передавальній факсимільній апаратурі. Слід зазначити, що відхиляти когерентний промінь можна й акустооптичними методами. Успіхи в розробці методів стискання спектра факсимільного сигналу викликали необхідність удосконалювання розгорток. Недоліком багатьох з описаних вище класичних розгорток є сталість швидкості руху елемента розгортки по поверхні сканованого документа. При цьому різна інформативність різних рядків розгортки обумовлює нерівномірність швидкості надходження інформації в канал, у результаті чого знижується середнє значення коефіцієнта стискання спектра факсимільного сигналу. В даний час робляться спроби привести у відповідність швидкість передачі інформації зі швидкістю розгортки з метою вирівнювання в часі завантаження каналу зв'язку. 2.2 Фотоелектричні перетворювачі В апаратурі першого покоління як фотоперетворювач використовувалися фотоелектронні помножувачі (ФЕП). В апаратурі другого покоління починають застосовувати твердотільні датчики, що складаються з кремнієвого фотодіода і підсилювача. Переваги такого фотоперетворювача в порівнянні з ФЕП полягають у тому, що кремнієві фотодіоди чутливі до більш широкого діапазону довжин хвиль (від 400 до 1100 мкм), спектральна характеристика їх більш рівномірна і, отже, квантова ефективність у цій області ( щоскладає приблизно 75%) істотно перевищує квантову ефективність ФЕП (рис. 4). Крім того, перевагами твердотільних датчиків є спрощення джерел живлення (10—15 замість 1000 В), знижена чутливість до ударних навантажень. Ефективність використання малошумного фотодіода визначається правильністю вибору підсилювача і схемою з'єднання цих елементів. Сигнальний струм фотодіода зв'язаний лінійною залежністю з потужністю світлового потоку:
де i — струм фотодіода; Ф — інтенсивність світла у ватах; E — чутливість фотодіода в амперах на світловий потік у ватах.
Рис. 2.4. Квантова ефективність різних фотоперетворювачів. 2.3 Світлооптична система Світлооптична система передавального апарата призначена для утворення елемента визначеної форми розгортки і розміру. Як джерело світла у світлооптичних системах передавальних апаратів застосовуються лампи розжарювання (освітлювачі) із зосередженою ниткою. Освітлювачі відрізняються спеціальною формою і розташуванням нитки і більш високою якістю скла балонів. Освітлювачі факсимільних апаратів живляться, як правило, напругою несучої частоти або від окремого високочастотного генератора для запобігання появи фону за рахунок коливань яскравості освітлювача при живленні його нижчим перемінним струмом промислової частоти. Для живлення освітлювача, в окремих випадках застосовується постійним струмом. До стабілізації напруги, що живить освітлювач, пред'являються дуже високі вимоги, тому що між яскравістю освітлювача і напругою, що живить його, існує квадратична залежність. Глибина різкості оптичної системи є параметром, що визначає збереження заданої чіткості при зміні товщини переданого оригіналу в передавальних апаратах чи носія запису в прийомних апаратах з барабанним розгортками. В апаратах із площинною розгорткою поверхня переданого зображення, незалежно від товщини оригіналу, завжди знаходиться на однаковій відстані від оптичної системи за рахунок притискання протяжного валика. В оптичних системах, як правило, застосовуються порсвітлені лінзи. Просвітління здійснюється шляхом створення на поверхнях тонкої прозорої плівки з показником заломлення, відмінним від показника заломлення скла, з якого зроблені лінзи об'єктивів. Прозора плівка зменшує втрати світла на поверхнях рподілу і тим самим зменшує розсіювання променів всередині об'єкта. Фокусна відстань об'єктивів, що застосовуються у фототелеграфних апаратах, складає величину від декількох міліметрів (мікрооб'єктиви) до декількох десятків міліметрів (короткофокусні об'єктиви). 2.4 Синхронізація і фазування Для забезпечення погодженості створення розгортки в передавальних і прийомних апаратах застосовуються спеціальні системи синхронізації і фазування. Існує кілька способів синхронізації:
При автономній синхронізації кожен апарат містить самостійне джерело високостабільної частоти, що живить привід апарату (синхронний двигун). В якості такого джерела частоти застосовується біметалічний камертон. Практично, врахуванням всіх дестабілізуючих факторів, досягається стабільність частоти порядку 5·10-6 . При мережевій синхронізації передбачається живлення синхронних двигунів від мережі перемінного струму єдиної енергосистеми. В цьому випадку допустимі відхилення частоти мережі від номінальної будуть однаково позначатися на швидкості обертання передавального і прийомного апаратів, тому що число оборотів двигуна n міняється залежно від частоти мережі. Однак при мережевій синхронізації можливі миттєві відхилення (поштовхи) швидкості в моменти різких змін характеру і величини навантаження мережі. У зв'язку з тим, що такі поштовхи відбуваються відносно рідко, коливання не завдають помітного впливу на якість прийнятих документів. У випадку примусової синхронізації, приводи передавального і прийомного апаратів живляться від одного загального джерела синхрочастоти чи від самостійних генераторів, що працюють у режимі затягування частоти одного генератора частотою іншого. У першому випадку в канал зв'язку посилається частота генератора синхрочастоти (як правило з передавальної станції), що на прийомної станції підсилюється і живить синхронний двигун. В другому випадку частота генератора прийомної станції затягується синхрочастотою, що приходить з іншої станції. Однією з умов спільної роботи факсимільних апаратів є фазування (синфазне переміщення) елементів розгортки, що досягається фазуючими пристроями. Фазуючі пристрою забезпечують сполучення початкових моментів розгортки перед передачею і прийомом зображення. У факсимільній апаратурі застосовуються автоматичний, напівавтоматичний і ручний способи фазування. 3. Складання технічного завдання. ФЕП, що буде спроектовано призначений для роботи в факсимільному апараті для передачі чорно-білих зображень на папері формату А4. Це будуть в основному графіки та текст. Тривалість часу, протягом якого на фотодатчик потрапляють відбиті від світлих ділянок промені набагато перевищує тривалість часу, протягом якого на фотодатчик потрапляє світло від чорних штрихів. Вхідним сигналом для ФЕП служить модульований потік світла, джерелом якого є стабілізована лампа розжарювання. Оцінимо мінімальну тривалість імпульсу факсимільного сигналу. Роздільна здатність при передачі сторінки А4 (210х297 мм) повинна становити не менше 4 ліній/мм. Це означає необхідність передачі сигналу від штриха шириною Ѕ * ј = 1/8 мм ~ 0,1 мм. Швидкість розгортки апарату становить 480 рядків/хвилину, при кроці розгортки 0,2 мм/рядок. На прочитання одного рядка припадає 60/480 = 1/8 = 0,125 сек. При довжині рядка 210 мм і ширині штриха, від якого треба отримати надійний факсимільний імпульс, мінімальна тривалість такого імпульсу становить:
Для того щоб спектр імпульсу відповідав смузі пропускання, необхідно, щоб фронти відеоімпульсу складали не більше половини його тривалості.
З цієї оцінки випливає вимога щодо частотної смуги ФЕП. Вона слідує із теореми Котельникова: Функція часу з обмеженим спектром повністю визначається своїми значеннями (відліками), взятими через інтервал часу
де
Прийнявши за Δt допустиму тривалість фронту відеоімпульсу, отримаємо верхнє значення граничної смуги підсилювача:
Отриманий частотний спектр факс-сигналу від Fmin= 0 Гц до Fmax = 17 кГц дозволяє застосовувати в якості фотодатчика кремнієві або германієві фотодіоди чи фототранзистори в будь-якому з режимів: фотогальванічному, чи фотодіодному. Питання про фото чутливість діода не є критичним при роботі в факсимільному апараті, оскільки там є достатньо потужне джерело освітлення. Оскільки гранична частота модуляції світлового потоку, яка ще сприймається звичайними фотодіодами становить близько 100 кГц, то часові параметри фотодіода також не мають в ФЕП факсимільних апаратів суттєвого значення:
Ділянки білого паперу з текстом у вигляді темних штрихів мають фотометричне альбедо (А):
де Фпад — потік падаючого на папір пучка променів.
Відповідно потік відбитого світла буде змінюватися від 0,1Фпад до 0,5Фпад Максимальна глибина модуляції світлового потоку на вході фотодатчика
Для факсимільних апаратів даного класу не має потреби передавати на папері градації сірого кольору. Тобто вихідний сигнал матиме тільки дві градації "чорне" і "біле". Таким чином підсилювач може працювати в режимах відсічки та насичення.
Н Рис. 1. Характер фотоелектричних сигналів факсимільного апарату. Ми маємо справу із підсиленням імпульсних сигналів, тривалість, частота повторення і амплітуда яких змінюється за статистичними (випадковими) законами. Підсилений сигнал із ФЕП поступає в пристрій обробки і перетворення сигналу:
Всі інші параметри, включаючи принципову електричну схему із номіналами елементів треба розрахувати. 3.1. Вибір фотоелектричного датчика і схеми його живлення. Проектування першого каскаду.
Згідно
з [1], потрібно
вибрати фотодіод
або фототранзистор,
які мають
Фототранзистори відрізняються від фотодіода додатковим підсиленням фотоструму на емітерному p-n переході. Фототранзистори можуть працювати як фотодіоди (режим з плаваючою базою) так і в транзисторному режимі з джерелом зміщення в колі бази. Характеристика вибраного транзистора показана на рис.2.
Рис. 2. Вольт-амперна характеристика фототранзистора ФТ-2Г при різних освітленностях. Його найбільша розсіювана потужність Pmax = 50 мВт, Iкmax = 10мА, Uкеmax = 30 В.
На характеристиці,
згідно із довідковими
даними будуємо
робочу зону
фототранзистора.
Після цього
будуємо лінію
навантаження
транзистора,
яка має проходити
через точки
А (UКЕ
= Ек
=12 В; Ік
= 0) і В (UКЕ = 0;
Рівняння
лінії навантаження
Для отримання більшого підсилення по напрузі слід вибрати більше значення опору навантаження Rк, а щоб отримати більше підсилення по силі струму треба навпаки, зменшувати даний опір.
Перед
нами стоїть
завдання отримати
підсилення
по напрузі, яке
потрібне в
пристрої обробки,
тому виберемо
Лінія навантаження зображена на рис. 2 відрізком прямої АВ. Освітленість, яка падає на вхід фоточутливого елемента фототранзистора від білої ділянки паперу легко відрегулювати, наприклад, за допомогою фокусуючої лінзи. На вибраній лінії навантаження білій ділянці зображення виберемо точку Б, яка відповідає освітленості ФБ = 1000 лк. Тоді згідно з міркувань, викладених в п.1 (див. рис. 1), точка Т (сигнал від темної ділянки) має відповідати Фт = 1/8ФБ = 125 лк. Відповідна точка Т нанесена на лінію навантаження (див. рис. 2). З рис. 2 визначимо амплітуду фотоелектричного сигналу за вибраного режиму:
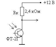
Отже, підібравши відповідним чином освітленість в місці розташування фотодатчика (в нашому випадку це фототранзистор ФТ-2Г) і включивши його по найпростішій схемі з плаваючою базою і спільним емітером, отримано вихідний сигнал, який цілком достатній (за напругою) для нормальної роботи пристрою обробки і перетворення сигналу. Таким чином, залишається забезпечити роботу ФЕП на низькоомному навантаженні та забезпечити двох градаційний вихідний сигнал при варіаціях освітленості, відбитих від ділянок з мало контрастним альбедо. Друга проблема вирішується застосуванням в схемі обробки і перетворення сигналу обмежувача амплітуд, який виконують, як правило на діодах. В схемі обмежувача має бути регулювання рівня обмеження. Ця частина схеми має значно більший активний опір, ніж опір Rк, через який протікає знайдений струм (Ік)мах = 2 мА. Фактично струм в навантаження (діодний обмежувач амплітуд) може складати не більше 0,8 мА) . Попередньо складена схема вхідного каскаду на фототранзисторі ФГ-2Г має вигляд:
Рис. 3. Схема вхідного каскаду на фототранзисторі ФГ-2ГСхема працює як ключ, що спрацьовує при перевищенні критичного значення освітленості. Зворотній тепловий струм колекторного n-p переходу неосвітленого транзистора ФТ-2Г ІКзвор може досягати 2 мкА. Якщо при роботі ФТ-2Г в режимі з плаваючою базою (схема якого зображена на рис. 3) потенціал бази наблизиться до потенціалу колектора або почне мінятися, то зворотній тепловий струм підсилюється:
Якщо коефіцієнт передачі транзистора складає
то при
Для усунення цього небажаного явища треба застабілізувати положення робочої точки (т. Б на рис. 2), зафіксувавши напругу на базі. Стабілізація транзистора, увімкнутого в схемі з спільним емітером досягається включенням резистора RБ в коло бази (див. рис. 4).
Рис.4. Резистор RБ включено в коло бази. Для визначення необхідного номіналу резистора RБ звернемося до сімейства вхідних характеристик транзистора ФТ-2Г:
Крива 1
відповідає
випадку відсутності
освітлення
Крива 2
—
Крива 3
—
На рис.
5 лінія 4 є графіком
Хорошої стабілізації можна досягнути за умов
Іф
>>ІКБ
звор
та ІКБ
звор·RБ
Тому взявши
Справді,
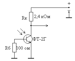
Знайденому значенню RБ відповідає лінія статичного навантаження ОБ, яка нанесена на графік (рис. 5). Отже RБ = 200ом.
При підвищенному
опроміненню
фототранзистора,
його робоча
точка переходить
в точку Б, напруга
на базі підвищується
до
Для вхідного каскаду на фототранзисторі ФТ-2Г, який працює в якості підсилювача, а не ключа, як показано на схемах (рис. 3 і рис.4) бажано обмежувати емітерний струм включивши в коло емітера резистор Re. В цьому, більш прийнятному випадку схема вхідного каскаду набуває виду:
Рис. 6. Схема вхідного каскаду. При цьому до попередніх розрахунків треба внести корективи. Схема на рис. 6 забезпечує відсутність підсилення постійної складової факсимільного сигналу, яка визначається фотоелектричним сигналом від білого паперу оригіналу. Змінюючи за допомогою змінного резистора стабілізований потенціал бази, ми отримаємо можливість регулювати чутливість каскаду на фототранзисторі. Конденсатор С1 є роздільний. Його опір постійному струму нескінченний, а опір змінному сигналу (>100Гц) відносно малий. В схемі, що на рис. 6, робоча точка вже задана (т. Б на рис. 2)
Враховуючи,
що струм колектора
Ік
=Іе
+ ІБ
З рівняння
Uке=Ек
- ІкRк
-ІеRe
Звідки
Взявши
Напруга
на емітері
Потенціал
відносно землі
Отже UБ = 1,2В + 0,25В = 1,45В
Далі за
співвідношенням
Для хорошої
стабілізації
фототранзистора
необхідне
виконання умови
Отже R1
= 7,3R2,
і з попередньої
нерівності
знаходимо
Вибираємо R2 = 500 ом, R1 = 4,0 кОм Вибравши замість постійного резистора R2 = 500 ом, змінний резистор з діапазоном зміни опору від 100 до 1000 ом, отримаємо можливість регулювати положення робочої точки фототранзистора, а відповідно, і його чутливість. Для того, щоб зменшити падіння змінної напруги не резисторі Re, він шунтується конденсатором великої ємності Се = 4,7 мкФ, який “прозорий” для змінної напруги “звукової” частоти, тобто повинна виконуватися умова:
Вже на частоті 10 Гц ця умова виконується:
Для роздільного
конденсатора
С1
повинна виконуватися
умова
Всі номінали розрахованих елементів схеми вхідного каналу ФЕП на фототранзисторі показано на рис.6. Це буде остаточна схема каскаду. 3.2. Проектування підсилювального каскаду ФЕП Як було сказано в п.2, вихідні параметри 1-го каскаду на фототранзистор і цілком задовільні для роботи пристрою обробки сигналу, яким може бути, наприклад, обмежувач амплітуд. Однак, то був випадок оптимально розрахованої оптичної системи ФЕП з оптимально підібраними значеннями освітленостей достатньо контрастної картини. Якщо ця умова не буде виконана, то амплітуда вихідного сигналу буде значно меншою.
Нехай
фототранзистор
ФТ-2Г працює
при освітленостях
менше 100 люкс
(див. рис. 2). В цьому
разі при попередньо
розрахованій
характеристиці
навантаження
(лінії АВ), амплітудні
значення напруги
Необхідний коефіцієнт підсилення по напрузі такого підсилювача має становити Ku = 10 ч 20.
Підсилювач
має підсилювати
імпульси з
мінімальною
тривалістю
10-4
сек (див. п.1). Тобто
підсилювальний
каскад мало
відрізняється
від типових
підсилювачів
низької частоти.
Таким чином,
вже не можна
проводити вибір
транзисторів
по граничній
частоті
З умови Ku = 10 ч 20 ясно, що слід обмежитися одним каскадом, тобто n=1. Виберемо кремнієвий n-p-n транзистор середньої частоти П308 (див. рис. 7).
Його параметри:
Орієнтовно
задамо опір
резистора Rk
в колі колектора
(Rk Виберемо режим спокою транзистора (імпульси не надходять на вхід каскаду). На вхідній та вихідній характеристиках він позначений буквою С. Таким чином:
На рис. 7а нанесено, як приклад, вид вхідного сигналу —імпульс напруги UБЕ. На рис. 7а нанесена також лінійна ділянка лінії навантаження підсилювача. Схема підсилювача матиме такий вигляд:
Рис. 8. Схема підсилювача. Лінійна ділянка лінії навантаження обмежена зверху точкою Д:
За вибраного
режиму при
Якщо
Визначимо опір резисторів, що визначають режим спокою другого каскаду (на Т2). Враховуючи, що Rк = 1кОм, розрахуємо:
Струм
подільника
повинен бути
Тоді
Отже
Коефіцієнт підсилення по напрузі 2-го каскаду (в лінійному режимі):
Якщо взяти
середнє значення
що цілком задовольняє поставлену задачу. Коефіцієнт підсилення по струму 2-го каскаду в лінійному режимі визначимо графоаналітичним способом (див. рис. 7).
Визначимо вхідний опір каскаду:
Номінал
шунтуючого
конденсатора
Номінал
роздільного
конденсатора
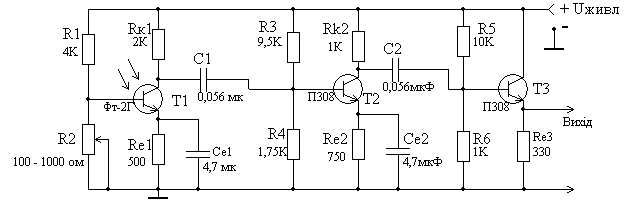
Всі номінали обох каскадів, 1-го прийомного і 2-го підсилювального показано на принциповій електричній схемі:
3.3. Проектування вихідного каскаду (емітерний повторювач) Характер навантаження ФЕП визначається способом обробки і перетворення сигналу до виду зручного для передачі. це може бути діодний обмежувач амплітуди, чи навіть якийсь електромеханічний пристрій. У випадку навантаження ФЕП на низькоомне навантаження з’являється потреба ще в одному каскаді — емітерному повторювачу. Завдяки низькому вихідному опору емітерний повторювач еквівалентний генератору напруги, яка мало змінюється при зміні опору навантаження (звичайно, до тих пір, поки опір навантаження буде набагато більше вихідного опору навантаження). Схема емітерного повторювача:
Рис. 10. Емітерний повторювач. В якості транзистора можна використати транзистор того ж типу, що й у попередньому каскаді (П308). В цьому випадку лінією навантаження виберемо відрізок NM΄ (див. рис. 7б). Границі динамічної ділянки — точки С΄ і Д΄. Аналогічно попередньому випадку знаходимо
Режим спокою катодного повторювача — точка С΄. Для неї маємо:
Коефіцієнт передачі струму емітерним підсилювачем:
Коефіцієнт передачі напруги:
Вихідний
опір
Якщо опір навантаження емітерного повторювача, тобто навантаження ФЕП складатиме Rн = 100 ом, то
Таким чином, остаточна схема ФЕП матиме такий вигляд:
3.4. Проектування джерела живлення для електронної апаратури факсимільного зв’язку До джерела живлення ставляться такі основні вимоги:
Виберемо схему випрямляча. Для заданих параметрів найдоцільніше буде використати 2-х тактну схему 1-фазного живлення (мостова схема Греца), див. рис. 12.
Рис. 21. Схема випрямляча. Сила струму, випрямленого кожним діодом в схемі Греца не перевищує 150 мА. За цим значенням вибираємо тип діодів Д1-Д4 — Д226Д. Для цих діодів допустимий випрямлений струм може досягати 300 мА, а допустима напруга складає 100В (при цьому середнє значення зворотнього струму не перевищує 0,1 мА). Допустима температура оточуючого середовища від –60°С до +80°С.
Для подальших
розрахунків
визначаємо
номінальний
опір навантаження
джерела
Для зменшення
пульсацій
вихідної напруги
необхідно
застосувати
зглажуючий
фільтр. Оскільки
Ємність
конденсатора
для фільтра
треба вибрати
так, щоб
Для 2-х тактної схеми, що на рис. 1, ця умова рівносильна вимозі
при
Обчислюємо
Промисловість випускає електролітичні конденсатори з номіналом 2000 мкФ х 25В. Отже, в якості С1 можна використати 2 запаралелені конденсатори 2000 мкФ, 25В. Для утримання вихідної напруги 12 ± 1 В, за умов коливання напруги змінного струму в мережі 220В, 50 Гц і за умов зміни Rн в схемі джерела слід передбачити стабілізатор. Для U = 12В є стабілітрон типу Д815Д, для якого Uвих ном.=10,8ч13,2В, а діапазон зміни струму при стабілізації від 25мА до 650мА, що повністю перекриває заданий діапазон 50ч300 мА. Схема параметричного стабілізатора на кремнієвому стабілітроні Д815Д показана на рис. 2:
Рис.13. Схема параметричного стабілізатора на кремнієвому стабілітроні. Опір RБ обчислюється за такою формулою:
(На вході стабілітрона напруга на 2,2 В більша ніж на виході.) Таким чином, схема джерела живлення буде мати такий вигляд:
Рис. 14. Принципова схема джерела живлення. Номінальна напруга на вторинній обмотці трансформатора має бути 14,2В + 3В = 17,2В
Отже
коефіцієнт
трансформації
З наведених
розрахунків
випливають
вимоги до силового
трансформатора:
Він має бути
розрахований
на потужність
Запобіжник Пр повинен спрацьовувати при струмах КЗ не більше 0,1А 3.5. Розробка друкованої плати Виготовлення друкованих плат має виконуватися відповідно до технологічного процесу, прийнятому на заводі-виготовлювачу, що забезпечує виконання усіх вимог креслення і технічних умов. До друкованих плат пред'являються наступні вимоги: поверхня друкованих плат не повинна мати здуттів, сторонніх включень, відколів, вибоїв, тріщин і розшарувань матеріалу підстави, що знижують електричний опір і міцність ізоляції. Одиночні вкраплення металу і сліди його видалення на вільних від провідників ділянках, поверхневі відколи і просвітлення діелектрика, ореоли, що виникають у результаті механічної обробки, допускаються, якщо відстань від провідника до зазначеного дефекту складає не менш 0,3 мм. Допускаються також окремі ганджі діелектрика, виявлені після травлення і передбачені технічними умовами на фольговані матеріали. Матеріал основи друкованих плат має бути таким, щоб при механічній обробці (свердління, штампування, розпилювання), не утворювалися тріщини, розщеплення, відшарування та інші несприятливі явища, що впливають на експлуатаційні властивості, а також на електричні параметри плат. Ширина друкованих провідників і відстань між ними установлюються вимогами креслення. Друковані провідники повинні бути з рівними краями. Колір мідного провідника може бути від ясно-рожевого до темно-рожевого. В окремих випадках допускаються нерівності по краях провідників, що не зменшують мінімальної ширини провідників і відстані між ними, передбачені кресленням. Відхилення розмірів контактної площадки від креслення по чи ширині довжині можливо, але при цьому відстань до найближчих чи провідників контактних площадок у будь-якім місці повинне бути не менш мінімальних величин, обговорених у кресленні. Товщина шару міді, осадженої на всіх металізованих ділянках друкованої плати (фотоелектрохімічний метод), має бути в межах 40—100 мкм, а на лініях землі, екранах і провідниках, що лежать по краях плати, вона допускається до150 мкм. Сучасні промислові способи виготовлення друкованих плат засновані на використанні фольгованих діелектриків, тобто на одержанні токопровідного малюнка схеми методом травлення. Всі різновиди способів зводяться до одержання малюнка фото способом або трафаретним друком. Існує 2 основних промислових способа виготовлення друкованих плат: 1. Травлення фольгованого діелектрика без металізації отворів. Застосовується, головним чином, для виготовлення односторонніх друкованих плат. 2. Травлення двостороннього фольгованого діелектрика з електрохімічною металізацією отворів. Застосовується для виготовлення двосторонніх друкованих плат. При виготовленні односторонніх друкованих плат для нанесення малюнка схеми широко використовується метод трафаретного або сітчастого друку і наступне травлення фольги. Виготовлення друкованих плат таким способом одержало в промисловості назву сітково-хімічний метод. Плати, що виготовляються з однобічногофольгованого гетинаксу знаходять найбільше широке застосування в конструкціях побутової радіоелектронної апаратури. При масовому виробництві друкованих плат з однобічного фольгованого діелектрика, застосовується сітково-хімічний спосіб. Як правило, виготовлення плат здійснюється на універсальних механізованих лініях, що складаються з окремих автоматів і напівавтоматів, послідовно виконуючі операції технологічного процесу. Весь процес виготовлення плат складається з наступних основних технологічних операцій: 1. Розкрій матеріалу і виготовлення заготівок плат. 2. Нанесення малюнка схеми кислотостійкою фарбою. 3. Травлення схеми. 4. Видалення захисного шару фарби. 5. Крацовка. 6. Нанесення захисної епоксидної маски. 7. Гаряче лудіння місць пайки. 8. Штампування. 9. Маркування. Різання матеріалу на технологічні заготівки (смуги) здійснюється на дискових ножицях. Зі смуг матеріалу на кривошипному пресі штампуються технологічні заготівки плат. Вони мають технологічний припуск 2—6 мм по контуру. У заготівках одночасно вирубуються технологічні базові отвори, що у більшості випадків у готових друкованих блоках служать кріпильними. Заготівки плат надходять на автомат сіткографічного друку. Сіткографічний верстат-автомат має два завантажувальних бункери. Заготівки по одній штуці забираються двостороннім вакуумним столом, який подає їх під сітку-трафарет. Як тільки заготовка встала в робочу позицію, автоматично здійснюється рух ракеля, що продавлює фарбу крізь сітку-трафарет. Після цього стіл повертається, забираючи плату з-під сітки-трафарету, вакуум знімається і плата з нанесеним малюнком по лотку спадає в сушило. Плати з нанесеним малюнком піддаються травленню, що виконується на спеціальному напівавтоматичному агрегаті. Травлення здійснюється розчином хлорного заліза з щільністю 1,35—1,40. На агрегаті виконуються наступні операції: а) витравлювання фольги в місцях, не захищених фарбою; б) видалення залишків травлячого розчину із плат методом обдуву струменем повітря; в) промивання плат водою; г) сушіння плат струменем гарячого (60—70° С) повітря. Наступна операція — видалення кислотостійкої захисної фарби. Видаляти фарбу можна різними органічними розчинниками: ацетоном, розчинником № 646, уайт-спіритом, дихлоретаном, трихлоретиленом, та ін. Однак усі процеси з перерахованими розчинниками шкідливі для організму людини, пожежо- та вибухонебезпечні. Тому при масовому механізованому чи автоматизованому виробництві не доцільно і небезпечно використовувати органічні розчинники. У промисловості розроблено і застосовується спосіб видалення фарби гідропульпою, за принципом гідропіскоструминної обробки. Спеціальний напівавтоматичний агрегат робить видалення фарби струменем водно-піщаної пульпи, що надходить із сопла спеціальної гідрогармати, під тиском 1,5 атм. У гідропіскоструминній камері видаляється фарба, потім плати послідовно потрапляють у камеру промивання і сушки. Такий спосіб видалення фарби цілком виключає всі неприємності зазначених хімічних способів. Крім цього, одночасно з фарбою з друкованих провідників видаляється окисна плівка. Після видалення фарби плати проходять операцію крацовки з метою видалення всіх забруднень і окислів з поверхні друкованих провідників, а також для надання платі товарного вигляду і підготовки її до нанесення епоксидної маски. Наступна операція технологічного процесу — нанесення термостійкої захисної епоксидної маски. Епоксидна маска забезпечує захист друкованих провідників плати від облудіння і термоудару в процесі групової пайки, захищає провідники від корозії і поліпшує електроізоляційні властивості друкованої плати. Епоксидна маска наноситься методом сіткографії (трафаретного друку), так само як наноситься малюнок схеми. Після нанесення епоксидної маски і полімеризації, плати надходять на автоматичний агрегат гарячого лудіння. На цьому агрегаті плати проходять операції лудіння, промивання і сушіння. Наступною операцією обробки плати є операція розкриття монтажних отворів. Ця операція здійснюється методом штампування на кривошипних пресах, одночасно вирубується 100 і більш отворів. Щоб уникнути сколів й утворення ореолів навколо отворів питомий тиск притискної плати штампа має бути не менш 200 кг/см2. Після вирубання отворів на плати наносяться монтажні позначення методом сіткографії білою фарбою на епоксидній основі. Описана технологія й устаткування для виробництва друкованих плат з однобічного фольгованого гетинаксу широко застосовується вже багато років широко застосовується у промисловості. Таким чином, друковані плати для ФЕП та блоку живлення будуть мати такий вигляд:
Рис. 15а. Друкована плата для ФЕП.
Рис. 15Б. Друкована плата для блоку живлення. 4. Дискретизація і кодування сигналу зображення. Манчестерський код. Для представлення зображення у вигляді набору цифр (кодових комбінацій), необхідно здійснити дискретизацію вихідного (аналогового) сигналу за часом і рівнем. Дискретизація сигналу за часом базується на теоремі Котельникова — Найквіста: безперервну функцію x(t), спектр якої обмежений частотою Fт можна представити послідовністю миттєвих значень х(ti) у моменти дискретизації ti=i/2Fт, зміщені на інтервали, кратні величині Те=0,5/Fт. Однак реальні сигнали мають необмежений спектр, тому практично відновлення сигналу рядом Котельникова відбувається з визначеною похибкою. Для її зменшення крок дискретизації беруть меншим, наприклад, ti = (0,5ч0,25)i/2Fт. У випадку передачі двох градаційних (графічних) зображень задача квантування вирішується просто, оскільки сигнал є дворівневим. Квантування здійснюється найпростішим формуючим пристроєм, наприклад тригером. Таке квантування виробляється для зручності передачі навіть в аналогових системах. Якщо цифровій передачі піддається напівтонове зображення, то задача квантування стає значно складніше. Експериментально були отримані кількості рівнів квантування напівтонових зображень, при яких спостерігачі оцінюють зображення як гарні. Це — 64, 128 і 256 фіксованих рівнів яскравості. При меншому числі градацій через східчасті перепади яскравості виникають помилкові контури. Їх частково можна усунути, додавши до квантованного зображення невеликий флуктуаційний шум. При цьому на кожнім рядку сходинки квантування будуть зміщені і помилковий контур буде розбитий. Око не зможе просумувати перепади яскравості на послідовних рядках, об'єднавши їх у контур. Задачі оптимального квантування і дискретизації цілком ще не вирішені через їхню складність, а також відсутність об'єктивного і зручного критерію оцінки якості відновлених зображень. Шенон ввів поняття кількісної міри невизначенності сигналу — ентропії і пов’язаної з ним зміни невизначенності. Носій інформації — сигнал — має випадкову форму і природу. На основі поняття ентропії введено характеристики сигналів та інформаційних систем. Одна з них — це швидкість створення інформації на виході системи h – біт/сек. Одним із найважливіших завдань є розробка спеціальних коректуючих кодів. Вони дозволяють виявляти і виправляти помилки. Існує 2 фундаментальні теореми: 1. Для каналу, який не вносить перешкоди при передачі сигналу: При передачі сигналу, його можна закодувати таким чином, щоб середнє число елементів коду, який належить на 1 елемент алфавіту, було мінімальним. Цей мінімум визначається ентропією джерела, яка характеризує його стстистичні властивості. Таке кодування називається ефективним статистичним кодуванням. При відсутності шумів потрібно забезпечити без надмірне кодування, передаючи найбільш вірогідні відліки та ділянки інформації найкоротшими кодовими символами. 2. Для каналу із спотвореннями існує спосіб кодування з виправленням помилок за рахунок надмірності, при якій буде передаватися інформація із будь-якою високою достовірнітю. Тобто з малою ймовірністю помилок, незважаючи на шуми в каналі. При цьому швидкість передачі Н на повинна перевищувати пропускну здатність каналу зв’язку. Існує велика кількіть завадостійких кодів. Серед них розглянемо манчестерський код. В цьому коді кожний розряд двійкового початкового коду записується в вигляді 2-х елементів 0→01 1→10 Таким чином в комбінації 0110→ 0110101. Приймальний пристрій в кожному такті, який складається із двох сусідніх елементів кореляційного коду повинен зафіксувати перехід із 0 в 1 або із 1 в 0. Коли прийнято два нулі чи дві одиниці, то зразу фіксується помилка. Кореляційний код надає можливість виявляти помилки будь-якої кратності. Однак він не може виявити двокртатні зеркальні помилки. 4.1 Надмірність зображень Термін «надмірність» носить статистичний характер. Він визначає середню кількість інформації (ентропію), що містить повідомлення. Якби всі можливі повідомлення, що підлягають передачі, були незалежні один від одного і рівноможливі, то вони мали би максимальну кількість інформації. Уявимо собі двохградаційне зображення, що складається з випадково розташованих незалежних один від одного чорних і білих елементів. Приймемо імовірності появи чорного Р1 і білого Р2 елементів рівними: Р1=Р2=0,5. Тоді середня кількість інформації, що міститься в одному елементі
Якби всі рівні
яскравості
квантованого
на N
рівнів напівтонового
зображення
були рівноможливі
і незалежні,
то кожен рівень
яскравості
містив би Н=log2N
біт. При N=128 H=16 біт.
Насправді
реальні зображення
містять набагато
меншу
кількість
інформації,
що пояснюється
наявністю
сильних зв'язків
елементів у
зображенні.
Однак повний
підрахунок
цих зв'язків
являє собою
важко розв'язну
задачу. Тому,
обмежуються
розглядом
зв'язків найближчих
декількох
елементів. Це
дає занижене
значення ентропії.
Так, для двоградаційного
зображення
«середнього»
газетного і
машинописного
тексту була
отримана оцінка
0,06 Оскільки пропускна здатність каналу (біт/с) без обліку перешкод З = H/τ0, де τ0 — тривалість двійкового сигналу, то
Тому пропускна здатність каналу для передачі факсимільного зображення у виді тексту може бути збільшена мінімум у 4 рази. Надмірність зображення
Для розглянутого факсимільного зображення надмірність R= 0,94ч0,77. Для збільшення пропускної здатності каналу необхідно усувати надмірність сигналу зображення. Як видно з попереднього, можна або в 4(16) разів збільшити пропускну здатність (розширивши смугу каналу), або, залишивши ту ж пропускну здатність, у стільки ж раз зменшити смугу частот. 4.2 Ефективне кодування зображень Перш ніж розглянути деякі методи кодування для усунення надмірності, необхідно зазначити, що при вирішенні цієї задачі варто враховувати перешкоди в каналі зв'язку. У реальних зображеннях між елементами є сильні зв'язки, саме тому зображення об'єктів можна виділити на тлі перешкод, оскільки перешкоди такими зв'язками не володіють. Побудова ефективної системи зв'язку повинна задовольняти двом суперечливим вимогам — збільшенню пропускної здатності і збереженню при цьому заданої якості відтворення зображення. Оптимізація системи передачі відразу по двох критеріях являє собою важку і дотепер невирішену задачу. На практиці поступають таким чином: спочатку усувають надмірність джерела повідомлень, а потім для підвищення вірності вносять надмірність штучним шляхом, наприклад застосовуючи завадостійке кодування. Нижче обговорюються деякі способи скорочення надмірності. Для простоти ці способи викладені для двохградаційних зображень, хоча усі вони застосовні і до напівтонових зображень. Теорія інформації вказує на принципові можливості застосування статистичного кодування. Використання статистичних властивостей дозволяє зменшити загальну «довжину» повідомлень і, отже, необхідний час для їхньої передачі. У загальному виді задачу стиску дискретного сигналу методами статистичного кодування вирішують, скорочуючи середнє число елементів у кодових комбінаціях, що представляють вихідний сигнал. Чим більше імовірність появи даних елементів у вихідному повідомленні, тим менше повинна бути довжина відповідної кодової комбінації. Алфавітом повідомлень називається безліч повідомлень, що підлягають передачі. Наприклад, при передачі телеграм алфавіт повідомлень складається з 32 букв, цифр і деяких службових знаків і є кінцевим алфавітом. У випадку передачі сигналів двохградаційного зображення елементами алфавіту служать різні реалізації сигналу, точніше «довжини» відрізків, що представляють білі і чорні полючи в зображенні. Безліч цих довжин — серій білого і чорного — складають алфавіт повідомлень. Задачею ефективного кодування, яке дозволяє щонайкраще використовувати канал зв'язку, є представлення елементів алфавіту кодовими комбінаціями (словами), що складаються з мінімального числа розрядів (коду). У випадку рівномірного кодування, коли всі кодові комбінації однакової довжини, і мінімальна довжина кодової комбінації п, з кінцевим алфавітом повідомлень визначається зі співвідношення тп=N, де т — основа коду; N — число «букв» алфавіту; п — довжина кодової комбінації. Ефективним є такий код, при якому букви, які часто зустрічаються передаються більш короткими комбінаціями. Звідси випливає, що статистичне кодування повинне використовувати нерівномірні коди. У випадку статистичного кодування сигналу двохградаційного зображення задача ускладнюється тим, що алфавіт даного джерела повідомлень дуже великий: «довжини» обмежені форматом переданого зображення і мінімальним розміром одиничного штриха. Оскільки всередині цього інтервалу довжина серій може змінюватися випадково, то має сенс говорити тільки про середні характеристики цієї довжини. Теоретично показано, що у випадку ефективного кодування мінімальна середня довжина кодової комбінації
де Н — ентропія повідомлення; т — основа коду. Для двійкового коду
Загальне
правило знаходження
ефективного
коду невідоме,
однак запропоновані
алгоритми
кодування, у
яких величина
Цим умовам відповідають, наприклад, відомі коди Хаффмена і Фано-Шеннона. Труднощі практичної реалізації ефективного кодування зв'язані з нерівномірністю надходження в канал кодових комбінацій, тому що останні мають різну довжину. Для того щоб швидкість передачі була постійною, необхідно між кодером і передавачем установлювати узгоджуючий пристрій, що представляє собою блок пам'яті великої ємності. На практиці використовують найбільш прості способи статистичного кодування. Серед них велике поширення для стискання факсимільних сигналів одержав спосіб кодування довжин серій (КДС). Сигнал представляється серіями білого і чорного: білому полю відповідає серія нулів, а чорному — серія одиниць. Суть способу полягає в кодуванні довжин серій. У канал передається номер довжини даної серії. Оскільки довжини серій різні, довжини кодових комбінацій будуть неоднаковими. Цей спосіб буде найбільш ефективним, якщо використовувати вищезгадані принципи кодування, але при цьому пристрій, що кодує, буде складним. Обмежити кількість довжин серій (кількість кодових комбінацій) можна, використовуючи статистичні властивості серій. Наприклад, для зображення метеокарт доцільно білі серії кодувати шестиелементними кодовими комбінаціями, а чорні серії — трьохелементними. За допомогою цих кодових комбінацій можна закодувати всі білі серії довжиною від 1 до 63 елементів (26=64), а всі чорні серії довжиною від 1 до 7 елементів (23=8). Якби за кожною білою серією випливала чорна, то послідовність кодових комбінацій представляла б собою регулярно змінюючі один одного шести- і трьохелементні кодові групи (рис. 3.1). Якщо ж у зображенні зустрічаються довжини, більші чим 63 чи 7 елементів (для чорних серій), то регулярність чергування кодових комбінацій порушується і для правильного прийому необхідно використовувати службові кодові комбінації, що розділяли б відповідні кодові слова (рис. 3.2). При передачі метеокарт подібний спосіб кодування практично дозволив одержати коефіцієнт стискання до 80%, тобто приблизно на 80% зменшується загальна кількість переданих двійкових чисел. У розглянутому способі КДС використані статистичні властивості сигналу, що відповідає рядку розгортки зображення. Врахування міжрядкових зв'язків у зображенні може ще більше підвищити ефективність кодування. Дійсно, з огляду на високу роздільну здатність передавальної апаратури і властивості зображення (сусідні рядки «дуже схожі» один на одного), сигнали можна кодувати одночасно. Спочатку один рядок зображення віднімається з іншого (сусіднього), і далі кодується різницевий сигнал
Рис. 3.1. Приклад кодування довжин серій
Рис. 3.2. Введення службових кодових слів Оскільки при відніманні фактично здійснюється декореляція зображення (руйнуються статистичні зв'язки), то при цьому усувається надмірність. Ентропія перетвореного сигналу зростає, отже, зростає ефективність кодування. Розглянуті методи стискання мають низьку завадостійкість. Неправильно прийнятий знак про номер довжини серії приводить до так званого треку помилок, оскільки декодер відтворить серію не тієї довжини (і не тієї градації яскравості). Таким чином, навіть одинична помилка за рахунок перешкоди в каналі може викликати потік помилок при декодуванні сигналу. Методи КДС і його різновиду можуть працювати лише при імовірності помилки в каналі не гірше 10-6. Реальні канали мають імовірність помилки на кілька порядків більше (10-3—10-4). Тому без спеціальних заходів для підвищення завадостійкості методи КДС застосовувати не можна. Останнім часом у зв'язку із широким застосуванням ЕОМ у задачах обробки зображень практичний інтерес викликали методи кодування за допомогою різних лінійних і нелінійних перетворень. Найбільш перспективними з погляду стискання обсягу сигналу (а саме смуги частот) і завадостійкості є перетворення Фур'є, Адамара, Карунена-Лоева. Поява алгоритмів швидкого перетворення Фур'є привело до вивчення методів кодування, при яких замість самого вихідного зображення в канал передається його перетворення Фур'є. Можливість скорочення смуги частот пояснюється тим, що кореляція, яка властива вихідним зображенням, між сусідніми елементами викликає концентрацію енергії в області нульових просторових частот перетворення зображення. Саме ця властивість і дозволяє скоротити смугу частот. Завадостійкість кодування за допомогою перетворень пояснюється тим, що при перетворенні виконується операція усереднення. Кожен елемент відновленого зображення є зваженою сумою усіх вихідних елементів. Тому одиночна помилка розподілена рівномірно по всіх елементах відновленого зображення і мало помітна для ока. Експерименти показали, що при імовірності помилки 10-4 якість відновленого зображення цілком задовільна. Таким чином, у деяких випадках не потрібно застосовувати спеціальні заходи для підвищення завадостійкості. Як уже відзначалося, можливість скорочення смуги частот ґрунтується на використанні визначеної структури розподілу енергії зображення в площині перетворення. Представлені на рис.3.3 графіки характеризують частку енергії у відсотках, що міститься в просторових частотах перетворення Фур'є трьох різних зображень {1, 2, 3). Для них близько 95% енергії міститься менш ніж у 1 % вибірок просторових частот. При такому розподілі енергії очевидний спосіб скорочення смуги частот полягає в тому, щоб не передавати інформацію про верхні просторові частоти. Ця операція еквівалентна пропущенню зображення через низькочастотний просторовий фільтр.
Рис. 3.3. Розподіл енергії по вибірках просторових звітів Однак у результаті фільтрації зменшується різкість зображення. Це підтверджує необхідність передачі високочастотних компонентів, навіть якщо енергія на цих частотах незначна. У тих випадках, коли припустима деяка втрата роздільної здатності, низькочастотна просторова фільтрація призводить до значного скорочення смуги частот. Розглянуті цифрові методи усунення надмірності не вичерпують великої розмаїтості існуючих напрямків і способів підвищення пропускної здатності каналів. 5. Стандарти факсимільного зв'язку У 1966 р. EIA (Асоціація електронних галузей промисловості) оголосила про створення першого стандарту для факсимільного зв'язку - EIA Standard RS-328. Факсимільні апарати, що відповідають вимогам цього стандарту, сталі відносити до так називаної Групи 1. Однак північноамериканські виробники продовжували випускати факси, що не відповідали даному стандарту. Таким чином, обмін інформацією в документальному вигляді між Америкою й іншим світом залишався неможливим. Апарати Групи 1, використовували аналогові сигнали для обміну інформацією, забезпечували передачу однієї сторінки за 4-6 хвилин. Якість переданих документів, внаслідок малої роздільної здатності апаратів, була дуже низькою. Виробники усього світу працювали над поліпшенням якості і швидкості передачі документів, прагнучи скоротити час до трьох хвилин. Однак найбільші виробники факсимільного облажнання в Північній Америці не тільки продовжували випускати устаткування, що не відповідало специфікаціям Групи 1, але і використовували для обміну інформацією різні схеми модуляції сигналу. Ситуація докорінно змінилася в 1978 р., коли CCITT (Міжнародний консультативний комітет з телеграфії і телефонії) оголосив про нову специфікацію (Група 2), що була прийнята всіма компаніями. Досягнуте "взаєморозуміння" усіх факсимільних апаратів, що випускаються у світі, і зниження цін унаслідок розвитку технології дозволили багатьом комерційним і державним організаціям почати активно використовувати можливості цих апаратів у своїй роботі. У 1980 році з'явився новий стандарт - Група 3, що остаточно визначило шлях розвитку такого напрямку індустрії телекомунікацій, як факсимільний зв'язок. Використання цифрових сигналів для обміну інформацією дозволило значно збільшити якість і швидкість передачі інформації за допомогою звичайних телефонних ліній. Нові вимоги до роздільної здатності 203x98 і 203x196 крапок на дюйм відповідно в режимах Standard і Fine надають можливість передачі чорно-білих документів самого різного виду - починаючи зі звичайних текстових і закінчуючи повноцінними графічними. Сторінка документа передається протягом 30 с. чи більше, в залежності від швидкості передачі, на яку апарати Групи 3 налаштовуються автоматично, відповідно до технічного стану телефонної лінії. Спочатку стандарт на факси групи 3 був визначений рекомендацією ITU-Т Т. 4 в 1980 році. Цей стандарт був двічі перевиданий - перший раз у 1984 р. і потім у 1988 р. У модифікації цього стандарту від 1990 р. були схвалені схеми кодування, розроблені для факсимільних апаратів групи 4, а також більш високі швидкості передачі, обумовлені стандартами V.I7, V.29 і V.33. Радикальна відмінність факс апаратів групи 3 від більш ранніх полягає в повністю цифровому методі передачі зі швидкостями до 14400 біт/с. У результаті, застосовуючи стискання даних, факс групи 3 передає сторінку за 30-60 с. При погіршенні якості зв'язку факси групи 3 переходять в аварійний режим, сповільнюючи швидкість передачі. Відповідно до стандарту групи 3 можливі два ступені роздільної здатності: стандартна, що забезпечує 1728 крапок по горизонталі і 100 крапок/дюйм по вертикалі; і висока, що подвоює кількість крапок по вертикалі, що дає роздільну здатність 200х200 крапок/дюйм і вдвічі зменшує швидкість. Факсимільні апарати перших трьох груп орієнтовані на використання аналогових телефонних каналів КТСОП. У 1984 році ITU-T прийняв стандарт групи 4, що передбачає роздільну здатність до 400х400 крапок/дюйм і підвищення швидкості при більш низькій роздільній здатності. Факси групи 4 дають зображення дуже високої якості. Однак, вони працюють лише на високошвидкісних каналах зв'язку, які можуть забезпечити мережі ISDN, і не можуть працювати через канали КТСОП. Практично всі факси, що продаються в даний час, побудовані на стандарті групи 3. Сьогодні в усьому світі нараховується більш 80 млн телефаксів і факсів-модемів Групи 3. Автономні факсимільні апарати мають багато незаперечних переваг, але в них є і деякі недоліки, зумовлені в значній мірі їх конструктивними особливостями. 6. Нова апаратура факсимільного зв’язку Обсяг інформації, переданої по звичайних телефонних лініях, постійно збільшується. У першу чергу це стосується факсимільних повідомлень. Тому сьогодні багато користувачів зацікавлені в придбанні не простих автономних телефаксів, що виконують строго визначені функції, а більш досконалих систем, що дозволяють автоматизувати процес прийому, обробки і розсилання факсимільних повідомлень. Ідея використвувати персональний комп'ютер для створення таких інтегрованих систем, уперше була реалізована в 1985 р., коли фірма GammaLink випустила першу комп'ютерну факсимільну плату. Це дозволило підключити телефонну лінію безпосередньо до комп'ютера і перетворити його в потужний і багатофункціональний телефакс. Сьогодні комп'ютерні факсимільні плати випускає величезна кількість виробників. Їхня продукція, що розрізняється по деяких функціональних можливостях, служить для однієї мети - автоматизації процесу передачі, прийому і розподілу факсимільних повідомлень, обмін якими відбувається по звичайних телефонних лініях. Комп’ютерно-телефонні факсимільні плати є невід'ємною частиною індустрії комп'ютерної телефонії (КТ). Системи, що будуються на базі ПК із застосуванням таких плат, мають істотні переваги у порівнянні зі звичайними факсимільними апаратами. - Зручність використання. Інтеграція ПК із телефонною мережею і наділення його можливостями телефаксу дозволяє користувачам одержувати, обробляти і відправляти факсимільні повідомлення, не відриваючись від своїх комп'ютерів. - Ефективне використання телефонних ліній. Факсимільна система, що будується на базі ПК, забезпечує ефективний обмін інформацією з малого числа телефонних ліній, заміняючи собою безліч автономних телефаксів, для кожного з який потрібно окрема лінія. - Висока якість переданого зображення. Будь-який документ текстового чи графічного редактора може бути переданий у виді факсимільного повідомлення високої якості. Для цього за допомогою спеціального програмного забезпечення він перетвориться у формат, що використовується факсимільною платою для передачі повідомлень. Таким чином, гарантується висока якість зображення, оскільки документ не може бути "зіпсований" ні низькою якістю друку принтера, ні забрудненням сканера телефаксу, ні неполадками в механізмі подачі паперу. - Збереження конфіденційності прийнятих повідомлень. На відміну від звичайних телефаксів, що роздруковують усі повідомлення, що надходять, на єдиному рулоні паперу, системи КТ приймають і зберігають їх у персональних директоріях користувачів, доступ до яких обмежується паролем. Таким чином, цілком виключається перегляд важливих документів сторонніми людьми. Крім того, застосування ПК для керування роботою факсимільних карт дозволяє реалізовувати безліч корисних і зручних алгоритмів - додатків КТ. Більшість із них надають можливість цілком автоматизувати процес обміну факсимільними повідомленнями. До таких додатків КТ, що отримали найбільше розповсюдження, відносяться ФАКС-СЕРВЕР, ФАКС НА ЗАПИТ І ФАКС-РОЗСИЛКА. Застосування факс-сервера зводить до мінімуму часовіі і матеріальні витрати при прийомі і передачі факсимільних повідомлень. Факс на запит дозволяє автоматизувати процес надання абонентам часто замовлюваних документів. Факс-розсилка значно спрощує роботу персоналу при розсиланні великої кількості різних документів для великого числа адресатів. Незважаючи на стрімкий розвиток альтернативних способів документообігу, включаючи нову апаратуру факсимільного зв'язку, звичайні факсимільні апарати все ще не втратили своєї практичної цінності й успішно використовуються в різних сферах праці. 7. Висновки 1. Факсимільний зв'язок на сьогоднішній день є найбільш дешевим, швидким і доступним із усіх сучасних видів засобів електронної передачі інформації. Це забезпечує його стійке положення на світовому телекомунікаційному ринку. Потужні багатофункціональні факсимільні системи, що базуються на ПК, дозволяють запропонувати користувачам факсимільного зв'язку новий, раніше недоступний рівень сервісу. 2. Нові стандарти (Група 4) визначають вимоги до передачі кольорових документів, а активна підтримка з боку виробників апаратного і програмного забезпечення і розвиток цифрових телефонних мереж гарантують факсимільним системам стійкий і зростаючий попит як з боку організацій, так і з боку одиничних користувачів. 3. В даній роботі проаналізовано і побудовано блок-схему факсимільного апарату, яка включає в себе основні вузли факсимільної системи. 4. Розроблена і побудована принципова схема фотоелектричного перетворювача (ФЕП) — одного із блоків факсимільного апарату. 5. Для принципової схеми зроблено всі необхідні розрахунки. 6. Розроблено і розраховано принципову схему блоку живлення для фотоелектричного перетворювача. 7. Для всіх розроблених схем спроектовано друковані плати з розведенням компонентів. 8. Незважаючи на повсюдну комп'ютеризацію, стрімкий розвиток мережі Інтернет і систем електронної пошти, факсимільні апарати все таки залишаються потрібними й актуальними. За прогнозами фахівців вони ще довгий час будуть успішно витримувати конкуренцію з іншими системами для здійснення документообігу. 8. Список літератури
|







(2)
а
рис. 1 зображено
типову часову
залежність
фотоелектричного
сигналу, сформованого
фотодатчиком.


Рис.
5. Вхідні
характеристики
транзистора
ФТ-2Г.
,
можна переконатися,
що дані умови
виконуються.




;

Рис.
9. Принципова
схема.


,
як правило для
забезпечення
Кп
= 0,01
.
;




