Реферат: Состав оборудования АТСЭ Квант, устройство вводов кабелей в здания и сооружения
|
Название: Состав оборудования АТСЭ Квант, устройство вводов кабелей в здания и сооружения Раздел: Рефераты по радиоэлектронике Тип: реферат | |||||||||||||||||||||||||||||
| ВВЕДЕНИЕ Непрерывный рост деятельности человека во всех сферах жизни определяет необходимость систематического совершенствования средств связи. Связь играет значительную роль в жизни всего человечества. Научно-технический прогресс в отрасли связи характеризуется не только значительными количественными, но ещё в большей степени качественными изменениями. В недалёком прошлом под понятием связь подразумевались почта, телеграф и телефон. В настоящее время по каналам связи передаются: телевидение, полосы газет, многопрограммное радиовещание, сигналы электронной почты, автоматизированных систем управления (АСУ), международная компьютерная сеть Интернет,данные вычислительных центров. Важнейшим этапом развития автоматической телефонной коммутации можно считать развитие автоматических телефонных станций АТС с программным управлением и коммутационным полем с магнито-управляемыми герметизированными контактами (герконами) или электронными элементами (АТС третьего поколения). Разработка АТС третьего поколения была начата в 1950-е годы и шла по нескольким направлениям. Для создания новых АТС пытались использовать самые различные принципы и приборы. Многолетние исследования и разработки в конечном итоге привели к созданию АТС с коммутационным полем КП на металлических герметизированных контактах, электронных АТС с КП на полупроводниковых приборах и цифровых АТС с импульсно-кодовой модуляцией. Разработка устройств управления также велась в нескольких направле-ниях, однако, накопленный при создании ЭВМ опыт и достижения в цифровой вычислительной технике позволили достаточно быстро определить наиболее перспективное направление. Таким направлением оказалась организация управления с помощью программы, записанной в запоминающих устройствах. Организация централизованного программного управления экономически целесообразна на АТС ёмкостью 300-500 номеров. Использование микропроцессоров расширило область применения программного управления. 3. ТЕХНИКА БЕЗОПАСНОСТИ 3.1. Общие положения по монтажу Все работники, занятые на монтажных работах, должны быть обучены методам безопасного ведения работ. Поэтому к монтажным работам допускаются только те работники, которые обучены методам безопасной работы и имеют соответствующее удостоверение. Проверка знаний техники безопасности должна проводиться администрацией один раз в год. При нарушении работниками правил техники безопасности знания проверяются повторно. Руководители работ (прорабы, мастера) должны следить за выполнением работниками правил техники безопасности, чтобы обеспечить безопасное ведение работ. Монтажник обязан выполнять только ту работу, которая ему поручена. Запрещается самовольно включать или выключать машины, работать механизированными и электроинструментами, которые ему не поручены. К работе с переносными электроинструментами и ручными машинами допускаются работники, обученные приёмам безопасной работы с ними, знающие меры защиты при выполнении этих работ и приёмы оказания первой помощи при несчастных случаях. Рабочие места и проходы на монтажной площадке не должны быть загромождены материалами, изделиями, деталями и др.; их необходимо систематически очищать от мусора и грязи. Все проёмы, находящиеся в зоне производства монтажных работ (люки кабельных тоннелей, междуэтажные проёмы и т. д.) должны быть надёжно ограждены или перекрыты прочными настилами, не смещающимися при случайных ударах. Проемы, используемые для производства работ, должны немедленно закрываться после каждого пользования ими. При установке конструкций, закрепляемых цементным раствором, в стенах, потолках или полах клинья, подпорки и растяжки, поддерживающие конструкции, нельзя удалять до полного затвердевания раствора. Металлоконструкции и оборудование массой от 20 до 50 кг должны устанавливаться не менее чем двумя работниками. Работы, при выполнении которых отлетают твёрдые частицы обрабатываемых материалов (обработка металлических изделий при помощи зубил, пробивка шлямбуром отверстий в каменных стенах зданий и т. д.), необходимо производить в защитных очках с прозрачными армированными или небьющимися стёклами. В технических помещениях нужно применять устойчивые, легко передвигаемые стремянки, имеющие наклон со стороны ступеней 70-75 , а с остальных сторон не менее 85 . Размер верхней ступеньки стремянки должен быть не менее 350х300 мм, расстояние между ступеньками не должно превышать 250 мм, а высота стремянки должна быть достаточной для удобного выполнения работы. Воск или изолирующую массу следует разогревать в закрывающихся сосудах (чайнике, кастрюле) ёмкостью не более 5 л. Нагревать их свыше130-140 нельзя. Измерять температуру разогреваемого воска (массы) и перемеши-вать его можно только в рукавицах и предохранительных очках. Пайку проводов в неудобных для работы местах (под столами, в шкафах и т. д.) обязательно следует проводить в защитных очках. Монтажная площадка должна быть обеспечена аптечками с медикаментами и средствами для оказания первой помощи пострадавшим. При несчастных случаях необходимо немедленно принять меры по оказанию пострадавшему первой помощи и в случае надобности направить его в ближайший медицинский пункт с сопровождающим или вызвать врача. 2. УСТРОЙСТВО ВВОДОВ КАБЕЛЕЙ В ЗДАНИЯ И СООРУЖЕНИЯ Для подключения оконечных кабельных устройств ОКУ, размещаемых в зданиях и сооружениях, к городской кабельной телефонной сети оборудуется специальный комплекс линейных сооружений, называемый кабельным вводом. Как правило, строят подземные кабельные вводы, которые могут быть выполнены как открытой, так и скрытой прокладкой кабелей. Также бывают воздушные вводы. Кабельные вводы следует сооружать так, чтобы они располагались в стороне от других коммуникаций (силовых кабелей, газопроводов и водопроводов и т.д.); не мешали движению транспорта и пешеходов; надёжно были защищены от повреждений механического характера и были доступны для работы и осмотра в период эксплуатации. Подземный ввод с открытой прокладкой кабеля по стенам осуществляется путём прокладки одноотверстного трубопровода от вводного кабельного колодца до места вывода кабеля на стену здания. В месте, где кабель выходит на стену, трубопровод соединяется с изогнутой стальной трубой при помощи деревянной или бетонной переходной пробки, стык заделывают цементным раствором. Вертикальная часть стальной трубы должна выступать над поверхностью земли на высоту 0,7 м. Кабель над стальной трубой защищают желобами из тонколистовой стали на высоту не менее 3м от земли (Рис. 2.1.). На стыке стальной трубы и защитного жёлоба устанавливают накладку, перекрывающую место сопряжения. Защитный жёлоб крепят к стене здания с помощью скоб и шурупов на проволочных спиралях. Как правило, кабель из канализации выводят на боковую или заднюю стену здания. Кабель после защитного жёлоба прокладывают открытым способом по горизонтальному направлению по наружной стене здания и вводят внутрь здания через отверстие. Далее кабель включается в распределительную коробку, устанавливаемую, как правило, на лестничных клетках. Подземный ввод со скрытой прокладкой кабеля осуществляется подачей кабеля по трубопроводу от колодца непосредственно в подвальное помещение здания. По стенам подвала кабель прокладывают открытым способом до вертикальных каналов, идущих из подвала на лестничные клетки, и защищают стальными желобами от механических повреждений. Вертикальные каналы устраивают при строительстве здания, оставляя в конструктивных элементах углубления. На каждом этаже лестничной клетки в нишах стен оборудуют специальные шкафы для размещения распределительных устройств телефонной, радиотрансляционной и телевизионной сетей. Шкафы устанавливают в простенках между дверями или над дверными проёмами. В шкаф вводят десятипарный кабель и включают в распределительную коробку. Кабели и провода телефонной, радиотрансляционной, телевизионной и электрической сетей между шкафами прокладывают в отдельных каналах диаметром не менее 50 мм. В зданиях, не имеющих подвалов, прокладывают один канал из асбестоцементных труб диаметром 100 мм под полом первого этажа, идущий до электротехнического приямка под лестничной клеткой. Из приямка кабель подаётся в вертикальные стояки, размещаемые на лестничных клетках. Воздушный кабельный ввод со стоечной линии осуществляется подачей подвесного кабеля в здание через вводную трубу, устанавливаемую на крыше здания. К трубе крепят трос подвесного кабеля. Кабель через вводную трубу подают на чердак здания, а затем через отверстие к распределительной коробке на лестничной клетке или к устанавливаемому на чердаке кабельному ящику. При воздушном кабельном вводе со столбовой линии на стене здания устанавливают крюк, на котором закрепляют трос несущий кабель (Рис.2.2). Кабель через отверстие вводят внутрь здания на лестничную клетку и включают в распределительную коробку. Длина кабеля от столба до стены не должна быть более 40 м. Вывод кабеля на стену
здания. Ввод подвесного кабеля в здание 1-асбестоцементная труба, 2-стальная труба,3-защитный жёлоб, 4-кабель, 5-бетонная пробка. Рис.2.1. 1-кабель, 2-подвесной трос, 3-подвеска для кабеля, 4-петля, 5-крюк, 6-спираль, 7-изолирующая трубка. Рис. 2.2. Конструкция ввода кабелей в здание АТС зависит от ёмкости станции и от расположения технических помещений внутри здания. Наиболее распространённым и удобным для эксплуатации является ввод кабелей через кабельную шахту (Рис. 2.3.). Шахта представляет собой помещение, расположенное в подвале здания. В помещении шахты монтируют разветвительные муфты, располагают оборудование для поддержания кабелей под давлением. Для размещения кабелей и муфт в шахте устанавливают металлический каркас с консолями. С целью минимального расхода кабеля кросс АТС размещают непосредственно над шахтой. Если кросс размещён на втором этаже здания, то помещение находящееся на первом этаже над шахтой, обычно используют для установки разветвительных муфт (перчаточной). В этом случае в шахте монтируется только оборудование для содержания кабелей под давлением.
Кабельная шахта. 1-вводный блок, 2-помещение шахты, 3-помещение кросса, 4-патрубки, 5-защитные полосы, 6-пакеты стопарных кабелей, 7-кабельрост, 8-разветвительные муфты, 9-газонепроницаемые муфты. Рис. 2.3. При ёмкости АТС свыше 10000 номеров допускается соединение кабельной шахты с кабельным колодцем посредством кабельного коллектора (Рис. 2.4.), вдоль стен, которого установлены кронштейны с консолями для раскладки кабелей. При наличии коллектора становится возможным доступ к кабелю на всём протяжении от колодца до шахты. На станциях малой ёмкости ввод кабелей выполняют через приямок. Приямок представляет собой техническое подполье, предназначенное для ввода кабелей в здание АТС. При вводе кабелей через приямок кабели из ближайшего колодца по телефонной канализации подают в приямок и далее через междуэтажное перекрытие в кросс. В приямке устанавливаются кронштейны с консолями для раскладки кабелей.
Кабельный коллектор. 1-кабели связи,2-водопровод,3-трубы теплофикации, 4-силовые кабели. Рис. 2.4. Для ввода кабелей в распределительный шкаф одновременно при сооружении цокольного фундамента закладывают изогнутые металлические трубы. Концы этих труб на 100 мм выше нижней линии корпуса шкафа (Рис. 2.5.). Распределительный шкаф.
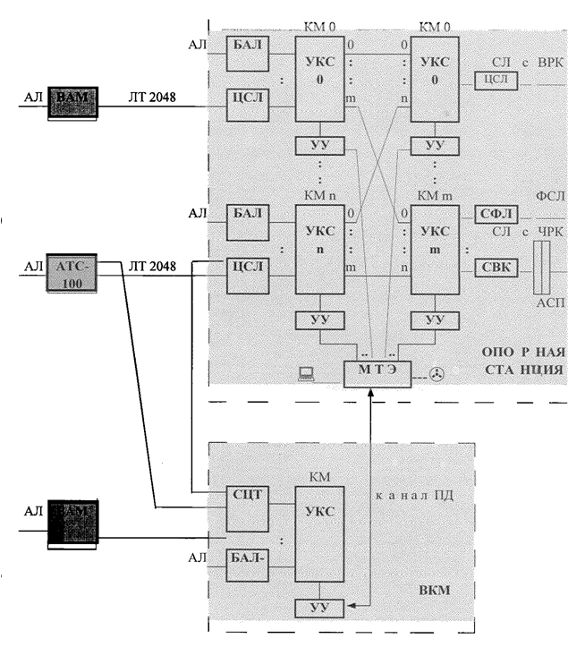
а - на улице, б - в нише; 1-вентиляционная труба, 2-шкафная доска, 3-изогнутые трубы, 4-бетон, 5-фундамент, 6-подвал, 7-крепление труб, 8-распределительный шкаф, 9-этаж, 10-дверь, 11-колодец. Рис. 2.5. Для ввода магистрального кабеля в необслуживаемый усилительный пункт (НУП) его соединяют прямой муфтой с отрезком кабеля длиной 3,5 м выведенного из патрубка вмонтированного в корпус усилительного пункта. 1. АТСЭ КВАНТ-Е СОСТАВ ОБОРУДОВАНИЯ 1.1. Историческая справка АТС системы КВАНТ в варианте квазиэлектронных АТС были созданы в 70-е годы. В 1989 году разработано второе поколение АТС «КВАНТ», уже цифровых под условным названием «КВАНТ-СИС» (справочно-информационных служб). С 1995 года началось производство АТС следующего – третьего поколения АТС КВАНТ в Евро-конструктиве. С каждым поколением улучшались технические и эксплуатационные показатели АТС. 1.2. Архитектура цифровой системы коммутации КВАНТ «КВАНТ»- современная, надёжная, экономичная и постоянно совер-шенствуемая цифровая система коммутации (ЦСК) с гибкой модульной структурой оборудования и программного обеспечения (ПО). Она предназначена в первую очередь для развития сетей электросвязи сельских административных районов (САР). Система может использоваться в САР локально, в качестве районной АТС (РАТС), центральной станции (ЦС) или сельско-пригородного узла (УСП) райцентра, узловой (УС) или оконечной станции (ОС) сельской местности. Однако рациональным вариантом является комплексное внедрение ЦСК «КВАНТ» в САР, при котором, благодаря наличию выносных коммутационных и абонентских модулей, система охватывает своим оборудованием одновременно все уровни иерархии сети САР, образуя наложенную цифровую сеть с централизованной технической эксплуатацией (ЦТЭ). На городских телефонных сетях (ГТС) с помощью ЦСК «КВАНТ» можно создавать наложенную цифровую сеть или цифровые «острова», применяя при этом систему в качестве опорных (ОПС), транзитных (ТС) и опорно-транзитных станций (ОПТС) практически любой ёмкости и централизуя техническую эксплуатацию соответствующего фрагмента сети. Использование выносных коммутационных модулей в качестве подстанций (ПС) и выносных блоков абонентских линий (БАЛ) в качестве концентраторов резко снижает затраты на сеть абонентских линий (АЛ). На ведомственных сетях ЦСК «КВАНТ» может использоваться как в качестве автономных учрежденческо-производственных АТС (УПАТС), так и для создания разветвлённых цифровых сетей с централизованным техническим обслуживанием и любой требуемой топологией (полносвязной, радиальной, древовидной, смешанной), обеспечивая при этом предоставление ведомственным абонентам дополнительных видов обслуживания (ДВО). ЦСК «КВАНТ» имеет модульное построение, территориально распределённую коммутацию, децентрализованное программное управление и возможности централизации технического обслуживания. Модульная архитектура ЦСК «КВАНТ» и наличие двух ступенчатой иерархии выносов (опорная станция – выносной коммутационный модуль (ВКМ) – выносной абонентский модуль (ВАМ)) позволяют распределять оборудование системы по всей территории города или САР, образуя наложенную цифровую сеть или цифровой «остров» практически любой требуемой конфигурации и ёмкости с организацией ЦТЭ всего оборудования системы «Квант». Общая архитектура системы приведена на рисунке (Рис. 1.1.). Она базируется на следующих основных элементах: 1.2.1. коммутационных модулях (КМ), 1.2.2. блоках абонентских линий (БАЛ), 1.2.3. модулях стыка с соединительными линиями (СЦТ, КСЛ), 1.2.4. модуле технической эксплуатации (МТЭ). Коммутационный модуль КМ состоит из универсальной коммута-ционной системы (УКС) и устройства управления (УУ). В состав УКС входят: блок пространственно-временной коммутации ёмкостью 32 или 128 32-канальных линий ИКМ (УКС-32 или УКС-128) и соответствующее сигнальное, генераторное и управляющее оборудование. Блок УКС выполняет неблокируемые соединения любых каналов любых подключённых к нему групповых трактов (ГТ) ИКМ. Коммутационные модули группируются для построения опорной, транзитной или опорно-транзитной станции требуемой ёмкости, либо выносятся в места концентрации абонентов. ВКМ может быть одно или многомодульным и содержит собственно КМ, блоки БАЛ и модуль СЦТ стыка с цифровыми СЛ. Такой ВКМ автономно управляет соединениями и в структуре сети является независимой станцией, оставаясь, однако, частью ЦСК «КВАНТ» вследствие использования специфического внутрисистемного протокола сигнализации и наличия возможности управления от ЦТЭ системы. Блоки абонентских линий БАЛ-К - на 128 АЛ с концентрацией 4:1. В 1997 году налажено производство БАЛ-256 (БАЛ-Д) представляющий собой два блока БАЛ на 128 АЛ конструктивно размещённых в одной кассете. Блок включается в коммутационное поле КМ групповым трактом ИКМ, не предусматривает замыкания внутреннего сообщения и выполняет для абонентов стандартный набор функций BORSCHT. При необходимости подключения к БАЛ спаренных ТА и (или) таксофонов в кассету БАЛК устанавливаются ТЭЗы с комплектами соответственно подключения спаренных аппаратов ПСАМ и таксофонов ПТАМ. ТЭЗ ПСАМ рассчитан на 8 АЛ со спаренными через блокиратор ТА. ТЭЗ ПТАМ обслуживает 8 АЛ таксофонов, обеспечивая для них контроль исправности и переполюсовку напряжения при ответе абонента. В опорную станцию или выносной коммутационный модуль могут включаться ВАМ на базе БАЛК АТС-200 и АТС-100. АТС-100 может использоваться и как самостоятельная станция ёмкостью до 128 номеров, имеющая несколько направлений внешней связи по линиям ИКМ или по физическим либо уплотнённым СЛ с декадным или многочастотным кодом. Возможно объединение в одном конструктиве двух блоков БАЛК в одну АТС-200 до 256 АЛ. На АТС-100 (АТС-200) обеспечиваются замыкание внутренней нагрузки и транзитные соединения между СЛ. Модули стыка с соединительными линиями: ЦСЛ - для цифровых, БАЛК (БАЛД) с КСЛ для физических СЛ и для СЛ оборудованных системами передачи (СП) с частотным разделением каналов (ЧРК). Каждый модуль занимает кассету. Модули ЦСЛ позволяют использовать во внешних и внутренних направлениях связи СЛ с временным разделением каналов (ВРК) – до шестнадцати стыков с групповыми трактами ИКМ (СГТ) со скоростью передачи 2048 кбит/с на один СГТ. Возможно подключение СГТ15 для работы с системами ИКМ-15 со скоростью передачи 1024 кбит/с. подключение аналоговых СЛ к ЦСК «КВАНТ» не рекомендуется, но если такая необходимость возникает, то модули КСЛ обеспечивают стык с любыми возможными на сети типами СЛ. Модуль технической эксплуатации включает один или несколько компьютеров и, при необходимости, дополнительные внешние устройства ввода, вывода и хранения информации. В минимальной комплектации МТЭ устанавливается на каждой станции в качестве её центра управления. Возможно использование МТЭ как ЦТЭ фрагмента цифровой сети, построенного на базе оборудования ЦСК «КВАНТ». Основа МТЭ - компьютер технической эксплуатации (КТЭ) типа IBM-386 или выше. Он соединён с управляющим устройством станции, на которой размещён МТЭ, и с внешними устройствами – накопителями на магнитных дисках, принтером. Для связи с управляющими устройствами ВКМ и с внешним ЦТЭ компьютер использует выделенные каналы передачи данных и модемы. КТЭ автоматически или по директивам оператора управляет диагностикой и реконфигурацией оборудования, измерениями параметров нагрузки, электрическими измерениями параметров разговорных трактов и накоплением соответствующей статистической информации. Кроме этого, КТЭ тарифицирует все вызовы, обрабатывает данные аварийной сигнализации и выводит их на дисплей, принтер. Используя КТЭ оператор может корректировать системные данные разных КМ. На цифровой сети, построенной на базе ЦСК «КВАНТ», КТЭ главной станции выполняет роль ЦТЭ. В этом случае все остальные станции и выносные модули системы «Квант» обслуживаются контрольно - корректирующим методом, без постоянного присутствия персонала. Возможная ёмкость станций системы «Квант» определяется модульным построением структуры АТС, а также требуемым соотношением между числом АЛ и СЛ. Станция минимальной ёмкости образуется из одного коммутационного модуля. В зависимости от комплектации такой станции блоками БАЛ её ёмкость составляет от 100 АЛ (один БАЛК) до 2048АЛ и до 420 СЛ внешней связи. 1.3. Функциональный состав оборудования По функциональному признаку оборудование системы коммутации «Квант» можно разделить на: 1.3.1. коммутационное, 1.3.2. абонентского доступа, 1.3.3. линейного доступа, 1.3.4. сигнализации, 1.3.5. синхронизации, 1.3.6. управления, 1.3.7. электропитания, 1.3.8. технического обслуживания и эксплуатации. Коммутационное оборудование включает блоки пространственно-временной коммутации УКС и коммутаторы АТС-100. К оборудованию абонентского доступа относятся комплекты АК блоков БАЛК, а также комплекты подключения спаренных аппаратов ПСАМ и таксофонов ПТАМ. Для организации линейного доступа используются модули ЦСЛ, КСЛ, оконечные устройства линейных трактов. Функции сигнализации распределены между разным оборудованием. В абонентской сигнализации участвуют АК, в межстанционной - блоки цифровых анализаторов ЦП-16, комплекты КСЛ и ЦСЛ. Управление в цифровой системе коммутации «КВАНТ» децентрализованное. Собственные управляющие устройства имеют все УКС и блоки БАЛК. Вторичное электропитание оборудования выполняют индивидуальные для каждой кассеты блоки, вырабатывающие нужные напряжения преобразованием – 60 В. Функции технического обслуживания и эксплуатации выполняет модуль МТЭ. Коммутационные блоки станции выполняют однозвенную простран-ственно-временную коммутацию, имеют общие принципы построения и отличаются в основном ёмкостью. УКС 32х32 обеспечивает неблокируемые соединения любых каналов подключённых к нему 32 групповых трактов ИКМ 2048 кбит/с. блок БАЛК содержит коммутатор 8х8, который выполняет соединения между четырьмя трактами от 128 АК, одним трактом в сторону УКС и одним - к цифровым генераторам тональных сигналов. Таким образом, БАЛК представляет группе из 128 абонентов 30 каналов к УКС и имеет возможность замыкания внутренней нагрузки, которая реализуется в выносном варианте блока. Каждая половина блока БАЛД имеет собственное управляющее устройство, а функции BORSCHT выполняются в одном ТЭЗе, который содержит шестнадцать АК с индивидуальными трактами передачи речи и общей схемой управления и сигнализации. В тракте передачи АК имеются: Узел защиты от перенапряжения в АЛ; Блок реле для подключения АЛ к АК, генератору вызывного сигнала, к измерителю параметров линии (ДГН) и для подключения АК к тестовой линии; Мост питания и детектор состояния шлейфа для подачи в АЛ напряжения станционной батареи и контроля состояния АЛ; Разделительный трансформатор для гальванической развязки разговорных цепей АЛ и АК; Активная дифсистема для согласования входного импеданса АК по переменному току с импедансом шлейфа АЛ и разделения направлений приёма и передачи речи для перехода к четырёх проводному тракту; Индивидуальный кофидек содержащий фильтры: полосовой - в направлении передачи для выделения из выходного сигнала речевого спектра 300….3400 Гц, и низких частот - в направлении приёма для сглаживания ступенчатого декодированного сигнала и кодер-декодер для аналого-цифрового и цифро-аналогового преобразования сигнала. Индивидуальные фильтры и кодеки объединены в одной микросхеме - кофидеке. Модуль ЦСЛМ стыка с цифровыми трактами размещается в одной кассете ЦСЛ, которая содержит до 16 ТЭЗов ЦСЛМ для подключения цифровых СЛ ИКМ-30. В кассету БАЛК возможна установка СГТ-15. Эти ТЭЗы обеспечивают подключение цифровых СЛ ИКМ-15. Стык с анало-говыми СЛ выполняют модули КСЛ на базе на базе кассеты БАЛК с установленными в неё ТЭЗами КСЛ для физических СЛ и для СЛ, уплотнённых систем передачи с ЧРК. Модули КСЛ обеспечивают: гальваническую развязку КСЛ и станционного оборудования, согласование четырёхпроводного канала с двухпроводным разговорным трактом ФСЛ, аналого-цифровое преобразование сигналов и формирование группового тракта ИКМ в сторону УКСЮ, а также преобразование линейных и декадных управляющих сигналов аналоговых СЛ во внутрисистемный формат. Устройства, участвующие в сигнальном обмене, и генераторы различного назначения имеются во многих узлах и блоках системы. Генератор блока УКС предназначен для синхронизации работы УКС, формирования тональных и многочастотных сигналов. Схема синхронизации обеспечивает возможность использования внешних эталонных источников синхроимпульсов. Генератором вызывного сигнала оборудуется каждый блок БАЛ. Вырабатываемое ГВС вызывное напряжение имеет синусоидальную форму, частоту 25 +-2Гц и амплитуду 95 + -5 В. номинальный ток нагрузки до 0,2 А. В ГВС предусмотрена защита от коротких замыканий и высоких напряжений на выходе. Для предотвращения проникновения из ГВС импульсных помех на шину –60 В в генераторе установлен входной фильтр. Блоками цифровых приёмников аналоговых частотных сигналов ЦП16 оборудуют коммутационные модули, обслуживающие внешние направления связи с многочастотным кодом или абонентов с тональным набором номера. Один ТЭЗ ЦП16 блока БЦА содержит 8 комбинаций кода «2 из 6». Количество ТЭЗов ЦП16 определяется ожидаемой нагрузкой. Оборудование технической эксплуатации включает модуль МТЭ и встроенные средства измерений, контроля и диагностики устройств и блоков «ЦСК КВАНТ». Основа МТЭ – компьютер технической эксплуатации с соответствующими внешними устройствами. Каждый модуль БАЛ аналоговых КСЛ имеет в своём составе ТЭЗ ДГН. Этот прибор позволяет измерять сопротивление шлейфа и изоляции, а также постоянные и переменные напряжения на разговорных проводах. Возможные диапазоны измерений приведены в таблице (табл. 1.1.). Таблица 1.1. Диапазоны измерений прибора ДГН
Кроме измерения параметров, перечисленных в таблице, прибор ДГН позволяет оценить искажения сигналов в разговорном тракте. Министерство народного образования РФ Среднее профессионально-техническое училище №30 (связи)
Расчётно-пояснительная записка к письменной квалификационной работе Допустить к защите: Зам. директора по УПР...….. .………………………… (Шумилова Т. Г.) Руководитель работы ...…...………………………… ( Воронов А. А. ) Консультант по охране труда…………………………….….. ( Ширяева В. Н. ) Нормоконтролёр...…...………………………… ( Ширяева В. Н. ) Учащийся...……………………………… ( Манжула И. О.) Вологда 2000 СПИСОК ИСПОЛЬЗОВАННЫХ ИСТОЧНИКОВ 1./ Барон Д. А. Магистральные и внутризоновые кабельные линии связи. Линейные сооружения.–Учебное пособие для ПТУ. –М.: Радио и связь, 1988. -296 с. 2./ Полонский П. А. Монтаж линейно-кабельных сооружений городских телефонных сетей. –Учебник для ПТУ. –М.: Высшая школа, 1983.-271 с. 3./ Барон Д. А., Гершман Б. И., Гроднев В. И. и др. Справочник стро-ителя кабельных сооружений связи. –М.: Связь, 1979. –704 с. 4./ Алексеев В. И. и др. Кабельные линии городских телефонных сетей. –Учебник для техникумов. –М.: Связь, 1973. –232 с. 5./ Лутов М. Ф., Жарков М.А., Юнаков П. А. Квазиэлектронные и электронные АТС. –М.: Радио и связь, 1982. –264 с. 6./ Кошелев С. В. Монтажник станционного оборудования проводной связи. Учебник для рабочих. –М.: Радио и связь, 1984. –272 с. 7./ Цифровая система коммутации Квант. – Общее описание. –Рига: Квант Интерком Лимитед, 1996. –37 с. СОДЕРЖАНИЕ Введение………………………………………………………………. 4 1. АТСЭ Квант-Е…………………………………………………. 5 1.1. Историческая справка………………………………………… 5 1.2. Архитектура цифровой системы коммутации Квант……….. 5 1.3. Функциональный состав оборудования……………………... 9 2. Устройство вводов кабелей в здания и сооружения………… 12 3. Техника безопасности………………………………………… 17 3.1. Общие положения по монтажу………………………………. 17 Заключение…………………………………………………………… 19 Список использованных источников………………………………. 20 ЗАКЛЮЧЕНИЕ В письменной квалификационной работе рассмотрены следующие вопросы: состав оборудования АТСЭ –Квант устройство вводов кабелей в здания и сооружения общие положения по монтажу. Архитектура цифровой системы коммутации Квант.
![]()
Рис 1.1. |









